|
|
|
Открытое акционерное общество РАО «ЕЭС России» Открытое акционерное общество «ЦКБ Энергоремонт» СТАНДАРТ ОРГАНИЗАЦИИ ТИПОВАЯ ТЕХНОЛОГИЧЕСКАЯ ИНСТРУКЦИЯ. СО 34.46.605-2005Вводится в действие с 01.02.2005 г. ПРЕДИСЛОВИЕ 1. Разработан ОАО «ЦКБ Энергоремонт» Исполнители: Ю.В. Трофимов, Л.Л. Федосов, В.Л. Раскин, Л.Г. Федосова. 2. Взамен Руководящего нормативного документа «Типовая технологическая инструкция. Трансформаторы напряжением 110-1150 кВ, мощностью 80 МВ·А и более. Капитальный ремонт» РДИ 34-38-058-91, «ЦКБ Энергоремонт», 1991 г. (СО 34.46.605 (РД 34.46.605)) 3. Настоящий стандарт организации (СО) является переизданием Руководящего нормативного документа «Типовая технологическая инструкция. Трансформаторы напряжением 110-1150 кВ, мощностью 80 МВ·А и более. Капитальный ремонт» РДИ 34-38-058-91, выпущенного в 1991 г. СО переработан в связи с изменениями нормативных документов Госстандарта РФ, органов Государственного надзора и отраслей промышленности. В СО внесены необходимые изменения по наименованиям, обозначениям и отдельным требованиям нормативных документов, на которые даны ссылки в СО с сохранением согласования организациями и предприятиями. Содержание 1. ВВЕДЕНИЕ.Требования настоящего стандарта организации (СО), далее типовой технологической инструкции распространяется на капитальный ремонт силовых трансформаторов, автотрансформаторов и реакторов (в дальнейшем - трансформаторов) общего назначения классов напряжения 110-1150 кВ мощностью 80 МВ·А и более отечественного производства, выполняемого в условиях эксплуатации. Типовая технологическая инструкция рекомендуется к применению персоналом электростанций, предприятиями электрических сетей, предприятиями и организациями, производящими ремонт (заводами-изготовителями трансформаторов, участвующими в капитальном ремонте трансформаторов в условиях эксплуатации), принимающими из ремонта и эксплуатирующими отремонтированные трансформаторы, а также организациями, разрабатывающими техническую документацию на ремонт оборудования. В приложениях приведены перечни основного технологического оборудования, приборов, инструмента и основных материалов, используемых при проведении капитального ремонта трансформаторов. Типовая технологическая инструкция разработана в соответствии с требованиями стандартов на ремонтную документацию, а также с учетом опыта эксплуатации и ремонта новых типов трансформаторов классов напряжения до 1150 кВ включительно и с учетом изменений руководящих документов. Типовая технологическая инструкция устанавливает требования к материалам, применяемым при ремонте и требования к ведению ремонта. 2. ОБЩИЕ ПОЛОЖЕНИЯ.2.1. В комплект технической документации на капитальный ремонт трансформатора в обязательном порядке, согласно СО 34.20.608-2003*, должны входить: - ведомость планируемых работ по ремонту; - сетевой график ремонта; - программа вывода энергоустановки в ремонт; - программа приема энергоустановки из ремонта; - пояснительная записка, включающая обязательный раздел «Требования безопасности при выполнении ремонтных работ». При необходимости выполнения неотложных ремонтных работ (неплановые ремонты, работы, выявленные при дефектации оборудования и пр.) и невозможности разработки проекта производства работ до начала работ, допускается выполнение работ по настоящему СО. * Наименования нормативных документов, упомянутых в инструкции, приведены в приложении 6. 2.1.1. Ведомость планируемых работ по ремонту составляется в соответствии с требованиями СО 34.04.181. 2.2. Последовательность проведения работ при капитальном ремонте трансформатора определяется сетевой моделью типового технологического процесса (рис. 1). Подготовка к ремонту трансформатора должна включать проверку комплектности технической документации, подготовку ремонтной площадки, проверку работоспособности технологического оборудования, оснастки и инструмента, а также наличия нормативного количества необходимых материалов.
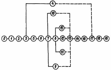
Рис. 1. Сетевая модель типового технологического процесса капитального ремонта трансформатора. 2.3. Ремонтная площадка должна обеспечивать защиту активной части и вводов от пыли и влаги, а также размещение и связь между технологическими участками в соответствии со схемой, приведенной на рис. 2. Ремонтная площадка должна иметь: - железнодорожный ввод не менее 20 м с якорем для закрепления полиспаста; - электросборку для одновременного подключения схемы сушки трансформатора, сварочного и паячного оборудования, необходимого электроинструмента; - подводку сжатого воздуха на 0,5-0,6 МПа (5-6 кгс/см2); - слесарные верстаки; - маслопровод, идущий от маслохозяйства; - эффективную вентиляционную систему, необходимые средства пожаротушения, плакаты.
1 - место установки трансформатора (демонтаж и монтаж); 2 - участок ремонта активной части; 3 - участок изготовления мелких деталей и узлов; 4 - участок ремонта системы охлаждения; 5 - участок ремонта арматуры и мелких узлов; 6 - участок ремонта и испытания вводов; 7 - участок ремонта бака и крышки; 8 - участок ремонта расширителя и выхлопной трубы; 9 - участок ремонта и испытания приборов защиты и контроля Рис. 2. Схема связей между технологическими участками при капитальном ремонте. 2.4. Перед началом ремонта необходимо проверить работоспособность оборудования и наличие материалов по соответствующим ведомостям оборудования и материалов технологического процесса. В приложениях 1 и 2 даны перечни основного технологического оборудования и материалов, используемых при проведении капитального ремонта. При определении номенклатуры и количества материалов для проведения капитального ремонта конкретного трансформатора необходимо пользоваться стандартом организации «Трансформаторы силовые масляные. Нормы расхода материалов для ремонта» СО 34.10.396-2005, Москва, ОАО «ЦКБ Энергоремонт», 2005 г. Номенклатуру и количество технологического оборудования следует определять по технологическому процессу на ремонт трансформатора. 3. ТРЕБОВАНИЯ БЕЗОПАСНОСТИ И ОХРАНА ТРУДА.Настоящие требования выполнены на основании «Межотраслевых правил по охране труда (правила безопасности) при эксплуатации электроустановок» РД 153-34.0-03.150-00, утвержденных приказом Минэнерго России от 27.12.2000 г. № 163 и согласованных с Госэнергонадзором Минэнерго России 22.12.2000 г., «Правил по охране труда на предприятиях и в организациях машиностроения» ПОТ Р О 14000-001-98, утвержденных Департаментом экономики машиностроения Министерства экономики Российской Федерации 12 марта 1998 г., «Правил пожарной безопасности для электроэнергетических предприятий» РД 34.03.301-97, а также ряд других нормативных документов, утвержденных постановлениями Министерства труда и социального развития Российской федерации, РАО «ЕЭС России» и Госгортехнадзора России, которыми необходимо руководствоваться при ремонте трансформаторов и комплектующих узлов. 3.1. Общие требования.3.1.1. Организация контроля за выполнением инструкций по охране труда для работников в организации возлагается на работодателя, контроль за их выполнением - непосредственно на руководителей структурных подразделений. 3.1.2. Работодатель обязан: - обеспечить разработку по каждому виду работ и наличие на рабочих местах инструкций по охране труда; - организовать обучение безопасным методам труда и инструктаж по безопасности труда; - обеспечить наличие плакатов, указателей и знаков безопасности; - организовать контроль за соблюдением работающими безопасных приемов работы, за выполнением требований по охране труда, за применением средств индивидуальной защиты и др.; - организовать своевременное расследование несчастных случаев, связанных с производством, разработку мероприятий по предотвращению производственного травматизма. 3.1.3. При выдаче задания администрация (цеха, участка, и др.) обязана проверить оборудование, механизмы, состояние оснастки и рабочих мест, убедиться в их исправности, готовности к работе и в обеспечении безопасных условий производства работ. 3.1.4. Рабочие, обслуживающие технологическое оборудование, оснащенное подъемно-транспортными средствами, допускаются к работе после обучения, аттестации по безопасным методам работы с этим подъемно-транспортным оборудованием и первичного инструктажа. 3.1.5. На предприятии должен быть назначен и соответствующим образом аттестован ответственный по надзору за безопасной эксплуатацией грузоподъемных машин и ответственный за содержание грузоподъемных машин в исправном состоянии. 3.1.6. Вновь поступающие рабочие, независимо от предыдущего стажа и вида работ, могут быть допущены к работе после прохождения вводного инструктажа и первичного инструктажа на рабочем месте. 3.1.7. Вводный инструктаж проводится инженером по охране труда. О проведении вводного инструктажа и проверке знаний делается запись в журнале регистрации вводного инструктажа с подписью инструктируемого и инструктирующего. 3.1.8. Первичный инструктаж на рабочем месте проводится непосредственным руководителем работ для всех вновь принятых на предприятие работников, переводимых из другого подразделения, командированным и пр. Инструктаж проводится по инструкциям по охране труда для определенных видов работ. 3.1.9. Допуск к самостоятельной работе фиксируется датой и подписью инструктирующего в журнале регистрации инструктажа на рабочем месте. 3.1.10. Повторный инструктаж проходят все работающие (кроме лиц, которые не связаны с обслуживанием, испытанием, наладкой и ремонтом оборудования, использованием инструмента и которые освобождены от первичного инструктажа на рабочем месте) не реже чем через шесть месяцев. Инструктаж должен проводить непосредственный руководитель с записью о проведении инструктажа в журнале регистрации инструктажа на рабочем месте. 3.2. Требования к помещениям, рабочим местам и оборудованию.3.2.1 Производственные помещения должны быть оборудованы противопожарными средствами в соответствии с нормативными документами «Правила пожарной безопасности в Российской Федерации» ППБ-01-93 и «Пожарная техника для защиты объектов. Основные виды. Размещение и обслуживание» ГОСТ 12.4.009-83. К противопожарному инвентарю и оборудованию должен быть обеспечен свободный доступ. 3.2.2. Рабочие места должны содержаться в чистоте. Для сбора мусора, отходов изоляции и других отходов производства в назначенных местах должна быть установлена тара, которая должна регулярно освобождаться. 3.2.3. На рабочем месте должна быть обеспечена достаточная освещенность, соответствующая характеру и условиям выполняемой работы. 3.2.4. Рабочие места при выполнении электросварочных работ по ремонту бака и других металлоконструкций трансформатора должны быть ограждены переносными щитами-экранами. 3.2.5. Перед выполнением работ внутри бака трансформатора необходимо произвести вентилирование внутреннего объема и проверить отсутствие вредных газов взятием пробы воздуха на анализ. 3.2.6. Применяемое на предприятии производственное оборудование должно соответствовать требованиям безопасности. 3.2.7. Электрооборудование и электроустройства должны соответствовать «Правилам устройства электроустановок» СО 153-34.20.120-2003 и эксплуатироваться в соответствии с «Правилами технической эксплуатации электростанций и сетей» СО 153-34.20.501-2003. 3.2.8. Эксплуатация грузоподъемных механизмов должна производиться в соответствии с «Правилами устройства и безопасной эксплуатации грузоподъемных кранов» ПБ 10-382-00, утвержденными постановлением Госгортехнадзора России от 31.12.99 г. № 98. 3.3. Требования к работам по перемещению грузов с применением грузоподъемных кранов.3.3.1. Производственный контроль за безопасной эксплуатацией кранов должен осуществляться в соответствии с «Правилами организации и осуществления производственного контроля за соблюдением требований промышленной безопасности», утвержденными постановлением Правительства Российской Федерации от 10.03.99 № 263 и «Правилами устройства и безопасной эксплуатации грузоподъемных кранов» ПБ 10-382-00, утвержденными постановлением Госгортехнадзора России от 31.12.99 г. № 98. 3.3.2. Руководители организаций, эксплуатирующие краны, обязаны обеспечить содержание их в исправном состоянии и безопасные условия работы путем организации надлежащего освидетельствования, осмотра, ремонта, надзора и обслуживания. В этих целях должно быть: - назначены инженерно-технический работник по надзору за безопасной эксплуатацией кранов, грузозахватных приспособлений и тары, инженерно-технический работник, ответственный за содержание грузоподъемных кранов в исправном состоянии, и лицо, ответственное за безопасное производство работ кранами; - установлен порядок периодических осмотров и ремонтов; - установлен порядок обучения и проверки знаний персонала; - разработаны должностные инструкции для ответственных специалистов и производственные инструкции для обслуживающего персонала; - обеспечено выполнение указанных инструкций. 3.3.3. Инженерно-технический работник по надзору за безопасной эксплуатацией кранов назначается после обучения и проверки знаний комиссией с участием инспектора Госгортехнадзора и выдачи им соответствующего удостоверения. 3.3.4. Работы с применением грузоподъемных кранов должны выполняться под руководством лица, ответственного за безопасное производство работ кранами, назначаемого приказом по предприятию из числа мастеров, начальников участков, бригадиров, в распоряжении которых находятся эти краны. 3.3.5. Для управления кранами и их обслуживания владелец обязан назначить крановщиков, слесарей и электромонтеров. 3.3.6. Находящиеся в эксплуатации грузоподъемные машины должны иметь таблички с указанием регистрационного номера, грузоподъемности, даты следующего технического освидетельствования. 3.3.7. Перед началом работ по перемещению грузов каждый груз должен быть тщательно осмотрен, проверены устройства для строповки груза в соответствии со схемой строповки. 3.3.8. Для зацепки и подвешивания груза на крюк с помощью стропов руководство предприятия (приказом или распоряжением) должно назначить обученных и аттестованных стропальщиков. В своей работе стропальщик обязан пользоваться «Инструкцией по безопасному производству работ грузоподъемными машинами» РД 10-107-96. 3.3.9. Перед началом работ по подъему и перемещению грузов стропальщик обязан: - проверить исправность грузозахватных приспособлений и наличие на них клейм с обозначением номера, даты испытания и грузоподъемности; - подобрать грузозахватные приспособления, соответствующие техпроцессу; - проверить наличие вспомогательных приспособлений; - проверить освещенность рабочего места; - обо всех несоответствиях, не приступая к работе, обязан доложить лицу, ответственному за безопасное производство работ кранами. Стропы грузовые должны соответствовать «Требованиям к устройству и безопасной эксплуатации» РД 10-33-93, утвержденным Госгортехнадзором России 20.10.93 г. 3.3.10. При зацепке груза стропальщик обязан: - производить зацепку груза в соответствии со схемами строповки; - не производить строповку грузов, масса которых превышает грузоподъемность крана; - не пользоваться поврежденными или немаркированными съемными грузозахватными приспособлениями; - не применять для зацепки грузов не предусмотренные схемами строповки приспособления: ломы, штыри, проволоку и др. 3.3.11. При подъеме и перемещении груза стропальщик обязан: - убедиться в отсутствии людей возле груза; - подать сигнал для подъема груза на высоту 200-300 мм, затем проверить правильность строповки, равномерность натяжения стропов, действие тормозов и только после этого подать сигнал о подъеме груза на необходимую высоту; - перед горизонтальным перемещением груза убедиться, что они подняты не менее чем на 500 мм выше встречающихся на пути предметов; - сопровождать при перемещении груз и следить за тем, чтобы он не перемещался над людьми. 3.3.12. При опускании груза стропальщик обязан: - предварительно осмотреть место, на которое необходимо опустить груз, и убедиться в невозможности его падения; - снимать стропы с груза после того, как он надежно установлен, а при необходимости и закреплен. 3.3.13. Если во время работы грузоподъемной машины произошла авария или несчастный случай, стропальщик должен немедленно поставить в известность лицо, ответственное за безопасное производство работ кранами, оказать первую помощь пострадавшему, и вместе с крановщиком обеспечить сохранность обстановки аварии или несчастного случая, если это не представляет опасности для жизни и здоровья людей и не приведет к осложнению аварийной обстановки. 3.4. Требования к работам с ручным слесарным инструментом.3.4.1. К работе со слесарным инструментом допускается обученный персонал, прошедший вводный инструктаж по охране труда на основании «Типовой инструкции по охране труда при работе с ручным слесарным инструментом» РД 153-34.0-03.299/5-2001 и первичный инструктаж на рабочем месте. 3.4.2. Персонал, выполняющий работы с использованием слесарного инструмента обязан: - привести в порядок рабочую специальную одежду; - осмотреть рабочее место, убрать все, что может помешать выполнению работ; - проверить освещенность рабочего места; - проверить исправность необходимого для работы инструмента: молоток (кувалда) должен быть надежно насажен на исправную (без трещин) рукоятку; зубила, обжимки и керны не должны иметь сбитых или сношенных затылков с заусенцами; набор гаечных ключей должен соответствовать размерам болтов и гаек; губки гаечных ключей должны быть параллельны, а рабочие поверхности не иметь битых и смятых граней; напильники, шаберы, отвертки, ножовки должны иметь рукоятки длиной не менее 150 мм. Деревянные рукоятки инструмента должны быть прочно насажены и оборудованы бандажными кольцами. Во время работы необходимо пользоваться только исправным инструментом, предусмотренным технологической картой. 3.5. Требования к работам с ручным электроинструментом.3.5.1. К работе с электроинструментом допускается обученный персонал, прошедший медицинский осмотр и признанный годным для выполнения работ, а также прошедший вводный инструктаж по охране труда на основании «Типовой инструкции по охране труда при работе с ручным электроинструментом» РД 153-34.0-03.299/4-2001 и первичный инструктаж на рабочем месте, ознакомленный с инструкциями по работе с инструментом и имеющий II группу по электробезопасности. 3.5.2. Перед началом работы необходимо произвести внешний осмотр электроинструмента и проверку на холостом ходу. При внешнем осмотре проверить и убедиться в том, что: - отсутствуют трещины и другие повреждения на корпусе; - исправен кабель; - вставной инструмент имеет правильную заточку, не имеет трещин, выбоин, заусенцев и прочих дефектов; - абразивный инструмент огражден защитным кожухом; - отсутствует круговой огонь при искрении щеток на коллекторе. 3.5.3. Во время работы необходимо: - следить за тем, чтобы питающий кабель был защищен от случайного повреждения; - устанавливать и снимать вставной инструмент только после полной остановки ротора электроинструмента; - при работе шлифовальной машинкой необходимо пользоваться защитными очками или щитком для защиты глаз и лица. 3.5.4. Запрещается: - превышать предельно допустимую продолжительность работы, указанную в паспорте машины; - обрабатывать деталь, находящуюся на весу или свисающую с упора; - самостоятельно устранять неисправности электроинструмента; - снимать защитный кожух. 3.6. Требования к работам по сварке и пайке.3.6.1. К работе по выполнению электросварочных работ допускаются лица не моложе 18 лет, прошедшие специальное обучение и имеющие удостоверение на право производства электросварочных работ, прошедшие медицинский осмотр и инструктаж по охране труда на рабочем месте на основании «Типовой инструкции по охране труда для электросварщиков» РД 153-34.0-03.231-00. 3.6.2. Основными средствами индивидуальной защиты электросварщика являются: спецодежда и спецобувь, щиток, защищающий лицо и глаза от попадания брызг металла и светового излучения и брезентовые рукавицы. 3.6.3. Перед началом работы необходимо проверить состояние рабочей одежды, произвести осмотр сварочных проводов, убрать все легковоспламеняющиеся и горючие материалы в радиусе 5 м от места проведения электросварочных работ, опробовать работу местной вентиляции в случае проведения работы внутри бака трансформатора. 3.6.4. Во время работы необходимо следить, чтобы брызги расплавленного металла не попадали на работающий персонал и проходящих людей, следить за исправностью электрододержателей и проводов сварочной цепи. 3.6.5. Электросварщику запрещается: - очищать сварной шов от шлака без защитных очков; - сваривать деталь на весу; - проводить электросварочные работы с приставных лестниц; - выполнять электросварочные работы на металлоконструкциях, находящихся под давлением. 3.6.6. На проведение сварочных работ на маслонаполненном оборудовании или вблизи него производитель работ должен получить письменное разрешение службы пожарной безопасности и обеспечить необходимые противопожарные мероприятия. 3.6.7. При пайке отводов, шин во избежание воспламенения наложенной на них изоляции, последнею необходимо покрыть асбестовым полотном или асбестовым шнуром на длине 100 мм толщиной не менее 30 мм. Для стекания расплавленного припоя необходимо установить защитный короб из картона или асбестового листа, который необходимо поддерживать во влажном состоянии. 3.6.8. Не допускается (во избежание ожогов парами воды) производить охлаждение деталей при пайке прямым смачиванием водой. 3.6.9. При производстве сварочных работ на трансформаторе с маслом необходимо, чтобы уровень масла на трансформаторе был выше места сварки на 200-250 мм. При сварке для уменьшения или устранения течи масла допускается создавать разряжение в надмасляном пространстве трансформатора. Не допускается производить сварку на трансформаторе без масла. 3.6.10. Запрещается производить сварочные работы на активной части трансформатора и на расстоянии менее 5 м от разгерметизированного трансформатора. 3.6.11. Сварочные работы на частях и узлах, в которых ранее было масло (расширителе, выхлопной трубе, термосифонном фильтре), необходимо производить при усиленной циркуляции воздуха через их внутренние полости. Перед сваркой промасленные поверхности необходимо обезжирить и насухо протереть. 3.6.12. При выполнении сварочных работ на высоте с лесов и технологических площадок необходимо принять меры против загорания настилов и падения расплавленного металла на находящихся внизу людей. 3.6.13. При производстве газосварочных работ запрещается разводить открытый огонь в пределах 10 м от кислородных и ацетиленовых баллонов; необходимо принять меры, исключающие контакт кислорода с маслом. 3.7. Требования к работам на высоте.3.7.1. К работам на высоте относятся работы, при которых работающий находится на высоте более 1 м от уровня земли, пола или рабочего настила. К выполнению работ на высоте допускаются лица, прошедшие соответствующее медицинское освидетельствование. 3.7.2. При работах на высоте до 4 м следует пользоваться переносными лестницами или стремянками, предотвращающими их скольжение по опорной поверхности. 3.7.3. Передвижные деревянные лестницы длиной более 3 м должны иметь не менее двух металлических стяжных стержней, установленных под ступенями. Общая длина передвижной лестницы не должна превышать 5 м. 3.7.4. Ступени деревянных лестниц должны быть врезаны в тетивы, которые через каждые 2 м должны быть скреплены стальными металлическими стержнями. Расстояние между ступенями переносных и раздвижных лестниц не должно быть более 0,25 м и менее 0,15 м. 3.7.5. Одновременное нахождение на переносной лестнице более одного человека запрещается. 3.7.6. Приставные лестницы должны устанавливаться в рабочее положение под углом 70-75 градусов к горизонтальной плоскости. 3.7.7. Переносные лестницы, используемые в работе, должны иметь устройства, предотвращающие возможность сдвига и опрокидывания. Нижние концы лестниц и стремянок должны иметь башмаки из резины или другого нескользкого материала. 3.7.8. На всех лестницах, находящихся в эксплуатации, должны быть указаны: инвентарный номер, дата следующего испытания, принадлежность участку. 3.7.9. Периодический осмотр деревянных лестниц должен производиться не реже одного раза в месяц. 3.7.10. Все деревянные переносные лестницы должны испытываться статической нагрузкой после изготовления, а также периодически при эксплуатации 1 раз в 6 месяцев. 3.7.11. При статическом испытании переносные деревянные лестницы устанавливаются на твердом основании под углом 75 градусов к горизонтальной плоскости. Поочередно к ступенькам в середине пролета подвешивается груз 1,2 кН. Время выдержки 2 мин. После удаления груза на ступеньке и в местах врезки их в тетиву не должно быть видимых повреждений. 3.7.12. Дата и результаты периодических осмотров и испытаний лестниц должны фиксироваться в журнале учета и осмотра приспособлений. 3.8. Требования к окрасочным работам.3.8.1. К работе по профессии маляр допускаются лица не моложе 18 лет, прошедшие проверку состояния здоровья согласно приказу Министерства здравоохранения РФ № 90 от 14.03.1996 г. «О порядке проведения предварительных и периодических осмотров работников и медицинских регламентов допуска к профессии», вводный инструктаж по охране труда и первичный инструктаж на рабочем месте. 3.8.2. Окрасочная камера должна быть оборудована в соответствии с «Межотраслевыми правилами по охране труда при окрасочных работах» ПОТ Р М 017-2001. 3.8.3. Внутри окрасочной камеры и вблизи ее запрещается курить и использовать открытое пламя. 3.8.4. Перед началом работы маляр обязан: - надеть исправную спецодежду; - подготовить рабочее место, материалы и инструмент; - включить вентиляцию. 3.8.5. Пролитые лакокрасочные материалы следует засыпать опилками, собрать деревянным или алюминиевым совком, а затем протереть данное место ветошью, смоченной растворителем. 3.8.6. Обтирочные концы, ветошь, загрязненную лакокрасочными материалами, следует складировать в металлические ящики с закрывающейся крышкой и утилизировать. 3.8.7. Все металлические детали оборудования и приспособлений, используемые при окраске пульверизацией, должны быть надежно заземлены. 3.8.8. Грузоподъемные механизмы, применяемые в окрасочной камере, должны быть укомплектованы электроприводами и электроаппаратурой, выполненной во взрывобезопасном исполнении. 3.8.9. Приготовление краски должно производиться только в краскоприготовительном отделении. 3.8.10. Окраска внутренних поверхностей закрытых емкостей (резервуары и др.) должна производиться при обязательном их проветривании переносными вентиляторами и освещении переносными светильниками. Переносные светильники должны быть во взрывобезопасном исполнении, иметь металлическую сетку, крюк для подвески и шланговый провод с исправной изоляцией, напряжением электросети не выше 12 В. 3.8.11. Уборку помещений следует производить мокрым способом не реже одного раза в смену, мытье полов растворителями воспрещается. 3.9. Требования к работе с нефтепродуктами.3.9.1. Подготовка узлов трансформаторов к монтажу, очистка и промывка растворителем, должна производиться в помещениях, оборудованных вентиляцией. При выполнении указанных работ рабочие должны быть обеспечены респираторами или противогазами. 3.9.2. Хранить нефтепродукты следует в герметично закрытой таре (бочках, канистрах и пр.). Переносить разрешается только в алюминиевых, пластмассовых или оцинкованных сосудах с крышками. 3.9.3. При производстве запрещается: - работать в радиусе 25 м с открытым огнем; - выполнять сварочные и другие работы, вызывающие образование искр; - курить; - работать в обуви с металлическими гвоздями или подковами на подошвах; - применять металлические лестницы и подмостки. 3.9.4. Требования при работе с трансформаторным маслом. На энергетических предприятиях маслохозяйство оборудуется баками для хранения масла, насосами, маслообрабатывающим оборудованием, стационарными и переносными маслопроводами, средствами пожаротушения. Все указанное оборудование должно находиться в исправном состоянии. Стационарные маслопроводы в нерабочем состоянии должны полностью заполняться маслом. Подача масла к оборудованию и слив из него осуществляется по маслопроводам, предварительно очищенным прокачкой горячего масла. Размещение маслоочистительной аппаратуры (центрифуга, фильтр-пресс) должно позволять обслуживающему персоналу свободный обход аппаратов со всех сторон; расстояние аппаратов от стен и других машин должно быть с трех сторон не менее 0,75 м, а со стороны управления - не менее 1,5 м. В помещении маслоочистительных аппаратов должны быть вывешены инструкции о режиме их работы. 3.10. Требования при производстве сборочных работ.3.10.1. Для выполнения работ внутри бака трансформатора допускаются только специально подготовленные рабочие и инженерно-технические работники. Они должны быть обеспечены специальной одеждой и обувью. Одежда должна быть удобной для передвижения, защищать тело от переохлаждения, перегрева и загрязнения маслом. Во избежание ушибов, порезов и ссадин работы внутри трансформатора необходимо производить в защитной каске, рукавицах и резиновых сапогах. 3.10.2. Перед проникновением внутрь трансформатора необходимо убедиться, что из бака полностью удалены азот и другие инертные газы и выполнена достаточная вентиляция бака. Кислородосодержание воздуха в баке должно быть не менее 18 %. 3.10.3. Для контроля за состоянием и действием людей внутри трансформатора должен быть выделен наблюдающий, который обязан находиться возле входного люка на баке и постоянно поддерживать связь с работающими внутри людьми. 3.10.4. Освещение внутри трансформатора должно обеспечиваться переносными лампами на напряжение не более 12 В. Лампа должна иметь защитную сетку. 3.10.5. При работе на активной части и внутри трансформатора следует соблюдать осторожность, так как незначительные повреждения и загрязнение изоляционных деталей или попадание внутрь посторонних предметов могут стать причиной развития неполадок при работе трансформатора. Во избежание этого необходимо выполнять следующие требования: 3.10.5.1. Работы должны выполняться квалифицированными и опытными специалистами. 3.10.5.2. Одежда работающих специалистов должна быть чистой и не иметь металлических застежек, а обувь не должна иметь металлических гвоздей. Карманы спецодежды должны быть очищены от посторонних предметов. 3.10.5.3. При работе на активной части нельзя наступать на изоляционные детали. 3.10.5.4. Количество применяемых инструментов, приспособлений должно быть учтено и проверено до начала и после окончания работ на активной части. 3.11. Требования при нагреве трансформатора.Для обеспечения безопасности при нагреве трансформаторов необходимо выполнять следующие организационно-технические мероприятия. 3.11.1. Оборудовать место проведения работ противопожарным инвентарем, средствами пожаротушения и телефонной связью. Количество и вид противопожарного инвентаря определяются в зависимости от местных условий с учетом массы масла и трансформатора, количества и типа работающего оборудования. 3.11.2. Освободить место проведения работ от постороннего оборудования, очистить от грязи, вывесить предупреждающие плакаты, сделать ограждения. 3.11.3. Получить письменное разрешение местной пожарной охраны на проведение работ. 3.11.4. Организовать круглосуточное дежурство монтажного персонала и постоянный противопожарный пост. В смене должно быть не менее двух электромонтеров, один из них должен быть ответственным дежурным. 3.11.5. Разработать письменную инструкцию для дежурного персонала по проведению работ, соблюдению правил безопасности и действиям при возникновении опасности. Оформить журнал проведения работ, в котором дежурный персонал должен расписываться о принятии и сдаче смены. 3.11.6. Провести производственный инструктаж с дежурным персоналом по безопасности. 3.11.7. При монтаже индукционной обмотки необходимо, чтобы сечение провода соответствовало току по допустимой плотности. В качестве теплоизолирующих материалов необходимо применять термостойкие материалы. Деревянные стойки для индукционной обмотки во избежание их воспламенения должны быть покрыты составом, состоящим из смеси жидкого стекла с мелом и тальком. 3.11.8. При выполнении индукционной обмотки неизолированным проводом необходимо, во избежание замыкания, не допускать их провисания при нагреве. Для этого необходимо деревянные стойки ставить не реже, чем через 500 мм, а провода между стойками связывать по высоте между собой шнуром, пропитанным каолином (белой глиной). Гвозди для крепления индукционной обмотки следует забивать в рейку до половины ее толщины, так чтобы они не касались бака трансформатора. 3.11.9. Применяемые для нагрева дна бака трансформатора электрические печи и воздуходувки не должны допускать искрообразования. Температура нагревательного элемента электрических печей должна быть не более 120°С. Запрещается применение электрических печей и воздуходувок с открытыми нагревательными элементами. 3.11.10. В процессе работы необходимо следить за отсутствием течи масла из бака трансформатора, за нагревом электрических контактов и проводов, за соблюдением температурного режима нагрева трансформатора. Ежедневно необходимо производить уборку места проведения работ. 3.11.11. Место проведения работ должно быть ограждено. Проводить огнеопасные и другие не связанные с выполнением технологического процесса работы, а также хранить легковоспламеняющиеся материалы на огражденной территории не допускается. 3.12. Требования при эксплуатации электроустановок.3.12.1. Испытания должны производиться в соответствии с «Правилами технической эксплуатации электрических станций и сетей РФ», ОРГРЭС, М., 2003 г. и «Межотраслевыми правилами по охране труда (правила безопасности) при эксплуатации электроустановок» ПОТ РМ 016-2001, РД 153-34.0-03.150-00, М., 2002 г. 3.12.2. На предприятии из числа инженерно-технических работников энергослужбы должно быть приказом (распоряжением) назначено лицо, ответственное за состояние электрохозяйства, которое должно отвечать за выполнение указанных выше Правил. Приказ о назначении лица, ответственного за электрохозяйство, издается после проверки знаний правил и инструкций и присвоения этому лицу IV группы по электробезопасности для электроустановок напряжением до 1000 В или V группы - для электроустановок напряжением выше 1000 В. 3.12.3. Лица, ответственные за электрохозяйство несут ответственность за правильный подбор электротехнического персонала. 3.12.4. К электротехническому персоналу предъявляются следующие требования: - после соответствующей теоретической и практической подготовки персонал должен пройти проверку знаний и получить допуск к работам в электроустановках; - лица из электротехнического персонала не должны иметь увечий и болезней в стойкой форме. Состояние здоровья определяется медицинским освидетельствованием при приеме на работу и периодическим осмотром в установленные сроки; - лицам, не достигшим 18-летнего возраста, не разрешается присваивать группу по электробезопасности выше второй и они не могут быть допущены к работам в электроустановках. 3.12.5. Работы в действующих электроустановках должны проводиться по наряду-допуску, распоряжению, по перечню работ, выполняемых в порядке текущей эксплуатации. 3.12.6. Для производства работ по высоковольтному испытанию трансформаторов необходимо применять исправные испытательные установки (электролаборатории) или временные испытательные установки, собираемые на месте для проведения каждого испытания. 3.12.7. Передвижные испытательные установки необходимо оборудовать ограждениями, сигнализацией, блокировкой и другими приспособлениями, обеспечивающими производство работ в соответствии с правилами техники безопасности. 3.12.8. Допуск людей к месту проведения испытания должен быть ограничен, посторонние люди должны быть выведены из зоны проведения высоковольтных испытаний. 3.12.9. При работе с мегаомметром измерение сопротивления изоляции должно осуществляться на отключенных токоведущих частях, с которых снят заряд путем предварительного их заземления. 4. ПРИЕМКА В РЕМОНТ ТРАНСФОРМАТОРА И ХРАНЕНИЕ РЕМОНТНОГО ФОНДА.4.1. Трансформатор следует сдавать в ремонт полностью в рабочем состоянии со всей технической, ремонтной и эксплуатационной документацией, а также с комплектом необходимых для ремонта запасных частей, деталей, материалов, инвентарной оснастки и оборудования для выполнения ремонта. 4.2. Запасные вводы хранить: а) сухие - в заводской упаковке, в сухом помещении; б) маслонаполненные - в отапливаемом помещении на специальных подставках в вертикальном положении заполненными сухим маслом. 4.3. Запасные охладители хранить в деревянной упаковке в сухом помещении, залитыми сухим маслом и герметично закрытыми. 4.4. Запасные маслонасосы системы охлаждения трансформатора хранить в заводской упаковке, залитыми сухим маслом и герметично закрытыми. 4.5. Запасные вентиляторы системы охлаждения хранить в сухом помещении в заводской упаковке. 5. ДЕМОНТАЖ ТРАНСФОРМАТОРА НА ФУНДАМЕНТЕ, ПРЕДРЕМОНТНЫЕ ИСПЫТАНИЯ, ПЕРЕМЕЩЕНИЕ ТРАНСФОРМАТОРА НА МЕСТО РЕМОНТА.5.1. Отсоединить шины и спуски от отводов, силовые и контрольные кабели от двигателей и приборов, заземление трансформатора. Произвести частичный демонтаж противопожарной системы. 5.2. Произвести внешний осмотр трансформатора, выявить дефекты, имеющиеся места течей отметить мелом или керном. Составить ведомость дефектации. 5.3. Провести предремонтные испытания. Объем предремонтных испытаний должен состоять из: - наружного осмотра трансформатора и испытания бака на плотность; - измерения потерь холостого хода при пониженном напряжении; - измерения сопротивления изоляции R60; - измерения tgd изоляции обмоток; - физико-химического анализа и хроматографического анализа масла; - измерения сопротивления обмоток постоянному току; - проверки работы механической части переключающего устройства; - оценки состояния бумажной изоляции по степени полимеризации; - измерения сопротивления короткого замыкания Zk (для трансформаторов мощностью 125 MB·А и выше); 5.4. Перекрыть вентили и задвижки между охладителями и баком трансформатора. Слить масло из маслопроводов, отсоединить маслопроводы от трансформатора и установить на фланцах маслопроводов, задвижек и вентилей бака заглушки с маслоспускными пробками. Заполнить маслом все маслопроводы и охладители. 5.5. Очистить наружные поверхности контактных зажимов вводов от загрязнений. 5.6. Произвести на всех рельсах разметку мест их сопряжения с катками кареток трансформатора, приподнять домкратами трансформатор со стороны расширителя, убрать с рельсов подкладки, обеспечивающие наклон трансформатора по оси расположения газового реле. Осмотреть каретки и катки, смазать оси катков. Опустить трансформатор на рельсы проверить надежность закрепления кареток к дну бака. 5.7. Закрепить блоки полиспаста за якорь и специальную конструкцию на трансформаторе для перемещения его по поперечной оси. Постепенно разматывая трос с барабана лебедки, пропустить его через оттяжной блок, зарядить полиспаст, закрепить конец троса за ушко в блоке и выбрать слабину в полиспасте. Тщательно проверить состояние кареток и путей перекатки. 5.8. Проверить стыки на крестовинах рельсовых путей, установить на стыках крестовин рельсовых путей вставки и закрепить их. 5.9. Перемещение трансформатора с фундамента на ремонтную площадку осуществлять следующим образом: - переместить трансформатор с фундамента на поворотную крестовину; - приподнять трансформатор на 150 мм, повернуть каретки на 90°, опустить трансформатор, закрепить каретки, переставить вставки в крестовинах, переставить полиспаст; - переместить трансформатор на 40-50 м и переставить полиспаст. Операции поворота катков и перекатки по продольной и поперечной осям повторять по всему пути перекатки. Перекатывать трансформатор плавно, без рывков, со скоростью, не превышающей 8 м/мин. Тяговое усилие должно быть направлено по направлению оси рельсовых путей. Примечания: 1. Подъем трансформатора с помощью гидродомкратов осуществлять плавно, контролируя по манометрам, установленным на этих домкратах, равномерность нагрузки на домкраты - гидродомкраты устанавливать только в местах, указанных в технической документации трансформатора. Установленные гидродомкраты должны иметь предохранительные гайки на головках поршней. Соединительные шланги должны быть предварительно проверены и испытаны и не иметь перегибов. 2. Если трансформатор нельзя доставить на место ремонта с вводами, навесными радиаторами (охладителями) расширителем и предохранительными устройствами, то последние следует снять, предварительно слив масло из бака на 150-200 мм ниже уровня крышки бака. Перед транспортированием необходимо залить масло под крышку бака. 3. Трансформаторы с выносными охладителями к месту ремонта перемещать без охладителей. 4. В отдельных случаях допускается перемещать трансформатор в частично демонтированном виде. 5. Охладители к месту ремонта перемещать герметично закрытыми и заполненными сухим маслом. 6. РАЗБОРКА ТРАНСФОРМАТОРА.6.1. Произвести частичный слив масла из трансформатора (по уровень верхнего ярма магнитопровода). 6.2. Прогреть трансформатор до температуры 60-70°С одним из методов нагрева, указанных в «Трансформаторы силовые. Транспортирование, разгрузка, хранение, монтаж и ввод в эксплуатацию» РД 16.363-87, Москва, СПО Союзтехэнерго, 1987 г. Примечания: 1. Допускается производить разборку трансформатора на открытом воздухе в сухую и ясную погоду при относительной влажности воздуха до 65 % (приложение 3). 2. Температура активной части в процессе всего периода разгерметизации должна превышать температуру точки росы окружающего воздуха не менее чем на 5°С и во всех случаях должна быть не ниже +10°С. 3. Продолжительность работ, связанных с разгерметизацией бака, проводимых при соблюдении п. 2 не должна превышать значений, указанных в «Инструкции по эксплуатации трансформаторов» СО 153-34.46.501 (РД 34.46.501). 4. Началом вскрытия активной части трансформатора считается начало слива масла, а концом - начало вакуумирования. 5. В период осмотра и ремонта активной части, а также после ремонта до полной герметизации в целях предохранения активной части от увлажнения рекомендуется применять внутри бака продувку сухим подогретым воздухом. 6. Кратковременное вскрытие какой-либо заглушки до установки термометра для измерения температуры (при вынужденном прогреве) не учитывается при определении продолжительности пребывания активной части на воздухе. 6.3. Осмотреть трансформатор, о замеченных дефектах сделать запись в ведомости дефектации. 6.4. Ознакомиться по габаритному чертежу трансформатора со схемами строповки вводов, бака и других узлов трансформатора. 6.5. Провести частичный слив масла с подсосом воздуха через технологический воздухоосушитель ниже фланца ввода. 6.6. Демонтировать газоотводные трубы, клапаны, вентили, задвижки, не демонтированные ранее расширитель и предохранительную трубу с помощью гаечных ключей, установить заглушки. 6.7. Установить и подключить установку «Суховей» для подачи подогретого и осушенного воздуха в бак трансформатора. 6.8. Демонтировать вводы: - у протяжных вводов отвинтить наконечник и установить в наконечник отвода рым-болт, закрепить тросик за рым-болт для поддержания отвода при снятии ввода; - у вводов зажимного исполнения отсоединить внутри бака отвод обмотки от ввода; - все отводы подвязать к конструкциям активной части и произвести подчистку контактных соединений ввода с обмоткой напильником; - снятые изоляционные детали хранить в масле, исключив при этом возможные механические повреждения; - демонтаж герметичных вводов ГБМТ (с баками давления) производить вместе с баками давления, предохраняя соединительную трубку от повреждений и резких изгибов (радиус изгиба должен быть не менее 90 мм). Во избежание повреждения фарфоровых покрышек вентиль между бачком давления и вводом должен быть открыт. 6.9. Слить масло в систему маслохозяйства. 6.10. Снять установки трансформаторов тока с бакелитовыми цилиндрами (предварительно проверить зазоры между цилиндрами и активной частью, которые должны быть не менее 30 мм). 6.11. Установки трансформаторов тока разболтить и поднять, ступенчато чередуя вертикальные и горизонтальные перемещения. Установки с трансформаторами тока отсоединить от бакелитовых цилиндров. На установки с трансформаторами тока установить временные технологические заглушки и залить маслом, а бакелитовые цилиндры установить в емкости с маслом и загерметизировать. 6.12. Узлы, имеющие наклонную ось, (трансформаторы тока, вводы и пр.) демонтировать с трансформатора с чередованием горизонтальных и вертикальных перемещений. 6.13. Снять вводы НН (низкого напряжения), отсоединив гибкие соединения через специальные люки, а также коробки вводов. Вводы, устанавливаемые в обойме, снимать вместе с обоймой. 6.14. Ввинтить до упора домкратные винты для фиксации переключающего устройства погружного типа, отсоединить крепление переключающего устройства к баку трансформатора. 6.15. Маркировать отводы, отсоединить их от переключателей напряжения и закрепить за активную часть. Проверить зазоры между деталями активной части (ярмовыми балками, активной сталью, отводами, креплениями и др.) и баком. Отсоединить внутри бака заземляющие шинки, распорные болты, расцепить валы переключающего устройства, предварительно нанеся риски на муфты сцепления, разобрать систему направленного движения масла (при наличии), отсоединить переключающее устройство. 6.16. Развинтить разъем бака, отпуская равномерно болты по периметру (развинчивание начинать с середины боковых сторон). 6.17. Выполнить строповку верхней части бака (колокола). 6.18. Поднять верхнюю часть бака на высоту 250-300 мм от разъема и выдержать для проверки отсутствия мест касания активной части, перекосов, неравномерности натяжения, исправности тормозов и других механизмов крана. Поднять верхнюю часть бака и установить на ремонтной площадке на деревянные брусья. 6.19. Установить вокруг активной части сборно-разборные стеллажи с перилами на уровне верхнего ярма магнитопровода. 7. РЕМОНТ АКТИВНОЙ ЧАСТИ ТРАНСФОРМАТОРА.7.1. Ремонт магнитопровода.7.1.1. Осмотреть ярмовые балки и прессующие винты. В случае значительной деформации консолей, их необходимо демонтировать, отрихтовать, подварить, тщательно очистить, обезжирить и окрасить. 7.1.2. Проверить состояние прессовки магнитопровода. При удовлетворительной прессовке лезвие ножа не должно входить между пластинами от усилия руки. 7.1.3. Внешним осмотром выявить места перегревов, забоин и шлакообразований, состояние изоляции и схемы заземления магнитопровода. Признаками местных перегревов служат цвета побежалости (изменение нормального цвета стали на желтый, фиолетовый, синий). Шлакообразования имеют вид черной спекшейся массы. 7.1.4. Восстановить в доступных местах разрушенную межлистовую изоляцию конденсаторной бумагой или путем пропитки бакелитовым лаком с помощью кисточки. Выправить забоины и удалить шлакообразования. 7.1.5. Проверить чистоту вентиляционных каналов в магнитной системе. Промыть струей горячего трансформаторного масла. 7.1.6. При шпилечной стяжке (см. рис. 3) измерить мегаомметром 3 сопротивление изоляции стяжных шпилек 2 верхнего и нижнего ярм относительно магнитной системы.
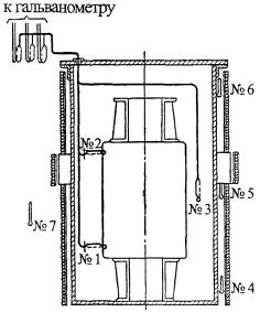
1 - магнитопровод, 2 - стяжная шпилька, 3 - мегаомметр Рис. 3. Измерение изоляции прессующих устройств магнитопровода шпилечной конструкции. Если сопротивление изоляции шпильки значительно ниже остальных или равно нулю, необходимо отвинтить гайки, извлечь шпильку из ярмового отверстия вместе с изолирующей бумажно-бакелитовой трубкой и осмотреть ее. Если трубка и шпилька имеют признаки перегрева (обугливание изоляции, наличие цветов побежалости, оплавление) и при осмотре отверстия в ярме обнаружено замыкание кромок пластин, то верхнее ярмо следует разобрать и при необходимости пластины переизолировать. Поврежденные бумажно-бакелитовые трубки следует заменить. 7.1.7. Шпильки, укомплектованные трубками, электрокартонными и стальными шайбами, вставить в отверстия ярм, навинтить гайки и равномерно затянуть с двух сторон. 7.1.8. Отделить заземляющую шинку. Проверить сопротивление изоляции ярмовых балок относительно магнитной системы. Если показатель качества изоляции соответствует нормам испытания, то заземляющую шинку установить на место. Подпрессовать магнитопровод, для предотвращения ослабления гаек стяжных шпилек предохранить их от самоотвинчивания стопорными пластинами или кернением. 7.1.9. При обнаружении замыкания между заземленными частями конструкции магнитопровода при снятых шинках заземления, устранить замыкание путем создания зазора (не менее 8 мм по маслу) или прокладывания электрокартона толщиной более 3 мм в месте касания. При этом должны быть приняты меры, исключающие продавливание электрокартона. Электрокартонные прокладки надежно закрепить. 7.1.10. У магнитных систем бесшпилечной конструкции (рис. 4) ярма следует подпрессовывать подтяжкой гаек на внешних шпильках и полубандажах 1. Мегаомметром 8 необходимо проверить качество изоляции полубандажей 1 и подъемных пластин 3, расположенных вдоль стержней по отношению к активной стали. Примечание. Значение сопротивления изоляции стяжных шпилек, бандажей, полубандажей ярм и прессующих колец относительно активной стали и ярмовых балок, а также ярмовых балок относительно активной стали, измеренного мегаомметром на напряжение 1000-2500 В, должно быть не менее 2 МОм, а сопротивление изоляции ярмовых балок не менее 0,5 Мом.
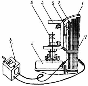
Рис. 4. Измерение изоляции прессующих устройств магнитопровода бесшпиличной конструкции. 7.2. Ремонт обмоток и изоляции.7.2.1. Осмотреть доступные части изоляции обмоток на отсутствие мест касания междуфазной изоляции с обмоткой и отводами (расстояние от междуфазной изоляции до прессующих колец и других заземленных частей должно быть не менее 30 мм). Осмотреть места касания, установить наличие следов электрических разрядов. Осмотреть крепление экранирующих витков. Проверить с помощью отвеса вертикальность столбов прокладок (отклонения допустимы в пределах ±5 мм от вертикальной оси прокладок). Отклонения выше допустимых необходимо устранить. 7.2.2. Определить механическую прочность изоляции следующим образом: отобрать 1-2 образца витковой и главной изоляции. Расщепить полосы из электрокартона на слои не более 0,5 мм по толщине, завернуть в фильтровальную бумагу и выдержать образцы в течение 8-10 ч при относительной влажности 70-80 %. По условной балльной классификации, установленной практической эксплуатацией: 1-й класс - изоляция эластичная, при полном сгибе вдвое изоляция не ломается; 2-й класс - изоляция твердая, при полном сгибе вдвое образуются трещины; 3-й класс - изоляция хрупкая, при полном сгибе изоляция ломается; 4-й класс - изоляция ветхая, при сгибе до прямого угла изоляция ломается. При 4-м классе изоляции обмоток для обеспечения надежной работы трансформатора принять меры по замене изоляции обмоток. Оценка состояния бумажной изоляции обмоток трансформаторов класса напряжения 110 кВ и выше должна проводиться по степени полимеризации. Ресурс бумажной изоляции обмоток считается исчерпанным при снижении степени полимеризации бумаги до 250 единиц. 7.2.3. Опрессовать обмотки гидравлическими домкратами в соответствии с РД 16.363-87 с поправками на состояние изоляции обмоток (см. ниже). 7.2.3.1. Провести подготовительные работы: - проверить состояние прессовки обмоток; - установить требуемое количество рабочих цилиндров на каждое прессующее кольцо, располагая их около прессующих винтов по окружности; - собрать схему гидравлической опрессовки, закачать в систему масло и выпустить воздух. Во избежание перекосов гидравлических домкратов необходимо следить, чтобы поверхности поршней и корпусов домкратов соприкасались с опорными поверхностями прессующих колец по всей плоскости; - создать в системе с помощью насоса давление, равное расчетному, откорректированному с учетом состояния изоляции обмоточного провода (приложение 4). Расчет усилия и значения давления по манометру при опрессовке обмоток трансформатора производить согласно местной инструкции по запрессовке. 7.2.3.2. Опрессовку обмоток проводить одновременно на трех стержнях, при этом следует опрессовывать однотипные обмотки, одного класса напряжения. Примечания: 1. В случае, когда опрессовка обмоток одновременно на трех стержнях невозможна из-за отсутствия оснастки, допускается выполнять опрессовку обмоток поочередно на отдельных стержнях в указанной последовательности: крайний стержень, второй крайний стержень, средний стержень. 2. В однофазном трансформаторе в первую очередь следует опрессовывать обмотку на главном стержне, а затем на вспомогательном. 3. Если на заводском чертеже нет специальных указаний об очередности опрессовки обмоток на стержне, то необходимо первыми опрессовывать обмотки, имеющие большее (общее на всю обмотку) усилие опрессовки; последними - обмотки с наименьшим (общим на всю обмотку) усилием опрессовки. Если две или несколько обмоток на одном стержне магнитопровода должны иметь одинаковое усилие опрессовки, то в первую очередь следует опрессовывать обмотку, которая расположена первой от стержня. 7.2.3.3. Первый способ опрессовки обмоток заключается в следующем: - отвинтить контргайки на нажимных винтах, определить очередность опрессовки обмоток; - установить гидравлические домкраты на прессующие кольца, количество их должно быть равным количеству нажимных винтов; - расположить домкраты на прессующем кольце в непосредственной близости от нажимных винтов, как указано на рис. 5; - выбрать зазор между поршнем гидравлического домкрата и ярмовой балкой с помощью изоляционных прокладок; - определить по заводскому чертежу значение усилия опрессовки обмотки на один винт, откорректированное с учетом состояния изоляции обмоточного провода, установить соответствующее выбранному усилию опрессовки давление масла в гидравлической системе (см. приложение 4); - опрессовать обмотки с усилием, рассчитанным по предыдущему пункту, выдержать неизменным давление 2-3 мин; - довинтить ключом нажимные винты до упора в прессующее кольцо; - завинтить контргайки; - сбросить давление в системе гидравлических домкратов до нуля, переставить домкраты к другим обмоткам; - выполнить опрессовку других обмоток, соблюдая последовательность, указанную выше. Контроль усилий опрессовки осуществлять по показанию манометра в процессе опрессовки. Примечания: 1. Если высота выхода поршня гидравлического домкрата не позволяет опрессовать обмотку за один прием (высота усадки обмотки больше, чем допустимая высота выхода поршня), то опрессовку следует выполнить в два или несколько приемов. 2. Установку гидравлических домкратов и довинчивание винтов стандартными рожковыми ключами следует выполнять с временных стеллажей.
1 - прессующее кольцо; 2 - подкладка нажимного винта; 3 - ось нажимного винта; 4 - гидродомкрат. Рис. 5. Схема установки домкрата. 7.2.3.4. Второй способ опрессовки обмоток заключается в следующем: - установить по заводскому чертежу значение усилия опрессовки обмотки на один винт, откорректированное с учетом состояния изоляции обмоточного провода. Определить соответствующее выбранному рассчитанному усилию давление масла в гидравлической системе (см. приложение 4); - определить очередность опрессовки обмоток. Установить на прессующее кольцо обмотки два гидравлических домкрата (по одному с двух диаметрально противоположных сторон); - расположить гидравлические домкраты на прессующем кольце в непосредственной близости от нажимных винтов, как указано на рис. 5; - отвинтить контргайки на нажимных винтах; - выбрать прокладками зазор между поршнем гидравлического домкрата и консолью, как указано на рис. 6. При выборе зазора использовать специальную прокладку с выдвижным штоком для осаживания обмоток (см. рис. 7); - опрессовать обмотки выбранным и рассчитанным на один нажимной винт усилием. При опрессовке следить, чтобы усадка обмотки в зоне установки гидравлического домкрата за один прием опрессовки не превышала 10 мм. Значение усадки определить по количеству оборотов освободившегося от нагрузки нажимного винта (при довинчивании его до упора), умноженному на шаг резьбы винта; - при достижении расчетного давления, выдержать его 2-3 мин. Довинтить ключом нажимные винты (два на фазу, возле которых установлены гидравлические домкраты) до упора в прессующее кольцо; - сбросить давление в системе гидравлических домкратов до нуля. Переставить гидравлические домкраты к другим двум диаметрально противоположным винтам; - поочередной перестановкой гидравлических домкратов выполнить опрессовку обмотки в зоне других нажимных винтов данной обмотки, соблюдая последовательность операций, указанную в п.7.2.3.4. Примечания: 1. Если при опрессовке усадка обмотки в зоне установки гидравлического домкрата превышает 10 мм, опрессовку обмоток до получения заданного усилия выполнить в два или несколько приемов. При выполнении опрессовки соблюдать последовательность работ, но при этом усилие, создаваемое гидравлическим домкратом, ограничить до значения, которое обеспечит усадку обмотки в зоне установки гидравлических домкратов до 10 мм. 2. Установка гидравлических домкратов и довинчивание нажимных винтов при выполнении опрессовки обмоток вторым способом выполняются с приставных лестниц при производстве работ внутри бака трансформатора и со стеллажей при установке гидравлических домкратов через открытые люки. 3. Опрессовку обмоток гидравлическими домкратами производить от обмотки с большими усилиями к обмотке с меньшими усилиями опрессовки. 4. Для предотвращения разрывов шлангов при работе необходимо следить, чтобы радиус изгиба шлангов высокого давления был не менее 90 мм. 5. При опрессовке обмоток руководствоваться указаниями чертежей в отношении допусков на осевые отклонения размеров обмоток. 6. Перед опрессовкой обмоток убедиться в целостности и прочности поддомкратных прокладок. 1 - консоль; 2 - специальная прокладка; 3 - гидравлический домкрат; 4 - прокладка из электрокартона; 5 - прессующее кольцо; 6 - обмотка Рис. 6. Схема опрессовки обмотки гидродомкратами Рис. 7. Прокладки для опрессовки обмоток: а - цельная; б - с подвижным штоком. 7.2.4. Проверить целостность креплений отводов. Поврежденные детали заменить новыми, предварительно просушенными не менее 48 ч при температуре 100-105°С при остаточном давлении 667 Па (5 мм рт. ст.) и пропитанными маслом под вакуумом при температуре 50°С. Проверить состояние паек контактных соединений. При обнаружении потемнения изоляции в местах паек, необходимо изоляцию срезать на конус (длина конуса должна составлять не менее десятикратной толщины изоляции), проверить состояние пайки. При необходимости, соединение перепаять, изолировать место пайки новой изоляцией (бумагой, лакотканью). Проверить затяжку гаек крепления и, при необходимости, затянуть крепеж несущей отводы конструкции и разъемные соединения на отводах. После затяжки крепежа гайки и болты предохранить от самоотвинчивания. Проверить расстояния между отводами и от отводов до заземленных частей в соответствии с чертежами. При обнаружении несоответствий чертежу, дефекты необходимо устранить. 7.2.5. Проверить соответствие схемы заземления чертежу, а также состояние заземляющих шинок и качество их установки. При наличии подгаров шинок, установить причину и устранить подгары. Шинки с надрывами должны быть заменены шинками, пролуженными оловянистым припоем и имеющими такое же сечение. Все шинки заземления заизолировать предварительно просушенной лакотканью и одним слоем киперной ленты вполуперекрытие. Примечание. Шинки заземления прессующих колец не укорачивать. 7.2.6. Проверить отсутствие замыканий между прессующими кольцами (при раздельной прессовке), а также между прессующими кольцами и активной сталью, отсутствие касаний краев изоляционных цилиндров и реек прессующих колец, проверить правильность и надежность установки заземлений. 7.2.7. Осмотреть состояние бакелитовых цилиндров. Проверить надежность их крепления. При наличии значительных дефектов цилиндры следует заменить. 7.2.8. Проверить состояние экранов вводов и боковых ярм, крепление реек изоляционных барьеров и экранов. Ослабленные крепления подтянуть (при необходимости просверлить в экранах новые отверстия и закрепить экраны). 7.2.9. Измерить сопротивление изоляции ярмовых балок, прессующих колец, стяжных шпилек, обмоток, бандажей и полубандажей ярм относительно активной стали, ярмовых балок относительно активной стали и электростатических экранов относительно обмоток и магнитной системы. 7.2.10. Измерить влажность твердой изоляции (для трансформаторов классов напряжения 110 кВ и выше, мощностью 60 MB·А и более). 7.2.11. Протереть доступные места и промыть активную часть струей горячего трансформаторного масла (с температурой 50-60°С). Удалить остатки масла с поддона, протереть дно поддона (бака). 7.3. Ремонт переключающих устройств.7.3.1. Ремонт переключающих устройств с ПБВ (переключение без возбуждения) (см. рис. 8) производится следующим образом. Переключатель отсоединить от привода, освобождая верхнюю муфту, соединяющую вал привода 3 со штангой привода 4. После обеспечения доступа к переключателю, проверить состояние контактных колец 12 и контактного стержня 10. Шлам или пленку, образовавшуюся на контактах, удалить с помощью ветоши, смоченной в бензине. Небольшие оплавления зачистить мелкой шлифовальной шкуркой. Зачистку производить осторожно, так как контакты имеют никелевое покрытие толщиной около 20 мкм. При обнаружении оплавлений, выяснить причину их появления и устранить ее. Если переключатель не заменяется, контакты развернуть так, чтобы поврежденные части не контактировали. Нажатием руки проверить упругость пружин контактных колец 12 (величину контактного нажатия следует измерить динамометром). Усилие, развиваемое контактными пружинами, должно быть в пределах 20-50 Н (2-5 кгс). Очистить от шлама кистью и чистой ветошью, смоченной в масле, изоляционные диски 9, втулки, цилиндры 7, 8 и 13. Проверить надежность крепления переключателя к деревянным стойкам 6 и стоек к ярмовым балкам 5. Произвести прогонку устройства с первого до последнего положения и обратно 5-10 раз для снятия окислов с контактов переключателя. После окончания работ и заливки трансформатора маслом проверить герметичность уплотнения привода с крышкой (стенкой) бака. В случае течи масла, заменить сальниковую набивку в верхнем фланце привода и (или) резиновую прокладку под фланцем.
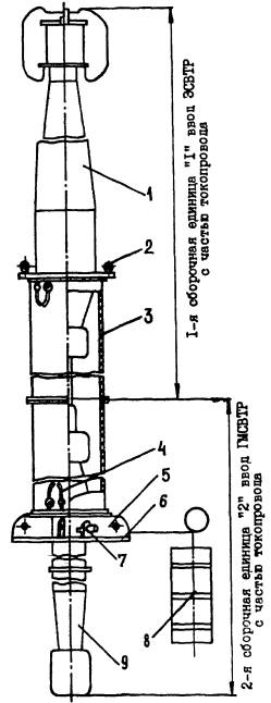
1 - колпак привода; 2 - крышка бака; 3 - вал привода; 4 - штанга привода; 5 - ярмовая балка; 6 - стойка; 7 - длинный бумажно-бакелитовый цилиндр; 8 - защитный бумажно-бакелитовый цилиндр; 9 - гетинаксовый диск; 10 - контактный стержень; 11 - кабель; 12 - контактные кольца; 13 - короткий цилиндр. Рис. 8. Схема установки переключающего устройства ПБВ. 7.3.2. Ремонт переключающих устройств с РПН (регулирование под нагрузкой) (рис. 9) производится следующим образом:
1 - привод; 2 - нониусная муфта; 3 - вертикальный карданный вал; 4 - контактор; 5 - горизонтальный вал; 6 - избиратель. Рис. 9. Схема установка переключающего устройства РПН. 7.3.2.1. После отключения трансформатора до слива масла необходимо осмотреть части переключающего устройства: (крышку) контактор 4, газоотводящую систему контактора с газовым реле и расширителем, маслоуказатель контактора и маслорасширителя (с целью определения течей масла), целостность диафрагмы (мембраны) защитного устройства бака контактора. В случае обнаружения неисправностей выяснить причину течей или изменения уровня масла и отметить мелом места течей для устранения их в процессе ремонта. Проверить цвет силикагеля в воздухоосушителе контактора (при наличии осушителя) и, при необходимости, заменить силикагель. 7.3.2.2. Произвести прогонку устройства от начального до конечного положения и обратно 6-10 раз для снятия окислов с контактов. Для устройств 3AV, 3CV, SDV дополнительно сделать 100 переключений: с предизбирателем G19 или реверсором W19 на положениях 11-8-11; с предизбирателем G23 или реверсором W23 на положениях 13-10-13; с предизбирателем G27 или реверсором W27 на положениях 15-12-15. 7.3.2.3. Взять пробу масла из бака контактора для анализа. Масло подлежит замене, если параметры его не соответствуют указанным в табл. 1. Таблица 1. Параметры трансформаторного масла
Масло заменяется также после 50000 переключений в устройствах PC, SAV, SCV; 25000 переключений в устройствах РНО и РНОА или после 4-х лет работы для устройств SAV, SCV, SDV. 7.3.2.4. Слить масло из бака контактора, предварительно открыв пробку для выпуска воздуха из бака или предохранитель от избыточного давления, и снять круговую диаграмму последовательности действия элементов переключающего устройства в обоих направлениях переключения при полном обороте вертикального карданного вала 3 привода 1 во всех положениях переключающего устройства. По этой диаграмме определить состояние элементов устройства для предварительного выяснения объема его ремонта. 7.3.2.5. Провести ремонт контактора, зафиксировав положение избирателей по указателю датчика положения 7 (рис. 10). Переключающие устройства SAV, SCV, SDV установить в положение 4. Извлечь вынимаемые части и блоки сопротивлений, предварительно застопорив механизм переключения и отметив включенные и выключенные контакты. 7.3.2.6. Очистить детали контактора от грязи. Проверить надежность (затяжку, контровку) резьбовых соединений, состояние изоляции контактной системы (отсутствие трещин, сколов, расслоений), состояние пружин (целостность, отсутствие изломов), отсутствие изломов и обрывов гибких связей.
1 - привод; 2 - нониусная муфта; 3 - вертикальный вал; 4 - контактор; 5 – горизонтальный карданный вал; 6 - избиратель; 7 - датчик положения; 8 - угловой редуктор; 9 - поворотный редуктор; 10 - датчик температуры. Рис. 10. Схема установки переключающего устройства РПН погружного типа. 7.3.2.7. Проверить состояние контактов. Замену контактов следует произвести в тех случаях, когда подвижные дугогасительные контакты в устройствах РНО(Т)-13, РНО(Т)-21, РНО-17, РНО(Т)-20, РНО(Т)-23, РНТ-24 и неподвижные контакты в устройствах РНО(Т)-13, РНО(Т)-21 оплавились до толщины 7 мм, а неподвижные дугогасительные контакты в устройствах РНО-17, РНО-20, РНО(Т)-23, РНТ-24 - до толщины 24 мм. В устройствах РНОА вспомогательные дугогасительные контакты следует заменить, если зазор между главными контактами в момент соприкосновения вспомогательных менее 1 мм. Зазор измеряется после выведения контактора из статического положения («замка») для двух плеч, вывод сделать по наименьшему зазору. В устройствах PC произвести регулирование провалов и ремонт контактов (разрешается производить только один раз, а необходимость замены определяется минимально допустимой толщиной главных контактов: медная часть - 1,5 мм, металлокерамика - 1 мм). В устройствах SAV, SCV, SDV замену дугогасительных контактов произвести тогда, когда вольфрамовая контактная накладка будет иметь толщину менее 1 мм. Во всех остальных случаях запилить главные контакты с целью получения определенного соотношения медной и металлокерамической частей (для ПУ типа PC) или зачистить контакты с целью удаления заусенец, подгаров, оплавлений. 7.3.2.8. Измерить усилие нажатия в контактах, которое не должно превышать: для дугогасительных контактов ПУ типа РНО (РНТ): - 50-60 Н (5-6 кгс) [при этом разница в давлениях между спаренными контактами одной фазы не должна превышать 3 Н (0,3 кгс)]; для контактов контактора ПУ типа РНОА: - главных - 180-240 Н (18-24 кгс), - вспомогательных - 180-220 Н (18-22 кгс), - дугогасящих - 80-100 Н (8-10 кгс); для контактов контактора типа PC: - главных - 350-420 Н (35-42 кгс), - вспомогательных - 90-130 Н (9-13 кгс); для главных контактов ПУ типа SAV, SCV, SDV: - 26-38 Н (2,6-3,8 кгс). 7.3.2.9. Проверить исправность токоограничивающих сопротивлений путем измерения их значения и сравнения с паспортными данными. 7.3.2.10. Дважды промыть вынимаемую часть и корпус контактора чистым сухим трансформаторным маслом (Uпр = 50 кВ) (желательно подогретым до 50-60 °С) и установить ее и блок сопротивлений (PC, SAV, SCV, SDV) на место. Залить бак контактора чистым сухим трансформаторным маслом с параметрами, указанными в табл. 1, через расширитель (РНОА) или маслопровод для защитного реле (PC) до появления масла из пробки для выпуска воздуха. 7.3.2.11. Ремонт избирателей и предизбирателей проводить после подъема колокола бака, при этом необходимо снять горизонтальный карданный вал 5 и отсоединить отводы, соединяющие контактор с трансформатором. В устройствах погружного типа снять переходной фланец, или, если устройство смонтировано без него, отсоединить через люк отводы трансформатора для обеспечения возможности подъема колокола (отводы замаркировать). 7.3.2.12. Ремонт избирателей 6 состоит в осмотре всех их элементов: механической передачи, пружин контактов, изоляционных деталей, токоподводов на отсутствие поломок, обрывов, сколов, трещин и прочих неисправностей, могущих вызвать нарушение работы избирателей. Проверить визуально надежность резьбовых соединений (затяжку, контровку), состояние контактных поверхностей (отсутствие следов нагрева). Измерить с помощью динамометра усилие контактных пружин. Оно должно быть в пределах: в избирателе и предизбирателе ПУ типа PC: - на ток 200 А - 40-60 Н (4-6 кгс), 400 А - 55-75 Н (5,5-7,5 кгс), 600 А - 90-110 (9-11 кгс); в избирателе и предизбирателе типа РНО (РНТ): - 50-60 Н (5-6 кгс); в ПУ типа SAV, SCV, SDV: - избиратель - 60-90 Н (6-9 кгс), предизбиратель - 40-65 Н (4-6,5 кгс). После доступа к активной части измерить давление главных контактов контактора устройств РНО (РНТ), которое должно быть 80-100 Н (8-10 кгс). 7.3.2.13. По окончании сборки трансформатора и присоединения ПУ к трансформатору и приводу, произвести прокрутку ПУ вручную по всему диапазону на отсутствие заеданий, снять осциллограмму действия контактов контактора и круговую диаграмму. Полученные данные сравнить с данными в паспорте ПУ. 7.3.2.14. Сушку ПУ перед опусканием в бак производить в случае пребывания на воздухе более 100 ч для ПУ типа SAV, SCV, SDV, более 8-24 ч (в зависимости от влажности) для ПУ типа РНОА, для остальных ПУ - более времени, оговоренного для активной части трансформатора. 7.3.2.15. Проверить работу системы автоматического управления работой переключающих устройств, дистанционного управления приводом. 7.3.3. Ремонт привода переключающих устройств с РПН производить в следующей последовательности: - осмотреть и проверить надежность (затяжку, контровку) всех крепежных соединений; - проверить наличие смазки в колпачковых масленках, установленных на подшипниках валов привода и между трущимися частями механизма и редуктора. В случае необходимости, смазать эти части смазкой, указанной в эксплуатационной документации на привод; - осмотреть контакты пускателей, реле и других приборов, целость сигнальных ламп; - проверить правильность остановки привода на выбранном положении и, в случае отклонения от нормы, отрегулировать торможение в соответствии с эксплуатационной документацией на привод; - проверить работу крайних электрических и механических блокировок; - проверить работу дистанционного указателя положений и, при необходимости, отрегулировать согласно эксплуатационной документации на привод; - проверить сопротивление изоляции электрических цепей. Оно должно быть не менее 0,5 МОм при измерении мегаомметром на напряжение 2500 В; - проверить состояние блокировки при ручном приводе. При установленной рукоятке ручного привода пуск электродвигателя должен быть невозможен; - проверить действия нагревателей, командных кнопок при закрытой крышке. 8. СБОРКА ТРАНСФОРМАТОРА.8.1. Установить верхнюю (съемную) часть бака на нижнюю часть бака. При установке пользоваться направляющими оправками, располагающимися по периметру разъема. Завинтить болты разъема, равномерно и одновременно с двух диаметрально противоположных сторон. Затяжку следует считать оптимальной, если толщина уплотнительной прокладки составляет 2/3 первоначальной толщины. Установить распорные устройства в соответствии с требованиями технической документации. 8.2. Собрать установку трансформатора тока с бакелитовыми цилиндрами и установить на бак, соблюдая угол наклона и правильность расположения выводной коробки относительно выреза в цилиндре. После чего завинтить несколько направляющих шпилек во фланец бака. 8.3. Установить маслонаполненные вводы: Перед подъемом ввода предварительно закрепить экран на контактную шпильку и тщательно протереть нижний фарфоровый изолятор. Установить ввод, завинтить болты разъема. - при установке маслонаполненных протяжных вводов ввернуть рым-болт с тросом в наконечник отвода, пропустить трос через токоведущую трубу ввода и отводной блок, устанавливаемый на крюке крана. При установке вводов постепенно с помощью прикрепленного к наконечнику отвода троса протягивать отвод через токоведущую трубу ввода. После установки ввода закрепить наконечник отвода за головку ввода и навернуть выводной наконечник ввода; - при установке герметичных вводов баки давления устанавливать совместно с вводами. При этом необходимо проверить и довести до норм давление масла во вводах; - при установке немаслонаполненных (сухих) вводов установить коробки вводов. Укомплектовать разъемные вводы. Установить вводы, подсоединить отводы и проверить правильность установки вводов. 8.4. По окончании сборки трансформатора необходимо произвести определение влагосодержания твердой изоляции в соответствии с РД 16.363-87 и «Объемом и нормами испытания электрооборудования» РД 34.45-51.300-97, «ЭНАС», М., 1997. 8.5. При обнаружении повышенного влагосодержания произвести подсушку или сушку активной части в собственном баке в соответствии с разд. 9. Примечания: 1. При отсутствии макетов изоляции образцы отобрать из главной изоляции по согласованию с заводом-изготовителем. 2. Отобранные для испытания образцы изоляции должны быть помещены в сосуд с собственным маслом трансформатора и загерметизированы. 3. Общее время нахождения образцов на воздухе от открытия люка бака трансформатора до герметизации образцов не должно превышать 15 мин. 4. Упакованные образцы изоляции можно транспортировать и хранить не более 7 суток. 5. При установке вводов размещение отводов обмоток контролировать через специальные люки на баке трансформатора. 6. Манометры и соединительные трубки желательно закрепить на отдельной стойке в соответствии с заранее согласованной трассировкой. 7. При установке наклонных вводов на баке трансформатора последовательно чередовать горизонтальные и вертикальные перемещения. 8. При установке новых вводов скорректировать узлы отводов обмоток. 9. ПОДСУШКА, СУШКА ТВЕРДОЙ ИЗОЛЯЦИИ, ЗАЛИВКА МАСЛОМ, РЕВИЗИЯ ТРАНСФОРМАТОРА.9.1. Подсушку твердой изоляции трансформатора проводить в следующих случаях: - при появлении признаков увлажнения твердой изоляции, установленных измерениями; - при продолжительности пребывания активной части трансформатора на воздухе, превышающей:
- если характеристики изоляции, измеренные при капитальном ремонте, не соответствуют РД 34.45-51.300-97. Примечание. Если во время вскрытия трансформатор будет прогрет в течение всего периода нахождения активной части на воздухе до температуры поверхности наружной обмотки, превышающей на 10°С температуру окружающего воздуха, то время пребывания активной части на воздухе удваивается. 9.2. Сушку изоляции обмоток трансформатора проводить в следующих случаях: - если подсушкой характеристики изоляции не приведены в соответствие с требованиями РД 34.45-51.300-97; - если продолжительность пребывания на воздухе активной части трансформатора при капитальном ремонте более чем в 2 раза превышает время, указанное в п. 9.1. 9.3. Сушку активных частей трансформаторов необходимо производить с установленными карманами, патрубками под вводы, трансформаторами тока и усиленными заглушками, с временными вводами класса напряжения не менее 10 кВ, установленных вместо постоянных вводов. При этом, необходимо проверить для трансформаторов более 80 MB·А наличие «Макетов изоляции» и установить внутри бака и на активной части трансформатора термодатчики в соответствии с РД 16.363-87. 9.5. Сушку твердой изоляции трансформаторов, баки которых рассчитаны на полный вакуум, проводить методом разбрызгивания нагретого масла под вакуумом. 9.6. Сушку изоляции трансформаторов, баки которых не рассчитаны на полный вакуум, следует проводить с использованием индукционного метода нагрева или токами нулевой последовательности в соответствии с РД 16.363-87. Определение параметров индукционной обмотки для прогрева трансформатора следует проводить согласно приложению 5. 9.7. По окончании сушки, не снимая вакуум, убрать сторонние источники тепла и охладить активную часть до 65-85°С, затем промыть не менее чем 1 тонной сухого дегазированного масла. Залить в бак трансформатора со скоростью не более 3 т/ч сухое дегазированное масло температурой 50-60°С по уровень верхней изоляции трансформатора. 9.8. Остаточное давление в надмасленном промежутке трансформатора необходимо поддерживать постоянным с параметрами: - для трансформаторов, баки которых не рассчитаны на полный вакуум - 0,055 МПа (410 мм рт. ст.) в течение 10 ч; - для трансформаторов, баки которых рассчитаны на полный вакуум - 665 Па (5 мм рт. ст.) в течение 20 ч. Снять вакуум и пропитать активную часть маслом при атмосферном давлении в течение: - для трансформаторов классов напряжения 110-150 кВ - 12 ч; - для трансформаторов классов напряжения 220-750 кВ - 24 ч. 9.9. Проверить влагосодержание твердой изоляции, которое не должно быть более 1 %. Оформить техническую документацию: акт сушки, протоколы анализов масла. При наличии влагосодержания в твердой изоляции более 1 %, процесс сушки необходимо повторить с п. 9.4. настоящего СО. При влагосодержании в твердой изоляции равном или менее 1 %, необходимо слить масло из бака трансформатора и приступить к ревизии активной части. 9.10. Принять меры по предохранению от увлажнения изоляции трансформаторов во время ревизии в соответствии с РД 16.363-87. Обеспечить при этом оперативную непрерывную работу монтажного персонала для сокращения времени нахождения трансформаторов в разгерметизированном состоянии. Для трансформаторов классов напряжения 110-330 кВ и мощностью менее 400 MB·А работы при разгерметизированном трансформаторе можно проводить: - если температура активной части не менее 10°С и превышает точку росы окружающего воздуха в течение всего периода разгерметизации не менее чем на 10°С при слитом масле, и не менее чем на 5°С при разгерметизации без слива масла; относительная влажность окружающей среды не должна быть больше 85 %; продолжительность разгерметизации не должна превышать: - 12 ч в случае разгерметизации при слитом масле, - 20 ч в случае разгерметизации без слива масла. При несоблюдении этих требований, перед разгерметизацией трансформатор необходимо нагреть. 9.11. Произвести ревизию активной части с подъемом колокола (активной части), заменой, при необходимости, резины на разъемах и в других местах. При этом необходимо удалить термодатчики с активной части и обеспечить выполнение всего объема и последовательности работ, предусмотренных РД 16.363-87. Составить акт на удаление всех термодатчиков с активной части. 9.12. Отобрать образцы изоляции, проверить их влагосодержание аналогично п. 9.9 и оценить состояние трансформатора в части повторения подсушки (сушки) по п. 9.4 настоящего СО, либо выполнения вакуумирования и заливки трансформатора маслом для подготовки к сдачи в эксплуатацию. 9.13. Подсоединить к баку маслосистему и вакуум-систему, соединить маслонаполненные вводы с баком трансформатора. Установить временный маслоуказатель для контроля уровня залитого в трансформатор масла. 9.14. Руководствуясь данными эксплуатационной документации, проверить маслоплотность бака остаточным давлением, для чего включить вакуумный насос, открыть вентиль вакуум-провода на крышке бака трансформатора, равномерно ступенями по 0,013 МПа (0,13 кгс/см2) через каждые 15 мин установить в баке вакуум с остаточным давлением 665 Па (5 мм рт. ст.). Закрыть вентиль вакуум-провода на крышке бака, выключить вакуумный насос, записать в журнал значение остаточного давления в баке и через 1 ч по вакуумметру определить давление внутри бака. Трансформатор считается герметичным, если остаточное давление в нем увеличится не более чем на 665 Па (5 мм рт. ст.) в течение 1 часа. При большем остаточном давлении, определить место натекания и устранить дефект. В целях снижения трудоемкости работ, а также повышения эффективности течеискания (обнаружения мест неуплотнения) может быть использован акустический метод с применением специальных течеискателей как отечественного, так и зарубежного изготовления. Работа прибора основана на принципе приема и преобразования в слышимый звук ультразвуковых колебаний, излучаемых струей газа (воздуха), проходящей через течь под действием вакуума. Прибор выполнен в виде пластмассового корпуса, вмещающего ультразвуковой приемник, предварительный усилитель, фильтр частот, усилитель и источник питания. Двигаясь вдоль контролируемого объекта, необходимо одеть головные телефоны и направить прибор приемным торцом на контролируемое место. При возникновении характерного шума в телефонах, необходимо продолжать движение, следя за изменением уровня шума. Увеличение уровня шума свидетельствует о приближении к месту течи, уменьшение - об удалении. Примечание. Для баков трансформаторов, не рассчитанных на полный вакуум, в частности трансформаторов классов напряжения 110 кВ и частично 220 кВ, допустимое значение остаточного давления приводится в сопроводительной технической документации. При отсутствии таких данных в эксплуатационной документации, остаточное давление для этих трансформаторов устанавливается 0,054 МПа (410 мм рт. ст.). 9.15. Перед заполнением трансформатора маслом произвести вакуумирование бака, руководствуясь данными эксплуатационной документации. 9.16. Для трансформаторов класса напряжения 110 кВ производится безвакуумная заливка бака маслом через запорный вентиль, расположенный в нижней части бака. Скорость масла, поступающего в бак трансформатора, должна быть не более 3 т/ч. По достижении требуемого уровня масла в расширителе, прекратить заливку, выпустить остатки воздуха через воздухоспускные пробки и дать маслу отстояться в течение 12 часов. При снижении уровня масла ниже требуемого, произвести доливку масла, после чего отобрать пробу масла на анализ согласно РД 16.363-87. 9.17. Для трансформаторов классов напряжения 150-500 кВ перед заливкой маслом производиться вакуумирование в течение 20 часов при остаточном давлении, установленном в соответствии с данными эксплуатационной документации: - для трансформаторов, баки которых не рассчитаны на полный вакуум, остаточное давление должно составлять 0,054 МПа (410 мм рт. ст.); - для трансформаторов рассчитанных на полный вакуум остаточное давление должно составлять 665 Па (5 мм рт. ст.). Для трансформаторов класса напряжения 750 кВ вакуумирование осуществляется в течение 72 ч при остаточном давлении 200 Па (1,5 мм рт. ст.), либо в течение 48 ч при остаточном давлении 133 Па (1 мм рт. ст.). 9.18. Поддерживая в баке остаточное давление согласно п. 9.17 настоящего СО, залить трансформатор маслом, удовлетворяющим требованиям разд. 21. Заливку трансформаторов классов напряжения 150-500 кВ можно производить не дегазированным маслом со скоростью не более 5 т/ч, а трансформаторы класса напряжения 750 кВ - дегазированным маслом со скоростью более 5 т/ч. 9.19. Прекратить заливку, когда изоляция активной части трансформаторов будет полностью покрыта трансформаторным маслом. Продолжить вакуумирование надмасленного пространства остаточным давлением согласно п. 9.17 настоящего СО в течение 10 ч при не дегазированном масле и 2 ч - при дегазированном. 9.20. Прекратить процесс вакуумирования, подать предварительно осушенный воздух в надмасленное пространство и довести давление в нем до атмосферного. 9.21. Произвести доливку трансформатора маслом после установки расширителя, предохранительной трубы и других, устанавливаемых на верхней части бака составных частей, в том числе приборов газовой защиты и сигнализации. Отобрать пробу масла и произвести анализ масла на соответствие его требованиям РД 16.363-87. 9.22. Заливка трансформаторов с пленочной защитой масла осуществляется в соответствии с указаниями РД 16.363-87. 9.23. Испытать бак трансформатора избыточным давлением 0,6 м столба масла над расширителем в течение 3 ч при температуре масла не ниже 10°С для трансформаторов классов напряжения до 150 кВ включительно, для остальных - при температуре масла не ниже 20 °С в соответствии с РД 34.45-51.300-97. 9.24. В случае обнаружения течей масла - эти места подварить электросваркой. 9.25. Провести испытания трансформатора после капитального ремонта в соответствии с требованиями РД 34.45-51.300-97: - выполнить наружный осмотр трансформатора и испытать бак на плотность; - измерить потери холостого хода при пониженном напряжении (для трансформаторов мощностью 1000 кВ·А и более); - измерить потери холостого хода при номинальном напряжении в соответствии с ГОСТ 3484.1-88; - измерить сопротивление изоляции R60; - измерить tgd изоляции обмоток; - провести физико-химический анализ и хроматографический анализ масла (для трансформаторов класса напряжения 110 кВ и выше); - измерить сопротивления обмоток постоянному току; - проверить работу механической части и соответствие давления контактного нажатия паспортным данным переключающего устройства; - измерить сопротивление короткого замыкания Zk (для трансформаторов мощностью 125 MB·А и выше); - измерить сопротивление изоляции ярмовых балок, прессующих колец, стяжных шпилек, обмоток, бандажей и полубандажей ярм относительно активной стали и ярмовых балок относительно активной стали и электростатических экранов относительно обмоток и магнитной системы; - проверить группы соединения обмоток и коэффициент трансформации; - испытать электрическую прочность изоляции в соответствии с ГОСТ 1516.1-75; - измерить влажность твердой изоляции (для трансформаторов классов напряжения 110 кВ и выше, мощностью 60 МВ·А и более); - проверить устройства охлаждения, предохранительные устройства, устройства защиты; - испытать изоляцию цепей защитной и контрольно-измерительной аппаратуры, установленной на трансформаторе; - испытать трансформатор включением на номинальное напряжение для трансформаторов, отремонтированных в условиях ремонтного предприятия. 9.26. Приемочные и сдаточные испытания проводить при температуре масла в трансформаторе не ниже 10°С для трансформаторов классов напряжения до 150 кВ включительно и не ниже 20°С для трансформаторов классов напряжения 220 кВ и выше в соответствии с РД 34.45-51.300-97. 9.27. Характеристики изоляции измерять при температуре не менее нижнего значения, записанного в паспорте трансформатора. 9.28. Для обеспечения необходимой температуры трансформатор следует нагреть до температуры, превышающей требуемую на 10°С. Характеристики изоляции необходимо измерять на спаде температуры при отклонении ее от требуемого значения не более чем на 5°С. Примечание. Нагрев трансформатора следует проводить одним из методов: индукционными потерями, токами нулевой последовательности, постоянным током, циркуляцией масла через нагреватель. 10. РЕМОНТ ОСНОВНЫХ НАРУЖНЫХ УЗЛОВ ТРАНСФОРМАТОРА.10.1. Ремонт бака.10.1.1. Установить бак трансформатора с наклоном 1,5-2 % в сторону сливного отверстия на дне бака. 10.1.2. Отвинтить пробку для слива масла на дне бака и слить остатки масла в сливную емкость. 10.1.3. Очистить наружную и внутреннюю поверхности бака от загрязнений и ржавчины, протереть насухо ветошью, смоченной уайт-спиритом. 10.1.4. Проверить визуально состояние сварных швов. 10.1.5. Заварить обнаруженные места дефектов сварных швов: трещины, поры, подрезы электросваркой. Исправить деформированные ребра жесткости. 10.1.6. Зачистить места сварки от сварочных брызг и шлака металлическими щетками. 10.1.7. Проверить качество подварки сварных швов. Для этого смочить места подварки изнутри бака керосином, а с противоположной стороны покрыть мелом. Отсутствие пятен на забеленной поверхности указывает на удовлетворительную маслоплотность сварного шва. Для обнаружения мест течей сварных швов эффективно применение цветной дефектоскопии. В данном случае на одну поверхность сварного шва наносится пенетрант, а на противоположную - проявитель. Красящий пенетрант проходит через дефект и когда достигает противоположной стороны, проявляется в виде яркого красного индикаторного следа, по которому и определяется место течи. 10.1.8. Затянуть и предохранить от самоотвинчивания крепление магнитных шунтов. 10.1.9. Проверить и восстановить поврежденную резьбу отверстий гнезд, люков. Проверить состояние упорного бортика на разъеме бака, устранить в случае необходимости его неисправности. 10.1.10. Очистить поверхности, подлежащие окраске, от загрязнений ветошью, смоченной уайт-спиритом, обдуть сжатым воздухом. Примечание: В настоящее время разработан ряд неорганических, водорастворимых и экологически чистых обезжиривающих составов, применение которых является наиболее рациональным в условиях ремонтного предприятия. 10.1.11. Покрыть подготовленные к окраске поверхности бака грунтом ФЛ-ОЗК ровным слоем без наплывов с помощью пульверизатора. Наружную загрунтованную поверхность бака покрыть эмалью ПФ-133 или ПФ-115 светлого цвета согласно ГОСТ 11677-85. Соприкосновение окрашенных участков с маслом допускается не ранее чем через 24 ч после окончания сушки. Маркировка (табличка) завода-изготовителя, маркировка места заземления, мест под домкраты, места центра тяжести, мест строповки, места макета изоляции, ярлыки и прочие основные, дополнительные информационные надписи и манипуляционные знаки должны быть сохранены или восстановлены в соответствии с ГОСТ 11677-85 и ГОСТ 14192-96. 10.1.12. После сборки трансформатора необходимо провести испытание бака на плотность по одному из следующих способов в соответствии с РД 34.45-51.300-97: - столбом масла (трансформатора, залитого маслом); - давлением сухого воздуха или азота, нагнетаемого под крышку трансформатора (залитого маслом); - давлением сухого воздуха или азота, нагнетаемого под крышку трансформатора (не залитого маслом). Для испытания столбом масла, на крышке или на расширителе трансформатора необходимо установить трубу, нижний конец которой соединить с полостью бака, а верхний заполнить маслом до соответствующего уровня, указанного в заводской документации и технических условиях на отдельные виды трансформаторов. 10.2. Ремонт расширителя.10.2.1. Отсоединить расширитель 5 (рис. 11) от предохранительной трубы 4 с ее патрубком 3 от патрубка 10, соединяющего с крышкой и снять расширитель с крышки бака 7. 10.2.2. Очистить внутренние и внешние поверхности от загрязнений и ржавчины. Для более эффективного отделения ржавчины на внутренней поверхности расширителя допускается простукивание деревянным молотком по внешней поверхности.
1 - кран; 2 - фланец; 3 - труба; 4 - труба предохранительная; 5 - расширитель; 6 - патрубок; 7 - крышка бака; 8 - кронштейн; 9 - реле газовое; 10 - патрубок Рис. 11. Расширитель трансформатора. Внутренние поверхности расширителей больших диаметров следует очищать металлическими щетками и скребками через открытые люки и донышки. Внутренние поверхности расширителей малых диаметров (диаметр 250-310 мм) следует очищать цепью, пропущенной через фланец воздухоосушителя. Расширитель при этом необходимо встряхивать. Для расширителей малых диаметров допускается удаление одного дна газовой резкой, очистка внутренней поверхности металлическими щетками с последующей заваркой дна газовой сваркой или электросваркой. 10.2.3. Протереть очищенные поверхности расширителя ветошью, смоченной керосином (уайт-спиритом). 10.2.4. Заглушить расширитель и испытать на маслоплотность избыточным давлением воздуха (наружные швы промазать мыльным раствором, отметить мелом места течей, снять давление). 10.2.5. Подварить места течей электросваркой. 10.2.6. Зачистить и обезжирить наружную поверхность расширителя. 10.2.7. Окрасить внутреннюю поверхность расширителя грунтовкой ФЛ-ОЗК или ГФ-020, а наружную - эмалью ПФ-133 или ПФ-115 под цвет бака трансформатора. 10.2.8. На маслоуказатель или расширитель трансформаторов, изготовленных согласно ГОСТ 11677-85, нанести контрольные метки для следующих температур: - минус 45, 15, 40°С - для климатического исполнения У; - минус 60, 15, 40°С - для климатических исполнений ХЛ, УХЛ; - минус 35, 15, 35°С - для трансформаторов, изготовленных по ГОСТ 401-41 или по ТУ на базе этого ГОСТа. 10.2.9. Заполнить расширитель сухим трансформаторным маслом до уровня верхней отметки маслоуказателя и выдержать в таком состоянии в течение 3 ч. При обнаружении мест течей масла устранить причину неплотностей (подтянуть уплотнения или подварить сварные швы) и повторить испытание. 11. РЕМОНТ ПРЕДОХРАНИТЕЛЬНЫХ УСТРОЙСТВ.11.1. Ремонт предохранительного клапана (рис. 12).11.1.1. Снять предохранительный клапан с бака, очистить наружную поверхность корпуса 2 от загрязнений и ржавчины, протереть ветошью, смоченной уайт-спиритом. 11.1.2. Снять крышку 7 и манжету 6. 11.1.3. Осмотреть и проверить все соединения и пружины клапана. При обнаружении дефектов в соединениях, нарушений целостности пружин или обнаружении на них раковин, клапан подлежит замене. Ремонт и регулировка механизма не разрешается.
1 - боковая крышка; 2 - корпус; 3 - рычаг; 4 - фланец; 5 - уплотнительный диск; 6 - манжета; 7 - крышка; 8 - болт Рис. 12. Предохранительный клапан. 11.1.4. Заменить и установить манжету 6, предварительно смазав ее трансформаторным маслом. 11.1.5. Установить клапан на бак трансформатора. 11.2. Ремонт отсечного клапана (рис. 13).11.2.1. Снять отсечной клапан с бака, очистить наружную поверхность корпуса 1 от загрязнений и ржавчины, протереть ветошью, смоченной уайт-спиритом. 11.2.2. Вывернуть пробку 8 из корпуса 1 и слить масло. 11.2.3. Снять кожух 7. 11.2.4. Проверить состояние укрепления соединительных проводов, кнопки 9 и электромагнита 13. 11.2.5. Измерить сопротивление изоляции обмотки. 11.2.6. Исправить вмятины и срывы резьбы на токоведущих шпильках. Подтянуть при необходимости резьбовые соединения. 11.2.7. Собрать отсечной клапан. Установить и закрепить кожух. Завернуть и уплотнить сливную пробку. Заменить уплотняющую резину на новую.
1 - корпус; 2 - клапан; 3 - тяга; 4 - пружина; 5 - выводы; 6 - плита; 7 - кожух; 8 - пробка; 9 - кнопка; 10 - диск; 11 - стакан; 12 - вилка; 13 - электромагнит. Рис. 13. Отсечной клапан. 11.2.8. Подсоединить вводы и подать напряжение к обмотке электромагнита. Проверить срабатывание клапана по сигнальной лампе и звуковому сигналу (в положении «закрыто» лампа и сигнал должны быть включены). 11.2.9. Взвести отсечной клапан в положение «открыто» вручную с помощью стакана 11 и установить стакан на свое место. 11.3. Ремонт предохранительной трубы (рис. 14).11.3.1. Отсоединить трубу от маслопровода и крышки трансформатора. 11.3.2. Очистить наружную поверхность предохранительной трубы от загрязнений и ржавчины, протереть ветошью, смоченной уайт-спиритом. 11.3.3. Испытать предохранительную трубу на маслоплотность избыточным давлением воздуха 0,03 МПа (0,3 кгс/см2) и мыльным раствором. 11.3.4. Определить места течей и отметить их мелом. 11.3.5. Снять фланец 7, прокладки 10, 11, диск стеклянный 6. 11.3.6. Удалить остатки масла и протереть внутренние поверхности выхлопной трубы ветошью, смоченной уайт-спиритом. Продуть трубу сжатым воздухом. 11.3.7. Подварить места течей электросваркой. Очистить сварные швы и околошовную зону от сварочных брызг и шлака 11.3.8. Проверить сварные швы на маслоплотность керосином. 11.3.9. Протереть поверхности трубы ветошью, смоченной уайт-спиритом, обдуть сухим сжатым воздухом. 11.3.10. Окрасить предохранительную трубу. 11.3.11. Установить на трубу прокладки 10, 11, диск стеклянный 6, фланец 7, уплотнить и заглушить фланец 5 (стеклянная диафрагма должна быть прозрачной, без сколов, царапин и трещин). Резиновые прокладки заменить. 11.3.12. Установить предохранительную трубу вертикально диафрагмой вниз. Залить сухое трансформаторное масло до уровня 150-200 мм от верхнего фланца и выдержать в течение 1 ч. При обнаружении утечек масла, устранить причину неплотности, испытание повторить.
1, 5, 7, 9 - фланец; 2 - корпус; 3 - диафрагма; 4 - болт; 6 - диск стеклянный; 8 - упорное кольцо; 10 - прокладка торцевая; 11 - прокладка резиновая. Рис. 14. Предохранительная труба. 11.4. Ремонт реле давления (рис. 15).11.4.1. Снять реле давления с бака трансформатора или с переключающего устройства и очистить наружную поверхность от загрязнений и ржавчины, протереть ветошью, смоченной уайт-спиритом. 11.4.2. Отвинтить болты, снять стеклянный диск 10 и уплотняющие резиновые шайбы 11, снять колпак 2. 11.4.3. Проверить работу реле: деревянным бруском сверху нажать на головку бойка, тем самым сжать рабочую пружину 9. При достижении бойком 4 крайнего нижнего положения повернуть защелку 5. Снять давление. 11.4.4. Заменить резиновые шайбы, установить стеклянный диск, колпак. 11.4.5. Установить реле давления на трансформатор.
1 - кожух; 2 - колпак; 3 - корпус ударного механизма; 4 - боек; 5 - защелка; 6 - ось; 7 - сильфон; 8 - выключатель; 9 - пружина; 10 - стеклянный диск; 11 - уплотняющие резиновые шайбы. Рис. 15. Реле давления. 11.5. Ремонт газового реле (реле Бухгольца) (рис. 16 и 17).
1 - верхний поплавок; 2 - постоянный магнит; 3 - клапан; 4 - нижний поплавок; 5, 6 - переключающие лампы; 7 - зажимы подключения. Рис. 16. Общий вид газового реле.
1 - пробный кран; 2 - узел подсоединения кабеля; 3 - крышка; 4 - крышка смотровая; 5 - фланец; 6 - смотровые стекла; 7 - контрольная клавиша Рис. 17. Схема проверки газового реле. 11.6. Ремонт защитного реле РГ-25/10 (рис. 18).11.6.1. Снять защитное реле с трансформатора, очистить наружную поверхность от загрязнений и ржавчины протереть ветошью, смоченной уайт-спиритом. 11.6.2. Проверить работу его отключающего элемента с помощью контрольной кнопки 5. При нажатии на кнопку до упора, отключающий элемент отклоняется, замыкая электрический контакт. При отпускании кнопки он возвращается в исходное положение. Контроль за положением рабочего элемента необходимо осуществлять через смотровое стеклянное окно реле. Срабатывание электрического контакта необходимо проверять по сигнальной лампе.
1 - корпус; 2 - пробка; 3 - смотровое окно; 4 - коробка выводов; 5 - контрольная кнопка; 6 - клапан; 7 - противовес; 8 - регулировочный винт; 9 - магнит; 10 - магнитоуправляемый контакт Рис. 18. Защитное реле: а - общий вид; б - схема устройства 12. РЕМОНТ КОНТРОЛЬНО-ИЗМЕРИТЕЛЬНОЙ АППАРАТУРЫ.12.1. Ремонт трубчатого маслоуказателя (рис. 19).
1 - специальный болт; 2, 4 - резиновые прокладки; 3, 12 - колено; 5 - фланец расширителя; 6 - окно в дне расширителя; 7, 11 - резиновые уплотнения; 8, 15 - болты; 9 - фланец; 10 - стеклянная трубка; 13 - гайка; 14 - шайба; 16 - патрубок расширителя; 17 - защитный кожух; 18, 19, 20 - детали крепежа. Рис. 19. Трубчатый маслоуказатель: а - для расширителя диаметром 470-690 мм; б - для расширителя диаметром 940, 1260, 1570 мм. 12.1.1. Снять маслоуказатель с расширителя. 12.1.2. Разобрать маслоуказатель, очистить его от загрязнений, ржавчины, протереть ветошью, смоченной уайт-спиритом. 12.1.3. Исправить в случае необходимости резьбу болта 1 и колена 3, прочистить отверстия, сообщающиеся с расширителем. 12.1.4. Заменить стеклянную трубку 10 в случае обнаружения сколов, трещин или несмываемых пятен, заменить резиновые прокладки 2, 4, 7, 11. 12.1.5. Установить маслоуказатель на расширитель. 12.2. Ремонт стрелочного маслоуказателя типа МС (рис. 20).12.2.1. Снять маслоуказатель с расширителя. 12.2.2. Очистить корпус маслоуказателя 6 от загрязнений, протереть ветошью, смоченной уайт-спиритом.
1 - шкала циферблата; 2 - стрелка маслоуказателя; 3 - ось стрелки; 4 - поплавок; 5 - трубка; 6 - корпус маслоуказателя; 7 - дно расширителя; 8 - фланец, приваренный ко дну расширителя; 9 - резиновое уплотнение; 10 - крышка циферблата маслоуказателя со стеклом; 11 - рычаг маслоуказателя; 12 - трансформаторное масло; 13 - коробка выводов для присоединения проводов сигнализации; 14 - коробка зажимов; 15 - гибкая оболочка Рис. 20. Стрелочный указатель: а - расширитель с азотной защитой; б - расширитель с пленочной защитой 12.2.3. Для маслоуказателя МС 1 (рис. 20, а) проверить соответствие взаимного положения рычага маслоуказателя 11 и стрелки маслоуказателя 2. При повороте рычага на угол 40°-1° вниз от горизонтальной оси маслоуказателя стрелка должна переместиться вниз и совпасть с отметкой «мин» на шкале. 12.2.4. Для маслоуказателя МС 2 (рис. 20, б) при опускании рычага вниз до упора стрелка должна располагаться на отметке «мин». 12.2.5. В случае обнаружения несоответствия положений рычагов и стрелок произвести регулирование маслоуказателей в лаборатории. 12.2.6. Проверить замыкание сигнальной цепи. 12.2.7. Заменить крышку циферблата маслоуказателя со стеклом 10, резиновое уплотнение 9, установить маслоуказатель на расширитель. 12.3. Ремонт термосигнализатора ТС-100 (см. рис. 21).
1 - бак трансформатора; 2 - корпус термосигнализатора; 3 - капилляр; 4 - уплотняющий штуцер кабеля; 5 - термобаллон; 6 - гильза в баке трансформатора; 7 - болты крепления; 8 - крышка бака. Рис. 21. Термосигнализатор. 12.3.1. Отвинтить болты крепления 7, крепящие гильзу 6 к крышке бака. 12.3.2. Вывести термобаллон 5 из гильзы 6. 12.3.3. Очистить капилляр 3, корпус термосигнализатора от грязи, протереть ветошью, смоченной уайт-спиритом. 12.3.4. Проверить электропроводку и устранить обрывы. Изолировать поврежденные места. 12.3.5. Проверить изоляцию электрических цепей релейной защиты термосигнализатора относительно корпуса. С целью установления пригодности термосигнализаторов для использования в процессе эксплуатации, необходимо провести их проверку в лаборатории в соответствии с техническим описанием и инструкцией по эксплуатации. 12.4. Ремонт реле уровня масла.12.4.1. Провести проверку реле уровня масла: а) для реле с ртутным переключателем проверить переключатель на герметичность и термическую стойкость. Для этого переключатель следует прокипятить в воде в течение 10-15 мин, а затем быстро перенести в воду с температурой 45°С и охладить до комнатной температуры. При этом в баллон не должна проникнуть влага; б) для реле с чашечным переключателем необходимо проверить надежность замыкания и размыкания контактов. С этой целью необходимо опустить реле в сосуд с трансформаторным маслом и несколько раз слить и залить масло. При этом контакты должны замыкаться и размыкаться. Ход подвижных контактов по неподвижным должен составлять не менее 2 мм. 13. РЕМОНТ ВВОДОВ.Замену прокладок со снятием стяжного устройства произвести в следующем порядке: 13.1.1. Слить масло из ввода и гидравлического затвора, снять расширитель. 13.1.2. Стянуть нижнюю покрышку с соединительным стаканом специальным приспособлением (см. рис. 22): распустить пружины стяжного устройства в верхней части ввода, предварительно измерив высоту пружин.
1 - съемная плита; 2 - стягивающие шпильки с комплектом гаек; 3 - инвентарная подставка. Рис. 22. Схема приспособления для разборки вводов. Примечания: 1. У вводов с предварительной затяжкой стяжного устройства (не имеющих нажимных винтов над пружинами) на шпильки навернуть гайки и сжать пружины так, чтобы можно было отвернуть стяжную гайку. Снять стяжную гайку, затем пружины. 2. У вводов без предварительной затяжки пружин, имеющих нажимные винты над пружинами, вывернуть нажимные винты. Снять звездочку и пружины. 13.1.3. Заменить прокладки на верхней покрышке: снять поддон и верхнюю покрышку; заменить прокладки; установить верхнюю покрышку и поддон. 13.1.4. Заменить прокладки на нижней покрышке; установить на поддон временный стакан; вывернуть звездочку так, чтобы она не доходила до временного стакана на 2-3 мм; снять специальное приспособление (рис. 22); поддерживая покрышку, снять стакан и фарфоровую покрышку; заменить прокладки, установить покрышки и стакан, а затем стянуть их специальным приспособлением. Примечание. Размеры временного стакана должны обеспечивать свободную насадку его на токоведущую трубу ввода, а также установку звездочки. Толщина стенки втулки - не менее 10 мм. 13.1.5. Снять звездочку и временный стакан; установить стяжное устройство и затянуть ввод в последовательности обратной, указанной в п. 13.1.2. Пружины затянуть до высоты, измеренной до снятия стяжного устройства. 13.1.6. Установить расширитель, промыть ввод чистым и сухим маслом, подогретым до температуры 60-70°С, под вакуумом 667 Па (5 мм рт. ст.), ввернуть пробку с уплотнением в нижний контактный наконечник. 13.1.7. Вывернуть пробку из отверстия для выпуска воздуха из расширителя и ввернуть в него штуцер, к последнему подсоединить шланг, идущий от системы вакуумирования через промежуточный бачок с маслоуказателем, ввернуть штуцер в маслоотборное устройство и соединить его с маслопроводом, воздухоосушитель демонтировать, установить пробку. Примечание. Промежуточный бачок при заливке масла установить выше отметки расширителя ввода. 13.1.8. Перекрыть маслопровод. 13.1.9. Создать во вводе вакуум с остаточным давлением, равным 667 Па (5 мм рт. ст.), перекрыть маслопровод и выдержать вакуум во вводах: 110 кВ - в течение 6 ч, 150 кВ - в течение 12 ч, 220-330 кВ - в течение 16 ч, 500-1150 кВ - в течение 24 ч. 13.1.10. Приступить к заливке масла во ввод, не снимая вакуума; прекратить заливку, когда уровень масла по маслоуказателю промежуточного бачка составит 2/3 высоты трубки, затем выдержать вакуум во вводах: 110 кВ - в течение 6 ч, 150-220 кВ - в течение 12 ч, 330-1150 кВ - в течение 24 ч. Примечание. Температура масла при заливке должна быть не ниже 35-40°С. После выдержки масла во вводах под вакуумом снять вакуум и дать отстояться маслу при атмосферном давлении в течение 24 ч, затем установить вакуум 667 Па (5 мм рт. ст.) выдержать ввод под вакуумом в течение 30 мин и долить масло до появления его в промежуточном бачке. После доливки снова выдержать вакуум во вводах при остаточном давлении не более 1333 Па (10 мм рт. ст.): 110 кВ - в течение 2 ч, 150-220 кВ - в течение 6 ч. 330-1150 кВ - в течение 10 ч. 13.1.11. Снять вакуум, отсоединить промежуточный бачок и закрыть отверстие для выпуска воздуха пробкой. Установить на расширитель воздухоосушитель взамен временного штуцера. Привести в рабочее состояние гидрозатвор и расширитель. Уровень масла по маслоуказательному стеклу расширителя при температуре 15-20°С должен составить 2/3 высоты маслоуказателя. 13.2. Заменить масло при неудовлетворительных показателях его в следующем порядке: 13.2.1. Подготовить масло в объеме, равном трех-четырехкратному объему масла ввода. Масло должно быть очищенным и дегазированным, удовлетворять требованиям, указанным в «Объеме и нормах испытания электрооборудования». При этом электрическая прочность, испытанная в стандартном маслопробойнике, должна быть не ниже 50 кВ. 13.2.2. Снять ввод с трансформатора и установить на специальную подставку. 13.2.3. Собрать схему (см. рис. 23), не присоединяя к ней ввода, тщательно промыть ее маслом. Примечание. На баке с чистым маслом 4 должны быть отметки, указывающие количество сливаемого масла от верхней начальной отметки. 13.2.4. Вывернуть пробку из отверстия в верхней части вводе и ввернуть в него штуцер, надеть на него шланг, присоединенный к баку с чистым маслом 4, под струей масла. Перекрыть вентиль Кр.4. 13.2.5. Вывернуть пробку в нижней части ввода и установить штуцер; соединить штуцер через промежуточные вентили Кр.1 и Кр.5 с баком для слива отработанного масла 1 и приемным баком 6. Примечание. У вводов негерметичного исполнения необходимо предварительно слить масло из гидрозатвора, вывернуть воздухоосушитель и вместо него установить временную пробку. У вводов герметичного исполнения с баками давления перекрыть вентили на вводе и баке давления и отсоединить бак давления. 13.2.6. Открыть вентиль Кр.4, затем вентиль Кр.1 и, обеспечивая непрерывный приток свежего масла, полностью слить из ввода старое масло, после чего перекрыть вентиль Кр.1.
1 - бак для слива отработанного масла; 2 - подставка; 3 - ввод; 4 - бак с чистым маслом (устанавливается выше ввода); 5 - фильтр-пресс; 6 - приемный бак (устанавливается ниже ввода); 7 - пробка для слива масла. Рис. 23. Схема замены масла во вводе. 13.2.7. Открыть вентиль Кр.5 и Кр.3, включить фильтр-пресс и отрегулировать его так, чтобы уровень масла в приемном баке 6 достигал примерно 1/2 высоты маслоуказательного стекла. При опускании уровня масла до 1/4 высоты стекла фильтр-пресс отключить, а после заполнения стекла до 1/2 высоты вновь включить. Смену бумаги в фильтр-прессе производить через 2-3 ч. Промывать маслом, поступающим через фильтр-пресс, вводы: 110 кВ - не менее 6 ч, 150-220 кВ - не менее 12 ч, 330-500 кВ - не менее 24 ч, 750-1150 кВ - не менее 30 ч. По истечении указанного времени отобрать пробу масла и проверить диэлектрическую прочность и tgd масла. Промывку ввода прекратить после достижения нормированных значений диэлектрической прочности масла и тангенса угла диэлектрических потерь tg вакуум-насос при 70 °С. 13.2.8. Перекрыть вентили Кр.4 и Кр.3, вывернуть штуцер из нижней части ввода и поставить глухую пробку. 13.2.9. Подсоединить шланг от вакуум-насоса к штуцеру в верхней части ввода, открыть вентиль Кр.2, включить вакуум-насос и выдержать под вакуумом при остаточном давлении не более 667 Па (5 мм рт. ст.) вводы: 110 кВ - не менее 4 ч, 150-220 кВ - не менее 8 ч, 330-500 кВ - не менее 12 ч, 750-1150 кВ - не менее 16 ч. 13.2.10. Снять вакуум, отсоединить ввод от вакуум-насоса и ввернуть пробку, заполнить гидравлический затвор маслом в соответствии с инструкцией по эксплуатации вводов, вывернуть временную пробку и ввернуть трубку воздухоосушителя. 13.3. При увлажнении изоляции ввода после операций, проведенных по п.п. 13.2-13.2.10, произвести подсушку ввода, для чего предварительно: 13.3.1. Промыть ввод. 13.3.2. Собрать схему подсушки (рис. 23) и произвести подсушку ввода, включить циркуляцию масла, прогреть ввод до температуры 70°С со скоростью 10 °С/ч, а затем создать вакуум в нем со скоростью 0,027 МПа/ч до остаточного давления 667 Па (5 мм рт. ст.). 13.3.3. Залить масло, подогретое до 70°С, и путем многократной циркуляции его добиться показателей изоляции, удовлетворяющих нормам. 13.3.4. Произвести окончательную заливку масла. 13.4. Осмотр и ремонт вводов с баками давления ГБМТ производить аналогично ремонту вводов без бака давления в объеме, приведенном в п.п. 13.1-13.3. Бак давления с сильфонным устройством поставляется в герметичном исполнении и не подлежит разборке. В случае необходимости замену масла в баке давления следует производить следующим образом: 13.4.1. Снять давление, частично слив масло из системы ввод-бак. Отсоединить бак давления от ввода. Вывернуть пробку выпуска воздуха в верхней части ввода. Вместо пробки установить штуцер, подсоединить его к промежуточному бачку с воздухоосушителем. Примечание. При снятии давления строго следить за показаниями манометра, при нулевом положении стрелки вентили перекрыть. 13.4.2. Слить масло и испытать бак давления воздухом в водяной ванне давлением 0,1 МПа (1 кгс/см2); обнаруженные места течи заварить, зачистить и окрасить. 13.4.3. Промыть бак давления и соединительную трубку от измерительного устройства (трубки предварительно продуть воздухом) горячим маслом, подогретым до 60-70°С, слить масло. 13.4.4. Проверить бак давления на отдачу, для чего подсоединить его к вакуумсистеме через промежуточный бачок вместимостью 20-30 л и штуцер, установленный вместо верхней пробки, а также к маслосистеме через вентиль бака давления. Создать в баке давление не более 667 Па (5 мм рт. ст.), выдержать его в течение 30 мин. Не снимая вакуум, заполнить бак и промежуточный бачок маслом, подогретым до 20-25°С; снять вакуум, дождаться устойчивого уровня масла в промежуточном бачке, отсоединить вакуумсистему и установить верхнюю пробку с уплотнением на бак давления. Создать в баке подачей масла давление 0,3 МПа (3 кгс/см2) и проверить отдачу сильфонного устройства, вливая масло в измерительную емкость через нижнее отверстие до давления 0,025 МПа (0,25 кгс/см2), сравнить полученную отдачу с расчетной (по паспорту), слить масло из бака давления. 13.4.5. Заполнить повторно бак маслом и довести в нем давление до 0,25 МПа (2,5 кгс/см2). 13.4.6. Отсоединить от ввода промежуточный бачок, вывернуть штуцер из отверстия для выпуска воздуха и ввернуть в него пробку с уплотнением. 13.4.7. Присоединить бак давления к вводу, для чего: присоединить трубку к баку давления; приоткрыть вентили бака и ввода и под струей масла из бака и ввода присоединить трубку к вводу; открыть полностью вентили на вводе и баке давления и установить рабочее давление (см. инструкцию завода-изготовителя). 13.5. Замену неисправного манометра производить в следующей последовательности: - закрыть вентили на вводе и баке давления; - снять неисправный манометр; - приоткрыть вентиль на баке давления и под вытекающей струей масла установить манометр; - открыть полностью вентили на вводе и баке давления; - опломбировать вентили. 13.6. В условиях эксплуатации ремонт вводов с твердой изоляцией (см. рис. 24) производить только в случае устранения внешних дефектов фарфоровой покрышки. Работы по устранению внутренних неисправностей не производить. 13.7. При ремонте ввода типа элегаз-масло (типа СВТР-750) следует учесть: 13.7.1. Во избежание повреждения ввода ГМСВТР при закрытых вентилях на вводе и баке давления 8 (см. рис. 25) время на все ремонтные работы не должно превышать 1 ч. Все работы, связанные с вводом ЭСВТР и токопроводом, необходимо проводить при давлении во вводе и токопроводе не более 0,02 МПа (0,2 кгс/см2).
1 - контактный зажим; 2 - колпак; 3 - верхняя фарфоровая покрышка; 4, 12, 17 - резиновые прокладки; 5 - соединительная втулка; 6 - измерительный ввод; 7 - изоляционный сердечник; 8 - медная труба; 9 - газоотводный патрубок; 10 - грузовая косынка; 11 - болты; 13, 20 - гайки; 14 - диафрагма; 15, 16 - верхний и нижний фланцы; 18 - трансформаторное масло; 19 - пружина; 21 - контактная шпилька. Рис. 24. Ввод с твердой изоляцией: а - общий вид; б - верхняя часть.
1 - ввод ЭСВТР; 2 - болт М 30; 3 - токопровод; 4 - устройство измерительное с электроконтактным мановакуумметром; 5 - косынка; 6 - опорный фланец; 7 - вывод; 8 - бак давления с манометром; 9 - ввод 1 МСВТР. Рис. 25. Ввод СВТР. 13.7.2. В случае обнаружения течей масла или элегаза из мест болтовых соединений, необходимо подтянуть эти соединения. При обнаружении течей масла или элегаза в соединительных трубках и в ниппельных уплотнениях, необходимо подтянуть накидные гайки, а при неисправном манометре, необходимо произвести его замену. Работы по замене следует проводить в соответствии с аналогичными работами по маслонаполненным вводам. После окончания всех работ отобрать пробы масла на анализ. 13.7.3. Если в результате проверки показатели качества масла выходят за пределы, приведенные в инструкции по эксплуатации, вопрос о дальнейшей эксплуатации должен решить завод-изготовитель. При понижении давления элегаза ниже значения необходимого по эксплуатационной документации, необходимо произвести его подкачку. Произвести отбор пробы элегаза. При несоответствии элегаза техническим условиям, необходимо произвести его сушку с помощью системы регенеративной очистки элегаза и повторно произвести отбор элегаза. Проверить состояние внутренней изоляции ввода ГМСВТР измерением tgd и С. Произвести высоковольтные испытания ввода СВТР. 13.8. Произвести ремонт съемных вводов (см. рис. 26) для чего: - разобрать ввод; - очистить от загрязнений наружные и внутренние поверхности фарфоровых изоляторов 12 и токоведущие стержни 13; - протереть поверхности ветошью, смоченной уайт-спиритом. Обдуть сжатым воздухом; - исправить вмятины и срывы резьбы на токоведущей шпильке. Опилить и зачистить рабочие контактные поверхности токоведущего наконечника; - нанести антикоррозийное покрытие (лужение) на контактные поверхности наконечника; - зачистить и покрыть лаком или краской незначительные сколы и трещины на изоляторах. При больших сколах и трещинах, изоляторы следует заменить; - собрать ввод, уплотняющие резиновые прокладки заменить; - произвести электрические испытания ввода.
1 - наконечник; 2 - болты; 3 - гайка; 4 - втулка; 5 - резиновое кольцо; 6 - колпак; 7 - винт для спуска воздуха; 8 - резиновая прокладка; 9 - выступы на шпильке; 10 - шайба из электрокартона; 11 - бортик на шпильке; 12 - фарфоровый изолятор; 13 - стержень токоведущий; 14 - шпилька; 15 - гайка; 16 - фланец; 17 - прижимной кулачок; 18 - резиновая прокладка; 19 - крышка бака; 20 - гетинаксовая втулка; 21 - шайба; 22 - гайка. Рис. 26. Съемный ввод. 13.9. При ремонте вводов классов напряжения до 35 кВ (см. рис. 27) необходимо руководствоваться настоящим СО и РД 34.45-51.300-97.
1 - натяжная гайка; 2 - натяжная скоба из полосовой стали; 3 - чашка с армировочной замазкой; 4 - фланец ввода; 5 - плита с отверстием; 6 - прокладка; 7 - токоведущая шпилька. Рис. 27. Армирование ввода класса напряжения 35 кВ. 14. РЕМОНТ СРЕДСТВ ЗАЩИТЫ МАСЛА ОТ ВОЗДЕЙСТВИЯ ОКРУЖАЮЩЕГО ВОЗДУХА.14.1. Ремонт воздухоосушителя (см. рис. 28).14.1.1. Снять воздухоосушитель с трансформатора. 14.1.2. Разобрать воздухоосушитель, очистить внутреннюю поверхность корпуса от загрязнений, просушить. 14.1.3. Заполнить патрон 2 индикаторным силикагелем 1 по ГОСТ 8984-75 и установить стекло в смотровом окне. 14.1.4. Заполнить фильтр сухим силикагелем 3 марок КСКГ, КСМК или КСМГ по ГОСТ 3956-76 таким образом, чтобы под крышкой оставалось свободное пространство высотой 15-25 мм. 14.1.5. Установить масляный затвор и залить его чистым, сухим трансформаторным маслом 6 через пробку до установленной отметки.
1 - индикаторный силикагель; 2 - патрон; 3 - силикагель; 4 - затвор воздухоосушителя; 5 - стекло контроля наличия масла в затворе; 6 - масло трансформаторное; 7 - путь движения воздуха. Рис. 28. Воздухоосушитель. 14.2. Ремонт установки азотной защиты масла (см. рис. 29).14.2.1. Произвести контроль герметичности соединений, арматуры, целостности мягких резервуаров мыльным раствором при избыточном давлении 3 кПа (0,03 кгс/см2). 14.2.2. В случае обнаружения повреждений мягких резервуаров 3 азотной защиты следует устранить их путем наложения заплат из однотипного материала (прорезиненной ткани). Заплата должна перекрывать дефектный участок резервуара не менее чем на 20 мм по всему периметру. Поверхность дефектного участка и заплаты перед наложением необходимо тщательно очистить бензином. После просушки на склеиваемые поверхности нанести два слоя клея. Каждый слой клея необходимо просушить до полного удаления растворителя. После сушки заплату следует наклеить на дефектный участок и тщательно прокатать роликом (валиком). 14.2.3. После проведения ремонта необходимо повторно провести контроль герметичности. 14.2.4. Провести смену силикагеля в азотоосушителе 4 в следующей последовательности: - перекрыть вентиль, соединяющий расширитель с мягким резервуаром; - снять нижнюю крышку осушителя азота, высыпать силикагель, установить и уплотнить заглушку; - снять верхнюю заглушку осушителя, заполнить 0,9 его объема новым силикагелем марок КСКГ, КСМК или КСМГ по ГОСТ 3956-76, установить и уплотнить заглушку; - открыть вентиль, соединяющий расширитель с мягким резервуаром. Примечание. Перед сменой силикагеля предварительно произвести его подготовку. Сушить при t = 150-170°С не менее 4 ч до влажности не более 1 %, охладить до t = 50-60°С, просеять и пропустить через магнитный сепаратор.
1 - надмасляное пространство расширителя; 2 - шкаф; 3 - мягкий резервуар; 4 - азотоосушитель Рис. 29. Установка азотной защиты масла. 14.3. Ремонт пленочной защиты масла (см. рис. 30).14.3.1. Осмотреть внутреннюю поверхность гибкой оболочки. Визуально проверить наличие масла в полости гибкой оболочки 1. Осмотр осуществлять через отверстие для прохода штанги стрелочного маслоуказателя 2. Для освещения внутренней поверхности оболочки следует применять низковольтную электролампу с защитной сеткой. 14.3.2. При обнаружении в оболочке масла необходимо демонтировать ее и проверить на герметичность: - создать в оболочке избыточное давление воздуха до распрямления оболочки; - смочить кистью всю поверхность оболочки мыльным раствором. Оболочка считается герметичной, если по истечении 15 мин после обмыливания отсутствуют пузырьки воздуха. 14.3.3. В случае обнаружения незначительных повреждений (проколов), место прокола необходимо уплотнить с помощью двух резиновых прокладок, устанавливаемых с наружной и внутренней сторон поврежденного участка и стягиваемых специальным болтом с металлическими шайбами. Примечание. Указанный ремонт следует считать временным и, по возможности, оболочку необходимо заменить. В случае обнаружения более серьезных повреждений (разрывов) оболочка подлежит замене.
1 - гибкая оболочка; 2 - стрелочный маслоуказатель; 3 - патрубок; 4 - монтажный люк; 5 - расширитель; 6 - сборный коллектор; 7 - штанга маслоуказателя; 8 - вентиль для доливки масла. Рис. 30. Расширитель с гибкой оболочкой: а - расположение гибкой оболочки; б - принципиальная схема работы. 14.4. Ремонт фильтров непрерывной регенерации масла (адсорбционные и термосифонные фильтры) (см. рис. 31).14.4.1. Отсоединить фильтр от трубопроводов, соединяющих его с баком трансформатора. 14.4.2. Разобрать фильтр и маслопроводы. 14.4.3. Очистить корпус 5, защитную сетку 4 от грязи, промыть их чистым сухим трансформаторным маслом. 14.4.4. Собрать фильтр и испытать на маслоплотность избыточным давлением 50 кПа (0,5 кгс/см2) нагретого до температуры 50-70 °С трансформаторного масла в течение 30 мин. 14.4.5. Выявленные места течей устранить электросваркой. Провести повторные испытания. 14.4.6. Снять крышку 6 верхнего патрубка и засыпать в фильтр предварительно отсеянный от пыли сухой силикагель. 14.4.7. Установить фильтр и маслопроводы на трансформатор. 14.4.8. Открыть пробку для выпуска воздуха 2 фильтра и открыть незначительно кран нижнего патрубка, заполнить фильтр маслом из трансформатора до появления масла в пробке. 14.4.9. Закрыть нижний вентиль и дать маслу отстояться в течение не менее 1 ч. 14.4.10. Открыть пробку на нижнем патрубке и слить масло до полного удаления продуктов отстоя.
1 - патрубок; 2 - пробка для выпуска воздуха; 3 - подъемное устройство; 4 - защитная сетка; 5 - корпус; 6 - крышка; 7 - защитное устройство; 8 - сливная пробка; 9 - полуось; 10 - расширительное устройство; 11 - рама; 12 - фиксирующий упор. Рис. 31. Фильтр непрерывной регенерации масла: а - для трансформаторов с системой охлаждения типа «ДЦ»; б - для трансформаторов с системой охлаждения типа «Ц» (адсорбционный фильтр); в - для трансформаторов с системой охлаждения типа «Д и М». 14.4.11. Закрыть пробку, открыть верхний и нижний вентили трубопроводов, окончательно заполнить фильтр маслом. Примечание. Перед включением трансформатора необходимо повторно выпустить воздух из фильтра и маслопроводов. 14.5. Ремонт адсорбционных фильтров.14.5.1. Разобрать фильтр и удалить отработанный сорбент, очистить, обезжирить и окрасить фильтры. 14.5.2. Промыть фильтр трансформаторным маслом, подогретым до 50-70°С, и испытать его на маслоплотность избыточным давлением масла 0,2 МПа (2 кгс/см2) в течение 30 мин. 14.5.3. Засыпать адсорбционный фильтр отсеянным от пыли силикагелем аналогично п. 14.4.6. и промыть его через фильтр-пресс. Силикагель, поставляемый в негерметичной упаковке, перед засыпкой прокалить при температуре 150-170°С до влажности не более 1,0 %. Применять силикагель необходимо марок КСКГ, КСМК или КСМГ по ГОСТ 3956. 15. РЕМОНТ СИСТЕМЫ ОХЛАЖДЕНИЯ.15.1. Ремонт системы охлаждения типа ДЦ.15.1.1. При ремонте охладителей следует: - вскрыть верхнюю и нижнюю коробки (коллекторы); - тщательно очистить, обезжирить и заварить места течей в сварных швах трубки с трубной пластиной. Сварку (сплав ДЦ-1-М) выполнить аргонодуговой сваркой с присадкой алюминиевой проволоки диаметром 3 мм. При обнаружении течи в трубках их необходимо заменить (допускается глушение дефектных трубок, но не более двух трубок на каждый ход трубной пластины). Глушить трубки следует с обеих сторон. Для компенсации разницы при температурном удлинении рабочих и заглушенных трубок необходимо со стороны плавающей головки снять сварной шов и укоротить трубку на 5-6 мм ниже верхней кромки трубной пластины; - прочистить внутреннюю поверхность трубок; - проверить перегородки ходов и установить верхнюю и нижнюю крышки охладителя, предварительно очистив их; - испытать охладители сухим трансформаторным маслом по схеме, приведенной на рис. 32. Прогреть масло в баке 8 до температуры 50-70°С с помощью маслоподогревателя 2, заполнить охладитель маслом, перекрыть задвижку 13 и поднять с помощью маслонасоса 5 избыточное давление до 0,2 МПа (2 кгс/см2), перекрыть задвижку 12 и отключить маслонасос 5. Испытуемый охладитель считается маслоплотным, если в течение 30 мин не наблюдаются течи масла, а значение испытательного давления практически не изменяется;
1 - воздухоосушитель; 2 - маслоподогреватель (от +50 до 60°С); 3 - маслоочистительная установка с насосом; 4 - сетчатый фильтр; 5 - масляный насос ЭЦТ (рабочий); 6 - промываемые элементы системы охлаждения; 7 - вентиль отбора проб масла; 8 - бак вместимостью не менее 3,5 м3; 9 - маслопровод диаметром 120 мм в системе промывки; 10 - маслопровод в системе подогрева и очистки масла; 11 - манометр; 12, 13, 14, 15 - задвижки; 16 - маслоуказатель. Рис. 32. Схема промывки и испытания системы охлаждения типа ДЦ. - после испытания охладитель промыть горячим трансформаторным маслом по схеме, приведенной на рис. 32. При промывке необходимо одновременно осуществлять постоянную очистку масла с помощью маслоочистительной установки 3. Длительность промывки должна быть не менее 1 ч. Промывку можно считать законченной, если на фильтровальной бумаге будут отсутствовать следы ржавчины и грязи, а электрическая прочность отобранного из вентиля 7 масла по сравнению с первоначальной не изменится. Примечания: 1. Общее гидравлическое сопротивление замкнутой системы должно обеспечивать бесперебойную работу маслонасоса 5 без перегрузки (контроль по току статора). 2. Температура масла при испытании и промывке элементов системы охлаждения должна быть в пределах 50-70°С, а электрическая прочность не ниже значения, требуемого для заливки трансформатора данного класса напряжения. 3. Охладители после чистки, промывки и испытания могут находиться без масла не более 4 ч. 15.1.2. При ремонте электронасосов марок Т, МТ, АНМТ, АНМТЭ, ЭЦТ, ЭЦТЭ, необходимо: - осмотреть и вскрыть насос, проверить биение вала, крепления рабочего колеса, наличие задиров и заусенец на корпусе и колесе, проверить исправность подшипников (негодные заменить); - измерить сопротивления изоляции статорных обмоток двигателя мегаомметром на напряжение 500 В, при этом сопротивление изоляции должно быть не менее 0,5 МОм. При значении сопротивления изоляции ниже 0,5 МОм произвести сушку изоляции; - собрать насос, проверить вращение двигателя вручную (вал должен вращаться свободно, без заеданий) и опробовать перекачиванием трансформаторного масла во временный бак, испытать электронасос на герметичность опрессовкой трансформаторным маслом температурой 80°С и давлением не менее 0,65 МПа (6,5 кгс/см2) в течение 10 мин. Используемое масло должно отвечать требованиям, приведенным в разд. 21; - измерить вибрацию корпуса насоса; - покрасить наружную поверхность в соответствии с разд. 19. 15.1.3. Выполнить ремонт вентиляторов и крыльчаток. Проверить зазор между крыльчатками вентиляторов и диффузорами по всему периметру. Зазор должен быть равномерным и не превышать 1,5 % диаметра рабочего колеса. Заменить амортизационные прокладки под лапками электродвигателя. Очистить вентиляторы от пыли и загрязнений. Измерить мегаомметром на напряжение 500 В сопротивления изоляции статорных обмоток электродвигателей (по фазам) и сравнить полученные значения. Проверить состояние доступных мест паек и контактов. Проверить правильность установки электродвигателей на охладителе. При этом должны выполняться следующие требования: - охладитель должен быть жестко закреплен на стойке; - электродвигатели вентиляторов обдува должны быть установлены и закреплены в соответствии с чертежами; - крыльчатки (с валами) должны легко проворачиваться вручную, при разгоне свободно вращаться; - осевые зазоры у валов электродвигателей должны отсутствовать. Включить электродвигатель и измерить вибрацию включенного электродвигателя в трех точках (см. рис. 33) вибрографом BP-I. Значение вибрации в любой точке измерения не должно превышать 0,06 мм. При вибрации, превышающей 0,06 мм, проверить биение лопастей вентиляторов в осевом направлении (описывают ли лопасти при осевом вращении одинаковую поверхность вращения). Биение лопастей проверить следующим образом: - на внутренней стороне обечайки (диффузора) нанести цветным карандашом проекцию произвольно выбранной лопасти вентилятора в виде кривой; - проверить последовательно степень совпадения проекций остальных лопастей вентилятора с проекцией первой лопасти (расхождение проекций должно быть не более 3 мм). При больших расхождениях необходимо подогнуть лопасти вентилятора до получения допустимого значения (±3 мм). Повторно измерить вибрацию электродвигателя. Если значение вибрации будет превышать 0,06 мм, то необходимо снять вентилятор и произвести его статическую и динамическую балансировку. Проверить состояние подшипников и заменить их смазку. В случае непригодности установленных подшипников, произвести их замену. Собрать вентилятор и повторно проверить его вибрацию.
Рис. 33. Схема контрольных точек для измерения вибрации (на заднем щите). 15.2 Ремонт системы охлаждения типа Ц.15.2.1. Провести внешний осмотр маслоохладителя и выявить места пропуска масла в водяную камеру. Пропуск определяется по масляным пятнам на воде. 15.2.2. Слить из системы воду, а затем масло. Демонтировать насосы, маслопроводы, арматуру, адсорбционные фильтры. Демонтировать и передать в соответствующие лаборатории приборы контроля и сигнализации. 15.2.3. Снять торцевые крышки маслоохладителя и заменить трубки с дефектами. Прочистить трубные плиты и трубки мягкими металлическими ершами. В местах течей развальцевать трубки и швы и залить их эпоксидной смолой или герметиком. 15.2.4. Проверить чистоту масляной камеры. При обнаружении ржавчины и прикипаний шлама вынуть трубный пучок, продуть межтрубное пространство сухим воздухом с t = 50-70°С, а стенки камеры прочистить металлической щеткой. Собрать охладитель и промыть трансформаторным маслом, удовлетворяющим требованиям, указанным в разд. 21 и подогретым до температуры 50-70°С. 15.2.5. Проверить и испытать на маслоплотность в течение 30 мин межтрубное пространство (по масляной стороне) трансформаторным маслом, удовлетворяющим требованиям, указанным в разд. 21 и подогретым до температуры 50-70°С при давлении 0,6 МПа (6 кгс/см2). При этом необходимо у охладителей вертикальной установки снять верхнюю крышку и наполнить водяную камеру водой, а у горизонтально установленных охладителей установить обе крышки и также наполнить водой водяную камеру. При испытании межтрубного пространства следить за появлением масляных пятен на поверхности воды. Для этого у охладителей горизонтальной установки необходимо сливать воду в специальную емкость с открытой поверхностью. При появлении масляных пятен повторить испытания без воды и крышек, предварительно закрасив мелом. Определить места течи масла. Неплотности в развальцованных соединениях устранить подвальцовкой труб. Дефектные трубы заменить. После устранения дефектов повторить испытания межтрубного пространства. 15.2.6. Проверить и испытать на плотность водяные камеры давлением воды 0,6 МПа (6 кгс/см2) в течение 30 мин. При этом межтрубное пространство заполнить маслом температурой 50-70°С и электрической прочностью 45-50 кВ. Характеристики масла проверять до заливки и через 2 ч после испытания маслоохладителя, а затем через 12 ч. При этом характеристики масла не должны существенно измениться (отклонение допускается в пределах погрешности измерений). 15.2.7. Собрать систему охлаждения, заполнить ее маслом и произвести промывку, для чего использовать вспомогательный бачок с конусным дном емкостью, большей в 2 раза, чем емкость охладителей, установленный на 2 м выше маслопроводов системы охлаждения. Параллельно бачку присоединить фильтр-пресс. Испытать систему на плотность маслом и водой с избыточным давлением 0,4 МПа (4 кгс/см2) в течение 1 ч при температуре масла 50-70°С и воды не ниже 10°С. После установки трансформатора на фундамент присоединить систему охлаждения к трансформатору, заполнить всю систему маслом через расширитель трансформатора. Дать отстояться маслу в охладителях при атмосферном давлении в течение 5 ч. Примечания: 1. Заполнять систему охлаждения следует вначале маслом с температурой не ниже 10°С, а затем водой при задвижках, открытых на входе и полностью закрытых на выходе. Заполнение вести до появления из боковых отверстий на пробках выпуска воздуха, а также соответственно масла из межтрубного пространства и воды из водяных камер. После этого открыть задвижки на выходе системы, не допуская гидравлических толчков в масляной системе охлаждения. Убедиться по температуре воды и масла в маслоохладителе, что поток охлаждающей воды через него обеспечивается нормально. 2. Во время ремонта при отсутствии новой трубки, дефектную необходимо заглушить с обоих концов пробками из мягкой латуни. 15.3. Ремонт системы охлаждения типа М и Д.Трубчатый радиатор (рис. 34).15.3.1. Слить масло из радиаторов, снять их с бака и заглушить. 15.3.2. Очистить наружную поверхность радиаторов от загрязнений и ржавчины, протереть ветошью, смоченной уайт-спиритом. Обдуть сжатым воздухом. Примечание. Плотный наружный слой загрязнений следует удалять щелочным раствором (10-15 % каустической соды) в ванне. 15.3.3. Испытать сварные швы радиаторов на непроницаемость сжатым воздухом 0,2 МПа (2 кгс/см2) и мыльным раствором. Места течей отметить мелом, снять давление. 15.3.4. Подварить места течей, исправить места повреждений, зачистить места сварки от окалины и брызг.
1 - коллектор; 2 - трубы диаметром 51´1,75 мм; 3 - пробка; 4 - скоба для подъема радиатора; 5 - угольник. Рис. 34. Трубчатый радиатор. 15.3.5. Исправить резьбу на пробках и гнездах радиатора. 15.3.6. Протереть наружные поверхности радиаторов ветошью, смоченной уайт-спиритом. 15.3.7. Покрыть подготовленные к окраске поверхности радиаторов грунтом ФЛ-ОЗК или ГФ-020 ровным слоем без наплывов с помощью пульверизатора. 15.3.8. Покрыть загрунтованные наружные поверхности радиаторов эмалью ПФ-133 или ПФ-115 цветом, соответствующим цвету бака трансформатора. 15.3.9. Промыть радиатор сухим трансформаторным маслом температурой 50-70 °С. Масло для промывки должно удовлетворять требованиям, предъявляемым маслу для заливки в трансформатор согласно РД 34.45-51.300-97. Условием окончания промывки служит отсутствие механических примесей на фильтровальной бумаге фильтр-пресса 4 (рис. 35).
1 - труба 3/4 для выхода воздуха; 2 - радиатор; 3 - бак для подогревания масла; 4 - фильтр-пресс. Рис. 35. Схема промывки радиатора. 15.3.10. Испытать радиатор на маслоплотность давлением трансформаторного масла 0,2 МПа (2 кгс/см2) при температуре 50-70°С с помощью ручного насоса или столбом масла (см. рис. 36 и 37).
1 - бак для подогрева масла; 2 - насос ручной; 3 - манометр; 4 - радиатор. Рис. 36. Схема испытания радиатора ручным насосом.
1 - радиатор; 2, 3 - трубы; 4 - уровень масла при испытании радиатора; 5 - бак для подогрева масла; 6 - маслонасос с электродвигателем. Рис. 37. Схема испытания радиаторов давлением столба масла и электронасосом: а - при вертикальном положении радиатора; б - при горизонтальном положении радиатора. 15.4. Ремонт патрубков системы охлаждения и газоотвода.15.4.1. Снять патрубки с трансформатора, слить из них масло. 15.4.2. Очистить наружную поверхность от загрязнений и ржавчины протереть ветошью, смоченной уайт-спиритом. 15.4.3. Проверить визуально состояние сварных швов. 15.4.4. Заварить обнаруженные дефекты сварных швов: трещины, поры, подрезы. 15.4.5. Соединить патрубки между собой и промыть их внутренние поверхности горячим маслом. Общая длина собранного для промывки маслопровода не должна быть более 25 м, а количество колен не более 5. 15.4.6. Произвести проверку маслоплотности трубопроводов путем создания в них избыточного давления 0,4 МПа (4 кгс/см2) в залитом в них масле с помощью ручного насоса в течение 1 часа. 15.4.7. Отметить мелом места течей сварных швов, снять давление. 15.4.8. Подварить места течей электросваркой. 15.4.9. Обезжирить наружные поверхности труб ветошью, смоченной уайт-спиритом. 15.4.10. Окрасить наружные поверхности труб грунтом ФЛ-ОЗК или ГФ-020, а затем эмалью ПФ-133. 15.5. Ремонт арматуры.15.5.1. Разобрать и очистить задвижки, клапаны и вентили. Произвести внутреннюю и наружную очистку поверхностей труб. Протереть внутренние поверхности техническими салфетками без ворса. 15.5.2. Произвести притирку клапанов. Заменить маслостойкие резиновые и сальниковые уплотнения. Сальниковую набивку задвижек (лудло) заменить резиновыми прокладками. 15.6. Ремонт шкафов автоматического управления типа ШАОТ, ШД, АД-2 и др. (рис. 38).15.6.1. Очистить от загрязнений и ржавчины наружные и внутренние поверхности шкафа, протереть ветошью, смоченной уайт-спиритом. 15.6.2. Осмотреть автоматические выключатели и магнитные пускатели, их контактные поверхности. При наличии перекосов контактов, неодновременности их касания устранить указанные неисправности. 15.6.3. Зачистить мелкой шлифовальной шкуркой подгары и оплавления на контактах магнитных пускателей и автоматических выключателей.
1 - дверь; 2 - стенка; 3 - петли; 4 - дверной запор; 5 - сальники. Рис. 38. Шкаф автоматического управления. 15.6.4. Проверить исправность заземления шкафа, измерить сопротивление изоляции всех цепей шкафа. Сопротивление должно быть не менее 0,5 МОм. 15.6.5. Проверить надежность крепления к стенкам шкафа 2 устройств крепления аппаратуры, кабельных муфт и сальников 5 для ввода силовых и контрольных кабелей. При необходимости, произвести их подтяжку. 15.6.6. Отрихтовать и отрегулировать дверные запоры 4, заменить резиновые уплотнения в пазах двери 1 и смазать петли 3 солидолом. 15.6.7. Протереть внутренние и внешние поверхности шкафа ветошью, смоченной уайт-спиритом. 15.6.8. Окрасить поверхности шкафа. 16. МОНТАЖ ТРАНСФОРМАТОРА НА ФУНДАМЕНТЕ.16.1. Перемещение трансформатора из зоны ремонта на место монтажа произвести аналогично п. 5.9 в обратной последовательности. 16.2. Установить трансформатор на фундамент так, чтобы крышка имела подъем 1-1,5 % по направлению к газовому реле, если в технической документации на трансформатор нет специальных указаний или уклон не предусмотрен конструкцией бака. 16.3. Подсоединить шины и спуски к вводам трансформатора, заземлить трансформатор. 16.4. Проверить изоляцию всех шин и кабелей, присоединить и проверить фазировку всех присоединений, а также проверить автоматику управления работой трансформатора. 16.5. Собрать и проверить действие системы пожаротушения трансформатора. 16.6. Собрать, подсоединить к баку и создать вакуум в системе охлаждения. 16.7. Произвести заливку системы охлаждения трансформаторным маслом. Заливку можно производить двумя способами: - совместным заполнением, при котором вакуумирование и заливка подсоединенной к баку системы охлаждения производятся одновременно с трансформатором; - раздельным заполнением охладителей маслом из бака трансформатора или специальной емкости. При этом необходимо собрать схему в соответствии с рис. 39, выдержать под вакуумом охладитель 4 при закрытых вентилях 10 и остаточном давлении 5,3∙10-3 МПа (40 мм рт. ст.) в течение 30 мин, приоткрыть вентили 10, так, чтобы остаточное давление увеличилось не более чем на 1,4∙10-3 МПа (10 мм рт. ст.), заполнить охладитель до появления масла в стекле маслоуказателя промежуточного бачка 5. Отключить вакуум-насос и дать отстояться маслу при атмосферном давлении в течение 5 ч, а затем проверить отсутствие воздуха в охладителе. Примечание. Если в системе охлаждения отсутствуют задвижки, заполнение охладителей маслом под вакуумом возможно только совместно с трансформатором. 16.8. Произвести доливку масла в трансформатор и в систему охлаждения через расширитель со скоростью не более 4 т/ч с последующим отстоем в течение 12 ч, при этом руководствоваться инструкциями завода-изготовителя. После отстоя выпустить воздух из трансформатора, вводов и охладителей, включить масляные насосы системы охлаждения, проверить правильность вращения роторов маслонасосов по манометрам. При закрытой заслонке давление должно быть не менее 0,13 МПа (1,3 кгс/см2). Проверить направление вращения крыльчаток вентиляторов (направление вращения должно быть таким, чтобы поток воздуха, создаваемый крыльчаткой, был направлен в сторону пучка охлаждающих трубок охладителя), работу фильтров (разница избыточного давления на выходе и входе масла в фильтрах должна быть не более 0,2 МПа (2 кгс/см2). 16.9. Включить циркуляцию масла в трансформаторе не менее чем на 8 ч. Отключить циркуляцию масла и выдержать время 12 ч. Примечание. Включение маслонасосов возможно при температуре масла не ниже: для насосов ЭЦТ и Т минус 40 °С; для насосов ЭЦТЭ и МТ минус 20°С. При температуре ниже указанной масло необходимо подогреть.
1 - напорный маслопровод; 2 - всасывающий маслопровод; 3 - бак трансформатора; 4 - охладитель; 5 - промежуточный бачок; 6 - вакуумметр; 7 - вентиль для слива масла; 8 - вакуум-насоса; 9 - насос ЭЦТ; 10 - вентили. Рис. 39. Схема заливки системы охлаждения маслом. 17. ПАЙКА МЕДНЫХ ДЕТАЛЕЙ ТРАНСФОРМАТОРА.17.1. Подготовка деталей к электроконтактной пайке медно-фосфористым припоем.17.1.1. Поверхности деталей под пайку должны быть обработаны механическим способом. На поверхностях сопрягаемых деталей не должно быть забоин, задиров, заусенец и других неровностей. 17.1.2. Механическую обработку следует проводить напильниками, металлическими щетками, ножом, шлифовальной шкуркой и пр. 17.1.3. Поверхности углей паячных клещей должны быть параллельны плоскости сопрягаемых деталей. Площадь поверхности углей не должна отличаться от площади сечения пайки более чем на 5%. 17.1.4. Предварительно выпрямленные параллели концов обмоток перед пайкой необходимо связать тонкой медной проволокой для плотного соединения друг с другом. 17.1.5. Для пайки следует использовать паячные трансформаторы, указанные в табл. 2. Таблица 2 Типы паячных трансформаторов.
17.2. Последовательность проведения работ.17.2.1. Соединить спаиваемые поверхности, выдержав размеры сечения пайки по чертежу, зажав их в паячных клещах. 17.2.2. Периодическими кратковременными включениями тока разогреть место пайки до температуры 600-700°С (медь при данной температуре принимает вишнево-красный цвет). 17.2.3. Поддерживая температуру на данном уровне путем периодического включения и выключения педали паячного трансформатора, ввести медно-фосфористый припой путем касания прутком припоя о нагретые кромки деталей. Касание прутком припоя производить сначала с одной стороны до полного заполнения припоем места пайки и появления припоя на противоположной стороне соединения, а затем, припой наносить по всему периметру соединения до получения равномерной галтели припоя. Перегрев деталей в месте пайки не допускается. 17.2.4. Выключить ток, оставляя электроды сжатыми. После затвердения припоя детали освободить из клещей. 17.3. Пайка демпферов с шинной медью.17.3.1. Выправить и зачистить концы деталей подлежащих пайке наждачной бумагой или напильником. 17.3.2. Расположить и соединить их согласно чертежу. 17.3.3. Отдельные листки должны плотно прилегать друг к другу. 17.3.4. Углы должны быть плотно прижаты по всей поверхности спаиваемых деталей. 17.3.5. Разогреть место пайки до температуры плавления припоя (вишнево-красный цвет) 650-700 °С. 173.6. Поддерживая данную температуру путем периодического включения и выключения педали, провести по месту пайки прутком медно-фосфористого припоя, добиваясь при этом полного проникновения припоя внутрь отдельных листков. 17.3.7. При пайке не допускать пережога верхних листков меди, следить за проникновением припоя между отдельными листами. 17.3.8. После заполнения припоем межлистового пространства, удалить его излишки и прекратить нагрев. 17.3.9. Охладить пайку до темно-красного свечения меди и снять клещи. 17.4. Пайка паяльником проводов оловянно-свинцовым припоем.17.4.1. Собрать детали согласно чертежу. 17.4.2. Включить паяльник и нагреть его рабочую часть до 300-350°С (температура плавления припоя ПОС). 17.4.3. Зачистить напильником рабочую часть паяльника, а затем пролудить припоем ПОС. 17.4.4. Нагреть паяльником место пайки деталей до температуры плавления припоя. 17.4.5. Нанести флюс на место пайки. 17.4.6. Взять паяльником припой и нанести на место пайки, продолжая подогревать его до полного заполнения соединения. Примечания: 1. Если припой не соединяется с поверхностью спаиваемых деталей, повторно нанести флюс на спаиваемые поверхности и продолжить пайку. 2. Если повторное нанесение флюса не дает положительных результатов, необходимо прекратить пайку, спаиваемые поверхности зачистить напильником до металлического блеска и произвести пайку по пп. 17.4.5 и 17.4.6. 17.5. Пайка провода с наконечником (при отсутствии резьбы в месте нагрева наконечника).17.5.1. Пайку следует производить в электроконтактных клещах, для чего необходимо произвести подготовку угольных электродов, зачистив напильником контактные поверхности. Добиться их параллельности в момент сжатия спаиваемых соединений. 17.5.2. Включить паячный трансформатор. 17.5.3. В отверстие наконечника внести флюс. Соотношение ингредиентов: канифоли - 0,2 кг на 1 кг припоя; пасты - 0,35 кг на 1 кг припоя. 17.5.4. Собрать провод с наконечником. 17.5.5. Зажать клещами собранное соединение и периодическими кратковременными включениями тока разогреть спаиваемые детали до температуры плавления припоя. 17.5.6. Нанести припой на место пайки касанием палочки припоя о нагретые поверхности деталей в месте их соединения. Припой вводить до полного заполнения зазоров и плавного обтекания спаиваемых поверхностей. 17.5.7. Выключить ток и, не разжимая клещей, охладить паяное соединение до полного затвердевания припоя. 17.5.8. Пайку наконечников, имеющих наружную резьбу, с проводом следует производить с газопламенным нагревом. 17.6. Зачистка после пайки.17.6.1. Зачистить остывшую пайку от следов окалины, наплывов припоя напильником. 17.6.2. Обрезать провода пакета параллелей, выступающие за плоскость шины, ножницами. 17.7. Дефекты пайки.При нарушении технологии сборки и пайки возможно возникновение дефектов, указанных в табл. 3. Таблица 3 Дефекты пайки и причины их возникновения.
17.8. Контроль качества паяного соединения.17.8.1. Контроль качества пайки необходимо осуществлять внешним осмотром и технологическими пробами. 17.8.2. Внешнему осмотру и измерению подвергнуть 100 % швов. Осмотр паяных швов производить по всей их протяженности с двух сторон. При осмотре допускается применять зеркало и лупу. Внешним осмотром выявить следующие наружные дефекты: - трещины в шве и в основном металле; - не пропаянные места по местам сопряжения; - расслоения припоя; - пористость; - натеки припоя; - поры и включения диаметром более 1 мм. Примечание. Поры и включения диаметром и глубиной менее 1 мм допускаются при условии, если они не имеют характера скоплений или цепочек и их суммарная длина не превышает 10 % длины шва. 17.8.3. Дефекты паяных швов необходимо устранять перепайкой (наплывы и застывшие капли припоя необходимо устранять зачисткой напильником). 17.8.4. Правильность выбора режима пайки и качество припоя проверять разрушением контрольных образцов, спаянных на данном режиме. Качество пайки считается удовлетворительным, если отношение суммарной площади, покрытой припоем, к площади спаиваемых поверхностей составляет не менее 4/5. Проверку режимов пайки производить с поступлением каждой новой партии припоя. 18. СВАРКА ПРОВОДОВ И ШИН ИЗ АЛЮМИНИЯ И ЕГО СПЛАВОВ.Для получения качественных сварных соединений необходимо проводить подготовительные работы по удалению загрязнений и снятию оксидной пленки с поверхностей свариваемых деталей. Удаление поверхностных загрязнений и обезжиривание осуществлять с помощью органических растворителей (уайт-спирит и др.). Снятие оксидной пленки проводить металлическими щетками. После проведения указанных операций кромки свариваемых деталей необходимо вновь обезжирить растворителем. 18.1. Ручная дуговая сварка.Сварку алюминиевых проводов и шин встык проводить на угольной подкладке с канавкой в зоне стыка свариваемых деталей угольным электродом. Сварку вести на постоянном токе прямой полярности с использованием флюса и присадочного материала. 18.2. Аргонно-дуговая сварка неплавящимся электродом.Данный процесс использовать для сварки алюминия толщиной до 3 мм. Основным рабочим элементом является сварочная горелка, в которой смонтирован электрод, изготовленный из вольфрамового прутка. В качестве защитного газа следует применять аргон чистотой не менее 99,9 %. В качестве источника питания применять установки УДГ-351. 18.3. Аргонно-дуговая сварка плавящимся электродом.Данный процесс использовать для сварки алюминия толщиной более 3 мм. Сварку следует вести на постоянном токе обратной полярности полуавтоматом ПРМ-4 с применением сварочной проволоки. Примечание: В настоящее время вместо пайки наконечников с медным проводом и сварки наконечников с алюминиевым проводом широко применяется процесс опрессовки с использованием специальных ручных или гидравлических устройств. Опрессовка производится точечным методом, обеспечивая надежное и долговечное соединение. 19. ЗАЩИТНЫЕ ПОКРЫТИЯ.В качестве защитного покрытия применять маслостойкое лакокрасочное покрытие. Материалом для защитного покрытия может служить: - для внутренних поверхностей - грунтовка ФЛ-ОЗК; - для наружных поверхностей - эмаль ПФ-115. Возможно применение других эмалей, заменяющих указанные. 20. РЕМОНТ ФАРФОРОВЫХ ПОКРЫШЕК ИЗОЛЯТОРОВ.20.1. Для склеивания отколовшихся частей фарфора необходимо приготовить смесь из следующих компонентов в соотношении:
20.2. Эпоксидную смолу прогреть в термостате, при 60-70°С в течение 20-30 мин., охладить до комнатной температуры, после чего ввести полиэтиленполиамин и фарфоровую муку и тщательно перемешать. 20.3 Склейку фарфора следует производить в сухую погоду при температуре окружающей среды и склеиваемого изделия, не ниже 18°С. 20.4. Для окраски мест скола фарфора следует применять смесь из следующих материалов:
20.5. Эпоксидную смолу прогреть в термостате при 60-70°С в течение 20-30 минут, затем охладить до комнатной температуры. Глазурь и окись цинка промолоть в шаровой мельнице в течение 20 часов, затем в помол добавить ацетон и отвердитель (полиэтиленполиамин) от массы краски 4,4 % (примерно 7 капель отвердителя на 10 г краски). 20.6. Окраску мест скола также проводить нанесением влагостойкого лака 4С, натуральной олифы с присадкой сиккатива, клея марки БФ-4, которые образуют блестящую поверхность, близкую по качеству к глазури. Примечание: В настоящее время разработана и опробована технология применения состава, предназначенного для усиления гидрофобных свойств фарфоровых изоляторов, работающих в условиях загрязнений, повышенной влажности или имеющих незначительные механические повреждения (сколы, дефекты поверхности, не имеющие тенденции к дальнейшему развитию). При условии выполнения инструкции, применение данного состава существенно улучшает электротехнические свойства изоляторов в условиях эксплуатации, благодаря повышенным гидрофобным и герметизирующим свойствам, а также создает условия для самоочищения поверхностей изоляторов в условиях загрязнения (см. типовую технологическую инструкцию «Ремонт высоковольтных вводов классов напряжения 35 кВ и выше», СО 34.46.611-2005, М., ОАО «ЦКБ Энергоремонт», 2005 г.). 21. ТРЕБОВАНИЯ К ТРАНСФОРМАТОРНЫМ МАСЛАМ.21.1. При выборе масла необходимо руководствоваться действующими руководящими и нормативно-техническими документами. 21.2. При эксплуатации, хранении и смешении масел руководствоваться следующим: - масла, содержащие антиокислительные присадки, допускается смешивать в любых соотношениях. При этом стабильность смеси должна быть не ниже, чем у компонента с самой низкой стабильностью; - ингибированные товарные масла (с присадкой) не следует смешивать с неингибированными. 21.3. Температура заливаемого масла должна быть не ниже 45°С. 21.4. Допускается применение регенерированных масел при условии, доведения их характеристик до норм на свежее масло. 21.5. Электрическая прочность трансформаторного масла должна соответствовать значениям табл. 4. Таблица 4
Приложение 1
|
|||||||||||||||||||||||||||||||||||||||||||||||||||||||||||||||||||||||||||||||||||||||||||||||||||||||||||||||||||||||||||||||||||||||||||||||||||||||||||||||||||||||||||||||||||||||||||||||||||||||||||||||||||||||||||||||||||||||||||||||||||||||||||||||||||||||||||||||||||||||||||||||||||||||||||||||||||||||||||||||||||||||||||||||||||||||||||||||||||||||||||||||||||||||||||||||||||||||||||||||||||||||||||||||||||||||||||||||||||||||||||||||||||||||||||||||||||||||||||||||||||||||||||||||||||||||||||||||||||||||||||||||||||||||||||||||||||||||||||||||||||||||||||||||||||||||||||||||||||||||||||||||||||||||||||||||||||||||||||||||||||||||||||||||||||||||||||||||||||||||||||||||||||||||||||||||||||||||||||||||||||||||||||||||||||||||||||||||||||||||||||||||||||||||||||||||||||||||||||||||||||||||||||||||||||||||||||||||||||||||||||||||||||||||||||||||||||||||||||||||||||||||||||||||||||||||||||||||||||||||||||||||||||||||||||||||||||||||||||||||||||||||||||||||||||||||||||||||||||||||
|
№ п/п |
Наименование |
ГОСТ, ТУ |
|
1. |
Оборудование для обработки трансформаторного масла |
|
|
1.1. |
Установка для обработки масла УВМ-3 и др. |
|
|
1.2. |
Цеолитовая установка для сушки масла ГЦУ-3, ФСМВ-110 |
|
|
1.3. |
Маслоочистительная установка МЦУ-2 и др. |
|
|
1.4. |
Маслонагреватель НТМЛ-160, ЭМН-80, БИЛ-710 |
|
|
1.5. |
Фильтры тонкой очистки ФТО-10 |
|
|
1.6. |
Электронасосы центробежные герметичные серий Т, МТ, АНМТ, АНМТЭ, ЭЦТ, ЭЦТЭ, ЦГМ-25-32-7,5 |
|
|
1.7. |
Электронасос шестеренчатый РЗ-4,5, РЗ-30, Ш80-2,5 |
|
|
1.8. |
Установка для обработки масла НИТА 2712 |
|
|
1.9. |
Установка регенерации масла МО-160 и др. |
|
|
1.10. |
Установка регенерации сорбента БР, ПС-1 и др. |
|
|
1.11. |
Установка для восстановления цеолитов РИФЖ 306779005Д1 |
|
|
2. |
Оборудование для вакуумирования трансформаторов |
|
|
2.1. |
Агрегат вакуумный золотниковый АВЗ-180-У4Г |
|
|
2.2. |
Вакуумные насосы пластинчатые, роторные НВЗ-75, НВЗ-150, 2НВР-5ДМУ 4.2 |
|
|
2.3. |
Насосы вакуумные поршневые ВН-1, ВН-2 |
|
|
3. |
Оборудование для подсушки изоляции |
|
|
3.1. |
Установка для подсушки изоляции «Иней-2» и др. |
|
|
3.2. |
Установка выпрямительная для прогрева УВМ-500, ТПП-500 и др. |
|
|
3.3. |
Установка для нагрева и сушки воздуха «Суховей-4» |
|
|
3.4. |
Электрокалорифер К-1000 |
|
|
4. |
Оборудование для грузоподъемных и такелажных работ |
|
|
4.2. |
Кран мостовой |
|
|
4.3. |
Кран козловой |
|
|
4.4. |
Домкрат гидравлический 10ДГ100П200 |
|
|
4.5. |
Приспособление монтажное ПМ-5 |
|
|
4.6. |
Насосная станция НЭР-1.6 |
|
|
4.7. |
Гидродомкраты для опрессовки обмоток ДГ-100М, ДГ-200М |
|
|
4.8. |
Лебедка монтажная МЭЛ-5-377, МЭЛ-5-20 |
|
|
4.9. |
Таль электрическая канатная ТЭ-3 |
|
|
4.10. |
Талреп с автоматическим стопорением |
ГОСТ 19191-73 |
|
5. |
Электрооборудование |
|
|
5.1. |
Светильник ручной (12 В) |
ГОСТ 7110-82 |
|
5.2. |
Электродрель |
|
|
6. |
Сварочное и паячное оборудование |
|
|
6.1. |
Горелка однопламенная ГС-3 |
|
|
6.2. |
Трансформатор сварочный ТС-300 |
|
|
6.3. |
Электродержатель для ручной сварки |
|
|
6.4. |
Щиток электросварочный |
|
|
6.5. |
Установка для сварки алюминиевых шин и проводов УДГ-300 |
|
|
6.6. |
Паячный трансформатор ОСУ-20/0,5-А, ОСУ-40/0,5-А, ОСУ-100/0,5-А |
|
|
6.7. |
Паяльник электрический |
|
|
7. |
Прочее оборудование |
|
|
7.1. |
Временные подмостки СУ-25 |
|
|
7.2. |
Краскораспылитель КРП-11С |
ТУ 6-23-15-89, ТУ 6-23-14-89, ТУ 10-2137-88 |
|
7.3. |
Тележка для перевозки грузов |
ГОСТ 13188-67 |
|
7.4. |
Респиратор ШБ-1 |
ГОСТ 12.4.028-76 |
|
7.5. |
Противогаз РПГ/67А |
ГОСТ 12.4.004-74 |
|
7.6. |
Очки защитные |
ГОСТ 12.4.013-85 |
|
7.7. |
Компрессорная установка типа «Шторм» |
|
|
7.8. |
Пневмодрель |
ГОСТ 10212-80 |
|
8. |
Приборы |
|
|
8.1. |
Прибор для испытания электрической прочности масла КПН-901 |
|
|
8.2. |
Хроматограф «Цвет-800» |
|
|
8.3. |
Манометр МТП100-01, вакуумметр ВСБ, мановакуумметр ЭКМВ-IV-0¸0,5 МПа |
|
|
8.4. |
Прибор для контроля влажности ИТР-100 |
|
|
8.5. |
Психрометр аспирационный ИМ-34 |
|
|
8.6. |
Течеискатель ультразвуковой УТ-2А |
|
|
8.7. |
Мегаомметр М4100 |
|
|
8.8. |
Термометр манометрический ТКП-100Эк |
|
|
8.9. |
Вискозиметр |
|
|
8.10. |
Виброграф BP-I |
|
|
8.11. |
Мост переменного тока Р-595, Р-5026, МД-16 |
|
|
8.12. |
Прибор для измерения остаточного давления ВСБ-1, ВТ-3. |
|
|
9. |
Оснастка |
|
|
9.1. |
Поддон плоский |
|
|
9.2. |
Лестницы деревянные |
ГОСТ 8556-72 |
|
9.3. |
Стропы СК-5,6-8,3/1,5-9 |
|
|
9.4. |
Шпалы деревянные ГОСТ 78-89 |
|
|
9.5. |
Металлические стойки для установки вводов ВН в вертикальное положение |
|
|
10. |
Инструмент общего назначения |
|
|
10.1. |
Тиски слесарные |
ГОСТ 4045-75 |
|
10.2. |
Инструмент слесарно-монтажный |
ГОСТ 11516-94 |
|
10.3. |
Зубило |
ГОСТ 7211-86 |
|
10.4. |
Ключи гаечные двусторонние |
ГОСТ 2839-80 |
|
10.5. |
Ключи гаечные односторонние |
ГОСТ 2841-80 |
|
10.6. |
Кернеры |
ГОСТ 7213-72 |
|
10.7. |
Кисти КФК-6, КФК-10 |
|
|
10.8. |
Киянка формовочная |
ГОСТ 11775-74 |
|
10.9. |
Кувалда |
ГОСТ 11401-75 |
|
10.10. |
Ножницы ручные для резки металла |
ГОСТ 7210-75 |
|
10.11. |
Круглогубцы |
|
|
10.12. |
Молоток слесарный |
ГОСТ 2310-77 |
|
10.13. |
Напильник |
ГОСТ 1465-80 |
|
10.14. |
Отвертки плоские |
ГОСТ 24437-93 |
|
10.15. |
Отвертки с крестообразным шлицем |
ГОСТ 10754-80 |
|
10.16. |
Плоскогубцы |
|
|
10.17. |
Пассатижи |
|
|
10.18. |
Клейма ручные буквенные и цифровые |
ГОСТ 25726-83 |
|
10.19. |
Кусачки |
ГОСТ 28037-89 |
|
10.20. |
Шкурка шлифовальная тканевая |
ГОСТ 5009-82 |
|
10.21. |
Метчики гаечные |
ГОСТ 1604-71 |
|
10.22. |
Плашки гаечные |
ГОСТ 17587-72 |
|
10.23. |
Ножовка по дереву |
|
|
10.24. |
Лом монтажный |
ГОСТ 1405-83 |
|
10.25. |
Уровень строительный УС1-3000 |
|
|
11. |
Измерительный инструмент |
|
|
11.1. |
Динамометр пружинный ДПУ-2-1 |
ГОСТ 13837-79 |
|
11.2. |
Микрометр МРП 1200-0,01 |
ГОСТ 4381-87 |
|
11.3. |
Линейка измерительная металлическая |
|
|
11.4. |
Нутромер микрометрический НМ 1250 |
ГОСТ 10-88 |
|
11.5. |
Штангенциркуль ШЦ-1-125-0,10 |
|
|
11.6. |
Рулетка PC-1 |
|
|
11.7. |
Лупа ЛН-1-3х |
ГОСТ 25706-83 |
|
11.8. |
Щуп набор № 2 |
ТУ 2-034-022. 1197-011-91 |
|
11.9. |
Отвес ОТ 50-1 |
Таблица П 2
|
№ п/п |
Наименование |
ГОСТ, ТУ |
|
1. |
Прокат черных металлов |
|
|
1.1. |
Уголок |
|
|
1.2. |
Прокат тонколистовой |
|
|
1.3. |
Прокат толстолистовой |
|
|
1.4. |
Швеллеры |
|
|
1.5. |
Сталь электротехническая |
ГОСТ 21427.1-83 |
|
1.6. |
Трубы стальные бесшовные |
|
|
2. |
Крепежные изделия |
|
|
2.1. |
Болты с шестигранной головкой |
|
|
2.2. |
Гайки шестигранные |
|
|
2.3. |
Шайбы |
|
|
2.4. |
Шайбы пружинные |
|
|
3. |
Цветные металлы и сплавы |
|
|
3.1. |
Прутки латунные |
ГОСТ 6688-91 |
|
3.2. |
Листы и полосы латунные |
|
|
3.3. |
Листы и полосы медные |
|
|
3.4. |
Ленты медные |
ГОСТ 1173-93 |
|
3.5. |
Прокат алюминиевый |
|
|
3.6. |
Фольга медная |
ГОСТ 5638-75 |
|
3.7. |
Припой ПОС-40 |
ГОСТ 21930-76, ГОСТ 21931-76 |
|
3.8. |
Сплав медно-фосфористый (припой) МФ-1, МФ-2 |
ГОСТ 4514-78 |
|
3.9. |
Припой серебряный ПСр 15 |
ГОСТ 19738-74 |
|
3.10. |
Припой медно-цинковый |
ГОСТ 23137-78 |
|
4. |
Литье |
|
|
4.1. |
Сплавы алюминиевые |
ГОСТ 1131-76 |
|
4.2. |
Бронзы литейные |
ГОСТ 613-79 |
|
4.3. |
Чугун литейный |
|
|
5. |
Кабели, провода |
|
|
5.1. |
Кабели силовые |
ГОСТ 434-78 |
|
5.2. |
Провода обмоточные с бумажной изоляцией |
ТУ 16 К71-108-90 |
|
5.3. |
Кабели многожильные подвесные |
ГОСТ 16092-78 |
|
6. |
Электроизоляционные материалы |
|
|
6.1. |
Картон электроизоляционный |
ГОСТ 4194-88 |
|
6.2. |
Бумага кабельная КВМ-120 |
ГОСТ 645-89 |
|
6.3. |
Бумага крепированная ЭКТМ |
ГОСТ 12769-85 |
|
6.4. |
Бумага фильтровальная лабораторная |
|
|
6.5. |
Бумага для фильтрования масел |
ГОСТ 20806-86 |
|
6.6. |
Бумага телефонная |
|
|
6.7. |
Бумага электроизоляционная |
ГОСТ 24874-91 |
|
6.8. |
Бумага лакированная кабельная БЛ-К-120 |
ТУ 16.503104-77 |
|
6.9. |
Лакоткань |
ТУ 16-И37.0012.002-90 |
|
6.10. |
Лента киперная, лента тафтяная |
ГОСТ 4514-78 |
|
6.11. |
Лета ПВХ (поливинилхлоридная) |
ГОСТ 16214-86 |
|
6.12. |
МикалентаЛМК-ТТ-30 (0,15х35) |
ГОСТ 4268-75 |
|
6.13. |
Лента прорезиненная |
|
|
6.14. |
Лента стеклянная бандажная ЛСБ-Ф |
|
|
6.15. |
Гетинакс электротехнический листовой |
ГОСТ 2718-74 |
|
6.16. |
Трубки бумажно-бакелитовые |
ГОСТ 8726-88 |
|
6.17. |
Текстолит электротехнический листовой |
ГОСТ 2910-74 |
|
6.18. |
Стеклотекстолит электротехнический листовой |
ГОСТ 12652-74 |
|
6.19. |
Стеклотекстолит конструкционный |
|
|
6.20. |
Стеклоткань ЛСБ, ЛСКР-180 |
ТУ 16-И37.0003.003-90 |
|
6.21. |
Лента электроизоляционная стеклянная |
ГОСТ 5937-81 |
|
7. |
Лакокрасочные материалы |
|
|
7.1. |
Краски масляные |
|
|
7.2. |
Лак электроизоляционный пропиточный ГФ-95 |
|
|
7.3. |
Лак КФ-965 |
|
|
7.4. |
Лак бакелитовый ЛБС-4 |
ГОСТ 901-78 |
|
7.5. |
Лак электроизоляционный МЛ-92 |
|
|
7.6. |
Эмаль ПФ-115 |
|
|
7.7. |
Эмаль ПФ-133 |
|
|
7.8. |
Грунтовка ГФ-020 |
|
|
7.9. |
Грунтовка ФЛ-ОЗК |
|
|
7.10. |
Шпатлевки |
|
|
7.11. |
Глет свинцовый |
ГОСТ 5539-73 |
|
7.12. |
Растворитель 646 |
|
|
7.13. |
Растворитель Р-4 |
|
|
7.14. |
Эмали ХВ-124 |
|
|
7.15. |
Эмали НЦ-5123 |
ГОСТ 7462-73 |
|
7.16. |
Олифа натуральная |
|
|
8. |
Резиновые технические изделия |
|
|
8.1. |
Пластина резиновая для трансформаторов УМ |
ГОСТ 12855-77 |
|
8.2. |
Шнуры резиновые круглого и прямоугольного сечения |
|
|
8.3. |
Рукава резиновые напорные |
|
|
8.4. |
Рукава для газовой сварки |
|
|
8.5. |
Рукава резиновые напорно-всасывающие |
ГОСТ 5398-76 |
|
8.6. |
Перчатки резиновые технические |
|
|
9. |
Асбестовые изделия |
|
|
9.1. |
Шнуры асбестовые |
|
|
9.2. |
Картон асбестовый |
|
|
9.3. |
Ленты асбестовые |
|
|
9.4. |
Ткани асбестовые |
|
|
9.5. |
Набивки сальниковые |
|
|
9.6. |
Паронит и прокладки из него |
|
|
10. |
Химические продукты |
|
|
10.1. |
Сода кальцинированная |
ГОСТ 10689-75 |
|
10.2. |
Бура |
ГОСТ 8429-77 |
|
10.3. |
Карбид кальция |
|
|
10.4. |
Силикагель технический КСКГ |
ГОСТ 3956-76 |
|
10.5. |
Силикагель-индикатор |
ГОСТ 8984-75 |
|
10.6. |
Спирт этиловый технический |
ГОСТ 17299-78 |
|
10.7. |
Спирт этиловый ректификат |
ГОСТ 18300-87 |
|
10.8. |
Ацетон технический |
|
|
10.9. |
Окись цинка |
ГОСТ 10262-73 |
|
10.10. |
Натрий едкий технический |
|
|
10.11. |
Скипидар первичный |
ГОСТ 1571-82 |
|
10.12. |
Ксилол нефтяной |
|
|
10.13. |
Канифоль сосновая |
ГОСТ 19113-84 |
|
10.14. |
Парафины нефтяные |
|
|
10.15. |
Смолы эпоксидные ЭД-20 |
|
|
10.16. |
Азот газообразный и жидкий |
|
|
10.17. |
Аргон газообразный и жидкий |
|
|
10.18. |
Поливинилбутираль |
ГОСТ 9439-85 |
|
10.19. |
Кальций хлористый технический |
|
|
10.20. |
Реактивы. Кобальт хлористый 6-водный |
ГОСТ 4525-77 |
|
10.21. |
Клей резиновый № 88 |
ТУ 2513-005-13238275-96 |
|
|
Клей резиновый № 88-Н |
ТУ 38-105-1061-82 |
|
Клей резиновый № 88-СА |
ТУ 38-105-1760-87 |
|
|
11. |
Нефтепродукты |
|
|
11.1. |
Масла трансформаторные: |
|
|
|
- Т-1500 |
|
|
- ТСп |
ГОСТ 10121-76 |
|
|
- ГК |
ТУ 38.101.1025-85 |
|
|
- ТКп |
ТУ 38.401.5849-92 |
|
|
11.2. |
Бензин автомобильный |
ГОСТ 2084-77 |
|
11.3. |
Солидол Ж (жировой) |
ГОСТ 1033-79 |
|
11.4. |
Смазка Литол-24 |
|
|
11.5. |
Керосин для технических целей |
|
|
11.6. |
Смазка ЦИАТИМ-208 |
ГОСТ 16422-79 |
|
11.7. |
Уайт-спирит |
|
|
11.8. |
Ацетон технический |
|
|
12. |
Прочие материалы |
|
|
12.10. |
Пленка полиэтиленовая |
|
|
12.11. |
Полиэтиленполиамин |
ТУ 6.02.594-76 |
|
12.12. |
Цеолит |
ТУ 38-102123-78 |
|
12.13. |
Пиломатериалы лиственных пород |
|
|
12.14. |
Пиломатериалы хвойных пород |
|
|
12.15. |
Мыло хозяйственное |
ГОСТ 790-89 |
|
12.16. |
Мел |
|
|
12.17. |
Двуокись углерода |
ГОСТ 12162-77 |
|
12.18. |
Азот газообразный |
|
|
12.19. |
Аргон газообразный и жидкий |
|
|
12.20. |
Стекло оконное |
|
|
12.21. |
Наконечники кабельные алюминиевые |
|
|
12.22. |
Наконечники кабельные медные |
|
|
12.23. |
Металлорукав РЗ-Ц-Х-2043 |
ТУ 22.5570-83Е |
|
12.24. |
Канаты стальные |
|
|
12.25. |
Проволока стальная сварочная |
ГОСТ 7871-75 |
|
12.26 |
Электроды сварочные |
|
|
12.27. |
Сетка проволочная |
|
|
12.28. |
Гвозди проволочные |
|
|
12.29. |
Шнуры крученые |
ГОСТ 29231-91 |
|
12.30. |
Салфетка техническая (полотно холстопрошивное обтирочное) |
ГОСТ 14253-83 |
Таблица П 3.1
Температура точки росы окружающего воздуха в зависимости от его температуры и влажности.
|
Температура воздуха, °С |
Относительная влажность, % |
||||||||||||||
|
90 |
85 |
80 |
75 |
70 |
65 |
60 |
55 |
50 |
45 |
40 |
35 |
30 |
25 |
20 |
|
|
0 |
-1,0 |
-2,0 |
-3,0 |
-3,5 |
-4,4 |
-5,0 |
-6,8 |
-7,5 |
-8,5 |
-9,8 |
-11,0 |
-12,8 |
-14,5 |
-16,5 |
-19,0 |
|
5 |
3,5 |
2,5 |
1,8 |
0,8 |
-0,2 |
-1,0 |
-2,0 |
-3,8 |
-4,3 |
-5,5 |
-7,0 |
-9,0 |
-10,5 |
-13,0 |
-15,3 |
|
10 |
8,5 |
7,5 |
6,5 |
5,8 |
4,5 |
3,4 |
2,8 |
1,0 |
-0,5 |
-1,8 |
-3,8 |
-4,5 |
-6,5 |
-9,0 |
-11,8 |
|
15 |
13,3 |
12,4 |
11,0 |
10,2 |
9,5 |
8,3 |
7,0 |
5,7 |
4,3 |
2,5 |
1,0 |
-1,0 |
-3,0 |
-4,8 |
-8,0 |
|
16 |
14,3 |
13,3 |
12,2 |
11,3 |
10,3 |
9,0 |
8,0 |
6,5 |
5,0 |
3,5 |
1,8 |
-0,3 |
-3,0 |
-4,3 |
-7,0 |
|
17 |
15,7 |
14,3 |
13,2 |
12,3 |
11,0 |
10,0 |
8,6 |
7,5 |
6,0 |
4,5 |
2,4 |
0,8 |
-2,0 |
-3,5 |
-6,5 |
|
18 |
16,4 |
15,2 |
14,3 |
13,3 |
12,0 |
10,9 |
9,3 |
8,3 |
6,8 |
5,8 |
3,5 |
1,5 |
-1,5 |
-3,0 |
-5,5 |
|
19 |
17,3 |
16,4 |
15,2 |
14,3 |
13,0 |
11,8 |
10,5 |
9,8 |
7,8 |
6,1 |
4,4 |
2,4 |
0,5 |
-2,3 |
-4,8 |
|
20 |
18,2 |
17,3 |
16,1 |
15,3 |
14,0 |
12,7 |
11,5 |
10,2 |
8,6 |
7,0 |
5,3 |
3,2 |
1,0 |
-1,5 |
-4,3 |
|
21 |
19,2 |
18,3 |
17,2 |
16,3 |
15,0 |
13,8 |
12,4 |
11,0 |
9,5 |
8,0 |
6,3 |
4,3 |
2,0 |
-0,7 |
-3,5 |
|
22 |
20,3 |
19,3 |
18,3 |
17,2 |
16,0 |
14,8 |
13,4 |
11,8 |
10,5 |
8,8 |
7,0 |
5,0 |
3,0 |
0 |
-3,0 |
|
23 |
21,2 |
20,3 |
19,3 |
18,3 |
17,0 |
15,7 |
14,4 |
13,0 |
11,5 |
9,7 |
8,0 |
6,0 |
3,5 |
1,0 |
-2,0 |
|
24 |
22,1 |
20,9 |
20,3 |
19,3 |
17,8 |
16,6 |
15,4 |
13,9 |
12,4 |
10,6 |
8,9 |
6,9 |
4,5 |
1,8 |
-1,2 |
|
25 |
23,3 |
22,2 |
21,1 |
20,2 |
19,0 |
17,7 |
16,4 |
14,8 |
13,2 |
11,5 |
9,8 |
7,6 |
5,5 |
2,5 |
-0,2 |
|
26 |
24,2 |
23,1 |
22,1 |
21,0 |
20,1 |
18,7 |
17,3 |
15,8 |
14,3 |
12,4 |
10,5 |
8,5 |
6,3 |
3,5 |
0 |
|
27 |
25,1 |
24,2 |
22,8 |
22,0 |
20,8 |
19,6 |
18,2 |
16,8 |
15,4 |
13,3 |
11,5 |
9,5 |
7,0 |
4,3 |
1,0 |
|
28 |
26,0 |
25,0 |
23,2 |
22,8 |
21,8 |
20,3 |
19,1 |
17,6 |
16,0 |
14,3 |
12,2 |
10,3 |
8,0 |
5,0 |
2,0 |
|
29 |
27,1 |
25,8 |
24,9 |
23,8 |
22,6 |
21,3 |
20,1 |
18,6 |
17,0 |
15,2 |
13,3 |
11,0 |
8,6 |
6,0 |
2,5 |
|
30 |
28,2 |
27,0 |
25,3 |
24,8 |
23,8 |
22,3 |
21,3 |
19,7 |
17,9 |
16,1 |
14,2 |
11,8 |
9,5 |
6,9 |
3,0 |
|
31 |
29,1 |
28,2 |
27,0 |
26,0 |
24,5 |
23,2 |
22,4 |
20,5 |
19,3 |
17,0 |
15,3 |
13,3 |
10,3 |
7,6 |
4,5 |
|
32 |
30,1 |
29,1 |
28,0 |
26,8 |
25,5 |
24,2 |
22,8 |
21,4 |
19,8 |
18,0 |
16,0 |
13,5 |
11,0 |
8,5 |
5,0 |
|
33 |
31,0 |
29,8 |
29,0 |
27,8 |
26,5 |
25,3 |
23,7 |
22,3 |
20,7 |
18,9 |
17,2 |
14,8 |
12,0 |
9,3 |
6,0 |
|
34 |
31,8 |
30,9 |
29,8 |
28,6 |
27,3 |
26,1 |
24,6 |
23,4 |
21,5 |
19,8 |
17,9 |
15,5 |
13,3 |
10,0 |
6,5 |
|
35 |
33,0 |
31,7 |
30,5 |
29,5 |
28,3 |
26,8 |
25,4 |
23,9 |
22,3 |
20,5 |
18,5 |
16,0 |
13,8 |
10,7 |
7,3 |
Таблица П 3.2
Относительная влажность воздуха, определяемая психрометром по разности показаний сухого и влажного термометров
|
Показание влажного термометра, °С |
Разность показаний сухого и влажного термометров, °С |
||||||||||||||||||||
|
0 |
0,5 |
1,0 |
1,5 |
2,0 |
2,5 |
3,0 |
3,5 |
4,0 |
4,5 |
5,0 |
5,5 |
6,0 |
6,5 |
7,0 |
7,5 |
8,0 |
8,5 |
9,0 |
9,5 |
10,0 |
|
|
0 |
100 |
90 |
81 |
73 |
64 |
57 |
50 |
43 |
36 |
31 |
26 |
20 |
16 |
11 |
7 |
3 |
- |
- |
- |
- |
- |
|
1 |
100 |
90 |
82 |
74 |
66 |
59 |
52 |
45 |
39 |
33 |
29 |
23 |
19 |
16 |
11 |
7 |
- |
- |
- |
- |
- |
|
2 |
100 |
90 |
83 |
75 |
67 |
61 |
54 |
47 |
42 |
35 |
31 |
26 |
23 |
18 |
14 |
10 |
- |
- |
- |
- |
- |
|
3 |
100 |
90 |
83 |
76 |
69 |
63 |
56 |
49 |
44 |
39 |
34 |
29 |
26 |
21 |
17 |
13 |
10 |
- |
- |
- |
- |
|
4 |
100 |
91 |
84 |
77 |
70 |
64 |
57 |
51 |
46 |
41 |
36 |
32 |
28 |
24 |
20 |
16 |
14 |
11 |
- |
- |
- |
|
5 |
100 |
91 |
85 |
78 |
71 |
65 |
59 |
54 |
48 |
43 |
39 |
34 |
30 |
27 |
23 |
19 |
17 |
13 |
10 |
- |
- |
|
6 |
100 |
92 |
85 |
78 |
72 |
66 |
61 |
56 |
50 |
45 |
41 |
35 |
33 |
29 |
26 |
22 |
19 |
16 |
13 |
10 |
- |
|
7 |
100 |
92 |
86 |
79 |
73 |
67 |
62 |
57 |
52 |
47 |
43 |
39 |
35 |
31 |
28 |
25 |
22 |
18 |
15 |
12 |
11 |
|
8 |
100 |
92 |
86 |
80 |
74 |
68 |
63 |
58 |
54 |
49 |
45 |
41 |
37 |
33 |
30 |
27 |
25 |
21 |
18 |
15 |
14 |
|
9 |
100 |
93 |
86 |
81 |
75 |
70 |
65 |
60 |
55 |
51 |
47 |
43 |
39 |
35 |
32 |
29 |
27 |
24 |
21 |
18 |
17 |
|
10 |
100 |
94 |
87 |
82 |
76 |
71 |
66 |
61 |
57 |
53 |
48 |
45 |
41 |
38 |
34 |
31 |
28 |
26 |
23 |
21 |
19 |
|
11 |
100 |
94 |
88 |
82 |
77 |
72 |
67 |
62 |
58 |
55 |
50 |
47 |
43 |
40 |
36 |
33 |
30 |
28 |
25 |
23 |
20 |
|
12 |
100 |
94 |
88 |
82 |
78 |
73 |
68 |
63 |
58 |
56 |
52 |
48 |
44 |
42 |
38 |
35 |
32 |
30 |
27 |
25 |
22 |
|
13 |
100 |
94 |
88 |
83 |
78 |
73 |
69 |
64 |
61 |
57 |
53 |
50 |
46 |
43 |
40 |
37 |
34 |
32 |
29 |
27 |
24 |
|
14 |
100 |
94 |
89 |
83 |
79 |
74 |
70 |
65 |
62 |
58 |
54 |
51 |
47 |
45 |
41 |
39 |
36 |
34 |
31 |
29 |
26 |
|
15 |
100 |
94 |
89 |
84 |
80 |
75 |
71 |
67 |
63 |
59 |
55 |
52 |
49 |
46 |
43 |
41 |
37 |
35 |
33 |
31 |
28 |
|
16 |
100 |
95 |
90 |
84 |
80 |
76 |
72 |
67 |
64 |
60 |
57 |
53 |
50 |
48 |
44 |
42 |
39 |
37 |
34 |
32 |
30 |
|
17 |
100 |
95 |
90 |
84 |
81 |
76 |
73 |
68 |
65 |
61 |
58 |
54 |
52 |
49 |
46 |
44 |
40 |
39 |
36 |
34 |
31 |
|
18 |
100 |
95 |
90 |
85 |
81 |
76 |
74 |
69 |
66 |
62 |
59 |
56 |
53 |
50 |
47 |
45 |
42 |
40 |
37 |
35 |
33 |
|
19 |
100 |
95 |
91 |
85 |
82 |
77 |
74 |
70 |
66 |
63 |
60 |
57 |
54 |
51 |
48 |
46 |
43 |
41 |
39 |
37 |
34 |
|
20 |
100 |
95 |
91 |
86 |
82 |
78 |
75 |
71 |
67 |
64 |
61 |
58 |
55 |
53 |
49 |
47 |
44 |
43 |
40 |
38 |
36 |
|
21 |
100 |
95 |
91 |
86 |
83 |
79 |
75 |
71 |
68 |
65 |
62 |
59 |
56 |
54 |
51 |
49 |
46 |
44 |
41 |
38 |
37 |
|
22 |
100 |
95 |
91 |
87 |
83 |
79 |
76 |
72 |
69 |
65 |
63 |
60 |
57 |
55 |
52 |
50 |
47 |
45 |
42 |
40 |
38 |
|
23 |
100 |
96 |
91 |
87 |
83 |
80 |
76 |
72 |
69 |
66 |
63 |
61 |
58 |
56 |
53 |
51 |
48 |
46 |
43 |
41 |
39 |
|
24 |
100 |
96 |
92 |
88 |
84 |
80 |
77 |
73 |
70 |
67 |
64 |
62 |
59 |
56 |
53 |
52 |
49 |
47 |
44 |
42 |
40 |
|
25 |
100 |
96 |
92 |
88 |
84 |
81 |
77 |
74 |
70 |
68 |
65 |
63 |
59 |
58 |
54 |
52 |
50 |
47 |
45 |
44 |
42 |
1. Перед опрессовкой обмоток, необходимо составить и подготовить схему подсоединения, эскизы установки гидравлических домкратов и эскизы нестандартной специальной оснастки. При опрессовке следует руководствоваться данными табл. П 4.1 для пересчета давления масла в системе на усилие, создаваемое гидравлическим домкратом. Таблица П 4.1 составлена для двух гидравлических домкратов с рабочими диаметрами цилиндра 93 и 110 мм.
При использовании гидравлических домкратов с другим рабочим диаметром цилиндра необходимо составить соответствующую таблицу, используя формулу
F = P∙S,
где: F - сила давления гидравлического домкрата, Н;
Р - давление масла в системе, МПа;
S - площадь поперечного сечения цилиндра применяемого гидравлического домкрата (см2), рассчитана по формуле
![]()
где: d - рабочий диаметр цилиндра гидравлического домкрата, см.
Примечание. Указанные выше требования действительны для однокамерных гидравлических домкратов.
2. В зависимости от наличия оборудования и условий ремонта, опрессовку обмоток выполнять одним из двух способов:
- в один прием с применением полного комплекта (4-8 шт.) гидравлических домкратов (количество домкратов в комплекте определяется количеством нажимных винтов на обмотке);
- последовательно, в несколько приемов, с применением двух гидравлических домкратов.
Таблица П 4.1
Пересчет давления масла в системе на усилие, создаваемое гидравлическим домкратом
|
Давление масла в системе, МПа (кгс/см2) |
Усилие опрессовки, Н, создаваемое гидравлическим домкратом с диаметром цилиндра |
|
|
наружным - 115 мм, рабочим - 93 мм |
наружным - 130 мм, рабочим- 110 мм |
|
|
1,0 (10) |
6600 |
8700 |
|
1,5 (15) |
10000 |
13200 |
|
2,0 (20) |
13230 |
17800 |
|
2,5 (25) |
16600 |
22000 |
|
3,0 (30) |
20000 |
25000 |
|
3,5 (35) |
23000 |
31000 |
|
4,0 (40) |
26500 |
35000 |
|
4,5 (45) |
30000 |
39500 |
|
5,0 (50) |
33000 |
43700 |
|
5,5 (55) |
36800 |
48200 |
|
6,0 (60) |
40000 |
52000 |
|
6,5 (65) |
43600 |
57000 |
|
7,0 (70) |
46000 |
61000 |
|
7,5 (75) |
50000 |
66000 |
|
8,0 (80) |
53000 |
70000 |
|
8,5 (85) |
56500 |
75000 |
|
9,0 (90) |
60000 |
79100 |
|
9,5 (95) |
63000 |
84000 |
|
10,0 (100) |
66500 |
87800 |
|
10,5 (105) |
70500 |
92000 |
|
11,0 (110) |
74000 |
93500 |
|
11,5 (115) |
77000 |
100000 |
|
12,0 (120) |
80000 |
106000 |
|
12,5 (125) |
84000 |
108500 |
|
13,0 (130) |
87000 |
110000 |
|
13,5 (135) |
90000 |
116500 |
|
14,0 (140) |
93000 |
122000 |
|
14,5 (145) |
95000 |
126000 |
|
15,0 (150) |
100000 |
130000 |
|
15,5 (155) |
102000 |
134000 |
|
16,0 (160) |
106000 |
139000 |
|
16,5 (165) |
110000 |
144000 |
|
17,0 (170) |
114000 |
148000 |
|
17,5 (175) |
118000 |
152000 |
|
18,0 (180) |
122000 |
156000 |
|
18,5 (185) |
126000 |
160000 |
|
19,0 (190) |
130000 |
164000 |
|
19,5 (195) |
134000 |
168000 |
|
20,0 (200) |
138000 |
172000 |
|
20,5 (205) |
142000 |
176000 |
|
21,0 (210) |
146000 |
180000 |
|
21,5 (215) |
150000 |
184000 |
|
22,0 (220) |
154000 |
188000 |
|
22,5 (225) |
158000 |
192000 |
|
23,0 (230) |
162000 |
196000 |
|
23,5 (235) |
166000 |
200000 |
|
24,0 (240) |
170000 |
204000 |
|
24,5 (245) |
174000 |
208000 |
|
25,0 (250) |
178000 |
212000 |
|
25,5 (255) |
182000 |
216000 |
|
26,0 (260) |
186000 |
220000 |
|
26,5 (265) |
190000 |
224000 |
|
27,0 (270) |
194000 |
230000 |
|
Примечание. Указанные выше требования действительны для однокамерных гидравлических домкратов. |
||
Первый способ опрессовки обмоток следует применять в случае демонтажа съемной части бака (колокола) или подъема активной части трансформатора.
Второй способ опрессовки обмоток следует применять в случае, когда доступность к активной части без демонтажа или с демонтажем отдельных узлов (высоковольтных вводов, коробок вводов НН, технологических люков) такова, что позволяет поочередно устанавливать два (по одному с двух диаметрально противоположных сторон обмотки) гидравлических домкрата к каждому нажимному винту.
Примечание. Второй способ опрессовки применяется в исключительных случаях при отсутствии необходимого количества гидродомкратов.
3. Проверка работоспособности гидродомкратов и гидросистемы.
Собрать схему, как указано на рис. П 4.1.

1 - отсечной кран; 2 - манометр; 3 - магистральный шланг; 4 - распределительные шланги; 5 - маслостанция; 6 - вентиль сброса давления; 7 - скоба для испытания гидравлических домкратов
Рис. П 4.1. Схема проверки работоспособности гидродомкратов и гидросистемы.
Для исключения попадания воздуха в гидравлическую систему сборку трубопроводов выполнить следующим образом:
- подсоединить шланг к насосной станции (насосу) и распределительную коробку к шлангу;
- создать уклон подсоединительного шланга для свободного выхода воздуха через открытые отверстия распределительной коробки;
- подсоединить к распределительной коробке шланги высокого давления и прокачать маслом;
- заполнить гидравлические домкраты маслом до выхода поршня на 30-35 мм (временно подсоединив их к шлангам). Отсоединить гидравлические домкраты от шлангов. Нажатием на поршень (при повернутом домкрате ниппелем вверх) вытеснить из гидравлического домкрата воздух и масло. При слабом вытекании масла из ниппеля гидравлического домкрата и шланга, подсоединить гидравлические домкраты к шлангу.
Поместить гидравлические домкраты в специальную скобу, как указано на рис. П 4.1. Проверить работу схемы, создав давление на 5-6 МПа больше рабочего давления при опрессовке, выдержать при этом давлении 10 мин. Если при проверке будут выявлены течи в системе, то после устранения течей проверку повторить.
I. Сушка индукционными потерями в собственном баке.
Индукционная обмотка для прогрева трансформаторов выполняется из медного или алюминиевого проводов, намотанных на бак. Для увеличения КПД, бак следует предварительно утеплить негорючим материалом (асбокартон или асботкань). Для поддержания витков обмотки в нужном положении их необходимо укладывать в пазы деревянных реек, установленных вокруг бака трансформатора на расстоянии друг от друга не более 500 мм. Обмотка должна располагаться как можно ближе к стенке бака. С этой целью рейку следует выбирать сечением не более 50´50 мм с пазами по всей высоте. Количество пазов зависит от общего количества витков обмотки. Глубина и ширина паза должна соответствовать диаметру провода, вкладываемого в паз. Обмотка может быть однофазного или трехфазного исполнения.
Расчет намагничивающей обмотки. Расчет мощности, тока и числа витков намагничивающей обмотки производят следующим образом:
1. Потребляемая мощность Р, необходимая для сушки:
Р = 5Fб (100 - tокр.среды)∙10-3, кВт - для утепленного бака;
Р = 12 Fб (100 - tокр.среды)∙10-3, кВт - для неутепленного бака,
где: Fб - полная поверхность бака, м2.
2. Поверхность бака F0 на которую наматывается намагничивающая обмотка, м2:
F0 = H0 Пб, м2,
где: Н0 - высота бака, на которую наматывается намагничивающая обмотка, м;
Пб - периметр бака, м.
3. Удельная поверхностная мощность DР, кВт/м2:
![]()
4. Для данного DР по табл. П 5.1 находят ампер-витки (А) на 1 см высоты Н0, на которую наматывается обмотка, а также величину К.
Таблица П 5.1
Вспомогательная таблица для расчета намагничивающей обмотки для сушки трансформаторов III и IV габаритов с толщиной стенок бака 6 мм и выше.
|
DР, кВт/м2 |
А |
К |
DР, кВт/м2 |
А |
К |
DР, кВт/м2 |
А |
К |
|
0,2 |
6,5 |
3,87 |
1,25 |
31,0 |
1,81 |
2,3 |
45,8 |
1,46 |
|
0,4 |
11,5 |
2,82 |
1,30 |
31,8 |
1,79 |
2,4 |
46,9 |
1,44 |
|
0,6 |
16,5 |
2,52 |
1,35 |
32,5 |
1,77 |
2,5 |
48,0 |
1,42 |
|
0,75 |
19,5 |
2,33 |
1,4 |
33,5 |
1,74 |
2,6 |
49,1 |
1,41 |
|
0,8 |
20,5 |
2,26 |
1,45 |
34,5 |
1,71 |
2,7 |
50,2 |
1,39 |
|
0,85 |
22 |
2,18 |
1,5 |
35,5 |
1,68 |
2,8 |
51,3 |
1,38 |
|
0,9 |
23,5 |
2,12 |
1,6 |
36,5 |
1,65 |
2,9 |
52,3 |
1,36 |
|
0,95 |
24,5 |
2,07 |
1,7 |
38,0 |
1,62 |
3,0 |
53,3 |
1,34 |
|
1,0 |
25,5 |
2,02 |
1,8 |
39,5 |
1,59 |
3,25 |
56,0 |
1,31 |
|
1,05 |
26,7 |
1,97 |
1,9 |
41,0 |
1,56 |
3,5 |
58,2 |
1,28 |
|
1,1 |
28 |
1,92 |
2,0 |
42,3 |
1,54 |
3,75 |
60,6 |
1,25 |
|
1,15 |
29 |
1,88 |
2,1 |
43,4 |
1,51 |
4,0 |
63,2 |
1,22 |
|
1,2 |
30 |
1,84 |
2,2 |
44,6 |
1,49 |
- |
- |
- |
5. Необходимое число витков w намагничивающей обмотки:
![]()
где: U - напряжение, подводимое к намагничивающей обмотке, В
6. Ток I в намагничивающей обмотке, А:
![]()
где: cos j - коэффициент мощности, принимаемый равным 0,7, или:
![]()
где: А - брать из табл. П 5.1,
Н0 - высота, на которую наматывается обмотка, м.
7. Сечение провода для намагничивающей обмотки sпр, мм2:
![]()
где: D - плотность тока, которую принимают равной 3,5¸5,0 А/мм2.
Для трансформаторов средних и больших мощностей напряжение, подводимое к намагничивающей обмотке - 220 или 380 В, а для трансформаторов небольших мощностей - 50-100 В (от сварочных трансформаторов).
Приведенный выше расчет намагничивающей обмотки является приближенным и в этой связи у обмотки делается одно или два ответвления (см. схемы на рис. П 5.1.а и П 5.1.б).
Окончательное количество витков устанавливается после пробного включения намагничивающей обмотки под напряжение.
|
|
|
|
а - схема намагничивающей обмотки; |
б - распределение намагничивающей обмотки на баке. |
Рис. П 5.1. Намагничивающая обмотка для сушки индукционными потерями в собственном баке.
Для получения равномерного распределения температуры внутри бака, намагничивающую обмотку у трансформаторов средней и большой мощностей следует размещать неравномерно по высоте бака, а именно: 60-70% всех витков наматывать на нижнюю часть бака (на половину его высоты, считая снизу), а остальные 30-40% витков - в верхней части бака, отступя на 200 мм вниз от радиаторных кранов (рис. П 5.1). 20-25% высоты в середине бака остаются свободными от витков. Дно бака в процессе сушки рекомендуется подогревать снаружи воздуходувками или электропечами.
Перед установкой активной части в бак, его внутреннюю поверхность следует тщательно очистить, удалить остатки масла и протереть ветошью, не оставляющей ворса. Если сушка производится под вакуумом, бак следует герметично закрыть крышкой.
Предварительно внутри на активную часть необходимо установить термопары, а снаружи бака - термометры (рис. П 5.2).
Для ускорения процесса сушки и повышения надежности, сушку активных частей трансформаторов рекомендуется производить под вакуумом. Сушка под вакуумом обязательна для трансформаторов классов напряжения 220 кВ и выше.

№№ 1, 2, 3 - термопары; №№ 4, 5, 6, 7 - термометры.
Рис. П 5.2. Установка термопар внутри бака при сушке.
Процесс сушки в собственном баке под вакуумом. После выполнения всей указанной выше подготовительной работы, необходимо собрать вакуумную установку по схеме на рис. П 5.3 и, запуская вакуум-насос, плавно поднять вакуум в баке. По мере подъема вакуума, выявить места неуплотнений и, если таковые обнаружатся, устранить их.

1 - трансформатор; 2 - намагничивающая обмотка; 3 - пароохладитель; 4 - сборник конденсата; 5 - вакуумметр; 6 - редукционный вентиль; 7 - вакуум-насос.
Рис. П 5.3. Схема вакуумной установки для сушки под вакуумом.
Замерить мегаомметром 1000 В сопротивление изоляции обмоток по отношению к корпусу и между собой. Данные замеров занести в журнал сушки, в котором необходимо отмечать время начала сушки, а также замеры всех температур через определенные промежутки времени. Включить намагничивающую обмотку на первую ступень, т. е. на все витки.
Наращивание температуры внутри бака должно быть не более 40°С в час. По достижении температуры бака 100-105°С намагничивающую обмотку переключают на вторую ступень (т.е. на меньшее число витков), при которой и ведется сушка.
В момент достижения температуры обмоток 60°С, вакуум медленно поднять до 10-15 мм рт. ст. и поддерживать на этом уровне в течение 3 ч. Затем вакуум-насос выключить, но вакуум не снимать. При достижении температуры обмоток 95-100°С, вакуум снова поднять до 10-15 мм рт. ст., а затем через каждый час увеличивать его на 5 мм рт. ст. Однако вакуум не должен быть выше 30-35 мм рт. ст.
Температура активной части не должна превышать 95-100°С, а бака - 115-120°С.
Процесс сушки должен контролироваться дежурным из числа квалифицированных рабочих.
Сушка считается законченной, если сопротивление изоляции обмоток при установившейся температуре и постоянной величине вакуума не меняется в течение 5-6 часов, а также, если в течение этого времени величина выделившегося конденсата не превышает 3-5 г/час на каждую тонну заливаемого в трансформатор масла.
По окончании сушки температуру внутри бака следует снизить до 80°С и залить трансформатор сухим чистым маслом под вакуумом через нижний кран бака с помощью насоса. Температура масла должна быть не ниже 10°С для трансформаторов класса напряжения 110-150 кВ, 45°С для трансформаторов класса напряжения 220-330 кВ и 55°С для трансформаторов 500 кВ и выше.
II. Сушка токами нулевой последовательности.
Принцип сушки. Сушка токами нулевой последовательности основана на нагреве активной части трансформатора за счет потерь на вихревые токи, которые возникают в ее массивных стальных конструкциях, а также в стенках самого бака при их намагничивании. Для этого обмотки трансформатора (безразлично ВН или НН) надо соединить так, чтобы магнитные потоки, создаваемые протекающими по ним токами, совпадали во всех стержнях магнитопровода как по величине, так и по направлению.
В этом случае силовые линии магнитного поля будут замыкаться через стержни на воздух, стенки бака и обратно на стержни.
Схемы получения магнитного потока нулевой последовательности. На рис. П 5.4.а-ж даны схемы сушки токами нулевой последовательности для трехфазных и однофазных стержневых трансформаторов при разных схемах соединения их обмоток.

Рис. П 5.4. Схемы сушки токами нулевой последовательности:
а - при соединении трехфазного трансформатора по схеме звезда-звезда с нулем; б - при соединении по схеме звезда-открытый треугольник; в - при соединении по схеме открытый треугольник-звезда с нулем; г, д - однофазный трансформатор с обмотками одного направления; е, ж - то же с обмотками разных направлений.
Броневые трансформаторы, а также стержневые с разветвленной магнитной цепью сушить током нулевой последовательности нельзя, так как магнитный поток у этих трансформаторов всегда, при любых соединениях, будет замыкаться по магнитопроводу.
Если трехфазный стрежневой трансформатор имеет схему соединения звезда-звезда, то (рис. П 5.4.а) для сушки током нулевой последовательности необходимо закоротить все три фазных вывода любой обмотки (ВН или НН) и подать напряжение между нулевым и закороченными фазными выводами. Другая обмотка остается при этом открытой (не закороченной).
В случае отсутствия нулевого вывода, следует сделать временный нулевой вывод.
При соединении звезда-треугольник для получения магнитного потока нулевой последовательности необходимо разъединить треугольник и подать напряжение в рассечку треугольника, оставляя звезду открытой (рис. П 5.4.б), или же треугольник оставить разъединенным, а звезду закоротить и подать напряжение между закороченным выводом и нулем (рис. П 5.4.в).
При сушке током нулевой последовательности однофазных двухстержневых трансформаторов следует осуществлять схемы (рис. П 5.4.г-ж) в зависимости от направленности обмоток.
Определение параметров для сушки токами нулевой последовательности.
1. Опытным путем необходимо определить сопротивление нулевой последовательности Z0, для чего в зависимости от соединения обмоток трансформатора собрать схему нулевой последовательности (рис. П 5.4.а-ж) и на зажимы схемы подать от сварочного трансформатора напряжение U порядка 60-100 В. Замерить величины напряжения U и тока I, тогда сопротивление нулевой последовательности, Ом:
![]()
2. Рассчитать напряжение нулевой последовательности, В:
U0 = I0 Z0,
где: ток I0 берется равным току холостого хода Iх.х. по паспорту трансформатора.
3.
Подбирается имеющееся на месте напряжение
близкое к напряжению нулевой
последовательности U0 и по
нему рассчитывается окончательно ток нулевой последовательности
, А:
![]()
4. Мощность, необходимая для сушки, (Р0), В·А:
а) для трехфазных трансформаторов, рис. П 5.4.а и П 5.4.в:
![]()
б) для однофазных трансформаторов по схемам рис. П 5.4.г и П 5.4.е:
![]()
в) для однофазных трансформаторов по схемам рис. П 5.4.д и П 5.4.ж и для трехфазных трансформаторов, рис. П 5.4.б:
![]()
Процесс сушки. Обмотки активной части соединить по соответствующей схеме нулевой последовательности, и после соединения активную часть поместить в бак, установить приборы измерения температур и закрыть бак. Подать на зажимы схемы напряжение нулевой последовательности и начать сушку, предварительно замерив сопротивление изоляции обмоток по отношению к корпусу и между собой, а также все температуры, напряжение и ток. Данные замеров занести в журнал сушки.
Процесс сушки должен контролироваться дежурным из числа квалифицированных рабочих.
Таблица П 6
|
№ п/п |
Обозначение документа |
Наименование документа |
|
1. |
Правила устройства и безопасной эксплуатации грузоподъемных кранов, утверждены постановлением Госгортехнадзора России от 31.12.99 г. № 98. |
|
|
2. |
Межотраслевые правила по охране труда при окрасочных работах. |
|
|
3. |
Правила по охране труда на предприятиях и в организациях машиностроения. |
|
|
4. |
Правила пожарной безопасности в Российской Федерации. |
|
|
5. |
Пожарная техника для защиты объектов. Основные виды. Размещение и обслуживание. |
|
|
6. |
ГОСТ 3484.1-88 |
Трансформаторы силовые. Методы электромагнитных испытаний. |
|
7. |
ГОСТ 6581-75 |
Материалы электроизоляционные жидкие. Методы электрических испытаний. |
|
78. |
ГОСТ 7822-75 |
Масла нефтяные. Метод определения растворенной воды |
|
9. |
ГОСТ 11677-85 |
Трансформаторы силовые. Общие технические условия. |
|
10. |
Маркировка грузов |
|
|
11. |
Электрооборудование переменного тока на напряжения от 3 до 500 кВ. Требования к электрической прочности изоляции. |
|
|
12. |
Требования к устройству и безопасной эксплуатации. |
|
|
13. |
Инструкция по безопасному производству работ грузоподъемными машинами. |
|
|
14. |
РД 16.363-87 |
Трансформаторы силовые. Транспортирование, разгрузка, хранение, монтаж и ввод в эксплуатацию. М., ВНИИЭ, 1980. |
|
15. |
РД 34.03.301-97 |
Правила пожарной безопасности для электроэнергетических предприятий. |
|
16. |
Объем и нормы испытания электрооборудования. Издание шестое, М.: ЭНАС, 2001. |
|
|
17. |
РД 153-34.0-03.150-00 |
Межотраслевые правила по охране труда (правила безопасности) при эксплуатации электроустановок ПОТ РМ 016-2001. |
|
18. |
Типовая инструкция по охране труда для электросварщиков. |
|
|
19. |
РД 153-34.0-03.299/4-2001 |
Типовая инструкция по охране труда при работе с ручным электроинструментом. |
|
20. |
РД 153-34.0-03.299/5-2001 |
Типовая инструкция по охране труда при работе с ручным слесарным инструментом. |
|
21. |
(РДПр 34-38-030-99) |
Правила организации технического обслуживания и ремонта оборудования, зданий и сооружений электростанций и сетей. Москва, ОАО «ЦКБ Энергоремонт», 2003. |
|
22. |
СО 34.10.396-2005 |
Трансформаторы силовые масляные. Нормы расхода материалов для ремонта. Москва, ОАО «ЦКБ Энергоремонт», 2005. |
|
23. |
СО 34.20.608-2003 (РД 153-34.0-20.608-2003) |
Методические указания. Проект производства работ для ремонта энергетического оборудования электростанций. Требования к составу, содержанию и оформлению. Москва, ОАО «ЦКБ Энергоремонт», 2003. |
|
24. |
СО 34.46.611-2005 |
Типовая технологическая инструкция. Ремонт высоковольтных вводов классов напряжения 35 кВ и выше. М., ОАО «ЦКБ Энергоремонт», 2005. |
|
25. |
СО 153-34.20.120-2003 |
Правила устройства электроустановок. |
|
26. |
Правила технической эксплуатации электростанций и сетей. |
|
|
27. |
СО 153-34.46.501 (РД 34.46.501) |
Инструкция по эксплуатации трансформаторов. |
|
ГОСТЫ, СТРОИТЕЛЬНЫЕ и ТЕХНИЧЕСКИЕ НОРМАТИВЫ. Некоммерческая онлайн система, содержащая все Российские Госты, национальные Стандарты и нормативы. В Системе содержится более 150000 файлов нормативно-технической документации, действующей на территории РФ. Система предназначена для широкого круга инженерно-технических специалистов. Copyright © www.gostrf.com, 2008 - 2026 |