|
|
|
Общероссийский общественный фонд «ЦЕНТР КАЧЕСТВА СТРОИТЕЛЬСТВА» Санкт-Петербургское отделение
Руководство по контролю качества строительно-монтажных работ Санкт- Петербург Издательство КN 1998 В настоящем Руководстве приведены извлечения из нормативных федеральных и ведомственных документов (ГОСТ, СНиП, ТУ и др.) по состоянию на 1 января 1998 г., содержатся требования к общестроительным и специальным строительно-монтажным работам, качеству основных видов строительных материалов, изделий, конструкций и дан порядок осуществления контроля качества и приемки работ, а также испытания и хранения стройматериалов. Кроме того, рассматриваются геодезические работы. Издание включает в себя технические правила, контролируемые параметры и нормируемые допуски, которые должны быть соблюдены при выполнении строительно-монтажных работ, и состоит из трех частей: часть I. Общестроительные работы; часть II. Специальные строительные работы; часть III Строительные материалы и изделия. Руководство предназначено для организаций и фирм, занимающихся проектированием и строительством объектов производственного и непроизводственного (гражданского) назначения, для специалистов государственного и технического надзора, заказчиков-застройщиков, подрядных строительных организаций и предприятий строительной индустрии, а также для инженерно-технического состава, непосредственно занятого на строительной площадке. Издание также может представить интерес для инвесторов, в том числе зарубежных, и для страховых компаний, страхующих строительный риск на стадии проекта и ведения работ. Содержание ВВЕДЕНИЕКачество строительства - комплексная проблема, включающая в себя соблюдение требований строительных норм и правил, государственных стандартов всеми участниками строительного процесса: проектировщиками, заказчиками и подрядчиками, что является залогом долговечности и эксплуатационной надежности возведенных зданий и сооружений, их экологической чистоты, безопасности для людей и, в конечном счете, экономичности при эксплуатации. Но, несмотря на резкое снижение объемов капитального строительства, количество аварий и обрушений конструкций на строящихся и реконструируемых объектах не сокращается. Отдельные объекты уже в первые годы эксплуатации требуют проведения крупномасштабных ремонтно-восстановительных работ, вызванных, прежде всего, потерей прочности, устойчивости или снижением надежности несущих конструкций. В своих постановлениях и распоряжениях по вопросам повышения качества строительной продукции Минстрой России постоянно требует повысить качество и эффективность строительства зданий и сооружений. Существующая многоступенчатая система контроля качества в строительной отрасли, включающая в себя: входной контроль качества применяемых строительных материалов, конструкций и оборудования; операционный контроль качества строительно-монтажных работ и соблюдения основных технологических регламентов; приемочный контроль законченных тератологических этапов, отдельных видов работ и объектов в целом; технический надзор заказчика; авторский надзор проектной организации; государственный архитектурно-строительный надзор, не обеспечивает эффективного противодействия браку, недоделкам и дефектам в строительстве. Проблема качества общестроительных работ многогранна и для ее решения необходимо последовательное выполнение следующих мероприятий: - повышение роли и ответственности проектировщиков в обеспечении высокого технического уровня и качества проектов; - создание службы управления качеством и перестройка службы технического контроля качества продукции на промышленных предприятиях; - обеспечение и выполнение строительно-монтажных работ (СМР), полностью отвечающих нормативным требованиям СНиП и проектов; - повышение качества подготовки специалистов по вопросам управления качеством строительной продукции. Чтобы возводить или реконструировать здания и сооружения с высоким качеством, необходимо знать технические условия и требования к качеству строительно-монтажных работ, установленные СНиП. Для обеспечения качества специальных строительно-монтажных работ необходимо соблюдать следующие основополагающие условия: - высокое качество проектов, их современный технический уровень; - обеспечение и выполнение самих строительно-монтажных работ, отвечающих нормативным требованиям СНиП, ГОСТ, ТУ, проектов с использованием современных требований по надзору и мониторингу; - создание службы управления качеством строительной продукции; - подготовка специалистов. Первая часть Руководства содержит рекомендации по организации и осуществлению контроля качества и позволяет оперативно ориентироваться по основным параметрам действующих нормативных документов на основные виды строительно-монтажных и специальных работ, строительных материалов, изделий и конструкций. В этой же части рассматривается порядок осуществления геодезического контроля точности и приемки различных видов геодезических работ, а именно: - создание разбивочной геодезической основы для строительства; - выполнение детальной разбивки сооружений; - геодезический контроль точности выполнения строительно-монтажных работ; - исполнительные съемки возведенных элементов зданий или сооружений. Вторая часть Руководства содержит требования нормативных документов (СНиП, ГОСТ, ТУ и др.) к качеству выполнения специальных строительных работ (по состоянию на 1.01.98 г.). В настоящем издании приведены следующие разделы: закрепление грунтов, возведение земляного полотна, устройство оснований и покрытий на основе органических и неорганических вяжущих, буровзрывные работы, возведение опускных колодцев и сооружений способом «стена в грунте», монтаж стальных и деревянных конструкций производственного назначения, зашита конструкций от коррозии, возведение подземных сооружений, автомобильных дорог, железнодорожных путей и мостов, акустическая защита и герметизация сооружений, гидротехнические работы. В третьей части Руководства рассмотрена номенклатура важнейших групп строительных материалов и изделий и приведены основные требования, предъявляемые к ним. В издании освещены существующие технические правила и положения, необходимые для правильной оценки свойств строительных материалов. Учитывая преобладание объема реконструкции над новым строительством, в Руководстве обращено внимание на специфику этих работ. К сожалению, нормативные документы, регламентирующие контроль качества работ при реконструкции, отсутствуют. В силу этого для информации в издании приводится материал по системе мониторинга и надзора за строительством в трактовке требований Единых Европейских норм (ЕВРОКОДОВ). Это позволит более обоснованно решать спорные вопросы с иностранными фирмами, которые на сегодняшний день участвуют во всех этапах строительного процесса в России (проектирование, ведение работ, выполнение функций инвестора и заказчика). Руководство одобрено Главной инспекцией Госархстройнадзора России и Общероссийским общественным фондом «Центр качества строительства», его отделением в Санкт-Петербурге и предназначено для специалистов, занятых в сфере контроля качества строительно-монтажных работ, строительных материалов, изделий и конструкций, геодезического контроля, технического и авторского надзоров, Госархстройнадзора, для инженерно-ведущих работы в России. Санкт-Петербургское отделение Общероссийского общественного фонда «Центр качества строительства» готово рассмотреть любые Ваши предложения и пожелания для дальнейшей работы над Руководством при повторном его издании. Отделение также готово рассмотреть предложения юридических и физических лиц по оказанию услуг в распространении и реализации Руководства среди заинтересованных организаций. По всем интересующим Вас вопросам просьба обращаться по адресу: 198013, г. Санкт-Петербург, Подъездной пер., д. 15. Общероссийский общественный фонд «Центр качества строительства», Санкт-Петербургское отделение. Контактные телефоны: (812)277-64-47 (812)278-48-66 Факсы: (812)466-26-89 (812)316-15-77 Часть I
|
|||||||||||||||||||||||||||||||||||||||||||||||||||||||||||||||||||||||||||||||||||||||||||||||||||||||||||||||||||||||||||||||||||||||||||||||||||||||||||||||||||||||||||||||||||||||||||||||||||||||||||||||||||||||||||||||||||||||||||||||||||||||||||||||||||||||||||||||||||||||||||||||||||||||||||||||||||||||||||||||||||||||||||||||||||||||||||||||||||||||||||||||||||||||||||||||||||||||||||||||||||||||||||||||||||||||||||||||||||||||||||||||||||||||||||||||||||||||||||||||||||||||||||||||||||||||||||||||||||||||||||||||||||||||||||||||||||||||||||||||||||||||||||||||||||||||||||||||||||||||||||||||||||||||||||||||||||||||||||||||||||||||||||||||||||||||||||||||||||||||||||||||||||||||||||||||||||||||||||||||||||||||||||||||||||||||||||||||||||||||||||||||||||||||||||||||||||||||||||||||||||||||||||||||||||||||||||||||||||||||||||||||||||||||||||||||||||||||||||||||||||||||||||||||||||||||||||||||||||||||||||||||||||||||||||||||||||||||||||||||||||||||||||||||||||||||||||||||||||||||
|
Характеристика объектов строительства |
Величины средних квадратических погрешностей построения разбивочной сети строительной площадки |
||
|
угловые измерения, |
линейные измерения |
определение превышения на 1 км хода, мм |
|
|
Предприятия и группы зданий (сооружений) на участках площадью более 1 км2; отдельно стоящие здания (сооружения) с площадью застройки более 100 тыс. м2 |
3 |
|
4 |
|
Предприятия и группы зданий (сооружений) на участках площадью менее 1 км-; отдельно стоящие здания (сооружения) с площадью застройки от 10 до 100 тыс. м2 |
5 |
|
6 |
|
Отдельно стоящие здания (сооружения) с площадью застройки менее 10 тыс. м дорога, инженерные сети в пределах застраиваемых территорий |
10 |
|
10 |
|
Дороги, инженерные сети вне застраиваемых территорий: земляные сооружения, в том числе вертикальная планировка |
30 |
|
15 |
7. Точность угловых, линейных и высотных измерений, выполняемых при построении внешней разбивочной сети здания или сооружения и при выносе основных или главных разбивочных осей, должна соответствовать величинам допустимых средних квадратических погрешностей, приведенных в табл. 2.
8. Пункты геодезической разбивочной основы надлежит закреплять постоянными и временными геодезическими знаками в зависимости от сроков проведения строительных работ.
Створы основных или главных разбивочных осей зданий (сооружений) следует закреплять на обноске и на грунтовых створных знаках, вид которых приведен в Приложении 6.
(СНиП 3.01.03-84, таблица 2)
|
Характеристика зданий, сооружений, строительных конструкций |
Величины средних квадратических погрешностей построения внешней и внутренней разбивочных сетей здания (сооружения) и других разбивочных работ, |
||
|
угловые измерения |
линейные измерения |
определение превышения на станции, мм |
|
|
Металлические конструкции с фрезерованными контактными поверхностями; сборные железобетонные конструкции, монтируемые методом самофиксации в узлах; сооружения высотой свыше 100 до 120 м или с пролетами свыше 30 до 36 м |
5 |
|
1 |
|
Здания свыше 15 этажей, сооружения высотой свыше 60 до 100 м или с пролетами свыше 18 до 30 м |
10 |
|
2 |
|
Здания свыше 5 до 15 этажей, сооружения высотой свыше 15 до 60 м или с пролетами свыше 6 до 18 м |
20 |
|
2,5 |
|
Здания до 5 этажей, сооружения высотой до 15 м или с пролетами до 6 м |
30 |
|
3 |
|
Конструкции из дерева; инженерные сети, дороги, подъездные пути |
30 |
|
5 |
|
Земляные сооружения, в том числе вертикальная планировка |
45 |
|
10 |
9. Основные и главные оси закрепляются створными знаками в количестве не менее четырех на каждую ось, не считая знаков, закрепляющих точки пересечения осей.
10. Месторасположение створных знаков определяется сроками строительства, условиями сохранности знаков, застроенностью территории строительной площадки и видом
используемого в дальнейшем метода передачи точек и осей по вертикали.
11. Створы осей закрепляют на грунтовых створных знаках, закладываемых по два на каждом конце створа оси (рис. 1, а) или на обноске и грунтовых знаках (рис. 1, б). В стесненных условиях строительства закрепление осей следует выполнять стеновыми створными знаками, располагаемыми на существующих зданиях и на обноске или, вместо обноски, на грунтовых створных знаках (рис. 1, в).
12. Выполняя закрепления осей (рис. 1), следует:
- ближние к зданию грунтовые створные знаки и обноску располагать на
расстоянии
от
бровки котлована или от оси здания;
- дальние грунтовые створные знаки устанавливать на расстоянии
и
, где
- высота строящегося здания.
13. С завершением работ нулевого цикла створы основных или главных осей закрепляют на цоколе возводимого здания (сооружения).
14. Места закрепления разбивочных осей должны быть указаны на стройгенплане проекта организации строительства и в чертежах для производства работ по планировке и застройке строительной площадки.
15. Заказчик обязан создать геодезическую разбивочную основу для строительства и не менее чем за 10 дней до начала выполнения СМР передать поэтапно подрядчику техническую документацию на нее и закрепленные на площадке пункты основы, в том числе:
- знаки разбивочной сети строительной площадки;
- плановые (осевые) знаки внешней разбивочной сети здания (сооружения), а при ее отсутствии - знаки, используемые для закрепления разбивочных осей, с оформлением акта на разбивку осей и схемы закрепления осей (согласно Приложениям 7 и 8);
- плановые (осевые) знаки линейных сооружений, определяющие ось, начало, конец трассы, колодцы, закрепленные на прямых участках не менее чем через 0,5 км и на углах поворота трассы;
- нивелирные реперы, заложенные у возводимых зданий (сооружений) и вдоль осей инженерных сетей;
- каталога координат, высот и абрисы всех пунктов геодезической разбивочной основы.
16. Заказчик контролирует качество создания геодезической сети строительной площадки и разбивочных сетей


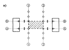
Рис. 1. Схемы закрепления основных осей здания:
а - на грунтовых створных знаках; 6- на грунтовых створных знаках и на обноске в - на грунтовых створных знаках, на обноске и на существующих зданиях (сооружениях), где:
-возводимое здание (сооружение);
существующее здание (сооружение);
грунтовый створный знак;
-обноска;
-стеновой
створный знак.
зданий (сооружений) посредством выборочных измерений 5-10 % параметров сетей (углов, длин сторон, превышений). Результаты контроля оформляются актом. Геодезические сети не могут быть приняты, если значение хотя бы одного из контролируемых параметров отличается от приведенного в отчете более, чем на 3т (где т - средняя квадратическая погрешность измерений, принимаемая по табл. 1 и 2). Результаты контроля и приемки геодезической сети оформляются для передачи подрядной строительной организации по акту (форма акта приведена в Приложении 9).
17. Принятые знаки геодезической разбивочной основы в процессе строительства должны находиться под наблюдением и проверяться инструментально не реже двух раз в год (в весенний и осенне-зимний периоды).
1 Разбивочные работы в процессе строительства выполняют с целью выноса в натуру от пунктов геодезической разбивочной основы с заданной точностью осей и отметок, обеспечивающих возведение здания с проектной документацией.
2. Все работы по детальной разбивке выполняются и контролируются в процессе строительства силами подрядчика. Со стороны заказчика должен проводиться выборочный контроль. Виды сооружений и конструкций, подлежащих контролю, объем контрольных измерений устанавливаются самим заказчиком в зависимости от практической необходимости. Выявленные в процессе контроля недостатки заносятся в журнал работ.
3. Точность геодезических разбивочных работ в процессе строительства принимается в зависимости от высоты сооружений и их конструктивных решений, руководствуясь данными, приведенными в табл. 2.
В случаях строительства по проектам, содержащим допуски на изготовление и возведение конструкций, не предусмотренных в табл. 2, придерживаются проектных требований.
4. Непосредственно перед выполнением разбивочных работ исполнитель должен проверить неизменность положения знаков разбивочной сети здания, сооружения путем повторных измерений элементов сети.
5. Детальная разбивка зданий и сооружений должна производиться на всех монтажных горизонтах и сочетаться с геодезическим контролем точности строительно-монтажных работ.
6. Детальная разбивка производится после производства земляных работ по отрывке котлована.
При устройстве фундамента зданий (сооружений), а также инженерных сетей разбивочные оси следует переносить на обноску или на другое устройство для временного закрепления осей. Основные оси переносят на обноску при помощи теодолита со знаком закрепления осей, промежуточные оси - способом линейных измерений. Оси на обноске закрепляют гвоздями, пропилами, краской, надписывая название оси.
Количество разбивочных осей, монтажных рисок, маяков, места их расположения, способ закрепления следует указывать в проекте производства работ или в проекте производства геодезических работ.
7. Правильность выполнения разбивочных работ должна проверяться путем проложения контрольных геодезических ходов (в направлениях, не совпадающих с принятыми при разбивке) с точностью не ниже, чем при разбивке.
Предельные (допустимые) отклонения 5 следует определять по формуле:
= t .m (1)
где t - величина, равная 2; 2,5; 3 (определяется при разработке ППГР), т - средняя квадратическая погрешность (принимается по табл. 2).
8 .Перенос осей с исходного горизонта на монтажный следует выполнять методами наклонного или вертикального проектирования (проецирования) в зависимости от высоты здания (сооружения) и его конструктивных особенностей. Положение осей на каждом монтажном горизонте должно закрепляться дюбелями, краской или рисками на металлических пластинках, замоноличенных в бетоне.
9. Выбор приборов и условий измерений, а также точность передачи точек и осей по вертикали должны соответствовать требованиям, изложенным в табл. 3.
Таблица 3
(СНиП 3.01.03-84, приложение 5)
|
Процессы, условия измерений, тип приборов |
Средние квадратические погрешности передачи точек, осей по вертикали, мм |
|
|
2 |
2,5 |
|
|
Высота проецирования, м |
До 15 |
Свыше 15 до 60 |
|
Центрирование прибора |
Оптическим центриром или нитяным отвесом |
Оптическим центриром |
|
Фиксация точек |
Карандашом на гладкой поверхности, палетке |
|
|
Минимальное расстояние от визирного луча до строительной конструкции, м |
0,2 |
|
|
Количество приемов, не менее |
1 |
|
|
Типы приборов или им равноточные |
ТЭО |
Т2, ПИЛ-1 |
10. Точность передачи точек внутренней разбивочной сети по вертикали контролируется сравнением величину угловых и линейных элементов ее между соответствующими пунктами исходого и монтажного горизонтов.
11. Высотная разбивка положения конструкций зданий (сооружений), а также перенесение отметок с исходного горизонта на монтажный должны выполняться методом геометрического нивелирования от реперов геодезической разбивочной основы. Количество реперов, от которых переносятся отметки, должно быть не менее двух.
12. При выполнении работ по перенесению отметок с исходного горизонта на монтажный отметки реперов на исходном горизонте здания принимаются неизменными независимо от осадок основания. Отступление от этого требования допустимо лишь только при наличии специальных обоснований в проекте.
13. Условия обеспечения точности передачи отметок по высоте должны соответствовать требованиям, изложенным в табл. 4.
Таблица 4
(СНиП 3.01.03-84, приложение 4)
|
Условия измерений, типы приборов |
Средние квадратические погрешности определения отметок на монтажном горизонте относительно исходного, мм |
|
|
3 |
4 |
|
|
Высота монтажного горизонта, м |
До 15 |
Свыше 15 до 60 |
|
Неравенство плеч на станции, м, не более |
5 |
|
|
Высота визирного луча над препятствием, м, не менее |
0,2 |
|
|
Методика работы |
Взятие отсчета на монтажном горизонте |
Одновременное взятие отсчетов на верхнем и нижнем горизонтах |
|
Типы нивелиров, реек, теодолитов или им равноточные |
Н-3 -и модификации, РН-3 |
|
|
Типы рулеток |
ОПК2-20 АНТ/I, ОПК2-30 АНТ/I, ОПК2-50 АНТ/I |
|
|
Натяжение рулеток, Н (КГС) |
100(10) |
|
Перенесенные на монтажный горизонт отметки должны быть в пределах отклонений, которые определяются по формуле 1, где т принимается по табл. 4.
За отметку монтажного горизонта, как правило, принимается среднее значение величин перенесенных отметок.
14. Результаты геодезических разбивочных работ должны фиксироваться по каждому участку работ и монтажному горизонту непосредственно на рабочих чертежах, используемых при разбивке, или путем составления схем закрепления осей и отметок.
15. В случае передачи отдельных частей здания (сооружения) от одной строительно-монтажной организации к другой необходимые для выполнения последующих геодезических работ знаки, закрепляющие оси, отметки, ориентиры и материалы исполнительных съемок должны быть переданы по акту.
1. В процессе возведения зданий (сооружений) или прокладки инженерных сетей должен вестись непрерывно геодезический контроль точности их геометрических параметров. Геодезический контроль проводится в целях проверки правильности установки монтируемых элементов и соблюдения строительно-монтажных допусков. Он является обязательной составной частью производственного контроля качества.
2. Геодезический контроль заключается в следующем:
- проверке соответствия положения элементов, конструкций и частей зданий (сооружений) и инженерных сетей проектным требованиям в процессе их монтажа и временного закрепления (при операционном контроле);
- исполнительной съемке планового и высотного положения элементов, конструкций и частей зданий (сооружений), постоянно закрепленных по окончании монтажа(установки, укладки), а также фактического положения подземных инженерных сетей.
Геодезическую основу контрольных измерений при установке конструкций в проектное положение должны составлять разбивочные оси и линии, им параллельные, установочные риски, реперы, марки и т. д. Перед началом контроля необходимо проверить неизменность положения ориентиров.
3. Контролируемые в процессе производства СМР геометрические параметры зданий (сооружений), методы геодезического контроля, порядок и объем его проведения должны быть установлены ППГР.
Геодезический контроль точности геометрических параметров зданий и сооружений на всех этапах строительства (точность выполнения СМР) следует осуществлять организациям, выполняющим эти работы.
4. При геодезическом контроле должно определяться фактическое положение продольных и поперечных осей или граней конструкций относительно разбивочных осей или линий, им параллельных.
Контроль положения конструкций сооружений в плане следует выполнять преимущественно непосредственным измерением расстояний между их осями (установочными и ориентирными рисками, применяя компарированные стальные рулетки или специальные шаблоны).
5. Высотный геодезический контроль должен обеспечивать положение опорных плоскостей конструкций, частей здания (сооружения) по высоте в соответствии с проектом в пределах заданных допусков.
Контроль положения конструкций сооружения по высоте следует выполнять, как правило, геометрическим нивелированием.
6. Погрешность измерений в процессе геодезического контроля точности геометрических параметров зданий (сооружений) должна быть не более 0,2 величины отклонений, допускаемых СНиП, ГОСТ или проектом:
(2)
где т - средняя геометрическая погрешность геодезических измерений; А - допускаемое предельное отклонение.
7. В процессе строительства должен проводиться пооперационный и выборочный геодезический контроль. Пооперационный контроль выполняется организацией, ведущей работы, а выборочный - представителями заказчика при приемке законченных видов или этапов работ.
Результаты геодезической проверки при операционном контроле должны быть зафиксированы в общем журнале работ с указанием величин отклонений монтируемых элементов от проектных размеров. Данные выборочного геодезического контроля должны отражаться в актах приемки выполненных работ. Объем выборочного контроля должен составлять не менее 10 % предъявляемых параметров.
Ниже изложены особенности проведения геодезического контроля точности выполнения наиболее распространенных видов СМР.
8. Геодезический контроль точности выполнения земляных работ включает проверку правильности планового и высотного положения земляных сооружений, соблюдения их размеров, форм, проектных уклонов и качества планировки поверхности. Положение земляных сооружений контролируется по главным и основным осям относительно геодезической разбивочной основы с одновременной проверкой линейных размеров сооружений.
Высотное положение сооружений контролируется с помощью нивелирования по
характерным точкам профилей сооружений относительно ближайших реперов
геодезической разбивочной основы. По разности отметок смежных точек профиля
и заложению между ними Д1-2 вычисляют по
формуле (3) действительные значения уклонов:
(3)
и сравнивают их с проектными. Отклонения не должны превышать допусков, приведенных в разделе «Земляные работы», часть I, настоящего Руководства.
9. Контроль точности фундаментов из монолитного бетона осуществляется на стадии установки и раскладки арматуры. Для этого перед бетонированием должно быть проверено положение всех элементов опалубки, арматуры и закладных деталей в плане и по высоте. Плановое положение опалубки проверяется путем промера расстояний стальной рулеткой от основных осей до внутренней поверхности щитов. Высотное положение опалубки проверяется нивелированием. Вертикальность опалубки проверяется отвесом. Плановое и высотное положение арматуры и закладных деталей контролируется промером рулеткой или рейкой относительно щитов опалубки, нижних и верхних монтажных плоскостей.
Допустимые отклонения при установке опалубки, арматуры приведены в разделе «Бетонные и железобетонные работы», часть I, настоящего Руководства.
10. При возведении ленточных фундаментов из сборных блоков вначале производится разметка положения маячных блоков (угловых и рядовых) через 15-20 м по периметру сооружения. Разметка производится с помощью шаблонов и проволоки, натягиваемой на осевые колья. По разметке маячные блоки монтируют и тщательно выверяют их вертикальность (по отвесу) и горизонтальность (под нивелир). Монтаж промежуточных блоков производится по шнуру, закрепленному на рейках по внешней плоскости маячных блоков на высоте 6-7 см от их верха. В процессе монтажа
блоков производится разбивка в плане (рулеткой) и по высоте (нивелиром или визиркой) отверстий для ввода коммуникаций, образуемых раздвижкой блоков. Каждый угловой ряд блоков нивелируется. Отклонение от горизонта устраняют за счет толщины шва из раствора для следующего ряда.
Допустимые отклонения при монтаже сборных железобетонных фундаментов приведены в разделе «Монтаж сборных железобетонных и бетонных конструкций», часть I, настоящего Руководства.
11. После возведения цоколя производится контрольная выверка его планового (створным способом) и высотного (нивелированием) положений. Снаружи на цоколе должна быть нанесена отметка строительного нуля, а также рисками обозначены основные и внутренние оси сооружений. Перпендикулярность продольных и поперечных осей проверяется теодолитом. С помощью рулетки производятся контрольные измерения расстояний между продольными и поперечными осями, а также от осей до закладных деталей, выступов и отверстий.
По окончании работ нулевого цикла составляется исполнительная схема планово-высотного положения.
12. Контроль правильности монтажа фундаментов стаканного типа осуществляется по осевым линиям, закрепленным на местности обноской. На поверхности стакана предварительно размечаются осевые риски установочных осей (осей симметрии стакана). Плановое положение фундаментов контролируется по совмещению осевых рисок с разбивочной осью, положение которой определяется с помощью отвесов и проволоки, натянутой на обноске или с помощью теодолита. Расстояние между осями фундаментов контролируется рулеткой. Высотное положение фундамента контролируется нивелированием дна стакана.
13. Качество подготовки фундамента и опор оформляется актом, подписанным представителями строительно-монтажной организации и технического надзора заказчика.
К акту прилагаются составленные строительной организацией исполнительные схемы:
- основных и привязочных размеров и отметок фундаментов и анкерных болтов;
- расположения металлических пластин и реперов, заложенных в тело фундамента, фиксирующих оси фундамента и высотные отметки, или скоб, закрепленных на конструкции здания, а также данные о качестве фундамента.
14. Монтаж колонн производится только после инструментальной проверки соответствия проекту планового и высотного положения фундаментов (оснований, опорных поверхностей конструкции).
Перед монтажом колонн производится их промер и разметка установочных осей. Для этого на верхнем и нижнем (на уровне верха стакана) концах колонн на всех четырех гранях, а также на боковых гранях подкрановых консолей намечаются краской риски по оси колонн. На гранях колонн наносятся горизонтальные штрихи, соответствующие положению нулевого горизонта (0,00). Вертикальность колонн проверяется по отвесу (при высоте колонн до 4,5 м) или с помощью двух теодолитов, устанавливаемых со стороны двух взаимно перпендикулярных граней на расстоянии не менее высоты колонны. Зрительная труба должна вначале наводиться на нижнюю осевую риску колонны, затем переводиться на верхнюю, изменяя наклон колонны до совмещения верхней осевой риски с вертикальной нитью сетки.
Окончательную выверку планового положения и вертикальности колонн, расположенных в ряду, целесообразно проводить способом бокового нивелирования. При этом теодолиты устанавливаются со смещением от створа колонн на 1-1,5 м, визирование производится по горизонтальным рейкам, пятки которых совмещаются с установочными рисками. Высотное положение колонн проверяется с помощью нивелира по горизонтальным установочным рискам.
По окончании плановой и высотной выверки колонн и контрольной проверки их пространственного положения производится замоноличивание колонн цементным раствором. Контрольная проверка пространственного размещения колонн проводится путем выборочных промеров расстояний между продольными и поперечными осями колонн на нижнем и верхнем горизонтах.
Отклонения при монтаже колонн не должны превышать допусков, приведенных в разделе «Монтаж сборных железобетонных и бетонных конструкций», часть I, настоящего Руководства.
15. Фермы и балки перед монтажом должны быть промерены и на них разбиты установочные оси. Установочные оси (оси симметрии) разбиваются на торцах балок и ферм.
На боковых гранях (внизу) отмечаются проектная и минимальная длины площадки опирания.
16. Во время монтажа совмещают установочные оси балок (ферм) и контролируют длину площадки опирания. Вертикальность балок и ферм проверяют отвесом. Прямолинейность поясов проверяют по натянутой проволоке. Расстояние между соседними балками и фермами проверяется рулеткой. Высотное их положение контролируется нивелированием по рулетке, подвешиваемой к контрольным точкам.
17. Перед монтажом стен должны производиться обмер блоков (панелей) и разметка установочных осей у основания их торцевых поверхностей. На все монтажные горизонты должны передаваться отметки, основные и монтажные оси. Они закрепляются краской на плитах перекрытия в углах здания, а при большой протяженности стены в промежутках - через 40-50 м. Передача отметок производится с помощью нивелира по подвесной ленте. Передача основных и монтажных осей производится теодолитом от створных знаков, закрепленных на местности.
В процессе монтажа крупных блоков (панелей) производится выверка их планового и вертикального положения. Плановое положение блоков (панелей) контролируется по совмещению установочных осей монтируемых элементов с основными осями стен. Вертикальность блоков панелей контролируется с помощью монтажной рейки, снабженной отвесом или сферическим уровнем. На монтажной рейке должны быть нанесены разбивочный, осевой и монтажный штрихи. По совмещению верхних и нижних монтажных штрихов с отвесной линией можно судить о плановом положении и вертикальности блоков (панелей). Положение отвесной линии может задаваться теодолитом и контролироваться отвесом или сферическим уровнем.
Отклонения при монтаже не должны превышать допусков, указанных в разделе «Монтаж сборных железобетонных и бетонных конструкций», часть I, настоящего Руководства.
18. Перед монтажом плит производится их обмер и разметка проектной и минимальной длин площадок опирания. Кроме того, производятся контрольные измерения пролетов между опорами. Затем проводится подготовка монтажного горизонта, включающая разметку расположения плит (краской наносятся монтажные риски, соответствующие проектному положению осей вертикальных швов между соседними плитами и соседними рядами плит) и нивелирование опор (установку под нивелир маячных прокладок). Нивелирование опор и маячных прокладок целесообразно вести с помощью монтажных реек. В процессе монтажа плановое положение плит выверяется по монтажным (осевым) рискам швов и рискам, обозначающим длину площадки опирания на плитах. Одновременно проверяется совпадение нижних кромок соседних плит. Высотное положение плит обеспечивается нивелированием маячных прокладок.
Отклонения при монтаже не должны превышать допусков, указанных в разделе «Монтаж сборных железобетонных и бетонных конструкций», часть I настоящего Руководства.
19. Данные о производстве СМР следует ежедневно вносить в журналы работ по монтажу строительных конструкций, а также фиксировать по ходу монтажа конструкций их положение на исполнительных геодезических схемах.
1. Исполнительной съемкой называются геодезические измерения и построения, выполняемые после завершения работ, частей здания (сооружения) с целью определения фактического положения конструкций и составления исполнительной документации - чертежей, схем, планов.
2. Перечень ответственных конструкций и частей зданий (сооружений), подлежащих исполнительной геодезической съемке при выполнении приемочного контроля, должен быть определен проектной организацией и отражение ППР.
Для скрытых работ съемка должна быть закончена до начала следующего вида работ. Для некоторых работ съемка выполняется при приемке работ, конструкций. Геодезическую съемку подземных инженерных сетей следует выполнять до засыпки траншей.
3. В процессе исполнительной съемки определяется плановое и высотное положение, а также вертикальность конструктивных элементов зданий и сооружений.
4. По результатам исполнительной геодезической съемки элементов, конструкций и частей зданий (сооружений) следует составлять исполнительные схемы, а для подземных инженерных сетей - исполнительные чертежи, как правило, в масштабе соответствующих рабочих чертежей. На исполнительной документации должны наноситься проектные и фактические размеры или отклонения от них (согласно справочному Приложению 10).
5. Исполнительные схемы и чертежи, составленные по результатам геодезической съемки, следует использовать при приемочном контроле, составлении исполнительной документации и оценке качества СМР.
6. При возведении зданий и сооружений должна составляться следующая исполнительная геодезическая документация:
а) по нулевому циклу:
- схема исполнительной съемки котлована как приложение к акту его приемки;
- акт на разбивку основных осей здания (сооружения) с приложением исполнительной схемы;
- схемы исполнительной съемки конструкций подземной части как приложение к акту готовности подземной части здания (сооружения);
б) по несущим конструкциям:
- акт приемки-сдачи исполнительной съемки подземной части с результатами контрольных измерений;
- поэтажные схемы исполнительной съемки.
7. К исполнительной документации также относятся:
- исполнительный генеральный план объекта и план в масштабе 1:2000 расположения знаков разбивочной геодезической основы с нанесением на нем контуров наземных и подземных сооружений, а также геодезических знаков, закрепляющих оси этих зданий и сооружений;
- планы и профили наземных и подземных коммуникаций, проходных каналов с указанием величин отступлений от проекта.
8. При приемке работ заказчик, осуществляющий технический надзор за строительством, должен выполнять контрольную геодезическую съемку для проверки соответствия построенных зданий (сооружений) и инженерных сетей их отображению на предъявленной подрядчиком исполнительной документации.
1. Измерения деформаций (вертикальные перемещения- осадки, просадки, прогибы; горизонтальное перемещение - сдвиг; крен) выполняются в целях выявления степени опасности для возводимых или эксплуатируемых зданий, сооружений и принятия своевременных мер по их сохранности.
2. При организации наблюдений за деформациями следует выполнить ряд работ в следующей последовательности:
- разработка «Программы измерений»;
- выбор конструкции, мест расположения исходных геодезических знаков высотной и плановой основы, их установка;
- производство высотной и плановой привязки исходных геодезических знаков;
- установка деформационных марок на зданиях (сооружениях);
- инструментальные измерения величин вертикальных и горизонтальных перемещений, кренов;
обработка и анализ результатов измерений.
3. «Программа измерений» должна содержать сведения о методах измерений и применяемых инструментах, системах координат и высот, местах закладки знаков, порядке обработки результатов измерений и т. д.
4. Выбор метода измерения деформаций производится в следующей последовательности:
а) определяется, используя заданную расчетную величину деформаций, предварительная величина допускаемой погрешности в соответствии с требованиями табл. 5;
б) устанавливается по найденной величине допускаемой погрешности класс точности измерений в соответствии с данными табл. 6;
в) назначается, используя выбранный класс точности, метод измерения деформаций.
5. При отсутствии данных по расчетным величинам класс точности измерений устанавливается с учетом характеристик здания (сооружения), сроков его эксплуатации и вида грунта основания.
Таблица 5
(ГОСТ 24846-81, табл. 1)
|
Расчетная величина вертикальных и горизонтальных перемещений, предусмотренная проектом, мм |
Допускаемая погрешность измерения перемещений для периода, мм |
|||
|
строительного |
эксплуатационного |
|||
|
Грунты |
||||
|
песчаные |
глинистые |
песчаные |
глинистые |
|
|
До 50 |
1 |
1 |
1 |
1 |
|
Свыше 50 до 100 |
2 |
1 |
1 |
1 |
|
Свыше 100 до 250 |
5 |
2 |
1 |
2 |
|
Свыше 250 до 500 |
10 |
5 |
2 |
5 |
|
Свыше 500 |
15 |
10 |
5 |
10 |
Таблица 6
(ГОСТ 24846-81, табл.
|
Класс точности измерений |
Допускаемая погрешность измерения перемещений, мм |
|
|
вертикальных |
гизонтальных |
|
|
I |
1 |
2 |
|
II |
2 |
5 |
|
III |
5 |
10 |
|
IV |
10 |
15 |
6. Измерения деформаций должны выполняться по циклам. Первый цикл проводят не ранее, чем через 10 дней после установки исходных геодезических знаков. Второй цикл выполняют после возведения фундамента, а последующие - периодически через 10 - 30 дней до получения полной нагрузки на основание Обычно измерения приурочивают к периодам, когда нагрузка на основание достигает 25, 50, 75, 100 % проектной величины. Всего должно быть проведено не менее четырех циклов. В дальнейшем сокращают их число до одного в год. По окончании строительства измерения следует продолжать в течение 5 лет на глинистых и 2 лет на песчаных грунтах.
7. Перед началом измерений вертикальных перемещений необходимо установить реперы и деформационные марки.
При выборе типа репера следует руководствоваться характеристиками грунта и точностью измерений. Так, в зависимости от класса точности измерений необходимо использовать реперы следующих типов: глубинные реперы
- для I, II классов точности, грунтовые и стенные реперы
- для III, IV классов точности.
Основания глубинных реперов следует закладывать в скальные, полускальные или другие коренные практически несжимаемые грунты.
Грунтовые реперы должны устанавливаться ниже глубины сезонного промерзания грунта.
Стенные реперы необходимо располагать на несущих конструкциях зданий (сооружений), осадка фундаментов которых практически стабилизировалась.
Число реперов должно быть не менее трех.
Реперы следует размещать в местах, обеспечивающих их сохранность и неизменность положения в течение всего периода измерений. Конкретное месторасположение и конструкцию репера должна определять организация-исполнитель по согласованию с проектной, строительной или эксплуатирующей организацией, а также со службами, имеющими в данном районе подземные коммуникации.
После закладки репера на него должна быть передана высотная отметка от ближайших пунктов высотной сети.
На каждом пункте следует указывать наименование организации, установившей его, и порядковый номер знака.
Каждый знак должен быть сдан по акту на сохранность строительной или эксплуатирующей организации.
8. Деформационные марки - контрольные геодезические знаки - следует закладывать в нижней части наружных несущих конструкций по всему периметру здания (сооружения) и внутренних, а именно: на углах, на стыках строительных блоков, по обе стороны осадочного и температурного швов, в местах примыкания продольных и поперечных стен, на несущих колоннах, в местах с неблагоприятными геологическими условиями.
Конкретное расположение деформационных марок и их конструкцию должна определять организация, выполняющая измерения по согласованию с проектной, строительной или эксплуатирующей организацией и с учетом ряда факторов, а именно: конструктивные особенности фундамента; статистические и динамические нагрузки на отдельные части здания; ожидаемая величина осадки и т. д.
9. Перед началом измерений горизонтальных перемещений и кренов необходимо установить опорные знаки, деформационные марки и ориентирные знаки.
Опорные знаки устраивают в виде столбов, снабженных центрировочными устройствами в верхней части для установки прибора. Допускается использовать в качестве опорных знаков реперы.
Деформационные марки размещают на наружных и внутренних частях зданий (сооружений).
Ориентирные знаки устраивают в виде неподвижных в горизонтальной плоскости столбов; допускается использовать пункты триангуляции или какие-либо удобные для визирования точки здания (сооружения).
10. Вертикальные перемещения следует измерять одним из следующих методов нивелирования: геометрическим; тригонометрическим; гидростатическим. Кроме того, измерения могут быть выполнены фотограмметрией или комбинацией указанных методов. Выбор метода производится по классу точности измерений (см. табл. 6). Приведенным точностям удовлетворяют следующие методы измерений:
|
Геометрическое нивелирование |
- I - IV классы; |
|
Тригонометрическое нивелирование; |
- II - IV классы; |
|
Гидростатическое нивелирование |
- I - IV классы; |
|
Фотограмметрия
|
- II - IV классы. |
А. Метод геометрического нивелирования. Предпочтение при выборе метода Измерений следует отдавать геометрическому нивелированию. Основные характеристики геометрического нивелирования приведены в табл. 7.
Таблица 7
(ГОСТ 24846-81, табл. 3)
|
Условия геометрического нивелирования |
Основные технические характеристики и допуски для геометрического нивелирования классов |
||||
|
|
I |
II |
III |
IV |
|
|
Применяемые нивелиры |
Н-05 и равноточные ему |
Н-3 и равноточные ему |
|||
|
Применяемые рейки |
РН-05 (односторонняя штриховая с инварной полосой и двумя шкалами) |
РН-3 (двусторонняя шашечная) |
|||
|
Число станций незамкнутого хода, не более |
2 |
3 |
5 |
8 |
|
|
Визирный луч |
Длина, м, не более |
25 |
40 |
50 |
100 |
|
Высота над препятствием, м, не менее |
1,0 |
0,8 |
0,5 |
0,3 |
|
|
Неравенство плеч (расстояний от нивелира до реек), м, на станции, не более |
0,2 |
0,4 |
1,0 |
3,0 |
|
|
Допускаемая невязка, мм, в замкнутом ходе, не более |
±0,15 |
±0,5 |
±1,5 |
±5,0 |
|
|
Накопление неравенств плеч, м, в замкнутом ходе, не более |
1,0 |
2,0 |
5,0 |
10,0 |
|
Б. Метод тригонометрического нивелирования. Применяется в условиях резких перепадов высот (большие насыпи, глубокие котлованы, косогоры и т. п.). Использовать при этом методе нивелирования следует только высокоточные и точные теодолиты. Величины допускаемых погрешностей измерений расстояний и вертикальных углов представлены в табл. 8.
Таблица 8
(ГОСТ 24846-81, табл. 4)
|
Класс точности измерений |
Допускаемая погрешность измерений |
|||
|
Расстояний, мм, при значении вертикальных углов, град. |
Вертикальных углов «с», при их значениях, град. |
|||
|
до 10 |
свыше 10 до 40 |
до 10 |
свыше 10 до 40 |
|
|
II |
7 |
1 |
2,5 |
1,5 |
|
III |
15 |
3 |
5,0 |
3,0 |
|
IV |
35 |
8 |
12,0 |
10,0 |
В. Метод гидростатического нивелирования. Применяется для измерения вертикальных перемещений большого числа точек, труднодоступных для измерений другими методами, а также в случаях, когда нет прямой видимости между марками и реперами или когда в месте производства измерений невозможно пребывание человека по условиям техники безопасности. Запрещается использовать метод гидростатического нивелирования на зданиях (сооружениях), испытывающих динамические воздействия.
Г. Фотограмметрический метод. Применяется при большом числе наблюдаемых марок, устанавливаемых в местах, труднодоступных для измерений другими методами. При измерении перемещений необходимо выполнять фототеодолитную съемку с двух опорных знаков, являющихся базисами фотографирования. Длина базиса должна назначаться в пределах 1/5-1/10 расстояния от фототеодолита до сооружения. Погрешность измерения базиса не должна превышать 1 мм. Величины перемещений определяют по разности координат марок, полученных в разные циклы наблюдений.
11. Горизонтальные перемещения следует измерять одним из следующих методов: створных наблюдений, отдельных направлений, триангуляции, фотограмметрии. Допускается также комбинация этих методов.
Выбор метода горизонтальных перемещений определяется классом точности измерений. Согласно ГОСТ 24846-81, следует применять:
Створные наблюдения - I - III классы;
Отдельные направления - I - III классы;
Триангуляцию - I - IV классы;
Фотограмметрию II - IV классы.
А. Метод створных наблюдений. Метод применяется в случае прямолинейного здания (сооружения).
Перед началом измерений рассматриваемым методом на здании (сооружении) намечается положение створа и промежуточные точки закрепляются марками, а концевые точки - опорными знаками.
В процессе измерений устанавливается теодолит на одном из концевых опорных знаков и выполняется ориентирование зрительной трубы вдоль створа. Затем производится измерение горизонтальных перемещений, сторонами которых являются створ и направления на марки, и вычисляются, используя углы, величины горизонтальных перемещений каждой промежуточной точки.
В случае применения подвижных визирных марок величины перемещений находятся по результатам отсчетов их приспособлений. Также определяются величины перемещений в случае использования вместо визирной линии теодолита струны или луча лазерного прибора.
Б. Метод отдельных направлений. Метод применяется в случае, когда невозможно закрепить на сооружении створ и обеспечить устойчивость опорных знаков.
При измерении горизонтальных перемещений рассматриваемым методом необходимо выполнить следующие действия:
1) заложить около сооружения не менее трех опорных знаков так, чтобы углы, образованные линиями, соединяющими знаки, были не менее 30°;
2) измерить с точностью 1/2000 расстояния от опорного знака до марки, располагаемой на сооружении;
3) вычислить величину изменения направления между ориентирным знаком и маркой в двух циклах измерений.
Величину и направление горизонтального перемещения каждой марки допускается определять графически.
В. Метод триангуляции. Метод применяется при возведении зданий (сооружений) в пересеченной или горной местности, а также при невозможности обеспечить устойчивость концевых опорных знаков створа.
При этом методе определяются величина и направление горизонтального перемещения по изменениям координат деформационных марок за промежуток времени между циклами наблюдений.
Г. Метод фотограмметрии. При этом методе измерения горизонтальных перемещений следует выполнять действия, указанные в п. 10 настоящего подраздела.
12. Крен фундамента, здания (сооружения) следует определять одним из следующих методов или их комбинацией: координат; вертикального проектирования; механическим.
А. Метод координат. Вокруг здания (сооружения) прокладывается сомкнутый полигонометрический ход, располагаются пункты хода на расстоянии, превышающем высоту здания (сооружения). Затем из 3-4-х пунктов хода прямой угловой засечкой определяются координаты хорошо заметной точки в верхней части здания (сооружения). Это выполняется в нескольких циклах в течение определенного времени. По разности изменяющихся координат точки находятся величина и направление крена.
Б. Метод вертикального проектирования. На двух взаимно перпендикулярных створах здания (сооружения) закладываются постоянные знаки. С этих знаков при двух положениях вертикального круга теодолита проектируется какая-либо точка верхней части здания (сооружения) на рейку (линейку с миллиметровыми делениями), расположенную внизу. Проектирование должно вестись одновременно с обоих знаков.
Зафиксированный на рейке (линейке) ряд точек представляет собой проекции верхней точки. От этих проекций графически или аналитически определяется действительная величина крена.
В. Механический метод. При использовании кренометров, представляющих собой систему точных уровней, периодически фиксируется величина смещения пузырька уровня с нуль пункта. Затем по разности отсчетов, снятых по микрометренным винтам, определяется крен в угловой и линейной мерах.
13. При наблюдениях за раскрытием трещин устанавливаются (в одном или нескольких ее местах) гипсовые заплаты или полоски тонкого стекла - «маяки». В случае разрыва гипса или стекла подтверждается факт роста (раскрытия) трещины.
Рядом с измерительными или фиксирующими устройствами, прикрепленными к обеим сторонам трещины, - «маяками», щелеметрами - проставляются их номера и дата установки.
При ширине трещины более 1 мм необходимо измерять ее глубину.
14. Обработка результатов измерений включает в себя следующие этапы:
- проверку полевых журналов;
- уравнивание геодезических сетей;
- составление ведомостей отметок и перемещений, направлений;
- определение величины крена и перемещений деформационных марок;
- оценку точности результатов измерений;
- графическое оформление результатов измерений. Графический материал должен включать:
- геологический разрез грунтовых напластований;
- план здания (сооружения) с указанием мест расположения деформационных марок;
- графики и эпюры перемещений, кренов, развития трещин во времени.
По результатам измерений следует составлять также технический отчет, который должен включать:
- краткое описание цели измерения деформаций на данном объекте;
- характеристику геологического строения основания и физико-механических свойств грунтов;
- конструктивные особенности сооружения и его фундамента;
- схемы расположения, размеры и описание конструкций реперов, марок, знаков, устройств для измерения трещин;
- описание примененной методики измерений;
- перечень факторов, способствующих возникновению деформаций;
- выводы о результатах наблюдений.
В настоящем разделе рассматривается порядок осуществления контроля качества и приемки внеплощадочных и внутриплощадочных подготовительных работ в соответствии с требованиями СНиП III-10-75, СНиП 3.01.01-85*, а также рельсовых путей строительных башенных кранов в соответствии с требованиями СНиП 3.01.01-85.
1. До начала производства работ на строительстве здания или сооружения заказчик должен оформить и передать подрядной строительной организации разрешение на производство СМР, оформить землеотвод, а также получить разрешение от соответствующих организаций на вырубку леса, снос и перенос строений, сооружений и инженерных сетей, препятствующих строительству.
2. Подготовка к строительству каждого объекта должна предусматривать разработку ППР на внеплощадочные и внутриплощадочные подготовительные работы, выполнение самих работ подготовительного периода с учетом природоохранных требований.
Внеплощадочные подготовительные работы должны включать строительство подъездных путей, линий электропередач с трансформаторными подстанциями, сетей водоснабжения с водозаборными сооружениями, канализационных коллекторов с очистными сооружениями, жилых поселков для строителей, необходимых сооружений по развитию производственной базы строительной организации, а также устройств связи для управления строительством.
3. Внутриплощадочные подготовительные работы должны предусматривать: сдачу-приемку геодезической разбивочной основы для строительства и геодезические разбивочные работы для прокладки инженерных сетей, дорог и возведения зданий и сооружений, освобождение строительной площадки для производства строительно-монтажных работ (расчистка территории, снос строений и др.), планировку территории, искусственное понижение (в необходимых случаях) уровня грунтовых вод, перекладку существующих и прокладку новых инженерных сетей, устройство постоянных и временных дорог, инвентарных временных ограждений строительной площадки с организацией в необходимых случаях контрольно-пропускного режима, размещение мобильных (инвентарных) зданий и сооружении производственного, складского, вспомогательного, бытового и общественного назначения, устройство складских площадок и помещений для материалов, конструкций и оборудования, организацию связи для оперативно-диспетчерского управления производством работ, обеспечение строительной площадки противопожарным водоснабжением и инвентарем, освещением и средствами сигнализации.
4. Окончание подготовительных работ должно быть подтверждено актом, составленным заказчиком и генподрядчиком с участием субподрядной организации, выполняющей работы в подготовительный период.
1. При расчистке территории строительной площадки контролируется вынос проекта в натуру, производство работ по вырубке деревьев и кустарника, корчевке пней и уборке камней, сохранению плодородного слоя почвы, сносу строений, инженерных сетей и комуникаций, засыпке ям, котлованов и траншей, уборке и планировке территории.
2. Границы участков, подлежащих расчистке, должны быть закреплены хорошо видимыми вехами, указателями, реперами.
3. Вырубка леса и кустарника на территории расположения зданий и сооружений должна производиться строго в границах, установленных проектом. Зеленые насаждения, не подлежащие вырубке, должны быть обозначены указателями или ограждены и переданы на сохранность строительной организации по акту с приложением схемы их расположения на местности.
4. Корчевка пней должна осуществляться на участках мелких выемок глубиной до 0,5 м, а при глубине выемок более 0,5 м удаление пней может производиться одновременно с выполнением земляных работ.
Изъятые пни, корни и кусты следует удалять с расчищаемой территории в специально отведенные места для последующей вывозки или сжигания.
5. Камни, находящиеся на поверхности земли в местах устройства выемок в нескальных грунтах, должны удаляться до начала земляных работ только в том случае, если они являются негабаритными для применяемых землеройных и транспортных машин. Допускается закапывать камни на глубину 0,3 м от проектной отметки дна выемки или планировочной отметки насыпи, за исключением мест устройства оснований под покрытия дорог и аэродромов и траншей для подземных коммуникаций.
6. Растительный грунт, подлежащий снятию с застраиваемых площадей, должен срезаться, перемещаться в специально выделенные места и укладываться в отвалы для дальнейшего использования при рекультивации нарушенных земель или на другие нужды в соответствии с проектом.
7. Ямы от пней и валунов, котлованы от разобранных сооружений и траншей от инженерных сетей должны быть засыпаны грунтом с запасом на осадку. На участках, используемых в качестве оснований сооружений, засыпка должна производиться в соответствии с требованиями проекта. На участках выемок, глубина которых превышает глубину ям, образовавшихся при расчистке территории, засыпка ям грунтом не производится. На участках выемок, глубина которых меньше глубины ям, засыпка ям грунтом производится до проектных отметок в соответствии с требованиями, изложенными в подразделе «Земляные работы».
8. Все порубочные остатки и обломки от разрушенных сооружений должны уничтожаться на месте или вывозиться за пределы объекта.
9. На расчищенной территории должна быть произведена грубая планировка, обеспечивающая сток атмосферных вод к водоотводным устройствам.
10. Приемка территорий после их расчистки и подготовки к благоустройству должна осуществляться с учетом следующих требований:
- наземные и подземные здания и сооружения, подлежащие сносу, должны быть ликвидированы, места ликвидации подземных сооружений должны быть засыпаны грунтом и уплотнены;
- временный водоотвод, мероприятия по понижению уровня грунтовых вод, дренаж, исключающие затопление и переувлажнение отдельных мест и всей территории застройки в целом, должны быть выполнены;
- зеленые насаждения, подлежащие сохранению на застраиваемой территории, должны быть надежно предохранены от возможных повреждений в процессе строительства;
- пни, стволы деревьев, кусты и корни после очистки от них застраиваемой территории должны быть вывезены, ликвидированы или складированы в специально отведенных местах;
- растительный грунт должен быть собран в специально отведенных местах, окучен и укреплен;
- земляные и планировочные работы должны быть выполнены в полном объеме, насыпи и выемки должны быть уплотнены до проектного коэффициента плотности и спрофилированы до проектных отметок.
1. При устройстве временного водоотвода контролируются: трассировка водоотводных канав, их сечения и продольные уклоны, расстояния от нагорных канав до ограждаемых выемок или насыпей или организация сброса воды из водоотводной сети.
2. Поперечное сечение и уклоны всех временных водоотводных устройств должны быть рассчитаны на пропуск ливневого расхода воды от таяния снега или на смешанный поток с повторяемостью в три раза более срока строительства ограждаемого сооружения. Бровка временных водоотводных канав должна возвышаться над расчетным уровнем воды не менее чем на 0,1 м.
3. Грунт из нагорных и водоотводных канав, устраиваемых на косогорах, должен укладываться в виде призмы вдоль канав с низовой стороны.
4. Продольный уклон водоотводных канав должен быть не менее 0,003 в обычных условиях и 0,001 на заболоченных участках и поймах рек.
5. Расстояние от бровки откоса выемки до бровки ближайшей нагорной канавы должно быть не менее 5 м для постоянной выемки и не менее 3 м для временной. Ширина бермы между подошвой откоса насыпи и ближайшей бровкой водоотводной канавы должна быть не менее 3 м.
6. Сброс воды из сети временного водоотвода должен производиться в открытые водоемы или существующие искусственные водостоки при согласовании с организациями, эксплуатирующими эти водостоки. В случае отсутствия водоемов или водостоков вода должна отводиться на расстояние не менее 100 м от осушаемого участка.
1. При осуществлении контроля строительства временных дорог должны соблюдаться следующие общие требования:
- строительство временных дорог должно производиться с опережением сроков начала СМР;
- трассы дорог должны прокладываться с учетом места посадки сооружений, характера планируемых работ и местных геологических, топографических и климатических условий;
- геометрические размеры, уклоны и конструкции дорог должны соответствовать эксплуатационно-техническим особенностям используемых транспортных средств и характеру планируемых перевозок.
2. При осуществлении контроля строительства временных инженерных сетей должны соблюдаться следующие общие требования:
- трассы временных инженерных сетей должны прокладываться с учетом мест посадки, сооружений, дорог и характера выполняемых на объекте работ. В местах пересечений с транспортными путями инженерные сети должны быть защищены от повреждений;
- выходные характеристики временных инженерных седей (сила тока и напряжение в электросети, расход и давление воды в водопроводе, температура теплоносителей, давление в пневмосистемах и др.) должны отвечать требованиям проектов и находиться в пределах нормативных допусков;
- при обеспечении работ, не допускающих перерывов во времени, должны предусматриваться резервные источники питания энергией;
- для питания передвижных потребителей инженерные сети должны быть оборудованы необходимым количеством пунктов подключения (распределительными шкафами, разборными колонками и др.).
3. При строительстве временных сооружений должны соблюдаться следующие общие требования:
- размещение временных сооружений должно соответствовать строительному генеральному плану и не препятствовать возведению постоянных объектов;
- для временных сооружений должны использоваться, как правило, передвижные, контейнерные и сборно-разборные здания и инвентарные производственные установки;
- технико-эксплуатационные характеристики временных сооружений должны соответствовать требованиям проектов.
1. В процессе строительства рельсовых путей контролируются качество возведения земляного полотна и устройства верхнего строения пути.
2. Все земляные работы, связанные с прокладкой подземных коммуникаций, должны быть закончены к началу возведения земляного полотна. Площадку рельсового пути до начала возведения следует очистить от строительного мусора, посторонних предметов и растительного слоя, а в зимнее время - от снега и льда.
3. Протяженность земляного полотна следует принимать из условия обслуживания башенным краном всей зоны работ, предусмотренной проектом их производства. Протяженность рельсового пути должна быть не менее двух рельсовых звеньев длиной по 12,5 м.
4. Продольный уклон земляного полотна из не дренирующего грунта должен быть не более 0,003, поперечный уклон - в пределах 0,008-0,01 и иметь направление от строящегося объекта или котлована. Земляное полотно из дренирующего или скального грунта допускается выполнять горизонтальным.
5. Насыпной грунт следует укладывать слоями с обязательным послойным уплотнением. Толщина слоев определяется применяемыми машинами и оборудованием для уплотнения грунта.
6. При возведении земляного полотна из насыпного грунта не допускается:
- применять грунт с примесью строительного мусора, древесных отходов, гниющих или подверженных набуханию включений, льда, снега и дерна;
- применять не дренирующий грунт (глину, суглинок) в смеси с дренирующим;
- прикрывать слой высоко дренирующего грунта грунтом с меньшей дренирующей способностью;
- укладывать мерзлый, а также талый грунт в смеси с мерзлым;
- вести отсыпку земляного полотна во время интенсивного снегопада без принятия мер по защите насыпного грунта от включений снега;
- уплотнять грунты поливкой водой в зимнее время.
7. Поверхностные воды с земляного полотна следует отводить с помощью продольных водоотводных канав, которые необходимо устраивать на всю длину земляного полотна. Водоотводные канавы с уклоном дна не менее 0,003 следует располагать по оси пути и со стороны рельсового пути, противоположной возводимому объекту или котловану, и включать в общий водоотвод строительной площадки. Поперечный профиль водоотводных канав должен быть трапецеидальной формы глубиной не менее 0,35 ми шириной по дну не менее 0,25 м с откосами при песчаных и супесчаных грунтах 1: 1,5, при остальных грунтах - 1:1. В скальных грунтах допускается устраивать водоотводные канавы треугольной формы глубиной не менее 0,25 м с откосами 1:0,2.
Допускается засыпка водоотвода высоко дренирующим материалом (щебнем, гравием, крупнозернистым песком).
8. В качестве балласта рельсовых путей следует применять щебень, гравий или гравийно-песчаную смесь, крупный или среднезернистый пески, доменные шлаки.
9. При устройстве рельсового пути у незакрепленного котлована, траншей расстояние по горизонтали от края дна выемки до нижнего края балластной призмы должно быть не менее:
- для песчаных и супесчаных грунтов - 1,5 глубины выемки плюс 0,4 м;
- для остальных грунтов - глубины выемки плюс 0,4 м.
10. Балластные призмы следует устраивать с равномерным уплотнением по всей площади. Допускается песчаный балласт в летнее время уплотнять поливкой воды. Работы по устройству песчаных балластных призм в зимнее время должны быть организованы так, чтобы балласт был доставлен, уложен и уплотнен до его смерзания.
11. Рельсовый путь следует собирать из инвентарных секций на деревянных полушпалах длиной не менее 1375 мм. Рельсовые стыки должны быть сболчены полным числом болтов. Величина зазора в стыке между рельсами не должна превышать 12 мм. Взаимное смещение торцов стыкуемых рельсов в плане не должно превышать 2 мм, по высоте - 3 мм.
12. На концах рельсовых нитей должны быть установлены четыре инвентарных тупиковых упора на расстоянии не менее 500 мм от концов рельсов. Устройство тормозных балластных призм перед тупиковыми упорами не допускается.
13. На обоих концах рельсового пути должно быть установлено и закреплено по одной включающей линейке для концевых выключателей механизма передвижения крана.
При отсутствии на кране кабельного барабана на участках расположения электрокабеля, питающего кран, вдоль рельсового пути необходимо устанавливать лоток.
14. При устройстве рельсового пути должны быть соблюдены требования табл. 1.
Таблица 1
(СНиП 3.08.01-85, пп. 2.27-2.29)
|
Технические требования |
Предельные отклонения |
Контроль (метод, объем) |
|
Размер колеи |
+ 15 мм |
Измерительный, стальной рулеткой, каждое рельсовое звено в его средней части и в зоне болтовых стыков |
|
Продольный и поперечный уклоны |
0,004 |
Измерительный, нивелировка по головке рельса с установкой рейки в средней части и в зоне болтовых стыков каждого звена |
|
Прямолинейность рельсового пути для кранов: с жесткими ходовыми рамами с балансирными ходовыми тележками |
20 мм на 10 м пути 25 мм на 10 м пути |
Измерительный, натянутой струной или теодолитом |
15. Рельсовый путь, оборудованный с истемой заземления, тупиковыми упорами и выключающими линейками, следует не менее 10 раз обкатать краном без груза и не менее 5 раз - с максимальным рабочим грузом, после чего необходимо провести нивелирование рельсового пути по головке рельса и просевшие участки выправить подбивкой балласта под опорные элементы.
16. Перед началом эксплуатации крана следует составлять акт сдачи рельсового пути в эксплуатацию, к которому необходимо прилагать документально оформленные результаты нивелирования, а также схему нивелирования поперечного и продольного профилей рельсового пути.
17. При эксплуатации крана следует вести постоянное наблюдение за состоянием рельсового пути и особенно за участком пути для стоянки крана в нерабочем состоянии. Плановую проверку состояния рельсового пути производит лицо, ответственное за содержание кранов в исправном состоянии, после каждых 20-24 смен работы крана, отмечая результаты проверки в сменном журнале крана.
При плановой проверке состояния рельсового пути необходимо проверять размер колеи, прямолинейность и горизонтальность рельсового пути, с помощью нивелира выборочно измерять упругую просадку рельсовых нитей под колесами крана, а также производить осмотр состояния элементов верхнего строения пути и водоотвода.
18. При осмотре рельсов следует обращать внимание на шейку рельса, поверхность головки и концы рельсов. Дефектные рельсы могут быть замечены по следующим признакам: местному уширению головки; темным продольным полосам на поверхности катания; красноте под головкой; тонким продольным или поперечным трещинам на верхней или боковой поверхностях головки; ржавым или синим полосам в местах сопряжения шейки с подошвой или на полке подошвы; выщербинам на головке рельса и т. п.
19. Не допускается эксплуатация крана на рельсовом пути при:
- продольном или поперечном уклонах свыше 0,01;
- отклонении размера колеи и прямолинейности пути от допускаемых величин, приведенных в табл. 1;
- упругой просадке рельсовых нитей под колесами и крана свыше 5 мм (просадку следует измерять при подъеме максимального рабочего груза и угле поворота стрелы крана в плане относительно оси пути 45° без передвижения крана);
- горизонтальном износе головки рельса Р43 свыше 10 мм, Р50 свыше 11 мм и Р65 свыше 13 мм;
- вертикальном износе головки рельса Р43 свыше 8 мм, Р50 свыше 9 мм и Р65 свыше 10 мм;
- плавных вмятинах и забоинах рельсов свыше 4 мм;
- плавном местном износе кромки подошвы рельсов от костылей свыше 5;
- уменьшении толщины подошвы рельсов от ржавления свыше 4 м;
- суммарном равномерном наплыве металла на боковых гранях головки рельсов без признаков трещин и расслоений свыше 6 мм;
- трещинах в головке, шейке, подошве, местах перехода шейки в головку или подошву, у болтовых отверстий рельсов;
- выколе подошвы или головки рельсов;
- провисших концах рельсов, включая смятие на 5 мм при измерении просвета между рельсом и линейкой длиной 1 м, укладываемой на головку рельса;
- прикреплении рельсов к опорным элементам неполным числом прикрепителей;
- изломе деревянных полушпал;
- сквозных поперечных трещинах в железобетонных балках;
- обнажении рабочей арматуры или стержней закладных подрельсовых деталей железобетонных балок с обрывом или деформацией одного стержня и более;
- отсутствии тупиковых упоров и выключающих линеек;
- отсутствии или неисправности заземления.
20. По результатам плановой проверки состояния рельсового пути при необходимости следует:
- произвести рихтовку и выправку пути по уровню;
- заменить дефектные рельсы, рельсовые скрепления и опорные элементы;
- восстановить поперечный профиль балластной призмы с заменой заросшего и загрязненного балласта чистым балластным материалом;
- подтянуть ослабленные путевые шурупы или добить ослабленные костыли;
- подтянуть ослабленные болтовые соединения;
- отрегулировать зазоры в стыках рельсов;
- смазать болтовые соединения в стыках рельсов;
- восстановить поврежденные соединительные проводники и перемычки заземления и окрасить их в черный цвет;
- очистить от грязи и балласта поверхности рельсов, рельсовых скреплений, опорных элементов и открытых перемычек заземления;
- обеспечить правильность установки и укрепить тупиковые упоры и выключающие линейки;
- очистить от грязи и балласта поверхности рельсов, рельсовых скреплений, опорных элементов и открытых перемычек заземления;
- обеспечить правильность установки и укрепить тупиковые упоры и выключающие линейки;
- очистить водоотвод от мусора и посторонних предметов.
21. Кроме плановых проверок состояния рельсового пути следует производить дополнительные его осмотры при особо неблагоприятных метеорологических условиях (ливнях, снежных заносах, таянии снега и т. д.), а также при наличии неустойчивых участков пути (в пазухах фундаментов, в местах прохождения подземных коммуникаций и т. п.).
Общие положения
В настоящем параграфе излагается порядок осуществления контроля качества и приемки работ по устройству водоотвода и дренажа наземных и котлованных сооружений в соответствии с требованиями СНиП 3.02.01-87, СНиП 3.05.04-85*, СНиП 3.07.03-85*.
Работы по устройству водоотвода и дренажа включают:
- устройство поверхностного водоотвода (водостока);
- устройство дренажа (пластового и трубчатого) для отвода грунтовых вод от сооружения.
Контроль качества земляных работ, связанных с устройством водоотвода и дренажа, должен вестись в соответствии с требованиями, изложенными в разделе «Земляные работы».
Устройство поверхностного водоотвода
1. При устройстве поверхностного водоотвода контролю подлежат:
- планировка территории и создание уклонов от сооружения;
- прокладка водосточной сети открытого или закрытого типа (нагорных канав, открытых канав, лотков, коллекторов и т. п.).
2.. При контроле работ по планировке территории и отрывке водоперехватывающих и водоотводных канав должны проверяться:
- отметки и уклоны спланированной территории;
- толщина слоя растительного грунта;
- размеры и прямолинейность канав;
- уклоны, отметки и ровность дна канав;
- величина заложения и укрепление откосов канав;
- размещение вынутого грунта при устройстве нагорных канав.
3. При устройстве поверхностного водоотвода должны соблюдаться требования, приведенные в табл. 2.
Таблица 2
(СНиП 3.02.01-87, табл. 1, 4; СНиП 3.06.03-85, прил. 2)
|
Технические требования |
Предельные отклонения |
Контроль (метод, объем, вид регистрации) |
|
1. Отклонения отметок спланированной поверхности от проектных |
± 5 см |
Измерительный, по сетке размером 50´50, акт приемки |
|
2. Отклонения уклона спланированной поверхности от проектного |
± 0,001 |
То же |
|
3. Увеличение поперечных размеров нагорных и других канав (по дну) |
5 см |
Измерительный, не реже, чем через 50 м |
|
4. Отклонения глубины нагорных и других канав |
± 5 см |
То же |
|
5. Отклонения осей канав (лотков) |
± 10 см |
Измерительный, на участках между поворотами, примыканиями, но не менее, чем через 50 м, акт приемки |
|
6. Отклонение продольного уклона водоотводных канав от проектного значения |
± 0,0005 |
То же |
|
7. Отклонение отметок дна канав от проектных |
± 2 см |
» |
|
8. Ровность дна канав (зазоры между трехметровой рейкой и дном) |
1,5 см |
» |
4. Допускаемая крутизна откосов канав (коэффициенты заложения) в зависимости от вида грунтов: пески - 2-2,5; супеси, легкие суглинки - 1,5; средние и тяжелые суглинки - 1,25-1,5; глины - 0,75-1,0. Соблюдение величины заложения откосов проверяется шаблоном.
5. Укрепление дна и откосов канав производится одерновкой или железобетонными (бетонными) плитами. Подготовка откосов канав под облицовку состоит в увлажнении грунта и уплотнении его по периметру сечения канавы, планировке и зачистке грунта.
6. При отрывке нагорных канав вынутый грунт следует укладывать на низовой стороне, разравнивать и уплотнять. Толщина слоя разравниваемого грунта должна быть не более 0,5 м.
Устройство дренажа
1. Устройство горизонтального трубчатого дренажа производится после возведения фундаментов и стен сооружения, выполнения гидроизоляционных работ. В случае устройства пластового дренажа укладка фундаментной плиты и устройство пола допускаются только после окончания работ по присоединению дренажа к водоотводной системе, проверки готовности ее к приему дренажных вод.
2. Контроль качества работ по устройству дренажа состоит в проверке:
- качества труб, материалов фильтрующей засыпки;
- соответствия технологии производства работ по укладке труб требованиям проекта;
- соответствия продольных уклонов и отметок поверхности песчаного основания под дренажные трубы проектным;
- ровности поверхности песчаного основания;
- соответствия уклонов труб проектным, а также прямолинейности участков уложенных труб между смежными колодцами;
- качества выполнения фильтрующей засыпки.
3. Качество дренажных труб перед их укладкой устанавливается путем выборочной проверки. В асбестоцементных трубах перед их укладкой должны быть сделаны пропилы шириной 3-7 мм в шахматном порядке на расстоянии 250-500 мм в зависимости от фильтрационных характеристик грунта.
4. Для фильтрующих засыпок дренажных труб следует применять гравий мелкий и особо мелкий или щебень изверженных пород (размер зерен 5÷20 мм), песок крупный и средний (размер зерен 0,25÷1 мм).
5. При выполнении работ по укладке труб кроме указаний проекта должны соблюдаться следующие основные правила:
- укладка труб должна начинаться от верхнего колодца к низовому или к устью;
- в случае применения керамических и бетонных труб зазоры в их стыках (5-15 мм) следует использовать в качестве водоприемных отверстий, защищая их от заиливания мхом или другими волокнистыми материалами;
- соединение асбестоцементных труб должно осуществляться на муфтах с уплотнительными кольцами.
6. Отклонения параметров дренажа от проектных не должны превышать величин, указанных в табл. 3.
Таблица 3
(СНиП 3.05.04-85*, раздел 3)
|
Технические требования |
Предельные отклонения |
Контроль (метод, объем, вид регистрации) |
|
1. Отклонение продольных уклонов песчаного основания под дренажные трубы от проектных |
± 0,001 |
Измерительный, на участках между колодцами, но не менее, чем через 30 м, журнал работ |
|
2. Отклонение отметок основания под трубы от проектных |
+ 5 мм |
То же |
|
3. Ровность поверхности основания под трубы (зазоры между трехметровой рейкой и поверхностью) |
± 0,5 см |
» |
|
4. Отклонение уклона труб дренажа от проектного |
± 0,001 |
Измерительный, на участках между колодцами, акт приемки |
|
5. Отклонение отметок лотков труб в колодцах от проектных |
± 5 мм |
Измерительный, каждый колодец, акт приемки |
|
6. Отклонения от формы круга (прямолинейность участков труб): |
|
Просмотр «на свет» каждого участка между смежными колодцами, акт приемки |
|
по горизонтали |
1/4 диаметра трубы, но не более 50 мм в каждую сторону |
|
|
по вертикали |
Не допускаются |
|
7. Уложенные дренажные трубы должны быть обсыпаны фильтрующим материалом не позднее конца следующего рабочего дня после укладки.
8. Для сброса атмосферных вод, просочившихся через обсыпку к сооружению, стены сооружения должны быть обсыпаны дренирующим материалом толщиной не менее 40 см с коэффициентом фильтрации не менее 5 м/сутки. При устройстве пластовых дренажей недопустимы нарушения в сопряжении щебеночного слоя постели с щебеночной обсыпкой труб.
9. При устройстве дренажа подлежат приемке с составлением актов освидетельствования скрытых работ следующие этапы работ: подготовка основания под трубы, укладка труб и устройство колодцев, засыпка труб.
1. В настоящем разделе рассматривается порядок осуществления контроля качества и приемки земляных работ, выполненных при разработке выемок, возведении насыпей, вертикальной планировке, обратной засыпке в соответствии с требованиями СНиП 3.02.01-87.
2. До начала земляных работ необходимо:
- произвести подготовительные работы, предусмотренные проектом, в соответствии с требованиями, изложенными в разделе «Подготовительные работы»;
- выполнить планировку строительной площадки;
- выполнить разбивочные работы и закрепить на местности оси сооружения, границы выемок и насыпей с составлением акта, со схемой разбивки и привязки к опорной геодезической сети;
- выявить и обозначить на местности подземные коммуникации, согласовать с эксплуатирующими их организациями возможность производства земляных работ;
- определить и обозначить на местности карьеры, временные и постоянные отвалы грунта.
3. При приемке земляных работ контролируются:
- наличие технической документации;
- качество грунтов и их уплотнение;
- форма и расположение земляных сооружений, соответствие отметок, уклонов, размеров проектным.
4. При сдаче земляных работ предъявляется следующая документация:
- ведомости постоянных реперов и акты геодезической разбивки сооружений;
- рабочие чертежи с документами, обосновывающими принятые изменения, журналы работ;
- акты освидетельствования скрытых работ;
- акты лабораторных испытаний грунтов и материалов, применяемых при сооружении насыпей, для крепления откосов и др.
Акт сдачи-приемки законченных земляных сооружений должен содержать: перечень использованной технической документации при выполнении работ; данные о топографических, гидрогеологических и грунтовых условиях, при которых были выполнены земляные работы; указания по эксплуатации сооружений в особых условиях; перечень недоделок, не препятствующих эксплуатации сооружения, с указанием срока их устранения.
5. Приемку земляных работ следует выполнять с составлением актов освидетельствования скрытых работ, руководствуясь Приложениями 2 и 3.
6. Плодородный слой почвы в основании насыпей и выемок до начала основных земляных работ должен быть снят в размерах, установленных ППР. и перемещен в отвалы для последующего использования его при рекультивации.
Допускается не снимать плодородный слой:
- при толщине плодородного слоя менее 10 см;
- на заболоченных и обводненных участках;
- при разработке траншей шириной по верху 1 м и менее.
7. Хранение плодородного грунта должно осуществляться в соответствии с ГОСТ 17.4.3.02-85 и ГОСТ 17.5.3.04-83*. Способы хранения грунта и защиты буртов от эрозии, подтопления, загрязнения должны быть установлены в ППР.
1. Размеры выемки должны обеспечивать размещение конструкций и механизированное производство работ, а также возможность перемещения рабочих в пазухе, ширина которой должна быть не менее 0,6 м. Размеры выемок по дну должны быть не менее установленных проектом.
2. Минимальная ширина траншей должна удовлетворять следующим требованиям:
- под ленточные фундаменты и подземные конструкции - должна учитывать размеры конструкции, опалубки, изоляции и крепления с добавлением 0,2 м с каждой стороны;
- под трубопроводы - не менее наружного диаметра трубы с добавлением 0,3 м при укладке плетями и 0,5 м при укладке отдельными трубами.
3. Выемки в грунтах, кроме валунных и скальных, следует разрабатывать, как правило, до проектной от метки с сохранением природного сложения грунтов основания. Допускается разработка выемок в два этапа: черновая и окончательная (непосредственно перед возведением конструкции).
4. Восполнение переборов выполняется местным грунтом с уплотнением до плотности грунта естественного сложения. В просадочных грунтах II типа не допускается применение дренирующего грунта.
5. Способ восстановления оснований, нарушенных от промерзания, затопления, а также переборов более 50 см, согласовывается с проектной организацией.
6. Наибольшую крутизну откосов выемок, устраиваемых без крепления, следует принимать в соответствии с требованиями СНиП III-4-80*.
При высоте откосов более 5 м их крутизна должна быть не более 80°.
7. При наличии в период производства работ подземных вод мокрыми следует считать грунты, расположенные выше и ниже уровня грунтовых вод на величину капиллярного поднятия:
- 0,3-0,5 м - для песков от пылеватых до крупных;
- 1,0 м - для суглинков и глин.
8. Наибольшую высоту вертикальных стенок выемок в мерзлых грунтах, кроме сыпучемерзлых, допускается увеличивать по сравнению с установленной СНиП III-4-80* не более, чем до 2 м. При этом среднесуточная температура воздуха должна быть ниже минус 2°С.
9. При обнаружении коммуникаций, не указанных в проекте, земляные работы приостанавливаются для принятия мер по предохранению их от повреждения вместе с эксплуатирующей организацией или представителем заказчика.
Разработка выемок в пределах охранных зон допускается с письменного разрешения эксплуатирующей организации.
10. При разработке грунтов, содержащих негабаритные включения, должны быть предусмотрены мероприятия по их разрушению или удалению за пределы площадки. Негабаритными считаются куски, наибольший размер которых превышает:
- 2/3 ширины ковша - для экскаватора с обратной или прямой лопатой;
- 1/2 ширины ковша - для экскаваторов, оборудованных драглайном;
- 2/3 наибольшей конструктивной глубины копания - для скреперов;
- 1/2 высоты отвала - для бульдозеров и грейдеров;
- 1/2 ширины кузова и по весу половину паспортной грузоподъемности - для транспортных средств.
11. Ширина проезжей части подъездных путей в пределах выемки должна быть для самосвалов грузоподъемностью до 12т при двухстороннем движении - 7 м, при одностороннем - 3,5 м.
12. При разработке выемок и устройстве естественных оснований состав контролируемых показателей, допустимые отклонения, объем и методы контроля должны соответствовать требованиям, приведенным в табл. 1.
Таблица 1
(СНиП 3.02.01-87, таблица 4)
|
Наименование контролируемых показателей |
Величина отклонений |
Контроль (метод, объем) |
|
1. Отклонения отметок дна выемок от проектных при черновой разработке (кроме выемок в валунных, скальных и вечномерзлых грунтах): |
|
Измерительный, точки измерении устанавливаются выборочным методом; число измерений на принятом участке должно быть не менее: |
|
|
|
|
|
а) экскаваторами, оснащенными ковшом с зубьями с механическим приводом по видам рабочего оборудования: |
|
|
|
- драглайн |
+25 см |
20 |
|
- прямого копания |
+10 см |
15 |
|
- обратная лопата |
+15 |
10 |
|
б) то же, с гидравлическим приводом |
+10 см |
10 |
|
в) экскаваторами, оснащенными планировочными ковшами, зачистным оборудованием и другим специальным оборудованием для планировочных работ; экскаваторами-планировшиками |
+5 см |
5 |
|
г) бульдозерами |
+10 см |
15 |
|
д) скреперами |
+10 см |
10 |
|
е) траншейными экскаваторами |
+10 см |
10 |
|
2. Отклонения отметок дна выемок от проектных при черновой разработке в скальных и вечномерзлых грунтах, кроме планировочных выемок: |
|
Измерительный, при числе измерений на сдаваемый участок не менее 20 в наиболее высоких местах, установленных визуально |
|
а) недоборы |
Не допускаются |
|
|
б) переборы: - при рыхлении взрывным способом |
10-40 см |
|
|
- при рыхлении механическим способом |
5-10 см |
|
|
|
||
|
3. То же, планировочных выемок: а) недоборы |
10 см |
То же |
|
б) переборы |
20 см |
|
|
4. Отклонения отметок дна выемок в местах устройства фундаментов и укладки конструкции при окончательной разработке или после доработки недоборов и восполнения переборов |
±5 см |
Измерительный, по углам и центру котлована, на пересечениях осей здания, в местах изменения отметок, поворотов и примыканий траншей, расположения колодцев, но не реже, чем через 50 м и не менее 10 измерений на принимаемый участок |
|
5. Отклонения от проектного продольного уклона дна траншей под безнапорные трубопроводы, водоотводных канав и других выемок с уклонами |
Не должны превышать ± 0,0005 |
Измерительный, в местах поворотов, примыканий, расположения колодцев и т. п. не реже, чем через 50 м |
13. При планировке поверхностей должны соблюдаться проектные отметки и уклоны, не допускается образование замкнутых понижений, при этом:
а) отклонения уклона спланированной поверхности от проектных, кроме орошаемых земель, не должны превышать ±0,001;
б) отклонения отметок спланированной поверхности от проектных, кроме орошаемых земель, не должны превышать:
- в нескальных грунтах ±5 см;
- в скальных грунтах от +10 до -20 см.
Метод контроля измерительный, по сетке 50 ´ 50 м.
1. В проекте должны быть указаны типы и физико-механические характеристики грунтов, предназначенных для возведения насыпей и устройства обратных засыпок, и специальные требования к ним.
2. По согласованию с заказчиком и проектной организацией грунты насыпей и обратных засыпок при необходимости могут быть заменены.
При использовании в одной насыпи грунтов разных типов использование в одном слое грунтов разных типов не допускается. Поверхность слоев из менее дренирующих грунтов, располагаемых под слоями из более дренирующих, должна иметь уклон в пределах 0,04-0,1 от оси насыпи к краям.
3. Опытное уплотнение грунтов насыпей и обратных засыпок следует производить при объеме поверхностного уплотнения на объекте 10 тыс. м3 и более. При этом должны быть установлены технологические параметры, обеспечивающие проектную плотность грунта.
Если опытное уплотнение предусмотрено проводить в пределах возводимой насыпи, места выполнения работ должны быть указаны в проекте.
4. При возведении насыпей, ширина которых не позволяет производить разворот или разъезд транспортных средств, насыпь необходимо отсыпать с местными уширениями.
5. Засыпку траншей с уложенными трубопроводами в непросадочных грунтах следует производить в две стадии.
На первой стадии выполняется засыпка нижней зоны не мерзлым грунтом, не содержащим твердых включений размером свыше 1/10 диаметра асбестоцементных, пластмассовых, керамических и железобетонных труб на высоту 0,5 м над верхом трубы, а для прочих труб - грунтом без включений размером свыше 1/4 их диаметра на высоту 0,2 м над верхом трубы с подбивкой пазух и равномерным послойным его уплотнением до проектной плотности с обеих сторон трубы. При засыпке не должна повреждаться изоляция труб. Стыки напорных трубопроводов засыпаются после проведения предварительных испытаний коммуникаций на прочность и герметичность в соответствии с требованиями СНиП 3.05.04-85*.
На второй стадии выполняется засыпка верхней зоны траншеи грунтом, не содержащим твердых включений размером свыше диаметра трубы.
6. Засыпку траншей с непроходными подземными каналами в непросадочных грунтах следует производить в две стадии.
На первой стадии выполняется засыпка нижней зоны траншеи на высоту 0,2 м над верхом канала не мерзлым грунтом, не содержащим твердых включений размером свыше 1/4 высоты канала, но не более 20 см, с послойным его уплотнением до проектной плотности с обеих сторон канала.
На второй стадии выполняется засыпка верхней зоны траншеи грунтом, не содержащим твердых включений размером свыше 1/2 высоты канала.
7. Обратную засыпку траншей, на которые не передаются дополнительные нагрузки, можно выполнять без уплотнения грунта, но с отсыпкой по трассе траншеи валика, размеры которого должны учитывать последующую осадку грунта.
8. Обратную засыпку узких пазух следует выполнять малосжимаемыми грунтами (щебнем, гравием, песчано-гравийными грунтами).
9 При устройстве насыпей на сильно пучинистых основаниях нижняя часть насыпи должна быть отсыпана на высоту не менее глубины промерзания до наступления устойчивых отрицательных температур воздуха.
10. Корчевание пней следует производить, при необходимости, в пределах основания насыпей (дорожных, планировочных и т. д.), подушек и дамб.
11. При производстве работ по устройству насыпей, обратных засыпок состав контролируемых показателей, предельные отклонения, объем и методы контроля должны соответствовать требованиям, приведенным в табл. 2.
Таблица 2
(СНиП 3.02.01-87, таблица 7)
|
Наименование контролируемых показателей |
Величина допустимых отклонений |
Контроль (метод, объем) |
|
1. Содержание мерзлых комьев в насыпях (кроме гидротехнических) и обратных засыпках от общего объема: |
Не должно превышать, % |
Визуальный, периодический (устанавливается в ППР) |
|
а) для наружных пазух зданий и верхних зон траншей с уложенными коммуникациями |
20 |
|
|
б) для насыпей, уплотняемых укаткой |
20 |
|
|
в) для насыпей, уплотняемых трамбованием |
30 |
|
|
г) для насыпей, возводимых без уплотнения |
50 |
|
|
д) для пазух и подсыпок внутри зданий |
Не допускается |
|
|
2. Размер твердых включений, в т. ч. мерзлых комьев, в насыпях и обратных засыпках |
Не должен превышать 2/3 толщины уплотненного слоя, но не более 30 см |
Визуальный, периодический (устанавливается в ППР) |
|
3. Наличие снега и льда в насыпях, обратных засыпках и их основаниях |
Не допускается |
То же |
|
4. Влажность грунта в теле насыпи |
Должна быть в пределах, установленных проектом. Допускаются отклонения не более чем в 10 % определений |
Измерительный, по указаниям проекта, но не менее одного определения на 20-50 тыс. и насыпи |
|
5. Отклонение геометрических размеров насыпей: |
|
|
|
а) положения осей насыпей железных дорог |
± 10 см |
Измерительный, -в местах размещения знаков разбивки, но не реже, чем через 100 м на прямолинейных участках и 50 м на криволинейных участках - |
|
б) то же, автомобильных дорог |
± 20 см |
То же |
|
в) ширины насыпей по верху и по низу |
± 15 см |
» |
|
г) отметок поверхностей насыпей |
± 5 см |
Измерительный, через 100 м на прямолинейных участках, 50 м на криволинейных участках и для планировочных насыпей |
|
д) крутизны откосов насыпей |
Увеличение не допускается |
Измерительный, через 100 м |
12. Не допускается содержания в грунте, предназначенном для устройства насыпей и обратных засыпок, древесины, волокнистых материалов, гниющего или легкосжимаемого строительного мусора.
13. Насыпи, возводимые без уплотнения, следует отсыпать с запасом по высоте на осадку по указаниям проекта. При отсутствии в проекте указаний, величину запаса следует принимать: при отсыпке из скальных грунтов –6 %, из нескальных – 9 %.
1. Разработку выемки в просадочных, набухающих и других грунтах, меняющих свои свойства под влиянием атмосферной влаги и подземных вод, разрешается производить после выполнения мероприятий, обеспечивающих отвод поверхностных вод из выемки и прилегающей территории, размеры которой превышают с каждой стороны размеры разрабатываемой выемки по верху на величину:
- для просадочных грунтов - не менее величины просадочной толщи, указанной в проекте, а при отсутствии указаний в проекте - на 15 м при I типе и 25 м приII типе грунтовых условий по просадочности;
- для набухающих грунтов - не менее 15 м.
2. При производстве земляных работ в грунтовых условиях II типа по просадочности водоприемники и водоотводные устройства должны быть рассчитаны на приток воды 5%-ной обеспеченности от таяния снегов и выпадения осадков, принимая наибольшую из указанных величин.
3. Обратные засыпки выемок в грунтовых условиях II типа по просадочности следует производить глинистыми грунтами с послойным уплотнением сразу после устройства фундаментов и коммуникаций. Использование дренирующих грунтов не допускается.
4. При обратной засыпке выемок в набухающих грунтах следует применять не набухающий грунт по всей ширине пазухи или в пределах прилегающего к конструкции вертикального демпфирующего слоя, поглощающего деформации набухания. Ширина демпфирующего слоя грунта устанавливается проектом.
5. Набухающий грунт допускается использовать для засыпки траншей с коммуникациями, а в местах наложения на них дорог и территорий с дорожным покрытием - только не набухающий грунт.
1. При производстве земляных работ на болотах по указанию проекта должны быть выполнены мероприятия, обеспечивающие работу и проезд строительной техники. При отсутствии в проекте указаний толщина подсыпки из дренирующих грунтов должна приниматься не менее 0,5 м.
2. При использовании слабых грунтов в качестве оснований дорог и площадок дерновый слой удалять не следует.
3. При возведении насыпей на слабых грунтах по согласованию с заказчиком и проектной организацией следует устанавливать поверхностные и глубинные марки для проведения наблюдений за деформациями насыпи, а также уточнения фактических объемов работ.
4. При производстве работ в сухой период года в засушливых районах на засоленных грунтах должно быть предусмотрено дублирование трасс временных дорог. Верхний слой засоленного грунта толщиной не менее 5 см должен быть удален с поверхности.
5. При выполнении земляных работ в районах подвижных песков должны быть предусмотрены мероприятия по защите насыпей и выемок от заносов и выдувания на период строительства.
6. При устройстве насыпей и обратных засыпок в засушливых районах допускается использовать для увлажнения грунта минерализованную воду при условии, что суммарное количество растворимых солей в грунте после уплотнения не будет превышать допустимых пределов, установленных проектом.
7. На оползнеопасных склонах должны быть установлены: границы оползнеопасной зоны; режим разработки грунта; увязка последовательности устройства выемок и их частей с инженерными мероприятиями, обеспечивающими общую устойчивость склона; средства и режим контроля положения и наступления опасного состояния склона.
8. Запрещается производство работ на склонах и прилегающих участках при наличии трещин, заколов до выполнения соответствующих противооползневых мероприятий.
В случае возникновения потенциально опасной ситуации все виды работ следует прекратить. Возобновление работ допускается после полной ликвидации причин опасной ситуации с оформлением соответствующего разрешительного акта.
1. В настоящем разделе рассматривается порядок осуществления контроля качества и приемки работ по устройству свайных фундаментов, шпунтовых ограждений в соответствии с требованиями СНиП 3.02.01-87.
2. Устройство свайных фундаментов и шпунтовых ограждений должно осуществляться по ППР, включающему:
- данные о расположении в зоне производства работ существующих подземных и надземных сооружений, сетей и коммуникаций с указанием глубины их прокладки, а также линий электропередач и мероприятия по их защите;
- перечень оборудования;
- последовательность и график выполнения работ;
- мероприятия по обеспечению техники безопасности.
3. В состав основных контролируемых процессов входят:
- погружение свай, свай-оболочек и шпунта;
- устройство набивных свай;
- устройство свайных ростверков.
1. До начала производства свайных работ должны быть выполнены следующие подготовительные мероприятия:
- завоз и складирование свай, свай-оболочек и шпунта;
- проверка заводских паспортов на сваи, сваи-оболочки и шпунт;
- проверка соответствия маркировки на сваях, сваях-оболочках и шпунте их действительным размерам, а также проверка на прямолинейность и чистоту замков шпунтин проталкиванием на стенде через 2-метровый шаблон;
- разметка свай, свай-оболочек и шпунта по длине;
- полная или частичная сборка свай и свай-оболочек;
- разбивка осей свайного поля и мест погружения шпунта.
2. Транспортировку, хранение, подъем и установку на месте погружения свай, свай-оболочек и шпунта надлежит производить с принятием мер против их повреждения. Замки и гребни шпунтин при подъеме тросом должны защищаться деревянными прокладками.
3. Забивка свай молотами должна производиться с применением наголовников, оснащенных деревянными прокладками, соответствующими поперечному сечению сваи. Зазоры между боковой гранью сваи и стенкой наголовника не должны превышать 1 см с каждой стороны.
4. В начале производства работ по забивке свай следует забивать 5-20 пробных свай (число устанавливается проектом), расположенных в разных точках строительной площадки с регистрацией числа ударов на каждый метр погружения. Подсчет общего числа ударов на погружение остальных свай не производится. Однако для свай длиной более 25 м дополнительно должна производиться регистрация числа ударов на каждый метр на последних трех метрах погружения. Результаты измерений должны фиксироваться в журнале работ.
5. В конце погружения, когда фактическое значение «отказа» близко к расчетному, производят его измерение.
«Отказ» свай в конце забивки или при добивке следует измерять с точностью до 0,1 см.
При забивке свай паровоздушными одиночного действия или дизельными молотами последний залог следует принимать равным 30 ударам, а «отказ» определять как среднее значение из 10 последних ударов в залоге. При забивке свай молотами двойного действия продолжительность последнего залога должна приниматься равной 3 мин, а «отказ» следует определять как среднее значение глубины погружения сваи от одного удара в течение последней минуты в залоге.
Сваи с «отказом» больше расчетного должны подвергаться контрольной добивке после «отдыха» их в грунте в соответствии с ГОСТ 5686-94. В том случае, если «отказ» при контрольной добивке превышает расчетный, проектная организация должна установить необходимость контрольных испытаний свай статической нагрузкой и корректировки проекта свайного фундамента или его части.
6. Крепление вибропогружателя со сваей или шпунтом должно быть жестким в процессе погружения. При стыковании звеньев новых свай и свай-оболочек должна быть обеспечена их соосность. Для обеспечения установленных допусков на отклонение свай, свай-оболочек и шпунта от проектного положения надлежит применять кондукторы и направляющие.
7. При вибропогружении свай или свай-оболочек продолжительность последнего залога принимается равной 3 мин. В течение последней минуты в залоге необходимо замерить потребляемую мощность вибропогружателя, скорость погружения с точностью до 1 см/мини амплитуду колебания сваи или сваи-оболочки с точностью до 0,2 см - для возможности определения ее несущей способности.
8. Перед погружением стальной шпунт следует проверить на прямолинейность и чистоту полостей замков протаскиванием на стенде через 2-метровый шаблон.
В процессе погружения шпунта разность отметок нижних концов соседних забиваемых шпунтин должна быть не более 2 м для плоского шпунта и не более 5 м для других профилей шпунта.
При устройстве замкнутых в плане конструкций или ограждений погружение шпунта следует производить, как правило, после предварительной его сборки и полного замыкания.
9. При производстве работ по устройству свайных фундаментов, шпунтовых ограждений состав контролируемых показателей, объем и методы контроля должны соответствовать требованиям табл. 1.
10. Оценку качества и приемку свайных фундаментов выполняют на основании следующих документов:
- проектов свайных фундаментов или шпунтовых ограждений;
- паспортов заводов-изготовителей на сваи, сваи-оболочки и шпунт;
- актов геодезической разбивки осей фундаментов и шпунтовых ограждений;
- исполнительных схем расположения свай и шпунтовых ограждений с указанием их отклонений в плане и по высоте;
- сводных ведомостей и журналов забивки или погружения свай, свай-оболочек и шпунта;
- результатов динамических испытаний свай и свай-оболочек;
- результатов статических испытаний свай, свай-оболочек (если они были предусмотрены).
На основании указанных документов устанавливается:
- пригодность погруженных свай и соответствие их несущей способности проектным нагрузкам;
- необходимость погружения дублирующих свай или дополнительного погружения недобитых свай;
- необходимость срубки голов свай до заданных проектом отметок и укладки ростверка.
Приемка работ оформляется актом.
1. До начала производства свайных работ выполняется срезка или подсыпка грунта до проектной отметки ростверка и разбивка свайного поля. Если работы выполняются с использованием глинистого раствора, то производится проверка качества его приготовления.
2. При устройстве буронабивных свай забой скважины должен быть очищен от разрыхленного грунта или уплотнен трамбованием. Уплотнение неводонасыщенных грунтов следует проводить путем сбрасывания в скважину трамбовки (при диаметре 1 м и более - массой не менее 5т, при диаметре скважины менее 1 м - 3 т). Трамбование грунта в забое скважины необходимо производить до величины «отказа», не превышающей 2 см за последние пять ударов, при этом общая сумма «отказов» трамбовки должна составлять не менее диаметра скважины.
3. Уровень глинистого раствора в скважине в процессе бурения, очистки и бетонирования должен быть выше уровня грунтовых вод (или горизонта воды на акватории) не менее чем на 0,5 м.
4. По окончании бурения следует проверить соответствие проекту фактических размеров скважин, отметки их устья, забоя и расположения каждой скважины в плане, а также установить соответствие типа грунта основания данным инженерно-геологических изысканий (при необходимости с привлечением геолога).
5. В обводненных, песчаных, просадочных и в других неустойчивых грунтах бетонирование свай должно производиться не позднее 8 ч после окончания бурения, а в устойчивых грунтах - не позднее 24 ч. При невозможности бетонирования в указанные сроки бурение скважин начинать не следует, а в уже начатых - прекратить, не доведя их забой на 1-2 м до проектного уровня и не разбуривая уширений.
6. Непосредственно перед подводной укладкой бетонной смеси в каждую скважину, пробуренную в скальном грунте, необходимо с поверхности забоя смыть буровой шлам. Для промывки следует обеспечить подачу воды под избыточным давлением 0,8-1 МПа при расходе 150-300 м3/ч. Промывку следует продолжать 5-15 мин до исчезновения остатков шлама (о чем должен свидетельствовать цвет воды, переливающейся через край обсадной трубы или патрубка).
Промывку необходимо прекращать только в момент начала движения бетонной смеси в бетонолитной трубе.
7. Для контроля сплошности бетонного ствола буровых свай, выполняемых методом подводного бетонирования, необходимо выборочным порядком производить испытание образцов, взятых из выбуренных в сваях кернов, или контролировать сплошность неразрушающими методами из одной сваи на каждые 100 (но не менее чем из двух свай на объект строительства), а также во всех сваях, при устройстве которых были допущены нарушения технологии.
8. В процессе устройства камуфлетного уширения каждой сваи необходимо контролировать отметки опущенного
в забой заряда ВВ и поверхности бетонной смеси в трубе до и после взрыва.
9. Буронабивные полые сваи следует изготовлять из жестких бетонных смесей с осадкой конуса 1-3 см на щебне фракции не более 20 мм.
Внутренняя поверхность ствола каждой буронабивной полой сваи должна быть подвергнута визуальному осмотру. При обнаружении вывалов бетона площадью более 100 см2 или обнажении рабочей арматуры полость сваи должна быть заполнена бетонной смесью с осадкой конуса 18- 20 см на высоту, превышающую на 1 м отметку обнаруженного дефекта.
10. Бурение скважины при устройстве буроинъекционных свай в неустойчивых обводненных грунтах следует осуществлять с промывкой скважин глинистым (бентонитовым) раствором или под защитой обсадных труб. Плотность глинистого (бентонитового) раствора следует принимать равной 1,05-1,15 г/см3.
Растворы, применяемые для изготовления буроинъекционных свай, должны иметь плотность в пределах 1,73 - 1,75 г/см3, подвижность по конусу АзНИИ не менее 17 см и водоотделение не более 2%. Состав растворов для буро-инъекционных свай должен быть указан в проекте.
Заполнение скважин буроинъекционных свай твердеющими (цементным или другим) растворами следует производить через буровой став или трубу-инъектор от забоя скважины снизу вверх до полного вытеснения глинистого раствора и появления в устье скважины чистого цементного раствора.
11. Укладка бетонной смеси в скважину должна производиться без перерывов, превышающих период начала схватывания смеси. При бетонировании необходимо обеспечить укладку качественного бетона по всей глубине скважины, в том числе и в голове сваи. В процессе бетонирования буронабивных свай должен вестись журнал бетонных работ. Контрольные бетонные образцы должны отбираться в количестве 3 шт. на каждые 50 м3 уложенной бетонной смеси или при изменении ее состава. Изготовление и хранение контрольных бетонных образцов должно производиться в условиях, аналогичных условиям, в которых происходит бетонирование и твердение свай.
12. В процессе бетонирования свай контролю подлежат:
- качество и температура (зимой) бетонной смеси;
- интенсивность укладки бетонной смеси;
- технология заполнения скважины бетонной смесью;
- объем бетона, уложенного в скважину;
- время начала и окончания бетонирования, а также время вынужденных перерывов.
13. При производстве работ состав контролируемых показателей, объем и методы контроля должны соответствовать требованиям табл. 1.
14. Оценку качества и приемку фундаментов из набивных и буронабивных свай выполняют на основании следующих документов:
- проекта свайных фундаментов;
- актов приемки материалов, применяемых для изготовления свай;
- актов лабораторных испытаний контрольных бетонных кубиков;
- актов контрольной проверки качества укладки бетонной смеси в скважину;
- актов контроля изготовленных свай (отбор кернов или неразрушающий контроль);
- акта и заключения по проведенным статическим испытаниям опытных свай;
- плана расположения свай с привязкой к разбивочным осям;
- исполнительной схемы расположения осей свай с указанием отклонений от проектного положения в плане и результатов нивелировки оголовков свай;
- актов на скрытые работы;
- журналов изготовления свай.
При приемке готовых свай необходимо проверять соответствие выполненных в натуре работ требованиям проекта. Приемку оформляют актом, в котором должны быть отмечены все выявленные дефекты и предусмотрены способы их устранения.
1. Погружение висячих свай в вечномерзлые грунты осуществляется буроопускным, опускным и бурозабивным способами.
2. Буроопускной способ погружения свай применяется при средней температуре вечномерзлого грунта по длине сваи -0,5°С (и ниже); сваи погружаются в предварительно
пробуренные скважины, диаметр которых превышает (на 5 см и более) наибольший размер поперечного сечения сваи; полость между стенками и сваей заполняется грунтовым или специальным раствором.
Скважины перед погружением в них свай должны быть очищены от воды, шлама, льда или снега. Толщина слоя жидкого шлама или воды на дне скважины при погружении сваи не должна превышать 15 см. Наличие на дне скважины замерзшего или сухого шлама, льда или выколов грунта не допускается.
Сваи перед погружением в скважины следует очищать от льда, снега, комьев мерзлого грунта и жировых пятен.
Сваи должны быть погружены в сроки, исключающие оплывание стенок скважин, как правило, не позднее, чем через 4 ч после их зачистки и приемки.
Заливать в скважину грунтовый или специальный раствор следует, как правило, непосредственно перед погружением сваи. После погружения сваи проверяется соответствие отметки нижнего конца сваи проектной отметке, а также правильность расположения сваи в плане и по вертикали.
При буроопускном способе погружения висячих свай должны быть приняты меры, обеспечивающие полное заполнение пазух между стенками скважины и сваей грунтовым раствором (погружение свай методом вытеснения предварительно залитого грунтового раствора, дополнительное уплотнение раствора вибрацией и др.).
3. Опускной способ погружения свай применяется в твердомерзлых глинистых грунтах, мелких и пылевидных песках, содержащих не более 15 % крупнообломочных включений со средней температурой вечномерзлых грунтов по длине сваи от -1,5°С и ниже.
Сваи погружаются с оттаиванием грунта, причем диаметр зоны оттаивания должен быть не более удвоенного размера большой стороны поперечного сечения свай. Для ускорения вмерзания свай допускается применять искусственное охлаждение грунтов.
Железобетонные сваи допускается погружать в оттаянные грунты зимой не ранее, чем через 20 ч после окончания оттаивания, летом - не ранее, чем через 12 ч.
4. Бурозабивной способ погружения свай допускается применять в пластично-мерзлых грунтах без крупнообломочных включений. Сваи погружаются забивкой в предварительно пробуренные скважины диаметром на 1-2 см меньше наименьшего размера поперечного сечения сваи.
5. При приемке свайных фундаментов, устраиваемых в вечномерзлых грунтах, составляется акт приемки с отражением мерзлотно-грунтовых условий в период устройства фундамента, с характеристиками температурного режима грунтов около свай и способа погружения свай. Разрешение на загрузку свайных фундаментов дается на основании оценки несущей способности свай при температурном режиме на день приемки. Полная расчетная загрузка фундаментов допускается только после достижения расчетного температурного режима грунтов оснований, измеряемого с помощью температурных трубок, устанавливаемых одновременно со сваями на всю глубину в количестве не менее 2 % общего количества свай.
1. Работам по устройству ростверков должна предшествовать приемка заглубленных в грунт и срезанных на проектном уровне свай, свай-оболочек или буровых свай и возведенных ограждений котлованов (при их наличии).
В районах вечной мерзлоты выполнение бетонных работ по устройству свайных ростверков разрешается после вмерзания свай в пределах полной глубины их заделки в вечномерзлый грунт.
2. Сваи с поперечными и наклонными трещинами шириной раскрытия более 0,3 мм должны быть усилены железобетонной обоймой с толщиной стенок не менее 100 мм или заменены.
3. В случае недобивки свай или повреждения голов при забивке, головы свай должны срезаться методами, исключающими нарушение защитного слоя бетона сваи ниже края среза.
4. Перед устройством ростверков на набивных сваях верхний слой бетона головы свай толщиной не менее 5 см должен скалываться до бетона, свободного от примесей глинистого раствора.
5. При опирании ростверков на сваи через промежуточные элементы-оголовки стаканного типа следует сопряжение оголовков и свай выполнять посредством заделки их в оголовок на глубину по проекту, но не менее 100 мм.
6. Раствор маяков при монтаже сборных элементов ростверков и безростверковых фундаментов должен быть на один класс ниже предусмотренного проектом для устройства постели.
7. Не допускается незаполненный раствором промежуток между ростверком и оголовком (сваей).
1. При устройстве свайных фундаментов, шпунтовых ограждений должны соблюдаться требования, приведенные в табл. 1.
Таблица 1
(СНиП 3.02.01-87, таблица 18)
|
Технические требования |
Предельные отклонения |
Контроль (метод и объем) |
|
|
1. Установка на место погружения свай размером по диагонали или диаметру, м: |
|
Измерительный, каждая свая |
|
|
|
Без кондуктора, мм |
С кондуктором мм |
|
|
до 0,5 |
±10 |
±5 |
|
|
0,6-1,0 |
±20 |
±10 |
|
|
св. 1,0 |
±30 |
±12 |
|
|
2. Величина отказа забиваемых свай |
Не должна превышать расчетной величины |
То же |
|
|
3. Амплитуда колебаний в конце вибропогружения свай и свай-оболочек |
Не должна превышать расчетной величины |
» |
|
|
4. Положение в плане забивных свай диаметром или стороной сечения до 0,5 м включительно: |
|
» |
|
|
а) однорядное расположение свай: |
|
|
|
|
поперек оси свайного ряда |
± 0,2 d |
||
|
вдоль оси свайного ряда |
± 0,3 d |
|
|
|
б) кустов и лент с расположением свай в два и три ряда: |
|
|
|
|
крайних свай поперек оси свайного ряда остальных свай |
± 0,2 d |
|
|
|
и крайних свай вдоль свайного ряда |
± 0,3 d |
||
|
в) сплошное свайное поле под всем зданием или сооружением: крайние сваи средние сваи |
± 0,2 d ± 0,4 d |
|
|
|
г) одиночные сваи |
± 5 см |
|
|
|
д) сваи-колонны |
± 3 см |
|
|
|
5. Положение в плане забивных, набивных и буронабивных свай диаметром более 0,5 м: |
|
» |
|
|
а) поперек ряда |
± 10 см |
|
|
|
б) вдоль ряда при кустовом расположении свай |
± 15 см |
|
|
|
в) для одиночных полых круглых свай под колонны |
± 8 см |
|
|
|
6. Отметки голов свай: |
|
» |
|
|
а) с монолитным ростверком |
± 3 см |
|
|
|
б) со сборным ростверком |
± 1 см |
|
|
|
в) безростверковый фундамент со сборным оголовком |
± 5 см |
|
|
|
г) сваи-колонны |
-3 см |
|
|
|
7. Вертикальность оси забивных свай, кроме свай-стоек |
± 2 % |
Измерительный, 20% свай, выбранных случайным образом |
|
|
8. Положение шпунта в плане: |
|
То же |
|
|
а) железобетонного, на отметке поверхности грунта |
± 10 см |
|
|
|
б) стального, при погружении плавучим краном на отметке: верха шпунта поверхности воды |
± 30 см ± 15 см |
|
|
|
в) на отметке верха шпунта при погружении с суши |
± 15 см |
|
|
|
9. Размеры скважин и уширений буронабивных свай: |
|
|
|
|
а) отметки устья, забоя и уширений |
± 10 см |
То же, каждая скважина |
|
|
б) диаметр скважины |
± 5 см |
То же, 20 % принимаемых скважин, выбранных случайных образом |
|
|
в) диаметр уширения |
± 10 см |
То же |
|
|
г) вертикальности оси скважины |
± 1 % |
» |
|
|
10. Расположение скважины в плане |
По поз. 5 |
По поз. 5 |
|
|
11. Сплошность ствола свай, выполненных методом подводного бетонирования |
Без нарушений сплошности |
Измерительный, испытание образцов, взятых из выбуренных в сваях кернов |
|
|
12. Сплошность ствола полых набивных свай |
Ствол сваи не должен иметь вывалов бетона площадью свыше 100 см2 или обнажений рабочей арматуры |
Визуальный, каждая свая |
|
|
13. Глубина скважин под сваи-стойки, устанавливаемые буроопускным способом, для ростверка: |
Отклонения не должны превышать, см: |
Измерительный, каждая свая по отметке головы сваи, установленной в скважину |
|
|
а) монолитного |
+5, -20 |
|
|
|
б) сборного |
+3, -20 |
|
|
|
14. Требования к головам свай, кроме свай, на которые нагрузки передаются непосредственно без оголовка (платформенный стык) |
Торцы должны быть горизонтальными с отклонениями не более 5 мм, ширина сколов бетона по периметру сваи не должна превышать 50 мм, клиновидные сколы по углам должны быть не глубже 35 мм и длиной не менее, чем на 30 мм короче глубины заделки |
Технический осмотр, каждая свая |
|
|
15. Требования к головам свай, на которые нагрузки передаются непосредственно без оголовка (платформенный стык) |
Торцы должны быть горизонтальными с отклонениями не более 0,02, не иметь сколов бетона по периметру шириной более 25 мм, клиновидных сколов углов на глубину более 15 мм |
Технический осмотр, каждая свая |
|
|
16. Монтаж сборных ростверков: |
|
Измерительный, каждый ростверк |
|
|
|
Смещение относительно разбивочных осей, мм |
Отклонения в отметках поверхностей, мм |
|
|
а) фундаменты жилых и общественных зданий |
± 10 |
± 5 |
|
|
б) фундаменты промышленных зданий |
± 20 |
± 10 |
|
|
17. Смещение осей оголовка относительно осей сваи |
± 10 мм |
То же, каждый оголовок |
|
|
18. Толщина растворного шва между ростверком и оголовком |
Не более 30 мм |
То же |
|
|
19. Толщина шва после монтажа при платформенном опирают |
Не должна превышать 8 мм |
» |
|
|
20. Толщина зазора между поверхностью грунта и нижней плоскостью ростверка в набухающих грунтах |
Не менее установленной в проекте |
Измерительный, каждый ростверк |
|
|
21. Толщина растворного шва безростверковых свайных фундаментов: |
Должна быть, мм, не более: |
То же |
|
|
между плитой и оголовком |
30 |
|
|
|
между стеновой панелью и оголовком |
20 |
|
|
|
Примечание: d - диаметр круглой сваи или меньшая сторона прямоугольной. |
|||
1. Свайные фундаменты и шпунтовые ограждения из погружаемых в грунт элементов вблизи сооружений и подземных коммуникаций следует проектировать на основе:
- имеющихся данных и результатов инженерно-геологических и гидрогеологических изысканий, выполненных на момент нового строительства;
- данных, полученных в результате обследования и характеризующих конструктивные особенности и состояние существующих сооружений и подземных коммуникаций, а также стабилизацию деформаций грунтов оснований за период их эксплуатации по результатам наблюдений или расчету;
- данных о параметрах колебаний грунта, сооружений и подземных коммуникаций, вызываемых забивкой или вибропогружением свай и шпунта;
- технико-экономического сравнения возможных вариантов проектных решений (с оценкой по приведенным затратам и учетом сроков строительства).
2. Параметры колебаний при погружении свай и шпунтамолотами и вибропогружателями прогнозируют, руководствуясь указаниями ВСН 490-87 Минмонтажспецстроя СССР, и уточняют по результатам виброизмерений при погружении указанных в проекте пробных свай, предназначенных для определения несущей способности и шпунтин.
3. Необходимо, чтобы динамические воздействия при погружении свай и шпунта удовлетворяли следующим требованиям:
- для сооружений и подземных коммуникаций должна быть обеспечена их нормальная эксплуатация;
- параметры колебаний должны быть допустимыми для чувствительных к колебаниям машин, оборудования и приборов;
- параметры колебаний не должны превышать допустимых значений по санитарным нормам.
4. Погружение свай и шпунта должно вестись по ППР, включающему:
- стройгенплан с разрезами участка строительства и планово-высотную привязку спроектированных фундаментов и шпунтовых ограждений к фундаментам сооружений или подземным коммуникациям;
- перечень и характеристики оборудования для погружения свай и шпунта и режимы его работы;
- перечень и объемы необходимых подготовительных работ для погружения свай и шпунта;
- технологические карты на погружение свай и шпунта или план свайного поля с указанием последовательности погружения свай и шпунта;
- меры по усилению конструкций сооружений и устройству защитных ограждений;
- меры по наблюдениям за осадками и состоянием сооружений;
- согласованные со службой эксплуатации сроки выполнения работ по погружению свай и шпунта вблизи сооружений с чувствительным к колебаниям оборудованием.
5. Погружение свай и шпунта начинают после того, как будут удалены имеющиеся в толще грунта остатки фундаментов, плит, лежни, корни деревьев и др.
6. Если осадка фундаментов сооружения развивается со скоростью, превышающей 1,0 мм/сут, необходимо прекратить погружение свай или шпунта и экстраполяцией установить значение прогнозируемых деформаций основания по графику их развития во времени. Если значения деформаций превышают данные табл. 2, необходимо принять меры согласно п. 7 и продолжить погружение свай или шпунта.
Таблица 2
|
Сооружения |
Категория по состоянию (см. табл. 3) |
Предельные допустимые деформации оснований и фундаментов |
||
|
Осадка, см |
Относительная разность осадок |
Крен |
||
|
Производственные и гражданские здания с полным каркасом |
I |
2,5 |
0,004 |
- |
|
II |
1,5 |
0,003 |
- |
|
|
III |
1,0 |
0,0007 |
- |
|
|
Здания и сооружения, в которых не возникают усилия от неравномерных осадок |
I |
1,5 |
0,0016 |
0,0040 |
|
II |
1,0 |
0,0010 |
0,0020 |
|
|
III |
0,5 |
0,0004 |
0.0010 |
|
|
Многоэтажные бескаркасные здания с несущими стенами |
I |
2,0 |
0,0030 |
0,0040 |
|
II |
1,0 |
0,00070 |
0,0010 |
|
|
III |
0,5 |
0,0003 |
0,0005 |
|
|
Высокие жесткие сооружения и дымовые трубы |
I |
2,5 |
0,0035 |
0,0040 |
|
II |
1,5 |
0,0020 |
0,0020 |
|
|
III |
1,0 |
0,0008 |
0,0010 |
|
Таблица 3
|
Сооружения |
Категория по состоянию |
Деформации в конструкциях |
|
Производственные и каркасные здания с полным каркасом |
I |
В элементах каркаса повреждении нет. В ограждающих кирпичных стенах или стыках панелей местные трещины до 1 мм без признаков сдвига. Фундаменты в хорошем состоянии |
|
II |
В элементах каркаса имеются местные трещины до 0,5 мм. Трещины в стыках стен и заделках перекрытий до 1 мм, в ограждающих конструкциях - до 5 мм при наличии признаков сдвигов. Относительная разность осадок фундаментов зданий со стальным каркасом с заполнением не более 0,001, для остальных зданий - не более 0,003. Фундаменты незначительно повреждены. |
|
|
III |
В элементах каркаса непрерывные трещины до 1 мм. Трещины в стенах более 5 мм, смещения в стыках и заделках перекрытий до 5 мм. Относительная разность осадок фундаментов зданий со стальным каркасом с заполнением более 0,001, для остальных зданий - более 0,003. Фундаменты имеют существенные повреждения в результате разрушения раствора и материала. |
|
|
Здания и сооружения, в конструкциях которых не возникают усилия от неравномерных осадок |
I |
В несущих конструкциях зданий повреждений нет. В ограждающих стенах местные трещины и сколы до 0,5 мм без смещении. Фундаменты в хорошем состоянии |
|
II |
В несущих конструкциях трещины до 0,5 мм, в стенах из кирпича и крупных блоков - до 3 мм. Относительная разность осадок фундаментов до 0,005. Фундаменты незначительно повреждены |
|
|
III |
В несущих конструкциях сплошные трещины свыше 1 мм, в стенах из кирпича и крупных блоков до 5 мм. Относительная разность осадок фундаментов свыше 0,005. Фундаменты имеют существенные повреждения в результате разрушения раствора и материала |
|
|
Многоэтажные бескаркасные здания с несущими стенами |
I |
В несущих стенах повреждений нет, в ограждающих кирпичных стенах и стыках панелей местные трещины до 1 мм без признаков сдвигов. Фундаменты в хорошем состоянии. |
|
II |
В несущих кирпичных стенах и узлах сопряжений трещины до 3 мм непрерывные в пределах конструкции при наличии признаков сдвигов. Относительная разность осадок фундаментов панельных зданий до 0,0008, кирпичных и блочных зданий без армирования до 0,0010, зданий с устройством железобетонных поясов до 0,0014. Крен не более 0,003. Фундаменты незначительно повреждены. |
|
|
III |
Сквозные трещины в стенах, смещения в заделках и стыках до 5 мм. Относительная разность осадок фундаментов панельных зданий свыше 0,0008, кирпичных и блочных зданий без армирования более 0,001, зданий без армирования более 0,001, зданий с устройством железобетонных поясов выше 0,0014. Крен более 0,003. Фундаменты имеют существенные повреждения в результате разрушения раствора и материала. |
|
|
Высокие жесткие сооружения, дымовые трубы |
I |
В железобетонных конструкциях местные трещины до 0,5 мм. Признаки сдвигов в заделках и стыках отсутствуют. |
|
II |
В железобетонных конструкциях сооружений трещины до 0,5 мм, в стыках сборных железобетонных конструкций до 1,0 мм. В кирпичной кладке трещины до 2 мм. Крен не более 0,002. Фундаменты' незначительно повреждены. |
|
|
III |
В железобетонных конструкциях сооружений трещины до 1 мм. Крен более 0,002. Фундаменты имеют существенные повреждения в результате разрушения раствора и коррозии материала. |
7. Меры по уменьшению динамических воздействий включают:
- устойство лидерных скважин и шнековое рыхление грунта для погружаемых свай, выемку грунта из полых свай и свай-оболочек;
- применение тиксотропной или водяной рубашки;
- снижение высоты падения ударной части молота;
- применение вибропогружателей с динамическим торможением на выбеге;
- уменьшение количества одновременно работающих молотов или вибропогружателей;
- уменьшение количества одновременно погружаемых шпунтин;
- полную или частичную (до верха трубы) откопку трубопровода;
- сокращение времени на соединение звеньев составных свай при погружении в песчаные пылеватые и глинистые грунты.
8. При погружении свай молотами в лидерные скважины амплитуду смещений грунта при расчете можно уменьшить: для песчаных грунтов - в 1,7-2,0 раза, глинистых - 2-2,5 при отношении площади лидера к площади сваи 0,5-0,7. При шнековом рыхлении грунта для указанных отношений площадей амплитуду смещений грунта можно уменьшить: для песчаных грунтов до 1,5 раз и глинистых - 2.
9. При устройстве лидерных скважин на расстоянии
от
сооружений и
от подземных трубопроводов в водонасыщенных
песчаных грунтах и текучих супесях и суглинках глубина скважины не должна
превышать глубину заложения подошвы фундамента или низа трубопровода. Для
других грунтов глубину лидерных скважин следует принимать из условия
обеспечения устойчивости стенок скважины и несущей способности погруженных в
скважины свай.
При рыхлении грунта шнеком диаметром до 300 мм расстояние до здания не регламентируют, а глубину рыхления назначают, исходя из несущей способности свай, погружаемых в разрыхленный грунт.
Необходимо сокращать время между устройством скважины и погружением в нее сваи.
10. При наличии мерзлого грунта мощностью слоя свыше 20 см, асфальтовых и других покрытий погружение свай и шпунта вблизи сооружений и подземных трубопроводов без устройства лидерных скважин или разбуривания не допускается.
11. Применение тиксотропной или водяной рубашки уменьшает амплитуду смещения в глинистых грунтах до 1,5 раз.
12. Снижение высоты падения молота с 2 до 0,5 м приводит к уменьшению амплитуды смещений грунта в 1,2-1,3 раза.
13. Эффективность мер, принятых в ППР, по уменьшению влияния на сооружения и подземные коммуникации динамических воздействий должна быть уточнена контролем параметров колебаний, а также наблюдениями за осадками.
14. Если расстояния до подземных трубопроводов будут меньше допустимых, необходимо в ППР предусмотреть на случай аварийной ситуации временное отключение трубопровода от системы.
15. Наблюдения за осадками следует проводить помаркам, установленным на наружных продольных и торцевой стенах сооружения на расстояниях до 30 м от ближайших погружаемых свай (шпунта) и до 50 м - от свай-оболочек. Количество и места установки марок должны определяться проектом. Марки должны обеспечивать получение данных о характере развития деформаций основания при погружении пробных свай (шпунта), в процессе их производственного погружения и по окончании работ по устройству свайных фундаментов и шпунтовых ограждений до момента стабилизации осадок сооружений.
Измерение осадок фундаментов следует производить с точностью не ниже 0,5 мм.
В качестве реперов можно применять марки (не менее двух), установленные на сооружении, при этом расстояние от марок до погружаемых свай или шпунта должно быть не менее 30 м, а от марок до свай-оболочек - 50 м.
16. Для наблюдения за деформациями конструкций используют гипсовые или цементные «маяки», устанавливаемые на трещины в кладке кирпичных стен, в узлах сопряжений несущих и ограждающих конструкций.
«Маяки» нумеруют, краской отмечают концы трещин с указанием даты отметки, измеряют раскрытие трещин, расположение трещин схематически наносят на чертежи развертки стен. За состоянием «маяков» и развитием трещин устанавливают систематическое наблюдение.
Для подземных трубопроводов до начала свайных работ необходимо уточнить их планово-высотное положение, а в процессе погружения свай и шпунта должен осуществляться контроль за перемещениями трубопровода и внутренним давлением наполнителя.
Авторский надзор при проведении работ по устройству свайных фундаментов и шпунтовых ограждений вблизи существующих сооружений и подземных трубопроводов должен включать контроль за соблюдением требований ППР и выполнением предусмотренных в проекте мероприятий по усилению конструкций, а также соответствием фактических осадок осадкам, принятым в ППР.
1. Настоящий раздел определяет порядок осуществления контроля качества и приемки работ при возведении несущих и ограждающих конструкций из кирпича керамического и силикатного, бетонных, керамических и природных камней и блоков, пустотелых стеклянных блоков и профильного строительного стекла как в обычных, таки в экстремальных природно-климатических условиях, в соответствии с требованиями СНиП 3.03.01-87.
2. Контроль качества каменных работ включает проверку:
- соответствия материалов, используемых для каменной кладки, требованиям ГОСТ, ТУ и т. д.;
- соблюдения технологии выполнения подготовительных, основных, вспомогательных и контрольных операций в процессе кладки;
- соответствия возведенных конструкций требованиям рабочих чертежей и технических условий.
3. .Кладку каменных конструкций необходимо выполнять в строгом соответствии с требованиями технологической карты, в которой указывают:
-вид, проектные марки по прочности, морозостойкости и другие характеристики кладочных растворов, каменных, теплоизоляционных и иных материалов, используемых в процессе кладки каменных конструкций;
- степень сложности каменных конструкций, систему перевязки швов, рисунок и цвет наружной облицовки фасадов, форму и цвет расшивки наружных швов облицовки и декоративной кладки;
- расположение арматуры и ее класс в армированной кладке;
- способ кладки и дополнительные мероприятия (при необходимости), обеспечивающие прочность и устойчивость каменных конструкций, возводимых в экстремальных природно-климатических условиях.
4. К возведению каменных конструкций разрешается приступать после выполнения:
-разбивочных работ в соответствии с проектом, а также указаниями, изложенными в разделе «Геодезические работы», часть I;
-приемки оснований или опорных конструкций. При этом необходимо соблюдать следующие требования:
- оси и контуры возводимых конструкций выносят и надежно закрепляют на обноске;
- отклонения по длине и ширине зданий не должны превышать 10 мм при размере до 10 м и 30 мм при размере более 100 м, для промежуточных размеров допускаемые отклонения устанавливают по интерполяции;
- приемку опорных конструкций осуществляют с инструментальной проверкой положения их осей и высотных отметок;
- окончательную зачистку, подготовку и приемку грунтовых оснований под каменные фундаменты осуществляют непосредственно перед началом работ по их возведению;
- возведение каменных фундаментов при наличии расхождений между проектными и фактическими гидрогеологическими условиями осуществляют только после согласования с проектной организацией.
5. Подбор состава кладочного раствора с учетом условий эксплуатации зданий и сооружений осуществляют, руководствуясь требованиями Приложений 11 и 12. При этом выбор вяжущих и требуемой марки раствора осуществляют по Приложению 11, а подбор состава цементно-известковых, цементно-глиняных и цементно-песчаных растворов по Приложению 12.
6. Контроль качества материалов и изделий для каменных работ, применительно к конкретным условиям строительства, осуществляют в соответствии с указаниями, изложенными в разделе «Требования к строительным материалам и изделиям. Правила их приемки, испытания и хранения», часть III. Оценку качества поставляемых материалов выполняют по документам предприятий-поставщиков, а материалов, применяемых в конструкциях, расчетная несущая способность которых используется не менее чем на 80% - по результатам предварительных испытаний в строительной лаборатории.
7. Качество кладочных растворов оценивают по результатам контроля прочности, подвижности и однородности в соответствии с ГОСТ 5802-86. Испытания осуществляют в строительной лаборатории ежедневно, а также при каждом изменении состава растворной смеси. Раствор считают соответствующим заданной марке по прочности в том случае, если ни в одной из испытанных серий контрольных образцов средняя прочность раствора не будет Ниже 85 % марочной. Кладочные растворы доставляют на рабочее место с сохранением качества, а в процессе использования их периодически перемешивают.
8. Каждую порцию готового раствора, доставленную на объект с центрального растворного узла, сопровождают документом, где указывают вид, марку и подвижность растворной смеси, дату и час ее приготовления, вид и марку вяжущего. На месте работ дополнительно контролируют подвижность раствора с помощью стандартного конуса и по однородности - визуально.
9. В случае поставки на объект раствора в виде сухой смеси в сопроводительном документе указывают фактическую влажность, вид и марку использованного вяжущего. При этом влажность сухой смеси не должна превышать 1 %.
10. В процессе возведения каменных конструкций не допускается:
- их ослабление отверстиями, бороздами, нишами, монтажными проемами, не предусмотренными проектом;
- кладка последующего этажа без укладки несущих конструкций перекрытий возведенного этажа, анкеровки стен и замоноличивания швов между плитами перекрытий; кладку при заполнении каркасов выполнять с отступлением от требований, предъявляемых к возведению несущих каменных конструкций.
11. Кладку каменных конструкций в местах их взаимного пересечения или примыкания необходимо выполнять, как правило, одновременно. В местах вынужденных разрывов кладку выполняют в виде наклонной или вертикальной штрабы.
12. При выполнении разрыва кладки в виде вертикальной штрабы в горизонтальные швы закладывают арматурную сетку из продольных стержней диаметром не более 6 мм и из поперечных стержней диаметром не более 3 мм на расстоянии по высоте не более чем 1,5 м друг от друга, а также на уровне каждого перекрытия. Число продольных стержней арматуры принимают из расчета одного стержня на каждые 12 см толщины конструкции, но не менее двух.
13. Разность высот возводимой кладки на смежных захватках и при кладке примыканий и пересечений не должна превышать высоты этажа.
14. Предельная высота возведения свободно стоящих каменных стен (без устройства перекрытий или покрытий) не должна превышать значений, указанных в табл. 1. При необходимости возведения свободно стоящих каменных конструкций большей высоты следует применять временные крепления.
Таблица 1
(СНиП 3.03.01-87, таблица 28)
|
Толщина стен, см |
Объемная масса (плотность) кладки, кг/м3 |
Допустимая высота стен, м, при скоростном напоре ветра, Н/м2 (скорости ветра, м/с) |
|||
|
До 150(15) |
270(21) |
450(27) |
1000(40) |
||
|
25 |
Более 1600 |
3,8 |
2,6 |
1,6 |
- |
|
От 1000 до 1300 |
2,3 |
1,6 |
1,3 |
- |
|
|
От 1300 до 1600 |
3,0 |
2,1 |
1,4 |
- |
|
|
38 |
Более 1600 |
5,2 |
4,7 |
4,0 |
1.7 |
|
От 1000 до 1300 |
4,5 |
4,0 |
2,4 |
1,3 |
|
|
От 1300 до 1600 |
4,8 |
4,3 |
3,1 |
1,5 |
|
|
51 |
Более 1600 |
6,5 |
6,3 |
6,0 |
3,1 |
|
От 1000 до 1300 |
6,0 |
5,7 |
5,7 |
2.0 |
|
|
От 1300 до 1600 |
6,3 |
6,0 |
6,0 |
2,5 |
|
|
64 |
Более 1600 |
7,7 |
7,4 |
7,0 |
4,3 |
|
От 1000 до 1300 |
7,0 |
6,6 |
6,6 |
2,7 |
|
|
От 1300 до 1600 |
7,4 |
7,0 |
7,0 |
3,5 |
|
|
Примечание. При скоростных напорах ветра, имеющих промежуточные значения, допускаемые высоты свободно стоящих стен определяются интерполяцией. |
|||||
15. После окончаний кладки каждого этажа следует производить инструментальную проверку горизонтальности верхнего ряда и отметок верха кладки независимо от промежуточных проверок по высоте этажа.
1. При осуществлении контроля качества конструкций, возводимых из керамического и силикатного кирпича, керамических, бетонных, силикатных и природных камней правильной формы, обращают внимание на выполнение следующих требований:
- кладку выполняют горизонтальными рядами на растворах с соблюдением проектной перевязки швов;
- независимо от системы перевязки тычковые ряды выполняют из целых камней, кирпича;
- кладку кирпичных цоколей производят из полнотелого керамического кирпича, применение для этой силикатного кирпича не допускается;
- тычковые ряды обязательно предусматривают в нижнем (первом) и верхнем (последнем) рядах кладки, на уровне горизонтальных обрезов стен и столбов, в выступающих рядах кладки (пояски, карнизы и пр.), в качестве опорных поверхностей в местах опирания балок, прогонов, настилов и других конструкций при многорядной системе перевязки швов;
- при кладке стен из пустотелого кирпича толщиной более 65 мм тычковую перевязку осуществляют не реже, чем через 0,4 м по высоте;
- при кладке стен из пустотелых керамических камней с вертикальными пустотами перевязку ложковых рядов тычковыми выполняют не реже, чем через три ряда кладки по высоте;
- при кладке стен из силикатных и бетонных камней поперечную перевязку тычковыми камнями выполняют не реже, чем в каждом третьем ряду, а при кладке из природных камней правильной формы используют только однорядную (цепную) систему перевязки швов;
- при возведении стены (перегородки) из кирпича или камней правильной формы, связанной с поперечными стенами (перегородками) или другими жесткими конструкциями при расстоянии между этими конструкциями, не превышающем 3,5 Н (где H - высота стены, указанная в табл. 1), высоту возводимой стены допускается увеличивать на 15 %, при расстоянии не более 2,5 Н - на 25 % и при расстоянии не более 1,5 H-на 40 %;
- высота неармированных перегородок, не раскрепленных временными креплениями, не должна превышать 1,5 м для перегородок толщиной 9 см, выполненных из камней или кирпича, укладываемого ложковой гранью шириной 88 мм, и 1,8 м - для перегородок толщиной 12 см, выполненных из кирпича размером 250 ´ 120 ´ 65 мм;
- толщина горизонтальных швов кладки должна составлять 12 мм (допускаются отдельные швы толщиной не менее 10 мм и не более 15 мм), толщина вертикальных швов - 10 мм (допускаются отдельные швы толщиной не менее 8 мм и не более 15 мм);
- горизонтальные швы, а также поперечные вертикальные швы кирпичной кладки стен, горизонтальные, вертикальные поперечные и продольные швы в перемычках, простенках и столбах необходимо целиком заполнять раствором, за исключением кладки в пустошовку;
- при кладке в пустошовку глубина не заполненных раствором швов с лицевой стороны не должна превышать 15 мм в стенах, а в столбах - 10 мм (только вертикальных швов);
- кладку кирпичных стен, столбов, пилястр, карнизов, перемычек и простенков шириной до двух с половиной кирпичей включительно выполняют только из отборного целого кирпича, применение половинок кирпича и четвертинок разрешается только при кладке забутки и мало-нагруженных каменных конструкций в количестве не более 10 %.
2. Вертикальность граней и углов кладки, горизонтальность ее рядов проверяют по ходу выполнения работ через 0,5-0,6 м по высоте (не менее двух раз при кладке яруса) с устранением обнаруженных отклонений в пределах яруса.
3. Участки стен между рядовыми кирпичными перемычками при простенках шириной менее 1 м обязательно выкладывают на том же растворе, что и перемычки.
4. Стальную арматуру рядовых кирпичных перемычек следует закладывать в слой раствора по опалубке под нижний ряд кирпичей. Число и диаметр стержней устанавливается проектом или определяется расчетом, но в любом случае их должно быть не менее трех. Гладкие стержни арматуры должны быть диаметром не менее 6 мм, заканчиваться крюками и заделываться в простенки не менее, чем на 25 см. Стержни периодического профиля также заделываются в простенки на указанное расстояние с обеих сторон, но крюками не отгибаются.
5. Клинчатые перемычки из обыкновенного кирпича выкладываются по заранее установленной и выверенной опалубке. В пятах перемычки швы выполняют клинообразными толщиной внизу не менее 5 мм и вверху - не более 25 мм. Кладку ведут одновременно с двух сторон от пят к центру перемычки. Число кирпичей в перемычке должно быть нечетным, посередине укладывают замковый кирпич. Предельный пролет клинчатых перемычек не должен превышать двух метров.
6. При выдерживании кирпичных перемычек в опалубке необходимо соблюдать сроки, указанные в табл. 2.
Таблица 2
(СНиП 3.03.01-87, таблица 29)
|
Конструкция перемычек |
Температура наружного воздуха. °С, в период выдерживания перемычек |
Марка раствора |
1 Продолжительность выдерживания перемычек на опалубке, сутки, не менее |
|
Рядовые и армокирпичные |
До 5 |
М25 и выше |
24 |
|
До 10 |
18 |
||
|
До 15 |
12 |
||
|
До 20 |
8 |
||
|
Свыше 20 |
5 |
||
|
Арочные и клинчатые |
До 5 |
То же |
10 |
|
До 10 |
8 |
||
|
Свыше 10 |
5 |
7. Свесы каждого последующего ряда кирпичной кладки в карнизах не должны превышать 1/3 длины кирпича, а общее смещение кирпичного неармированного карниза по отношению к плоскости фасада стены не должно превышать половины ее толщины.
Кладку карнизов на анкерах выполняют только после достижения проектной прочности кладкой стены, в которую заделываются анкеры.
Все сборные железобетонные закладные элементы (пояски, балконы и др.), защемляемые в кладку, необходимо
обеспечивать временными креплениями. Срок снятия временных креплений указывают в рабочих чертежах или его определяют расчетом.
8. При возведении стен из керамического кирпича и керамических камней в свешивающихся рядах карнизов, парапетов используют специальный профильный лицевой кирпич или обтесанный полнотелый кирпич морозостойкостью не менее Мрз 25.
Выступающие части кладки, после их устройства, защищают от атмосферных осадков путем устройства сливов из раствора марки не ниже М100 и Мрз50, если в проекте не указан иной способ защиты.
9. Вентиляционные каналы в стенах следует выполнять из керамического полнотелого кирпича марки не ниже М75 или силикатного марки М100 до уровня чердачного перекрытия, а выше - из полнотелого керамического кирпича марки М100.
10. При контроле качества армокаменных конструкций необходимо соблюдать следующие дополнительные требования:
- толщина швов в кладке должна превышать сумму диаметров пересекающейся арматуры сетки или отдельных продольных стержней не менее, чем на 4 мм при толщине шва не более 16 мм;
- при поперечном армировании столбов и простенков сетки следует изготавливать и укладывать так, чтобы было не менее двух арматурных стержней (из которых сделана сетка), выступающих на 2-3 мм на внутреннюю поверхность простенка или на две стороны столба;
- при продольном армировании кладки стальные стержни арматуры по длине следует соединять между собой сваркой;
- при устройстве стыков арматуры без сварки стержни укладывают с перехлестом в 20 диаметров и связывают проволокой, а концы стержней гладкой арматуры должны выполняться с кромками.
11. Возведение кирпичных стен облегченной конструкции необходимо выполнять в соответствии с рабочими чертежами, соблюдая следующие требования:
- горизонтальные и вертикальные наружные швы с фасадной части кладки должны быть тщательно расшиты;
- со стороны помещений стены должны быть обязательно оштукатурены мокрой (монолитной) штукатуркой;
- плитный утеплитель необходимо укладывать с обеспечением плотного примыкания к кладке;
- металлические поперечные связи, устанавливаемые в кладку, должны иметь антикоррозионное покрытие;
- легкую бетонную смесь заполнения укладывают слоями с уплотнением каждого слоя;
- в облегченной кладке с вертикальными поперечными кирпичными диафрагмами пустоты заполняют сыпучим утеплителем или бетонной смесью на легком заполнителе на высоту не более 1,2 м;
- подоконные участки стен защищают от увлажнения путем выполнения верхних двух-трех рядов сплошной кладки и устройства водосливов из раствора;
- при выпадении атмосферных осадков и при перерыве в работе необходимо принимать меры по защите уложенного утеплителя от намокания.
1. Для облицовки кладки следует применять цементно-песчаные растворы на портландцементе или пуццолановых цементах. Содержание щелочей в цементе не должно превышать 0,6 %. Подвижность раствора должна быть:
- для облицовки плиткой без устройства дополнительных креплений в виде стальных связей - не более 7 см;
- для заполнения вертикального зазора между стеной и плиткой при ее креплении к стене на стальных связях - не более 8 см.
2. Облицовку стен крупноразмерными бетонными плитами или плитами из искусственного мрамора, выполняемую одновременно с кладкой, осуществляют с соблюдением следующих требований:
- при облицовке плитами с закладной полкой в начале устанавливают маячные плиты в углах стен и на границах делянок, а затем по причальному шнуру укладывают на раствор облицовочный ряд плит с заполнением вертикальных швов раствором и осаживанием плит до уровня натянутой причалки;
- при толщине облицовочных плит 40 мм и более в первую очередь устанавливают ряд облицовки, а затем выполняют кладку на высоту этого ряда;
- при толщине плит менее 40 мм вначале выполняют кладку на высоту одного ряда облицовки; а затем устанавливают ряд облицовочных плит;
- установка плит толщиной менее 40 мм до выполнения кладки разрешается только при наличии элементов креплений, удерживающих плиты в проектном положении;
- установка облицовочных плит любой толщины выше уровня кладки стены более чем на два ряда плит запрещается;
- боковые грани облицовочных плит, устанавливаемых вплотную друг к другу на анкерах, заделываемых в кладку, необходимо прошлифовать.
1. Кладку арок (в том числе арочных перемычек в стенах) и сводов необходимо выполнять из кирпича или камней правильной формы на цементно-песчаном или сложном растворе.
Для кладки арок, сводов и их пят следует применять растворы, приготовленные на портландцементе. Применение шлакопортландцемента и пуццоланового портландцемента, а также других видов цементов, медленно твердеющих при пониженных положительных температурах, не допускается.
2. Кладку арок и сводов следует выполнять только по опалубке соответствующей конструкции.
3. Отклонения от проектных значений размеров опалубки для устройства сводов двоякой кривизны не должны превышать: по стреле подъема в любой точке свода - 1/200 величины подъема, по смещению опалубки от вертикальной плоскости в среднем сечении - 1/200 величины стрелы подъема свода, по ширине волны свода - 10 мм.
4. Кладку арок и сводов следует выполнять от пят к замку одновременно. Швы кладки необходимо полностью заполнять раствором. Верхнюю поверхность сводов двоякой кривизны толщиной в 1/4 кирпича или камня в процессе кладки следует затирать раствором. При толщине сводов, превышающей 1/4 кирпича или камня, швы кладки необходимо дополнительно заполнять раствором повышенной подвижности, при этом затирку им верхней поверхности сводов не выполняют.
5. Кладку сводов двоякой кривизны следует начинать после окончания устройства их пят не ранее чем через 7 суток при температуре наружного воздуха выше 10°С, 11 суток при температуре воздуха от 10 до 5°С и не ранее 14 суток при температуре воздуха от 5 до 1°С.
Кладку сводов с затяжками, в пятах которых установлены сборные железобетонные элементы или стальные каркасы, допускается начинать сразу после окончания устройства пят.
6. Грани примыкания смежных волн сводов двоякой кривизны выдерживают на опалубке не менее 12 ч при температуре наружного воздуха выше 10 оС, при температуре воздуха от 10 до 5°С срок выдерживания увеличивают до 18 часов, а при температуре воздуха от 5 до 1°С – до 24 часов.
Нагрузка распалубленных арок и сводов может быть осуществлена при температуре воздуха выше 10°С через 7 суток, при более низких положительных температурах наружного воздуха - в соответствии с изложенным в п. 5.
1. Качество бутовой кладки «под залив» должно отвечать следующим требованиям:
- выполнение кладки конструкций на просадочных грунтах не допускается;
- кладка допускается только для конструкций в зданиях высотой до 10м;
- кладку необходимо вести в траншеях или в опалубке;
- камни первого ряда, укладываемые горизонтально на грунт в распор с опалубкой или стенками траншеи, и, должны быть постелистыми, осажены кувалдой или трамбовкой, зазоры между ними расщебенены, а сверху залиты раствором повышенной подвижности;
- последующие ряды бутового камня укладываются без перевязки швов и укладки верстовых рядов, но с расщебенкой пустот и заливкой каждого ряда раствором;
- перерывы в кладке «под залив» допускают только после заполнения раствором пустот между камнями верхнего ряда и выполнения мероприятий по защите кладки от высыхания и загрязнения;
- горизонтальность кладки необходимо проверять через каждые два-три ряда с использованием правила и уровня.
2. Качество бутовой кладки «под лопатку» должно отвечать следующим требованиям:
- первый ряд камней укладывают так же, как прикладке «под залив»;
- кладку каждого следующего ряда необходимо начинать с установки крупных постелистых камней (маяков) в углах и пересечениях стен;
- кладку наружной и внутренней верст необходимо вести по натянутой струне;
- для верстовых рядов применяют постелистые камни примерно одинаковой толщины, которые вначале следует укладывать насухо поочередно узкой и широкой стороной, обеспечивая перевязку с забуткой, а затем на слой раствора;
- промежутки между камнями следует расщебенивать и заполнять раствором;
- горизонтальность кладки необходимо проверять через каждые два ряда с использованием правила и уровня.
3. Качество бутовой кладки «под скобу», используемой при возведении столбов и простенков, должно отвечать тем же требованиям, что и качество кладки «под лопатку», за исключением требования к качеству камней для верстовых рядов, которые необходимо подбирать одинаковой высоты при помощи шаблона.
4. Качество бутовой кладки с приколкой лицевой поверхности, используемой при возведении стен и столбов подвалов, должно отвечать тем же требованиям, что и качество кладки «под лопатку», за исключением требования к качеству камней для лицевой версты, лицевую поверхность которых необходимо предварительно околоть кувалдой.
5. Качество бутовой кладки с виброуплотнением должно отвечать следующим требованиям:
- кладку следует выполнять в опалубке или в распор со стенками траншей в плотных грунтах;
- первый ряд камней следует укладывать насухо, пустоты расщебенивать;
- раствор, расстилаемый слоем 4-6 см, следует уплотнять площадочным вибратором до тех пор, пока не прекратится его проникновение в кладку;
- последующие ряды камней следует выкладывать так же, как и при способе «под лопатку», но уплотнять слой раствора при помощи площадочного вибратора.
6. Качество бутобетонной кладки должно отвечать следующим требованиям:
- кладку необходимо выполнять, расстилая бетонную смесь горизонтальными слоями толщиной до 25 см с последующим втапливанием в каждый слой бутовых камней с зазорами между ними не менее 4-5 см;
- не допускается применение камней, ширина которых превышает 1/3 толщины кладки;
- камни следует осаживать в бетонную смесь до начала ее схватывания не менее, чем на половину их высоты при помощи вибратора или трамбовки;
- перерывы в работе допускаются только после укладки ряда камней в верхний слой бетонной смеси;
- возобновление работы после перерыва начинают с укладки слоя бетонной смеси.
7. При выполнении облицовки бутовой кладки кирпичом или камнем правильной формы, облицовку следует перевязывать с кладкой тычковыми рядами через каждые 4-6 ложковых рядов, но не более чем через 0,6 м. Горизонтальные швы бутовой кладки должны совпадать с перевязочными тычковыми рядами облицовки.
1. Для кладки несущих и самонесущих стен и заполнения каркаса необходимо использовать:
- кирпич полнотелый или пустотелый марки не ниже 75 с отверстиями размером до 14 мм;
- бетонные камни, сплошные и пустотелые блоки марки 50 и выше, в том числе из легкого бетона плотностью не менее 1200 кг/м3 ;
- камни и блоки из ракушечника, известняка марки не менее 35 или туфа марки 50 и выше.
Для строительства в сейсмических районах запрещено использование камней с крупными пустотами и тонкими стенками, кладок с засыпками.
2. Кладку стен из кирпича и мелких блоков следует вести на сложных кладочных растворах марки не ниже 25 в условиях положительных температур наружного воздуха и не ниже 50 - в условиях отрицательных температур, а кладку из крупных блоков - на растворах марки не ниже 50.
Не допускается использование шлакопортландцемента и пуццоланового портландцемента для приготовления полимерцементных растворов.
3. Антисейсмические швы в кладке необходимо выполнять путем возведения парных стен. Ширину швов назначают по расчету, но она не должна быть меньше:
- при высоте здания до 5 м - 30 мм;
- при большей высоте здания - на каждые 5 м высоты увеличивают по 20 мм.
Антисейсмические швы не должны иметь заполнения, препятствующие взаимным перемещениям отсеков здания. При необходимости разрешается закрывать антисейсмические швы фартуками или заклеивать гибкими материалами.
4. Размеры элементов стен каменных зданий следует определять по расчету, но они не должны быть меньше значений, приведенных в табл. 3.
Таблица 3
|
Наименование элемента стены или ее геометрического параметра |
Расчетная сейсмичность, баллы |
||
|
7 |
8 |
99 |
|
|
Ширина простенков, м, не менее, при кладке: |
|
|
|
|
первой категории |
0,64 |
0,9 |
1,16 |
|
второй категории |
0,77 |
1,16 |
1,55 |
|
Ширина проемов, м, не более |
3,5 |
3 |
2,5 |
|
Отношение ширины простенка к ширине проема, не менее |
0,33 |
0,5 |
0,75 |
|
Выступы стен в плане, м, не более |
2 |
1 |
- |
|
Вынос карнизов, м, не более: |
|
|
|
|
из материала стен |
0,2 |
0,2 |
0,2 |
|
из железобетонных элементов, связанных с антисейсмическими поясами |
0,4 |
0,4 |
0,4 |
|
деревянных, оштукатуренных по металлической сетке |
0,75 |
0,75 |
0,75 |
|
Примечание. В зависимости от величины временного сопротивления кирпичной кладки осевому растяжению по перевязочным швам (нормальное сцепление) она делится на две категории по сопротивляемости сейсмическим воздействиям: |
|||
|
Первая категория: при |
|||
|
Вторая категория: при |
|||
Угловые простенки выполняют на 25 см шире, чем указано в табл. 3. При устройстве проемов, превышающих
размеры, приведенные в табл. 3, их необходимо окаймлять железобетонной рамкой.
5. Горизонтальные швы кладки необходимо армировать сетками с выполнением требований, приведенных в СНиП-Н-7-81* и настоящем разделе.
Для горизонтального армирования сплошных участков стен и простенков, выполняемых из кирпича или мелких блоков, следует применять сетки с продольной арматурой диаметром 5-6 мм с поперечными стержнями диаметром 3-4 мм, расположенными на расстоянии не более 40 см друг от друга. Армирование следует осуществлять не реже, чем через 5 рядов кирпичей или через 40 см по высоте кладки из мелких блоков или камней.
Сопряжение каменных стен армируют сетками с суммарной площадью сечения продольной арматуры не менее 1 см2, длиной 1,5 м через 700 мм по высоте при расчетной сейсмичности 7-8 баллов и через 500 мм - при 9 баллах.
6. Все виды кладок должны иметь вертикальное армирование или включать вертикальные железобетонные элементы из бетона класса не ниже В12,5, арматуру которых связывают с антисейсмическими поясами в соответствии со СНиП II-7-81*.
Железобетонные включения в кладке необходимо выполнять открытыми хотя бы с одной стороны, с тем, чтобы обеспечивать контроль за качеством их бетонирования. Их связывают с кладкой с помощью арматурных сеток (3-4 Ø 0 6 мм А-1), запуская их в кладку на 70 см и располагая с тем же шагом, что и армирование сопряжений.
Железобетонные включения (сердечники) связывают с кладкой замкнутыми хомутами диаметром 5-6 мм, которые укладывают в горизонтальные швы кладки и заводят на глубину простенка:
- при отношении его высоты к ширине более 1 - на всю ширину с шагом не менее 40 см для 9-балльной расчетной сейсмичности, до 65 см для 7-8-балльной сейсмичности;
- при отношении менее 1 - на расстоянии не менее 50 см с аналогичным шагом при соответствующей расчетной сейсмичности.
7. Железобетонные антисейсмические пояса в уровне перекрытий и покрытий по всем продольным и поперечным стенам выполняют при толщине стен до 50 см равной их толщине, а при толщине более 50 см допускается устраивать пояса шириной на 10-15 см меньше толщины стен.
8. Высота железобетонных поясов должна быть не менее 15 см. Сечение их продольного армирования определяют расчетом.
9. Перемычки в стенах необходимо устраивать на всю их толщину и заделывать в кладку на глубину не менее 350 мм с обеих сторон. При ширине проема до 1,5 м заделка перемычек допускается на 250 мм.
Кладку стен из мелкоштучных каменных материалов необходимо выполнять с соблюдением следующих требований:
- кладка должна выполняться с применением однорядной (цепной) перевязки;
- все швы кладки следует заполнять раствором полностью с подрезкой раствора на наружных сторонах кладки;
- временные (монтажные) разрывы в возводимой кладке следует оканчивать только наклонной штрабой и располагать вне мест конструктивного армирования стен.
10. Контроль прочности нормального сцепления раствора следует выполнять в возрасте 7 суток. Величина показателя сцепления должна составлять 50% прочности в возрасте 28 суток. При несоответствии прочности проектной величине необходимо прекратить производство работ до решения вопроса проектной организацией.
1. Кладку каменных конструкций в зимних условиях следует выполнять на цементных, цементно-известковых и цементно-глиняных растворах.
Состав строительного раствора заданной марки (обыкновенного и с противоморозными добавками) для зимних работ, подвижность раствора и сроки сохранения подвижности устанавливает предварительно строительная лаборатория в соответствии с требованиями действующих нормативных документов и корректирует с учетом применяемых материалов.
Для зимней кладки следует применять растворы подвижностью: 9-13 см - для кладки из обычного кирпича и 7-8 см - для кладки из кирпича с пустотами и из природного камня.
Не допускается при перерывах в работе укладывать раствор на верхний ряд кладки. Для предохранения от обледенения и заноса снегом на время перерыва в работе верх кладки следует накрывать.
Применяемый в кладочных растворах песок не должен содержать льда и мерзлых комьев, известковое и глиняное тесто должно быть с температурой не ниже 10°С.
2. Конструкции из кирпича, камней правильной формы и крупных блоков в зимних условиях допускается возводить следующими способами:
- с противоморозными добавками на растворах не ниже марки М50;
- на обыкновенных (без противоморозных добавок) растворах с последующим своевременным упрочнением кладки прогревом;
- замораживанием на обыкновенных (без противоморозных добавок) растворах не ниже марки М10 при условии обеспечения достаточной несущей способности конструкции в период оттаивания (при нулевой прочности раствора).
3. При приготовлении растворов с противоморозными добавками следует выполнять требования, приведенные в Приложении 13, устанавливающие расход добавок, а также ожидаемую прочность в зависимости от сроков твердения растворов на морозе.
4. Кладка может осуществляться с использованием всех применяемых систем перевязок. При многорядной системе перевязки вертикальные продольные швы перевязывают не реже, чем через каждые три ряда при кладке из кирпича и через два ряда при кладке из керамического и силикатного камня толщиной 138 мм. Кирпич и камень следует укладывать с полным заполнением вертикальных и горизонтальных швов.
5. При возведении зданий на растворах без противоморозных добавок с последующим упрочнением конструкций искусственным обогревом порядок производства работ следует предусматривать в рабочих чертежах.
Кладку способом прогрева конструкций необходимо выполнять с соблюдением следующих требований:
- утепленная часть сооружения должна оборудоваться вентиляцией, обеспечивающей влажность воздуха в период прогрева не более 70 %;
- нагружение прогретой кладки допускается только после контрольных испытаний и установления требуемой прочности раствора отогретой кладки;
- температура внутри прогреваемой части здания в наиболее охлажденных местах - у наружных стен на высоте 0,5 м от пола - должна быть не ниже 10°С;
- выполняется применение однорядной системы перевязки швов.
6. Глубина оттаивания кладки в конструкциях при обогреве их теплым воздухом с одной стороны принимается по табл. 4.
Таблица 4
(СНиП 3.03.01-87, таблица 30)
|
Расчетная температура воздуха, °С |
Толщина стен в кирпичах |
|||||||||||
|
2 |
2,5 |
3 |
||||||||||
|
Глубина оттаивания при длительности отогрева, сутки |
||||||||||||
|
наружного |
внутреннего |
5 |
10 |
15 |
5 |
10 |
15 |
5 |
10 |
15 |
||
|
-5 |
15 |
|
|
|
|
|
|
|
|
|
||
|
-5 |
25 |
|
|
|
|
|
|
|
|
|
||
|
-15 |
25 |
|
|
|
|
|
|
|
|
|
||
|
-15 |
35 |
|
|
|
|
|
|
|
|
|
||
|
-25 |
35 |
|
|
|
|
|
|
|
|
|
||
|
-25 |
50 |
|
|
|
|
|
|
|
|
|
||
|
-35 |
50 |
|
|
|
|
|
|
|
|
|
||
|
Примечание. Числитель - глубина оттаивания кладки (% толщины стены) из сухого керамического кирпича, знаменатель - то же, из силикатного или влажного керамического кирпича. |
||||||||||||
7. Продолжительность оттаивания кладки с начальной температурой -5оС при двухстороннем отогревании принимается по табл. 5, при обогреве с четырех сторон (столбов) - по табл. 5 с уменьшением данных в 1,5 раза. Прочность растворов, твердеющих при различных температурах, принимается по табл. 6.
Таблица 5
(СНиП 3.03.01-87, таблица 31)
|
Характеристика кладки |
Температура отогревающего воздуха, оС |
Продолжительность, сутки, оттаивания кладки при толщине стен в кирпичах |
||
|
1,5 |
2 |
2,5 |
||
|
Из красного кирпича на растворе: |
|
|
|
|
|
тяжелом |
15 |
1,5 |
2,5 |
4 |
|
25 |
1 |
1,5 |
2,5 |
|
|
легком |
15 |
2,5 |
4 |
6 |
|
25 |
2 |
3 |
4 |
|
|
Из силикатного кирпича на растворе: |
|
|
|
|
|
тяжелом |
15 |
2 |
3,5 |
5 |
|
25 |
1,5 |
2 |
3 |
|
|
легком |
15 |
3,5 |
4,5 |
6,5 |
|
25 |
2,5 |
3 |
4 |
|
Таблица 6
(СНиП 3.03.01-87, таблица 32)
|
Возраст раствора, сут |
Прочность раствора от марки, %, при температуре твердения. °С |
||||||||||
|
1 |
5 |
10 |
15 |
20 |
25 |
30 |
35 |
40 |
45 |
50 |
|
|
1 |
1 |
4 |
6 |
10 |
13 |
18 |
23 |
27 |
32 |
38 |
43 |
|
2 |
3 |
8 |
12 |
18 |
23 |
30 |
38 |
45 |
54 |
63 |
76 |
|
3 |
5 |
11 |
18 |
24 |
33 |
47 |
49 |
58 |
66 |
75 |
85 |
|
5 |
10 |
19 |
28 |
37 |
45 |
54 |
61 |
70 |
78 |
85 |
95 |
|
7 |
15 |
25 |
37 |
47 |
55 |
64 |
72 |
79 |
87 |
94 |
99 |
|
10 |
23 |
35 |
48 |
58 |
68 |
75 |
82 |
89 |
95 |
100 |
- |
|
14 |
31 |
50 |
71 |
80 |
86 |
92 |
96 |
100 |
- |
- |
- |
|
21 |
42 |
58 |
74 |
85 |
92 |
96 |
100 |
103 |
- |
- |
- |
|
28 |
52 |
68 |
83 |
95 |
100 |
104 |
- |
- |
- |
- |
- |
|
Примечания: 1. При применении растворов, изготовленных на шлакопортландцементе и пуццолановом портландцементе, величина относительной прочности определяется умножением значений, приведенных в табл. 6, на коэффициенты: 0,3 - при температуре твердения 0,7 - при 5°С; 0,9 - при 9°С; 1 - при 15°С и выше. 2. Для промежуточных значений температуры твердения и возраста раствора прочность его определяется интерполяцией. |
|||||||||||
8. Способом замораживания на обыкновенных (безпротивоморозных добавок) растворах в течение зимнего периода разрешается (при соответствующем обосновании расчетом) возводить здания высотой не более четырех этажей и не выше 15 м.
Не допускается выполнение способом замораживания бутовой кладки из рваного бута.
9. При кладке способом замораживания растворов (безпротивоморозных добавок) необходимо соблюдать следующие требования:
- температура раствора в момент его укладки должна соответствовать температуре, указанной в табл. 7;
Таблица 7
(СНиП 3.03.01-87, таблица 33)
|
Среднесуточная температура наружного воздуха, °С |
Положительная температура раствора, °С, на рабочем месте для кладки |
|||
|
Из кирпича и камней правильной формы |
Из крупных блоков |
|||
|
при скорости ветра, м/с |
||||
|
до 6 |
свыше 6 |
до 6 |
свыше 6 |
|
|
До минус 10 |
5 |
10 |
10 |
15 |
|
От минус 11 До минус 20 |
10 |
15 |
10 |
20 |
|
Ниже минус 20 |
15 |
20 |
20 |
25 |
|
Примечание. Для получения необходимой температуры раствора может применяться подогретая (до 80°С) вода, а также подогретый песок (не выше 60°С). |
||||
- выполнение работы следует осуществлять одновременно по всей захватке;
- применять однорядную (цепную) систему перевязки швов;
- во избежание замерзания раствора его следует укладывать не более чем на два смежных кирпича при выполнении версты и не более чем на 6-8 кирпичей при выполнении забутовки;
- на рабочем месте каменщика допускается иметь запас раствора не более чем на 30-40 мин. Ящик для раствора необходимо утеплять или подогревать;
- использование замерзшего или отогретого горячей водой раствора не допускается.
10. Перед наступлением оттепели, до начала оттаивания кладки, следует выполнять по всем этажам здания предусмотренные проектом производства работ мероприятия по разгрузке, временному креплению или усилению перенапряженных ее участков (столбов, простенков, опор, ферм, прогонов и т. п.). С перекрытий необходимо удалять случайные, не предусмотренные проектом нагрузки (строительный мусор, строительные материалы).
11. Контроль качества работ по возведению каменных зданий в зимних условиях следует осуществлять на всех этапах строительства.
В журнале производства работ помимо обычных записей о составе выполняемых работ следует фиксировать: температуру наружного воздуха; количество добавки в растворе; температуру раствора в момент укладки и другие данные, влияющие на процесс твердения раствора.
12. Возведение здания может производиться без проверки фактической прочности раствора в кладке до тех пор, пока возведенная часть здания по расчету не вызывает перегрузки нижележащих конструкций в период оттаивания. Дальнейшее возведение здания разрешается производить только после того, как раствор приобретает прочность (подтвержденную данными лабораторных испытаний), не ниже требуемой по расчету, указанной в рабочих чертежах для возведения здания в зимних условиях.
Для проведения последующего контроля прочности раствора с
противоморозными добавками необходимо при возведении конструкций изготавливать
образцы-кубы размером 7,07
7,07
7,07 см на отсасывающем воду основании
непосредственно на объекте.
При возведении одно- и двухсекционных домов число контрольных образцов на каждом этаже (за исключением трех верхних) должно быть не менее 12. При числе секций более двух должно быть не менее 12 контрольных образцов на каждые две секции.
Образцы, не менее трех, испытывают после трехчасового оттаивания при температуре не ниже 20 ± 5 °С. Контрольные образцы-кубы следует испытывать в сроки, необходимые для поэтажного контроля прочности раствора при возведении конструкций. Образцы следует хранить в тех же условиях, что и возводимую конструкцию и предохранять от попадания на них воды и снега.
Для определения конечной прочности раствора три контрольных образца необходимо испытывать после их
оттаивания в естественных условиях и последующего 28-суточного твердения при температуре наружного воздуха не ниже 20 ± 5°С.
В дополнение к испытаниям кубов, а также в случае их отсутствия, разрешается определить прочность раствора испытанием образцов с ребром 3-4 см, изготовленных из двух пластинок раствора, отобранных из горизонтальных швов.
13. При возведении зданий способом замораживания на обыкновенных (без противоморозных добавок) растворах с последующим упрочнением кладки искусственным прогревом необходимо осуществлять постоянный контроль за температурными условиями твердения раствора с фиксацией их в журнале. Температура воздуха в помещениях при обогреве замеряется регулярно не реже трех раз в сутки: в 1, 9 и 17 ч. Контроль температуры воздуха следует производить не менее, чем в 5-6 точках вблизи наружных стен обогреваемого этажа на расстоянии 0,5 м от пола.
Среднесуточная температура воздуха в обогреваемом этаже определяется как среднее арифметическое из частных замеров.
14. Перед приближением весны и в период длительных оттепелей необходимо усилить контроль за состоянием всех несущих конструкций зданий, возведенных в осенне-зимний период, независимо от их этажности и разработать мероприятия по удалению дополнительных нагрузок, устройству временных креплений и определению условий для дальнейшего продолжения строительных работ.
При выполнении работ в жаркую и сухую погоду (при температуре воздуха 25°С и выше и относительной влажности наружного воздуха менее 50%) необходимо соблюдение следующих дополнительных условий:
- водоцементное отношение растворов, приготовленных на шлаковых и пуццолановых портландцементах, должно быть повышено;
- кладка должна поддерживаться в увлажненном состоянии в течение всего жаркого времени суток;
- водоудерживающая способность каждого из составов растворов должна устанавливаться непосредственно на объекте не реже одного раза в смену, при этом величина показателя водоудерживающей способности должна быть не менее 75 % от установленной в лабораторных условиях;
- расслаиваемость раствора, перевозимого неспециализированным транспортом на расстоянии более 5 км, должна проверяться не реже двух раз в смену непосредственно на строительной площадке; величина расслаиваемости должна быть не более 25 см3 для растворов с подвижностью 10-12 см и не более 40 см3 для растворов с подвижностью 12-14 см;
- глиняный кирпич до укладки в конструкцию должен обильно смачиваться водой;
- при перерывах в работе верхний ряд кладки не должен прикрываться раствором, а перед возобновлением работ должен поливаться водой;
- за готовой кладкой по рекомендации строительной лаборатории необходимо осуществлять уход в целях исключения ее высыхания до набора раствором требуемой прочности.
1. Качество кладки из пустотелых стеклянных блоков должно отвечать следующим требованиям:
- кладку следует вести на цементно-песчаном растворе без перевязки швов;
- видимая толщина швов должна быть не менее 8-10 мм;
- все горизонтальные и вертикальные швы должны быть полностью заполнены раствором;
- нижняя часть перегородок из стеклоблоков на высоту 20-25 см должна выполняться из кирпича или керамического камня;
- прочность и устойчивость перегородок обеспечивают укладкой в горизонтальные и вертикальные швы 1-2 стержней арматуры диаметром 6 мм или полосы перфорированной стали толщиной 2 мм и шириной 30-50 мм, а также контурной металлической обвязкой из стального уголка.
2. Качество перегородок из профильного строительного стекла должно отвечать следующим требованиям:
- стеклопрофилит в наружных и внутренних стенах и перегородках устанавливают вертикально на эластичные прокладки и закрепляют уголковой сталью на винтах или металлическими штапиками на винтах или шпильках, вставленных в заранее просверленные отверстия;
- зазоры между элементами стеклопрофилита заполняют морозостойкой резиной (для наружных стен) с последующей герметизацией бутафольными мастиками.
1. Производство работ по усилению каменных конструкций реконструируемых и поврежденных зданий производится в соответствии с рабочими чертежами и проектом производства работ.
2. Перед усилением каменных конструкций следует подготовить поверхность: произвести визуальный осмотр и простукивание кладки молотком, очистить поверхность кладки от грязи и старой штукатурки, удалить частично разрушенную (размороженную) кладку.
3. Усиление каменных конструкций методом инъекций в зависимости от степени повреждений или требуемого повышения несущей способности конструкций следует выполнять на цементно-песчаных, беспесчаных или цементно-полимерных растворах. Для цементных и цементно-полимерных растворов необходимо применять портландцемент марки М400 или М500 с тонкостью помола не менее 2400 см3/г. Цементное тесто должно быть нормальной густоты в пределах 20-25 %.
При изготовлении инъекционного раствора необходимо производить контроль его вязкости и водоотделения. Вязкость определяют вискозиметром ВЗ-4. Для цементных растворов она должна быть 13-17 с, для эпоксидных - 3-4 мин. Водоотделение, определяемое выдержкой раствора в течение 3 ч, не должно превышать 5% общего объема пробы растворной смеси.
4. При усилении каменных конструкций стальными обоймами (уголками с хомутами) установку металлических уголков следует выполнять одним из следующих способов:
- на каменную конструкцию в местах установки уголков обоймы наносят слой цементного раствора марки не ниже М100. Затем устанавливают уголки с хомутами и
- создают в хомутах предварительное натяжение усилием 10-15 кН;
- уголки устанавливают без раствора с зазором 15-20 мм, зафиксированным стальными или деревянными клиньями, воссоздают в хомутах натяжение усилием 10-15 кН. Зазор зачеканивают жестким раствором, удаляют клинья и производят полное натяжение хомутов до 30-40 кН.
При обоих способах установки металлических обрезом создают полное натяжение хомутов через 3 суток после их натяжения.
5. Усиление каменных конструкций железобетонными армированными растворными обоймами следует выполнять с соблюдением следующих требований:
- армирование выполнять связанными каркасами, которые должны фиксироваться в проектном положении при помощи скоб или крюков, забиваемых в швы кладки с шагом 0,8-1,0 м в шахматном порядке; не допускается соединять плоские каркасы в пространственные точечной сваркой вручную;
- для опалубки следует применять разборно-переставную опалубку, щиты опалубки должны быть соединены жестко между собой и обеспечивать плотность и неизменяемость конструкции в целом;
- бетонную смесь укладывать слоями и уплотнять вибратором, не допуская повреждения монолитности усиливаемого участка кладки;
- бетонная смесь должна иметь осадку конуса 5-6 см, фракция щебня - не более 20 мм;
- распалубку обойм производить после достижения бетоном 50%-ной проектной прочности.
6. При усилении каменных стен стальными полосами при наличии штукатурного слоя необходимо выполнить в нем горизонтальные штрабы глубиной, равной толщине штукатурного слоя, и шириной, равной ширине металлической полосы плюс 20 мм.
7. При усилении каменных стен внутренними анкерами необходимо отверстия в стене под анкера инъецировать раствором.
Основные скважины под анкера следует располагать в шахматном порядке с шагом 50-100 см при ширине раскрытия трещин 0,3-1 мм и 100-200 см при раскрытии трещин 3 мм и более. В местах концентрации мелких трещин следует располагать дополнительные скважины.
Скважины необходимо сверлить на глубину 10-30 см, но не более 1/2 толщины стены.
8. При усилении каменных стен стальными предварительно напряженными тяжами точное усилие натяжения тяжей следует контролировать измерением деформаций индикатором часового типа с ценой деления 0,001 мм или при помощи динамометрического ключа. При установке тяжей в зимнее время в не отапливаемых помещениях необходимо летом доподтянуть тяжи с учетом перепада температур.
9. Замену простенков и столбов новой кладкой следует начинать с постановки временных креплений и демонтажа оконных заполнений в соответствии с рабочими чертежами и проектом производства работ. Новую кладку простенка необходимо выполнять тщательно, с полным осаживанием кирпича для получения тонкого шва.
Новую кладку следует не доводить до старой на 3-4 см. Зазор должен тщательно зачеканиваться жестким раствором марки не ниже М100. Временное крепление допускается снимать после достижения новой кладкой не менее 70 % проектной прочности.
10. При усилении каменной кладки контролю подлежат:
- качество подготовки поверхности каменной кладки;
- соответствие конструкций проекту;
- качество сварки крепежных деталей после напряжения элементов конструкций;
- наличие и качество антикоррозионной защиты конструкций усиления.
1. Приемку выполненных работ по возведению каменных конструкций необходимо производить до оштукатуривания их поверхностей.
2. Отклонения в размерах и положении каменных конструкций от проектных не должны превышать данных, указанных в табл. 8, где в скобках приведены размеры допускаемых отклонений для конструкций из вибрированных кирпичных, керамических и каменных блоков и панелей.
3. Следует принимать по документам, удостоверяющим соответствие проекту и нормативным документам, элементы каменных конструкций, скрытых в процессе производства СМР, в том числе:
Таблица 8
(СНиП 3.03.01-87, таблица 34)
|
Проверяемые конструкции |
Предельные отклонения, мм |
Контроль (метод, вид регистрации) |
||||
|
стен |
столбов |
фундамента |
стен |
столбов |
||
|
из кирпича, (детали) керамических и природных камней правильной формы, из крупных блоков |
из бута и бутобетона |
|||||
|
Толщина конструкций |
±15 |
±10 |
±30 |
±20 |
±20 |
Измерительный, |
|
Отметки опорных поверхностей |
-10 |
-10 |
-25 |
-15 |
-15 |
журнал работ То же |
|
Ширина простенков |
-15 |
- |
- |
-20 |
- |
» |
|
Ширина проемов |
+15 |
- |
- |
+20 |
- |
» |
|
Смещение вертикальных осей оконных проемов от вертикали |
20 |
- |
- |
20 |
- |
» |
|
Смещение осей конструкций от разбивочных осей |
10(10) |
10 |
20 |
15 |
10 |
Измерительный, |
|
Отклонения поверхностей и углов кладки от вертикали: |
|
|
|
|
|
геодезическая исполнительная схема То же |
|
на один этаж |
10(5) |
10 |
- |
20 |
15 |
|
|
на здание высотой более двух этажей |
30(30) |
30 |
30 |
30 |
30 |
|
|
Толщина швов кладки: |
|
|
|
|
|
Измерительный, |
|
горизонтальных |
-2;+3 |
-2;+3 |
- |
- |
- |
журнал работ |
|
вертикальных |
-2;+2 |
-2;+3 |
- |
- |
- |
|
|
Отклонения радов кладки от горизонтали на 10 м длины стены - |
15(15) |
- |
30 |
20 |
- |
Технический осмотр, |
|
Неровности на вертикальной поверхности кладки, обнаруженные при накладывании рейки длиной 2 м |
10 |
5 |
- |
15 |
15 |
геодезическая исполнительная схема Технический осмотр, журнал работ |
|
Размеры сечения вентиляционных каналов |
±5 |
- |
- |
- |
- |
Измерительный, журнал |
|
Примечание. В скобках приведены размеры допускаемых отклонений для конструкций из вибрированных кирпичных, керамических и каменных блоков и панелей. |
||||||
- места опирания ферм, прогонов, балок, плит перекрытий на стены, столбы и пилястры и их заделка в кладке;
- закрепление в кладке сборных железобетонных изделий, карнизов, балконов и других консольных конструкций;
- закладные детали и их антикоррозионная защита;
- уложенная в каменные конструкции арматура;
- осадочные деформационные швы, антисейсмические швы;
- гидропароизоляция кладки.
4. При приемке законченных работ по возведению каменных конструкций необходимо проверять:
- правильность перевязки швов, их толщину и заполнение, а также горизонтальность рядов и вертикальность углов кладки;
- правильность устройства деформационных швов;
- правильность устройства дымовых и вентиляционных каналов в стенах;
- качество поверхностей фасадных не оштукатуриваемых стен из кирпича;
- качество фасадных поверхностей, облицованных керамическими, бетонными и другими видами камней и плит;
- геометрические размеры и положение конструкций.
5. При приемке каменных конструкций, выполняемых в сейсмических районах, дополнительно контролируется устройство:
- армированного пояса в уровне верха фундаментов;
- поэтажных антисейсмических поясов;
- крепления тонких стен и перегородок к капитальным стенам, каркасам и перекрытиям;
- усиления каменных стен включениями в кладку монолитных и сборных железобетонных элементов;
- анкеровки элементов, выступающих выше чердачного перекрытия, а также прочность сцепления раствора со стеновым каменным материалом.
В настоящем разделе определяется порядок осуществления контроля качества и приемки работ, выполняемых при возведении монолитных бетонных и железобетонных конструкций зданий, сооружений на стадиях производства опалубочных, арматурных и бетонных работ в соответствии с требованиями СНиП 3.03.01-87.
1. В зависимости от вида бетонируемых монолитных бетонных и железобетонных конструкций могут применяться различные типы опалубки в соответствии с требованиями ГОСТ 23478-79:
- разборно-переставная мелкощитовая;
- разборно-переставная крупнощитовая;
- подъемно-переставная;
- горизонтально-перемещаемая (катучая, тоннельная);
- скользящая;
- блочная;
- пневматическая;
- несъемная.
2. Любой тип применяемой опалубки должен отвечать следующим требованиям:
- иметь необходимую прочность, жесткость, геометрическую неизменяемость и герметичность под воздействием технологических нагрузок, обеспечивая при этом проектную форму, геометрические размеры и качество возводимых конструкций;
обеспечивать максимальную оборачиваемость и минимальную стоимость в расчете на один оборот;
- иметь минимальную адгезию и химическую нейтральность формообразующих поверхностей по отношению к бетону (кроме несъемной опалубки);
- обеспечивать минимизацию материальных, трудовых и энергетических затрат при монтаже и демонтаже, быстроразъемность соединительных элементов, удобство ремонта и замены вышедших из строя элементов;
- иметь минимальное число типоразмеров элементов;
- обеспечивать возможность укрупнительной сборки и переналадки в условиях строительной площадки.
3. В процессе изготовления и установки опалубки контролю подлежат:
- применяемые материалы;
- изготовленные элементы опалубки;
- установка опалубки и соответствие ее конструкции проекту;
- надежность закрепления опалубки.
4. Инвентарная опалубка должна изготовляться, как правило, централизованно на специализированных предприятиях и поставляться комплектно с элементами крепления и соединения. Изготовитель должен сопровождать комплект опалубки паспортом с руководством по эксплуатации, в котором указывается:
- наименование и адрес изготовителя;
- номер и дата выдачи паспорта;
- номенклатура и количество элементов опалубки;
- дата изготовления опалубки;
- гарантийное обязательство;
- ведомость запасных частей.
5. При приемке установленной опалубки проверяются:
- плотность основания, гарантирующая отсутствие осадок;
- правильность установки опалубки, а также несущих и поддерживающих элементов, анкерных устройств и элементов крепления;
- геометрические размеры собранной опалубки;
- смещение осей опалубки от проектного положения;
- правильность установки пробок и закладных деталей.
6. Точность изготовления и установки опалубки, а также допустимая прочность бетона при распалубке должны соответствовать требованиям, приведенным в табл. 1.
Таблица 1
(СНиП 3.03.01-87, таблица 10)
|
Технические требования |
1 Предельные отклонения |
Контроль (метод, объем, вид регистрации) | |
|
1. Точность изготовления опалубки: инвентарной |
По рабочим чертежам и техническим условиям |
Технический осмотр, регистрационный |
|
пневматической |
По техническим условиям |
Измерительный |
|
2. Уровень дефектности |
Не более 1,5% |
Измерительный, всех элементов, журнал работ |
|
3. Точность установки инвентарной опалубки: |
Перепады поверхностей не более 2 мм |
То же |
|
для конструкций, готовых под окраску без шпатлевки |
По проекту |
» |
|
для конструкций, готовых под оклейку обоями |
|
|
|
для конструкций, к поверхностям которых не предъявляются требования точности |
|
|
|
4. Точность установки и качество поверхности несъемной |
Определяется качеством поверхности облицовки |
|
|
5. Точность установки несъемной опалубки, выполняющей функции внешнегоармирования |
По проекту |
|
|
6. Прогиб собранной опалубки: вертикальных поверхностей перекрытий |
1/400 пролета 1/500 пролета |
Измерительный |
|
7. Минимальная прочность бетона незагруженных монолитных конструкций при распалубке поверхностей: вертикальных горизонтальных и наклонных при пролете: |
0,2-0,3 МПа |
Измерительный, журнал работ |
|
до 6 м |
70 % проектной |
|
|
свыше 6 м |
80 % проектной |
|
|
8. Минимальная прочность бетона при распалубке загруженных конструкций, в том числе от вышележащего бетона |
По ППР и согласованию с проектной организацией |
То же |
1. При возведении железобетонных конструкций для их армирования, в соответствии с требованием проекта, могут применяться:
- арматурные стержни;
- сетки;
- арматурные каркасы (плоские и объемные);
- армометаллоблоки.
Арматурная сталь и сортовой прокат, арматурные изделия и закладные элементы должны соответствовать проекту и требованиям соответствующих стандартов.
2. В процессе заготовки арматурных стержней, изготовления сеток, каркасов, их установки контролируются:
- качество арматурных стержней;
- правильность изготовления и сборки сеток и каркасов;
- качество стыков и соединений арматуры;
- качество смонтированной арматуры.
3. Транспортирование и хранение арматурной стали, следует осуществлять в соответствии с требованиями ГОСТ 2566-79. Поступающие на строительную площадку арматурная сталь, закладные детали и анкера при приемке должны подвергаться внешнему осмотру и замерам, а также контрольным испытаниям в случаях, оговоренных в проекте или в специальных указаниях по применению отдельных видов арматурной стали, сомнений в правильности характеристик арматурной сетки, закладных деталей и анкеров, отсутствии необходимых данных в сертификатах или паспортах заводов-изготовителей, применения арматуры в качестве напрягаемой.
4. Установка арматурных изделий в опалубку должна осуществляться в соответствии с ППР. Для обеспечения правильности положения арматуры в бетоне должны использоваться специальные фиксаторы, которые обеспечивают заданную толщину защитного слоя, расстояние между отдельными арматурными сетками и каркасами.
5. При устройстве арматурных конструкций следует соблюдать требования, приведенные в табл. 2.
Таблица 2
(СНиП 3.03.01-87, таблица 9)
|
Технические требования |
Предельные отклонения, мм |
Контроль (метод, объем, вид регистрации) |
|
1. Отклонение в расстоянии между отдельно установленными рабочими стержнями для: |
|
Технический осмотр всех элементов, журнал работ |
|
Колонн и балок |
±10 |
|
|
плит и стен фундаментов |
±20 |
|
|
массивных конструкций |
±30 |
|
|
2. Отклонение в расстоянии между рядами арматуры для: |
|
То же |
|
плит и балок толщиной до 1 М |
±10 |
|
|
конструкций толщиной более 1 м |
±20 |
|
|
3. Отклонение от проектной толщины защитного слоя бетона не должно превышать: при толщине защитного слоя до 15 мм и линейных размерах поперечного сечения конструкции, мм: |
|
» |
|
До 100 |
+4; |
|
|
от 101 до 200 |
+5 |
|
|
при толщине защитного слоя от 16 до 20 мм включительно и линейных размерах поперечного сечения конструкций, мм: |
|
|
|
До 100 |
+4; -3 |
|
|
от 101 до 200 |
+8; -3 |
|
|
от 201 до 300 |
+10; -3 |
|
|
свыше 300 |
+25; -5 |
|
|
при толщине защитного слоя свыше 20 мм и линейных размерах поперечного сечения конструкции, мм: |
|
|
|
До 100 |
+4; -5 |
|
|
от 101 до 200 |
+8; -5 |
|
|
от 201 до 300 |
+10;-5 |
|
|
свыше 300 |
+15;-5 |
|
|
4. Длина нахлестки при армировании конструкций без сварки: отдельными стержнями: |
Не менее |
» |
|
для арматуры А-1 40 |
40 |
|
|
для арматуры А-II 40 |
40 |
|
|
для арматуры А-Ш 50 |
50 |
|
|
сварными сетками и каркасами |
По проекту, но не менее 250 |
|
|
5. Суммарная длина сварных швов на стыке стержней внахлестку или на каждой половине стыка с накладками: для арматуры А-1: |
|
» |
|
при двухсторонних швах |
3 |
|
|
при односторонних швах |
6 |
|
|
для арматуры А-II, А-III: |
|
|
|
при двухсторонних швах |
4 |
|
|
при односторонних швах |
8 |
|
6. Приемка смонтированной арматуры, а также сварных стыковых соединений должна осуществляться до укладки бетонной смеси и оформляться актом освидетельствования скрытых работ.
1. Контроль качества выполнения бетонных работ предусматривает его осуществление на следующих этапах:
- подготовительном;
- бетонирования (приготовления, транспортировки и укладки бетонной смеси);
- выдерживания бетона и распалубливания конструкций;
- приемки бетонных и железобетонных конструкций или частей сооружений.
2. На подготовительном этапе необходимо контролировать:
- качество применяемых материалов для приготовления бетонной смеси и их соответствия требованиям ГОСТ;
- подготовленность бетоносмесительного, транспортного и вспомогательного оборудования к производству бетонных работ;
- правильность подбора состава бетонной смеси и назначение ее подвижности (жесткости) в соответствии с указаниями проекта и условиями производства работ;
- результаты испытаний контрольных образцов бетона при подборе состава бетонной смеси.
3. Состав бетонной смеси должен подбираться строительной лабораторией в соответствии с требованиями раздела «Требования к строительным материалам и изделиям. Правила их приемки, испытания и хранения», часть III. Состав, приготовление, транспортирование и укладка бетонной смеси, правила и методы контроля ее качества должны соответствовать ГОСТ 7473-94 и требованиям табл. 3. Состав бетонной смеси в процессе работ должен корректироваться с учетом изменяющихся характеристик исходных материалов (вяжущих, заполнителей).
4. Транспортирование бетонной смеси необходимо осуществлять специализированными средствами, предусмотренными ППР. Принятый способ транспортирования бетонной смеси должен:
Таблица 3
(СНиП 3.03.01-87, таблица 1)
|
Технические требования |
Допускаемые отклонения |
Контроль (метод, объем, вид регистрации) |
|
1. Число фракций крупного заполнителя при крупности зерен, мм: |
|
Измерительный, журнал работ |
|
до 40 |
Не менее двух |
|
|
свыше 40 |
Не менее трех |
|
|
2. Наибольшая крупность заполнителей: |
|
То же |
|
для железобетонных конструкций |
Не более 2/3 наименьшего расстояния между стержнями арматуры |
|
|
для плит |
Не более 1/2 толщины плиты |
|
|
для тонкостенных конструкций |
Не более 1/3-1/2 толщины изделия |
|
|
при перекачивании бетононасосом |
Не более 0,33 внутреннего диаметра |
|
|
|
трубопровода |
|
|
в том числе зерен наибольшего размера лещадной и игловатой форм |
Не более 15 % по массе |
|
|
3. При перекачивании по бетоноводам содержание песка крупностью менее, мм: |
|
Измерительный, по ГОСТ 8736-93 |
|
0,14 |
5-7 % |
|
|
0,3 |
15-20 % |
|
- исключить попадание атмосферных осадков и прямого воздействия солнечных лучей;
- исключить расслоение и нарушение однородности;
- не допустить потерю цементного молока или раствора.
5. Максимальная продолжительность транспортирования бетонной смеси должна устанавливаться строительной лабораторией с условием обеспечения сохранности требуемого качества смеси в пути и на месте ее укладки.
6. Перед укладкой бетонной смеси должны быть проверены основания (грунтовые или искусственные), правильность установки опалубки, арматурных конструкций и закладных деталей. Бетонные основания и рабочие швы в бетоне должны быть тщательно очищены от цементной пленки без повреждения бетона, опалубка - от мусора и грязи, арматура - от налета ржавчины. Внутренняя поверхность инвентарной опалубки должна быть покрыта специальной смазкой, не ухудшающей внешний вид и прочностные качества конструкций.
7. В процессе укладки бетонной смеси необходимо контролировать:
- состояние лесов, опалубки, положение арматуры;
- качество укладываемой смеси;
- соблюдение правил выгрузки и распределение бетонной смеси;
- толщину укладываемых слоев;
- режим уплотнения бетонной смеси;
- соблюдение установленного порядка бетонирования и правил устройства рабочих швов;
- своевременность и правильность отбора проб для изготовления контрольных образцов бетона.
Результаты контроля необходимо фиксировать в журнале бетонных работ.
8. Контроль качества укладываемой бетонной смеси должен осуществляться путем проверки ее подвижности (жесткости):
- у места приготовления - не реже двух раз в смену в условиях установившейся погоды и постоянной влажности заполнителей;
- у места укладки - не реже двух раз в смену.
9 Подачу и распределение бетонной смеси необходимо осуществлять в соответствии с ППР (желобами, хоботами, виброхоботами, бадьями, ленточными конвейерами, бетононасосами и др.). При подаче бетонной смеси любым способом необходимо исключить расслоение и утечку цементного молока.
10. Бетонная смесь должна укладываться в конструкции горизонтальными слоями одинаковой толщины без разрыва с последовательным направлением укладки в одну сторону во всех слоях. Толщина укладываемого слоя должна быть установлена в зависимости от степени армирования конструкции и применяемых средств уплотнения.
11. При уплотнении бетонной смеси не допускается опирание вибраторов на арматуру и закладные изделия, тяжи и другие элементы крепления опалубки. Глубина погружения глубинного вибратора в бетонную смесь должна обеспечивать углубление его в ранее уложенный слой на 5-10 см. Шаг перестановки глубинных вибраторов не должен превышать полуторного радиуса их действия, поверхностных вибраторов - должен обеспечивать перекрытие на 100 мм площадкой вибратора границы уже провибрированного участка.
12. Укладка следующего слоя бетонной смеси допускается до начала схватывания бетона предыдущего слоя. Продолжительность перерыва между укладкой смежных слоев бетонной смеси без образования рабочего шва устанавливается строительной лабораторией. Верхний уровень уложенной бетонной смеси должен быть на 50-70 мм ниже верха щитов опалубки.
13. Поверхность рабочих швов, устраиваемых при укладке бетонной смеси с перерывами, должна быть перпендикулярна оси бетонируемых колонн и балок, поверхности плит и стен. Возобновление бетонирования допускается производить по достижении бетоном прочности не менее 1,5 МПа. Рабочие швы по согласованию с проектной организацией допускается устраивать при бетонировании:
- колонн - на отметке верха фундамента, низа прогонов, балок и подкрановых консолей, верха подкрановых балок, низа капителей колонн;
- балок больших размеров, монолитно соединенных с плитами - на 20-30 мм ниже отметки нижней поверхности плиты, а при наличии в плите вутов - на отметке низа вута плиты;
- плоских плит - в любом месте параллельно меньшей стороне плиты;
- ребристых перекрытий - в направлении, параллельном второстепенным балкам;
- отдельных балок - в пределах средней трети пролета балок, в направлении, параллельном главным балкам (прогонам), в пределах двух средних четвертей пролета прогонов и плит;
- массивов, арок, сводов, резервуаров, бункеров, гидротехнических сооружений, мостов и других сложных инженерных сооружений и конструкций - в местах, указанных в проектах.
14. При укладке и уплотнении бетонной смеси необходимо соблюдать требования табл. 4.
Таблица 4
(СНиП 3.03.01-87, таблица 2)
|
Технические требования |
Допускаемые отклонения |
Контроль (метод, объем, вид регистрации) |
|
1. Прочность поверхностей бетонных оснований при очистке от цементной пленки: |
Не менее, МПа: |
Измерительный, по |
|
водной и воздушной струей |
0,3 |
|
|
механической металлической щеткой |
1,5 |
|
|
гидропескоструйной или механической фрезой |
5,0 |
|
|
2. Высота свободного сбрасывания бетонной смеси в опалубку конструкций: |
Не более, м: |
Измерительный, 2 раза в смену, журнал работ |
|
колонн |
5,0 |
|
|
перекрытий |
1,0 |
|
|
стен |
4,5 |
|
|
неармированных конструкций |
6,0 |
|
|
слабоармированных подземных конструкций в сухих и связных грунтах густоармированных |
4,5 |
|
|
|
||
|
3,0 |
||
|
3. Толщина укладываемых слоев бетонной смеси: |
|
Измерительный, 2 раза в смену, журнал работ |
|
при уплотнении смеси тяжелыми подвесными вертикально расположенными вибраторами |
На 5-10 см меньше длины рабочей части вибратора |
|
|
при уплотнении смеси подвесными вибраторами, расположенными под углом к вертикали (до 30°) |
Не более вертикальной проекции длины рабочей части вибратора |
|
|
при уплотнении смеси ручными глубинными вибраторами |
Не более 1,25 длины рабочей части вибратора |
|
|
при уплотнении смеси поверхностными вибраторами в конструкциях: |
|
|
|
неармированных |
40 |
|
|
с одиночной арматурой |
25 |
|
|
с двойной арматурой |
12 |
|
15. Состав мероприятий на этапе выдерживания бетона, ухода за ним и последовательность распалубливания конструкций устанавливается ППР с соблюдением следующих требований:
- поддержание температурно-влажностного режима, обеспечивающего нарастание прочности бетона заданными темпами;
- предотвращение значительных температурно-усадочных деформаций и образования трещин;
- предохранение твердеющего бетона от ударов и других механических воздействий;
- предохранение в начальный период твердения бетона от попадания атмосферных осадков или потери влаги.
16. Движение людей по забетонированным конструкциям и установка на них опалубки вышележащих конструкций допускаются после достижения бетоном прочности не менее 1,5 МПа.
17. Распалубливание забетонированных конструкций допускается при достижении бетоном прочности, указанной в табл. 1.
18. Обнаруженные после распалубливания дефектные участки поверхности (гравелистые поверхности, раковины) необходимо расчистить, промыть водой под напором и затереть (заделать) цементным раствором состава 1:2-1:3.
19. Контроль качества бетона предусматривает проверку соответствия фактической прочности бетона в конструкции и проектной и заданной в сроки промежуточного контроля, а также соответствия морозостойкости и водонепроницаемости требованиям проекта.
20. При проверке прочности бетона обязательными являются испытания контрольных образцов бетона на сжатие. Контрольные образцы должны изготовляться из проб бетонной смеси, отбираемых на месте ее приготовления и непосредственно на месте бетонирования конструкций (для испытания на прочность). На месте бетонирования должно отбираться не менее двух проб в сутки при непрерывном бетонировании для каждого состава бетона и для каждой группы бетонируемых конструкций. Из каждой пробы должны изготовляться по одной серии контрольных образцов (не менее трех образцов).
Испытание бетона на водонепроницаемость, морозостойкость следует производить по пробам бетонной смеси, отобранным на месте приготовления, а в дальнейшем, не реже одного раза в 3 месяца, и при изменении состава бетона или характеристик используемых материалов.
21. Результаты контроля качества бетона и выполненных бетонных работ должны отражаться в журнале и актах приемки работ.
1. Возведение бетонных и железобетонных конструкций при среднесуточной температуре наружного воздуха ниже 5°С и минимальной суточной температуре ниже 5°С должно осуществляться с проведением мероприятий, обеспечивающих твердение бетона и получение в заданные сроки прочности, морозостойкости, водонепроницаемости и других свойств, указанных в проекте.
2. Приготовление бетонной смеси следует производить в обогреваемых бетоносмесительных установках, применяя подогретую воду, оттаявшие или отогретые заполнители, обеспечивающие получение бетонной смеси с температурой не ниже требуемой по расчету; при этом температура бетонной смеси и температура подогрева воды не должны превышать величин, указанных в табл. 5.
Таблица 5
(СНиП 3.03.01-87, таблица 6)
|
Цементы |
Наибольшая допускаемая температура, °С |
|
|
воды |
бетонной смеси при выходе из смесителя |
|
|
Портландцемент, шлакопортландцемент, пуццсяановый портландцемент марок ниже 600 |
70 |
35 |
|
Быстротвердеющий портландцемент и портландцемент марок 600 и выше |
60 |
30 |
|
Глиноземистый |
40 |
25 |
Допускается применение неотогретых сухих заполнителей, не содержащих наледи на зернах и смерзшихся комьев. При этом продолжительность перемешивания бетонной смеси должна быть увеличена не менее, чем на 25 % по сравнению с летними условиями.
3. Способы и средства транспортирования должны обеспечивать предотвращение снижения температуры бетонной смеси ниже требуемой по расчету.
4. Состояние основания, на которое укладывается бетонная смесь, а также температура основания и способ укладки должны исключить возможность замерзания смеси в зоне контакта с основанием. При температуре воздуха ниже -10°С бетонирование густоармированных конструкций с арматурой больше 24 мм, арматурой из жестких прокатных профилей следует выполнять с предварительным отогревом металла до положительной температуры.
5. Выбор способа выдерживания бетона при зимнем бетонировании монолитных конструкций следует производить в соответствии с учетом рекомендаций, приведенных в табл. 6.
Таблица 6
|
Вид конструкции |
Способ бетонирования |
Минимальная температура, °С |
|
Массивные бетонные и железобетонные фундаменты, блоки и плиты с модулем поверхности до 3 |
Термос |
-15 |
|
Термос с применением ускорителей твердения бетона |
-25 |
|
|
Термос с применением противоморозных добавок |
-25 |
|
|
Фундаменты под конструкции зданий и оборудование, массивные стены и т. п. с модулем поверхности 3-6 |
Термос, в том числе с применением противоморозных добавок и ускорителей твердения |
-15 |
|
|
Обогрев в греющей опалубке. Предварительный разогрев бетонной смеси |
-25 |
|
|
Обогрев в греющей опалубке, периферийный электропрогрев |
-40 |
|
Колонны, балки, прогоны, элементы рамных конструкций, свайные ростверки, стены, перекрытия с модулем поверхности 6-10 |
Термос с применением противоморозных добавок, обогрев в греющей опалубке нагревательными проводами, предварительный разогрев бетонной смеси, индукционный нагрев |
-15 |
|
|
Обогрев в греющей опалубке, нагревательными проводами и термоактивными гибкими покрытиями (ТАГЛ) с применением противоморозных добавок |
-40 |
|
Полы, перегородки, плиты перекрытий, тонкостенные конструкции с модулем поверхности 10-20 |
То же |
-40 |
6. Бетонные работы при отрицательных температурах воздуха следует выполнять в соответствии с требованиями табл. 7.
Таблица 7
(СНиП 3.03.01-87, таблица 6)
|
Параметр |
Величина параметра |
Контроль (метод, объем, вид регистрации) |
|
1. Прочность бетона монолитных и сборномонолитных конструкций к моменту замерзания: |
|
Измерительный, журнал работ |
|
для бетона без противоморозных добавок: |
|
|
|
конструкций, эксплуатирующихся внутри здания, фундаментов под оборудование, не подвергающихся динамическим воздействиям, подземных конструкций |
Не менее 5 МПа |
|
|
конструкций, подвергающихся атмосферным воздействиям в процессе эксплуатации, для класса: |
Не менее, %, проектной прочности: |
|
|
В7, 5-В10 |
50 |
|
|
В12,5-В25 |
40 |
|
|
В30 и выше |
30 |
|
|
конструкций, подвергающихся по окончании выдерживания переменному замораживанию и оттаиванию в водонасыщенном состоянии или расположенных в зоне сезонного оттаивания вечномерзлых грунтов при условии введения в бетон воздухововлекающих или газообразующих ПАВ |
70 |
|
|
в преднапряженных конструкциях |
80 |
|
|
для бетона с противоморозными добавками |
К моменту охлаждения бетона до температуры, на которую рассчитано количество добавок, не менее 20 % проектной прочности |
|
|
2. Загружение конструкций расчетной нагрузкой допускается после достижения бетоном прочности |
Не менее 100 % проектной |
|
|
3. Температура бетонной смеси, уложенной в опалубку, к началу выдерживания или термообработки: |
|
Измерительный, в местах, определенных ППР,: журнал работ |
|
при методе термоса |
По расчету, но не ниже 50С |
|
|
с противоморозными добавками |
Не менее чем на 5°С выше температуры замерзания раствора затворения |
|
|
при тепловой обработке |
Не ниже 0°С |
|
|
4. Температура в процессе выдерживания и тепловой обработки для бетона на: |
Определяется расчетом, но не выше °С |
Измерительный, и тепловой обработки четом, но не по п. 7 |
|
портландцементе |
80 |
|
|
шлакопортландцементе |
90 |
|
|
5. Скорость подъема температуры при тепловой обработке |
|
Измерительный, при тепловой обработке бетона: через каждые 2 ч, журнал работ |
|
для конструкций с модулем поверхности: |
Не более, 0С/ч: |
|
|
до 4 |
5 |
|
|
от 5 до 10 |
10 |
|
|
свыше 10 |
15 |
|
|
для стыков |
20 |
|
|
6. Скорость остывания бетона по окончании тепловой обработки для конструкций с модулем поверхности: |
|
Измерительный, журнал работ |
|
до 4 |
По расчету |
|
|
от 5 до 10 |
Не более 5°С/ч |
|
|
свыше 10 |
Не более 10°С/ч |
|
|
7. Разность температур наружных слоев бетона и воздуха при распалубке с коэффициентом армирования до 1 %, до 3 % и более 3 % должна быть соответственно для конструкций с модулем поверхности: * |
|
То же |
|
от 2 до 5 |
Не более 20, 30, 40°С |
|
|
свыше 5 |
Не более 30, 40, 50°С |
|
7. При контроле температуры бетона в период выдерживания в зимних условиях проверка должна производиться:
- при применении способов термоса, предварительного электропрогрева бетонной смеси, с парогревом - каждые 2 часа в первые сутки, не реже двух раз в смену в последующие трое суток и один раз в сутки в остальное время выдерживания;
- при использовании бетона с противоморозными добавками - три раза в сутки до приобретения им заданной прочности;
- при электротермообработке бетона в период подъема температуры через 2 часа, в дальнейшем - не реже двух раз в смену.
По окончании выдерживания бетона и распалубки конструкций контроль за температурой воздуха должен осуществляться не реже одного раза в смену.
8. Контроль прочности бетона следует осуществлять, как правило, испытанием образцов, изготовленных у места укладки бетонной смеси. Образцы, хранящиеся на морозе, перед испытанием подлежит выдержать 2-4 часа при температуре 15-20°С.
1. При производстве бетонных работ при температуре воздуха выше 25°С и относительной влажности менее 50 % должны применяться быстротвердеющие портландцементы, марка которых должна превышать марочную прочность бетона не менее, чем в 1,5 раза. Для бетонов класса В22,5 и выше допускается применять цементы, марка которых превышает марочную прочность бетона менее, чем в 1,5 раза при условии применения пластифицированных портландцементов или введения пластифицирующих добавок.
Не допускается применение пуццоланового портландцемента, шлакопортландцемента ниже М400 и глиноземистого цемента для бетонирования надземных конструкций, за исключением случаев, предусмотренных проектом.
2. Температура бетонной смеси при бетонировании конструкций с модулем поверхности более 3 не должна превышать 30-35°С, а для массивных конструкций с модулем поверхности менее 3 не должна превышать 20°С.
3. Уход за свежеуложенным бетоном следует начинать сразу после окончаний укладки бетонной смеси и осуществлять до достижения, как правило, 70 % проектной прочности, а при соответствующем обосновании – 50 %.
Уход должен заключаться в обеспечении влажного состояния поверхности путем устройства влагоемкого покрытия и его увлажнения, выдерживания открытых поверхностей бетона под слоем воды, непрерывного распыления влаги над поверхностью конструкций. При этом периодический полив водой открытых поверхностей твердеющих бетонных и железобетонных конструкций не допускается.
4. Контрольные бетонные образцы должны выдерживаться совместно с конструкциями в аналогичных условиях.
1. При приемке законченных бетонных и железобетонных конструкций или частей сооружений следует проверять:
- соответствие конструкций рабочим чертежам;
- качество бетона по прочности, а в необходимых случаях по морозостойкости, водонепроницаемости и другим показателям, указанным в проекте;
- качество применяемых в конструкции материалов, полуфабрикатов и изделий.
2. Приемку законченных бетонных и железобетонных конструкций или частей сооружений следует оформлять в установленном порядке актом освидетельствования скрытых работ или актом на приемку ответственных конструкций.
3. Законченные бетонные и железобетонные конструкции или части сооружений должны соответствовать требованиям, приведенным в табл. 8.
Таблица 8
(СНиП 3.03.01-87, таблица 11)
|
Технические требования |
Предельные отклонения |
Контроль (метод, объем, вид регистрации) |
|
1. Отклонение линий плоскостей пересечения от вертикали или проектного наклона на всю высоту конструкций для: |
|
Измерительный, каждый конструктивный элемент, журнал работ |
|
фундаментов |
20 мм |
|
|
стен и колонн, поддерживающих монолитные покрытия и перекрытия |
15 мм |
|
|
стен и колонн, поддерживающих сборные балочные конструкции |
10 мм |
|
|
стен зданий и сооружений, возводимых в скользящей опалубке, при отсутствии промежуточных перекрытий |
1/500 высоты сооружения, но не более 100 мм |
|
|
стен зданий и сооружений, возводимых в скользящей опалубке, при наличии промежуточных перекрытий |
1/1000 высоты сооружения, но не более 50 мм |
|
|
2. Отклонение горизонтальных плоскостей на всю длину выверяемого участка |
20 мм |
Измерительный, не менее 5 измерений на каждые 50 - 100 м, журнал работ |
|
3. Местные неровности поверхности бетона при проверке двухметровой рейкой, кроме опорных поверхностей |
5 мм |
То же |
|
4. Длина или пролет элементов |
±20 мм |
Измерительный, каждый элемент, журнал работ |
|
5. Размер поперечного сечения элементов |
+6 мм -3 мм |
То же |
|
6. Отметки поверхностей и закладных изделий, служащих опорами для стальных или сборных железобетонных колонн и других сборных элементов |
-5 мм |
Измерительный, каждый опорный элемент, исполнительная схема |
|
7. Уклон опорных поверхностей фундаментов при опирании стальных колонн без подливки |
0,0007 |
То же, каждый фундамент, исполнительная схема |
|
8. Расположение анкерных болтов: |
|
|
|
в плане внутри контура опоры |
5 мм 10 мм |
|
|
в плане вне контура опоры по высоте |
+20 мм |
|
|
9. Разница отметок по высоте на стыке двух смежных поверхностей |
3 мм |
То же, каждый стык, исполнительная схема |
1. В настоящем разделе рассматривается порядок осуществления контроля качества и приемки работ по монтажу сборных бетонных и железобетонных конструкций в соответствии с требованиями СНиП 3.03.01-87.
2. Контроль качества работ по монтажу сборных конструкций включает проверку:
- качества конструкций и материалов, применяемых при монтаже сооружений и заделке монтажных стыков;
- соблюдения технологии и последовательности выполнения монтажных работ;
- геометрических размеров и положения смонтированных частей сооружений;
- качества монтажных соединений, замоноличивания и герметизации стыков и швов;
- готовности смонтированных частей сооружений к производству последующих работ.
3. До начала монтажа конструкций должны быть выполнены и приняты подготовительные и разбивочные работы, а также работы по наладке и приемке монтажных механизмов, по подготовке конструктивных элементов к монтажу.
4. Данные о производстве СМР следует ежедневно вносить в журналы работ по монтажу строительных конструкций, сварочных работ, антикоррозионной защиты сварных соединений, замоноличивания монтажных стыков и узлов, а также фиксировать по ходу монтажа конструкции их положение на геодезических исполнительных схемах.
5. При монтаже элементов должны быть обеспечены:
- устойчивость и неизменяемость их положения на всех стадиях монтажа;
- безопасность производства работ;
- точность их положения с помощью постоянного геодезического контроля;
- прочность монтажных соединений.
6. Конструкции следует устанавливать в проектное положение по принятым ориентирам (рискам, штырям, упорам, граням) или специальным закладным, фиксирующим устройствам.
7. Монтаж конструкций каждого вышележащего этажа (яруса) многоэтажного здания следует производить после проектного закрепления всех монтажных элементов и достижения бетоном (раствором) замоноличенных стыков несущих конструкций прочности, указанной в ППР.
Допускается при соответствующем указании в проекте монтировать конструкции нескольких этажей (ярусов) зданий без замоноличивания стыков. При этом в проекте должны быть приведены необходимые указания о порядке монтажа конструкций, сварке соединений и замоноличивания стыков.
8. При приемочном контроле должна быть представлена следующая документация:
- исполнительные чертежи с внесенными (при их наличии) отступлениями, допущенными предприятием-изготовителем конструкций, а также монтажной организацией, согласованными с проектными организациями - разработчиками чертежей, и документы об их согласовании;
- заводские технические паспорта на стальные, железобетонные и деревянные конструкции;
- документы (сертификаты, паспорта), удостоверяющие качество материалов, примененных при производстве СМР;
- акты освидетельствования скрытых работ;
- акты промежуточной приемки ответственных конструкций;
- исполнительные геодезические схемы положения конструкций;
- журналы работ;
- документы о контроле качества сварных соединений;
- акты испытания конструкций (если испытания предусмотрены рабочими чертежами);
- другие документы, указанные в дополнительных правилах или рабочих чертежах.
1. Монтаж блоков фундаментов стаканного типа и их элементов в плане следует производить относительно разбивочных осей по двум взаимно перпендикулярным направлениям, совмещая осевые риски фундаментов с ориентирами, закрепленными на основании, или контролируя правильность установки геодезическими приборами.
2. Монтаж блоков ленточных фундаментов и стен подвала следует производить, начиная с установки маячных блоков в углах здания и на пересечении осей. Маячные блоки устанавливают, совмещая их осевые риски с рисками разбивочных осей, по двум взаимно перпендикулярным направлениям. К монтажу рядовых блоков следует приступать после выверки положения маячных блоков в плане и по высоте.
3. Фундаментные блоки следует монтировать на выровненный до проектной отметки слой песка. Монтаж блоков фундаментов на покрытые водой или снегом основания не допускается.
4. Монтаж блоков стен подвала следует выполнять с соблюдением перевязки. Рядовые блоки следует монтировать, ориентируя низ по обрезу блоков нижнего ряда, верх по разбивочной оси. Блоки наружных стен, устанавливаемые ниже уровня грунта, необходимо выравнивать по внутренней стороне стены, а выше - по наружной. Вертикальные и горизонтальные швы между блоками должны быть заполнены раствором и расшиты с двух сторон.
5. При монтаже блоков фундаментов и стен подземной части зданий необходимо соблюдать требования, приведенные в табл. 1.
Таблица 1
(СНиП 3.03.01-87, таблица 12)
|
Технические требования |
Предельные отклонения, мм |
Контроль (метод, объем, вид регистрации) |
|
1. Отклонение от совмещения установочных ориентиров фундаментных блоков и стаканов фундаментов с рисками разбивочных осей |
12 |
Измерительный, каждый элемент, геодезическая исполнительная схема |
|
2. Отклонение отметок опорной поверхности дна стаканов фундаментов от проектных: |
|
То же |
|
до устройства выравнивающего слоя по дну стакана |
-20 |
|
|
после устройства выравнивающего слоя по дну стакана |
±5 |
|
|
3. Отклонение отметки выравнивающего слоя песка под блоки от проектной |
-15 |
» |
|
4. Отклонение от вертикали верха |
12 |
» |
|
плоскостей блоков стен |
1. Монтаж колонн и рам разрешается производить только после инструментальной проверки соответствия проекту планового и высотного положения фундаментов и приемки их по акту.
2. Проектное положение колонн и рам следует выверять по двум взаимно перпендикулярным направлениям.
Низ колонн следует выверять, совмещая риски, обозначающие их геометрические оси в нижнем сечении, с рисками разбивочных осей или геометрических осей ниже установленных колонн. Способ опирания колонн на дно стакана должен обеспечивать закрепление колонн от горизонтального перемещения на период до замоноличивания узла.
3. Верх колонн многоэтажных зданий следует выверять, совмещая геометрические оси колонн в верхнем сечении с рисками разбивочных осей, а колонн одноэтажных зданий - совмещая геометрические оси колонн в верхнем сечении с геометрическими осями в нижнем сечении.
4. Выверку низа рам в продольном и поперечном направлениях следует производить путем совмещения рисокгеометрических осей с рисками разбивочных осей или осей стоек в верхнем сечении нижестоящей рамы.
Выверку верха рам надлежит производить: из плоскости рам - путем совмещения рисок осей стоек рам в верхнем сечении относительно разбивочных осей, в плоскости рам - путем соблюдения отметок опорных поверхностей стоек рам.
5. Применение непредусмотренных проектом прокладок в стыках колонн и стоек рам для выравнивания высотных отметок и приведения их в вертикальное положение без согласования с проектной организацией не допускается.
6. При установке колонн и рам необходимо соблюдать требования, приведенные в табл. 2.
Таблица 2
(СНиП 3.03.01-87, таблица 12)
|
Технические требования |
Предельные отклонения, мм |
Контроль (метод, объем, вид регистрации) |
|
1. Отклонение от совмещения ориентиров (рисок геометрических осей, граней) в нижнем сечении колонн, рам с установочными ориентирами (рисками разбивочных или геометрических осей) |
8 |
Измерительный, каждый элемент, геодезическая исполнительная схема |
|
2. Отклонение осей колонн одноэтажных зданий в верхнем сечении от вертикали при их длине, м: |
|
|
|
до 4 |
20 |
То же |
|
свыше 4 до 8 |
25 |
|
|
свыше 8 до 16 |
30 |
|
|
свыше 16 до 25 |
40 |
|
|
3. Разность отметок верха колонн или их опорных площадок (кронштейнов, консолей) одноэтажных зданий при их длине, м |
|
То же |
|
до 4 |
14 |
|
|
свыше 4 до 8 |
16 |
|
|
свыше 8 до 16 |
20 |
|
|
свыше 16 до 25 |
|
|
|
4. Отклонение от совмещения ориентиров (рисок геометрических осей) в верхнем сечении колонн многоэтажных зданий с рисками разбивочных осей при длине колонн, м: |
|
» |
|
до 4 |
12 |
|
|
свыше 4 до 8 |
15 |
|
|
свыше 8 до 16 |
20 |
|
|
свыше 16 до 25 |
25 |
|
|
5. Разность отметок верха колонн каждого яруса многоэтажного здания (сооружения) в пределах выверяемого участка при: контактной установке установке по маякам |
|
» |
|
|
||
|
|
||
|
12 + 2n |
|
|
|
10 |
|
|
|
Примечание: п - порядковый номер яруса колонн. |
||
7. При монтаже должен осуществляться постоянный геодезический контроль за соответствием положения конструкций проектному решению. Результаты геодезического контроля отдельных участков и ярусов должны оформляться исполнительной схемой.
1. Монтаж элементов в направлении перекрываемого пролета надлежит выполнять с соблюдением установленных
проектом размеров глубины опирания их на опорные конструкции или зазоров между сопрягаемыми элементами.
2. Монтаж элементов в поперечном направлении перекрываемого пролета необходимо выполнять следующим образом:
- ригелей и межколонных (связевых) плит - совмещая риски продольных осей монтируемых элементов с рисками осей колонн на опорах;
- подкрановых балок - совмещая риски, фиксирующие геометрические оси верхних поясов балок, с разбивочной осью;
- подстропильных и стропильных ферм (балок) при опирании на колонны, а также стропильных ферм при опирании на подстропильные фермы - совмещая риски, фиксирующие геометрические оси нижних поясов ферм (балок), с рисками осей колонн в верхнем сечении или с ориентирными рисками в опорном узле подстропильной фермы;
- стропильных ферм (балок), опирающихся на стены - совмещая риски, фиксирующие геометрические оси нижних поясов ферм (балок), с рисками разбивочных осей на опорах;
- плит перекрытий - по разметке, определяющей их проектное положение на опорах и выполняемой после монтажа в проектное положение конструкций, на которые они опираются (балки, ригели, стропильные фермы и т. п.);
- плит покрытий по фермам (стропильным бачкам) - симметрично относительно центров узлов ферм (закладных изделий) вдоль их верхних поясов.
3. Ригели, межколонные (связевые) плиты, фермы (стропильные балки), плиты покрытий по фермам (балкам) укладывают насухо на опорные поверхности несущих конструкций.
4. Выверку подкрановых балок по высоте следует производить по наибольшей отметке в пролете или на опоре с применением прокладок из стального листа. В случае применения пакета прокладок они должны быть сварены между собой, пакет приварен к опорной пластине.
Применение не предусмотренных проектом прокладок для выравнивания положения укладываемых элементов по отметкам без согласования с проектной организацией не допускается.
5. Монтаж ферм и стропильных балок в вертикальной плоскости следует выполнять путем выверки их геометрических осей на опорах относительно вертикали.
6. Плиты перекрытий необходимо монтировать на слой раствора толщиной не более 20 мм, совмещая поверхности смежных плит вдоль шва со стороны потолка.
При монтаже ригелей, балок, ферм, плит перекрытий и покрытий необходимо соблюдать требования, приведенные в табл. 3.
Таблица 3
(СНиП 3.03.01-87, таблица 12)
|
Технические требования |
Предельные отклонения, мм |
Контроль (метод, объем, вид регистрации) |
|
1. Отклонение от совмещения ориентиров (рисок геометрических осей, граней) в нижнем сечении установленных элементов с установочными ориентирами |
8 |
Измерительный, каждый элемент, журнал работ |
|
2. Отклонение от совмещения ориентиров (рисок геометрических осей, граней) в верхнем сечении установленных ригелей, прогонов, балок, ферм на опоре с установочными ориентирами при высоте элементов на опоре, м: |
|
То же |
|
До 1 |
6 |
|
|
свыше 1 до 1,6 |
8 |
|
|
свыше 1,6 до 2,5 |
10 |
|
|
свыше 2,5 до 4 |
12 |
|
|
3. Отклонение от симметричности (половина разности глубины опирания концов элемента) в направлении перекрываемого пролета при длине элемента, м: |
|
|
|
до 4 |
5 |
|
|
свыше 4 до 8 |
6 |
|
|
свыше 8 до 16 |
8 |
|
|
свыше 16 до 25 |
10 |
|
|
4. Расстояние между осями верхних поясов ферм и балок в середине пролета |
60 |
|
|
5. Разность отметок лицевых поверхностей двух смежных не преднапряженных плит (панелей) перекрытий в шве при длине плит, м: |
|
» |
|
до 4 |
8 |
|
|
свыше 4 до 8 |
10 |
|
|
свыше 8 до 16 |
12 |
|
|
6. Разность отметок верхних полок подкрановых балок на двух соседних колоннах вдоль ряда при расстоянии между ними, м: |
|
Измерительный, на каждой опоре, геодезическая исполнительная схема |
|
10 |
10 |
|
|
10 |
0,001/, но не |
|
|
|
более 15 |
|
|
в одном поперечном разрезе |
|
|
|
пролета: |
|
|
|
на колоннах |
15 |
|
|
в пролете |
20 |
|
1. Монтаж панелей наружных и внутренних стен следует производить, опирая их на выверенные относительно монтажного горизонта маяки. Прочность материала, из которого изготовляют маяки, не должна быть выше установленной проектом прочности на сжатие раствора, применяемого для устройства постели. При отсутствии в проекте специальных указаний толщина маяков должна составлять 10-30 мм. Между торцом панели после ее выверки и растворной постелью не должно быть щелей.
2. Выверку панелей наружных стен однорядной разрезки следует производить:
- в плоскости стены - совмещая осевую риску панели в уровне низа с ориентирной риской на перекрытии, вынесенной от разбивочной оси. При наличии в стыках панелей зон компенсаций накопленных погрешностей (при стыковании панелей внахлест в местах устройства лоджий, эркеров и других выступающих или западающих частей здания) выверку можно производить по шаблонам, фиксирующим проектный размер шва между панелями;
- из плокости стены - совмещая нижнюю грань панели с установочными рисками на перекрытии, вынесенными от разбивочных осей;
- в вертикальной плоскости - выверяя внутреннюю грань панели относительно вертикали.
3. Монтаж поясных панелей наружных стен каркасных зданий следует производить:
- в плоскости стены - симметрично относительно оси пролета между колоннами путем выравнивания расстояний между торцами панели и рисками осей колонн в уровне установки панели;
- из плоскости стены: в уровне низа панели - совмещая нижнюю внутреннюю грань устанавливаемой панели с гранью нижележащей панели; в уровне верха панели - совмещая (с помощью шаблона) грань панели с риской оси или гранью колонны.
4. Выверку простеночных панелей наружных стен каркасных зданий следует производить:
- в плоскости стены - совмещая риску оси низа устанавливаемой панели с ориентирной риской, нанесенной на поясной панели;
- из плоскости стены - совмещая внутреннюю грань устанавливаемой панели с гранью нижележащей панели;
- в вертикальной плоскости - выверяя внутреннюю и торцевую грани панели относительно вертикали.
5. При монтаже панелей стен необходимо соблюдать требования, приведенные в табл. 4.
Таблица 4
(СНиП 3.03.01-87, таблица 12)
|
Технические требования |
Предельные отклонения, мм |
Контроль (метод, объем, вид регистрации) |
|
1. Отклонение от совмещения ориентиров (рисок геометрических осей, граней) в нижнем сечении установленных панелей, блоков с установочными ориентирами (рисками геометрических осей или гранями нижележащих элементов): |
|
Измерительный, каждый элемент, журнал работ |
|
панелей и блоков несущих стен |
8 |
|
|
панелей навесных стен |
10 |
|
|
2. Отклонение от вертикали верха плоскостей: |
|
То же |
|
панелей несущих стен |
10 |
|
|
блоков несущих стен |
12 |
|
|
навесных панелей |
12 |
|
|
3. Отклонение отметок маяков относительно монтажного горизонта |
±5 |
То же |
|
4. Разность отметок верха стеновых панелей каркасных зданий в пределах выверяемого участка при: |
|
Измерительный, каждый элемент, геодезическая исполнительная схема |
|
установке по маякам |
10 |
|
|
контактной установке |
12 + 2n |
|
|
Примечание: n -число установленных по высоте панелей. |
||
1. При монтаже вентиляционных блоков необходимо следить за совмещением каналов и тщательностью заполнения горизонтальных швов раствором. Выверку вентиляционных блоков следует выполнять, совмещая оси двух взаимно перпендикулярных граней устанавливаемых блоков в уровне нижнего сечения с рисками осей нижележащего блока. Относительно вертикальной плоскости блоки следует устанавливать, выверяя плоскости двух взаимно перпендикулярных граней. Стыки вентиляционных каналов блоков следует тщательно очищать от раствора и не допускать попадания его и других посторонних предметов в каналы.
2. Объемные блоки шахт лифтов следует монтировать, как правило, с установленными в них кронштейнами для закрепления направляющих кабин и противовесов. Низ объемных блоков необходимо устанавливать по ориентирным рискам, вынесенным на перекрытие от разбивочных осей и соответствующим проектному положению двух взаимно перпендикулярных стен блока (передней и одной из боковых). Относительно вертикальной плоскости блоки следует устанавливать, выверяя грани двух взаимно перпендикулярных стен блока.
3. Санитарно-технические кабины надлежит монтировать на прокладки. Выверку низа и вертикальности кабин следует производить по аналогии пункта 2. При установке кабин канализационный и водопроводный стояки необходимо тщательно совмещать с соответствующими стояками нижерасположенных кабин. Отверстия в панелях перекрытий для пропуска стояков кабин после установки кабин, монтажа стояков и проведения гидравлических испытаний должны быть тщательно заделаны раствором.
4. При монтаже блоков и кабин следует соблюдать требования, приведенные в табл. 5.
Таблица 5
(СНиП 3.03.01-87, таблица 12)
|
Технические требования |
Предельные отклонения, мм |
Контроль (метод, объем, вид регистрации) |
|
1. Отклонение от совмещения ориентиров (рисок геометрических осей, граней) в нижнем сечении установленных элементов с установочными ориентирами |
8 |
Измерительный, каждый элемент, геодезическая исполнительная схема |
|
2. Отклонение от вертикали верха плоскостей объемных блоков |
10 |
То же |
|
3. Отклонение по высоте порога дверного проема объемного блока шахты лифта относительно посадочной площадки |
±10 |
» |
|
4. Отклонение от перпендикулярности внутренней поверхности стен ствола шахты лифта относительно горизонтальной плоскости (пола приямка) |
30 |
» |
5. При установке объемных блоков шахт лифтов, санитарно-технических кабин не допускаются разрывы по высоте более, чем на один этаж.
1. Замоноличивание стыков следует выполнять после проверки правильности установки конструкций, приемки соединений элементов в узлах сопряжений и выполнения антикоррозионного покрытия сварных соединений и поврежденных участков покрытия закладных изделий.
2. Контроль качества работы по замоноличивание стыков и швов включает проверку:
- качества материалов, применяемых при заделке стыков;
- соблюдения технологии и последовательности выполнения работ;
- качества выполнения работ.
3. Класс бетона и марка раствора для замоноличивания стыков и швов должны быть указаны в проекте. Для приготовления бетонных смесей следует применять быстротвердеющие портландцементы или портландцементы М400 и выше. С целью интенсификации твердения бетонной смеси в стыках необходимо применять химические добавки- ускорители твердения. Наибольший размер зерен крупного заполнителя в бетонной смеси не должен превышать 1/3 наименьшего размера сечения стыка и 3/4 наименьшего расстояния в свету между стержнями арматуры. Для улучшения удобоукладываемости в смеси следует вводить пластифицирующие добавки.
4. Непосредственно перед замоноличиванием стыков и швов необходимо: проверить правильность и надежность установки опалубки, применяемой при замоноличивании; очистить стыкуемые поверхности от мусора и грязи.
5. При замоноличивании стыков уплотнение бетона (раствора), уход за ним, контроль режима выдерживания, а также контроль качества следует выполнять в соответствии с требованиями раздела «Бетонные и железобетонные работы».
6. Прочность бетона или раствора в стыках ко времени распалубки должна соответствовать указанной в проекте, а при отсутствии такого указания - должна быть не менее 50% проектной прочности на сжатие. Фактическую прочность уложенного бетона (раствора) следует контролировать испытанием серии образцов, изготовленных на месте замоноличивания. Для проверки прочности следует изготовлять не менее трех образцов на группу стыков, бетонируемых в течение данной смены. Испытания образцов необходимо производить по ГОСТ 10180-90 и ГОСТ 5802-86.
1. Материалы для изоляции стыков следует применять только из числа указанных в проекте. Замена материалов без согласования с проектной организацией не допускает. Изолирующие материалы после истечения установленного стандартами или ТУ срока хранения перед применением подлежат контрольной проверке в лаборатории.
2. Для воздухоизоляции стыков применяются воздухозащитные самоклеящиеся ленты или закрепляемые на клеях. Соединять воздухозащитные ленты по длине необходимо внахлест с длиной участка нахлеста 100-120 мм. Места соединения лент в колодцах вертикальных стыков должны располагаться на расстоянии не менее 0,3 м от пересечения вертикальных и горизонтальных стыков. При этом конец нижерасположенной ленты следует наклеивать поверх ленты, устанавливаемой в стыке монтируемого этажа.
Соединять ленты по высоте до замоноличивания колодцев стыков нижерасположенного этажа не допускается.
Наклеенная воздухозащитная лента должна плотно прилегать к изолируемой поверхности стыков без пузырей, вздутий и складок.
3. Теплоизоляционные вкладыши следует устанавливать в колодцы вертикальных стыков панелей наружных стен после устройства воздухоизоляции.
Установленные вкладыши должны плотно прилегать к поверхности колодца по всей высоте стыка. В местах стыкования теплоизоляционных вкладышей не должно быть зазоров.
4. Уплотняющие прокладки в устьях стыков закрытого и дренированного типов следует устанавливать насухо (без обмазки клеем). В местах пересечения стыков закрытого типа уплотняющие прокладки в первую очередь следует устанавливать в горизонтальных стыках.
В стыках закрытого типа при сопряжении наружных стеновых панелей внахлест в горизонтальных стыках дренированного типа (в зоне водоотводящего фартука), в горизонтальных стыках открытого типа, а также в стыках панелей пазогребневой конструкции допускается установка уплотняющих прокладок до монтажа панелей. При этом прокладки должны быть закреплены в проектном положении. В остальных случаях установку уплотняющих прокладок необходимо производить после монтажа панелей.
5. Уплотняющие прокладки следует устанавливать в стыки без разрывов.
Соединять уплотняющие прокладки по длине необходимо «на ус», располагая место соединения на расстоянии не менее 0,3 м от пересечения вертикального и горизонтального стыков.
Уплотнять стыки двумя скрученными вместе прокладками не допускается. Обжатие прокладок, установленных в стыках, должно составлять не менее 20% диаметра (ширины) их поперечного сечения.
6. Изоляцию стыков мастиками следует производить после установки уплотняющих прокладок путем нагнетания мастик в устье стыка электрогерметизаторами или пневматическими, ручными шприцами и другими средствами.
Допускается при выполнении ремонтных работ наносить отверждающиеся мастики шпателями. Разжижение мастик и нанесение их кистями не допускается.
7. Температура мастик в момент нанесения при положительных температурах наружного воздуха должна быть 15-20°С. В условиях отрицательных температур воздуха температура мастик в момент нанесения должна составлять: для нетвердеющих - 35-40°С, для отверждающих - 15-20°С.
8. Нанесенный слой мастики должен заполнять без пустот все устье стыка до упругой прокладки, не иметь разрывов, наплывов.
Предельное отклонение толщины слоя мастики от проектной не должно превышать плюс 2 мм. Сопротивление нанесенных мастик отрыву от поверхности панели должно соответствовать показателям, приведенным в соответствующих стандартах или ТУ на мастику.
9. Изоляцию стыков между оконными (балконными дверными) блоками и четвертями в проемах ограждающих конструкций следует выполнять путем нанесения нетвердеющей мастики на поверхность четверти перед установкой блока либо путем нагнетания мастики в зазор между оконными блоками и ограждающими конструкциями после закрепления блока в проектном положении. Места примыкания металлических подоконных сливов к коробке также надлежит изолировать нетвердеющей мастикой.
При изоляции стыков между оконными блоками и ограждающими конструкциями с проемами без четверти перед нанесением мастик следует устанавливать уплотняющую прокладку.
10. Выполнение работ по изоляции стыков необходимо ежедневно фиксировать в журнале. На весь комплекс работ по устройству изоляции стыков следует составлять акты освидетельствования скрытых работ.
1. В настоящем разделе рассматривается порядок осуществления контроля качества и приемки сварочных работ по устройству монтажных соединений железобетонных конструкций в соответствии с требованиями СНиП 3.03.01.87.
2. Сварку должны выполнять сварщики, имеющие удостоверение на право производства сварочных работ и прошедшие контрольные испытания.
3. Контроль качества работ по сварке монтажных соединений и их приемка включают проверку:
- качества материалов и изделий, применяемых при устройстве соединений, и степени их соответствия проекту;
- соблюдения последовательности сварочных работ и технологии;
- качества выполненных соединений.
4. Контроль качества сварочных материалов должен осуществляться в соответствии с указаниями раздела «Требования к строительным материалам и изделиям. Правила их приемки, испытания и хранения», часть III, при этом материалы должны применяться проектных марок.
1. Изменения в конструкции монтажных узлов и соединений, а также применение не предусмотренных проектом прокладок или вставок без согласования с проектной организацией запрещаются.
2. При осуществлении контроля за соблюдением технологии и последовательности работ особое внимание должно быть обращено на выполнение следующих требований:
- сварка должна производиться после проверки правильности установки элементов конструкций и положения соединяемых деталей;
- последовательность выполнения операций (порядок наложения швов), а также общая последовательность устройства монтажных соединений в пределах сооружения, блоков, ярусов должна соответствовать указаниям технических карт.
3. Для выполнения монтажных соединений арматурной стали разных классов следует применять способы сварки и сварочные материалы, указанные в табл. 1 и 2.
Таблица 1
(СНиП 3.03.01-87, таблица 38)
|
Способ сварки |
Характеристика сварочной проволоки |
Марки сварочной проволоки |
Класс арматурной стали |
||
|
А-1 |
А-П |
А-Ш |
|||
|
Ванная механизированная под флюсом в инвентарной форме или на стальной скобе-накладке |
Сплошного сечения |
Св-08А СВ-08АА |
Рекомендуется |
LДопускается |
Не допускается |
|
Св-08ГА |
Рекомендуется |
Допускается |
|||
|
Св-08Г2С |
Допускается |
Рекомендуется |
|||
|
Св-08ГС |
|||||
|
СВ-10Г2 |
|||||
|
Св-10ГА |
|||||
|
Дуговая механизированная СОДГП на стальной скобе-накладке |
Сплошного сечения без дополнительной защиты |
СВ-20ГСТЮА (ЭП-245) СВ- |
Рекомендуется |
Допускается |
|
|
15ГСТЮДА (ЭП-439) |
|||||
|
Дуговая механизированная в инвентарной форме или на стальной скобе-накладке |
Порошковая (самозащитная) проволока |
ПП-АНЗ ПП-АНЗС ПП-АНП СП-9 ППТ-9 |
Рекомендутся |
||
|
Дуговая механизированная протяженными швами |
ПП-АН7 ПП-АН19С |
||||
4. Перед сваркой (ванной, многослойными или протяженными швами) арматурные стержни в месте соединения следует зачищать на длине, превышающей на 10-15 мм сварной шов или стык.
5. При превышении регламентированных зазоров между стыкуемыми арматурными стержнями допускается применение одной промежуточной вставки длиной не менее 80 мм. Вставки следует изготовлять из арматуры того же класса и диаметра, что и стыкуемые стержни. При сварке стержней встык с накладками превышение зазора должно быть компенсировано соответствующим увеличением длины накладок.
Таблица 2
(СНиП 3.03.01-87, таблица 39)
|
Класс арматуры |
Рекомендуемые типы электродов для сварки |
||
|
ванной, ванно-шовной и дуговой многослойными швами стыковых соединений |
протяженными швами стыковых и нахлесточных соединений |
дуговой ручной прихватками |
|
|
А-I |
Э42, Э46; Э42, Э46А |
||
|
А-II |
Э500, Э55 |
Э42А, Э46А, Э50А |
Э50А, Э55 |
|
А-III Ат-IIIС |
Э55, Э60 |
||
|
Ат-IУС |
Э50А, Э55, Э60 |
||
6. Длина выпусков арматурных стержней из бетона конструкции должна быть не менее 150 мм при регламентированных нормативными документами зазорах и не менее 100 мм при применении вставки.
7. При сборке конструкций не разрешается обрезка концов стержней или подготовка их кромок электрической дугой.
8. После окончания сварки выполненное сварное соединение необходимо очистить от шлака и брызг металла.
1. Конструкции сварных соединений должны соответствовать требованиям проекта.
2. При выполнении сварочных работ должны быть соблюдены требования, приведенные в табл. 3.
Таблица 3
(ГОСТ 10922-90, ГОСТ 14098-91)
|
Технические требования |
Допускаемые отклонения для свариваемых стержней диаметром, мм |
||
|
10-28 |
32-40 |
45-50 |
|
|
1. Смещение продольных осей стержней относительно друг друга в стыковых соединениях, выполненных различными способами сварки |
0,2 |
0,1 |
0,05 |
|
2. То же, для соединений, выполненных дуговой сваркой швами с накладками из стержней |
0,3 |
0,3 |
0,2 |
|
3. Смещение линии, соединяющей центры сечений круглых накладок относительно стыкуемых стержней, при сварке односторонними швами |
0,5 |
0,5 |
0,3 |
|
4. Смещение круглых и желобчатых накладок относительно оси сварного стыка в продольном направлении |
0,5 |
0,5 |
0,5 |
|
5. Отклонение длины круглых накладок |
0,5 |
0,5 |
0,5 |
|
6. Отклонение длины протяженных швов в стыковых соединениях с круглыми накладками |
0,5 |
0,5 |
0,5 |
|
7. Отклонение длины нахлестки при сварке стержней |
0,5 |
0,5 |
0,5 |
|
8. Уменьшение ширины протяженных швов |
0,1 |
0,1 |
0,5 |
3. Приемочный контроль выполненных сварных соединений арматуры должен предусматривать внешний осмотр и комплекс испытаний, проводимых в соответствии с ГОСТ 10922-90 и ГОСТ 23858-79.
4. Качество сварных соединений должно отвечать требованиям, приведенным в табл. 4.
5. Выполненные сварочные работы перед бетонированием следует оформлять актами приемки соединений по внешнему осмотру.
6. На поверхности стержневой рабочей арматуры не допускаются ожоги дуговой сваркой.
Таблица 4
(ГОСТ 10922-90, ГОСТ 23858-79)
|
Технические требования |
Допуски для стержней диаметром, мм |
||
|
10-28 |
32-40 |
45-50 |
|
|
1. Количество единичных сферических пор диаметром до 2 мм в стыковых соединениях, выполненных дуговой сваркой протяженными швами на длине шва 100 мм |
5 шт |
7 шт. |
9 шт. |
|
2. То же, при других способах дуговой сварки |
7 шт.. |
9 шт. |
12 шт. |
|
3. Количество цепочек и скоплений сферических пор диаметром до 2 мм на длине до 50 мм в соединениях, выполненных дуговой сваркой |
2 шт |
3 шт |
4 шт. |
|
4. То же, при других способах дуговой сварки |
1 шт |
2 шт. |
2 шт. |
|
5. Глубина усадочных раковин наплавленного металла при стыковой ванной и ванношовной сварке |
2 мм |
3 мм |
5мм |
|
6. Глубина непровара венчика наплавленного металла с цилиндрической поверхностью стержня при дуговой сварке |
1 мм |
1 мм |
Отсутствуют |
|
7. Наплывы на сварном соединении |
5 мм |
7 мм |
10 мм |
7. Сварные стыковые соединения арматуры, не удовлетворяющие требованиям по качеству, необходимо вырезать. На место вырезанного стыка следует вварить промежуточную вставку длиной не менее 80 мм с последующим ультразвуковым контролем двух выполненных сварных соединений.
1. В настоящем разделе рассматривается порядок осуществления контроля качества и приемки работ по монтажу ограждающих конструкций из асбестоцементных экструзионных панелей и плит, каркасно-обшивных панелей и плитодеревянным, металлическим или комбинированным каркасом и различными обшивками, а также панелей «Сэндвич» и трехслойных панелей полистовой сборки в соответствии с требованиями СНиП 3.03.01-87.
2. Контроль качества работ по монтажу легких ограждающих конструкций включает проверку:
- качества конструкций и материалов, применяемых при монтаже;
- соблюдения технологии и последовательности выполнения монтажных работ;
- геометрических размеров и положения смонтированных частей ограждающих конструкций;
- качества работ по стыковке и закреплению отдельных элементов и панелей;
- готовности смонтированных элементов к производству последующих работ.
1. Стены горизонтальной и вертикальной разрезок следует монтировать, как правило, с предварительной укрупнительной сборкой в «карты» на стендах или кондукторах, обеспечивающих надежную фиксацию отдельных элементов и расположенных в зоне действия основного монтажного крана.
2. Установка панелей и плит в плане и по высоте должна выполняться путем совмещения установочных рисок, нанесенных на монтируемых и опорных конструкциях. Верх панелей необходимо выверять относительно разбивочных осей.
Уплотняющие прокладки в горизонтальные и вертикальные стыки панелей необходимо укладывать до установки панелей.
3. Законченные монтажом конструкции стен из асбестоцементных экструзионных панелей следует принимать по этажно, по секционно или по пролетам.
При приемке следует проверять надежность закрепления панелей, отсутствие трещин, зыбкости, поврежденных мест. Промежуточному контролю подлежит изоляция стыков между панелями стен.
4. При отсутствии в проекте специальных требований отклонения смонтированных панелей в конструкциях стен и перегородок не должны превышать величин, приведенных в табл. 1.
Таблица 1
(СНиП 3.03.01-87, таблица 25)
|
Технические требования |
Предельные отклонения, мм |
Контроль (метод, объем, вид регистрации) |
|
1. Уступ между смежными гранями панелей из их плоскости |
4 |
Измерительный, каждый элемент, журнал работ |
|
2 Толщина шва между смежными панелями по длине |
± 4 |
То же |
|
3. Отклонение панелей от вертикали |
5 |
» |
1. Стыковку листов обшивки необходимо выполнять только на элементах каркаса. При двухслойной обшивке каркаса стыки между листами должны располагаться в разбежку. Винты и шурупы в местах крепления двух смежных листов следует располагать в разбежку.
2. Законченные монтажом конструкции перегородок следует принимать поэтажно или по секционно.
При приемке следует проверять устойчивость каркаса, надежность крепления листов обшивки, отсутствие у листов надрывов, повреждений, сбитых углов по длине грани, масляных пятен и загрязнений.
3. Предельные отклонения элементов перегородок от проектного положения не должны превышать величин, приведенных в табл. 2.
Таблица 2
(СНиП 3.03.01-87, таблица 26)
|
Технические требования |
Предельные отклонения, мм |
Контроль (метод, объем, вид регистрации) |
|
1. Смещение направляющих от разбивочных осей |
3 |
Измерительный, каждый элемент, журнал работ |
|
2. Расстояние между осями стоек |
±2 |
То же |
|
3, Минимальная величина нахлеста листа обшивки на стойку: |
|
» |
|
в металлическом каркасе |
10 |
|
|
в деревянном каркасе |
20 |
|
|
4. Расстояние между деталями крепления направляющих к несущим конструкциям |
±5 |
Измерительный, каждый элемент, журнал работ |
|
5. Зазоры между звукоизоляционными плитами, а также между ними и элементами каркаса |
Не более 2 |
То же |
|
6. Размер шва между стыкуемыми листами |
-1; +2 |
|
|
7. Углубление головки винта или шурупа в обшивку каркаса |
0,5; -1 |
» |
|
8. Уступ между смежными листами вдоль шва |
1 |
» |
|
9. Неровность поверхности перегородки при накладывании правила длиной 2 м |
± 3 |
|
|
10. Отклонение перегородки от вертикали: |
|
|
|
на 1 м высоты |
2 |
|
|
на всю высоту помещения |
10 |
|
1. Предельные отклонения размеров «карт» при укрупнительной сборке следует указывать в проекте. При отсутствии специальных указаний предельные отклонения размеров «карт» не должны превышать по длине и ширине ± 6 мм, разности размеров диагоналей - 15 мм.
2. Законченные монтажом конструкции стен следует принимать на все здание, температурный блок или по пролетам.
3. При отсутствии в проекте специальных указаний фактические отклонения элементов стен не должны превышать значений, приведенных в табл. 3.
Таблица 3
(СНиП 3.03.01-87, таблица 27)
|
Технические требования |
Предельные отклонения, мм |
Контроль (метод, объем, вид регистрации) |
|
1. Отклонение от вертикали продольных кромок панелей |
0,00IL |
Измерительный, каждая панель, журнал работ |
|
2. Разность отметок концов горизонтально установленных панелей при длине панели, м |
|
Измерительный, каждая панель, журнал работ |
|
до 6 |
5 |
|
|
свыше 6 до 12 |
10 |
|
|
3. Отклонение плоскости наружной поверхности стенового ограждения от вертикали, мм |
0,002H |
Измерительный, через каждые 30 м по длине стены, но не менее трех контрольных измерений на принимаемый объем, журнал работ |
|
Примечание: d - длина панели, H-высота ограждений. |
||
1. В настоящем разделе излагается порядок осуществления контроля качества и приемки работ по устройству изоляционных покрытий (гидроизоляции и теплоизоляции) в соответствии с требованиями СНиП 3.04.01-87.
2. Изоляционные покрытия должны выполняться в соответствии с проектом. Замена предусмотренных проектом материалов и составов допускается только по согласованию с проектной организацией и заказчиком.
3. Производство теплоизоляционных работ может начинаться только после оформления акта (разрешения), подписанного заказчиком, представителями монтажной организации, выполняющей теплоизоляционные работы.
4. Устройство каждого элемента изоляции следует выполнять после проверки правильности выполнения соответствующего нижележащего элемента с составлением акта освидетельствования скрытых работ.
5. Изоляционные работы допускается выполнять при температуре окружающей среды от 60 до -30°С (производство работ с применением горячих мастик - при температуре окружающего воздуха не ниже -20°С, с применением составов на водной основе без противоморозных добавок - не ниже 5°С).
6. До начала изоляционных работ должны быть полностью закончены и приняты следующие работы:
- заделаны швы между сборными плитами;
- устроены температурно-усадочные швы;
- смонтированы закладные элементы;
- оштукатурены участки вертикальных поверхностей каменных конструкций на высоту примыкания изоляции.
7. В процессе выполнения изоляционных работ контролю подлежат:
- качество материалов и правильность их подготовки;
- подготовка оснований под изоляционное покрытие;
- технологический процесс устройства покрытия;
- качество готовых покрытий;
- защитные ограждения.
Контроль качества материалов и выполнения работ по их подготовке осуществляется в соответствии с указаниями, изложенными в разделе «Требования к строительным материалам и изделиям. Правила их приемки, испытания и хранения», часть III. При подготовке и приготовлении изоляционных составов следует соблюдать требования, изложенные в табл. 1.
8. Качество подготовки основания определяется по следующим признакам:
- соответствие проекту материала основания;
- ровность поверхности основания и уклоны;
- соблюдение правил сопряжения смежных поверхностей;
- влажность основания.
9. При подготовке поверхности основания необходимо соблюдать требования, приведенные в табл. 2.
Таблица 1
(СНиП 3.04.01-87, таблица 1)
|
Технические требования |
Предельные отклонения |
Контроль (метод, объем, вид регистрации) |
|
1. Нагрев не должен превышать, "С: |
|
Измерительный, периодический, не менее 4 раз в смену, журнал работ |
|
битума- 180 0 |
±5 % |
|
|
дегтя (пека) - 14 |
±7 % |
|
|
2. Допустимая влажность наполнителей (заполнителей): |
|
Измерительный, периодический, не менее 4 раз в смену, журнал работ - |
|
для песка |
до 2 % |
|
|
для составов с уплотняющими добавками |
до 5 % |
|
|
для других составов |
до 3% |
|
|
3. Температура эмульсий и их составляющих, °С: |
|
То же, не менее 5-6 раз в смену, журнал работ |
|
битума - 110 |
+10°С: |
|
|
Раствора эмульгатора - 90 |
+7°С |
|
|
латекса (при введении в эмульсию) - 70 |
|
|
|
|
минус 10°С |
То же |
|
4. Равномерность распределения битума в битумоперлите и битумокерамзите – 90 % |
±2 % |
|
|
|
|
|
|
Коэффициент уплотнения битумоперлита и битумокерамзита под давлением |
|
» |
|
|
|
|
|
0,67-0,7 МПа: |
|
|
|
Не менее 1,6 |
|
|
|
5. Температура при нанесении мастик, °С: |
|
» |
|
Горячих битумных- 160 |
+20°С |
|
|
горячих дегтевых - 130 |
+10°С |
|
|
холодных (в зимнее время) - 65 |
+5°С |
|
|
6. Размеры фибр в изоляции, дисперсноармированных стекловолокном – 20 мм |
+20 мм |
Измерительный, периодический, не менее 16 измерений в смену (через каждые 0,5 ч работы), журнал работ |
Таблица 2
(СНиП 3.04.01-87, таблица 2)
|
Технические требования |
Предельные отклонения |
Контроль (метод, объем, вид регистрации) |
|
1. Допускаемые отклонения поверхности основания: |
±5 мм |
Измерительный, не менее 5 измерений трехметровой рейкой на каждые 70- 100 м2 поверхности или на меньшей площади в местах, определяемых визуальным осмотром, акт приемки
|
|
а) при рулонной эмульсионной и мастичной изоляции: вдоль уклона и на горизонтальной поверхности поперек уклона и на вертикальной поверхности |
±10 мм |
|
|
б) из штучных материалов: вдоль и поперек уклона |
±10 мм |
|
|
2. Отклонение плоскости основания от заданного уклона (по всей площади |
0,2 % |
То же |
|
3. Число неровностей (плавного очертания протяженностью не более 150, мм) на площади поверхности 4 м2 |
Не более 2 |
» |
|
4. Толщина элемента конструкции (от проектной) |
10 % |
» |
|
5. Допускаемая влажность оснований при нанесении изолирующих составов, кроме составов на водной основе, не должна превышать: |
|
Измерительный, не менее 5 измерений на 50-70 м2 основания, регистрационный |
|
бетонных |
4 % |
|
|
цементно-песчаных, гипсовых и гипсопесчаных |
5 % |
|
10. Углы между смежными поверхностями под оклеенную изоляцию из материалов на битумной основе должны быть закруглены по радиусу не менее 10 см или скошены по фаске под углом 45° с размером не менее 10 см, под рулонную изоляцию из синтетических материалов - по радиусу не менее 20 см.
11. Огрунтовка поверхности перед нанесением изоляционных составов должна быть выполнена сплошной без пропусков и разрывов. Грунтовка должна иметь прочное сцепление с основанием, на приложенном к ней тампоне не должно оставаться следов вяжущего.
12. При контроле готовых покрытий проверяются:
- внешний вид;
- толщина (количество слоев);
- адгезия;
- водонепроницаемость.
Обнаруженные дефекты должны быть устранены до устройства защитного ограждения.
1. В процессе наклейки рулонной изоляции контролируются:
- температура воздуха;
- соответствие вида приклеивающей мастики виду наклеиваемого рулонного материала;
- температура приклеивающей мастики;
- соблюдение технологии наклейки изоляционных слоев.
2. При производстве работ в отрицательных температурах необходимо соблюдать следующие требования:
- изолируемая поверхность должна быть очищена от инея, снега и наледи, высушена до 5% влажности и прогрета до температуры не ниже 10°С;
- рулонные материалы перед наклейкой должны выдерживаться в течение 20 часов при температуре не менее 15°С и подаваться к рабочему месту в утепленной таре.
3. Вид приклеивающей мастики выбирается в зависимости от применяемого рулонного материала (см. подраздел «Герметизирующие материалы», часть III).
4. Температура приклеивающих мастик при их нанесении должна соответствовать требованиям, приведенным в табл. 1.
5. Нанесение мастики на изолируемую поверхность в процессе наклейки не должно опережать промазку полотнища более, чем на 500 мм. Толщина слоя мастик при наклейке рулонного ковра должна быть: горячих битумных- 2 мм, холодных битумных - 0,8 мм (предельные отклонения ±10 %).
6. Рулонные материалы наклеиваются только в одном направлении. Вид наклейки ковра (сплошная, полосовая) должен соответствовать проекту. Перекрестная наклейка полотнищ в смежных слоях не допускается.
7. При наклейке полотнища должны укладываться внахлестку на 100 мм. Продольные и поперечные стыки полотнищ последующих слоев должны смещаться относительно стыков предыдущего слоя на 300 мм.
8. Наклейка полотнищ последующего слоя покрытия должна производиться после остывания и затвердевания мастики в предыдущем слое.
9. Наклеивание рулонных материалов на вертикальные, наклонные и сводчатые поверхности должно производиться только снизу вверх с предварительной заготовкой полотнищ длиной 1500-2000 мм. При этом допускается нанесение мастики путем заливки ее в зазор между изолируемой поверхностью и наклеиваемым полотнищем.
При наклейке материала на горизонтальные поверхности должна производиться прикатка полотнищ катками массой 80-100 кг с последующей шпатлевкой швов мастикой, отжатой при наклейке и прикатке.
Приемку готовых изоляционных покрытий из рулонных материалов необходимо осуществлять с учетом требований, изложенных в табл. 3.
Таблица 3
(СНиП 3.04.01-87, таблица 7)
|
Технические требования |
Предельные отклонения |
Контроль (метод, объем, вид регистрации) |
|
1. Полный отвод воды с горизонтальных и наклонных поверхностей |
- |
Технический осмотр, акт приемки |
|
2. Количество наклеенных слоев и расположение полотнищ в слоях |
Отступление от проекта не допускается |
Измерительный, 5 измерений на 120-150 м2 поверхности покрытия (пробные надрезы с последующей заделкой надрезанных мест), акт приемки |
|
3. Прочность сцепления с основанием и между собой изоляционного ковра - не менее 0,5 МПа |
- |
Измерительный, 5 измерений на 120-150м2 поверхности покрытия (при простукивании не должен изменяться характер |
|
Технические требования |
Предельные отклонения |
Контроль (метод, объем, вид регистрации) звука); при пробных разрывах приклеенных материалов не должны наблюдаться отслоения мастики (разрыв должен происходить внутри рулонного полотна), акт приемки |
|
4. Пузыри, вздутия, воздушные мешки, разрывы, вмятины, проколы, губчатое строение, потеки и наплывы на покрытии |
Не допускаются |
То же |
|
5. Увеличение влажности оснований по сравнению со стандартом |
Не более 0,5 % |
Измерительный, 5 измерений на площади 50-70 м2 покрытия или на отдельных участках меньшей площади в местах, выявленных визуально, акт приемки |
1. Подготовка рулонных и листовых материалов (поливинилхлоридного пластиката и полиэтилена) состоит в соединении полос в укрупненные полотнища-картины, выполняемом сваркой или склеиванием. Склеивание пластиката допускается при его толщине менее 1,5 мм. Подготовка полиизобутилена заключается в раскатывании и выдерживании пластин в распрямленном состоянии не менее суток. Тальк с поверхности пластин смывается 15%-ным раствором хозяйственного мыла и теплой водой.
2. Картины должны изготавливаться шириной в 2-3 листа. Длина картин назначается в зависимости от размеров изолируемой поверхности.
3. Температура воздуха при выходе из сопла горелки должна составлять 220-260°С при сварке пластиката и 180-200°С при сварке полиэтилена. Соединение полос должно выполняться внахлестку с перекрытием кромок на 30-40 мм. Перед сваркой кромки листов должны обезжириваться ацетоном.
4. Склеивание пластиката должно производиться при температуре воздуха не ниже 15°С нахлесткой кромок полос на ширину 50-60 мм с прикаткой склеиваемого шва ручным катком. Транспортировка заготовленных картин к месту их укладки возможна не ранее, чем через двое суток после склеивания.
5. Перед наклейкой поливинилхлоридного пластиката и полиизобутилена изолируемая поверхность должна огрунтовываться холодной грунтовкой: разжиженным битумом (битум БН-1У-30 %, бензин – 70 %) или битумной эмульсией (битум БН-Ш-45 %, раствор эмульгатора –55 %). Перед наклейкой полиэтилена поверхность огрунтовывается разжиженным битумом или разжиженной мастикой БКС (мастика БКС – 36 %, бензин – 65 %).
6. Наклейку полиэтилена следует производить на мастике УМС-50 или БКС.
7. Для наклейки пластиката применяется изолит, синтетические клеи 88Н и ПХВ, а также горячий битум марки БН-Ш или мастика на основе битума при температуре 120-140°С.
8. При толщине пластиката или листового полиэтилена более 1,5 мм изоляционное покрытие устраивается без наклейки на основание за исключением мест примыканий пластикатового (полиэтиленового) покрытия к другим видам изоляции. Соединение картин между собой производится сваркой с соблюдением требований, изложенных в п. 2.
9. При устройстве изоляции стен высотой более 3-х метров без наклейки полиэтилен и пластикат должны дополнительно крепиться к изолируемой поверхности точечной приклейкой, пристрелкой дюбелями или оцинкованными гвоздями. Расстояния между точками креплений должны быть 1-1,5 м по вертикали и 0,5-0,6 м по горизонтали.
10. Контроль качества готовой изоляции состоит в визуальном осмотре в целях обнаружения механических повреждений покрытия, в установлении качества сварки (склеивания) швов и в испытании изоляции на водонепроницаемость.
Признаком высококачественного выполнения сварки швов при визуальном осмотре является равномерная окраска швов без белесых непрозрачных участков. Не допускается темно-коричневая окраска швов, свидетельствующая о пережоге. Качество оклеиваемых швов оценивается по плотному прилеганию кромок, по отсутствию складок, воздушных пузырей. При пробном испытании шва на разрыв руками разрыв должен происходить по материалу без разъединения кромок.
1. При устройстве изоляции из эмульсионно-мастичных составов каждый слой изоляционного ковра должен наноситься сплошным, без разрывов, равномерной толщины после отвердевания грунтовки или нижнего слоя.
2. При приемке готового изоляционного покрытия контролируются сплошность изоляционного ковра, отсутствие раковин, вздутий, толщина покрытия, прочность сцепления покрытия с основанием и водонепроницаемость.
3. При устройстве изоляции должны быть соблюдены требования, приведенные в табл. 4.
Таблица 4
(СНиП 3.04.01-87, таблица 3)
|
Технические требования |
Контроль (метод, объем, вид регистрации) |
|
1. Толщина одного слоя изоляции, мм: холодных асфальтовых мастик – 7 |
Измерительный, технический осмотр, не менее 5 измерений на каждые 70-100 м2 в местах, определяемых визуальным осмотром, журнал работ |
|
эмульсий - 3 |
|
|
полимерных составов (типа «Кровлелит», «Вента») - 1 цементных растворов - 10 |
|
|
2. Прочность сцепления покрытия с основанием, не менее, МПа: асфальтовых мастик - 0,4 полимерных составов - 0,5 |
Измерительный, 5 измерений на 120-150 м2 поверхности покрытия, акт приемки |
1. Битумоперлит, битумокерамзит, цементные растворы, горячие асфальтовые смеси при уклоне поверхности до 25 % необходимо укладывать по маячным рейкам полосами шириной 2-6 м слоями равномерной толщины (не более 75 мм) с уплотнением и заглаживанием поверхности слоя.
Каждый слой необходимо укладывать после отвердения предыдущего.
2. При устройстве цементной гидроизоляции из растворов с применением водонепроницаемых расширяющихся цементов (ВРЦ), водонепроницаемых безусадочных цементов (ВБЦ) или портландцемента с уплотняющими добавками составы следует наносить на смоченную водой поверхность основания.
Каждый последующий слой должен наноситься не позднее, чем через 30 минут (при применении составов ВРЦ, ВБЦ) или не более, чем через сутки (при применении составов на портландцементе с уплотняющими добавками) после отвердения предыдущего слоя.
Цементная гидроизоляция в течение двух суток после нанесения (1 ч при применении ВБЦ и ВРЦ) должна предохраняться от механических воздействий.
3. Увлажнение цементной гидроизоляции во время твердения должно осуществляться распыленной струей воды без напора при применении составов:
- ВРЦ и ВБЦ - через 1 ч после нанесения и через каждые 3 ч в течение суток;
- на портландцементе с уплотняющими добавками - через 8-12 ч после нанесения, а затем 2-3 раза в сутки в течение 14 дней.
4. При контроле качества изоляции проверяются ровность изоляционного покрытия, толщина, отсутствие трещин, пустот, отслоений, водонепроницаемость.
Обнаруженные дефектные места должны вырубаться, защищаться и покрываться заново слоем изоляции.
5. При устройстве изоляции из битумоперлита, битумокерамзита, гидроизоляции из цементных растворов и горячих асфальтовых смесей, мастик и битумов необходимо соблюдать требования, приведенные в табл. 5.
Таблица 5
(СНиП 3.04.01-87, таблица 4)
|
Технические требования |
Предельные отклонения |
Контроль (метод, объем, вид регистрации) |
|
1. Допускаемые отклонения поверхности (при проверке двухметровой рейкой): |
|
Измерительный, не менее 5 измерений на каждые 50-100 м2 поверхности или на участке меньшей площади в местах, определяемых визуальным осмотром |
|
по горизонтали |
±5 мм |
|
|
по вертикали |
- 5 ... + 10 мм |
|
|
плоскости элемента от заданного уклона - 0,2% |
Не более 150 мм |
|
|
толщины элемента покрытия - -5... +10 % |
Не более 3,0 мм |
|
|
2. Подвижность составов (смесей) без пластификаторов, см: |
+2 см |
Измерительный, не менее 3 измерений на каждые 70-100 м2 поверхности покрытия |
|
при нанесении вручную - 10 при нанесении |
+4 см |
|
|
установками с поршневыми или винтовыми насосами - 5 |
||
|
при применении пластификаторов - 10 |
+2 см |
|
|
3. Температура горячих асфальтовых смесей, битумоперлита и битумокерамзита при нанесении - не менее 120°С |
- |
Измерительный, периодический, не менее 8 раз в смену, журнал работ |
1. Марка применяемой для металлической изоляции стали и толщина листов должны соответствовать проектным.
2. Допускаемые отклонения заготовленных металлических листов, сопрягаемых внахлестку, от проектных должны быть не более +20 и -5 мм; в прямоугольных листах допускается разница в длине диагоналей не более 6 мм.
3. Диаметр электродов должен приниматься в зависимости от толщины листов металла: 3-4 мм при толщине листов 3-5 мм, 4-5 мм при толщине листов 5-10 мм.
4. При монтаже метало изоляции особое внимание должно быть обращено на чистоту сварных соединений и прилегающих к ним поверхностей: наличие влаги, масла и других загрязнений в зазорах стыковых соединений не допускается.
5. По окончании сварки пространство между металлоизоляцией и изолируемой конструкцией должно инъецироваться цементно-песчаным раствором под давлением 0,2-0,3 МПа. Контроль за качеством инъецирования осуществляется по вытеканию раствора из контрольных отверстий или простукиванием изоляции по всей ее площади.
6 По окончании монтажа металлоизоляции ее открытые поверхности должны быть защищены от коррозии путем нанесения антикоррозионных покрытий.
7 Качество готовой металлоизоляции оценивается на основе данных контроля качества сварных швов, а также данных испытаний контрольных образцов сварки.
1. Подготовительные мероприятия, предшествующие выполнению теплоизоляционных работ:
- защита оснований и изоляционных слоев от увлажнения и повреждений;
- замоноличивание стыков сборных конструкций;
- укладка гильз для пропуска через конструкции трубопроводов и кабелей;
- очистка и огрунтовка поверхности оснований, подготавливаемых под изоляцию.
2. В процессе производства теплоизоляционных работ с применением мягких и полужестких изоляционных изделий должны обеспечиваться:
- уплотнение теплоизоляционных материалов в соответствии с проектом, при этом коэффициент уплотнения не должен превышать 1,5 для мягких волокнистых изделий и 1,2 для полужестких;
- плотное прилегание материалов к изолируемой поверхности, а при многослойной изоляции - перекрытие продольных и поперечных швов;
- отсутствие зазоров в стыках;
провисание теплоизоляции на горизонтальных участках трубопроводов.
3. При устройстве изоляции из жестких изделий, укладываемых насухо, должен быть обеспечен зазор не более 2 мм между изделиями и изолируемой поверхностью.
При наклейке жестких изделий температура мастик должна удовлетворять требованиям, приведенным в табл. 1.
4. При устройстве теплоизоляции трубопроводов необходимо обеспечить плотную спиральную укладку изоляции шнурами и жгутами с минимальным отклонением относительно плоскости, перпендикулярной оси трубопровода, и навивку в многослойных конструкциях каждого последующего слоя в направлении, обратном виткам предыдущего слоя.
5. При производстве работ по устройству покровных оболочек из жестких и гибких (неметаллических) материалов необходимо обеспечить плотное прилегание оболочек к теплоизоляции, надежное их крепление и тщательное уплотнение стыков гибких оболочек с их приклейкой по проекту.
На трубопроводах с диаметром до 200 мм стеклоткань должна быть уложена спирально, а диаметром более 200 мм - отдельными полотнищами в соответствии с проектом.
1. Изделия из плитных материалов должны иметь одинаковую толщину в каждом слое. При устройстве изоляции в несколько слоев швы плит необходимо устраивать в разбежку, укладывая плиты плотно друг к другу.
2. Не допускается применение для сборной теплоизоляции следующих материалов:
- гипсовых ячеистых бетонов и перлитовых изделий на гипсовом вяжущем - в помещениях с влажным и мокрым режимом;
- пеносиликата и газосиликата без добавления портландцемента - в помещениях холодильников.
3. Укладка засыпного материала должна производиться по маячным рейкам слоями толщиной не более 60 мм, с укладкой в нижних слоях более мелких фракций материала. Слои должны уплотняться после укладки материалов.
4. Уложенные слои теплоизоляции должны быть выровнены цементно-песчаной стяжкой прочностью 5-10 МПа. Толщина стяжки должна составлять 25-30 мм.
5. При устройстве теплоизоляции из плитных и сыпучих материалов должны быть соблюдены требования, приведенные в табл. 6.
Таблица 6
СНиП 3.04.01-87, таблица 5, 6)
|
Технические требования |
Предельные отклонения |
Контроль (метод, объем, вид регистрации) |
|
1. Допускаемая влажность оснований не должна превышать: |
|
Измерительный, не менее 5 измерений на каждые 50-70 м2 поверхности, журнал работ |
|
для сборных |
4 % |
|
|
для монолитных |
5 % |
|
|
2. Теплоизоляция из штучных материалов: толщина слоя прослойки не должна превышать, мм |
|
То же |
|
- из клеев и холодных мастик -0,8 - из горячих мастик - 1,5 |
|
|
|
ширина швов между плитами, блоками, изделиями - |
|
|
|
- при наклейке - не более 5 (для жестких изделий) |
|
|
|
- при укладке насухо - не более 2 |
|
|
|
3. Монолитная и плитная теплоизоляция: толщина покрытия изоляции (от проектной |
-5 ... +10 %, но не более 20 мм |
|
|
4. Теплоизоляция из сыпучих материалов: |
|
Измерительный, не менее 3 измерений на каждые 70-100 м2 после визуального осмотра, журнал работ |
|
толщина изоляции (от проектной) |
10% |
|
|
коэффициент уплотнения (от проектного) |
5% |
То же, не менее 5 измерений на каждые 100-150 м2 поверхности покрытия |
|
5. Отклонения плоскости изоляции: |
|
Измерительный, на каждые 50-100 м2 поверхности, акт приемки |
|
от заданного уклона |
0,2 % |
|
|
по горизонтали |
±5 мм |
|
|
по вертикали |
±10 мм |
|
1. Положения настоящего раздела должны соблюдаться при контроле качества и приемке работ по устройству кровель из рулонных материалов, полимерных и мастичных составов, штучных материалов и деталей кровель из металлических листов в соответствии с требованиями СНиП 3.04.01-87.
2. Кровельные работы должны выполняться после завершения примыкающих конструкций и окончания всех других видов строительных и монтажных работ на покрытии.
3. При выполнении кровельных работ должны соблюдаться требования, изложенные в разделе «Изоляционные работы», часть I.
4. В процессе выполнения кровельных работ контролируются:
-.качество кровельных материалов и правильность их подготовки;
-.подготовка основания под кровлю;
-.технологический процесс устройства кровли;
-.качество готовой кровли.
5. Качество кровельных материалов контролируется в соответствии с указаниями, изложенными в разделе «Требования к строительным материалам и изделиям. Правила их приемки, испытания и хранения», часть III. При подготовке и приготовлении мастик и контроле их составов следует соблюдать требования табл. 1 раздела «Изоляционные работы», часть I.
6. При подготовке основания под кровлю должны соблюдаться требования, приведенные в табл. 2 раздела «Изоляционные работы», часть I.
7. Признаками, определяющими качество готовой кровли, с учетом которых осуществляется контроль, являются:
- внешний вид;
- соответствие фактического уклона проектному;
- водонепроницаемость.
В рулонных кровлях и кровлях из полимерных и эмульсионно-битумных составов должны быть также проконтролированы адгезия и толщина покрытия (для рулонных кровель - количество слоев рулонного материала).
8. Водонепроницаемость кровли проверяется путем искусственной поливки ее водой в течение 2 ч или после дождя.
1. В процессе наклейки рулонной кровли контролируются:
- температура воздуха;
- соответствие вида приклеивающей мастики виду наклеиваемого рулонного материала;
- температура приклеивающей мастики;
- правильность расположения полотнищ рулонного материала по отношению к скату;
- соблюдение правил нахлестки полотнищ в продольных и поперечных стыках;
- соблюдение требований по усилению кровли на участках ендов, в местах примыкания кровли к выступающим конструктивным элементам, деформационным швами т. п.;
- качество выполнения защитного слоя.
2. Кровельные работы допускается выполнять, если температура окружающего воздуха соответствует указаниям раздела «Изоляционные работы» настоящего Руководства. Рулонные кровельные материалы при производстве работ в отрицательных температурах необходимо в течение 20 ч отогреть до температуры не менее 15°С, перемотать и доставить к месту укладки в утепленной таре.
3. Приклеивающие мастики, как правило, должны быть заводского изготовления. Вид приклеивающей мастики выбирается в зависимости от применяемого рулонного материала, уклона кровли в соответствии с указаниями проекта и раздела 2 настоящего Руководства.
4. Вид наклейки рулонного ковра (сплошная, полосовая, точечная) должен соответствовать проекту.
5. При наклейке полотнища должны укладываться в нахлестку на 100 мм (70 мм по ширине полотнищ нижних слоев кровли крыш с уклоном более 15 %).
6. При наклейке полотнищ вдоль ската крыши верхняя часть полотнища нижнего слоя должна перекрывать противоположный скат не менее, чем на 1000 мм. При наклейке первого слоя мастику следует наносить непосредственно под раскатываемый рулон тремя полосами шириной по 80-100 мм. Последующие слои необходимо наклеивать на сплошном слое мастики.
При наклейке полотнищ поперек ската крыши верхняя часть полотнища каждого слоя, укладываемого на коньке, должна перекрывать противоположный скат крыши на 250 мм и приклеиваться на сплошном слое мастики.
7. В местах примыкания к выступающим поверхностям крыши (парапетам, трубопроводам и т. д.) кровельный ковер должен быть поднят до верха бортика стяжки и приклеен на мастике с прошпатлевкой верхних горизонтальных швов.
8. Температурно-усадочные швы в стяжках и стыки между плитами покрытий необходимо перекрывать полосами рулонного материала шириной до 150 мм и приклеивать с одной стороны шва (стыка).
9. Кровельный ковер из рулонных материалов с заранее наплавляемым в заводских условиях мастичным слоем необходимо наклеивать на предварительно огрунтованное основание методом расплавления или разжижения (пластификации) мастичного слоя материала без применения приклеивающих мастик.
Разжижение мастичного слоя должно проводиться при температуре воздуха не ниже 5°С с одновременной укладкой рулонного ковра или до его укладки (в зависимости от температуры окружающей среды).
Расплавление мастичного слоя должно производиться одновременно с раскладкой полотнищ (температура расплавленной мастики 140-160°С). Каждый уложенный слой кровли необходимо прикатать катком до устройства последующего.
10. При устройстве защитного гравийного покрытия на кровельный ковер необходимо наносить горячую мастику сплошным слоем толщиной 2-3 мм и шириной 2 м и рассыпать сразу по ней сплошной слой гравия, очищенного от пыли, толщиной 5-10 мм. Число слоев и общая толщина защитного покрытия должны соответствовать проектным,
11. Рулонные материалы перед наклейкой необходимо разметить по месту укладки; раскладка полотнищ рулонных материалов должна обеспечивать соблюдение величин их нахлестки при наклейке.
Мастика должна в соответствии с проектом наноситься механизированным способом: равномерным сплошным, без пропусков, или полосовым слоем. При точечной приклейке полотнищ к основанию мастику следует наносить после раскатки полотнищ, в местах расположения отверстий.
12. При устройстве кровли с применением клеящих составов горячие мастики должны наноситься на грунтованное основание непосредственно перед наклейкой полотнищ. Холодные мастики (клеи) следует наносить на основание или полотнище заблаговременно. Между нанесением приклеивающих составов и приклейкой полотнище обходимо соблюдать технологические перерывы, обеспечивающие прочное сцепление приклеивающих составов с основанием.
13. Температура и толщина слоя приклеивающих мастик должны соответствовать указаниям, приведенным в табл. 1. В зимнее время наклейка рулонного ковра должна производиться на холодных мастиках.
14. Приемку готовых кровель из рулонных материалов необходимо осуществлять с учетом требований, изложенных в табл. 2.
1. В процессе устройства мастичной кровли должны быть проконтролированы:
- температура воздуха;
- температура мастики;
Таблица 1
(СНиП 3.04.01-87. таблица 3)
|
Технические требования |
Предельные отклонения |
Контроль (метод, объем, вид регистрации) |
|
|
1. Температура при нанесении горячих мастик, оС: |
|
Измерительный, периодический осмотр не менее 4 раз в смену, журнал работ |
|
|
- битумных -160 |
+20°С |
|
|
|
- дегтевых -130 |
+10°С |
|
|
|
- холодных (в зимнее время) – 65 |
+5°С |
|
|
|
2. Толщина слоя мастик при наклейке рулонного ковра, мм: |
|
Измерительный, технический осмотр, не менее 5 измерений на каждые 70-100 м2 в местах, определяемых визуальным осмотром, журнал работ |
|
|
- горячих битумных - 2,0 |
±10 % |
|
|
|
- промежуточных слоев |
±10 % |
|
|
|
- 1,5 - холодных битумных - 0,8 |
±10 % |
|
Таблица 2
(СНиП 3.04.01-87, таблица 7)
|
Технические требования |
Предельные отклонения |
Контроль (метод, объем, вид регистрации) |
|
1. Полный отвод воды по всей поверхности кровель должен осуществляться по наружным и внутренним водостокам без застоя воды |
- |
Технический осмотр, акт приемки |
|
2. Прочность сцепления с основанием и между собой кровельного и гидроизоляционного ковра из рулонных материалов по сплошной мастичной клеящей прослойке эмульсионных составов с основанием - не менее 0,5 МПа |
|
Измерительный, 5 измерений на 120-150 м2 поверхности покрытия (при простукивании не должен изменяться характер звука); при разрыве приклеенных материалов не должны наблюдаться |
|
3. Теплостойкость и составы мастик для приклейки рулонных материалов, а также прочность и составы растворов клеящей прослойки должны соответствовать проектным |
Не более 5 % |
Технический осмотр, акт приемки |
|
4. Пузыри, вздутия, воздушные мешки, разрывы, вмятины, проколы, губчатое строение, потек и наплывы на покрытии кровель |
Не допускаются |
То же |
|
5. Увеличение влажности оснований, промежуточных элементов, покрытия и всей конструкции по сравнению со стандартом |
Не более 0, 5 % |
Измерительный, 5 измерений на площади 50-70 м2 поверхности покрытия или на отдельных участках меньшей площади в местах, выявленных визуальным осмотром, акт приемки |
|
6. При приемке готовой кровли необходимо проверять: |
Отступления от проекта не допускаются |
|
|
соответствие числа усилительных (дополнительных) слоев в сопряжениях (примыканиях) проекту чаши водоприемной воронки внутренних водостоков не должны превышать поверхность основания углы конструкций примыканий (стяжек и бетона) должны быть сглаженными и ровными, не иметь острых углов |
|
- соответствие количества наносимых слоев мастики указаниям проекта;
- толщина слоев мастики;
- качество работ по армированию мастичной кровли стекломатериалами;
- соблюдение требований по усилению водоизоляционного ковра в местах примыкания к выступающим поверхностям крыши (парапетам, трубопроводам и т. д.), на участках ендов;
- качество устройства защитного слоя кровли.
2. Устройство мастичных кровель допускается, если температура окружающего воздуха соответствует требованиям, изложенным в п. 5 «Общих положений» раздела «Изоляционные работы», часть I.
3. Температура мастик при нанесении кровельных покрытий должна соответствовать требованиям, приведенным в табл. 1.
4. Огрунтовка оснований под кровли из эмульсионно-битумных составов производится в соответствии с указаниями, изложенными в п. 11 «Общих положений» раздела «Изоляционные работы», часть I.
5. Толщина слоя мастик должна соответствовать указаниям, изложенным в табл. 1.
6. При устройстве кровель из эмульсионно-мастичныхсоставов на поверхность основания наносится мастика, после отвердевания которой расстилается стекломатериал так, чтобы не образовывалось волн, с продольной и поперечной нахлесткой полотнищ не менее 100 мм. Разостланное полотнище прикатывается катком и по поверхности стекломатериала наносится следующий сплошной, без разрывов, равномерной толщины слой мастики до полной пропитки стекломатериала. Каждый последующий слой кровельного ковра выполняется аналогично.
7. При устройстве кровли из эмульсионно-мастичных составов, армированных фибрами стекловолокна, их нанесение должно выполняться агрегатами, обеспечивающими получение фибр одинаковой длины, равномерное распределение в составе и плотность кровельного покрытия.
8. При устройстве кровли из полимерных составов типа «Кровлелит» и «Вента» их необходимо наносить агрегатами высокого давления, обеспечивающими плотность, равномерную толщину покрытия и прочность сцепления покрытия с основанием не менее 0,5 МПа. При применении холодных асфальтовых эмульсионных мастик подача и нанесение составов должны осуществляться агрегатами с винтовыми насосами (механического действия), обеспечивающими прочность сцепления покрытия с основанием не менее 0,4 МПа
9. На участках ендов водоизоляционный ковер должен усиливаться двумя мастичными слоями, армированными стекломатериалами, которые заводятся на поверхность ската (от линии перегиба) не менее, чем на 750 мм.
В местах примыкания кровли к стенам, шахтам, деформационным швам и т. п. водоизоляционный ковер усиливается тремя слоями мастики, армированной стекломатериалами. Основные мастичные слои кровли должны доводиться до верха переходных наклонных бортиков и покрываться армированным слоем мастики с нахлесткой основного слоя в нижней части не менее чем на 150 мм. Последующие слои наносятся после остывания мастики с перекрытием основного слоя кровли не менее чем на 100 мм. Конек кровли (при уклонах 2,5 % и более) должен быть усилен на ширину 250 мм с каждой стороны одним мастичным слоем, армированным стекломатериалами.
Защитный гравийный слой кровли устраивается в соответствии с правилами, изложенными в подразделе «Устройство кровель из рулонных материалов» настоящего Руководства.
1. При устройстве деревянных оснований (обрешетки) под кровли из штучных материалов необходимо соблюдать следующие требования:
- стыки обрешетки следует располагать в разбежку;
- расстояния между элементами обрешетки должны соответствовать проектным;
- в местах покрытия карнизных свесов, раз желобков и ендов, а также под кровли из мелкоштучных элементов основания необходимо устраивать из досок (сплошными).
2. В процессе укладки штучных кровельных материалов должны быть выполнены следующие требования:
- укладка и крепление листов к обрешетке должны производиться рядами от карниза к коньку по предварительным разметкам;
- каждый вышележащий ряд должен напускаться на нижележащий;
- асбестоцементные листы волнистые обыкновенного профиля (ВО) и средне волнистые (СВ) необходимо укладывать со смещением на одну волну по отношению к листам предыдущего ряда или без смещения;
- листы усиленного (ВУ) и унифицированного профилей (УВ) необходимо укладывать по отношению к листам предыдущего ряда без смещения;
- при укладке листов без смещения на волну в местах стыка из четырех листов следует производить обрезку углов двух средних листов с зазором между стыкуемыми углами листов ВО 3-4 мм и листов СВ, УВ и ВУ - 8-10 мм;
- нижний край первого (карнизного) ряда листов на крышах с неорганизованным водостоком должен иметь равномерный свес на 100 мм, с подвесными желобами - на 50 мм;
- нахлестка асбестоцементных листов вдоль ската кровли должна быть не менее 150 и не более 300 мм; поперек ската кровли волна перекрывающей кровли асбестоцеметного листа должна напускаться на волну перекрываемой кромки смежного листа.
3. Асбестоцементные листы ВО и СВ следует крепить к обрешетке шиферными гвоздями с оцинкованной шляпкой, листы УВ и ВУ - винтами и специальными захватками, плоские листы - двумя гвоздями и противоветровой кнопкой, крайние листы и коньковые детали - дополнительно двумя противоветровыми скобами.
4. В процессе устройства кровли, карнизов, коньков в разжелобках и местах ее примыкания к выступающим конструктивным элементам контролируется выполнение следующих требований:
- карнизы, коньки, ребра скатов, разжелобки асбестоцементных кровель должны накрываться специальными фасонными деталями с нахлесткой на 100 мм или листовой оцинкованной кровельной сталью;
- при устройстве разжелобка в виде лотка из кровельной стали металлические листы, предварительно соединенные в полосу и изогнутые в виде лотка, после установки на место должны быть надежно прикреплены к основанию (обрешетке). Лоток должен выполняться расширяющимся в сторону стока воды и иметь размеры не менее 250 мм в верхней части и 500 мм в нижней;
- в местах примыкания кровель к стенам, трубам и другим выступающим частям зданий должны быть установлены фартуки из оцинкованной кровельной стали, верхний конец которых должен быть закреплен и загерметизирован; нижний конец фартуков должен перекрывать не менее одной волны; по скату кровель защитные фартуки должны иметь нахлестку не менее 100 мм.
5. Приемку готовых кровель из штучных материалов необходимо осуществлять с учетом требований, изложенных в табл. 3.
Таблица 3
(СНиП 3.04.01-87, таблица 7)
|
Технические требования |
Предельные отклонения |
Контроль (метод, объем, вид регистрации) |
|
1. Видимые просветы в покрытии при осмотре кровли из чердачных помещений |
Не допускаются |
Технический осмотр, акт приемки |
|
2. Отколы и трещины в асбестоцементных плоских и волнистых листах |
То же |
То же |
1. При устройстве металлических деталей кровли контролируется:
-.соответствие проекту вида материалов, применяемых для изготовления металлических деталей кровли;
-.правильность соединения листов кровельной стали между собой в стыках;
крепление металлических деталей кровли к основанию;
-.качество изготовления и монтажа водосточных труб.
2. Металлические листовые детали кровель и водосточные трубы должны изготавливаться из оцинкованной кровельной листовой стали толщиной 0,5-0,8 мм. Для крепления водоизоляционного ковра и защитных фартуков к бетонным поверхностям должны применяться стальные полосы размером 4×40 мм оцинкованные или с противокоррозийным покрытием (ГОСТ 103-76*). Листовой материал должен быть выправлен и очищен от грязи.
3. Соединение картин, располагаемых вдоль стока воды, необходимо осуществлять лежачими фальцами, кроме ребер, скатов и коньков, где картины должны соединяться стоячими фальцами. При уклонах крыш менее 30° лежачий фальц должен выполняться двойным и промазываться суриковой замазкой. Величину отгиба картин для устройства лежачих фальцев следует принимать 15 мм, стоячих фальцев - 20 мм для одной и 35 мм для другой, смежной с ним картины.
4. Крепление картин к деревянной обрешетке необходимо осуществлять кляммерами, пропущенными между фальцами листов и Т-образными костылями. При покрытии карнизов металлические листы должны крепиться наружным краем через 600 мм к поперечникам Т-образных накладок, врезанных в доски обрешетки и свисающих с карниза на 120 мм; верхний край листа прибивается к обрешетке гвоздями. Одновременно с накладками к обрешетке карниза крепятся карнизные штыри для установки воронок водосточных труб.
5. При контроле качества изготовления и навешивания водосточных труб должны быть проверены:
- соответствие диаметра звеньев труб указаниям проекта;
- наличие на звеньях труб валиков для упора поддерживающих хомутов;
- правильность навешивания труб (отвесное расположение на расстоянии 120 мм от стены) и надежность их крепления к стене (с помощью штырей с ухватами, располагаемыми через 1200 мм);
- расположение нижних звеньев водосточных труб (на высоте 200 мм над тротуаром или отмосткой);
- надежность закрепления воронок в верхней части труб (крепление воронок водосточных труб карнизными штырями к обрешетке карниза).
6. Приемку готовых деталей кровель из металлических листов необходимо осуществлять с учетом требований, приведенных в подразделе «Общие положения» и в табл. 4.
Таблица 4
(СНиП 3.04.01-87, таблица 7)
|
Технические требования |
Предельные отклонения |
Контроль (метод, объем, вид регистрации) |
|
1. Расположение металлических картин, их соединение и защита, примыкания и сопряжения в разных плоскостях |
Отступления от проекта не допускаются |
Технический осмотр, акт приемки |
|
2. Видимые просветы в покрытии при осмотре кровли из чердачных помещений |
Не допускаются |
То же |
|
3. Прочное соединение звеньев водосточных труб между собой |
|
» |
|
4. Наличие промазки двойных лежачих фальцев в соединениях металлических картин на покрытии с уклоном менее 30° |
- |
Технический осмотр, акт приемки |
1. Положения настоящего раздела, составленные в соответствии с требованиями СНиП 3.04.01-87, должны соблюдаться при контроле качества и приемке внутренних и наружных отделочных работ (штукатурных, малярных, декоративных, обойных, стекольных, облицовочных, отделки поверхностей листами и плитами).
2. Отделочные работы разрешается начинать после окончания общестроительных и монтажных работ, включая опробование сетей водопровода, канализации, отопления, электроснабжения и связи при действующих постоянных системах отопления. При необходимости разрешается пользоваться тепловентиляционными установками и калориферами для поддержания требуемой температуры и влажности в отделываемом помещении. Готовность здания к производству отделочных работ проверяется контрольно-приемочной комиссией, назначаемой начальником строительной организации.
3. Последовательность производства отделочных работ устанавливается проектом производства работ. При его отсутствии рекомендуется следующая последовательность работ:
В кирпичных зданиях:
- приемка здания или его части под отделку, оштукатуривание мест установки приборов отопления;
- оштукатуривание поверхностей;
- облицовка стен и перегородок плитками, устройство стяжек под полы;
- устройство основании под паркетные полы;
- отделка поверхностей гипсовыми листами сухой штукатурки;
- подготовка поверхностей под окраску;
- устройство дощатых, плиточных и паркетных полов;
- окраска потолков;
- оклейка стен обоями;
- окраска дощатых полов;
- устройство звукопоглощающих облицовок;
- устройство полов из рулонных материалов;
- закрепление плинтусов;
- покрытие полов лаком.
В крупнопанельных зданиях:
- приемка здания или его части под отделку;
- оштукатуривание швов между сборными элементами;
- устройство оснований под полы;
- облицовка поверхностей плитками;
- устройство полов из керамических плиток;
- подготовка поверхностей под окраску;
- окраска потолков;
- устройство дощатых и паркетных полов;
- окраска поверхностей стен;
- устройство полов из линолеума или поливинилхлоридных плиток;
- покрытие полов лаком.
4. До начала отделочных работ должны быть произведены следующие работы:
- выполнена защита отделываемых помещений от атмосферных осадков;
- устроены гидроизоляция, теплозвукоизоляция и выравнивающие стяжки перекрытий;
- загерметизированы швы между блоками и панелями;
- заделаны и изолированы места сопряжений оконных, дверных и балконных блоков;
- остеклены световые проемы;
- смонтированы закладные изделия, произведены испытания систем тепловодоснабжения и отопления.
5. До отделки фасадов дополнительно должны быть выполнены следующие работы:
- наружная гидроизоляция и кровля с деталями и примыканиями;
- устройство всех конструкций пола на балконах;
- монтаж и закрепление всех металлических картин окаймления архитектурных деталей на фасаде;
- установка всех крепежных приборов водосточных труб (согласно проекту).
6. Оштукатуривание и облицовку (по проекту) поверхностей в местах установки закладных деталей санитарно-технических систем необходимо выполнить до начала их монтажа.
7. Отделочные работы, за исключением отделки фасадов, должны выполняться при положительной температуре окружающей среды и отделываемых поверхностей не ниже 10°С и влажности воздуха не более 60 %. Такую температуру в помещении необходимо поддерживать круглосуточно, не менее чем за 2 суток до начала и 12 суток после окончания работ, а для обойных работ - до сдачи объекта в эксплуатацию.
8. В процессе выполнения отделочных работ контролируются:
- готовность сооружения, здания, отделочных конструктивных элементов и их поверхностей под отделку;
- качество применяемых отделочных материалов, изделий, полуфабрикатов и составов;
- соблюдение и соответствие установленных проектами техническими правилами последовательности выполнения отделочных работ и отделочных технологических операций;
- качество выполненных отделочных покрытий и остекления.
9. Отделочные покрытия должны выполняться в соответствии с проектом (при отсутствии требований проекта- согласно эталону). Замена предусмотренных проектом материалов и составов допускается только по согласованию с проектной организацией и заказчиком.
10. Устройство каждого элемента отделочного покрытия следует выполнять после проверки правильности выполнения соответствующего нижележащего элемента с составлением акта освидетельствования скрытых работ.
1. Оштукатуривание конструкций в сооружениях, подвергающихся воздействию динамических нагрузок, запрещается. Отдельные участки монолитных конструкций в таких сооружениях допускается выравнивать путем устройства торкрет-штукатурки по металлической сетке.
Поверхности монолитных и сборных конструкций допускается выравнивать беспесчаной накрывкой.
2. В процессе выполнения штукатурных работ контролируются:
- готовность помещений, качество оштукатуриваемых конструкций и поверхностей;
- качество применяемых растворов и их составляющих;
- качество подготовки поверхности (основания);
- соблюдение выполнения установленных строительными нормами состава и последовательности технологических операций;
- качество готовых штукатурных покрытий.
3. При проверке готовности помещений и поверхностей к оштукатуриванию проверяется выполнение работ, указанных в п. 4 предыдущего подраздела.
4. Вид, марка и подвижность штукатурного раствора должны соответствовать проекту. Метод контроля качества составляющих и физико-механические показатели растворной смеси должны соответствовать требованиям, указанным в табл. 1.
Таблица 1
(СНиП 3.04.01-87, таблица 8)
|
Технические требования |
Предельные отклонения |
Контроль (метод, объем, вид, регистрации) |
|
1. Растворы штукатурные должны проходить без остатка через сетку с размерами ячеек, мм: |
|
Измерительный, периодический, 3-4 раза в смену, журнал работ |
|
- для обрызга и грунта - 3 |
||
|
- для накрывки и однослойных покрытий - 1,5 |
||
|
2. Подвижность раствора - 5 |
+7 |
То же, в каждой партии |
|
3. Расслаиваемость - не более 15 % |
- |
То же, в лабораторных условиях, 3-4 раза в смену |
|
4. Водоудерживающая способность - не менее 90 % |
- |
То же |
|
5. Прочность сцепления, МПа, не менее: |
|
То же, не менее 3 измерений на 50-70 м2 поверхности покрытий |
|
- для внутренних работ - 0,1 |
10 % |
|
|
- для наружных работ - 0,4 |
10 % |
|
|
6. Крупность заполнителей для декоративной отделки интерьеров и фасадов зданий, мм: |
|
То же, не менее 5 измерений на партию в смену |
|
- по клеящей прослойке из гранитной, мраморной, сланцевой, керамической, стеклянной и пластмассовой крошки, а также крупнозернистого песка - 2 |
+3 мм |
|
|
- цементно-известковых, известково-песчаных и цементных составов с песком: кварцевым - 0,5 |
+1,5 мм |
|
|
мраморным - 0,25 |
+0,25 мм |
|
|
- терразитовые смеси с мелким заполнителем: песок- 1 слюда - 1 |
+1 мм +1 мм |
|
|
со средним заполнителем: песок -2 слюда - 2,5 с |
+2 мм +0,5 мм |
|
|
крупным заполнителем: песок -4 слюда- 4 |
+2 мм +1 мм |
|
5. Выполнение штукатурных покрытий по основаниям, имеющим высолы, жировые и битумные пятна, грязь, пыль, не допускается. Недостаточно шероховатые поверхности должны быть обработаны насечкой, влажные участки на конструкциях должны быть высушены.
6. Поверхности сборных плит и панелей должны удовлетворять требованиям стандартов и технических условий на соответствующие изделия.
7. Допускаемая влажность кирпичных и каменных поверхностей при оштукатуривании не должна превышать 8%. При проверке влажности конструкций производится не менее 3 измерений на 10 м2 поверхности.
8. Прочность оснований должна быть не менее прочности штукатурного покрытия и соответствовать проектной.
9. Выступающие архитектурные детали, места сопряжений деревянных элементов с каменными, кирпичными, бетонными конструкциями должны оштукатуриваться по прикрепленной к поверхности металлической сетке или плетеной проволоке: деревянные поверхности - по щитам из драни.
10. Внутренние поверхности каменных и кирпичных стен, возведенных методом замораживания, следует оштукатуривать после оттаивания кладки с внутренней стороны не менее, чем на половину толщины стены.
11. При оштукатуривании стен из кирпича при температуре окружающей среды 23°С и выше поверхность перед нанесением раствора необходимо увлажнять.
12. Улучшенную и высококачественную штукатурку следует выполнять по маякам, толщина которых должна быть равна толщине штукатурного покрытия без накрывочного слоя.
13. При устройстве однослойных покрытий их поверхность следует разравнивать сразу же после нанесения раствора, в случае применения затирочных машин - после его схватывания.
14. При устройстве многослойных штукатурных покрытий каждый слой необходимо наносить после схватывания предыдущего (накрывочный слой - после схватывания раствора).
15. При производстве штукатурных работ должны соблюдаться требования, указанные в табл. 2.
Таблица 2
(СНиП 3.04.01-87, таблица 10)
|
Технические требования |
Контроль (метод, объем, вид регистрации) |
|
1. Допускаемая толщина однослойной штукатурки, мм: |
Измерительный, не менее 5 измерений на 70-100 м2 поверхности покрытия или в одном помещении меньшей площади в местах, выявленных сплошным визуальным осмотром, журнал работ |
|
- при применении всех видов растворов - до 20 |
|
|
- из гипсовых растворов - до 15 |
|
|
2. Допускаемая толщина каждого слоя при устройстве многослойных штукатурок без полимерных добавок, мм: |
То же |
|
- обрызга по каменным, кирпичным, бетонным поверхностям - до 5 |
|
|
- обрызга по деревянным поверхностям (включая толщину драни) - до 9 |
|
|
- грунта из цементных растворов - до 5 |
|
|
- грунта из известковых, известково-гипсовых растворов - до 7 |
|
|
- накрывочного слоя штукатурного покрытия - до 2 |
|
|
- накрывочного слоя декоративной отделки-до 7 |
16. Установка лепных изделий из гипса должна производиться после схватывания и просушки основания из штукатурных растворов. Архитектурные детали на фасаде необходимо закреплять за заложенную в конструкцию стен арматуру, предварительно защищенную от коррозии.
17. Листы гипсовой штукатурки необходимо приклеивать к поверхности кирпичных стен составами, соответствующими проектным, располагаемыми в виде марок размером 80Х80 мм на площади не менее 10 % вдоль потолка, пола, углов вертикальной плоскости через 120-150 мм, в промежутках между ними на расстоянии не более 400 мм, вдоль вертикальных кромок - сплошной полосой. Листы к деревянным основаниям следует крепить гвоздями с широкими шляпками.
18. Приемка выполненных штукатурных работ производится путем освидетельствования готового штукатурного покрытия. При этом проверяются:
- соответствие вида штукатурки проекту;
- качество штукатурки;
- прочность сцепления штукатурки с основанием и слоев между собой.
19. Готовые штукатурные покрытия должны отвечать требованиям, приведенным в табл. 3 и 4.
Таблица 3
(СНиП 3.04.01-87, таблица 15)
|
Технические требования |
Контроль (метод, объем, вид регистрации) |
|
1. Прочность сцепления покрытия из штукатурных составов и листов сухой гипсовой штукатурки, МПа: - внутренних оштукатуренных поверхностей - не менее 0,1; - наружных оштукатуренных поверхностей - 0,4 |
Измерительный, не менее 5 измерений на 50-70 м2 поверхности покрытия или на меньшей площади отдельных участков, выявленных сплошным визуальным осмотром, акт приемки |
|
2. Штукатурные покрытия из листов сухой гипсовой штукатурки не должны быть зыбкими, при легком простукивании деревянным молотком в стыках не должны появляться трещины; допускаются провесы в стыках не более 1 мм |
То же |
|
3. Требования к лепным изделиям: |
|
|
- отклонения по горизонтали и вертикали на 1 м длины детали - не более 1 мм |
» |
|
- смещение осей отдельно расположенных крупных деталей от заданного положения не должно превышать 10 мм |
» |
|
- заделанные стыки не должны быть заметны, а части сомкнутого рельефа должны находиться в одной плоскости; рисунок (профиль рельефных изделий) должен быть четким; на поверхности деталей не должно быть раковин, изломов, трещин, наплывов раствора |
» |
20. Оштукатуренные поверхности должны быть ровными и гладкими. Трещины, бугорки, раковины, душки, грубо-шероховатая поверхность, пропуски не допускаются. Прочность сцепления штукатурки с основанием и слоев штукатурки между собой проверяется легким простукиванием деревянным молотком. Допускается контрольное вскрытие штукатурки на отдельных участках.
21. Проверка отклонений оштукатуренных поверхностей стен, оконных и дверных откосов, пилястр, столбов, лузг и т. п. от вертикали и горизонтали, неровностей главного очертания производится контрольной двухметровой рейкой в количестве не менее 5 измерений на 50-70 м2 поверхности или на отдельном участке меньшей площади в местах, выявленных сплошным визуальным осмотром (для погонажных изделий не менее пяти на 35-40 м и трех - на элемент).
Таблица 4
(СНиП 3.04.01-87, таблица 9)
|
Наименование поверхностей и линейных материалов |
Допускаемые отклонения при отделке |
||
|
простой |
улучшенной |
высококачественной |
|
|
1 Отклонение поверхности стен (потолков) от вертикали (горизонтали), мм, на 1 м дайны или высоты |
3, но не более 15 на всю высоту (длину) помещения |
2, но не более 10 на всю высоту (длину) помещения |
1, но не более 5 на всю высоту (длину) помещения |
|
2. Неровности поверхностей главного очертания (на 4 м2) |
Не более 3, глубиной (высотой) до 5 мм |
Не более 2, глубиной (высотой) до 3 мм |
Не более 2, глубиной (высотой) до 2 мм |
|
3. Отклонения оконных и дверных откосов, пилястр, столбов, лузг и т. п.от вертикали и горизонтали (мм на 1 м) не должны превышать |
4 мм, но не более 10 мм на весь элемент |
2 мм, но не более 5 мм на весь элемент |
1 мм, но не более 3 мм на весь элемент |
|
4. Отклонения радиуса криволинейных поверхностей от проектной величины (на весь элемент) |
Не более 10 мм |
Не более 7 мм |
Не более 5 мм |
|
5. Отклонения ширины откоса от проектной |
Не более 5 мм |
Не более 3 мм |
Не более 2 мм |
|
6. Отклонения тяг от прямой линии в пределах между углами пересечения тяг и раскреповки |
Не более 6 мм |
Не более 3 мм |
Не более 2 мм |
|
* Показатели для штукатурных покрытий из сухой штукатурке. гипсовой штукатурки должны соответствовать высококачественной штукатурке |
|||
1. В процессе выполнения декоративных отделочных работ контролируются:
- качество отделываемых конструкций и поверхностей;
- качество применяемых растворов и их составляющих;
- качество подготовки оснований;
- соблюдение установленных проектом состава и последовательности выполнения. технологических операций.
2. Требования к готовности помещений и качеству отделываемых конструкций и поверхностей аналогичны тем, которые предъявляются при производстве штукатурных работ.
3. Качество применяемых растворов и их составляющих должно соответствовать требованиям, приведенным в табл. 1.
4. Требования к качеству оснований и их подготовке аналогичны тем, которые предъявляются при устройстве штукатурных покрытий, если проектом не предусмотрены другие требования.
5. Поверхность основания при декоративной отделке составами с наполнителями должна быть не заглаженной; производить шпатлевку или шлифование шероховатых поверхностей не допускается.
6. При отделке поверхностей декоративными пастами и терразитовыми составами каждый слой многослойных декоративных покрытий необходимо выполнять после отвердения предыдущего, без шлифовки лицевой поверхности.
7. При устройстве отделочных покрытий из декоративных паст по штукатурке вместо накрывочного слоя производство работ следует выполнять с соблюдением правил, предъявляемых к устройству накрывочного слоя штукатурных покрытий.
8. Декоративная отделка терразитовыми составами должна выполняться однослойной с соблюдением требований, предъявляемых к устройству однослойных штукатурных покрытий.
9. При отделке поверхностей декоративной крошкой ее необходимо наносить по непросохшему клеящему слою. Нанесенная крошка должна образовывать сплошное, без пропусков, покрытие с плотным прилеганием крошек друг к другу.
Перед нанесением гидрофобизирующего состава поверхность должна быть очищена сжатым воздухом.
10. При устройстве декоративных отделочных покрытий должны быть соблюдены требования, приведенные в табл. 5.
Таблица 5
(СНиП 3.04.01-87, таблица 12)
|
Технические требования |
Предельные отклонения |
Контроль (метод, объем, вид регистрации) |
|
1. Величина отапливания в клеящую прослойку декоративной крошки должна составлять 2/3 ее размера |
10% |
Измерительный, не менее 5 измерений на 50- 70 м2 поверхности покрытия или в местах, выявленных сплошным визуальным осмотром, журнал работ |
|
2. Сцепление декоративной крошки с основанием должно быть не менее 0,3 МПа |
5% |
То же, не менее 5 измерений на 70-100 м2 поверхности покрытия |
|
3. Допустимая толщина декоративного покрытия, мм: |
|
То же, не менее 5 измерений на каждые 30- 50 м2 поверхности покрытия |
|
- с применением крошки по клеевой прослойке - до 7 |
||
|
- с применением паст (по штукатурке) - до 5 |
||
|
- с применением терразитовых составов - до 12 |
11. Приемка выполненных декоративных отделочных покрытий производится путем освидетельствования готового покрытия. При этом проверяется:
- соответствие вида декоративной отделки проекту;
- качество декоративного покрытия.
12. Выполненные декоративные отделочные покрытия должны соответствовать проекту и утвержденному эталону.
13. Поверхности одного цвета, имеющие мелкозернистую фактуру, должны быть однотонными, без полос, дутиков, пятен, подтеков. Местные исправления, выделяющиеся на общем фоне, не должны быть заметны на расстоянии 3 м.
1. Малярные работы должны выполняться в соответствии с проектом, а при отсутствии требований проекта - по образцам, утвержденным проектной организацией или заказчиком.
2. В процессе выполнения малярных работ контролируются:
- качество поверхностей и конструкций, подлежащих окраске;
- качество малярных составов и материалов;
- качество подготовки и обработки поверхностей;
- технологическая последовательность и соответствие количества операций строительным нормам и правилам.
3. Качество подлежащих окраске поверхностей должно удовлетворять требованиям технических условий и соответствующих разделов настоящего Руководства (см. в разделе «Отделочные работы» подраздел «Производство штукатурных и лепных работ», табл. 3 и 4). Выполнение малярных работ по основаниям покрытий, имеющих высолы, жировые и битумные пятна, пыль, брызги или потеки раствора, ржавчину, не допускается.
4. Основания, подготовленные под окраску, должны удовлетворять требованиям табл. 6.
Таблица 6
СНиП 3.04.01-87, таблица 9)
|
Технические требования |
Предельные отклонения |
Контроль (метод, объем, вид регистрации) |
|
1. Поверхности сборных плит и панелей должны удовлетворять требованиям стандартов и технических условий на соответствующие изделия |
До появления капельно-жидкой влаги на поверхности |
Технический осмотр, акт приемки |
|
2. Допускаемая влажность: |
|
|
|
- бетонных, оштукатуренных или прошпатлеванных поверхностей при окраске малярными составами, кроме цементных и известковых |
Не более 8% |
Измерительный, не менее 3 измерений на 10 м2 поверхности |
|
- то же, при окраске цементными и известковыми составами |
До появления капельно-жидкой влаги на поверхности |
|
|
- деревянных поверхностей под окраску |
Не более 12 % |
5. Малярные составы и материалы должны удовлетворять требованиям табл. 7.
Таблица 7
(СНиП 3.04.01-87, таблица 8)
|
Технические требования |
Контроль (метод, объем, вид регистрации) |
|
1. Шпатлевки: |
Измерительный, периодический, не менее 5 измерений на 50-70 м2 поверхности покрытия, журнал работ |
|
- время высыхания - не более 24 ч |
|
|
- прочность сцепления, МПа: |
|
|
через 24 ч не менее 01 через 72 ч не менее 0,2 |
|
|
- жизнеспособность - не менее 20 мин |
Технический осмотр, не менее трех пробных вышпатлевок на партию, журнал работ |
|
2. Шпатлевочное покрытие после высыхания должно быть ровным, без пузырьков, трещин и механических включений |
То же |
|
3. Окрасочные материалы должны соответствовать проекту, ГОСТ, ТУ |
То же, не менее 3 раз на партию, журнал работ |
6. Качество подготовленных оснований должно удовлетворять следующим требованиям:
- поверхности при окраске масляными, клеевыми, водоэмульсионными составами должны быть сглаженными, без шероховатостей;
- поверхностные трещины раскрыты, огрунтованы, заполнены шпатлевкой на глубину не менее 2 мм и отшлифованы;
- раковины и неровности огрунтованы, прошпатлеваны и сглажены;
- отслоения, потеки раствора, следы обработки затирочными машинами удалены;
- швы между листами сухой гипсовой штукатурки и участки, примыкающие к ним, огрунтованы, прошпатлеваны, отшлифованы заподлицо с поверхностью или обработаны рустами (в соответствии с проектом).
7. Перед нанесением каждого слоя огрунтовочных и малярных составов следует производить обеспыливание поверхностей.
8. Огрунтовка поверхностей должна производиться перед окраской малярными составами, кроме кремний органических. Огрунтовку необходимо выполнять сплошным равномерным слоем, без пропусков и разрывов. Высохшая грунтовка должна иметь прочное сцепление с основанием, не отслаиваться при растяжении, на приложенном к ней тампоне не должно оставаться следов вяжущего. Окраску следует производить после высыхания грунтовки.
9. Малярные составы необходимо наносить сплошным слоем. Нанесение каждого, окрасочного состава должно начинаться после полного высыхания предыдущего. Флейцевание или торцевание красочного состава следует производить по свеженанесенному окрасочному составу.
10. При окраске дощатых полов каждый слой, за исключением последнего, необходимо прошлифовывать до удаления глянца.
11. Слои малярного покрытия должны удовлетворять требованиям табл. 8.
Таблица 8
(СНиП 3.04.01-87, таблица 11)
|
Технические требования |
Предельные отклонения |
Контроль (метод, объем, вид регистрации) |
|
1. Допускаемая толщина слоев малярного покрытия: |
|
Измерительный, не менее 5 измерений на 50-70 м* поверхности покрытия или в одном помещении меньшего размера после сплошного визуального осмотра, журнал работ |
|
- шпатлевки - 0,5 мм |
1,5 мм |
|
|
- окрасочного покрытия не менее 25 мкм |
- |
|
|
2. Поверхность каждого слоя малярного покрытия при улучшенной и высококачественной внутренней окраске безводными составами должна быть ровной, без потеков краски, не иметь зубчатого строения и т. п. |
- |
То же, на 70-100 м2 поверхности покрытия (при освещении электролампой с рефлектором, имеющим узкую щель, луч света, направленный параллельно окрашенной поверхности, не должен образовывать теневых пятен) |
12. Приемка выполненных малярных работ производится путем освидетельствования готового малярного покрытия. При этом проверяются:
-соответствие выполненной окраски проекту или утвержденным образцам;
- качество окраски;
- прочность окрасочного покрытия.
13. Освидетельствование малярных покрытий необходимо производить после высыхания водных красок и образования прочной пленки на поверхностях, окрашенных безводными составами.
Качество готовых малярных покрытий должно отвечать требованиям, приведенным в табл. 9.
Таблица 9
(СНиП 3.04.03-87, таблица 15)
|
Технические требования |
Предельные отклонения |
|
1. Поверхности, окрашенные водными составами, должны быть однотонными: |
|
|
- полосы, пятна, подтеки, брызги |
Не допускаются |
|
- отмеливание поверхности (при нажиме за 1 раз по одному месту) |
» |
|
- местные исправления, выделяющиеся на общем фоне (кроме простой окраски |
Не должны быть заметны на расстоянии 3 м |
|
2. Поверхности, окрашенные безводными составами, должны иметь однотонную глянцевую или матовую поверхность: |
|
|
- просвечивания нижележащих слоев краски, отслоения, пятна, морщины, потеки, видимые крупинки краски, сгустки пленки на поверхности, следы кисти и валика, неровности, отпечатки высохшей краски на приложенном тампоне |
Не допускаются |
|
3. Поверхности, окрашенные лаками, должны иметь глянцевые покрытия: |
|
|
- трещины, видимые утолщения, следы лака (после высыхания) на приложенном тампоне |
Не допускаются |
|
4. В местах сопряжений поверхностей, окрашенных в различные цвета, искривления линий и закраски для: |
|
|
- высококачественной окраски |
Не допускаются |
|
- улучшенной окраски |
Не более 2 мм |
|
- простой Окраски |
Не более 5 мм |
|
5. Искривление линий филенок и закраска поверхностей при применении разных колеров |
1 мм (на 1 м поверхности) |
14. При приемке малярных работ производится сплошной визуальный осмотр окрашенных поверхностей, проверяется качество и прочность окрасочных покрытий. В случае возникновения сомнений в качестве и правильности выполнения технологических операций по подготовке и окраске поверхностей производится частичное удаление краски до основания для выявления качества выполненных работ. Такая проверка должна выполняться в местах, где последующее исправление покрытия не нарушит его однородности.
1. Обойные работы должны выполняться в соответствии с проектом и утвержденными образцами. Изменение цветового фона и рисунка обоев допускается по согласованию с заказчиком.
2. В процессе выполнения обойных работ контролируются:
- качество поверхностей, подлежащих оклеиванию обоями;
- качество применяемых материалов и подготовки поверхностей;
- качество готовых покрытий.
3. К началу обойных работ должна быть закончена окраска потолков и выполнены другие малярные работы, кроме окраски полов, плинтусов и наличников.
4. Поверхности, подлежащие оклейке обоями, должны отвечать требованиям, приведенным в табл. 3, 4, 6.
5. Применяемые обои по виду, сорту и качеству должны соответствовать проекту и утвержденным образцам.
6. Поверхности, подготовленные под оклейку обоями, должны быть очищены от побелки и обеспылены перед нанесением клея. Поверхности металлических крепежных приборов, располагаемых под обоями, должны быть предварительно покрыты антикоррозионным составом.
7. Качество подготовленных под оклейку поверхностей должно удовлетворять следующим требованиям:
- поверхности должны быть сглаженными, без шероховатостей;
- поверхностные трещины раскрыты, огрунтованы, заполнены шпатлевкой на глубину не менее 2 мм и отшлифованы;
- раковины и неровности огрунтованы, прошпатлеваны и сглажены;
- отслоения, потеки раствора, следы обработки затирочными машинами удалены;
- швы между листами сухой штукатурки и участки, примыкающие к ним, огрунтованы, прошпатлеваны или обработаны рустами (в соответствии с проектом) и дополнительно оклеены полосами бумаги, марли и т. п.;
- окраска полов должна быть закончена.
8. Клеевой состав при- огрунтовке поверхности под обои должен наноситься сплошным равномерным слоем, без пропусков и потеков, и выдерживаться до начала загустевания. Дополнительный слой клеящей прослойки следует наносить по периметру оконных и дверных проемов, по контуру и в углах отделываемой поверхности полосой шириной 75-80 мм в момент начала загустевания основного слоя.
9. При оклеивании оснований бумагой отдельными полосами или листами расстояние между ними должно быть 10-12 мм.
10. Приклейку полотнищ бумажных обоев следует выполнять после их набухания и пропитки клеевым составом.
11. Обои поверхностной плотностью до 100 г/м2 необходимо наклеивать внахлестку, 100-120 г/м2 и более -впритык.
12. При стыковании полотнищ внахлестку оклейку поверхностей обоями следует производить в направлении от световых проемов без устройства стыков вертикальных рядов полотнищ на пересечениях плоскостей.
13. При оклейке поверхностей синтетическими обоями на бумажной или тканевой основе углы стен необходимо оклеивать целым полотнищем. Пятна клея на их поверхности необходимо удалять немедленно. Вертикальные кромки смежных полотнищ текстовинита и пленок на тканевой основе должны при наклейке перекрывать по ширине предыдущие полотнища с нахлесткой 3-4 мм. Обрезку перекрывающих кромок следует производить после полного высыхания клеевой прослойки, и после извлечения кромки дополнительно нанести клей в местах приклейки кромок смежных полотнищ.
14. При наклейке ворсовых обоев полотнища следует приглаживать в одном направлении.
15. Оклеенные обоями поверхности до их полной просушки необходимо предохранять от сквозняков и прямого
воздействия солнечных лучей с установлением постоянного влажностного режима. Температура воздуха в помещениях при сушке наклеенных обоев не должна превышать 23 °С.
16. Приемка обойных работ производится только после полной просушки. В процессе приемки проверяются:
соответствие обоев утвержденным образцам;
внешний вид обоев;
качество выполнения стыков между отдельными полотнищами и совпадение рисунка в швах;
ровность поверхности;
качество наклейки обоев в углах, у оконных и дверных откосов, подоконных досок, плинтусов и наличников.
17. Требования, предъявляемые к готовым обойным покрытиям, приведены в табл. 10.
Таблица 10
(СНиП 3.04.03-87, таблица 15)
|
Технические требования |
Контроль (метод, объем, вид регистрации) |
|
1. Кромки нахлестов полотнищ должны быть обращены к световым проемам, без теней от них (при наклейке внахлестку) |
Технический осмотр, акт приемки |
|
2. Оклейка из полотнищ одинакового цвета и оттенков должна быть произведена с точной пригонкой рисунка на стыках |
То же |
|
3. Отступления кромок должны быть не более 0,5 мм (незаметными с расстояния 3 м) |
» |
|
4. Воздушные пузыри, пятна, пропуски, проклейки и отслоения, а в местах примыкания к откосам проемов перекосы, морщины, заклейки обоями плинтусов, наличников, розеток, выключ ателей и т. п. не допускаются |
» |
1. Стекольные работы должны выполняться при положительной температуре окружающей среды. Остекление при отрицательной температуре воздуха допускается только в случае невозможности снятия переплетов и при применении замазки, подогретой не ниже, чем до 20°С 2.
2. При производстве стекольных работ проверяется: - вид и качество стекла и изделий из стекла;
вид и качество замазки и крепежных деталей;
качество подготовки переплетов;
правильность укрепления стекол в переплетах;
качество готового остекления, заполнения проемов.
3. Применяемые стекольные материалы, замазки должны отвечать требованиям проекта и ГОСТ.
Стекло должно поступать на объект без трещин, нарезанное по размерам в комплекте с уплотнителями, герметиками и крепежными приборами.
4. При остеклении металлических и железобетонных переплетов металлические штапики необходимо устанавливать после укладки в фальц резиновых прокладок.
5. Крепление стекол в деревянных переплетах должно выполняться при помощи штапиков или шпилек с заполнением фальцев переплета замазкой. Стекло должно перекрывать фальцы переплетов на не более 3/4 ширины. Замазка должна наноситься равномерным сплошным слоем, без разрывов, до полного уплотнения фальца переплета.
6. Крепление увиолевого, матового, матово-узорчатого, армированного, цветного, а также закаленного стекла в оконных и дверных проемах должно выполняться таким же способом, как крепление листового, в зависимости от материала переплета.
7. Установку стеклоблоков на растворе следует выполнять со строго постоянными горизонтальными и вертикальными стыками постоянной ширины в соответствии с проектом.
8. Монтаж стеклопанелей и сборка их обвязок должны осуществляться в соответствии с проектом.
9. Приемка готового остекления производится с учетом выполнения следующих требований:
- поверхность стекол и стеклоконструкций должна быть без трещин, выколов, пробоин, без следов замазки, раствора, краски, жировых пятен и т. п.;
- замазка после образования на поверхности твердой пленки не должна иметь трещин, отставать от поверхности стекла и фальца;
- обрез замазки в месте соприкосновения со стеклом должен быть ровным и параллельным кромке фальца, без выступающих крепежных приборов;
- наружные фаски штапиков должны плотно прилегать к внешней грани фальцев, не выступая за их пределы и не образуя впадин;
- штапики, установленные на стекольной замазке, должны быть прочно соединены между собой и с фальцем переплета;
- резиновые прокладки должны плотно прилегать к поверхности фальца, стекла и штапиков, не выступать над гранью штапика, не иметь трещин и разрывов;
- резиновые профили при применении любых крепежных приборов должны быть плотно прижаты к стеклу и пазу фальца, крепежные приборы - соответствовать проектным и плотно запасованы в пазах фальца;
- стеклоблоки, установленные на растворе, должны иметь ровные, строго вертикальные и горизонтальные швы одинаковой ширины, заполненные заподлицо с поверхностями конструкции;
- вся конструкция стеклоблоков после установки должна быть вертикальной, с допусками, не превышающими 2 мм на 1 м поверхности;
- стыкование стекол, а также установка стекол с дефектами (трещины, выколы более 10 мм, несмывающиеся пятна, инородные включения) при остеклении жилых домов и объектов культурно-бытового назначения не допускается.
10. Контроль качества стекольных работ осуществляется методом технического осмотра с составлением акта приемки.
1. В процессе облицовки поверхности плитами и плитками проверяются:
- качество плит и плиток;
- качество растворов и мастик;
- качество облицовываемых конструкций;
- качество подготовки поверхностей;
- соблюдение , технологической последовательности операций;
- качество заполнения швов и зазора между плитками и облицовываемой поверхностью;
- соответствие рисунка облицовки проекту;
- ровность облицовки, толщина швов, допускаемые отклонения.
2. Применяемые материалы для облицовки конструкций должны удовлетворять требованиям ГОСТ и ТУ, а также соответствовать требованиям проекта.
3. Качество облицовываемых конструкций, ровность, вертикальность или горизонтальность их плоскостей должны удовлетворять требованиям соответствующих разделов настоящего Руководства («Каменные работы» и др.).
4. При облицовке поверхностей качество подготовленных оснований должно удовлетворять следующим требованиям:
- стены должны иметь нагрузку не менее 65 % проектной при внутренней и 80% при наружной облицовке их поверхности, за исключением стен, облицовка которых выполняется одновременно с кладкой;
- бетонные поверхности и поверхности кирпичных и каменных стен, выложенных с полностью заполненными швами, должны иметь насечку;
- поверхности стен, выложенных в пустошовку, необходимо подготавливать без насечки с заполнением швов раствором;
- любые поверхности необходимо перед их облицовкой очистить, промыть и перед нанесением клеящей прослойки из раствора и других водных составов увлажнить до матового блеска;
- перед облицовкой в помещениях следует произвести окраску потолков и плоскости стен над облицовываемой поверхностью;
- перед облицовкой стен листами и панелями с лицевой отделкой необходимо выполнить скрытую проводку;
- облицовку стен, колонн, пилястр интерьеров помещений следует выполнять перед устройством покрытия пола.
5. Соединение поля облицовки с основанием должно осуществляться:
при применении облицовочных плит и блоков размером более 400 см2 и толщиной более 10 мм - креплением к основанию и с заполнением раствором пространства между облицовкой и поверхностью стены (пазух) или без заливки пазух раствором при относе облицовки от стены;
- при применении плит и блоков размером 400 см2 и менее, толщиной не более 10 мм, а также при облицовке плитами любых размеров горизонтальных и наклонных (не более 45 %) поверхностей - на растворе или мастике (в соответствии с проектом) без дополнительного крепления к основанию;
- при облицовке закладными плитами и облицовочным кирпичом одновременно с кладкой стен - на кладочном растворе.
6. Элементы облицовки при применении природного и искусственного камня полированной и лощеной фактуры необходимо сопрягать насухо, подгоняя кромки подобранных по рисунку смежных плит с креплением по проекту. Швы плит необходимо заполнять мастикой после заливки пазух раствором и его затвердения.
7. Плиты со шлифованной, точечной, бугристой и бороздчатой структурой, а также с рельефом типа «Скала» необходимо устанавливать на растворе; вертикальные швы следует заполнять раствором на глубину 15-20 мм или герметиком после затвердения раствора клеящей прослойки.
8. При облицовке стен, возведенных методом замораживания, заполнение швов облицовки из закладных керамических плит необходимо выполнять после оттаивания и затвердения кладочного раствора при нагрузках на стены не менее 80 % проектной.
9. Заливку пазух раствором необходимо производить после установки постоянного или временного крепления поля облицовки. Раствор следует заливать горизонтальными слоями, оставляя после заливки последнего слоя раствора пространство до верха облицовки в 5 см. Раствор, залитый в пазухи облицовки, при технологических перерывах, превышающих 18 ч, следует защищать от потери влаги. Перед продолжением работ незаконченную часть пазухи необходимо очистить от пыли сжатым воздухом.
10. Поверхности из-под распила плит мягких пород (известняка, туфа и т. п.), а также выступающие более чем на 1,5 мм кромки плит с полированной, шлифованной, бороздчатой и точечной поверхностями должны быть соответственно отшлифованы, подполированы или подтесаны до получения четкого контура кромок плит.
11. Отделка участка и всей поверхности интерьера и фасада облицовочными изделиями разного цвета, фактуры, текстуры и размеров должна производиться с подбором всего рисунка поля облицовки в соответствии с проектом.
12. В ходе приемки облицовочных работ проверяется:
- внешний вид, рисунок готовой облицовки и соответствие его проекту;
- качество плиток и плит в облицовке;
- вертикальность, горизонтальность и прямолинейность лузг, усенков и швов, толщина швов;
- ровность поверхности облицовки;
- прочность сцепления плиток с основанием.
13. При производстве облицовочных работ должны быть соблюдены требования, приведенные в табл. 11.
Таблица 11
(СНиП 3.04.03-87, таблица 13)
|
Технические требования |
Предельные отклонения, мм |
Контроль (метод, объем, вид регистрации) |
|
|
1. Толщина клеящей прослойки, мм: |
|
Измерительный, не менее 5 измерений на 70- 100 м2 поверхности или на отдельном участке меньшей площади в местах, выявленных сплошным визуальным осмотром, журнал работ |
|
|
- из раствора - 7 |
+8 |
|
|
|
- из мастики - 1 |
+1 |
|
|
|
2. Отклонения облицованной поверхности от вертикали (мм на 1 м длины), мм: |
|
То же |
|
|
- зеркальной, лощеной - не более 2 |
Не более 4 на этаж |
|
|
|
- шлифованной, точечной, бугристой, бороздчатой - не более 3 |
Не более 8 на этаж |
|
|
|
- керамическими, стекло-керамическими и другими изделиями в облицовке: |
|
|
|
|
наружной - 2 |
Не более 5 на этаж |
|
|
|
внутренней - 1,5 |
Не более 4 на этаж |
|
|
|
3. Отклонения расположения швов от вертикали и горизонтали (мм на 1 м длины) в облицовке, мм: |
- |
Измерительный, не менее 5 измерений на 70- 100 м2 поверхности или на отдельном участке меньшей площади в местах, выявленных сплошным визуальным осмотром, журнал работ |
|
|
- зеркальной, точечной, бугристой, бороздчатой - до 3 |
|
|
|
|
- фактуры типа «Скала» - до 3 |
|
||
|
- керамическими, стеклокерамическими и другими изделиями в облицовке |
|
||
|
наружной - до 2 |
|
||
|
внутренней - до 1,5 |
|
||
|
4. Допускаемые несовпадения профиля на стыках архитектурных деталей и швов в облицовке, мм |
- |
То же не менее 5 измерений на 70-100м2 поверхности |
|
|
- зеркальной, лощеной - до 0,5 |
|
||
|
- шлифованной, точечной, бугристой, бороздчатой - до 1 |
|
||
|
- фактуры типа «Скала» - до 2 |
|
||
|
- керамическими, стеклоерамическими и другими изделиями в облицовке: |
|
||
|
наружной - до 4 |
|
||
|
внутренней - до 3 |
|
||
|
5. Неровности плоскости (при контроле двухметровой рейкой), мм: |
|
То же |
|
|
- зеркальной, лощеной - до 2 |
|
||
|
- шлифованной, точечной, бугристой, бороздчатой - до 4 |
|
||
|
- керамическими, стеклокерамическими и другими изделиями в облицовке: |
|
||
|
наружной - до 3 |
|
||
|
внутренней - до 2 |
|
||
|
6. Отклонения ширины шва облицовки: |
То же |
|
|
|
- зеркальной, лощеной |
+ 0,5 |
|
|
|
- из гранита, мраморов и искусственного камня - |
± 0,5 |
|
|
|
- шлифованной, точечной, бугристой и бороздчатой |
±1 |
|
|
|
- фактуры типа «Скала» |
± 2 |
|
|
|
- керамическими, стеклокерамическими и другими изделиями (внутренней и наружной облицовки |
± 0,5 |
|
14. После облицовки поверхности из плит и изделий должны быть очищены от наплывов раствора и мастики немедленно, при этом поверхности глазурованных, полированных и лощеных плит и изделий промыты горячей водой, а шлифованные, точечные, бугристые, бороздчатые и плиты типа «Скала» обработаны 10 %-ным раствором соляной кислоты и паром при помощи пескоструйного аппарата.
15. При приемке готовые отделочные покрытия, облицованные блоками, плитами и плитками из природного и искусственного камня, должны удовлетворять следующим требованиям:
- материал сопряжения и герметизации швов, размеры и рисунки облицовки должны соответствовать проектным;
- поверхности должны соответствовать заданным геометрическим формам;
- отклонения не должны превышать значений, приведенных в табл. 11;
- поверхности, облицованные однотонными искусственными материалами, должны иметь однотонность, природным камнем - однотонность или плавность перехода оттенков;
- пространство между стеной и облицовкой должно быть полностью заполнено раствором;
- горизонтальные и вертикальные швы облицовки должны быть однотипными, ровными и равномерными по ширине;
- поверхность всей облицовки должна быть жесткой;
- сколы в швах допускаются не более 0,5 мм;
- трещины, пятна, потеки раствора, высолы не допускаются;
- крупноблочные элементы из природного камня должны быть установлены на бетоне;
- крепежные приборы (закрепы) для облицовки, подвергающиеся воздействию агрессивных сред, должны быть покрыты антикоррозионными составами или изготовлены из цветного металла в соответствии с проектом.
16. Контроль готовых облицовочных работ осуществляется методом технического осмотра с составлением акта приемки.
1. В процессе монтажа проверяются:
- качество панелей и плит;
- качество облицовываемых конструкций и поверхностей;
- качество монтажа и крепления элементов каркаса;
- горизонтальность (вертикальность) плоскостей панелей и плит;
- равномерность, вертикальность или горизонтальность швов;
2. Панели и плиты с лицевой отделкой должны соответствовать требованиям проекта и удовлетворять требованиям ГОСТ и ТУ.
3. Качество облицовываемых конструкций должно удовлетворять требованиям п. 3. («Производство облицовочных работ»).
4. Влажность материала отделываемых кирпичных и бетонных конструкций не должна превышать 8%, а деревянных конструкций – 20 %.
5. В помещениях, подготовленных под отделку панелями и плитами с лицевой отделкой, должны быть завершены работы по устройству полов, оштукатурены поверхности, проложены коммуникации, выполнена скрытая проводка, окрашены потолки и плоскости стен над отделываемой поверхностью.
6. Панели и плиты с лицевой отделкой крепятся к конструкциям на относе или без относа, с применением каркасов, мастик, подвесок, кляммеров, винтов и т. п. Элементы металлического каркаса и деталей должны быть защищены от коррозии лакокрасочным покрытием. Элементы деревянного каркаса должны быть проантисептированы и обработаны огнезащитными составами. Влажность древесины в элементах не должна превышать 18 %.
7. Устройство подвесных потолков необходимо производить после монтажа и крепления всех элементов каркаса (в соответствии с проектом), проверки горизонтальности его плоскости и соответствия отметкам.
8. Монтаж плит, панелей стен и элементов подвесного потолка следует производить после разметки поверхности и начинать от угла облицовываемой плоскости. Горизонтальные стыки листов (панелей), не предусмотренные проектом, не допускаются.
9. Плоскость поверхности, облицованная панелями и плитами, должна быть ровной, без провесов в стыках, жесткой, без вибрации панелей и листов и отслоений от поверхности (при приклейке).
10. При монтаже подвесных потолков, панелей и плит с лицевой отделкой в интерьерах зданий должны быть соблюдены требования, приведенные в табл. 12.
Таблица 12
(СНиП 3.04.03-87, таблица 14)
|
Технические требования |
Предельные отклонения |
Контроль (метод, объем, вид регистрации) |
|
1. Максимальные величины уступов между плитами и панелями, а также рейками (подвесных потолков) |
2 мм |
Измерительный, не менее 5 измерений на 50-70 м2 поверхности или отдельных участков меньшей площади, выявленных сплошным визуальным осмотром, журнал работ |
|
2. Отклонение плоскости всего поля отделки по диагонали, вертикали и горизонтали (от проектной) на 1 м -1,5 мм |
7 мм на всю поверхность |
То же |
|
3. Отклонение направления стыка элементов облицовки стен от вертикали |
1 мм на 1 м |
» |
11. Приемка выполненных работ по монтажу подвесных потолков, панелей и плит с лицевой отделкой производится путем освидетельствования готовых покрытий. При этом необходимо проверить:
- соответствие материала покрытия проекту;
- соответствие конструкции каркаса и узлов крепления проекту;
- качество закрепления лицевых элементов;
- качество покрытия, оформления швов и примыканий.
12. Требования, предъявляемые к готовым покрытиям, приведены в табл. 13.
Таблица 13
(СНиП 3.04.01-87, таблица 15)
|
Технические требования |
Контроль (метод, объем, вид регистрации) |
|
1. Крепление листов и панелей к основанию должно быть прочным, без зыбкости (при легком простукивании деревянным молотком не должно наблюдаться коробления изделий, разрушения их кромок и смещения листов) |
Технический осмотр, акт приемки |
|
2. Трещины, воздушные пузыри, царапины, пятна и т. п. на поверхности листов и панелей не допускаются |
То же |
|
3. Швы должны быть равномерными, строго горизонтальными и вертикальными |
» |
|
4. Крепежные приборы и расстояния между ними, а также материал, размеры и рисунок должны соответствовать проекту |
» |
1. В настоящем разделе излагается порядок осуществления контроля качества и приемки работ по устройству наиболее часто применяемых видов полов в жилых, общественных зданиях, производственных и специальных сооружениях в соответствии с требованиями СНиП 3.04.01-87.
Вид покрытия пола, конструкция, характеристика слоев и элементов, материалы и изделия должны соответствовать проекту, ГОСТу.
2. При устройстве полов контролируются:
подготовка основания;
качество материалов и правильность их подготовки;
технологический процесс устройства полов;
качество готовых покрытий полов.
3. При устройстве оснований под полы и грунтовых подушек не допускается применение растительного грунта, торфа, ила, а также насыпных грунтов с примесью строительного мусора. Грунтовое основание должно быть уплотнено с составлением акта на скрытые работы.
4. До начала производства работ по устройству отдельных элементов полов должны быть закончены строительные и монтажные работы, при производстве которых эти элементы могут быть повреждены.
При применении в конструкции полов изделий и материалов на основе древесины или ее отходов, синтетических смол и волокон, ксилолитовых покрытий в помещении должны быть выполнены штукатурные и другие работы, связанные с возможностью увлажнения покрытий.
5. Устройство полов допускается при температуре воздуха в помещении, измеряемой в холодное время года около дверных и оконных проемов на высоте 0,5 м от уровня пола, в частности не ниже, °С:
- при устройстве элементов пола из грунта, гравия, шлаков, щебня и из штучных материалов без приклейки к нижележащему слою или по песку -0;
- при устройстве элементов пола с применением битумных мастик и их смесей, в состав которых входит цемент (такая температура должна поддерживаться до приобретения материалом прочности не менее 50% проектной) -5;
- для стойких к агрессивным средам покрытий мастичных и шпатлевочных из силикатных материалов, оклеечных покрытий на основе битумно-рулонных материалов, полиизобутиленовых пластин, дублированного полиэтилена, облицовочных покрытий, устанавливаемых на кислотоупорных силикатных замазках, на мастиках битуминоль, для кислотоупорного бетона и силиката полимербетона, при устройстве элементов пола из ксилолита и из смесей, в состав которых входит жидкое стекло (такая температура должна поддерживаться до приобретения уложенным материалом прочности не менее 70% проектной) -10;
- при устройстве лакокрасочных армированных и неармированных покрытий, а также наливных покрытий из материалов, приготовленных на синтетических смолах, мастичных покрытий из наирита и герметиков, приготовленных на основе синтетических каучуков, покрытий из листовых полимерных материалов, облицовочных покрытий, выполняемых на замазках арзамит, фуранкор, полиэфирных, эпоксидных смол, полимербетона (такая температура должна поддерживаться в течение суток после окончания работ) -15.
6. Подстилающие слои, стяжки, соединительные прослойки (для керамических, бетонных, мозаичных и др. плиток) и монолитные покрытия на цементном вяжущем должны в течение 7-10 суток после укладки находиться под слоем постоянно влажного водоудерживающего материала (песка, опилок и др.).
7. Нормативная эксплуатация полов ксилолитовых, из цементного или кислотостойкого бетона или раствора, а также из штучных материалов, уложенных на прослойках из цементно-песчаного или кислотостойкого (на жидком стекле) раствора, допускается после приобретения бетоном или раствором проектной прочности на сжатие. Пешеходное движение по этим полам может быть допущено не ранее приобретения бетоном монолитных покрытий прочности на сжатие, равной 5 МПа, а раствором прослойки под штучными материалами - 2,5 МПа. Прочность материалов определяется испытанием не менее трех образцов на каждые 500 м2 пола.
1. Бетонная поверхность, подготовленная к нанесению гидроизоляционного слоя, битумной пароизоляции или антикоррозионной защиты, не должна иметь выступающей арматуры, раковин, наплывов, сколов, ребер, масляных пятен, грязи и пыли. Закладные детали должны быть жестко закреплены в бетоне. Места примыкания пола к колоннам, фундаментам под оборудование, стенам и другим вертикальным элементам должны быть замоноличены.
2. Обеспыливание поверхности необходимо выполнить непосредственно перед нанесением на поверхность грунтовочных составов.
3. Огрунтовка поверхностного слоя должна быть выполнена на всей поверхности без пропусков (на основе битума, дегтя, синтетических смол и водных дисперсий полимеров) составом, соответствующим материалу смеси, мастики или клея.
4. Увлажнение поверхностного слоя элементов пола из бетона и цементно-песчаного раствора следует выполнять до укладки на них строительных смесей из цементных и гипсовых вяжущих. Увлажнение производят до окончательного впитывания воды.
5. Перед наклейкой линолеума основание и все помещение необходимо просушить. Влажность стяжки не должна быть выше 6%.
1. Перед укладкой бетонного подстилающего слоя по поверхности грунтового основания рассыпают в один
слой щебень или гравий крупностью 40-60 мм, прочностью не менее 20 МПа и вдавливают в грунт на глубину не менее 40 мм. При необходимости грунт увлажняют до 10-20%.
2. Деформационные швы должны выполняться в помещениях, при эксплуатации которых возможны положительные и отрицательные температуры воздуха. Они должны располагаться на расстоянии 6-8 м один от другого во взаимно перпендикулярных направлениях. С обеих сторон вдоль деформационного шва должны быть заложены арматурные стержни из стали класса А-I диаметром 12-14 мм на высоте 50 мм от нижней поверхности слоя и на расстоянии 50-250 мм от края шва.
3. При выполнении бетоных подстилающих слоев с применением метода вакуумирования должны соблюдаться требования, приведенные в табл. 1.
Таблица 1
(СНиП 3.04.01-87, таблица 16)
|
Технические требования |
Предельные отклонения |
Контроль (метод, объем, вид регистрации) |
|
1. Содержание песка в 1 м3 бетонной смеси больше, чем в обычных смесях на 150-200 кг |
|
Измерительный, на каждые 500 м2 поверхности, журнал работ |
|
2. Подвижность бетонной смеси 8- 12 см |
|
То же |
|
3. Разрежение в вакуум-насосе 0,07-0,08 МПа |
Не менее 0,06 МПа |
Измерительный, не реже четырех раз в смену, журнал работ |
|
4. Продолжительность вакуумирования на 1 см подстилающего слоя 1-1,5 мин |
|
То же, на каждом участке вакуумирования, журнал работ |
|
5. Прочность отвакуумированной бетонной смеси 0,2-0,3 МПа |
|
Измерительный, на каждые 500 м2 поверхности, журнал работ |
4. При устройстве бетонных подстилающих слоев с поверхностным слоем повышенной прочности, плотности и морозостойкости, выполняемой с применением нижнего слоя из бетонной смеси и верхнего слоя из сухой смеси с виброуплотнением до полной пропитки водой, выделяющейся из свежеуложенной бетонной смеси нижнего слоя, должны соблюдаться требования, приведенные в табл.2
Таблица 2
|
Технические требования |
Предельные отклонения |
Контроль (метод, объем, вид регистрации) |
|
1. Толщина нижнего слоя бетонной смеси (от проектной) |
±3 мм |
Измерительный, на каждом участке уплотнения |
|
2. Толщина верхнего слоя сухой бетонной смеси выше опалубки+5 мм |
±2 мм |
То же |
|
3. Величина пригруза 0,004-0,006 МПа |
Не менее 0,002 МПа, |
|
|
не более 0,008 МПа |
||
|
4. Пропитка слоя сухой смеси водой затворения |
- |
Визуально, на каждом участке уплотнения |
5. Сразу после укладки бетонного подстилающего слоя должна наноситься на неотвердевшую поверхность грунтовка из битума, растворенного в нелетучем растворителе (в соотношении по массе 1 : 3), если в последующем будет выполняться оклеенная, обмазочная гидроизоляция или покрытие полов, приклеиваемых битумными составами.
6. Для устройства щелочестойких подстилающих слоев содержание цемента в бетонной смеси должно быть не менее 500 кг/м3, а заполнитель (песок, гравий, щебень) должен быть изготовлен из плотных известняковых или изверженных пород (известняков, диабазов, доломитов, гранитов и т. д.) или из основных доменных шлаков.
7. Кислотостойкие бетонные подстилающие слои следует выполнять из смесей, из которых будут устраиваться кислотостойкие покрытия пола.
8. Для устройства жаростойких бетонных подстилающих слоев необходимо применять бетонную смесь подвижностью 2-4 см марки не ниже 300, заполнитель должен иметь прочность при сжатии не менее 20 МПа, огнестойкость не ниже 1610°С и иметь пылевидную воздушно-сухую добавку, содержащую не менее 70 % зерен крупностью до 0,075 мм.
1. Монолитные цементно-песчаные, гипсовые саморазравнивающиеся и поризованные цементные стяжки должны укладываться сразу на расчетную толщину, указанную в проекте. Места примыкания стяжек к стенам и перегородкам должны изолироваться прокладками из рулонных гидроизоляционных материалов.
2. Стяжки, укладываемые по звукоизоляционным прокладкам или засыпкам, в местах примыкания к стенам, перегородкам и другим конструкциям должны быть уложены с зазором шириной 20-25 мм на всю толщину стяжки и заполнены аналогичным звукоизоляционным материалом.
3. Сплошные стяжки из тяжелого и легкого бетона и цементно-песчаного раствора должны твердеть во влажных условиях. Для этого через сутки после укладки их засыпают слоем песка, опилок и т. п. толщиной не менее 30 мм ив течение 7-10 суток поливают водой не реже одного-двух раз в сутки.
4. Укладка плит сборных стяжек размером на комнату и звукоизоляционных прокладок под эти плиты должна производиться непосредственно перед монтажом панелей (плит) перекрытий вышерасположенного этажа.
5. Между плитами сборных стяжек необходимо оставлять зазоры шириной 10-15 мм и заделывать цементно-песчаным раствором марки 150 заподлицо с поверхностью плит стяжки.
6. Сборные стяжки из древесно-волокнистых плит должны укладываться на нижележащий элемент пола по горячему битуму или насухо вплотную без зазоров.
7. Перед наклейкой древесноволокнистых плит по цементно-песчаному раствору или железобетонным покрытиям поверхность последних должна быть огрунтована раствором битума в бензине или керосине в соотношении 1:3.
8. Заклеивание стыков сборной стяжки из древесноволокнистых плит должно быть выполнено по всей длине стыков полосами плотной бумаги на клеях бустилат, АДМ-К или липкой лентой шириной 40-60 мм.
1. Звукоизоляционный слой из песка должен устраиваться по выравненному основанию (грунту, перекрытиям) путем равномерной россыпи с уплотнением мелкозернистого песка без примесей глины толщиной слоя не менее 60 мм.
2. Звукоизоляционные прокладки должны быть уложены без приклейки к плитам перекрытия, а плиты и маты - насухо или с приклейкой на битумных мастиках. Звукоизоляционные прокладки под лаги должны укладываться на всем протяжении лаг без разрывов. Ленточные прокладки под сборные стяжки размером «на комнату» должны располагаться непрерывными полосами по периметру помещений вплотную к стенам и перегородкам, под стыками смежных плит, а внутри периметра - параллельно большей стороне плиты.
3. При устройстве звукоизоляции должны быть соблюдены требования, приведенные в табл. 3.
Таблица 3
(СНиП 3.04.01-87, таблица 18)
|
Технические требования |
Предельные отклонения |
Контроль (метод, объем, вид регистрации) |
|
1. Влажность сыпучего материала для засыпки между лагами |
Не более 10 % |
Измерительный, не менее трех измерений на каждые 50-70 м2 засыпки, журнал работ |
|
2. Крупность сыпучего звукоизоляционного материала 0,15-10 мм |
- |
То же |
|
3. Ширина звукоизоляционных прокладок, мм: |
- |
То же, не менее трех измерений, на каждые 50-70 м2 поверхности пола, журнал работ |
|
- под лаги - 100-120 |
||
|
- под сборные стяжки размером «на комнату» по периметру - 200-220 |
||
|
- внутри периметра - 100-120 |
||
|
4. Расстояние между осями полос звукоизоляционных прокладок внутри периметра сборных стяжек размером «на комнату» - 0,4 м |
+0,1 м |
То же, не менее трех измерений на каждой плите сборной стяжки, журнал работ |
1. Устройство оклеенной гидроизоляции полов и примыканий к стенам из рулонных материалов с применением битума, дегтя и мастик на их основе должно выполняться в соответствии с разделами «Изоляционные и кровельные работы» настоящего Руководства.
2. Гидроизоляцию из щебня с пропиткой битумом следует производить при температуре воздуха на уровне пола не ниже 5°С и только после укладки щебня.
Пропитка слоя щебня должна производиться трехкратным разливом горячего битума равномерно по всей площади. При первом разливе расход битума должен составлять 6-8 л/м2, при втором и третьем - 2,5-3 л/м2. Температура битума при разливе должна быть 150-170°С.
После первого разлива битума следует немедленно рассыпать клинец (крупностью 15-25 мм), а после второго и третьего - каменную мелочь (крупностью 5-15 мм), каждый раз в количестве 0,8-1,0 м на 100 м2 покрытия.
После каждой россыпи мелкого щебня должна выполняться прикатка катками весом 10-12 т со скоростью движения 2,5-3,0 км/ч.
При устройстве гидроизоляции пропиткой слоя щебня за один раз должен быть нанесен горячий битум равномерно сплошным слоем толщиной до 6 мм.
3. Обмазочную гидроизоляцию необходимо устраивать по выровненному, обеспыленному и огрунтованному основанию из битумных мастик, а также растворов на основе полимеров.
Составы должны наноситься равномерными слоями толщиной по 0,5-2 мм, причем каждый последующий слой - только после высыхания предыдущего (после прекращения отлила).
Над стыками сборных элементов должна быть наклеена рулонная полоса шириной 10-20 см с нанесенной мастикой на ее основание.
4. Поверхность битумной гидроизоляции перед укладкой на нее покрытий, прослоек или стяжек, в состав которых входит цемент или жидкое стекло, необходимо покрывать горячей битумной мастикой с втапливанием в нее сухого крупнозернистого песка при соблюдении параметров, указанных в табл. 4.
Таблица 4
(СНиП 3.04.01-87, таблица 19)
|
Технические требования |
Предельные отклонения |
Контроль (метод, объем, вид регистрации) |
|
1. Температура битумной мастики при нанесении + 160°С |
+20°С |
Измерительный, каждой партии, приготовленной для нанесения мастики, |
|
2. Температура песка +50°С |
+10°С |
То же, каждой партии песка перед его нанесением, журнал работ То же, не менее трех измерений на каждые 50- |
|
3. Толщина слоя битумной мастики -1,0 мм |
+0,5 мм |
70 м2 поверхности гидроизоляции, акт освидетельствования скрытых работ |
1. Качество сцепления между элементами пола требуется проверять простукиванием деревянным молотком по всей площади пола. На участках, где изменение звука при простукивании указывает на отсутствие сцепления, элемент пола должен быть переделан.
2. Прочность материалов, твердеющих после укладки, должна быть не менее проектной. Допустимые отклонения при устройстве промежуточных элементов пола приведены в табл. 5.
Таблица 5
(СНиП 3.04.01-87, таблица 20)
|
Технические требования |
Предельные отклонения, мм |
Контроль (метод, объем, вид регистрации) |
|
1. Отклонения плоскости элемента от горизонтали или заданного уклона - 0,2 % от соответствующего размера помещения |
Не более 50 |
Измерительный, не менее пяти измерений равномерно на каждые 50- 70 м2 поверхности пола или в одном помещении меньшей площади, журнал работ |
|
2. Просветы между контрольной двухметровой рейкой и проверяемой поверхностью элемента пола не должны превышать, мм, для: |
|
Измерительный, не менее пяти измерений на каждые 50-70 м2 поверхности пола или в одном помещении меньшей площади в местах, выявленных визуальным контролем, журнал работ |
|
- грунтовых оснований - 20 |
|
|
|
- песчаных, гравийных, шлаковых, щебеночных и глинобитных подстилающих слоев - 15 |
|
|
|
- бетонных подстилающих слоев под оклеечную гидроизоляцию и под покрытия на прослойке из горячей мастики - 5 |
|
|
|
- бетонных подстилающих слоев под покрытия других типов -10 |
|
|
|
- стяжек под покрытия поливинилацетатные, из линолеума, рулонные на основе синтетических волокон, паркета и поливинилхлоридных плит - 2 |
|
|
|
- стяжек под покрытия из плит других видов, торцовой шашки и кирпича, настилаемых по прослойке из горячей мастики, поливинилацетатно-цеменно-бетонные покрытия и под гидроизоляцию - 4 |
|
|
|
- стяжек под покрытия других типов - 6 |
|
|
1. При устройстве монолитных покрытий полов контролируются:
- качество материалов и подготовки основания;
- правильность укладки полуфабрикатов в покрытие;
- условия твердения и прочность материалов покрытия;
- ровность поверхности и качество ее обработки;
- величина просадки покрытия под нагрузкой (только для поливинилацетатных покрытий).
2. Твердение покрытий из кислотостойкого бетона должно проходить в сухих условиях. В течение 10 суток они должны предохраняться от попадания воды, кислот и растворов солей. Мелкие усадочные трещины, появившиеся в процессе твердения, должны быть зашпатлеваны смесью жидкого стекла с кислотоупорным цементом или пылевидным заполнителем с кремнефтористым натрием. Перед приемкой в эксплуатацию, но не ранее чем через 20 суток после укладки, покрытия должны быть обработаны раствором серной кислоты плотностью 1,27-1,4 г/см3. Обработка кислотой должна производиться дважды с перерывом не менее 4 ч. После обработки покрытие должно быть промыто водой и просушено.
3. Бетонные, цементно-песчаные и мозаичные покрытия должны устраиваться по подстилающим слоям, плитам перекрытия и стяжкам. Поверхность покрытия должна заглаживаться затирочными машинами или металлическими гладилками до начала схватывания бетона или раствора. Посыпка цемента на бетонные и мозаичные покрытия при их заглаживании запрещается. Заглаживание поверхности цементно-песчаного покрытия с посыпкой цементом (железнение) производится только при наличии указания в проекте.
4. После обработки мозаичного слоя 70-75 % поверхности должен составлять заполнитель, а остальную площадь - цементный камень. Наибольшая степень обнажения зерен заполнителя при максимальной ее фракции 15 мм должна быть 5-7 мм, а при 10 мм - 3-5 мм.
5. Монолитные мозаичные покрытия и покрытия с упрочненным поверхностным слоем, устраиваемые по бетонным подстилающим слоям, допускается выполнять одновременно с последними путем втапливания в свежеуложенную отвакуумированную бетонную смесь декоративных, упрочняющих и других сыпучих материалов.
6. При устройстве монолитных покрытий должны быть соблюдены требования, приведенные в табл. 6.
Таблица 6
(СНиП 3.04.01-87, таблица 21)
|
Технические требования |
Контроль (метод, объем, вид и регистрация} |
|
1. Максимальная крупность щебня и гравия для бетонных покрытий и мраморной крошки для мозаичных, поливинилацетатно-цементно-бетонных, латексноцементно-бетонных покрытий не должна превышать 15 мм и 0,6 толщины покрытий |
Измерительный - в процессе приготовления смесей не менее трех измерений на одну партию заполнителя, журнал работ |
|
2. Мраморная крошка: |
То же, не менее трех измерений на одну партию заполнителя, журнал работ |
|
- для мозаичных покрытий должна иметь прочность на сжатие не менее 60 МПа |
|
|
- поливинилацетатно-цементно-бетонных и латексно-цементно-бетонных не менее 80 МПа |
|
|
3. Бетонные и мозаичные смеси, в состав которых не введены пластификаторы, должны применяться с осадкой конуса 2-4 см, а цементно-песчаные смеси - глубиной погружения конуса 4-5 см. Подвижность смесей следует увеличивать только введением пластификаторов |
То же, одно измерение на каждые 50-70м2 покрытия, журнал работ |
|
4. Разрезка монолитных покрытий на отдельные карты не допускается, за исключением многоцветных покрытий, где между отдельными картами разного цветового решения должны быть установлены разделительные жилки |
Визуальный, всей поверхности монолитного покрытия, журнал работ |
|
5. Жесткие смеси должны быть уплотнены. Уплотнение и заглаживание бетона и раствора в местах рабочих швов следует производить до тех пор, пока шов станет незаметным |
Визуальный, всей поверхности монолитного покрытия, журнал работ |
|
6. Шлифование покрытий должно производиться по достижении прочности покрытия, при которой исключается выкрашивание заполнителя. При шлифовании обрабатываемая поверхность должна быть покрыта тонким слоем воды или водного раствора поверхностно-активных веществ (0,1- 0,12 %-ный водный раствор кальцинированной соды) |
Измерительный, не менее девяти измерений равномерно на каждые 50-70 м2 поверхности покрытия, журнал работ |
|
7. Поверхностная пропитка покрытий флюатами и уплотняющими составами, а также отделка полиуретановыми лаками и эпоксидными эмалями бетонных и цементно-песчаных покрытий должна производиться не ранее, чем через 10 суток после укладки смесей при температуре воздуха в помещении не ниже 10°С. Перед пропиткой покрытие необходимо высушить и тщательно очистить |
Технический, всей поверхности покрытия, журнал работ |
1. При устройстве покрытий полов из плит и плиток контролируются:
- качество материалов;
- толщина прослойки;
- ровность поверхности;
- толщина швов;
- правильность рисунка пола;
- просадка плит под нагрузкой.
2. Плиты (размером более 200 мм) и плитки (размером до 200 мм) должны укладываться в покрытие по прослойкам из раствора, горячих и холодных мастик.
3. Перед укладкой плиток и плит по прослойке из цементно-песчаного раствора поверхность основания должна быть промыта водой и сохраняться влажной, а перед укладкой раствора из жидкого стекла - высушена.
4. Плитки и плиты, укладываемые в одном помещении, должны быть отсортированы по размеру, цвету, оттенку и уложены по одному рисунку. Применение плит с трещинами, отколами и другими дефектами поверхности не допускается.
5. Плитки и плиты цементно-бетонные, цементно-песчаные, мозаично-бетонные, керамические, асфальтобетонные, каменно-литые, чугунные, стальные, из природного камня и унифицированных блоков следует укладывать сразу после устройства соединительной прослойки из раствора, бетона или горячих мастик.
Втапливание плиток, плит, комплексных многослойных плит и блоков в прослойку следует осуществлять с применением вибрации, а в местах, недоступных для вибрирования - вручную.
6. Цементно-песчаный раствор прослойки и смеси в местах заделок между рядом плит и стеной должны твердеть во влажных условиях в течение 7-10 суток.
7. Основные требования, которые необходимо выполнять при устройстве покрытий из плит, плиток и блоков, приведены в табл. 7.
Таблица 7
(СНиП 3.04.01-87, таблица 22)
|
Технические требования |
Контроль (метод, объем, вид регистрации) |
|
|
Измерительный, не менее девяти измерений на каждые 50 м2 поверхности покрытий, журнал работ |
|
- из раствора цементно-песчаного - 10-15 |
|
|
- из раствора на жидком стекле - 10-15 |
|
|
- из горячих мастик - 2-3 |
|
|
- из холодных мастик до 1 |
|
|
2. Пористые плиты (бетонные, цементно-песчаные, мозаичные и керамические) перед укладкой на прослойку из цементно-песчаного раствора должны быть погружены в воду или в водный раствор поверхностно-активных веществ на 15-20 мин |
Технический, не реже четырех раз в смену, журнал работ |
|
3. Ширина швов между плитками, плитами и блоками не должна превышать, мм: |
Измерительный, не менее пяти измерений на каждые 50- 70 м2 поверхности покрытий или в одном помещении меньшей площадки в местах, выявленных визуальным контролем, журнал работ |
|
- при втапливании в прослойку вручную – 6 |
|
|
- при вибровтапливании - 3 |
|
|
Проектом может быть установлена другая ширина швов |
|
|
4. Раствор, бетон, выступивший из швов, должен быть удален с покрытия заподлицо с его поверхностью до его затвердевания, мастика горячая - сразу после остывания, мастика холодная - сразу после выступания из швов |
Визуальный, всей поверхности покрытия, журнал работ |
|
5. Материал прослойки должен быть нанесен на тыльную сторону шлакоситалловых плит с нижней рифленой поверхностью непосредственно перед укладкой плит вровень с выступающим рифлением |
Визуальный, не реже четырех раз в смену, журнал работ |
1. При устройстве полов из древесины контролируются:
- качество материалов и антисептирование лаг, прокладок и досок;
- правильность укладки лаг, досок черного пола и досок покрытия;
- влажность воздуха в помещениях и влажность материалов;
- качество сплачивания досок покрытия, правильность крепления паркета к основанию;
- ровность покрытия;
- величина просадки покрытия под нагрузкой.
2. Для столбиков под лаги в полах, устраиваемых на грунте, должен применяться обыкновенный глиняный кирпич прочностью не менее 7,5 МПа и цементно-песчаный раствор прочностью не ниже 2,5 МПа. Использование силикатного кирпича и других камней, снижающих прочность при увлажнении, запрещается.
3. Под лаги, располагаемые на столбиках в полах на грунте, должны быть уложены деревянные прокладки по двум слоям толя (рубероида), края которого следует выпустить из-под прокладок на 30-40 мм и закрепить к ним гвоздями. Стыки лаг должны располагаться на столбиках.
4. Лаги под покрытия следует укладывать поперек направления света из окон, а в помещениях с определенным направлением движения людей (например, в коридорах) - перпендикулярно движению. Лаги следует стыковать между собой вплотную торцами в любом месте помещения со смещением стыков в смежных лагах не менее, чем на 0,5 м. Между лагами и стенами (перегородками) необходимо оставлять зазор шириной 20-30 мм.
5. В полах на перекрытиях поверхность лаг должна быть выровнена слоем песка с подбивкой его под звукоизоляционные прокладки или лаги по всей их ширине и длине. Лаги должны касаться звукоизоляционного слоя, плит перекрытия или песчаного выравнивающего слоя всей нижней поверхностью, без зазора. Подбивка деревянных клиньев или прокладок под лаги для их выравнивания или оттирание лаг на деревянные прокладки запрещается.
6. В дверных проемах смежных помещений следует устанавливать уширенную лагу, выступающую за перегородку не менее, чем на 50 мм с каждой стороны.
7. При устройстве полов из штучного паркета, паркетных досок и щитов, древесно-стружечных плит влажность воздуха в помещениях не должна превышать 60%.
8. Доски дощатого покрытия, паркетные доски, соединяемые между собой боковыми кромками в шпунт, а паркетные щиты - при помощи шпонок, необходимо плотно сплачивать. Уменьшение ширины изделий покрытия при сплачивании должно быть не менее 0,5%.
9. Все доски дощатого покрытия должны крепиться к каждой лаге гвоздями длиной в 2-2,5 раза больше толщины покрытия, а паркетные щиты - гвоздями длиной 50-60 мм. Гвозди следует забивать наклонно в пласть досок покрытия и в основание нижней щеки паза на кромках паркетных досок и паркетных щитов с втапливанием шляпок. Забивка гвоздей в лицевую поверхность паркетных досок и паркетных щитов запрещается.
10. Стыки торцов досок дощатых покрытий, стыки торцов и боковых кромок с торцами смежных паркетных досок, а также стыки параллельных лагам кромок смежных паркетных щитов следует располагать на лагах.
11. Стыки торцов досок покрытия должны перекрываться доской (фризом) шириной 50-60 мм, толщиной 15 мм, врезанной заподлицо с поверхностью покрытия. Фриз прибивают к лаге гвоздями в два ряда с шагом (вдоль лаги) 200-250 мм. Стыкование торцов без перекрытия фризом допускается только в двух-трех пристенных досках покрытия; стыки не должны находиться напротив дверных проемов и должны располагаться на одной лаге. При сопряжении паркетных досок, а также паркетных щитов с опиленными кромками на одних из них должен быть выполнен паз, на других - гребень, соответствующие имеющимся на других кромках.
12. Сверхтвердые древесно-волокнистые плиты, наборный и штучный паркет следует приклеивать к основанию быстротвердеющими мастиками на водостойких вяжущих, применяемых в холодном или подогретом состоянии. Клеевую мастику на основание под сверхтвердые древесноволокнистые плиты следует наносить полосами шириной 100-200 мм по периметру плит и в средней зоне с интервалом 300-400 мм.
13. При устройстве покрытий из древесины и изделий на их основе необходимо соблюдать требования, приведенные в табл. 8.
Таблица 8
(СНиП 3.04.01-87, таблица 23)
|
Технические требования |
Предельные отклонения, % |
Контроль (метод, объем, вид регистрации) |
|
1. Все лаги, доски (кроме лицевой стороны), деревянные прокладки, укладываемые по столбикам под лаги, а также древесина под основание древесно-волокнистых плит должны быть антисептированы |
- |
Визуальный, всех материалов, акт освидетельствования скрытых работ |
|
2. Влажность материалов: |
Не более |
Измерительный, не менее трех измерений на каждые 50-70 м2 поверхности пола, журнал работ |
|
- лаг и прокладок |
18 |
|
|
- досок покрытия и основания |
12 |
|
|
- наборного и штучного паркета, паркетных досок и паркетных щитов |
10 |
|
|
- древесно-волокнистых плит покрытия |
12 |
|
|
3. Длина стыкуемых лаг должна быть не менее 2 м, толщина лаг, опирающихся всей нижней поверхностью на плиты перекрытия или звукоизоляционный слой - 40 мм, ширина - 80-100 мм. Толщина лаг, укладываемых на отдельные опоры (столбики в полах на фунте, балки перекрытия и др.), должна составлять 40-50 мм, ширина - 100- 120 мм. |
- |
То же |
|
4. Деревянные прокладки под лаги в полах на грунте: ширина - 100-150 мм, длина - 200-250 мм, толщина - не менее 25 мм |
- |
» |
|
5. Расстояние между осями лаг, укладываемых по плитам перекрытий и для балок перекрытия (при укладке покрытия непосредственно по балкам), должно быть 0,4-0,5 м. При укладке лаг на отдельные опоры (столбики в полах на грунте, балки перекрытия и др.) это расстояние должно быть: - при толщине лаг 40 мм 0,8-0,9 м |
- |
» |
|
- при толщине лаг 50 мм 1,0-1,1 м |
||
|
6. При больших эксплуатационных нагрузках на пол (более 50 кг/м3) расстояние между опорами для лаг, между лагами и их толщину следует принимать по проекту |
- |
Измерительный, не менее пяти измерений на каждые 50-70 м2 поверхности пола,журнал работ |
|
7. Длина стыкуемых торцами досок покрытия должна быть не менее 2 м, а паркетных досок - не менее 1,2 м 8. Толщина клеевой прослойки под наборный и штучный паркет и сверхтвердые древесно-волокнистые плиты должны быть не более 1 мм |
- |
То же |
|
9. Площадь приклейки: - паркетной планки - не менее 80 % - древесно-волокнистых плит - не менее 40 % |
|
Измерительный, не менее пяти измерений на каждые 50-70 м2 поверхности пола или в одном помещении меньшей площади, журнал работ Технический, с пробным поднятием изделий не менее, чем в трех местах на 500 м2 поверхности пола, журнал работ |
1. При устройстве покрытий из полимерных материалов контролируются:
- качество материалов и подготовка основания;
- толщина прослойки;
- качество наклейки;
- ровность поверхности;
- правильность рисунка пола;
- величина просадки покрытия под нагрузкой.
2. Ковры, рулоны линолеума и материалы из синтетических волокон должны транспортироваться и храниться в горизонтальном положении в 1-2 ряда. Хранить рулонные материалы необходимо в сухих обогреваемых помещениях при относительной влажности воздуха 50-60 % и температуре не ниже 10°С.
3. Линолеум, ковры, рулонные материалы из синтетических волокон и поливинилхлоридные плитки перед приклейкой должны вылежаться до исчезновения волн при температуре не ниже 15 °С и полностью прилегать к основанию, их необходимо приклеивать к нижележащему слою по всей площади, за исключением случаев, оговоренных в проекте.
4. Прилегание рулонных материалов к основанию должно быть плотным, без воздушных мешков и пузырьков. Стыки между полотнищами после прирезки должны быть прямолинейными, при этом уступы и зазоры между смежными полотнищами не допускаются. Листы пластиката должны быть сварены между собой. При наклейке рулонных материалов на плоскости, расположенные под углом, радиус закругления должен составлять не менее 50 мм. Плиты укладывают в покрытие вплотную без зазоров между собой.
5. Окончательную укладку ковра размером «на комнату» с прирезкой и пригонкой по контуру следует производить с таким расчетом, чтобы зазор между краями и стеной был не более 5 мм.
6. Прирезку стыкуемых полотнищ рулонных материалов необходимо производить не ранее 3-х суток после основной приклейки полотнищ. Кромки стыкуемых полотнищ линолеума должны быть после прирезки сварены или склеены.
7. В зонах интенсивного движения пешеходов устройство поперечных (перпендикулярных направлению движения) швов в покрытиях из линолеума, ковров и рулонных материалов из синтетических волокон не допускается.
8. Покрытия из полимерных мастик должны наноситься в два слоя толщиной 1,0-1,2 мм каждый и контролироваться калибровочными щупами. Каждый последующий слой мастики наносится только после затвердения предыдущего. Перед нанесением второго лицевого слоя тщательно должно быть проверено состояние предыдущего слоя, а также выравнивающего. Все бугорки и наплывы, даже самые мелкие, должны быть срезаны. Неровности и трещины должны быть заделаны мастикой того же состава и расцветки.
9. Покрытие пола из полимерной мастики через 2-3 дня после нанесения мастики верхнего слоя должно быть покрыто за два раза пентафталевым лаком ПФ-211 или смесью пентафталевого лака ПФ-170 с масляно-смоляным лаком 4С в соотношении 4: 2. Ходить по полу разрешается не ранее, чем через 7 дней.
10. При устройстве покрытий из полимерных материалов следует соблюдать требования, приведенные в табл. 9.
Таблица 9
(СНиП 3.04.01-87, таблица 24)
|
Технические требования |
Предельные отклонения, % |
Контроль (метод, объем, вид регистрации) |
|
1. Весовая влажность оснований перед устройством по ним покрытий из полимерных материалов не должна превышать, %: |
|
Измерительный, не менее пяти измерений равномерно на каждые 50-70 м2 поверхности покрытия, журнал работ |
|
- панелей междуэтажных перекрытий |
4 |
|
|
- стяжек на основе цементного, полимерцементного и гипсового вяжущего |
5 |
|
|
- стяжек из древесноволокнистых плит: |
12 |
|
|
2. Толщина слоя клеевой прослойки должна быть не более, мм |
- |
Измерительный, не менее пяти измерений на каждые 50- 70 м2 поверхности пола или в одном помещении меньшей площади, журнал работ |
|
- для мастики «Биски» - 0,4 |
|
|
|
- для других мастик и клеев - 0,8 |
|
|
|
3. При устройстве сплошных (бесшовных) покрытий мастичные полимерные составы следует наносить слоями толщиной 1,0- 1,5 мм. Последующий слой должен быть нанесен после затвердевания ранее нанесенного и обеспыливания его поверхности |
- |
То же |
1. Приемка полов, элементы которых выполнены из материалов, твердеющих после укладки (например, из раствора, бетона, ксилолита и др.), производятся после достижения ими проектной прочности при сжатии. Прочность материалов определяется испытанием не менее трех образцов на каждые 500 м2 пола.
2. Просадка покрытий из штучных материалов, уложенных на прослойку из мастики, под сосредоченной нагрузкой 2 кН не должна превышать 1,5 мм; мастика не должна выступать из швов на поверхность покрытия.
Нагрузка должна действовать в течение двух суток при максимальной температуре нагрева пола, возможной при эксплуатации. Нагрузка на покрытие должна передаваться штампом размером 30×30 мм, устанавливаемым непосредственно в углу элемента покрытия (плиты, плитки, паркетной планки).
3. Просадка покрытий дощатых, из паркетных досок и щитов, а также из древесно-стружечных плит под сосредоточенной нагрузкой 1 кН, приложенной в середине пролета покрытия между лагами и передаваемой штампом размером 30´30 мм, не должна превышать 1 мм.
4. Просадка покрытий из полимерных материалов (из линолеума, поливинилхлоридных плит, поливинилацетатного и др.) под сосредоточенной нагрузкой 0,5 кН не должна превышать 1 мм. Нагрузка на покрытие должна передаваться роликом диаметром 30 мм, шириной 15 мм и действовать 24 часа. При этом в материале покрытия под роликом не должно появляться трещин.
5. Основные требования, предъявляемые к готовым покрытиям пола, приведены в табл. 10.
Таблица 10
(СНиП 3.04.01-87, таблица 24)
|
Технические требования |
Контроль (метод, объем, вид регистрации) |
|
1. Отклонения швов между рядами штучных материалов в покрытиях от прямого направления не должны превышать 10 мм на 10 м длины шва |
Измерительный, не менее девяти измерений на каждые 50-70 м2 поверхности покрытия или в одном помещении меньшей площади, акт приемки |
|
2. Отклонения поверхности покрытия от плоскости при проверке контрольной двухметровой рейкой не должны превышать для покрытий, мм: |
То же |
|
- земляных, гравийных, шлаковых, щебеночных, глинобитных, булыжных и покрытий из брусчатки – 10 |
|
|
- асфальтобетонных, торцевых, на прослойке из песка, из чугунных плит и кирпича - 6 |
|
|
- цементно-песчаных, цементно-бетонных, поливинилацетатно-цементно-бетонных, металлоцементных, ксилолитовых покрытий и покрытий из кислотостойкого и жаростойкого бетона - 4 |
|
|
- покрытий на прослойке из мастик или раствора, торцевых, из чугунных и стальных плит, кирпича всех видов - 4 |
|
|
- покрытий из плит цементно-бетонных, цементно-песчаных, мозаично-бетонных, асфальтобетонных, керамических, каменных, шлакоситалловых - 4 |
|
|
- поливинилацетатных, дощатых, паркетных покрытий и покрытий из линолеума, рулонных на основе синтетических волокон, из поливинилхлоридньгх и сверхтвердых древесно-волокнистых плит- 2 |
|
|
3. Уступы между смежными изделиями покрытий из штучных материалов не должны превышать для покрытий, мм: - из булыжника или брусчатки – 3 |
Измерительный, не менее девяти измерений на каждые 50-70 м2 поверхности покрытия или в одном помещении меньшей площади, акт приемки |
|
- торцевых, кирпичных, бетонных, асфальтобетонных, чугунных и стальных плит - 2 |
|
|
- из каменных, керамических, цементно-песчаных, мозаично-бетонных, шлакоситалловых плит – 1 |
|
|
- паркетных, дощатых, из линолеума, поливинилхлоридных плит, поливинилхлоридного пластика и сверхтвердых древесно-волокнисгых плит - не допускаются |
|
|
4. Уступы между покрытиями и элементами окаймления пола - 2 мм |
То же |
|
5. Отклонения от заданного уклона покрытий - 0,2 % соответствующего размера помещения, но не более 50 мм |
То же |
|
6. Отклонения по толщине покрытия - не более 10 % от проектной |
То же, не менее пяти измерений, акт приемки |
|
7. При проверке сцепления монолитных покрытий и покрытий из жестких плиточных материалов с нижележащими элементами пола простукиванием не должно быть изменения характера звучания |
Технический, простукиванием всей поверхности пола в центре квадратов по условной сетке с ячейкой размером 50´50 см, акт приемки |
|
8. Зазоры не должны превышать, мм: |
Измерительный, не менее пяти измерений на каждые 50-70 м2 поверхности покрытия или в одном помещении меньшей площади, акт приемки |
|
- между досками дощатого покрытия - 1 |
|
|
- между паркетными досками и паркетными щитами - 0,5 |
|
|
- между смежными планками штучного паркета - 0,3 |
|
|
- между чугунными плитами, уложенными на песке – 3 |
|
|
9. Зазоры и щели между плинтусами и покрытием пола или стенами и перегородками, между смежными кромками полотнищ линолеума, ковров, рулонных материалов и плиток не допускаются |
Визуальный, всей поверхности пола и мест примыканий, акт приемки |
|
10. Поверхность покрытия не должна иметь выбоин, трещин, волн, вздутий, приподнятых кромок. Цвет покрытия должен соответствовать проектному |
То же, всей поверхности пола, акт приемки |
1. Правила настоящего раздела, соответствующие требованиям СНиП III-10-75, должны соблюдаться при контроле качества и приемке работ по благоустройству территорий, включая устройство внутриквартальных проездов, тротуаров, пешеходных дорожек, площадок, оград, открытых плоскостных спортивных сооружений, работы с растительным грунтом, оборудование мест отдыха и озеленение.
2. Материалы, применяемые при производстве работ по благоустройству территорий, указываются в проекте и должны удовлетворять требованиям соответствующих стандартов и ТУ.
3. В качестве подстилающих грунтов для устройства покрытий проездов, тротуаров и площадок допускается
использовать песчаные, супесчаные и глинистые грунты всех типов, а также шлаки и неорганический строительный мусор.
4. Растительный грунт, используемый для озеленения территорий, должен заготовляться путем снятия верхнего покрова земли на глубину:
7-20 см - при подзолистых почвах;
до 25 см - при буроземных и сероземных почвах;
60-80 см - при каштановых и черноземных почвах.
Толщина расстилаемого неуплотненного слоя растительного грунта должна быть не менее 15 см при подзолистых почвах и 30 см при других почвах.
Улучшение механического состава растительного грунта должно осуществляться введением добавок (песок, торф, известь и т. д.) при расстилке путем двух-трехкратного перемешивания грунта и добавок. Улучшение плодородия растительного грунта следует осуществлять введением минеральных органических удобрений при его расстилке.
5. Основания и покрытия всех видов следует выполнять из следующих материалов: щебня, гравия, кирпичного щебня и шлака с размером фракций 5-120 мм, каменной и шлаковой крошки с размером фракций 2-5 мм, песков.
6. Все работы по благоустройству территорий должны выполняться после окончания СМР по возведению здания, сооружения.
1. При устройстве щебеночных, гравийных и шлаковых оснований и покрытий должны проверяться: качество материалов; планировка поверхности земляного полотна; толщина слоя основания или покрытия из расчета один промер на 2000 м2, но не менее пяти промеров на любой площади; степень уплотнения.
2. Покрытие садовых дорожек и площадок следует выполнять из четырех слоев. При устройстве дорожек и площадок должны приниматься следующие толщины слоев: нижнего (из щебня, гравия, шлака) толщиной не менее 60 мм, верхнего расклинивающего толщиной не менее 20 мм, верхнего (из высевок каменных материалов и шлака) толщиной не менее 10 мм и покровного (из чистого песка) толщиной не менее 5 мм. Каждый из слоев после равномерного распределения должен быть уплотнен с поливкой водой.
3. Асфальтобетонные покрытия допускается укладывать только в сухую погоду. Основания под асфальтобетонные покрытия должны быть очищенными от грязи и сухими.
Температура воздуха при укладке асфальтобетонных покрытий из горячих и холодных смесей должна быть не ниже +5 °С весной и летом и не ниже +10°С осенью. Температура воздуха при укладке асфальтобетонных покрытий из теплых смесей должна быть не ниже минус 10°С.
4. Асфальтобетонные покрытия из горячих и теплых смесей должны уплотняться в два этапа. На первом этапе осуществляется предварительное уплотнение путем 5-6 проходов по одному месту легкими катками со скоростью 2 км/час. На втором этапе осуществляется до уплотнение смеси тяжелыми катками путем 4-5 проходов по одному месту со скоростью 5 км/час. Покрытие считается укатанным, если перед катком на покрытии не образуется волна и не отпечатывается след вальца. После 2-3 проходов легких катков должна проверяться ровность покрытия трехметровой рейкой и шаблоном поперечного уклона. Необходимое количество проходов катка по одному месту следует устанавливать пробной укаткой. В недоступных для катка местах асфальтобетонную смесь следует уплотнять горячими металлическими трамбовками и заглаживать горячими металлическими утюгами.
5. При устройстве асфальтобетонных покрытий следует проверять температуру смеси при укладке и уплотнении, ровность и толщину уложенного слоя, достаточность уплотнения смеси, качество сопряжения кромок полос, соблюдение проектных параметров. Для определения физико-механических свойств уложенного асфальтобетонного покрытия должны отбираться керны или вырубки не менее одной пробы с площади не более 2000 м2.
6. Бетонные покрытия монолитные следует устраивать на песчаном основании, уплотненном до коэффициента плотности не ниже 0,98. Разница в отметках смежных элементов опалубки (рельс-форм) не должна превышать 5 мм. Каркасы деформационных швов и прокладки следует устанавливать после подготовки основания, установки и выверки опалубки покрытия. Зазор между опалубкой, каркасом и прокладками должен быть не более 5 мм. Зазоры под трехметровой рейкой на поверхности спланированного основания не должны превышать 10 мм.
7. Уложенный бетон покрытия должен быть укрыт и предохранен от обезвоживания после исчезновения излишков влаги с его поверхности, но не позже 4 ч с момента укладки. В качестве защитных покрытий следует применять пленкообразующие материалы, битумные и дегтевые эмульсии или слой песка (толщиной не менее 10 см), рассыпанного по одному слою битумизированной бумаги. Песок должен находиться во влажном состоянии в течение не менее двух недель.
8. Плиты сборных покрытий внутриквартальных проездов, тротуаров и площадок следует укладывать под уклон на заранее подготовленное основание, начиная с маячного ряда, располагаемого по оси покрытия или по его краю, в зависимости от направления стока поверхности вод. Укладку следует вести от себя, перемещая плитоукладочные машины по уложенному покрытию. Посадка плит на песчаное основание должна производиться вибропосадочными машинами, а прикатка - транспортными средствами до исчезновения видимых осадок плит. Уступы в стыках смежных плит не должны превышать 5 мм. Заполнение швов плит герметизирующими материалами должно производиться сразу же после окончания посадки плит.
9. Сборные бетонные и железобетонные плитки тротуаров и пешеходных дорожек следует укладывать на песчаное основание с боковым упором из грунта. Песчаное основание должно иметь толщину не менее 3 см и обеспечивать полное прилегание плиток при их укладке. Наличие просветов основания при проверке его контрольной рейкой не допускается.
Плотное прилегание плиток к основанию достигается осадкой их до 2 мм при укладке и погружении в песок основания. Швы между плитками должны быть не более 15 мм, уступы - не более 2 мм.
10. При устройстве цементобетонных покрытий должны проверяться: плотность и ровность основания, правильность установки опалубки и устройства швов, толщи на покрытия (путем взятия одного керна с площадки не более 2000 м2), режим ухода за бетоном, ровность покрытия и отсутствие на его поверхности пленок цементного молока.
11. Бортовые камни следует устанавливать на грунтовом основании, уплотненном до плотности при коэффициенте не менее 0,98, или на бетонном основании с присыпкой грунтом с наружной стороны или укреплением бетоном. Борт должен повторять проектный профиль покрытия. Уступы в стыках бортовых камней в плане и профиле не допускаются. В местах пересечения внутриквартальных проездов и садовых дорожек следует устанавливать криволинейные бортовые камни. Устройство криволинейного борта радиусом 15 м и менее из прямолинейных камней не допускается. Швы между камнями должны быть не более 10 мм.
Раствор для заполнения швов должен приготавливаться на портландцементе марки не ниже 400 и иметь подвижность, соответствующую 5-6 см погружения стандартного конуса.
В местах пересечения внутриквартальных проездов и пешеходных дорожек с тротуарами к площадкам и проезжей частью улиц бортовые камни должны заглубляться с устройством плавных примыканий для обеспечения проезда детских колясок, санок, а также въезда транспортных средств.
12. Отмостки по периметру зданий должны плотно примыкать к цоколю здания. Уклон отмосток должен быть не менее 1 % и не более 10 %.
Наружная кромка отмосток в пределах прямолинейных участков не должна иметь искривлений по горизонтали и вертикали более 10 мм.
1. Ограждения следует устраивать преимущественно в виде: живых изгородей из однорядных или многорядных посадок кустарников; из сборных железобетонных элементов; металлических секций, древесины и проволоки.
2. Постоянные и временные ограды следует устанавливать с учетом следующих технологических требований:
- осевые линии ограды должны быть закреплены на местности установкой створных знаков, долговременность которых следует определять из конкретных условий стройки;
- траншея под цоколь должна быть отрыта механизированным способом с запасом по ширине до 10 см в обе стороны от оси и на 10 см глубже отметки положения низа цоколя (для устройства дренирующего слоя);
- ямы под стойки ограды следует бурить глубиной на 10 см больше глубины установки стоек для возможности установки верха стоек по одной горизонтальной линии, устройства дренирующей подушки и исключения необходимости ручной подчистки дна ямы; в глинах и суглинках ямы должны иметь глубину не менее 80 см, а в песках и супесях - не менее 1 м;
- дренирующий материал в ямах и траншеях должен быть уплотнен: песок - поливом, гравий и щебень – трамбованием до состояния, при котором прекращается подвижка щебня и гравия под воздействием уплотняющих средств. В песчаных и супесчаных грунтах дренирующие подушки под цоколи и стойки оград не делаются.
3. Ограды в виде живой изгороди должны устраиваться посадкой кустарника в заранее подготовленные траншеи шириной и глубиной не менее 50 см.
4. Ограды на стойках, устанавливаемых без бетонирования подземной части, следует устраивать сразу после установки стоек. Ограды из железобетонных или металлических стоек, устанавливаемых с бетонированием подземной части, следует устраивать не ранее, чем через две недели после бетонирования низа стоек.
Деревянные стойки для оград должны иметь диаметр не менее 14 см и длину не менее 2,3 м. Погружаемая в землю часть стойки не менее чем на 1 м должна быть предохранена от загнивания обмазкой разогретым битумом или обжигом в костре до образования угольного слоя.
Стойки без башмаков следует устанавливать в ямы диаметром 30 см и засыпать смесью грунта и щебня или гравия с послойным трамбованием в процессе засыпки. Отклонение стоек по вертикали, а также от их положения в плане не должно превышать 10 мм.
5: Ограда из проволоки должна повторять рельеф местности. Проволоку следует устанавливать параллельными рядами не реже, чем через 25 см. Ограда из колючей проволоки дополняется крестообразными пересечениями проволоки в каждой секции. Все пересечения параллельных рядов колючей проволоки с крестовыми должны быть связаны вязальной проволокой.
Натяжение проволоки следует производить до исчезновения прогиба проволоки. Длина натягиваемой проволоки должна быть не более 50 м.
6. Ограды из стальной сетки должны выполняться в виде секций, устанавливаемых между стойками.
Секции к стойкам следует крепить приваркой к закладным частям. Стойки для оград из стальной сетки могут устанавливаться заранее или одновременно с монтажом секций. В последнем случае закрепление стоек в грунте следует производить после выверки положения ограды в плане и в профиле, стоек - по вертикали и верха секций - по горизонтали. Металлические и железобетонные стойки следует крепить при помощи бетона.
7. При монтаже сборных железобетонных элементов ограды следует выверить ее положение в плане и по горизонтали посекционно, а затем забетонировать стойки. Стойки сборной железобетонной ограды должны быть забетонированы и выдержаны на временных креплениях не менее одной недели.
8. Приемка оград должна осуществляться путем проверки прямолинейности и вертикальности ограды. Не допускаются отклонения в положении всей ограды и отдельных ее элементов в плане, по вертикали и горизонтали более чем на 20 мм, а также наличия дефектов, сказывающихся на эстетическом восприятии ограды или ее прочности. Диагональные и крестовые связи должны быть плотно пригнаны и надежно закреплены. Стойки оград недолжны качаться. Сборные элементы оград должны плотно сидеть в пазах. Металлические элементы оград и сварные соединения должны быть покрашены атмосферостойкими красками.
1. Основные строительные процессы при возведении открытых плоскостных спортивных сооружений должны осуществляться в следующей технологической последовательности:
- снятие растительного слоя и обвалование растительного грунта;
- разметка площадки;
- устройство поверхностного водоотвода;
- подготовка подстилающего слоя из связных, дренирующих или фильтрующих грунтов;
- послойное устройство покрытия;
- устройство слоя износа покрытия;
- установка спортивного оборудования и нанесение разметки.
2. Устройство подстилающего слоя должно осуществляться путем послойной расстилки и уплотнения этого слоя грунта. При уплотнении грунта подстилающих слоев катками весом 1,2 т толщины уплотняемых слоев не должны превышать 30 см для связных грунтов и песков с модулем крупности менее 2 и 20 см для песков с модулем крупности более 2. Необходимое уплотнение грунта должно достигаться 12-15 проходами катка по одному месту.
3. При строительстве открытых плоскостных спортивных сооружений должны применяться следующие материалы:
для нижнего слоя покрытий - щебень, гравий, кирпичный щебень, шлак с фракцией размером 40-70 мм. Толщина основания в плотном теле должна быть не менее 50 мм;
- для промежуточного слоя покрытий - щебень, гравий, кирпичный щебень, шлак с фракцией размером 15-25 мм, а также волнистый торф, резиновая крошка, хлопья кордового волокна, отходы регенеративного, химического и полиэтиленового производств. Толщина промежуточного слоя из щебня, гравия и шлака должна быть не менее 30 мм, а из упругих влагоемких материалов - не менее10 мм;
- для верхнего слоя покрытия - щебень, гравий, кирпичный щебень, шлак с фракцией размером 5-15 мм. Толщина верхнего слоя покрытия в плотном теле должна быть не менее 40 мм;
- для слоя износа покрытия - крошка каменная, кирпичная и шлаковая с фракцией размером не менее 2 мм и не более 5 мм. Может использоваться также песок с модулем крупности не менее 2,5. Толщина неуплотненного слоя износа при его расстилке должна быть не менее 5 мм.
Специальные покрытия должны устраиваться только в соответствии с указаниями проекта.
4.. Уплотнение щебня, гравия и шлака в основании и промежуточном слое должно производиться в два этапа с поливом из расчета 4-8 л/м2. На первом этапе уплотнение следует производить легкими (весом не менее 0,8 т) катками с гладкими вальцами за 2-3 прохода по одному месту. На втором этапе слой уплотняется катками с гладкими вальцами весом 1,2 т за 3-5 проходов по одному месту. В обоих случаях уплотнение ведется до прекращения образования волны перед вальцами и следов от катка. По окончании каждого этапа уплотнения должна производиться проверка толщины, ровности и уклонов слоя. В местах просадок слой следует досыпать и уплотнять до прекращения образования волны перед вальцами и следов от катка. В местах, недоступных для катка, уплотнение может быть выполнено ручными трамбовками до прекращения образования отпечатков трамбовки. Промежуточный слой из упругих влагоемких материалов следует укладывать на поверхность основания без уплотнения. .
5. Уплотнение верхнего слоя следует производить в два этапа. Первый этап уплотнения состоит из 1-2 проходов по одному месту катка весом 1,2 т с гладкими вальцами без полива и производится для осадки уплотняемых материалов. Второй этап уплотнения следует производить катками весом 1,2 т с гладкими вальцами с поливом из расчета 10-15 л/м2. Уплотнение ведется до прекращения образования следов от катка. Уплотнение на втором этапе достигается после 5-10 проходов катка по одному месту. В местах просадок слой следует досыпать, спрофилировать и повторно уплотнить. По окончании каждого этапа уплотнения должна производиться проверка толщины, ровности и уклонов слоя.
6. Слой износа следует расстилать сразу после укатки и проверки верхнего слоя покрытия. Перед расстилкой материалов слоя износа верхний слой покрытия должен быть повторно полит из расчета 5-10 л/м2. После распределения слой износа укатывается катком весом 1,2 т с гладкими вальцами за 2-3 прохода по одному месту. Признаком окончания уплотнения слоя износа служит отсутствие следов прохождения катка и отсутствие на поверхности слоя износа мест, не закрытых материалом слоя износа.
7. В процессе строительства должны освидетельствоваться и актироваться подготовка поверхности подстилающего слоя или земляного полотна, устройство и уплотнение конструктивных слоев покрытия.
Приемка газона открытых плоскостных спортивных сооружений должна производиться:
- при одерновке - после окончания работ по одерновке;
- при посеве - спустя месяц после посева. Приемка сооружений при снежном покрытии не допускается.
8. Элементы оборудования мест отдыха (скамейки, песочницы, грибки и т. д.) должны выполняться в соответствии с проектом, надежно закрепляться, быть окрашенными влагостойкими красками и отвечать следующим дополнительным требованиям:
- деревянные - предохранены от загнивания, выполнены из древесины хвойных пород, гладко оструганы;
- бетонные и железобетонные - выполнены из бетона марки не ниже 300, иметь гладкие поверхности.
Элементы, нагружаемые динамическими воздействиями (качели, карусели, лестницы и др.), должны быть проверены на надежность и устойчивость.
9. Грунтовые откосы микрорельефа должны иметь уклоны, не превышающие углов естественного откоса грунта, из которого они отсыпаны, и быть одернованы, засеяны или озеленены.
1. Работы по озеленению должны выполняться только после расстилки растительного грунта, устройства проездов, тротуаров, дорожек, площадок, оград и уборки остатков строительного мусора.
2. Растительный грунт должен расстилаться по спланированному основанию, вспаханному на глубину не менее 10 см. Поверхность осевшего растительного слоя должна быть ниже окаймляющего борта не более, чем на 2 см.
3. Подготовка посадочных мест для высадки деревьев и кустарников должна производиться заранее. Допускается подготовка посадочных мест непосредственно перед посадками.
Ямы для посадки стандартных саженцев и саженцев с комом должны иметь глубину 75-90 см, для саженцев со стержневой корневой системой - 80-100 см. Стандартные саженцы следует высаживать в ямы диаметром 60- 80 см. Размер ям для посадки саженцев с комом должен быть на 0,5 м больше наибольшего размера кома.
Кустарники следует высаживать в ямы и траншеи глубиной 50 см. Для одиночных кустов ямы должны иметь диаметр 50 см. Траншеи под групповые посадки кустарников должны иметь ширину 50 см для однорядной посадки. Ямы под многолетние цветочные растения должны иметь глубину и диаметр 40 см.
4. Газоны следует устраивать на полностью подготовленном и спланированном растительном грунте, верхний слой которого перед посевом газонных смесей должен быть проборонован на глубину 8-10 см. Засев газонов следует производить сеялками для посева газонных трав. Семена мельче 1 мм должны высеваться в смеси с сухим песком в отношении 1:1 по объему. Семена крупнее 1 мм должны высеваться в чистом виде. При посеве газона семена следует заделывать на глубину до 1 см. Для заделки семян следует использовать легкие бороны или катки с шипами и щетками. После заделки семян газон должен быть укатан катком весом до 100 кг. На почвах, образующих корку, прикатка не производится.
5. Зеленые насаждения при посадках и в период ухода за ними должны поливаться из следующего расчета:
- 20 л на один стандартный саженец;
- 50 л на одно дерево с комом размером до 1Х1 м;
- 100 л на одно дерево с комом размером 1Х1 более;
- 10 л на один куст;
- 5 л на одно растение в цветниках с многолетними цветами;
- 10 л/м2 высаженной цветочной рассады или газона. При уходе за деревьями хвойных пород не допускается рыхление и перекопка приствольных кругов.
6. Приемка озеленения должна производиться с учетом следующих требований:
- толщина слоя растительного грунта в местах его расстилки должна быть не менее 10 см. Проверка производится путем отрывки шурфа 30 х 30 см на 1000 м2 озеленяемых площадей, но не менее одного на замкнутый контур любой площади;
- пригодность растительного грунта должна быть подтверждена лабораторными анализами; если в грунт вносились какие-либо добавки, то это должно быть подтверждено записями в журнале производства работ;
- высаженный посадочный материал должен соответствовать проекту;
- должно быть наличие паспортов и карантинных свидетельств на посадочный материал, семена и цветочную рассаду;
- количество не прижившихся деревьев, саженцев, кустов и многолетних цветов не должно превышать 20 %.
I. Общие положения
1. Настоящие Методические рекомендации и определяют основные принципы, порядок организации и проведения выборочных инспекционных проверок качества и организационно-правового порядка строительства объектов органами Госархстройнадзора России и привлекаемыми ими организациями, а также устанавливают объем и порядок оформления документации по результатам проверок.
Рекомендации являются обязательными для исполнения научно-исследовательскими, проектными и другими организациями (в дальнейшем - строительные организации), привлекаемыми Главной инспекцией Госархстройнадзора России для проведения выборочных проверок.
2. Основными задачами проверок являются:
оценка качества выполняемых строительно-монтажных работ и применяемых строительных материалов, конструкций и изделий и их соответствие требованиям нормативных документов (СНиП, ГОСТ, ТУ и др.);
анализ причин выявленных нарушений и принятых мер по их устранению;
оценка уровня качества строительства объектов на подведомственной территории по результатам выборочных проверок за определенный период времени (квартал, полугодие, год и т. д.).
3. Выборочные проверки, проводимые на территории республики, края, области, автономных образований, района, города подразделяются на комплексные и целевые.
В процессе комплексной проверки производится контроль качества всех видов строительства, осуществляемого на соответствующей территории, независимо от источников финансирования строящихся объектов, ведомственной принадлежности и форм собственности участников строительства. При этом:
- контролем должно быть охвачено не менее 30 объектов производственного и непроизводственного назначения;
- по каждой конструктивной схеме здания (каркасное, кирпичное, монолитное и т. д.) должно быть проверено не менее 3-х объектов;
- в процессе проверки должно быть оценено качество выполнения основных видов строительно-монтажных работ (земляные, бетонные, сварочные, монтажные, каменные, изоляционные), а также применяемых строительных конструкций и изделий.
Прицелевых проверках на соответствующих территориях производится следующий контроль качества:
- отдельных видов строительно-монтажных работ;
- отдельных видов строительства;
- строительства отдельных конструктивных типов зданий;
- строительства крупных и технически сложных объектов;
- выполнения требований нормативных документов, связанных с особыми условиями строительства (в сейсмических районах, на просадочных грунтах и т. д.).
Целевыми проверками являются также проверки соблюдения участниками строительства организационно-правового порядка строительства объектов: порядка приемки объектов в эксплуатацию, получения разрешений на выполнение строительно-монтажных работ и т. д.
4. Выборочные инспекционные проверки качества строительства проводятся следующие: плановые - на основании утвержденных годовых планов проверок, внеплановые -по заданиям соответствующих органов управления, по сообщениям обществ потребителей, прокуратуры и другим основаниям.
В планах проверок указываются сроки проведения проверок, их вид (комплексная, целевая), сторонние организации, привлекаемые для участия в проверках. Планы проведения проверок рассылаются органам Госархстройнадзора России, на территории которых будут проводиться проверки, а также руководителям сторонних организаций.
5. Проверки могут проводиться:
- органами Госархстройнадзора России самостоятельно;
- органами Госархстройнадзора России с привлечением сторонних организаций;
- сторонними организациями самостоятельно по заданию органа Госархстройнадзора.
Право на самостоятельное проведение проверок может быть предоставлено сторонней организации в случае наличия специалистов, прошедших аттестацию в системе Госархстройнадзора России. В этом случае при организации проверки руководителем должен назначаться один из указанных специалистов.
II. Порядок организации и проведения проверок
1. В случае привлечения к участию в проверке сторонней организации, орган Госархстройнадзора России непозднее, чем за три недели до начала проведения проверки направляет руководителю этой организации задание на проведение проверки по форме согласно Приложению 1(1).
С органом Госархстройнадзора России, на территории которого планируется проведение проверки, уточняются конкретные сроки проверки и согласовывается перечень проверяемых объектов.
2. Орган Госархстройнадзора России, на территории которого будет проводиться проверка:
- решает организационные вопросы по проведению проверки (места в гостинице, обеспечение автотранспортом, размножение материалов и т. д.);
- сообщает подрядным организациям, заказчикам, а при необходимости проектным организациям о сроках проведения проверок на конкретных объектах.
При этом к моменту проверки на строительной площадке должна находиться вся имеющаяся в наличии проектная, производственная и исполнительная документация.
3. При проведении проверки порядок ее проведения, состав и последовательность процессов выборочной проверки основных видов строительно-монтажных работ, основные контролируемые параметры качества должны соответствовать разделам 3-6 «Рекомендаций о порядке осуществления государственного контроля за соблюдением требований строительных норм и правил при производстве строительно-монтажных работ на объектах производственного назначения», утвержденных Инспекцией Госархстройнадзора России Минстроя России в 1991 г.
Объем выборочного контроля при проведении целевой проверки при этом зависит от ее назначения и цели.
4. В ходе проверки, в зависимости от конкретных результатов, ее руководителем может приниматься решение:
- об уточнении перечня проверяемых объектов, увеличении или уменьшении их общего количества;
- об увеличении или сокращении объема контроля того или иного вида строительно-монтажных работ, конструктивного типа здания;
- о проверке качества производства отдельных видов строительных материалов, конструкций и изделий на предприятиях строительной индустрии и промышленности строительных материалов.
5. Руководителю и участникам проверки предоставляется право:
- беспрепятственного доступа на площадки строительства и предприятия стройиндустрии и промышленности строительных материалов;
- требовать предоставления всей проектной, производственной и исполнительной документации;
- требовать вскрытия отдельных конструктивных элементов и узлов их сопряжения, проведения соответствующих испытаний, съемок, замеров;
- давать представителям организаций указания о немедленном устранении допущенных нарушений, влекущих за собой потерю прочности или устойчивости здания.
6. По результатам проверки качества строительства на конкретном объекте составляется ведомость дефектов по форме согласно Приложению 1(2). Описание дефектов необходимо располагать по их значимости, а их классификационная оценка должна соответствовать «Классификатору основных видов дефектов в строительстве и промышленности строительных материалов», утвержденному Главной инспекцией Госархстройнадзора России 17 ноября 1993 года.
Копии ведомости вручаются представителю подрядной организации и организации-заказчика, а также руководителю территориального органа Госархстройнадзора России.
В зависимости от значимости выявленных дефектов руководителем проверки даются предложения должностному лицу органа Госархстройнадзора России о принятии соответствующих мер, направленных на устранение нарушений (выдача предписаний об устранении нарушений, приостановка работ на объекте и т. д.), а при необходимости, кроме того - о применении мер административного воздействия
7. По итогам комплексной или целевой инспекционной проверки руководителем готовится справка о ее итогах, в которой отражаются основные данные, приведенные в Приложении 1(3). Справка в недельный срок по окончании проверки представляется в орган Госархстройнадзора России, назначивший проверку. При этом условный уровень качества строительства на конкретной территории при комплексной проверке определяется как отношение объектов с критическими или критическими и значительными дефектами к общему количеству проверенных объектов.
Результаты проверки докладываются ее руководителем на итоговом совещании по результатам проверки с участием представителей соответствующих органов исполнительной власти, строительных организаций, заказчиков, проектных организаций.
8. Орган Госархстройнадзора России, проводивший проверку, в двухнедельный срок по окончании проверки направляет соответствующему органу исполнительной власти письмо с приложением справки, в котором дается анализ уровня качества строительства на подведомственной территории, примеры наиболее грубых нарушений, предложения, направленные на улучшение качества строительства.
III. Учет и контроль результатов проверок
1. Органы Госархстройнадзора России ведут учет проведенных проверок и их результатов по форме и программе учета на персональной ЭВМ.
2. Контроль за исполнением выданных в ходе проверки предписаний ведется, как правило, органом Госархстройнадзора России, на территории которого проводилась проверка. По истечении срока исполнения предписаний при их неисполнении указанными органами к виновным применяются штрафные санкции. О результатах исполнения предписаний информируется орган Госархстройнадзора России, проводивший проверку.
3. Территориальные органы Госархстройнадзора России дают краткую информацию о проведенных проверках качества строительства на подведомственных территориях за полгода и год в пояснительных записках при представлении полугодового и годового отчетов.
|
ЗАДАНИЕ
№ ________________________________________________________________________________ (Ф. И. О. руководителя проверки, его должность и место работы) на проведение выборочной_________________________________________________________ _________________________________________________________________________________ (комплексная, целевая - указать) проверки качества строительства объектов (объекта) на территории_______________________________________________________________________ (наименование региона: в случае целевой проверки при необходимости _________________________________________________________________________________ указывается месторасположение объекта) Основание для проверки___________________________________________________________ _________________________________________________________________________________ _________________________________________________________________________________ Проверку провести в соответствии с «Методическими рекомендациями по организации и проведению выборочных проверок качества строительства объектов», утвержденными Главной инспекцией Госархстройнадзора России 5 марта 1994 г., в срок до _______________ Дополнительно в ходе проверки________________________________________________________________________ ________________________________________________________________________________ Начальник_______________________________________________________________________ (Ф. И. О. руководителя органа ГАСН, подпись, печать) |
ВЕДОМОСТЬ ДЕФЕКТОВ
|
Объект _________________________________________________________________________ (наименование и местонахождение) Заказчик ________________________________________________________________________ Проектная организация___________________________________________________________ Генподрядная организация_____________________________________________________________________ Субподрядные организации_______________________________________________________ ________________________________________________________________________________
|
Указания по заполнению:
1. До начала описания дефектов дается краткая характеристика конструктивной схемы и стадии строительства объекта.
2. В случае нахождения на площадке строительства нескольких проверяемых объектов, в ведомости последовательно описываются дефекты по каждому из них.
3. Описание дефектов следует располагать по их значимости, а их классификацию - в соответствии с «Классификатором основных видов дефектов в строительстве и промышленности строительных материалов», утвержденным Главной инспекцией Госархстройнадзора России 17 ноября 1993 года.
4. Ведомость подписывается руководителем проверки.
|
СПРАВКА ___________________________________________________________________ (наименование региона, объекта)
|
В справке отражаются следующие основные данные:
- сроки проведения проверки, наименование органа Госархстройнадзора России, проводившего проверку, наименование организации, привлекавшейся к проведению проверки;
- основания для проведения проверки;
- города и районы, в которых проводилась проверка;
- количество проверенных объектов, их классификация по видам строительства, примеры объектов с высоким уровнем качества работ, примеры объектов с низким уровнем качества работ и описанием грубых нарушений;
- своевременность и правильность оформления производственной и исполнительной документации;
- качество применяемых строительных материалов, конструкций и изделий;
- сведения о соблюдении организационно-правового порядка при строительстве объектов;
- эффективность контроля качества, проводимого подрядными организациями, техническим надзором заказчика, авторским надзором;
- сводные данные о результатах проверки (таблица 1);
- сводные данные по проверке качества основных видов строительно-монтажных работ (таблица 2).
В заключительной части справки проводится анализ уровня качества строительства, делаются соответствующие выводы с изложением основных причин нарушений, даются предложения по повышению уровня качества строительства и применению мер воздействия на нарушителей.
Справка подписывается руководителем и участниками проверки.
Таблица 1
СВОДНЫЕ
ДАННЫЕ
о результатах проверки
|
№№ |
Наименование городов и районов, в которых проводились проверки; наименование видов строительства |
Количество проверенных объектов |
Количество объектов, на которых выявлены дефекты |
Примечание |
||
|
Всего |
Критич. |
Значит. |
||||
|
|
Пример: |
|
|
|
|
|
|
1. |
г. Ярославль |
14 |
12 |
8 |
4 |
На 5 объектах выданы предписания |
|
Всего: |
|
|
|
|
||
|
в том числе: |
|
|
|
|
||
|
производственного назначения |
11 |
10 |
7 |
3 |
||
|
непроизводственного назначения |
3 |
2 |
1 |
1 |
||
|
2. |
г. Рыбинск |
|
|
|
|
|
|
|
Итого: |
|
|
|
|
|
СВОДНЫЕ
ДАННЫЕ
по проверке качества основных видов строительно-монтажных работ
Таблица 2
|
№№ |
Наименование видов строительно-монтажных работ |
Количество зданий, на которых проверялся данный вид работ |
Количество зданий, на которых выявлены дефекты |
Примечания |
||
|
Всего |
Критич. |
Значит. |
||||
|
|
Пример: |
|
|
|
|
|
|
1 |
Земляные работы и земляные сооружения |
20 |
12 |
6 |
6 |
|
|
2 |
Основания и фундаменты |
11 |
8 |
6 |
2 |
|
|
3 |
Монтаж несущих и ограждающих конструкций |
32 |
25 |
12 |
13 |
|
|
4 |
|
|
|
|
|
|
|
5 |
|
|
|
|
|
|
|
|
Итого: |
|
|
|
|
|
|
________________________________________________________________________________ (наименование работ) выполненных в________________________________________________________________ (наименование или место расположения объекта) «____»_____________19 _ г. Комиссия ________________________________________________________________________________ (фамилия, инициалы, должность) представителя технического надзора заказчика________________________________________ ________________________________________________________________________________ (фамилия, инициалы, должность) представителя проектной организации (в случаях осуществления авторского надзора проектной организации в соответствии с требованиями п. 1.5. СНиП 1.06.05-85)__________ ________________________________________________________________________________ (фамилия, инициалы, должность) произвела осмотр работ, выполненных_______________________________________________ ________________________________________________________________________________ (наименование строительной организации) и составила настоящий акт о нижеследующем: 1. К освидетельствованию предъявлены следующие работы ___________________________ ________________________________________________________________________________ (наименование скрытых работ) 2. Работы выполнены по проектно-сметной документации ___________________________ ________________________________________________________________________________ (наименование проектной организации, № чертежей и дата их составления)
3. При выполнении работ применены________________________________________________ (наименование материалов, ________________________________________________________________________________________________ конструкций, изделий со ссылкой на сертификаты или другие документы, подтверждающие качество) 4. При выполнении работ отсуствуют (или допущены) отклонения от проектно-сметной документации____________________________________________________________________ ________________________________________________________________________________ (при наличии отклонения ается, кем согласованы, № чертежей и дата согласования) Решение комиссии Работы выполнены в соответствии с проектно-сметной документацией, стандартами, строительными нормами и правилами и отвечают требованиям их приемки. На основании изложенного разрешается производство последующих работ по устройству (монтажу)_______________________________________________________________________ _______________________________________________________________________________ (наименование работ и конструкций) Представитель технического надзора заказчика_______________________________________ (подпись) Представитель строительно-монтажной организации__________________________________ (подпись)
|
Земляные работы
Устройство естественных оснований под земляные сооружения, фундаменты, трубопроводы в котлованах, траншеях или на поверхности земли.
Выполнение предусмотренных проектом или назначаемых по результатам осмотра скрытых оснований инженерных мероприятий по закреплению грунтов и подготовке основания (цементация и т. п., замачивание, дренирование оснований, устройство термических или грунтовых свай, заглушение ключей, заделка трещин, устройство грунтовых подушек и др.).
Конструкции, входящие в тело земляного сооружения, слои переходных зон и обратных фильтров плотин, дамб; установленные проектом границы зон раскладки грунтов с отличающимися физико-механическими характеристиками.
Элементы дренажей (дренажные слои и их основания, колодцы, трубопроводы и их обсыпка); диафрагмы; экраны; ядра; подстилающие слои при установке контрольно-измерительной аппаратуры.
Обратные засыпки выемок в местах пересечения с дорогами, тротуарами и иными территориями с дорожными покрытиями.
Насыпные основания под полы.
Обратные засыпки в просадочных грунтах (при наличии указаний в проекте).
Мероприятия, необходимые для возобновления работ при перерывах в ведении работ более месяца, при консервации и расконсервации работ.
Устройство оснований и фундаментов
Устройство искусственных оснований под фундаменты, включая дно котлованов (в том числе предварительного
замачивания), оснований опускных колодцев, кессонов, оснований буронабивных свай и т. д.
Погружение свай, свай-оболочек и шпунта, а также опускных колодцев и кессонов.
Работы, связанные со стыкованием свай и свай-оболочек, и стыков между сборными железобетонными элементами.
Бурение всех видов скважин.
Втрамбовывание в дно котлованов жесткого материала (щебня, гравия).
Заполнение скважин при устройстве грунтовых и песчаных свай.
Устройство вертикальных дрен и всех видов дренажей и дренажных завес.
Бетонные работы
Армирование железобетонных конструкций.
Установка закладных частей.
Антикоррозионная защита закладных деталей и сварных соединений (швов, накладок).
Устройство опалубки конструкций с инструментальной проверкой отметок и осей, стыков сборномонолитных конструкций (до их замоноличивания).
Монтаж сборных железобетонных и бетонных конструкций
Опирание сборных элементов, их заделка и анкеровка в случае, если они скрываются последующими работами.
Сварка выпусков арматуры, закладных частей.
Заделка (замоноличивание) и герметизация стыков и швов.
Натяжение арматуры при укрупнительной сборке и при монтаже.
Устройство звукоизоляции, теплоизоляции, пароизоляции.
Заделка лестничных маршей и площадок, балконов и эркеров, козырьков, карнизных плит и т. п.
Поэтажная геодезическая съемка с определением отметок при монтаже крупнопанельных и крупноблочных зданий.
Монтаж стальных конструкций
Предварительная подготовка поверхностей, защищаемых от агрессивного воздействия среды.
Установка стальных конструкций, скрывающихся в процессе производства последующих работ.
Опирание и анкеровка несущих металлических конструкций (ферм, балок и т. п.).
Защита строительных конструкций и закладных деталей от коррозии.
Установка анкерных болтов.
Монтаж сопряжений на высокопрочных болтах.
Монтаж деревянных конструкций
Антисептирование.
Огнезащитная обработка древесины.
Установка оконных и дверных блоков (крепление коробок, теплоизоляция, защитная обработка).
Опирание и анкеровка несущих деревянных конструкций (ферм, балок и т. п.).
Монтаж легких ограждающих конструкций
Крепление панелей, плит, листов, а также каркасов. Изоляция стыков между панелями.
Возведение каменных конструкций
Армирование кладки.
Установка закладных и их антикоррозионная защита.
Устройство осадочных, деформационных и антисейсмических швов.
Подготовка мест опирания ферм, прогонов, балок, плит перекрытий, перемычек на стены, столбы и пилястры и заделка их в кладке.
Закрепление в кладке сборных железобетонных изделий: карнизов, балконов и других консольных конструкций.
Устройство вентиляционных и дымовых каналов, борозд.
Изоляционные работы
Подготовка поверхностей под огрунтовку и нанесение первого слоя гидроизоляции.
Устройство каждого предыдущего слоя гидроизоляции до нанесения последующего.
Выполнение гидроизоляции на участках, подлежащих закрытию грунтом, кладкой, защитными ограждениями или водой.
Устройство гидроизоляции деформационных и температурных швов.
Выполнение гидроизоляции в местах стыков и сопряжений в сооружениях из сборных элементов и в местах болтовых соединений в сооружениях из чугунных и железобетонных тюбингов.
Устройство оснований под изоляционный слой.
Устройство каждого слоя теплоизоляции до нанесения последующего.
Устройство каркаса теплоизоляции и изоляции (или ее участка) до закрытия ее грунтом или защитными ограждениями.
Устройство полов
Устройство оснований под полы (в том числе грунтового основания), подстилающего слоя, гидроизоляции, стяжки, вентиляции подполья.
|
________________________________________________________________________________ (наименование конструкций) выполненных в _________________________________________________________________' (наименование и место расположения объекта) «____»_____________19 _ г. (дата приемки) Комиссия в
составе: ________________________________________________________________________________ (фамилия, инициалы, должность) представителя технического надзора заказчика________________________________________ ________________________________________________________________________________ (фамилия, инициалы, должность) представителя проектной организации ______________________________________________ ________________________________________________________________________________________________ (фамилия, инициалы, должность) произвела осмотр конструкций и проверку качества работ, выполненных_________________ ________________________________________________________________________________ (наименование строительно-монтажной организации) и составила настоящий акт о нижеследующем: 1. К приемке предъявлены следующие конструкции_________________________________ ________________________________________________________________________________________________ (наименование проектной организации, (№ чертежей и дата их составления) 2. Работы выполнены по проектно-сметной документации ___________________________ ________________________________________________________________________________ (перечень и краткая характеристика конструкций) 3.. При выполнении работ отсутствуют (или допущены) отклонения от проектно-сметной документации_______________________________________________________________ (при наличии отклонений указывается кем согласованы, № чертежей и дата согласования) 4. Дата: начала работ__________________________________________________________ окончания работ_________________________________________________________ Решение комиссии Работы выполнены в соответствии с проектно-сметной документацией, стандартами, строительными нормами и правилами. На основании изложенного разрешается производство последующих работ по устройству (монтажу)_______________________________________________________________________ ________________________________________________________________________________ (наименование работ и конструкций) Представитель
строительно- (подпись) Представитель
технического (подпись)
|
Письмо Госстроя России от 09.07.93 г. № БЕ-19-11/13
|
|
В министерства Российской Федерациии и другие центральные органы федеральной исполнительной власти, органы исполнительной власти республик в составе Российской Федерации, краев, областей, автономной области, автономных округов, городов Москвы и Санкт-Петербурга, в организации и предприятия (по списку) |
Госстрой России направляет «Временное положение по приемке законченных строительством объектов», разработанное Комитетом в соответствии с Законом РСФСР «Об инвестиционной деятельности в РСФСР» и другими законодательными актами Российской Федерации, в целях развития новых экономических отношений между участниками инвестиционного процесса и повышения ответственности каждого из них за результаты своей работы.
Предусмотренный Временным положением порядок приемки рекомендуется для руководства в работе по приемке объектов и использования в договорах подряда (контрактах) на строительство.
С учетом результатов применения Временного положения Госстроем России на его основе будут утверждены строительные нормы и правила Российской Федерации «Приемка законченных строительством объектов. Основные положения». До введения в действие новых строительных норм и правил для приемки объектов, строительство которых осуществляется за счет средств федерального бюджета или льготного кредитования, Временное положение применяется по решению соответствующих центральных органов федеральной исполнительной власти, а других объектов - по решению органов исполнительной власти республик в составе Российской Федерации, краев, областей, автономной области, автономных округов, городов Москвы и Санкт-Петербурга, городской (районной) администрации или по решению собственника.
|
Председатель Госстроя России
|
Е. В. Басин
|
|
|
Приложение |
ВРЕМЕННОЕ ПОЛОЖЕНИЕ
по приемке законченных
строительством объектов
1. Настоящее Временное положение распространяется на объекты строительства производственного и жилищно-гражданского назначения всех форм собственности, осуществляемого в соответствии с Законом «Об инвестиционной деятельности в РСФСР» и другими законодательными актами Российской Федерации, и устанавливает порядок приемки объектов после окончания строительства, включая реконструкцию, расширение и техническое перевооружение.
2. Приемку законченных строительством объектов от исполнителя работ (генерального подрядчика) производит заказчик или уполномоченное инвестором другое лицо в соответствии с условиями договора подряда (контракта)на строительство, которым должны быть регламентированы требования к приемке в соответствии с настоящим Временным положением.
Заказчик может привлекать к приемке пользователя объекта (эксплуатирующую организацию), авторов проекта, специализированные фирмы, страховые общества и других юридических и физических лиц, создавая в необходимых случаях приемочные комиссии.
3. Приемку объектов производственного назначения, строительство которых производилось за счет средств федерального бюджета или льготного кредитования, осуществляют с учетом отраслевых особенностей, устанавливаемых министерствами Российской Федерации и другими органами центральной исполнительной власти по согласованию с Госстроем России, включая приемку объектов в эксплуатацию государственными приемочными комиссиями, назначаемыми этими органами.
Органы исполнительной власти республик в составе Российской Федерации, краев, областей, автономной области, автономных округов, городов Москвы и Санкт-Петербурга могут устанавливать по согласованию с Госстроем России особенности порядка приемки объектов на соответствующих территориях.
4. Объекты принимаются в целом, в том числе «под ключ», или по мере завершения отдельных очередей, пусковых комплексов, зданий и сооружений в объеме, предусмотренном в договоре подряда (контракте) на строительство, и в соответствии с другими условиями договора.
Договором устанавливаются, в частности, стадии приемки (приемка готовности строительной части и отдельных видов строительно-монтажных работ, оборудования после индивидуальных испытаний, пусконаладочных работ и комплексного опробования, сдана объекта в гарантийную эксплуатацию и т. п.), сроки уведомления заказчика исполнителем работ о готовности к приемке, гарантии исполнителя работ по качеству и другие необходимые условия.
Объекты производственного назначения, строительство которых производилось за счет средств федерального бюджета или льготного кредитования, подлежат приемке только в том случае, когда они подготовлены к эксплуатации и на установленном оборудовании начат выпуск продукции (оказание услуг) в объеме, предусмотренном договором подряда (контрактом) на строительство.
5. Исполнитель работ предъявляет к приемке объект (очередь, пусковой комплекс, здание, сооружение) после завершения всех предусмотренных договором подряда работ по объекту (очереди, комплексу и т. д.) в соответствии с проектом на строительство.
6. Органы государственного надзора в течение 15 дней после письменного обращения заказчика (или по его поручению исполнителя работ) дают заключение о соответствии предъявляемого к приемке объекта утвержденному проекту.
При этом органы Госархстройнадзора выдают свое заключение с учетом наличия заключений других надзорных органов, которым подконтролен этот объект.
7. Заказчик производит приемку объекта на основе результатов проведенных им обследований, проверок, контрольных испытаний и измерений, документов исполнителя работ, подтверждающих соответствие принимаемого объекта утвержденному проекту, нормам, правилам и стандартам, а также заключений органов надзора
Порядок проведения работ по приемке объекта, стадии приемки, объем контроля и методы испытаний принимаются в соответствии с требованиями стандартов, норм и правил, а также в соответствии с указаниями проектной или технологической документации.
8. Режим эксплуатации объекта в период опробования и приемки регламентируется заказчиком (пользователем объекта), а в случае строительства «под ключ» - договором подряда.
9. Приемка законченного строительством объекта оформляется актом по форме, приведенной в Приложении 1 (см. далее). К акту приемки объекта исполнитель работ и заказчик прилагают документы, перечень которых приведен в Приложении 2. Вся документация по приемке объекта передается заказчиком пользователю объекта.
Акт приемки является основанием для окончательной оплаты всех выполненных исполнителем работ по договору.
10. Факт ввода в действие принятого объекта регистрируется заказчиком (пользователем объекта) в местных органах исполнительной власти в порядке, установленном этими органами.
В статистическую отчетность введенный в действие объект включается за тот отчетный период, в котором зарегистрирован факт ввода. Исполнитель работ на основе акта приемки представляет в установленном порядке статистическую отчетность о выполнении договорных обязательств.
11. Приемка объекта заказчиком от исполнителя работ не дает права на ввод его в действие без согласования с органами Госархстройнадзора и другими органами надзора, которым этот объект подконтролен, а также без разрешения на эксплуатацию объекта и оборудования тех органов, в положениях о которых предусмотрена выдача таких разрешений.
Ввод в действие объектов, не отвечающих требованиям законодательства, охраны труда и техники безопасности, строительных, санитарных, экологических и других норм, не допускается.
Заказчик, исполнитель работ, проектная организация и другие участники инвестиционного процесса несут в установленном порядке ответственность за нарушение указанных требований и за ущерб, который может нанести объект охраняемым законом правам или интересам граждан, юридических лиц и государства.
Приложение 1
к Временному положению
(обязательное)
АКТ
приемки законченного строительством объекта
|
от «__»___________19___ г________________________________________________________ (место нахождения объекта) Заказчик в лице________________________________________________________________ (фамилия, имя, отчество, должность) с одной стороны, и исполнитель работ (генеральный подрядчик, подрядчик) в лице___________________________________________________________________________ (фамилия, имя, отчество, должность) с другой стороны, руководствуясь «Временным положением по приемке законченных строительством объектов» на территории Российской Федерации, составили настоящий акт о нижеследующем. 1. Исполнителем работ предъявлен заказчику к приемке_____________________________ ________________________________________________________________________________ (наименование объекта и вид строительства) расположенный по дресу__________________________________________________________ ________________________________________________________________________________ 2. Строительство производилось в соответствии с разрешением на строительство, выданным_______________________________________________________________________ (наименование органа, выдавшего разрешение) 3. В строительстве принимали участие____________________________________________ ________________________________________________________________________________ (наименование субподрядных организаций, их реквизиты, виды работ, выполнявшихся каждой из них) 4. Проектно-сметная документация на строительство разработана генеральным проектировщиком________________________________________________________________ _____________________________________________________________________________ (наименование организации и ее реквизиты) выполнишим__________________________________________________________________ (наименование частей или разделов документации) и субподрядными организациями__________________________________________________ ________________________________________________________________________________ (наименование организаций, их реквизиты и выполненные части и разделы документации. Перечень организаций может указываться в приложении) 5. Исходные данные для проектирования выданы__________________________________ ________________________________________________________________________________ (наименование научно-исследовательских, изыскательских и других организаций, их реквизиты. Перечень организаций может указываться в приложении) 6. Проектно-сметная документация утверждена____________________________________ ________________________________________________________________________________ (наименование органа, утвердившего (переутвердившего) документацию на объект, очередь, пусковой комплекс) «____» ____________19___ г. № ___________________ Заключение______________________________________________________________________ _______________________________________________________________________________ (наименование органа государственной вневедомственной экспертизы) 7. Строительно-монтажные работы осуществлены в сроки: начало ___________ (месяц, год) окончание__________________ (месяц, год) 8. Вариант А. (Для всех объектов, кроме жилых домов) Предъявленный исполнителем работ к приемке _______________________________________ ________________________________________________________________________________________________ (наименование объекта) имеет следующие основные показатели мощности, производительности, производственной площади, протяженности, вместимости, объема, пропускной способности, проводной способности, числа рабочих мест и т. п.
Вариант Б. (Для жилых домов Предъявленный к приемке жилой дом имеет следующие показатели:
9. На объекте установлено предусмотренное проектом оборудование в количестве согласно актам о его приемке после индивидуального испытания и комплексного опробования (перечень указанных актов приведен в приложении). 10 Внешние наружные коммуникации холодного и горячего водоснабжения, канализации, теплоснабжения, газоснабжения, энергоснабжения и связи обеспечивают нормальную эксплуатацию объекта и приняты пользователями - городскими эксплуатационными организациями (перечень справок пользователей - городских эксплуатационных организаций приведен в приложении). 11. Работы по озеленению, устройству верхнего покрытия подъездных дорог к зданиям, тротуаров, хозяйственных, игровых и спортивных площадок, а также отделке элементов фасадов зданий должны быть выполнены (при переносе сроков выполнения работ):
12. Стоимость объекта по утвержденной проектно-сметной документации: ВСЕГО:.,___________________________ ________________________________ тыс. руб. в том числе: строительно-монтажных работ_____________________________________________ тыс. руб. оборудования, инструмента и инвентаря_____________________________________ тыс. руб. 13. Стоимость принимаемых основных фондов _____________________________________ ________________________________________________________________________тыс. руб. в том числе: стоимость строительно-монтажных работ__________________________________тыс. руб. стоимость оборудования, инструмента и инвентаря__________________________тыс. руб. 14. Неотъемлемой составной частью настоящего акта является документация, перечень которой приведен в приложении (в соответствии с Приложением 2 настоящего Временного положения). 15. Дополнительные условия ___________________________________________________ (графа заполняется при совмещении приемки с вводом объекта в действие, приемке «под ключ», при частичном вводе в действие, в случае совмещения функций заказчика и исполнителя работ)
|
|||||||||||||||||||||||||||||||||||||||||||||||||||||||||||||||||||||||||||||||||||||||||||||||||||||||||
Приложение 2
к Временному положению
(обязательное)
ПЕРЕЧЕНЬ
документации,
прилагаемой к Акту приемки законченного строительством объекта
1. Документация, представляемая исполнителем:
- перечень организаций, участвующих в производстве строительно-монтажных работ с указанием видов выполненных ими работ, фамилий инженерно-технических работников, непосредственно ответственных за их выполнение, и данных о наличии соответствующих лицензий;
- комплект рабочих чертежей на строительство предъявляемого к приемке объекта с надписями о соответствии выполненных в натуре работ этим чертежам или внесенным в них изменениям, сделанными лицами, ответственными за производство строительно-монтажных работ. Указанный комплект рабочих чертежей является исполнительной документацией;
- сертификаты, технические паспорта или другие документы, удостоверяющие качество материалов, конструкций и изделий, применяемых при производстве строительно-монтажных работ;
- акты об освидетельствовании скрытых работ и акты промежуточной приемки отдельных ответственных конструкций и узлов (опор и пролетных строений мостов, арок, сводов, подпорных стен, несущих металлических и сборных железобетонных конструкций и т. п.);
- акты об индивидуальных испытаниях смонтированного оборудования;
- акты об испытаниях технологических трубопроводов, внутренних систем холодного и горячего водоснабжения, канализации, газоснабжения, отопления и вентиляции, наружных сетей и сооружений водоснабжения, канализации, теплоснабжения, газоснабжения и дренажных устройств, а также об испытаниях сварных соединений;
- акты о выполнении уплотнения (герметизации) вводов и выпусков инженерных коммуникаций в местах прохода их через подземную часть наружных стен зданий в соответствии с проектом (рабочим проектом);
- акты об испытаниях внутренних и наружных электроустановок и электросетей;
- акты об испытаниях устройств телефонизации, радиофикации, телевидения, сигнализации и автоматизации;
- акты об испытаниях устройств, обеспечивающих взрыво- и пожаробезопасность и молниезащиту;
- акты об испытаниях прочности сцепления в кладке несущих стен каменных зданий, расположенных в сейсмических районах;
- журналы производства работ и авторского надзорапроектных организаций, материалы обследований и проверок в процессе строительства органами государственного и другого надзора.
2. Документация, которая должна быть в наличии у заказчика при приемке объекта:
- утвержденный проект;
- документы об отводе земельных участков, а по объектам жилищно-гражданского назначения также разрешения на производство строительно-монтажных работ;
- документы на специальное водопользование;
- документы на геодезическую разбивочную основу для строительства, а также на геодезические работы в процессе строительства, выполненные заказчиком;
- документы о геологии и гидрологии строительной площадки, о результатах испытаний грунта и анализах грунтовых вод, данные о результатах микросейсморайонирования и экологических изысканиях;
- паспорта на установленное оборудование;
- справки городских или других эксплуатационных организаций о том, что внешние наружные коммуникации холодного и горячего водоснабжения, канализации, теплоснабжения, газоснабжения, энергоснабжения и связи обеспечат нормальную эксплуатацию объекта и принятыми на обслуживание;
- документы о разрешении на эксплуатацию объектов и оборудования, подконтрольных соответствующим органам государственного надзора Российской Федерации в случаях, когда выдача таких разрешений предусмотрена положениями об этих органах;
заключения органов государственного надзора о соответствии завершенного строительством объекта законодательству, действущим стандартам, нормам и правилам.

Пояснения к рисунку:
а - знак для закрепления осей здания до 5 этажей, сооружения высотой до 15 м с продолжительностью строительства до 0,5 года, внутриплощадных инженерных сетей; б- знак для закрепления осей здания свыше 5 этажей, сооружения высотой свыше 15 м с продолжительностью строительства до 0,5 года; в - знак для закрепления осей здания, сооружения с продолжительностью строительства более 0,5 года; г - знак закрепления осей на скалах и в бетоне;
1 - бетон класса В 7.5; 2 - металлический
стержень диаметром 16 мм; 3 - металлическая труба диаметром 30-50 мм; -4-песок;
5- дюбель-гвоздь; 6- скала, бетон; 7-металлическая пластина размером 200
200
10 мм; 8-
анкер;
h1 - наибольшая глубина промерзания грунта;
h2 - определяется по следующей таблице (СНиП 3.01.03-94, приложение 9):
|
Грунт |
Значение величины |
hi при глубине промерзания грунта, м |
|||||||
|
h1 |
0,5 |
0,8 |
1 |
1,2 |
1,4 |
1,6 |
1,8 |
2 |
|
|
Песчаный |
h2 |
0,1 |
0,2 |
0,2 |
0,3 |
0,4 |
0,5 |
0,6 |
0,7 |
|
Суглинок |
h2 |
0,6 |
0,9 |
1,1 |
1,4 |
1,6 |
1,8 |
2 |
2,3 |
|
г.______________________________________«___ »__________________________ 19_____г. Мы, нижеподписавшиеся: представитель заказчика_________________________________ автор проекта____________________________________________________________________ представитель генподрядной организации____________________________________________ производитель работ______________________________________________________________ составили настоящий акт в том, что в соответствии с распоряжением_____________________ ________________________________________________________________________________ произведена в натуре приемка разбитых заказчиком осей_______________________________ ________________________________________________________________________________ здания__________________________________________________________________________ При этом установили: 1. Разбивка произведена по данным разбивочного чертежа № _______, шифр____________ проектной организации____________________________________________________________ 2. Закрепление осей произведено_________________________________________________ 3. Обозначение осей, нумерация и расположение точек соответствует проекту. Акт составлен в трех экземплярах. Приложение. Схема закрепления осей. Представитель заказчика _____________________________________________________________________________ Представитель генподрядной организации _____________________________________________________________________________
|
|
Пояснения к рисунку: 1 - окраска осей на существующих зданиях; 2- створные знаки. Представитель заказчика _____________________________________________________________________________ (фамилия) Представитель генподрядной организации _____________________________________________________________________________ (фамилия)
|
|
_____________________________________________________________________________ г.______________ «_________» ___________________________________ 19______________г. Комиссия в составе: ответственного представителя заказчика________________________________________________________________________ (фамилия, инициалы, должность) ответственных представителей генподрядной строительно-монтажной организации________ ________________________________________________________________________________ (фамилия, инициалы, должность) рассмотрела представленную техническую документацию на геодезическую разбивочную основу для строительства__________________________________________________________ ________________________________________________________________________________ (наименование объекта строительства) и произвела осмотр закрепленных на местности знаков этой основы. Предъявленные к приемке знаки геодезической разбивочной основы для строительства, их координаты, отметки, места установки и способы закрепления соответствуют представленной технической документации__________________________________________ ________________________________________________________________________________ (наименование проектной организации, номера чертежей, дата выпуска)
и выполнены с соблюдением заданной точности построений, измерений. На основании изложенного комиссия считает, что заказчик сдал, а подрядчик принял знаки геодезической разбивочной основы для строительства ________________________________________________________________________________ Приложения:____________________________________________________________________ (чертежи, схемы, ведомости и т. п.) Представитель заказчика__________________________________________________________ (подпись) Представитель генподрядной организации________________________________________ (подпись) работник геодезической службы_________________________________________________ (подпись)
|

Пояснения к рисунку:
1- стрелка показывает направление отклонения оголовка сваи от оси, а цифра - величину, см;
2- цифра со знаком в кружке показывает отклонение от проектной отметки оголовка сваи после срубки, см;
3- у круглых свай показывается отклонение от осей центра оголовка,V остальных - граней.
|
Вид конструкций |
Вяжущие |
|
|
|
применяемые |
допускаемые к применению |
|
|
|
Надземные конструкции при относительной влажности воздуха помещений до 60 % и фундаменты, возводимые в маловлажных грунтах |
Растворы марки 25 и выше |
|
|
|
Портландцемент |
Пуццолановый портландцемент |
|
|
|
Пластифицированный и гидрофобный портландцемент |
Цемент для строительных растворов |
|
|
|
Шлакопортландцемент |
Известково-шлаковые вяжущие |
||
|
Растворы марки 10 |
|
|
|
|
Известь гидравлическая |
Известковопуццолановые и известково-зольные вяжущие |
|
|
|
Известково-шлаковые вяжущие |
|
|
|
|
Цемент для строительных растворов |
|
|
|
|
Надземные конструкции при относительной влажности воздуха помещений более 60% и фундаменты, возводимые во влажных грунтах |
Растворы марки 25 в выше Пуццолановый портландцемент Шлакопортландцемент |
Цемент для строительных растворов |
|
|
Пластифицированный и гидрофобный портландцемент |
|
|
|
|
Портландцемент |
|
||
|
Растворы марки 10 я выше Цемент для строительных растворов |
|
|
|
|
Известково-пуццолановые и известково-зольные вяжущие |
|
||
|
Известково-шлаковые вяжущие |
Известь гидравлическая |
|
|
|
Фундаменты при агрессивных сульфатных водах (независимо от марки растворов) |
Сульфатостойкий портландцемент |
Пуццолановый портландцемент |
|
|
Крупноблочные и крупнопанельные бетонные и каменные стены (монтаж) |
Растворы марки 25 к выше |
|
|
|
Портландцемент |
Шлакопортландцемент |
|
|
|
Пластифицированный и гидрофобный портландцемент |
Пуццолановый портландцемент |
|
|
|
Марка вяжущего |
Объемная дозировка для растворов марок |
|||||||||
|
200 |
150 |
100 |
75 |
50 |
25 |
10 |
4 |
|||
|
Состав цементно-известковых растворов для надземных конструкций цемент: известь: песок) при относительной влажности воздуха помещений до 60 % и для фундаментов в маловлажных грунтах |
||||||||||
|
500 |
1:0,2:3 |
1:0,3:4 |
1:0,5:5,5 |
1:0,8:7 |
|
|
|
|
||
|
400 |
1:0,1:2,5 |
1:0,2:3 |
1:0,4:4,5 |
1:0,5:5,5 |
1:0,9:8 |
|
|
|
||
|
300 |
|
1:0,1:2,5 |
1:0,2:3,5 |
1:0,3:4 |
1:0,6:6 |
1:1,4:10,5 |
|
|
||
|
200 |
|
|
|
1:0,1:2,5 |
1.0,3:4 |
1:0,8:7 |
|
|
||
|
150 |
|
|
|
|
|
10:,3:4 |
1:1,25,5 |
|
||
|
100 |
|
|
|
|
|
1.0,1:2 |
1:0,5:5 |
|
||
|
50 |
|
|
|
|
|
|
1:0,1:2,5 |
1:0,7:6 |
||
|
25 |
|
|
|
|
|
|
|
1:0,2:3 |
||
|
Состав цементно-известковых и цементно-глинистых растворов для надземных конструкций цемент: известь: песок или глина) при относительной влажности воздуха помещений до 60 % и для фундаментов в маловлажных грунтах |
||||||||||
|
500 |
1:0,2:3 |
1:0,3:4 |
1:0,5:5,5 |
1:0,8:7 |
|
|
|
|
||
|
400 |
1:0,1? 1 |
1:0,2:3 |
1:0,4:4,5 |
1:0,5:5,5 |
1:0,9:8 |
|
|
|
||
|
300 |
|
1:0,1:2,5 |
1:0,2:3,5 |
1:0,3:4 |
1.0,6:6 |
1:1:10,5 |
|
|
||
|
|
|
|
|
|
|
1:15 |
|
|
||
|
200 |
|
|
|
1:0,1:2,5 |
1:0,3:4 |
1:0,8:7 |
|
|
||
|
150 |
|
|
|
|
|
1:0,3:4 |
1:1:9 |
|
||
|
|
|
|
|
|
|
|
1:0,8:7 |
|
||
|
100 |
|
|
|
|
|
1:0,1:2 |
1:0,5:5 |
|
||
|
Состав цементных растворов для фундаментов и других конструкций (цемент: известь : песок), расположенных в водонасыщенных грунтах и ниже уровня грунтовых вод |
||||||||||
|
500 |
1:0:3 |
1:0:4 |
1:0:5,5 |
1:0:6 |
|
|
|
|
||
|
400 |
1:0:2,5 |
1:0:3 |
1:0:4,5 |
1:0:5,5 |
|
|
|
|
||
|
300 |
|
1:0:2,5 |
1:0:3 |
1:0:4 |
1:0:6 |
|
|
|
||
|
200 |
|
|
|
1:0:2,5 |
1:0:4 |
|
|
|
||
|
Противоморозные добавки |
Среднесуточная температура наружного воздуха, °С |
Количество противоморозной добавки, % массы цемента |
Ожидаемая прочность раствора, % от массы при твердении на морозе, сут. |
||
|
7 |
28 |
90 |
|||
|
1. Нитрит натрия (НН) |
От 0 до –2 |
2-3 |
15 |
50 |
70 |
|
от –3 до –5 |
4-5 |
10 |
40 |
55 |
|
|
от –6 до –15 |
8-10 |
5 |
30 |
40 |
|
|
до-5 |
5 |
25 |
60 |
80 |
|
|
2. Поташ (П) |
От -6 до -15 |
10 |
20 |
50 |
65 |
|
|
От -16 до -30 |
12 |
10 |
35 |
50 |
|
3. Нитрит натрия |
От 0 до -2 |
1,5+1,5 |
25 |
60 |
80 |
|
+ поташ |
От -3 до -5 |
2,5 + 2,5 |
20 |
55 |
75 |
|
(НН + П) |
От -6 до -15 |
5 + 5 |
15 |
40 |
60 |
|
|
От -16 до -30 |
6 + 6 |
5 |
35 |
45 |
|
4. Комплексная |
От 0 до -2 |
2-3 |
15 |
50 |
70 |
|
добавка |
От -3 до -5 |
4-5 |
10 |
30 |
50 |
|
(НКМ) |
От -6 до -20 |
8-10 |
3 |
20 |
30 |
|
5. Комплексная |
От 0 до -5 |
2 |
15 |
50 |
70 |
|
пластифицированная добавка |
От -6 до -15 |
5-6 |
10 |
30 |
50 |
|
(НН + ПАЩ-1) |
|
|
|
|
|
|
(НК + ПАЩ-1) |
|
|
|
|
|
|
6. Хлорид натрия |
От 0 до -5 |
2 + 0,5 |
30 |
80 |
100 |
|
+ хлорид кальция |
От -6 до -15 |
4 + 2 |
15 |
35 |
50 |
|
(ХН + ХК) |
|
|
|
|
|
|
7. ННХК + М |
От -3 до -5 |
5 |
30 |
55 |
85 |
|
(готовый |
От -6 до -15 |
10 |
20 |
40 |
50 |
|
продукт + мочевина)- |
От -16 до -30 |
12 |
5 |
20 |
30 |
|
Примечание: НКМ – соединение нитрата кальция (НК) с мочевиной (М) ПАЩ-1 – пластификатор адипиновой ННХК - нитрит-нитрат - хлорид кальция |
|||||
|
|
Охрана природы. Почвы. Требования к охране плодородного слоя почвы при производстве земляных работ. |
|
Охрана природы. Земли. Общие требования к рекультивации земель. |
|
|
3. ГОСТ 103-76* |
Полоса стальная горячекатаная. Сортамент. |
|
4. ГОСТ 5686-94 |
Грунты. Методы полевых испытаний сваями. |
|
5. ГОСТ 5802-86 |
Растворы строительные. Методы испытаний. |
|
6. ГОСТ 7473-94 |
Смеси бетонные. Технические условия. |
|
7. ГОСТ 8736-93 |
Песок для строительных работ. Технические условия. |
|
Бетоны. Методы определения прочности по контрольным образцам. |
|
|
Арматурные и закладные изделия сварные, соединения сварные арматуры и закладных изделий железобетонных конструкций Общие технические условия. |
|
|
10. ГОСТ 14098-91 |
Соединения сварные арматуры и закладных изделий железобетонных конструкций. Типы, конструкции и размеры. |
|
11. ГОСТ 18105-86* |
Бетоны. Правила контроля прочности. |
|
12. ГОСТ 22268-76 |
Геодезия. Термины и определения. |
|
13. ГОСТ 22690-88 |
Бетоны. Определение прочности механическими методами неразрушающего контроля. |
|
14. ГОСТ 23478-79 |
Опалубка для возведения монолитных бетонных и железобетонных конструкций. Классификация и общие технические требования. |
|
15. ГОСТ 23858-79 |
Соединения сварные стыковые и тавровые арматуры железобетонных конструкций. Ультразвуковые методы контроля качества. Правила приемки. |
|
16. ГОСТ 24297-87 |
Входной контроль продукции. Основные положения. |
|
17. ГОСТ 24846-81 |
Грунты. Методы измерения деформаций зданий и сооружений. |
|
18. СНиП 1.06.05-85 |
Положение об авторском надзоре проектных организаций за строительством предприятий, зданий и сооружений. |
|
19. СНиП 3.01.01-85* |
Организация строительного производства. |
|
20. СНиП 3.01.03-84 |
Геодезические работы в строительстве. |
|
21. СНиП 3.01.04-87 |
Приемка в эксплуатацию законченных строительством объектов. Основные положения. |
|
22. СНиП 3.02.01-87 |
Земляные сооружения, основания и фундаменты. |
|
23. СНиП 3.03.01-87 |
Несущие и ограждающие конструкции. |
|
24. СНиП 3.04.01-87 |
Изоляционные и отделочные покрытия. |
|
25. СНиП 3.05.04-85 * |
Наружные сети и сооружения водоснабжения и канализации. |
|
26. СНиП 3.06.03-85 |
Автомобильные дороги. |
|
27. СНиП 3.07.03-85 * |
Мелиоративные системы и сооружения (изд. 1995 г.). |
|
28. СНиП 3.08.01-85 |
Механизация строительного производства. Рельсовые пути башенных кранов. |
|
29. СНиП II-7-81* |
Строительство в сейсмических районах (изд.1995 г.). |
|
30. СНиП III-4-80* |
Техника безопасности в строительстве (изд.1989 г.). |
|
31. СНиП III-10-75 |
Благоустройство территории. |
|
32. ВСН 490-87 (Минмонтажспецстрой СССР) |
Проектирование и устройство свайных фундаментов и шпунтовых ограждений в условиях реконструкции промышленных предприятий и городской застройки. |
1. В настоящем разделе рассматривается порядок осуществления контроля качества и приемки земляных работ, выполняемых при водопонижении (искусственном понижении уровня подземных вод применением водоотлива, дренажа, иглофильтровых установок на вновь строящихся или реконструируемых объектах), уплотнении грунтов различными способами (поверхностном, устройством грунтовых подушек, вытрамбовыванием котлованов под фундаменты, предварительным замачиванием, виброуплотнением), закреплении грунтов различными способами (силикатизацией и смолизацией, цементацией, буросмесительным и термическим) и замораживании грунтов в соответствии с требованиями СНиП 3.02.01-87.
2. Выполнение работ по уплотнению, закреплению и замораживанию грунтов допускается только по специально разработанным проектам.
1. До начала работ по водопонижению необходимо обследовать техническое состояние зданий и сооружений, находящихся в зоне работ, а также уточнить расположение существующих подземных коммуникаций.
2. При применении водоотлива из выемок фильтрующие откосы и дно, при необходимости, следует пригружать слоем песчано-гравийного материала, толщина которого назначается в проекте.
3. Бурение водопонизительных скважин и установка в них фильтров выполняется с соблюдением следующих требований:
низ обсадной трубы при бурении скважин ударно-канатным способом должен опережать уровень разрабатываемого забоя не менее, чем на 0,5 м;
- перед опусканием фильтров и извлечением обсадных труб скважины должны быть очищены от бурового шлама, контрольный замер скважины следует производить непосредственно перед установкой фильтра.
4. Монтаж насосов в скважинах следует производить после проверки скважин на проходимость шаблоном диаметром, превышающим диаметр насоса.
5. При эксплуатации водопонизительных систем в зимнее время должно быть обеспечено утепление насосного оборудования и коммуникаций, а также предусмотрена возможность их опорожнения при перерывах в работе.
6. При производстве работ по водопонижению состав контролируемых показателей, предельные отклонения, объем и методы контроля должны соответствовать требованиям, приведенным в табл. 1.
Таблица 1
(СНиП 3.02.01-87, таблица 5)
|
Технические требования |
Предельные отклонения |
Контроль (метод и объем) |
|
1. Отклонение от вертикали при бурении водопонизительных скважин под установку глубинных насосов с трансмиссионным валом |
Не более 0,5 %Н (H- глубина скважины на уровне замера) |
Измерительный, каждая скважина |
|
2. Уклон трубопроводов иглофильтровых установок: |
Не менее: |
То же, 1/3 всех трубопроводов |
|
всасывающих |
0,005 от насоса |
|
|
напорных распределительных |
0,001 от насоса |
|
|
водосборных |
0,005 в сторону циркуляционного бака |
|
|
3. Контроль за положением статического и динамического уровней воды |
По проекту |
Измерительный, по показаниям приборов, ежедневно |
|
4. Контроль за состоянием откосов и дна котлованов и траншей• |
Не допускается сосредоточенная фильтрация, вынос грунта и оплывание откосов |
Визуальные наблюдения, ежедневно |
|
5. Контроль за осадкой зданий и сооружений |
Осадки не должны превышать величин, установленных СНиП 2.02.01-83 |
Нивелирование по маркам, установленным на здании, сооружении |
1. Работам по уплотнению грунтов и устройству грунтовых подушек должно предшествовать опытное (пробное) уплотнение, в ходе которого должны быть установлены технологические параметры (толщина слоев отсыпки, оптимальная влажность, число проходов уплотняющих машин и другие, указанные в проекте) и контрольные величины показателей качества (понижение отметок уплотняемой поверхности, осадки марок и др.).
2. Поверхностное уплотнение грунтов трамбованием следует выполнять с соблюдением следующих требований:
- при различной глубине заложения фундаментов уплотнение грунта следует производить, начиная с более высоких отметок;
- по окончании поверхностного уплотнения верхний недоуплотненный слой грунта необходимо доуплотнить по указанию проекта;
- уплотнение грунта трамбованием в зимнее время допускается при немерзлом состоянии грунта и естественной влажности (необходимая глубина уплотнения при влажности грунта ниже оптимальной достигается увеличением веса, диаметра или высоты сбрасывания трамбовки);
- контрольное определение отказа производится двумя ударами трамбовки при сбрасывании ее с высоты, принятой при производстве работ, но не менее 6 м (уплотнение признается удовлетворительным, если понижение уплотняемой поверхности под действием двух ударов не превышает величины, установленной при опытном уплотнении).
3.. Устройство грунтовых подушек следует производить с соблюдением следующих требований:
- грунт для устройства грунтовой подушки должен уплотняться при оптимальной влажности;
- отсыпку каждого последующего слоя надлежит производить только после проверки качества уплотнения и получения проектной плотности по предыдущему слою;
- устройство грунтовых подушек в зимнее время допускается из талых грунтов с содержанием мерзлых комьев размером не более 15 см и не более 15 % общего объема при среднесуточной температуре воздуха не ниже - 10°С(в случае понижения температуры или перерывов в работе подготовленные, но не уплотненные участки котлована
- должны укрываться теплоизоляционными материалами или рыхлым сухим грунтом).
Отсыпка грунта на промороженный слой допускается как исключение при толщине мерзлого слоя не более 0,4 м, когда влажность отсыпаемого грунта не превышает 0,9 влажности на границе раскатывания (в противном случае промороженный грунт должен быть удален).
4. Вытрамбовывание котлованов под фундаменты следует выполнять с соблюдением следующих требований:
- вытрамбовывание котлована под отдельно стоящие фундаменты надлежит выполнять сразу на всю глубину котлована без изменения направляющей штанги трамбующего механизма;
- доувлажнение грунта в необходимых случаях следует производить от отметки дна котлована на глубину не менее полуторной ширины котлована;
- утрамбовывание в дно котлована жесткого материала для создания уширенного основания следует производить сразу же после вытрамбовывания котлована;
- фундаменты, как правило, устраиваются сразу же после приемки вытрамбованных котлованов (максимальный перерыв между вытрамбовыванием и бетонированием - одни сутки, при этом толщина дефектного - промороженного, размокшего и т. п. слоя на стенах и дне котлована не должна превышать 3 см);
- бетонирование фундамента следует производить враспор;
- вытрамбовывание котлованов в зимнее время следует производить при талом состоянии грунта (промерзание грунта с поверхности допускается на глубину не более 20 см);
- при массе трамбовок 3 т и выше запрещается вытрамбовывать котлованы на расстояниях менее: 10 м – от эксплуатируемых зданий и сооружений, не имеющих деформаций, 15 м - от зданий и сооружений, имеющих трещины в стенах, а также от инженерных коммуникаций, выполненных из чугунных, железобетонных, керамических, асбестоцементных и пластмассовых труб; при массе трамбовок менее 3 т указанные расстояния могут быть уменьшены в 1,5 раза.
5. Уплотнение грунтов предварительным замачиванием следует выполнять с соблюдением требований:
- замачивание надлежит выполнять путем затопления котлована водой с поддержанием глубины воды 0,3-0,5 м и продолжать до тех пор, пока не будут достигнуты промачивание до проектной влажности всей толщи просадочных грунтов и условная стабилизация просадки, за которую принимается просадка менее 1 см в неделю;
- в процессе предварительного замачивания необходимо вести систематические наблюдения за осадкой поверхностных и глубинных марок, а также расходом воды; нивелирование марок необходимо производить не реже одного раза в 5-7 дн.;
- фактическую глубину замачивания следует устанавливать по результатам определения влажности грунта через 1 м по глубине на всю просадочную толщу;
- при отрицательных температурах воздуха предварительное замачивание следует производить с сохранением дна затопляемого котлована в немерзлом состоянии и подачей воды под лед.
6. Виброуплотнение водонасыщенных песчаных грунтов следует выполнять с соблюдением требований:
- точки погружения уплотнителя должны быть размещены по треугольной сетке со сторонами до 3 м для крупного и средней крупности песков и до 2 м для мелкого песка;
- уровень подземных вод должен быть не ниже, чем 0,5 м от дна котлована;
- полный цикл уплотнения на глубину до 6 м в одной точке должен продолжаться не менее 15 мин и состоять из 4-5 чередующихся погружений и подъемов уплотнителя; при большей глубине продолжительность цикла должна быть установлена проектом.
7. При производстве работ по уплотнению грунтов естественного залегания и устройству грунтовых подушек состав контролируемых показателей, предельные отклонения, объем и методы контроля должны соответствовать требованиям, приведенным в табл. 2.
Таблица 2
(СНиП 3.02.01-87, таблица 17)
|
Технические требования |
Предельные отклонения |
Контроль (метод и объем) |
|
1. Влажность уплотняемого грунта |
В пределах, установленных проектом |
Измерительный, по указаниям проекта |
|
2. Средняя плотность уплотненного грунта по принимаемому участку при по верхностном уплотнении |
То же, не ниже проектной. Допускается снижение плотности сухого грунта на 0,05 т/м3 не более, чем в 10 % определений - |
То же, при отсутствии указаний в проекте, один пункт на 300 м2 уплотненной площади с измерениями в пределах всей уплотненной толщи через 0,25 м по глубине при толщине уплотненного слоя до 1 м и через 0,5 м при большей толщине- |
|
3. Средняя по принимаемому участку плотность сухого грунта при устройстве грунтовых подушек |
Не ниже проектной. Допускается снижение плотности на 0,05 т/м3 не более, чем в 10% определений |
То же, один пункт на каждые 300 м2 площади подушки, не менее трех измерений в каждом слое |
|
4. Требования при устройстве фундаментов в вытрамбованных котлованах: |
|
|
|
а) положение котлована относительно центра и осей фундамента |
Центра ±3 см; разворот осей ±5° |
Измерительный, каждый котлован |
|
б) глубина вытрамбованного котлована |
±5см |
|
|
в) высота сбрасывания трамбовки, общее число ударов, объем и число порций засыпаемого жесткого материала, число ударов для вытрамбовывания каждой порции |
Должны соответствовать величинам, определенным в результате опытного вытрамбовывания |
» |
|
5. Требования при уплотнении просадочных грунтов замачиванием, в том числе с применением взрыва, а также водонасыщенных грунтов временной нагрузкой с вертикальными дренами |
|
|
|
а) осадка поверхностных и глубинных марок |
Должна соответствовать проекту |
Измерительный, каждый котлован по указаниям проекта |
|
б) плотность и влажность грунта в пределах зоны уплотнения |
Должны быть не ниже проектных значений |
Измерительный, один пункт на 500 м2 площади с определением не реже, чем через 2 м по глубине в пределах всей уплотненной толщи |
|
6. Плотность песчаных грунтов при виброуплотнении |
Не ниже проектной. Допускается снижение плотности на 0,05 т/м3 не более, чем в 10 % определений |
Измерительный, одно определение на 500 м2 уплотненной толщи |
1. Закрепление грунтов всеми способами, кроме термического, следует выполнять при положительной температуре воздуха и закрепляемых грунтов.
2. Проверка правильности проектных параметров и технических условий на производстве работ по закреплению грунтов осуществляется контрольным закреплением непосредственно при производстве работ на их начальной стадии. Все скважины в закрепляемом или закрепленном массиве (разведочные, инъекционные, контрольные) после их использования по назначению обязательно подлежат ликвидации путем заполнения цементным раствором.
3. При приемке законченных работ по закреплению грунтов должно быть установлено соответствие фактически полученных результатов закрепления с требованиями проекта. Учитывая опытный характер работ, указанное соответствие устанавливается сопоставлением проектно-сметной, исполнительной и контрольной документации.
Силикатизация и смолизация
4. Инъекционные работы должны выполняться в зависимости от конкретных грунтовых условий и конструкций закрепляемого массива с соблюдением следующих правил:
- до начала основных работ при закреплении грунтов под существующими сооружениями следует производит вспомогательную цементацию зоны на контакте фундаментов и основания;
- в неоднородных по проницаемости грунтах слой с большей проницаемостью следует закреплять в первую очередь;
- при закреплении водоносных песчаных грунтов необходимо, чтобы последовательность инъекционных работ обеспечивала надежное сжатие подземной воды нагнетаемыми реагентами, защемление подземной воды в закрепляемом массиве не допускается.
5. Для предотвращения выбивания реагентов при сплошном закреплении грунтов через соседние инъекторы (скважины), одновременное погружение инъекторов в плане и нагнетание через них реагентов следует производить не менее, чем на удвоенном расстоянии, с последующим нагнетанием через пропущенные.
6 При силикатизации и смолизации грунтов, а также цементации крупнообломочных грунтов и гравелистых песков допускается оставлять в закрепленном массиве забивные инъекторы или трубы в качестве арматуры. Нагнетание реагентов в грунты следует производить под пригрузкой, в качестве которой используются залегающие над областью инъекции грунты, само сооружение или специально уложенные бетонные плиты.
Цементация
7. Для качественного закрепления трещиноватых скальных, в том числе закарстованных грунтов, должна быть обеспечена локализация нагнетаемых через скважины растворов в пределах закрепляемого массива, для чего следует соблюдать следующую последовательность работ:
- создание защитного барьера против выхода растворов за контур закрепляемого массива путем предварительной цементации через барьерные скважины, расположенные по контуру массива;
- последующая инъекция растворов внутрь контура через систему скважин, расположенных по проекту.
8. Виды, марки и качество цементов, материалов, добавок, применяемых для приготовления инъекционных растворов, устанавливаются проектом в зависимости от грунтовых условий и особенностей возводимого сооружения.
9. Цементация грунтов должна выполняться по проекту производства работ, в котором кроме общестроительных требований должны содержаться данные о длине одновременно инъекцированных зон в скважинах, последовательности обработки скважин, характеристиках применяемых материалов.
10. Цементационные растворы следует производить способом последовательного сближения скважин, начиная с максимальных расстояний, при которых гидравлическая связь между ними при нагнетании практически отсутствует.
11. Бурение и нагнетание растворов в трещиноватых скальных и закарстованных грунтах, как правило, следует производить в одну зону, сразу на всю глубину цементации. Величина зоны устанавливается проектом. Разделение скважины на зоны следует производить в следующих случаях:
- при наличии разного вида и разных размеров заполняемых растворами полостей (трещин, пустот, каналов)и применении различных заполнителей на разных глубинах центрируемой толщи грунтов;
- при наличии в скальных грунтах нескольких прослоев с трещинами или пустотами;
при больших мощностях (более 10 м) цементируемого массива.
12. Бурение скважин и нагнетание в них растворов при отсутствии напорных подземных вод допускается производить без перерывов на время твердения цементного раствора. При наличии напорных грунтовых вод необходимы перерывы на время твердения раствора. В скальных породах скважины после бурения следует промывать водой или продувать сжатым воздухом.
13. Нагнетание растворов надлежит производить до «отказа», за который следует принимать:
- поглощение скважиной (зоной) расчетного количества раствора при давлении нагнетания, не превышающем проектное;
- снижение расхода раствора до 5-10 л/мин на скважину (зону) с одновременным повышением давления нагнетания выше проектного, если величина расхода при «отказе» особо не оговорена в проекте.
14. Качество цементации контролируется различными способами в зависимости от видов грунтов:
- скальных грунтов (трещиноватых, закарстованных)- способами бурения, гидравлического опробования и цементации контрольных скважин (критерий оценки качества цементации, а также объем контрольных работ устанавливаются проектом);
- слаборастворимых скальных закарстованных грунтов- путем контрольного бурения и оценки размеров карстовых пустот по провалам бурового инструмента;
- легкорастворимых грунтов (гипсовых и др.) - определением удельного водопоглощения, устанавливаемого проектом.
Буросмесительный способ закрепления грунтов
15. Работы по закреплению илов буросмесительным способом (илоцементными сваями) следует производить буросмесительными машинами или стаканами вращательного бурения, для нагнетания цементного раствора применять растворонасосы с давлением не менее 0,7 МПа, обеспечивающие непосредственную дозированную подачу раствора.
16. Суммарное время приготовления, транспортирования и подачи цементного раствора в грунт не должно превышать времени до начала схватывания раствора.
17. При производстве работ следует контролировать и строго соблюдать установленный по результатам опытных работ и заданный проектом технологический режим: частоту вращения и линейную скорость перемещения рабочего органа, последовательность нагнетания цементного раствора, число проходов рабочего органа и расход раствора.
Термическое закрепление
18. Для проверки соответствия грунтовых условий данным инженерно-технических изысканий и проекта в процессе бурения технологических скважин следует производить отбор образцов закрепляемых грунтов и соответствующие лабораторные определения их характеристик.
19. Началу работ по обжигу грунтов в скважинах должно предшествовать испытание газопропускной способности скважин. При выявлении слоев с низкой газопроницаемостью следует принимать меры по выравниванию газопропускной способности скважины путем отсечения и продувки таких слоев или путем увеличения поверхности фильтрации части скважины.
20. В процессе обжига должна поддерживаться максимальная температура газов, не вызывающая оплавления грунтов в стенах скважины. Давление и температура газов должны регистрироваться в журнале работ.
21. Образование массива следует считать законченным, если установленные в расчетном контуре термопары зафиксировали достижение заданной расчетной температуры, но не менее 350 оС.
22. Качество термического закрепления грунтов надлежит контролировать по результатам лабораторных испытаний на прочность, деформируемость и водостойкость образцов закрепленных грунтов, отбираемых из контрольных скважин. При этом учитываются зафиксированные в рабочих журналах данные о температуре и давлении газов в скважинах в процессе термообработки грунтов. При необходимости, определяемой проектом, прочностные и деформационные характеристики закрепленных грунтов определяются полевыми методами.
23. При производстве работ по закреплению грунтов состав контролируемых показателей, предельные отклонения, объем и методы контроля должны соответствовать требованиям, приведенным в табл. 3.
(СНиП 3.02.01-87. таблица 21)
|
Технические требования |
|
Предельные отклонения |
Контроль (метод и объем) |
|
1. Проверка правильности проектных (расчетных) параметров и технических условий на производство работ путем контрольного закрепления |
|
По проекту. Предельные отклонения измеряемых величин не более минус 10 |
Измерительный и визуальный, по указаниям проекта. При отсутствии указаний - в количестве 3 % от числа инъекторов или технологических скважин и одним шурфом с отбором проб и лабораторным определением характеристик грунтов |
|
2. Характеристики исходных рабочих материалов |
По проекту Отклонения – не более 3% |
Измерительный, по указаниям проекта |
|
|
3. Давление и расход рабочих материалов |
То же. не более 5 % |
То же |
|
|
4. Показатели качества закрепленного грунтового массива (сплошность и однородность закрепления, форма и размеры закрепленного массива, прочностные и деформационные характеристики грунтов) |
Должны соответствовать проекту |
Измерительный , по указаниям проекта. При отсутствии указаний - контрольными скважинами в количестве 3 % действующих инъекторов или шурфами из расчета один на 3 тыс. м3 закрепленного грунта, но не менее двух на объект |
|
|
5. Линейные отклонения при разбивке мест размещения инъекторов или скважин в плане |
По проекту, но не более 3 % измеряемого расстояния между точками разбивки |
Измерительный, не реже, чем через каждые 10 точек разбивки |
|
|
6. Линейные отклонения инъекторов и скважин от проектного отклонения: |
|
Измерительный, через каждые 5 м скважины |
|
|
а) при глубине до 5 м |
1 % глубины |
|
|
|
б) при большей глубине |
0,5 % глубины |
|
|
|
7. Температура жидких реагентов при нагнетании - |
Не ниже 5оС |
Измерительный, ежесменно |
|
|
8. Время гелеобразования для однорастворной двухкомпонентной силикатизации и смолизации |
Не более ±20% |
Измерительный, на каждой заходке |
|
|
9. Показатели качества инъекционных растворов при цементации |
По проекту |
То же |
|
|
10. Показатели качества цементации скальных грунтов |
» |
Измерительный и визуальный (по указанию проекта) |
|
|
11. Несущая способность илоцементных свай |
По проекту |
Измерительный, по указанию проекта Измерительный, по указанию проекта не ранее 28 суток после устройства сваи. При отсутствии указаний - в количестве 1 % общего числа свай на объект |
|
|
12. Технологический режим закрепления илов - буросмесительным способом |
|
По проекту и результатам опытных работ |
Измерительный и визуальный |
|
13. Температура и давление газов в скважине при термическом закреплении грунтов - |
По проекту |
Измерительный, непрерывно |
|
|
14. Прочность, деформативность и водостойкость грунта в массиве,- закрепленного термическим способом |
Не ниже установленных проектом |
Измерительный, каждый закрепленный массив |
|
1. Замораживающие колонки следует погружать сразу после окончания бурения и вводить их в эксплуатацию в период до 5 суток.
2. В процессе замораживания водоносных пластов, заключенных между глинистыми прослойками, следует постоянно контролировать обеспечение свободного подъема подземной воды через разгрузочные скважины.
3. В период эксплуатации замораживающих систем следует регистрировать температуру холодоносителя, уровень воды в гидрологических наблюдательных скважинах и другие параметры.
4. Производство СМР в пределах ледогрунтового ограждения разрешается при постоянном контроле за его состоянием.
5. Извлечение замораживающих колонок и демонтаж холодильного оборудования следует производить после окончания всех работ, выполнение которых было намечено произвести под защитой ледогрунтового ограждения. Скважины в процессе извлечения из них замораживающих колонок должны тампонироваться с регистрацией в журнале работ. Порядок извлечения колонок должен быть определен проектом. Искусственное оттаивание грунтов следует производить в тех случаях, когда оно предусмотрено проектом.
6. При производстве работ по искусственному замораживанию грунтов состав контролируемых показателей, предельные отклонения, объем и методы контроля должны соответствовать требованиям, приведенным в табл. 4.
Таблица 4
(СНиП 3.02.01-87, таблица 22)
|
Технические требования |
Предельные отклонения |
Контроль (метод и объем) |
|
1. Линейные отклонения от заданного направления замораживающих скважин: |
|
Измерительный, через каждые 30 м |
|
а) для вертикальных скважин |
Не более 1 % глубины |
|
|
б) для наклонных скважин |
Не более 2 % длины |
|
|
2. Отклонения от расположения скважин в плане |
±5 см |
Измерительный, каждая скважина |
|
3. Герметичность холодильной установки: |
|
|
|
а) давление при гидравлическом испытании стыка каждой наращиваемой трубы и башмака замораживающей колонки |
Не менее 2,5 МПа |
То же, с регистрацией в журнале |
|
б) измерение уровня залитой в колонку жидкости |
Колонка считается герметичной, если в течение трех суток уровень жидкости в ней не изменится более, чем на 3 мм |
» |
|
в) давление при испытании на герметичность сжатым воздухом после монтажа замораживающей системы в целом |
Система считается герметичной, если в течение первых 6 ч давление в ней снижается не более, чем на 10 %, а в остальное время остается постоянным |
Измерительный, наблюдением за системой под давлением воздуха 1,2 МПа для всасывающей и 1,8 МПа для нагнетательной стороны |
|
4. Температура выходящего из колонки холодоносителя при установившемся режиме работы системы |
Не более ЗºС от температуры холодоносителя, измеренной в - распределителе (на каждые 100 м глубины замораживания); к концу замораживания не более, чем на 1ºС |
То же, непрерывный |
|
5. Достижение проектных размеров и сплошности ледогрунтового ограждения |
Наличие отрицательной температуры во всех термометрических скважинах. Стабильность температуры холодоносителя |
Измерительный, каждая свая |
|
Измерительный, периодический |
1. В настоящем разделе рассматривается порядок осуществления контроля качества и приемки буровзрывных работ при разработке скальных и мерзлых грунтов, проходке выработки в скальных породах в соответствии с требованиями Единых правил безопасности при взрывных работах и СНиП 3.02.01-87, СНиП 3.02.03-84.
2. Буровзрывные работы включают несколько этапов: подготовительные работы; бурение скважин или шпуров; закладка и взрывание зарядов; проветривание; уборка взорванного скального грунта.
3. До начала буровзрывных работ должны быть выполнены:
- расчистка и планировка площадок, разбивка на местности плана или трассы сооружения;
- устройство временных подъездных дорог, организация водоотвода;
- освещение рабочих площадок в случае работы в темное время суток;
- устройство на косогорах полок-уступов для работы бурового оборудования и перемещения транспортных средств;
- перенос инженерных коммуникаций, укрытие или вывод из пределов опасной зоны механизмов и другие работы, предусмотренные рабочей документацией.
4. При выполнении буровзрывных работ проверяются:
- правильность выноса в натуру и соответствие расположения скважин, шпуров на местности проекту (схеме);
- соблюдение технологических правил бурения скважин, шпуров;
- соблюдение проектных размеров (диаметра, глубины) и вертикальности (заданного угла наклона) скважин, шпуров;
- качество взрывчатых материалов и средств взрывания;
- соответствие параметров взрывания паспорту буровзрывных работ;
- правильность определения безопасных зон для людей, зданий и сооружений;
- ведение производственно-технической документации.
5. Буровзрывные работы следует производить в соответствии с ППР, в котором необходимо предусматривать методы взрывания, порядок получения, хранения и использования взрывчатых веществ и средств взрывания.
1. Рабочая документация на буровзрывные работы в особо сложных условиях (взрывание вблизи ответственных сооружений, при устройстве выемок на косогорах крутизной свыше 20°, подводное взрывание, работы на оползне опасных склонах) должна разрабатываться в составе проекта генеральной проектной организацией или по ее заданию специализированной организацией.
2. Технологические характеристики буровых работ, методы взрывания, предусмотренные рабочей документацией или проектом производства буровзрывных работ, могут быть уточнены в ходе их выполнения, а также специальными опытными и моделирующими взрывами.
В случае необходимости внесение изменений в проектную документацию делается по согласованию с утвердившей ее организацией.
3. Качество бурения скважин, шпуров должно оцениваться по результатам проверки правильности выноса в натуру их размеров и вертикальности:
- отклонение от проектных расстояний между осями устьев скважин, шпуров не должно превышать ±50 мм;
- отклонение от оси проходки не должно быть более ±20 мм;
- отклонения скважин, шпуров от заданного направления не должны превышать 1% их глубины при вертикальном положении, 2% при наклонном положении.
4. Крупность взорванного грунта должна соответствовать требованиям проекта.
Отклонения от проектного очертания дна и бортов выемок, как правило, должны быть установлены проектом. Отклонения отметок дна выемок от проектных при разработке в скальных и вечномерзлых грунтах должны соответствовать значениям, приведенным в табл. 1.
Таблица 1
(СНиП 3.02.01-87, таблица 5)
|
Разновидность грунта в соответствии с ГОСТ 25100-82 и модулем трещиноватости |
Допустимые величины переборов, см, при рыхлении |
|
|
методом скважинных зарядов |
методом шпуровых зарядов |
|
|
Прочные при модуле трещиноватости менее 1,0 |
20 |
10 |
|
Прочие скальные грунты, вечномерзлые грунты |
40 |
20 |
|
Примечание. Недоборы не допускаются. |
||
5. При устройстве в скальных грунтах выемок с откосами крутизной 1:0,3 и круче, как правило, следует применять контурное взрывание.
6. Откосы профильных выемок, не подлежащие креплению, должны быть очищены от неустойчивых камней в процессе разработки каждого яруса.
7. Буровзрывные работы на строительной площадке должны быть завершены до начала основных СМР, что устанавливается в ППР.
8. При разработке скальных грунтов под водой бурение скважин надлежит производить с помощью специальных буровых установок или смонтированных на плавучих средствах буровых станков.
9. При разработке скальных грунтов в траншеях и котлованах глубиной 0,3-1,0 м под водой рыхление производить с помощью накладных-зарядов.
Для рыхления грунтов на глубину 1,0-2,0 м следует применять шпуровой метод, при высоте уступа более 2 м рыхление следует проводить колонковыми зарядами.
1. Работы должны выполняться в полном соответствии с паспортом буровзрывных работ.
2. Диаметр съемной буровой коронки, резца штанги следует принимать в соответствии с требованиями табл. 2.
Таблица 2
(СНиП 3.02.03-84, таблица 3)
|
Крепость породы, МПа (по ГОСТ 25100-95) |
Увеличение диаметра инструмента по отношению к диаметру патрона, мм |
||
|
резца штанги |
коронки |
||
|
витой |
круглой |
||
|
До 30 |
6 |
9 |
- |
|
От 30 до 90 |
6 |
7 |
7 |
|
Свыше 90 до 160 |
- |
- |
9 |
|
Свыше 160 |
- |
- |
11 |
|
Примечание. Допуск в диаметре инструмента сторону увеличения. должен быть только в сторону увеличения |
|||
3. При использовании патронированных взрывчатых веществ в выработках, не опасных по газу и пыли, коэффициенты заполнения шпуров следует принимать в соответствии с требованиями табл. 3.
Таблица 3
(СНиП 3.02.03-84, таблица 4)
|
Вид выработок, диаметр патрона, мм |
Коэффициент заполнения шпуров при прочности пород, МПа (по ГОСТ 25100-95) |
|
|
от 30 до 90 |
свыше 90 до 200 |
|
|
Вертикальные: |
|
|
|
32; 36; 40 |
От 0,4 до 0,5 |
От 0,5 до 0,65 |
|
45 |
От 0,35 до 0,45 |
От 0,45 до 0,5 |
|
Горизонтальные и наклонные: |
|
|
|
32;36 |
От 0,35 до 0,7 |
От 0,75 до 0,85 |
|
24; 28 |
От 0,3 до 0,6 |
От 0,6 до 0,85 |
|
40 |
От 0,3 до 0,5 |
От 0,5 до 0,75 |
4. Контроль за бурением шпуров должен осуществляться в процессе бурения лицами, непосредственно руководящими буровзрывными работами, и лицами, выполняющими в дальнейшем разработку взорванного грунта, с привлечением представителей геодезической службы. При этом необходимо контролировать показатели качества работ и их соответствие проектным данным или паспорту на буровзрывные работы. Результаты контроля должны быть занесены в журнал буровых работ.
5. Приемку выполненных работ по бурению шпуров осуществляет рабочая комиссия с участием заказчика, представителя организации, производящей буровзрывные работы, и организации, выполняющей разработку взорванного грунта.
6. При приемке шпуров производится их освидетельствование и контролируется:
- правильность выноса шпуров в натуру (на местности);
- глубина и диаметр шпура;
- правильность формы и объем;
- заданный угол наклона (вертикальность, горизонтальность);
- отсутствие засорения и обрушения шпура.
7. Приемка буровзрывных работ производится на основе их освидетельствования в натуре, а также проверки следующей производственно-технической документации:
- паспорта буровзрывных работ;
- исполнительного геологического разреза.
8. В процессе разработки скальных грунтов должны контролироваться размеры поперечного сечения выработок.
Увеличение размера сечения не должно превышать величин, приведенных в разделе «Возведение подземных сооружений» (табл. 1 - проходка вертикальных выработок, табл. 2 - проходка горизонтальных выработок), часть II, настоящего Руководства.
1. Правила настоящего раздела должны соблюдаться при контроле качества и приемке работ по возведению земляного полотна под покрытия постоянных и временных автомобильных дорог в соответствии с требованиями СНиП 3.06.03-85.
2. До начала возведения земляного полотна должны быть выполнены подготовительные работы в соответствии с указаниями, изложенными в разделе «Подготовительные работы», часть I, настоящего Руководства.
3. В ходе возведения земляного полотна и строительства грунтовых дорог контролируются следующие строительные процессы:
- разработка выемок;
- возведение насыпей;
- устройство дополнительных слоев основания и прослоек;
- планировка и укрепление откосов выемок и насыпей.
4. Работы по возведению земляного полотна следует вести с соблюдением требований, изложенных в разделе «Земляные работы», часть I, настоящего Руководства.
5. Процесс возведения земляного полотна должен быть организован, как правило, без разрывов, за исключением участков с особыми грунтовыми условиями.
6. Земляное полотно, кроме случаев строительства на спланированных территориях промышленных и сельскохозяйственных предприятий, следует возводить с опережением последующих работ (с заделом), величина которого должна определяться ПОС и обеспечивать непрерывное и равномерное устройство дорожных оснований и покрытий.
На участках задела земляное полотно должно быть выполнено до проектной отметки, поверхность его, включая откосы, спланирована, откосы укреплены, обеспечена надежная работа водоотводных сооружений.
7. Насыпи высотой более 3 м из пылеватых и тяжелых глинистых грунтов должны быть закончены, как правило ,за год до устройства асфальто- и цементно-бетонных покрытий, а также оснований и покрытий, устраиваемых с применением вязких битумов и цементов.
При строительстве насыпей на слабых основаниях, использовании в земляном полотне мерзлых, переувлажненных или заторфованных грунтов, а также при возведении земляного полотна полностью в зимнее время до устройства покрытий и оснований, перечисленных в п. 7, должен быть установлен технологический перерыв для стабилизации земляного полотна.
8. Во время технологического перерыва допускается движение построечного транспорта. После окончания перерыва поверхность земляного полотна должна быть спланирована и при необходимости произведены досыпка и уплотнение.
9. При строительстве дорог необходимо принимать меры по охране природной среды. Технологические решения должны предусматривать недопущение причинения ущерба окружающей природной среде. Не допускается повреждение дерново-растительного покрова за пределами территорий, отведенных для строительства дороги.
1. При разбивке земляного полотна должны быть вынесены в натуру и закреплены все пикеты и плюсовые точки, вершины углов поворотов, главные и промежуточные точки кривых и установлены дополнительные реперы у высоких (свыше 3 м) насыпей и глубоких (более 3 м) выемок, вблизи искусственных сооружений, через 500 м на пересеченной местности. Разбивочные знаки дублируются за пределами полосы производства работ.
Рабочая разбивка контуров насыпей и выемок, высотных отметок, линий уклонов поверхности откосов и т. д. производится от установленных пикетов и реперов не реже, чем через 50 м на прямых и 10-20 м на кривых непосредственно перед выполнением соответствующих технологических операций.
2. Плодородный грунт должен быть снят на установленную проектом толщину со всей поверхности, занимаемой земляным полотном, резервами и другими сооружениями, и сложен в валы вдоль границ дорожной полосы или в штабели в специально отведенных местах.
3. При расчистке дорожной полосы допускается оставлять пни высотой не более 10 см в основании насыпей высотой не менее 1,5 м при устройстве одежд с усовершенствованными облегченными типами покрытий. Отходы расчистки должны быть вывезены до начала земляных работ или захоронены, сожжены в специально отведенных местах. Не допускается оставлять отходы расчистки на границе полосы отвода.
4. Работы по устройству нагорных канав, валов, водосборных колодцев и других сооружений, предназначенных для перехвата и отвода от дорожной полосы ливневых, паводковых и талых вод, необходимо выполнять до начала основных работ по сооружению земляного полотна. Строительство водоотводных сооружений следует выполнять, начиная с пониженных мест рельефа.
5. Работы по устройству дренажей и прокладке различных коммуникаций в основании земляного полотна следует выполнять, как правило, до начала возведения насыпей.
6. Поверхность основания насыпей должна быть полностью освобождена от камней и комьев, диаметр которых превышает 2/3 толщины устраиваемого слоя, а также от посторонних предметов. Поверхность основания должна быть выровнена. Недренирующим грунтам поверхности придается двускатный или односкатный поперечный уклон. Ямы, траншеи, котлованы и другие местные понижения, в которых может застаиваться вода, в процессе выравнивания поверхности засыпаются недренирующим грунтом с его уплотнением.
7. Уплотнение основания насыпей и выемок на требуемую глубину следует выполнять непосредственно перед устройством вышележащих слоев. Если требуемая глубина уплотнения превышает толщину слоя, эффективно уплотняемого имеющимися средствами, излишний слой грунта снимают, перемещают на другую захватку или во временный кавальер и уплотняют нижний слой, затем удаленный грунт возвращают на уплотненный нижний слой основания и уплотняют до требуемой плотности.
8. При уширении существующих насыпей в процессе реконструкции дороги поверхность откосов должна быть разрыхлена, на откосах насыпей высотой более 2 м устроены уступы шириной не менее 2 м.
1. При разработке выемок и возведении насыпей в состав основных контролируемых параметров входят:
- плотность слоев земляного полотна;
- высотные отметки продольного профиля;
- расстояния между осью и бровкой земляного полотна;
- поперечные уклоны, крутизна откосов.
2. Разработку выемок и резервов следует начинать, как правило, с пониженных мест рельефа.
Разработку выемок и отсыпку насыпей на косогорах круче 1: 3 или оползневых склонах допускается производить только после строительства специальных защитных сооружений.
3. Использование в одном слое насыпи разных видов грунтов не допускается, за исключением случаев, когда такое решение специально предусмотрено проектом.
4. Отсыпку грунта в насыпь следует производить от краев к середине слоями на всю ширину земляного полотна, включая откосные части. Последующая подсыпка краевых или откосных частей не допускается.
В случае, когда не предусмотрено уплотнение откосов специальными средствами, допускается, в целях уплотнения грунта в краевых частях, прилегающих к откосу, отсыпать слой на 0,3-0,5 м шире проектного очертания насыпи. Уширение не требуется при устройстве насыпей из крупнообломочных и песчаных грунтов и при высоте насыпи менее 2,0 м с откосами 1:2 и положе.
5. Уплотнение грунта в стесненных условиях при засыпке водопропускных труб, опор и в конусах мостов следует производить с применением специальных уплотняющих средств виброударного или ударного действия. Не допускается уплотнение трамбующими плитами на расстоянии менее 3 м от искусственных сооружений и при высоте засыпки над трубой менее 2 м.
Разрешается у труб производить отсыпку и послойное уплотнение грунта продольными (по отношению к трубе)
проходами бульдозера и катков. При этом отсыпку и уплотнение грунта следует вести с обеих сторон трубы слоями одинаковой толщины.
6. Уплотнение рыхлых глинистых грунтов следует, как правило, начинать кулачковыми, решетчатыми катками или катками на пневматических шинах с неполной балластной нагрузкой (массой 10-16 т) и заканчивать - катками на пневматических шинах массой 25 т и более или самоходными вибрационными катками массой 16 т и более.
7. Уплотнение грунтов следует производить при влажности, близкой к оптимальной. Влажность грунтов, уплотняемых катками на пневматических шинах, не должна выходить за пределы оптимальных значений, приведенных в табл. 1.
Таблица 1
(СНиП 3.06.03-85, таблица 1)
|
Вид грунта |
Влажность при требуемом коэффициенте уплотнения |
||
|
1-0,98 |
0,95 |
0,90 |
|
|
Пески пылеватые, супеси легкие, крупные |
Не более 1,35 |
Не более 1,6 |
Не нормируется |
|
Супеси легкие и пылеватые |
0,8-1,25 |
0,75-1,35 |
0,7-1,6 |
|
Супеси тяжелые и пылеватые и суглинки легкие и легкие пылеватые |
0,85-1,15 |
0,8-1,2 |
0,75-1,4 |
|
Суглинки тяжелые и тяжелые пылеватые, глины |
0,95-1,05 |
0,9-1,1 |
0,85-1,2 |
8. При влажности менее оптимальной следует увеличивать число проходов катка или увлажнять грунт.
При уплотнении песчаных грунтов виброкатками следует проверять возможность достижения требуемой плотности при их естественной влажности.
9. При использовании грунтов, имеющих влажность более допустимых значений, следует предусматривать просушивание грунта следующими способами: естественным, введением песка, сухого малосвязного грунта, шлаков, неактивных зол, укладываемых в виде дренирующих слоев или водопоглощающих прослоек, а также активных добавок(известь, зоны уноса, гипс и др.), применяемых для осушения глинистых грунтов в основании и верхней части земляного полотна.
10. Уплотнение просадочных и полупросадочных грунтов на проектную глубину следует производить трамбованием с последующей укаткой.
11. При использовании в качестве материала для возведения земляного полотна отходов горно-рудной, угледобывающей промышленности, зол, ишаков, строительных и бытовых отходов уплотнение их следует осуществлять, как правило, тяжелыми вибрационными или решетчатыми катками и трамбующими машинами.
При применении пылеобразующих отходов необходимо при производстве работ принимать меры по обеспылеванию (полив водой или закрепляющими растворами). Перед уплотнением горелые породы должны быть нейтрализованы поливом водой и выдерживанием в течение суток.
12. В зимний период разрешается выполнять:
- разработку выемок и резервов в необводненных песках, гравийно-галечных и скальных грунтах, а также в глинистых грунтах глубиной более 3 м при влажности в пределах, указанных в табл. 1;
- возведение насыпи из сосредоточенных резервов, а также из песчаных грунтов на болотах;
- выторфовывание;
укрепление откосов насыпей регуляционных сооружений каменной отсыпкой, бетонными плитами и т. п.;
устройство глубоких дренажных прорезей.
13. Для возведения насыпи в зимнее время применяют без ограничений скальные, крупнообломочные грунты и пески (непылеватые). Применение глинистых грунтов и пылеватых песков допускается при влажности не более оптимальной.
14. Основание под насыпь должно быть подготовлено в летнее время, а перед началом возведения насыпи тщательно очищено от снега и льда. При возведении насыпи на сильнопучинистых грунтах в районах с глубиной промерзания более 1,5 м слои (1,2-1,5 м) следует устраивать до наступления устойчивых отрицательных температур воздуха.
15. Размер мерзлых комьев при возведении насыпей не должен превышать 30 см при уплотнении грунтов решетчатыми катками или трамбующими машинами и 15 см при уплотнении грунтов вибрационными катками или на пневматических шинах. Общее количество мерзлого фунта недолжно превышать 30% общего объема при уплотнении трамбованием и 20 % - при уплотнении укаткой. Мерзлый грунт должен равномерно распределяться в теле насыпи. Мерзлые комья грунта допускается укладывать на расстоянии не ближе 1 м от поверхности откосов. Уплотнение грунтов до требуемой плотности следует производить до их замерзания.
16. Высоту насыпи, возводимой в зимнее время из глинистых и песчаных грунтов с включением мерзлых комьев, необходимо увеличивать на 3% от толщины слоя зимней отсыпки.
17. В районах вечной мерзлоты при возведении земляного полотна, запроектированного по принципу эксплуатации дороги в мерзлом состоянии, следует производить отсыпку насыпи после промерзания сезонно оттаивающего слоя не менее, чем на 30 см. Ускорение промерзания достигается очисткой дорожной полосы от снега без нарушения мохорастительного покрова. Толщина слоя насыпи по промерзшему основанию должна быть не меньше глубины его сезонного оттаивания. Верхнюю часть насыпи следует отсыпать в теплое время года из немерзлых грунтов. По основанию насыпи следует укладывать хворостяную выстилку из древесных отходов, образовавшихся при расчистке дорожной полосы.
18. При возведении земляного полотна, запроектированного по принципу эксплуатации дороги в оттаивающем состоянии, отсыпку насыпи разрешается производить в любое время года (летом по способу «от себя») с сохранением мохорастительного покрова.
19. Насыпи на льдонасыщенных косогорах круче 1:10 следует возводить зимой отсыпкой из привозных грунтов по способу «от себя» на полный профиль.
20. Работы по обеспечению мерзлого состояния льдонасыщенных грунтов в основании насыпи и предотвращению развития термокарстовых явлений (укладка в основание насыпи слоя из естественных и искусственных теплоизоляторов, отсылка берм из мха и торфа, теплоизоляция откосов насыпи и др.) следует выполнять в зимнее время. Материал для теплоизоляции должен быть заготовлен заблаговременно и доставлен к месту работы в зимний период.
21. На участках действующей наледи и в местах ее возможного возникновения земляное полотно необходимо возводить, как правило, из привозных дренирующих или крупнообломочных грунтов. При использовании глинистых грунтов насыпь отсыпают сначала на неполную высоту и ширину, а затем производят досыпку насыпи и засыпку откосов дренирующим грунтом, толщина слоя которого должна быть не менее 0,5 м.
Если насыпь сооружают из глинистых грунтов на полную высоту и ширину, то со стороны формирования наледи следует устраивать берму из дренирующего грунта не менее 2 м и высотой не менее расчетной мощности наледи.
22. Разработку выемок в льдонасыщенных грунтах следует выполнять, как правило, в зимний период с применением взрывного способа или тяжелых бульдозеров-рыхлителей. Предусмотренные проектом мероприятия по укреплению откосов должны выполняться до начала оттаивания грунта.
В весенне-летнее время выемки следует разрабатывать способом послойного оттаивания на глубину 15-20 см, перемещая грунт бульдозером в штабель для погрузки в транспортные средства.
23. При возведении земляного полотна на болотах I типа следует осуществлять удаление слабого грунта. Выторфовывание следует производить, как правило, в зимнее время. Насыпь с выторфовыванием следует сооружать способом «от себя» с транспортированием грунта по возводимой насыпи.
24. Возведение насыпи на болотах II и III типов необходимо выполнять методом выдавливания торфа весом насыпи. Для облегчения выдавливания следует производить рыхление торфа, осуществлять воздействие виброударной и ударной нагрузкой. Насыпь следует возводить сразу на полную расчетную высоту.
25. Устройство земляного полотна на засоленных грунтах при высоком уровне грунтовых вод необходимо производить в период, когда их влажность соответствует требованиям табл. 1.
Верхний рыхлый слой засоленного грунта и солевые корки толщиной более 3 см следует удалять с поверхности резервов и основания насыпи перед ее возведением.
Отсыпку насыпи из привозного грунта на мокрых солончаках следует вести способом «от себя».
26. Земляное полотно в песчаных пустынях следует возводить, как правило, в зимне-весенний период непрерывно. Законченные участки земляного полотна и прилегающие к ним пески необходимо сразу же укреплять. При строительстве дорог в песках, покрытых растительностью, необходимо принимать меры против ее повреждения, нарушения рельефа и разрыхления поверхности песков.
27. При возведении насыпей из крупнообломочных грунтов максимальный размер крупных включений не должен превышать 2/3 толщины уплотняемого слоя. Уплотнять крупнообломочные грунты, содержащие глинистые фракции менее 30 %, следует при влажности, не превышающей допустимые значения для легких и пылеватых супесей, а при содержании более 30% - при влажности, не превышающей допустимые значения для тяжелых супесей и легких суглинков, приведенные в табл. 1.
При уплотнении легковыветривающихся и размягчаемых крупнообломочных грунтов влажность мелких фракций должна быть не выше 1,2 оптимальной. При использовании грунтов, склонных к быстрому размоканию, во время строительства следует принимать меры по предупреждению их избыточного увлажнения от дождя или поверхностного стока, перекрывая водозащитными слоями.
1. Бетонные смеси с легкими заполнителями следует укладывать на подготовленное земляное полотно. Температура смеси при укладке должна быть не ниже 5°С. Поперечные и продольные швы следует устраивать путем вставки реек или нарезать в свежеуложенном бетоне. Движение построечного транспорта по слою разрешается только после достижения прочности материала не менее 70 % проектной.
2. Теплоизоляционные плиточные материалы (пенопласт и др.) следует укладывать с обеспечением равномерного опирания плит на поверхность земляного полотна.
При двух- и трехъярусном теплоизолирующем слое швы нижележащего ряда плит необходимо перекрывать вышележащими плитами.
Первый над плитами слой дорожной одежды следует отсыпать на толщину не менее 0,25 м в плотном теле способом «от себя».
3. Дренирующие и капилляропрерывающие прослойки из нетканых синтетических материалов и гидроизолирующие прослойки из различных материалов (изол., полиэтиленовая пленка, стабилизированная 2 % канальной сажи, и др.) необходимо устраивать, начиная с низовой (по отношению к направлению стока воды) стороны.
Полотнища материала следует укладывать внахлестку с перекрытием на 0,1 м и закреплять скобами или сшивать.
Гидроизолирующий материал следует укладывать на спланированное грунтовое основание, коэффициент уплотнения которого должен быть не менее 0,95.
Передвижение транспортных средств или строительных машин непосредственно по разложенному материалу не разрешается.
Вышележащие слои следует устраивать путем надвижки материалов или грунтов способом «от себя». Минимальная толщина грунта или материала дорожной одежды, при которой допускается проезд строительных машин, должна составлять в уплотненном состоянии не менее 0,25 м.
4. При использовании изола грунт над и под прослойкой на толщину не менее 10 см не должен иметь зерен крупнее 40 мм, а содержание зерен размером 5-40 мм недолжно выходить за пределы допустимого зернового состава. Изол следует засыпать в день его укладки.
При использовании полиэтиленовой пленки грунт не должен иметь зерен крупнее 20 мм, а содержание зерен размером 5-20 мм не должно выходить за пределы допустимого зернового состава.
При укладке гидроизолирующего материала между прослойками из нетканого синтетического материала требования к крупности грунта не предъявляются.
5. При устройстве гидроизолирующей прослойки из полиэтиленовой пленки необходимо отдельные полотнища склеивать или сваривать. Допускается устраивать стыки внахлестку не менее 0,5 м при условии, что они находятся под нагрузкой от веса вышележащих слоев грунта и дорожной одежды не менее 9,8 МПа.
6. При устройстве в основании земляного полотна на болотах прослойки из геотекстиля полотна следует сшивать или склеивать. Для пропуска строительных машин полотна засыпают слоем не менее 0,3 м. При наличии пней, кочек, углублений, воды на поверхности основания перед укладкой геотекстиля следует отсыпать песчаный выравнивающий слой толщиной, равной величине неровностей.
1. Окончательную планировку поверхности земляного полотна с приданием установленных проектом поперечных уклонов и до уплотнение поверхностного слоя, планировку и укрепление откосов следует производить сразу после окончания возведения земляного полотна. Все нарушения поверхности земляного полотна, вызванные построечным транспортом и осадками, следует устранить непосредственно перед устройством дорожной одежды.
2. Планировку и укрепление обочин необходимо выполнять вслед за устройством дорожной одежды. При этом следует ликвидировать все временные въезды и съезды. Планировку и укрепление откосов высоких насыпей и глубоких выемок следует производить сразу же после окончания устройства их отделочных частей (ярусов).
Водоотводные канавы и кюветы необходимо укреплять сразу же по мере их устройства.
3. При укреплении откосов путем посева трав по слою растительного грунта необходимо откосы выемок, разработанных в плотных глинистых грунтах, разрыхлять перед укладкой растительного грунта на глубину 10-15 см.
4. При укреплении откосов сборными решетчатыми конструкциями их монтаж необходимо выполнять снизу вверх после устройства упорной бетонной бермы. По окончании монтажа необходимо заполнить ячейки растительным грунтом (с последующим посевом трав), каменными материалами или грунтом, обработанным вяжущим.
5. Укрепление откосов с использованием геотекстиля следует выполнять в следующей последовательности: укладка полотен геотекстиля раскаткой рулонов сверху вниз по откосу с перекрытием полотен на 10-20 см и закреплением в пределах обочин; отсыпка растительного грунта с посевом трав; устройство дренирующего слоя и монтаж сборного крепления на подтопляемых участках откосов.
При применении геотекстиля с обработкой его вяжущим работы следует выполнять в таком порядке: планировка поверхности укрепляемого откоса; укладка полотна геотекстиля с закреплением его кромок штырями или присыпкой валиком из песка; поливка полотна вяжущим, например битумной эмульсией; посыпка песком.
Стык геотекстиля с прилегающими сборными или монолитными бетонными элементами крепления необходимо осуществлять путем заведения полотна под элемент или приклеивания геотекстиля горячим битумом к поверхности элемента.
6. При укреплении подтопляемых откосов, конусов, дамб сборными плитами предварительно должен быть уложен материал обратного фильтра или выравнивающего слоя. Плиты необходимо укладывать снизу вверх. В зимний период подготовленная поверхность откоса должна быть очищена от снега и льда.
7. При укреплении откосов гибкими бесфильтровыми железобетонными покрытиями из блоков их следует укладывать на откосе снизу вверх впритык друг к другу. В случае, когда проектом предусмотрено закрепление блоков с помощью анкерных свай, укладывать блоки следует сверху вниз. Просвет между соседними блоками не должен превышать 15 мм.
8. При укреплении откосов цементно-бетонным методом пневмонабрызга предварительно необходимо уложить металлическую сетку и закрепить ее анкерами. Набрызг следует выполнять снизу вверх с последующим уходом зацементобетоном.
9. При устройстве обочин необходимо устранить деформации земляного полотна по всей площади обочин, досыпать грунт до установленного проектом уровня, спланировать и уплотнить.
1. До начала работ по сооружению земляного полотна должно быть проверено соответствие принятых в проекте и действительных показателей состава (крупность частиц, пластичность глинистых грунтов) и состояния (влажность, плотность) грунтов в карьерах, резервах, выемках, естественных основаниях.
2. При операционном контроле качества сооружения земляного полотна следует проверять:
- правильность размещения осевой линии поверхности земляного полотна в плане и высотные отметки;
- толщину снимаемого плодородного слоя грунта;
- плотность грунта в основании земляного полотна;
- влажность используемого грунта;
- толщину отсыпаемых слоев;
- однородность грунта в слоях насыпи;
- плотность грунта в слоях насыпи;
- ровность поверхности;
- поперечный профиль земляного полотна (расстояние между осью и бровкой, поперечный уклон, крутизну откосов);
- правильность выполнения водоотводных и дренажных сооружений, прослоек, укрепления откосов и обочин.
В зимних условиях дополнительно следует контролировать размер и содержание мерзлых комьев, а также качество очистки поверхности - от снега и льда.
При возведении земляного полотна на болотах дополнительно следует контролировать: полноту выторфовывания; режим отсыпки; величину осадки; геометрические размеры вертикальных прорезей; дрен и коэффициент фильтрации песка в них.
При выполнении земляных работ в районах вечной мерзлоты дополнительно следует контролировать глубину промерзания слоя сезонного оттаивания грунта и сохранность мохорастительного покрова.
3. При устройстве дополнительных слоев основания и прослоек необходимо контролировать: соответствие качества материалов требованиям проекта; толщину и гранулометрический состав слоев грунта над и под прослойкой; плотность материалов слоя; качество стыковки полотнищ и укладки материалов прослоек.
4. При устройстве земляного полотна необходимо соблюдать требования, приведенные в табл. 2.
Таблица 2
(СНиП 3.06.03-85, приложение 2)
|
Вид работ, технические требования |
Предельные отклонения |
Контроль (метод, объем) |
|
|
1. Подготовка основания |
|
|
|
|
1.1. Толщина снимаемого плодородного слоя грунта |
±20 % от проектных значений |
Измерительный, не реже, чем через 100 м в трех точках на поперечнике |
|
|
|
|
|
|
|
1.2. Снижение плотности естественного основания |
По проекту |
Измерительный, не реже, чем через 200 м в трех точках на поперечнике |
|
|
2. Возведение насыпей и разработка выемок |
|
|
|
|
2.1. Плотность грунта в слоях земляного полотна |
По проекту |
Измерительный, каждый слой, по оси и на расстоянии 1,5-2 м от бровки земляного полотна, через 200 м при высоте насыпи до 3 м и через 50 м при высоте насыпи более 3 м |
|
|
2.2. Высотные отметки продольного профиля |
±5 см |
Измерительный, не реже, чем через 100 м |
|
|
2.3. Положение оси насыпи |
+20 см |
То же |
|
|
2.4. Расстояния между осью и бровкой земляного полотна |
±10 см |
» |
|
|
2.5. Поперечные уклоны |
±0,01 |
» |
|
|
2.6. Крутизна откосов |
+10 % |
Измерительный, не реже, чем через 100 м Нивелирование по оси и бровкам в трех точках на поперечнике не реже, чем через 50 м |
|
|
|
|
||
|
2.7. Ровность поверхности земляного полотна |
Не допускается застой воды в местных углублениях |
||
|
3. Устройство водоотвода |
|
||
|
3.1. Поперечные размеры - |
+5 см |
Измерительный, не реже, чем через 100 м |
|
|
кюветов, нагорных канав (по дну), дренажей |
|
||
|
|
|
||
|
3.2. Глубина кюветов, нагорных канав |
±5 см |
То же |
|
|
|
|
|
|
|
3.3. Продольные уклоны дренажей |
±0,001 |
» |
|
|
|
|
||
|
3.4. Ширина насыпных берм |
±15 см |
|
|
|
4. Устройство присыпных обочин |
|
|
|
|
|
|
||
|
4.1. Поперечный уклон обочин |
±0,01 |
» |
|
|
4.2. Толщина укрепления |
±15 см |
» |
|
|
5. Устройство дополнительных слоев и прослоек |
|
|
|
|
|
|
||
|
5.1. Гранулометрический состав слоев грунта над и |
По проекту |
Измерительный, один раз в смену |
|
|
|
|||
|
под прослойкой |
|
|
|
|
5.2. Толщина слоев грунта над и под прослойкой |
По проекту |
Измерительный, в трех точках на поперечнике (по оси и у бровок земляного полотна), не реже, чем через 100 м |
|
|
|
|||
|
Примечание. При отсыпке полотна из крупнообломочных грунтов показатель по позиции 2.1 для оценки качества не используется. |
|||
5. Контроль плотности верхнего слоя насыпи следует производить не реже, чем через 50 м.
Дополнительный контроль плотности необходимо производить в каждом слое засыпки пазух труб, над трубами и в местах сопряжения с мостами.
Контроль плотности следует производить на глубине, равной 1/3 толщины уплотняемого слоя, но не менее 8 см.
6. Глубину промерзания слоя сезонного оттаивания грунта следует проверять по кернам (шурфам) не реже, чем через 100 м.
7. Контроль влажности используемого грунта следует производить, как правило, в месте его получения не реже одного раза в смену и обязательно при выпадении осадков.
1. Правила настоящего раздела следует соблюдать при контроле качества и приемке работ по устройству щебеночных, гравийных, шлаковых оснований и покрытий автомобильных дорог и мостовых в соответствии с требованиями СНиП 3.06.03-85.
2. До начала устройства указанных оснований и покрытий должно быть подготовлено земляное полотно и дренаж в соответствии с требованиями, изложенными в разделе «Возведение земляного полотна», часть II, настоящего Руководства.
3. В ходе устройства оснований и покрытий в состав контролируемых операций входят:
завоз и послойное распределение применяемых материалов;
предварительное уплотнение, профилирование и окончательное уплотнение.
4. При завозе и распределении материалов следует учитывать запас на усадку при уплотнении:
- для песчано-гравийных (щебеночных) смесей оптимального зернового состава и щебня фракций 40-70 и 70-120 мм марки по прочности 800 и более - 25-30 %;
- для щебня марок по прочности 300-600 и шлака - 30-50 %.
5. Наименьшая толщина распределяемого слоя должна в 1,5 раза превышать размер наиболее крупных частиц и быть не менее 10 см при укладке на прочное основание и не менее 15 см при укладке на песок.
Максимальная толщина слоя не должна превышать значений, указанных в табл. 1.
Таблица 1
(СНиП 3.06.03-85, таблица 5)
|
Вид материала |
Максимальная толщина уплотняемого слоя, см, при применении катков |
|||
|
с гладкими вальцами массой 10ти более |
решетчатых и на пневматических шинах массой 15-ти более |
вибрационных и комбинированных массой, т |
||
|
до 10 |
16 и более |
|||
|
Трудноуплотняемый (из изверженных и метаморфических пород марки по прочности 1000 и более, гравий прочный, хорошо окатанный, шлаки с остеклованной структурой) Легкоуплотняемый (из изверженных и метаморфических пород марки по прочности менее 1000, осадочных, гравий неокатанный, шлаки с пористой структурой) |
18 |
24 |
18 |
24 |
|
22 |
30 |
22 |
30 |
|
1. Работы по устройству щебеночных оснований и покрытий методом заклинки следует производить в два этапа:
- распределение основной фракции щебня и его предварительное уплотнение (обжатие и взаимозаклинивание);
- распределение расклинивающего щебня (расклинцовка двух -, трехразовая) с уплотнением каждой фракции.
Для оснований допускается и одноразовая расклинцовка. При применении щебня осадочных пород марки по прочности менее 600 при устройстве оснований работы можно выполнять в один этап.
2. На первом и втором этапах основание уплотняют катками на пневматических шинах массой не менее 16 тс давлением воздуха в шинах 0,6-0,8 МПа, прицепными вибрационными катками массой не менее 6 т, решетчатыми массой не менее 15 т, самоходными гладковалъцовыми массой не менее 10-ти комбинированными массой более 16 т. Общее число проходов катков статического типа должно быть не менее 30 (10 на первом этапе и 20 на втором),комбинированных типов -не менее 18 (6 и 12) и вибрационного типа - не менее 12 (4 и 8).
Основания из щебня марок по прочности менее 600 и по пластичности Пл2, ПлЗ уплотняют катками на пневматических шинах массой не более 16 т и не менее, чем за 20 проходов, или зиброплитами.
3. Для уменьшения трения между щебенками и ускорения взаимозаклинивания укатку следует производить, поливая щебень водой (ориентировочно 15-25 л/м2, при уплотнении шлакового щебня - 25-35 л/м2 на первом этапе и 10-12 л/м2 по расклинивающей фракции).
4. На втором этапе следует производить расклинцовку слоя щебня фракциями мелкого щебня с последовательно уменьшающимися размерами.
При использовании трудно уплотняемого щебня слой щебня перед распределением расклинивающего материала следует обрабатывать органическим вяжущим материалом из расчета 2-3 л/м2.
Расход расклинивающих фракций щебня следует принимать в соответствии со значениями, указанными в табл. 2.
Таблица 2
(СНиП 3.06.03-85, таблица 6)
|
Размер основной фракции щебня, мм |
Расход расклинивающих фракций, м3, на 1000 м2 при их размерах, мм |
||
|
20-40 |
10-20 |
5-10 |
|
|
40-70 |
- |
15 |
10 |
|
70-120 |
10 |
10 |
10 |
|
Примечание При устройстве оснований из щебня фракции 40-70 мм методом заклинки допускается применять одноразовую расклинку смесью щебеночных и песчано-щебеночных фракций 5-20, 0-20, 0-10мм, а при применении щебня 70-120 мм- использовать фракции 5-40 мм. Расход смесей должен соответствовать суммарным требованиям табл.2 |
|||
5. После окончания уплотнения покрытия по его поверхности следует распределять каменную мелочь из изверженных пород марки по прочности не ниже 800 (из осадочных пород - не ниже 600) в количестве 1 м3 на100 м2 и уплотнять ориентировочно за 4-6 проходов катка.
По окончании уплотнения шлакового слоя из активных и высокоактивных шлаков в случае, если сразу не устраивается вышележащий слой, следует производить поливку его водой в течение 10-12 дней из расчета 2-2,5 л/м2.
6. В зимних условиях устройство оснований и покрытий разрешается только по земляному полотну, полностью законченному до наступления температур ниже 0°С. На участке сменной захватки земляное полотно должно быть очищено от снега и льда. При температуре воздуха от 0 до -5°С продолжительность работ не должна превышать 4 ч, а при более низких температурах - 2 ч. При влажности материала свыше 3 % его следует обрабатывать раствором хлористых солей в количестве 0,3-0,5 % по массе.
7. Уплотнение каменного материала при отрицательной температуре следует производить без увлажнения.
8. Контроль качества основания, укладываемого зимой, следует производить по мере выполнения работ, а приемку - после полного оттаивания, устранения деформаций и до уплотнения.
1. Устройство щебеночных, гравийных оснований, обработанных не на полную глубину пескоцементной смесью, производят методом перемешивания или методом пропитки (вдавливания).
2. При устройстве оснований методом перемешивания после распределения щебня его следует увлажнить (расход воды 10 л/м2) и прикатать 2-3 проходами катка по одному следу.
3. Доставленную на трассу пескоцементную смесь следует укладывать на поверхность распределяемого щебня профилировщиком или автогрейдером.
Перемешивание пескоцементной смеси со щебнем выполняют фрезой профилировщика, многостоечным рыхлителем или кирковщиком.
Полученную смесь при необходимости следует увлажнить до оптимальной влажности и произвести вторичное перемешивание и планировку и уплотнение 12-16 проходами катка на пневматических шинах по одному следу.
По окончании уплотнения основания следует произвести чистовую отделку профилировщиком и окончательно уплотнять поверхностный слой катком с гладкими вальцами массой 6-13т за 1-2 прохода по одному следу.
4. После отделки основания следует выполнять уход за ним путем розлива битумной эмульсии с расходом 0,6-0,8 л/м2 или россыпи песка (супеси легкой) слоем 4-6см и поддержания его во влажном состоянии в течение 28 сут.
5. При устройстве оснований методом пропитки после распределения щебня его следует спланировать автогрейдером и увлажнить из расчета 3-10 л/м2.
Пескоцементная смесь вводится в щебеночный слой под действием вибрации или давления.
6. Приготовленную в установке пескоцементную смесь необходимо распределять по поверхности щебеночного слоя профилировщиком или автогрейдером.
Вдавливание смеси в щебеночный слой на глубину до 5 см следует выполнять 2-3 проходами катка на пневматических шинах, а окончательное уплотнение - за 12-16 проходов по одному следу.
7. Для пропитки щебеночного слоя пескоцементной смесью методом вибрации на глубину до 7 см смесь следует распределять профилировщиком с вибробрусом.
Для пропитки смесью методом вибрации и давления на глубину до 10 см следует использовать вибрационный каток (1-2 прохода по одному следу).
Для пропитки смесью на глубину до 17 см следует применять кулачковый каток.
Число проходов кулачкового катка по одному следу (ориентировочное) назначают в зависимости от требуемой толщины пропитки щебня смесью в соответствии со значениями, указанными в табл. 3.
Таблица 3
(СНиП 3.06.03-85, таблица 7)
|
Толщина обработанной части основания, см |
Число проходов катка по одному следу |
|
10 |
4-6 |
|
14 |
8-10 |
|
17 |
13-15 |
8. По окончании уплотнения за основанием следует осуществлять уход в соответствии с требованиями п. 4.
1. При устройстве мостовых из колотого и булыжного камня, брусчатки и мозаиковой шашки в состав основных контролируемых операций входят: последовательность укладки камня; перевязка швов; уплотнение мостовой.
2. Мощение колотым и булыжным камнем следует начинать с укладки краевых рядов с обеих сторон проезжей части. Работы по укладке краевых рядов производить с опережением на 0,7-1,0 м.
Высота камня для укладки краевых рядов должна быть на 4 см больше средней высоты камня, принятой для укладки проезжей части мостовой. При продольном уклоне свыше 10 %, а также при односкатном поперечном профиле мощение необходимо вести снизу вверх.
3. Мостовые из колотого и булыжного камня сначала надлежит уплотнять механическими трамбовками, а затем катками. Уплотнение мостовой механическими трамбовками производят в следующем порядке: сразу после мощения ее трамбуют (делают обжимку); после первой россыпи расклинивающего щебня фракций 10-20 мм в количестве 1-1,5 м3 на каждые 100 м2 мостовой трамбуют повторно.
Уплотнение мостовой катками следует начинать после второй россыпи расклинивающего мелкого щебня фракций 5-10 мм в количестве 1 м3 на 100м2 сначала катками массой 6-8 т, затем массой 10-13 т. Уплотнение следует заканчивать при прекращении заметной на глаз осадки камней.
Перед открытием движения мостовую засыпают песком, мелким щебнем, дресвой или гравием крупностью до 10 мм слоем в 1,5-2 см.
4. Мощение с применением брусчатки и мозаиковой шашки следует начинать с укладки лотковых и крайних продольных рядов. Два крайних продольных ряда из брусчатки укладывают с перевязкой швов не менее чем на 1/3 камня (шашки).
Работы по укладке лотковых и крайних рядов покрытия, включая заполнение швов раствором, должны опережать последующие работы по укладке брусчатки с учетом времени, необходимого для схватывания раствора.
Брусчатку необходимо выстилать рядами, перпендикулярными оси дороги.
Швы между брусчаткой необходимо смещать не менее, чем на 1/3 длины бруса. Ширина швов должна быть не более 10 мм.
5. Мощение из мозаиковой шашки следует выполнять по заданному рисунку выпуклостью кривых в сторону подъема.
Шашка должна быть уложена с перевязкой швов на половину длины шашки. Ширина швов не должна превышать 10 мм.
6. Брусчатку и мозаиковую мостовую уплотняют механическими трамбовками от края проезжей части к середине по рядам.
Заполнение швов цементным раствором следует производить в два приема: сначала жидким, затем более густым (сметанообразным). Битумной мастикой и песком швы заполняют в один прием.
1. При операционном контроле качество работ по устройству щебеночных, гравийных оснований, покрытий и мостовых следует контролировать не реже, чем через каждые 100 м: высотные отметки по оси дороги, ширину, толщину слоя по оси, поперечный уклон, ровность поверхности.
2. Дополнительно к изложенному в п. 1 следует контролировать:
- не реже одного раза в смену - влажность щебня и пескоцементной смеси, а также прочность пескоцемента;
- постоянно визуально - качество уплотнения, соблюдение режима ухода.
3. При приемке выполненных работ надлежит произвести освидетельствования работ в натуре, контрольные замеры.
4. При устройстве щебеночных, гравийных, шлаковых оснований, покрытий и мостовых должны быть соблюдены требования, приведенные в табл. 4.
Таблица 4
(СНиП 3.06.03-85, приложение 2)
|
Технические требования |
Предельные отклонения |
Контроль (метод, объем) |
|
1. Высотные отметки по оси |
±50 мм |
Измерительный, не реже чем через каждые 100 м - |
|
2. Ширина слоя: |
|
|
|
- оснований, покрытий |
+100 мм |
То же |
|
- мостовых |
±50 мм |
» |
|
3. Толщина слоя |
±15 мм |
» |
|
4. Поперечные уклоны |
±0,01 |
» |
|
5. Ровность (просвет под рейкой длиной 3 м) для дорог: |
|
Измерительный, не реже чем через 100 м, на расстоянии 0,75-1 м от каждой кромки основания,- в пяти контрольных точках.. расположенных на расстоянии 0,5 м от концов рейки и друг от друга |
|
- I, II, III категорий |
10 мм |
|
|
- IV, V категорий и внутренних |
15 мм |
|
|
промышленных предприятий |
|
|
|
- 1-е, II -е, Ш-е категорий |
20 мм |
5. Качество уплотнения щебеночных, гравийных и шлаковых оснований и покрытий следует проверять путем контрольного прохода катка массой 10-13 т по всей длине контролируемого участка, после которого на основании (покрытии) не должно оставаться следа и возникать волны перед вальцом, а положенная под валец щебенка должна раздавливаться.
6. При устройстве мостовых плотность их посадки следует проверять по отсутствию подвижки и осадки камней (шашек) при проходе катка массой 10-13 т.
1. Правила настоящего раздела следует соблюдать при контроле качества и приемке работ по возведению оснований и покрытий из грунтов (крупнообломочных, песчаных и глинистых) и отходов промышленности, укрепленных неорганическими и органическими вяжущими материалами в соответствии с требованиями СНиП 3.06.03-85.
2. До начала возведения оснований и покрытий из укрепленных грунтов должно быть подготовлено земляное полотно в соответствии с требованиями, изложенными в разделе «Возведение земляного полотна», часть II, настоящего Руководства.
3. Смешение грунтов и отходов промышленности с вяжущими материалами следует осуществлять:
- на дороге, специальной площадке или в карьере, используя однопроходные грунтосмесительные машины и дорожные фрезы;
- в смесительных установках, как правило, с принудительным перемешиванием (крупнообломочные грунты и отходы промышленности допускается смешивать в установках со свободным перемешиванием).
4. Укрепленные грунты при устройстве дорожных одежд следует укладывать в один или несколько слоев в зависимости от толщины основания или покрытия и применяемых машин.
При этом слой основания и покрытия следует устраивать из смесей, приготовленных, как правило, в установках.
5. При смешении крупнообломочных грунтов с вяжущими материалами в смесительных установках грунты недолжны содержать зерен крупнее 40 мм. При отсутствии зерен крупнее 25 мм суммарное количество зерен размером от 2 до 25 мм не должно быть более 70% массы грунта.
При смешении грунтов с вяжущими на дороге размер зерен в грунте не должен превышать 25 мм.
6. Глинистые грунты с числом пластичности более 12 перед смешением с вяжущими материалами должны быть размельчены. После размельчения содержание в грунте
частиц размером более 5 мм должно составлять не свыше 25 % массы, в том числе содержание частиц размером более 10 мм - не свыше 10 %.
7. При измельчении тяжелых суглинков и глин в сухую погоду при температуре воздухе свыше 20.°С необходимо вводить добавки поверхностно-активных веществ, количество которых следует принимать в соответствии с данными табл. 1.
Таблица 1
(СНиП 3.06.03-85, таблица 2)
|
Добавки |
Количество добавок, %, к массе цементотрунтовой или иной смеси |
|
Гидрофобизирующая жидкость (ГЖ-136-41) |
0,1-0,2 |
|
Сульфитно-дрожжевая бражка (СДБ) |
0,05-0,5 |
|
Смачиватель ОП-7 или ОП-10 |
0,05-0,5 |
|
Гудрон нейтрализованный (ГНД) |
0,015-0,03 |
Растворимые добавки следует вводить в грунт в виде водных растворов, нерастворимые - в виде эмульсий.
8. Для достижения требуемой плотности и ровности слоев грунтов, укрепленных вяжущими материалами, следует применять уплотнение, сочетающее предварительное вибрирование смеси вибробрусом укладчика и укатку самоходными катками вибрационными или на пневматических шинах.
1. Устройство оснований и покрытий следует осуществлять преимущественно при температуре не ниже 5°С.При более низких температурах работы следует проводить, выполняя требования п.п. 14, 15 настоящего подраздела.
2. При укреплении грунтов неорганическими вяжущими материалами необходимо учитывать количество воды, вводимой с раствором солей или щелочей.
3. При смешении на дороге крупнообломочных, песчаных или глинистых грунтов и отходов промышленности с цементом и добавками в виде битумных эмульсий, жидкого битума, нефтяного гудрона или сырой нефти следует сначала ввести в грунт органическое вяжущее, перемешать его с грунтом и затем последовательно вводить в смесь цемент и воду.
4. При укреплении грунта цементом с добавками золы уноса, золошлаковых смесей или других несвязных дисперсных материалов добавки следует распределить по грунту, перемешать их с грунтом, спланировать смесь и затем последовательно вводить в нее цемент и воду.
При укреплении грунта цементом с добавкой молотой негашеной извести грунт с цементом следует смешивать через сутки после введения извести и воды.
5. При укреплении глинистых грунтов неорганическими вяжущими материалами следует использовать, как правило, способ смешения грунта с вяжущими на дороге.
6. Движение транспортных средств по слою глинистых грунтов, предназначенному для укрепления, не допускается.
При укреплении грунтов известью совместно с добавками зол уноса, золошлаковых смесей следует сначала ввести в грунт добавки и перемешать их с ним до однородного состояния, затем ввести известь, увлажнить грунт до оптимальной влажности и через сутки спланировать и уплотнить смесь.
7. Влажность смеси грунтов с неорганическими вяжущими перед уплотнением должна соответствовать оптимальной, но в зависимости от погодных условий во время производства работ она допускается не более, чем на:
2-3% выше оптимальной при сухой погоде без осадков и температуре воздуха выше 20 °С;
1-2% меньше оптимальной при температуре ниже 10°С и при наличии осадков.
При температуре воздуха выше 20°С для замедления процесса схватывания смеси и обеспечения оптимальных условий уплотнения следует вводить в смесь добавку СДБ (в виде водного раствора) или ГЖ-136-41 (в виде эмульсии) в количестве не более 0,5 % массы цемента при укреплении несвязных грунтов и 1-1,5 % при укреплении связных грунтов или добавки органических вяжущих в виде битумных эмульсий, жидкого битума, нефтяного гудрона или сырой нефти в количестве, как правило, 1-3 % массы грунта.
8. Уплотнение смеси грунта с цементом до максимальной плотности должно быть закончен не позднее, чем через 3 ч, а при пониженных температурах (ниже 10°С) - не позднее, чем через 5 ч после введения в смесь воды или раствора солей.
При укреплении грунтов цементом совместно с добавками поверхностно-активных веществ (СДБ, ГЖ-136-41, гудрона) смесь следует уплотнить не позднее, чем через 8 ч после введения воды. При укреплении грунтов известью или активными золами уноса, используемыми в качестве самостоятельного вяжущего, уплотнение следует заканчивать не позднее, чем через 14-18 ч после введения в смесь воды.
Для ухода за свежеуложенным грунтом, укрепленным неорганическими вяжущими, следует распределять по поверхности грунта 50 %-ные быстрораспадающиеся или среднераспадающиеся эмульсии с использованием битума или других органических вяжущих из расчета 0,5-0,8 л/м2. Можно распределять также нефтяной гудрон или нейтрализованный гудрон (ГНД) из расчета 0,5-0,6 л/м2 или слой песка толщиной 5 см с поддержанием его во влажном состоянии.
9. Движение построечного транспорта по слою укрепленного основания или покрытия разрешается через 5 суток после его устройства в случае удовлетворяющего требования I класса прочности при толщине укрепленного слоя не менее 15 см, а также II класса прочности при толщине слоя не менее 20 см. При толщине укрепленного слоя меньше указанных движение построечного транспорта следует открывать через 7 суток после устройства слоя.
Допускается открывать движение и укладывать вышележащие слои на следующий день в случае укрепления вяжущими связных грунтов, а также в течение первых двух суток в случае укрепления грунтов цементом совместно с добавками поверхностно-активных веществ.
10. Влажность обрабатываемого грунта при его укреплении не должна превышать значений, приведенных в табл. 2.
Таблица 2
(СНиП 3.06.03-85, таблица 3)
|
Вид грунта |
Допускаемая влажность (в долях от оптимальной) при коэффициенте уплотнения 1-0,98 |
|
Пески пылеватые |
1,35 |
|
Супеси легкие крупные, супеси легкие |
1,25 |
|
Супеси пылеватые, супеси тяжелые пылеватые, суглинки легкие - |
1,15 |
|
Суглинки тяжелые, глины песчанистые и |
1,1 |
|
пылеватые |
|
11. Осушать переувлажненный грунт следует путем укладки его в валы, бурты (пески, супеси), многократного рыхления (при солнечной погоде), а также обработки его известью (порошкообразной негашеной, молотой комовой и пушонкой) или активной золой уноса.
Количество добавок вяжущих материалов, осушающих грунт, назначают в соответствии с данными табл. 3.
Таблица 3
(СНиП 3.06.03-85, таблица 4)
|
Вид грунта |
Количество добавок молотой негашеной извести или активной золы уноса сухого отбора, %, к массе грунта при влажности его в относительных единицах от оптимальной влажности |
||
|
1,2 |
1.4 |
1,6 |
|
|
Пески и супеси пылеватые |
- |
0,5 |
1,0 |
|
Суглинки легкие |
- |
0,5 |
1,5 |
|
Суглинки тяжелые |
1,0 |
2,0 |
- |
|
Глины песчанистые и пылеватые |
1,5 |
3,0 |
- |
12. При укреплении грунтов в условиях пониженной и отрицательной температуры следует предусматривать следующие меры против их смерзания:
- в грунт необходимо вводить добавки, понижающие температуру замерзания воды (противоморозные добавки), в количестве 0,5-1,5 % массы грунта;
- добавки, связывающие воду (известь, цемент, гипс),следует вносить в грунт в порошкообразном состоянии перед введением растворов противоморозных добавок;
- уход за уплотненным слоем грунта, укрепленного цементом, следует осуществлять с помощью песка толщиной не менее 6 см.
13. Движение транспортных средств по укрепленному слою разрешается не ранее, чем через 20 суток. В период оттепелей и весеннего таяния движение не допускается.
14. При температуре воздуха ниже -10°С в районах с устойчивой отрицательной температурой и коротким строительным сезоном при обеспечении высоких годовых темпов строительства допускается приготовление цементогрунтовых смесей только из несвязных грунтов путем смешения их без введения воды. При отсутствии задела земляного полотна приготовленная смесь должна храниться в штабелях до наступления положительных температур, после чего смесь следует распределить, увлажнить с перемешиванием и уплотнить. При наличии задела смесь укладывается в виде конструктивного слоя до наступления положительных температур, после чего смесь следует увлажнить с перемешиванием и уплотнить. Смеси следует заготовлять не ранее, чем за 3 месяца до наступления плюсовых температур.
15. В районах с суровыми климатическими условиями при необходимости ускорения открытия движения по дороге допускается В зимнее время укладывать на основание из крупнообломочных грунтов с вяжущими (см. п.5 «Общего положения» настоящего раздела) покрытия из сборных железобетонных плит. На участках, не имеющих после оттаивания земляного полотна деформаций покрытия, следует омонолитить швы. При наличии деформаций покрытия следует демонтировать плиты, выровнять и уплотнить основание, уложить плиты и замонолитить швы.
1. При подборе состава для улучшения технических и технологических свойств грунтов следует применять для:
- укрепленных жидкими битумами - известь, сланцевую золу, золы уноса сухого отбора, золошлаковые смеси гидроудаления с добавками или без добавок извести, молотый известняк, молотую опоку с известью;
- укрепленных сланцевыми битумами, битумными эмульсиями, каменноугольными вяжущими - известь, известковую пыль, цемент, золы уноса;
- укрепленных органическими вяжущими (кроме смолы карбамидоформальдегидной) - катионактивные и анионактивные вещества (типа Э-1, кубовые остатки СЖК, второй жировой гудрон, госсиполовую смолу и др.).
2. Основания и покрытия из грунтов, укрепленных органическими вяжущими материалами, разрешается устраивать в сухую погоду при температуре воздуха не ниже 10°С. Смешение грунтов с битумной эмульсией допускается при температуре воздуха не ниже 5°С. Влажность крупнообломочных и песчаных грунтов перед введением органического вяжущего должна находиться в пределах 2-5 %, а влажность глинистых грунтов - в пределах ОД-ОД влажности на границе текучести грунта.
3. При смешении в стационарных смесительных установках крупнообломочных и песчаных грунтов или супесей с жидким битумом, битумной эмульсией, каменноугольным дегтем и активными добавками, а также грунтов с битумной эмульсией или жидким битумом совместно с цементом вяжущие вещества, добавки (кроме молотой негашеной извести) и вода должны вводиться в грунт одновременно в полном объеме.
4. При использовании в качестве активных добавок молотой негашеной извести ее необходимо распределить по грунту и перемешать с ним. Последующую обработку грунта органическими вяжущими в смесительной установке следует производить не ранее, чем через 12 ч и не позднее, чем через 24 ч после внесения извести.
Влажность грунта перед внесением негашеной извести должна обеспечивать гидратацию (гашение) извести.
5. При смешении на дороге крупнообломочных и песчаных грунтов или супесей с органическими вяжущими материалами вяжущее должно вводиться в грунт за один проход грунтосмесительной машины; влажность грунта при этом должна удовлетворять требованиям п. 2.
6. При смешении глинистых грунтов с органическими вяжущими материалами следует применять метод приготовления смеси на дороге с помощью однопроходных или многопроходных грунтосмесительных машин.
7. Грунты, укрепленные органическими вяжущими материалами совместно с известью или цементом, следует уплотнять не позднее, чем через 2 ч после окончания перемешивания смеси. При температуре воздуха ниже 15°С разрыв между окончанием перемешивания смеси и началом ее уплотнения допускается до 4 ч.
Уплотнение грунтов, укрепленных органическими вяжущими материалами, должно заканчиваться в течение смены. Если в процессе работ по уплотнению были атмосферные осадки и температура воздуха наблюдалась ниже 15°С, допускается повторное уплотнение смеси, но не позднее, чем через 2 суток для грунта с добавкой цемента и 4 суток для смеси грунта с добавкой извести.
8. За уплотненным слоем грунта, укрепленного битумной эмульсией или жидким битумом с цементом при температуре воздуха выше 15°С и отсутствии осадков, необходимо осуществлять уход путем розлива битумной эмульсии из расчета 0,6-0,8 л/м2. В случае устройства вышележащего конструктивного слоя не позднее, чем через сутки, уход не требуется.
9. Движение построечного транспорта по слою из грунтов, укрепленных органическими вяжущими, допускается в соответствии с требованиями п. 9 предыдущего подраздела.
1. При операционном контроле качества работ по устройству оснований и покрытий из укрепленных грунтов следует контролировать по каждому укладываемому слою не реже, чем через каждые 100 м:
- высотные отметки по оси дороги;
- ширину;
- толщину слоя неуплотненного материала по оси;
- поперечный уклон;
- ровность поверхности.
2. Дополнительно к п. 1 следует контролировать:
- не реже одного раза в смену - гранулометрический состав крупнообломочных и песчаных грунтов - по ГОСТ 12536-79; число пластичности глинистых грунтов - по ГОСТ 5180-84; степень размельчения глинистых грунтов путем рассева проб на ситах с отверстиями 5 и 10 мм; температуру органического вяжущего перед использованием; однородность эмульсии - отсутствие расслоения; качество смеси путем определения прочности образцов на сжатие; при хранении сухих смесей в штабеле температуру смеси на глубине 0,2-0,4 м;
- не реже чем через 200 м - влажность обрабатываемых грунтов и готовой смеси перед ее уплотнением и плотность материала в уплотненном слое в трех точках на поперечнике (по оси и на расстоянии 0,5 м от кромки слоя);
- не реже одного раза в 5 смен - содержание легкорастворимых солей в засоленных грунтах; пригодность зол уноса и золошлаковых смесей; соблюдение требований по уходу.
3. При устройстве оснований и покрытий из укрепленных грунтов необходимо соблюдать требования, приведенные в табл. 4.
Таблица 4
(СНиП 3.06.03-85, приложение 2)
|
Технические требования |
Предельные отклонения |
Контроль (метод, объем) |
|
1. Высотные отметки по оси |
±50 мм |
Измерительный, не реже, чем через каждые 100 м |
|
2. Ширина слоя |
±10 см |
То же |
|
3. Толщина слоя |
±15 мм |
» |
|
4. Поперечные уклоны |
±0,01 |
» |
|
5. Ровность (просвет под рейкой |
|
Измерительный, не реже чем через 100 м, на расстоянии 0,75- 1 м от каждой кромки основания покрытия в пяти точках, контрольных точках расположенных на расстоянии 0,5 м от концов рейки и друг от друга |
|
длиной 3м): |
|
|
|
- для дорог I, II, III категорий |
до 7 мм |
|
|
- для дорог IV и V категорий |
до 10 мм |
|
|
- для дорог 1-с, II-с, Ш-с |
до 15 мм |
|
|
категорий и внутренних |
|
|
|
дорог промышленных |
|
|
|
предприятий |
|
|
|
6. Прочность смеси при приготовлении:- |
|
Три образца на 250 м3 смеси |
|
- в карьерных смесительных установках |
±8 % |
|
|
- однопроходной грунтосмесительной машиной |
±15 % |
|
|
- дорожной фрезой |
±25 % |
1. Правила настоящего раздела следует соблюдать при контроле качества и приемке работ по устройству оснований и покрытий из щебеночных, гравийных и песчаных материалов, обработанных неорганическими вяжущими материалами в соответствии с требованиями СНиП 3.06.03-85.
2. До начала устройства оснований, покрытий должна быть выполнена подготовка земляного полотна в соответствии с указаниями, изложенными в разделе «Возведение земляного полотна», часть II, настоящего Руководства.
1. Основания и покрытия из каменных материалов, обработанных неорганическими вяжущими, следует устраивать, как правило, в сухую, погоду при среднесуточной температуре воздуха не ниже 5оС.
2. Смеси следует приготовлять, как правило, в смесителях принудительного перемешивания. Допускается приготовление смеси методом смешения на дороге.
3. Доменные и сталеплавильные (металлургические) шлаки, шлаки и золы ТЭЦ мокрого улавливания следует хранить на открытых площадках. При хранении более 6 месяцев шлак и золу, используемые как вяжущее, перед употреблением необходимо испытать на активность.
4. Количество воды в смеси должно обеспечивать ее оптимальную влажность при уплотнении с учетом потерь влаги при транспортировании и распределении. При температуре воздуха выше 20°С смесь при транспортировании автомобилями-самосвалами следует закрывать брезентом.
5. Продолжительность транспортирования смесей каменных материалов с цементом, начало схватывания которого не менее 2 ч, не должна превышать 30 мин при температуре воздуха во время укладки выше 20°С и 50 мин - при температуре воздуха ниже 20°С. Уплотнение смеси следует заканчивать до конца схватывания цемента.
6. Максимальную толщину слоя в плотном состоянии следует выбирать в соответствии с требованиями таблицы 1 раздела «Устройство щебеночных, гравийных, шлаковых оснований, покрытий и мостовых», часть II, настоящего Руководства.
7. Уплотнять материал слоя следует, как правило, катками на пневматических шинах или вибрационными катками. Ориентировочное число проходов катка по одному следу может быть принято равным соответственн 16 и 10.
По окончании уплотнения следует производить отделку поверхности автогрейдером или профилировщиком с последующим уплотнением гладковальцовым катком массой 6-8 т за два-четыре прохода по одному следу.
8. Смеси каменных материалов со шлаком, золой, добавкой гашеной извести и без нее следует уплотнять не позднее 2 суток с момента укладки.
9. Уход за основанием (покрытием), устраиваемым с использованием цемента, следует осуществлять в соответствии с требованиями п. 4 следующего подраздела.
При устройстве вышележащего слоя дорожной одежды в день устройства основания (нижнего слоя покрытия) уход за ним не производится.
10. Движение построечного транспорта и устройство вышележащего слоя по основанию, устраиваемому с применением шлака и золы, разрешается сразу после окончания уплотнения.
Движение и устройство вышележащего слоя по основанию (покрытию), устроенному с применением цемента в качестве основного вяжущего или добавки, разрешается только после достижения прочности не менее 70 % проектной или в день устройства основания.
11. При производстве работ в зимних условиях приготовление и укладка каменных материалов, обработанных неорганическими вяжущими материалами, при среднесуточных температурах воздуха в пределах от 5 до-15°С должны осуществляться с принятием специальных мер: утеплением основания, подогревом воды и заполнителей, введением в смесь водных растворов хлористых солей.
Ориентировочное количество вводимых в смесь хлористых солей в зависимости от температуры воздуха следует принимать согласно требованиям табл. 1.
Таблица 1
(СНиП 3.06.03-85, таблица 9)
|
Температура воздуха при производстве работ, °С |
Количество солей, %, к массе воды, содержащейся в смеси |
|
От 0 до минус 5 |
NaCl 5 % или СаС12 3 % или СаС12 2 % + NaCl 3 % |
|
От минус 5 до минус 7 |
СаС12 3 % + NaCl 4 % |
|
От минус 7 до минус 10 |
CaCI2 3 % + NaCl 7 % |
|
От минус 10 до минус 15 |
СаС12 6 % + NaCl 9 % |
12. Уплотнение и укрытие смеси следует заканчивать до начала ее замерзания.
13. Поверхность основания следует утеплять засыпкой слоем песка или супеси толщиной не менее 10 см или укрывать другими утеплителями, с тем чтобы до замерзания утепленный материал набрал прочность не менее 70 % проектной.
14. При устройстве оснований из смесей с медленнотвердеющими (шлаковыми, зольными и другими) вяжущими материал не должен замерзать до окончания уплотнения, при этом может вводиться один хлористый натрий без уменьшения суммарного количества добавляемых солей. Разрешается не утеплять основания из таких материалов.
После оттаивания при необходимости производят выравнивание и доуплотнение слоя.
1. При операционном контроле качества работ по устройству оснований, покрытий из щебеночных, гравийных и песчаных материалов, обработанных неорганическими вяжущими, следует контролировать по каждому укладываемому слою не реже, чем через каждые 100 м: высотные отметки по оси дороги; ширину и толщину слоя по оси; поперечный уклон; ровность поверхности.
2. Кроме параметров, указанных в п. 1, следует контролировать:
- не реже одного раза в смену - влажность смеси по ГОСТ 5180-84 (высушиванием в термостате или при сжигании денатурированного спирта, прибором Ковалева), прочность материала и плотность солевых растворов при отрицательной температуре;
- не реже одного раза в семь смен - точность дозирования компонентов смеси контрольным взвешиванием;
- постоянно визуально - качество уплотнения, соблюдения режима ухода.
3. При устройстве оснований и покрытий необходимо соблюдать требования, приведенные в табл. 2.
Таблица 2
(СНиП 3.06.03-85, приложение 2)
|
Технические требования |
Предельные отклонения |
Контроль (метод, объем) |
|
1. Высотные отметки по оси |
±50 мм |
Измерительный, не реже, чем через каждые 100 м |
|
|
|
|
|
|
|
|
|
2. Ширина слоя |
±100 мм |
То же |
|
3. Толщина слоя |
±15 мм |
» |
|
4. Поперечные уклоны |
±0,01 |
» |
|
5. Ровность (просвет под рейкой длиной 3 м): |
|
Измерительный, не реже, чем через 100 м, на расстоянии 0,75-1 м от каждой кромки основания, в пяти контрольных точках, расположенных на расстоянии 0,5 м от концов рейки и друг от друга |
|
- для дорог I, II, III категорий |
10 мм |
|
|
- для дорог IV, V категорий и внутренних дорог промышленных предприятий |
15 мм |
|
|
1-с, II-с, Ш-с категорий |
20 мм |
4. Качество уплотнения следует проверять путем контрольного прохода катка массой 10-13т по всей длине контролируемого участка, после которого на основании (покрытии) не должно оставаться следа и возникать волны перед вальцом.
1. Правила настоящего раздела следует соблюдать при контроле качества и приемке работ по устройству облегченных черных покрытий автодорог и специальных площадок из каменных материалов (щебеночных, гравийных и песчаных), укрепляемых органическими вяжущими материалами методами пропитки и смешения на дороге в соответствии с требованиями СНиП 3.06.03-85.
2. До начала строительства покрытий должно быть закончено создание земляного полотна и искусственного основания в соответствии с указаниями, изложенными в предыдущих разделах части II настоящего Руководства. Основание должно быть сформированным, ровным, чистым, с поперечным уклоном, равным поперечному уклону покрытия.
3. Применяемые для устройства покрытий, оснований материалы должны отвечать требованиям соответствующих ГОСТов.
4. До начала производства работ следует проверять сцепление вяжущего с поверхностью минеральных материалов. При недостаточном сцеплении следует применять добавки поверхностно-активных веществ и активаторы поверхности (известь, цемент).
5. Температура нагрева органических вяжущих материалов при их использовании должна быть в пределах, указанных в табл. 1.
Таблица 1
(СНиП 3.06.03-85, таблица 10)
|
Марка вяжущего |
Температура нагрева вяжущего, °С |
|
|
без поверхностно-активных веществ |
с поверхностно-активными веществами |
|
|
Битумы по ГОСТ 22245-90: |
|
|
|
БНД 40/60, БНД 60/90, БН 60/90 |
130-150 |
110-130 |
|
БНД 90/130, БН 90/130, |
100-120 |
90-100 |
|
БНД 130/200, БН 130/200 |
|
|
|
БНД 200/300, БН 200/300 |
90-100 |
90-100 |
|
Битумы по ГОСТ 11955-82*: |
|
|
|
СГ 130/200, МГ 130/200 |
90-100 |
90-100 |
|
СГ 70/130, МГ 70/130, МГО 70/130 |
80-90 |
80-90 |
|
СГ 40/70, МГ 40/70, МГО 40/70 |
70-80 |
70-80 |
|
СГ 25/40, МГ 25/40 |
60-70 |
60-70 |
|
Дегти по ГОСТ 4641-80: |
|
|
|
ДО-7, ВДП-6, ВДП-7 |
100-120 |
- |
|
Д-6, ДО-6 |
90-110 |
- |
|
Д-5 |
80-100 |
- |
|
Д-3, Д-4 |
75-90 |
- |
|
Эмульсии по ГОСТ 18659-81: |
|
|
|
ЭБА-1, ЭБА-2, ЭБА-3, ЭБК-1 |
Без нагрева |
- |
|
ЭБК-2, ЭБК-3 |
|
|
|
Эмульсии обратные |
60-70 |
- |
6. Битумные мастики приготовляют в специальных машинах-диспергаторах.
Температура нефтяного битума, поступающего в эмульсионную машину, должна быть в пределах, °С:
БНД 40/60 и БН 40/60 130-140
БНД 60/90, БНД 90/130,
БН 60/90, БН 90/130 120-130
БНД 130/200, БН 130/200 100-120
БНД 200/300, БН 200/300 90-100
7. Для приготовления обратных эмульсий используют: дегти каменноугольные дорожные по ГОСТ 4641-80 марокД-1, Д-2 и Д-3; битумы сланцевые дорожные марок С-12/20,С-20/35, С-35/70, С-70/30; масло сланцевое топливное по ГОСТ 4806-79* и смеси нефтяных битумов марок БНД 40/60, БНД 60/90 и БНД 90/130 со сланцевым битумом.
В вяжущем, используемом для приготовления обратных эмульсий, должно содержаться не менее 5 % фенолов. В противном случае в него необходимо добавлять фенолы каменноугольные технические по ГОСТ 11311-76* или фенолы каменноугольные жидкие в недостающем количестве, или контакт Петрова керосиновый в удвоенном количестве. Помимо фенолов в состав эмульгатора для обратных эмульсий необходимо вводить едкий натрий и поваренную соль.
8. В качестве эмульгаторов для паст использовать: известь (пушонку или молотую кипелку), содержащую не менее 60 % окиси кальция и магния, фильтрпрессную грязь - дефекат - отходы сахарного производства, хранившиеся в отвалах не более 1 года и содержащие не менее 80 % частиц 0,071 мм, и другие тонкодисперсные минеральные материалы.
9. Продолжительность перемешивания горячих дегтебетонных смесей в лопастных смесителях периодического действия должна соответствовать данным, приведенным в табл. 2.
Таблица 2
(СНиП 3.06.03-85, таблица 11)
|
Смеси |
Продолжительность перемешивания |
|
|
Сухого |
Мокрого |
|
|
Крупнозернистые |
- |
20-30 |
|
Мелкозернистые |
15 |
30-45 |
|
Песчаные |
15 |
45-60 |
|
Примечания: 1. Продолжительность перемешивания смесей в смесителях с противоточной схемой движения материалов увеличивают в 1,5-2 раза. 2. Продолжительность перемешивания крупнозернистых смесей в смесителях свободного действия должна составлять 120-180 с. 3. Продолжительность перемешивания холодных дегтебетонных смесей должна в 1,3-1,5 раза превышать продолжительность перемешивания анологичных горячих смесей. |
||
10. Для приготовления черного щебня следует применять битумы марок: БНД 40/60, БНД 60/90, БН 60/90,БНД 90/130, БН 90/130, БНД 130/200, БН 130/200,БНД 200/300, БН 200/300, МГ 130/200, СГ 130/200,МГ 70/130, СГ 70/130, МГО 70/130 и дегти марок Д-6 и Д-5.
11. Для приготовления черного щебня применяют также эмульсии прямые ЭБК-1, ЭБК-2, ЭБА-1, ЭБА-2 и обратные, а также обратные в сочетании с прямыми. Перемешивание щебня с прямой эмульсией следует прекращать после полного введения в мешалку необходимого количества эмульсии.
Время перемешивания щебня с обратной эмульсией определяется пробными замесами.
12. Температура черного щебня при выпуске из смесителя и укладке его в конструктивный слой должна соответствовать указаниям табл. 3.
Таблица 3
(СНиП 3.06.03-85, таблица 12)
|
Марка вяжущего |
Температура черного щебня, °С |
|||
|
при выпуске из смесителя |
при укладке в покрытие, не ниже |
|||
|
без поверхностноактивных веществ |
с поверхностно-активными веществами |
без поверхностно-активных веществ |
с поверхностно-активными веществами |
|
|
БНД 40/60, БНД 60/90, БН 60/90, БНД 90/130, БН 90/130 |
140-160 |
120-140 |
120 |
100 |
|
БНД 130/200, |
110-130 |
100-120 |
80 |
80 |
|
БН 130/200, |
|
|
|
|
|
БНД 200/300, |
|
|
|
|
|
БН 200/300 |
|
|
|
|
|
СГ 130/200, МГ 130/200 |
90-110 |
80-100 |
70 |
70 |
|
СГ 70/130, БГ 70/130, Д-5 |
80-110 |
80-110 |
Весной 5 |
- |
|
|
|
|
Осенью 10 |
|
|
Д-6 |
100-120 |
- |
80 |
- |
|
ЭБА-1, ЭБА-2, ЭБК-1, |
Без нагрева |
- |
Весной 5 |
|
|
ЭБК-2 |
|
Осенью 10 |
|
|
|
Эмульсии обратные |
40-60 |
- |
Минус 5 |
- |
13. Покрытие по способу пропитки устраивают из щебня изверженных пород марки не ниже 800 или осадочных и метаморфических марки не ниже 600. Щебень, используемый для устройства оснований, должен иметь марку не ниже 600.
14. При устройстве конструктивного слоя по способу пропитки следует применять щебень четырех фракций размером 40-70, 20-40 (25-40), 10-20 (или 15-25), 5-10(или 3-15) мм.
При толщине слоя покрытия менее 8 см применяют только три последние фракции. Последнюю, наиболее мелкую фракцию, предназначенную для создания защитного слоя, при устройстве оснований применять не следует.
15. Объем щебня основной (первой) фракции размером40-70 мм или 20 (25)-40 мм определяют с учетом коэффициента 0,9 к проектной толщине основания или покрытия и увеличения этого объема в 1,25 раза на уплотнение. Объем каждой последующей фракции щебня принимаю травным 0,9-1,1 м3 на 100 м2 основания или покрытия. Расход вяжущего принимают равным 1,0-1,1 л/м2 на каждый сантиметр толщины слоя и дополнительно 1,5-2,0 л/м2 для покрытия. При использовании эмульсии ее концентрация должна быть 50-55% при применении известнякового щебня и 55-60 % при применении гранитного щебня, а расход соответственно увеличен.
16. Для обработки минеральных материалов смешением на дороге следует, как правило, применять битумы марок СГ-40/70, МГ 40/70, СГ 70/130, МГ 70/130, дегти марок Д-3, Д-4, а также битумные эмульсии ЭБА-3, ЭБК-3. Более вязкие битумы и дегти применяют в районах с жарким климатом.
1. Покрытия и основания из горячей и холодной дегтебетонной смеси устраивают в сухую погоду при температуре воздуха не ниже 5°С. Осенью заканчивают укладку холодных дегтебетонных смесей за 15-20 дней до наступления устойчивых отрицательных температур.
2. Перед укладкой смеси необходимо обработать поверхность слоя, на который будет укладываться дегтебе-тонная смесь, дегтем марки Д-3 или Д-4 из расчета 0,5- 0,8 л/м2 при обработке основания и 0,2-0,3 л/м2 при обработке нижнего слоя покрытия. При укладке смеси на свежеуложенный нижележащий слой из материалов, обработанных дегтем, обрабатывать эту поверхность вяжущим не следует.
3. Толщина слоя горячей дегтебетонной смеси в неуплотненном состоянии при использовании укладчика должна быть на 15-25 % больше проектной толщины слоя, при ручной укладке - на 25-35 %.
При укладке холодной дегтебетонной смеси толщина слоя в неуплотненном состоянии должна быть на 50-60 % больше проектной.
4. Уплотнять слои из горячего дегтебетона следует в соответствии с требованиями, предъявляемыми к укладке асфальтобетонных смесей.
5. Слои из холодных дегтебетонных смесей уплотняют катком массой 6-8 т. Окончательную плотность эти слои приобретают от движения транспорта.В течение первых двух недель скорость движения транспорта по слою холодного дегтебетона не должна превышать 40 км/час.
1.Покрытия и основания из горячего и холодного черного щебня на битумах устраивают при температуре воздуха не ниже 5°С. Черный щебень, приготовленный с дегтем Д-5 и Д-6, укладывают при температуре не ниже 0°С.
2. Свежеприготовленный черный щебень и смеси, обработанные анионной эмульсией, укладывают при температуре воздуха не ниже 10°С, катионной - не ниже 5°С, обратной совместно с прямой или одной обратной - не ниже минус 5оС. Черный щебень и смеси из штабеля укладывают при температуре воздуха не ниже -5 оС.
3. Работы по устройству покрытий и оснований из черного щебня производят в следующем порядке:
- распределение основной фракции щебня 20-40 мм слоем на 25-30 % более проектной толщины;
- уплотнение катком массой 6-8 т (4-6 проходов по одному следу);
- распределение расклинивающей фракции 10-20 мм;
- уплотнение катком массой 10-13 т (3-4 прохода по одному следу);
- распределение второй расклинивающей фракции 5-10 мм;
- уплотнение катком 10-13 т (3-4 прохода по одному следу).
Разрешается при устройстве основания использовать для основного слоя фракцию щебня 40-70 мм и для расклинивания соответственно 20-40 и 10-20 мм.
4. При приготовлении черного щебня из смеси фракции 5-40 или 5-20 мм конструктивный слой устраивают за один прием без расклинивания.
5. Перед укладкой черного щебня и смесей поверхность нижележащего слоя, на которую их укладывают, должна быть обработана вяжущим (разжиженный битум, деготь, эмульсия) из расчета 0,5-0,8 л/м2.
6. Холодный черный щебень и смеси хранят в штабелях высотой не более 2 м. Свежеприготовленный материал перелопачивают ковшом экскаватора до его охлаждения. Срок хранения холодного щебня на битумах класса СГ и дегтя не должен превышать 4 месяца, на битумах класса МГ и эмульсиях - 8 месяцев. Срок хранения смесей на эмульсиях не должен превышать 4 месяца.
1. Устраивать покрытия и основания из щебня по способу пропитки битумом, дегтем или эмульсиями следует в сухую погоду при температуре воздуха не ниже 5°С. При использовании эмульсий при температуре воздуха не ниже 10°С их применяют в теплом виде (с температурой 40-50оС).
2. Работы по устройству покрытий и оснований способом пропитки битумом или дегтем производят в следующем порядке:
- распределение основной фракции щебня;
- уплотнение катком массой 6-8 т (5-7 проходов по одному следу);
- розлив 50% вяжущего от общего расхода;
- распределение расклинивающей фракции щебня;
- уплотнение катком массой 10-13 т (2-4 прохода по одному следу);
- розлив 30% вяжущего от общего расхода;
- распределение второй расклинивающей фракции щебня;
- уплотнение катком массой 10-13 т (3-4 прохода по одному следу);
- розлив 20% вяжущего;
- распределение замыкающей фракции щебня;
- уплотнение катком (3-4 прохода по одному следу).
При использовании в качестве вяжущего эмульсий первый розлив вяжущего (70 % эмульсии от общего расхода) делают после распределения первой расклинивающей фракции и ее уплотнения. Остальные 30 % эмульсии разливают после уплотнения второй расклинивающей фракции.
3. При температуре до 20°С щебень основной фракции уплотняют, как правило, без увлажнения. При температуре воздуха выше 20°С щебень поливают водой в количестве 8-10 л/м2. В этом случае разливать битум или деготь следует только после просыхания щебня, а эмульсию - по влажному щебню.
4. Все работы по россыпи расклинивающих фракций и их уплотнению производят после розлива вяжущего до его остывания.
При использовании вяжущего в виде битумных эмульсий устраивать защитный слой на покрытии с использованием последней, наиболее мелкой фракции щебня, а также устраивать покрытие по подготовленному основанию следует через 10-15 сут при пропитке анионными эмульсиями и через 3-5 сут - при пропитке катионными.
5. Движение построечного транспорта разрешается только после окончания укатки последней, наиболее мелкой фракции щебня со скоростью до 40 км/ч.
При использовании эмульсий движение следует открывать через 1-3 суток после уплотнения предпоследней расклинивающей фракции щебня при устройстве покрытия и последней фракции щебня при устройстве основания.
1. Основания и покрытия из щебеночных, гравийных и песчаных смесей, обработанных органическими вяжущими материалами смешением на дороге, следует устраивать при температуре воздуха не ниже 15°С и заканчивать за 15-20 суток до начала периода дождей или устойчивой температуры воздуха ниже 10°С.
2. Битумом или дегтем следует обрабатывать каменные материалы влажностью не более 4%. При большей влажности смесь должна быть просушена путем перемешивания автогрейдером.
Влажность щебеночных и гравийных смесей, обрабатываемых эмульсией в сухую и ветреную погоду и при температуре воздуха выше 15°С, должна быть не менее 5 %, а песчано-щебеночных и песчано-гравийных смесей - на 1-2 % выше оптимальной.
3. Число проходов автогрейдера назначают в зависимости от объема смешиваемых материалов и температуры воздуха.
4. Готовую смесь следует распределять по всей шири непроезжей части. Смесь уплотняют катками массой 6-8 тонн ориентировочно 3-5 проходами по одному следу.
Движение построечного транспорта разрешается открывать сразу после окончания уплотнения. При этом его следует регулировать по всей ширине проезжей части и ограничивать скорость до 40 км/час. Коэффициент уплотнения должен быть не менее 0,96 через 30 сут после устройства покрытия или основания.
5. Устраивать покрытие или защитный слой на основаниях из смесей, приготовленных способом смешения на дороге, следует только после окончания формирования основания.
1. При приготовлении эмульсий следует контролировать:
постоянно - температуру битума и водного раствора эмульгатора;
не реже одного раза в смену - качество эмульсии по ГОСТ 18659-81.
2. При приготовлении дегтебетона следует контролировать:
- постоянно - температуру дегтя и минеральных материалов;
- в каждом автомобиле-самосвале - температуру дегтебетонной смеси;
- не реже одного раза в смену - качество смеси по ГОСТ 25877-83.
3. При устройстве оснований и покрытий из дегтебетонной смеси следует контролировать:
- в каждом автомобиле-самосвале - температуру дегтебетонной смеси;
- плотность дегтебетона в покрытии по трем вырубкам (кернам) на 1 км по ГОСТ 25877-83.
4. При устройстве оснований и покрытий из черного щебня и смесей, обработанных битумными эмульсиями в смесителе, следует контролировать:
- в каждом автомобиле-самосвале - температуру черного щебня;
- постоянно - визуально однородность смеси и качество уплотнения;
- качество смеси по показателям трех проб на 1 км.
5. При устройстве оснований и покрытий способом пропитки следует контролировать:
- при каждом розливе - температуру вяжущего материала;
- постоянно - визуально равномерность распределения материалов и качество уплотнения в соответствии с требованиями п. 4 предыдущего подраздела.
6. При устройстве оснований и покрытий способом смешения на дороге следует контролировать:
- при каждом розливе - температуру вяжущего материала;
- не реже одного раза в смену (и при выпадении осадков) - влажность минеральных материалов по ГОСТ 5180-84;
- постоянно - визуально однородность смеси и качество уплотнения;
- качество смеси - по показателям двух проб на 1 км по ГОСТ 12801-84;
- плотность материала в покрытии по трем вырубкам(кернам) на 1 км по ГОСТ 12801-84.
7. В процессе производства работ следует вести журналы приготовления смеси, температуры органических вяжущих, лабораторного контроля качества готовой смеси, укладки и уплотнения смеси по сменам.
8. При устройстве оснований и покрытий из дегтебетонных смесей, черного щебня и щебеночных смесей по способу пропитки органическими вяжущими и смешением на дороге необходимо соблюдать требования, приведенные в табл. 4.
Таблица 4
(СНиП 3.06.03-85, приложение 2)
|
Технические требования |
Предельные отклонения |
Контроль (метод, объем) |
|
|
1. Высотные отметки по оси |
±50 мм |
Измерительный, не реже, чем через каждые 100 м |
|
|
2. Ширина слоя |
±100 мм |
То же |
|
|
3. Толщина слоя |
±15 мм |
» |
|
|
4. Поперечные уклоны |
±0,01 |
» |
|
|
5. Ровность (просвет под рейкой длиной 3 м) для дорог: |
|||
|
|
Измерительный, не реже, чем через каждые 100 м, на расстоянии 0,75-1 м от каждой кромки основания, в пяти контрольных точках, расположенных на расстоянии 0,5 м от концов рейки и друг от друга |
|
|
|
- I, II, III категорий |
7 мм |
|
|
|
- IV, V категорий и внутренних дорог промышленных предприятй |
10 мм |
|
|
|
-1-е, II-c, Ш-с категорий |
15 мм |
|
1. Правила настоящего раздела следует соблюдать при контроле качества и приемке работ по устройству асфальтобетонных покрытий и оснований дорог, а также поверхностной обработке покрытий в соответствии с требованиями СНиП 3.06.03-85.
2. До начала строительства асфальтобетонных покрытий должно быть закончено создание земляного полотна и искусственного основания в соответствии с указаниями, изложенными в предыдущих разделах настоящего Руководства.
3. Асфальтобетонные смеси следует проектировать в зависимости от вида, типа и назначения асфальтобетона в соответствии с требованиями ГОСТ 9128-84.
4. Асфальтобетонные смеси следует приготовлять в асфальтобетонных установках, оборудованных смесителями принудительного перемешивания периодического или непрерывного действия.
5. Температуры битума, поступающего в смеситель, щебня, песка и отсевов дробления при выходе их из сушильного барабана и асфальтобетонной смеси при выпуске из смесителя, в зависимости от марки применяемого битума, должны соответствовать указанным в табл. 1. Минеральный порошок для приготовления асфальтобетонных смесей разрешается вводить в смеситель без подогрева.
Таблица 1
(СНиП 3.06.03-85, таблица 13)
|
Вид смеси, марка битума |
Температура, °С |
||
|
Битума, поступающего в смеситель |
Щебня (гравия), песка, отсевов дробления при выходе из сушильного барабана |
Смеси при выпуске из смесителя |
|
|
Горячая БНД 40/60. БНД 60/90. БНД 90/130, БН 60/90! БН 90/130 |
130-150 |
165-185 |
140-160 |
|
Теплая |
|
|
|
|
БНД 130/200, |
110-130 |
145-165 |
120-140 |
|
БН 130/200, |
|
|
|
|
БНД 200/300, |
|
|
|
|
БН 200/300 |
|
|
|
|
СГ 130/200 |
80-100 |
115-135 |
90-110 |
|
МГ 130/200, |
90-110 |
125-145 |
100-120 |
|
МГО 130/200 |
|
|
|
|
Холодная |
|
|
|
|
СГ 70/130, МГ 70/130, |
80-90 |
115-125 |
80-100 |
|
МГО 70/130 |
|
|
|
6. При применении активированных минеральных порошков или ПАВ температура битума, щебня, гравия, песка, отсевов дробления и готовой асфальтобетонной смеси должна быть снижена по сравнению с указанной в табл. 1:
- на 20 °С при применении битумов марок БНД 40/60,БНД 60/90, БНД 90/130, БН 60/90, БН 90/130;
- на 10 °С при применении битумов марок БНД 130/200, БНД 200/300, БН 130/200, БН 200/300.
7. Продолжительность транспортирования асфальтобетонных смесей должна устанавливаться из условия обеспечения температуры при укладке, указанной в табл. 2.
8. Холодные асфальтобетонные смеси до укладки следует хранить летом на открытых площадках, а в осенне-зимний период - в закрытых складах или под навесом в течение 4 мес при применении битумов класса СГ и 8 мес – классов МГ и МГО.
При хранении холодных асфальтобетонных смесей надлежит принимать высоту штабеля не более 2 м. Свежеприготовленную смесь следует перелопачивать ковшом экскаватора до ее остывания.
9. При устройстве поверхностной обработки следует применять щебень марки не ниже 1200 из трудношлифуемых изверженных и метаморфических горных пород
Таблица 2
(СНиП 3.06.03-85, таблица 14)
|
Вид смеси, марка битума |
Температура смеси в начале уплотнения, °С, для |
|
|
плотного асфальтобетона типов А и Б, пористого высокопористого асфальтобетонов содержанием щебня гравия) более 40 % массы |
плотного асфальтобетона типов В, Г и Д, пористого и высокопористого асфальтобетонов с содержанием щебня (гравия) менее 40% массы и высокопористого песчаного |
|
|
Горячая |
|
|
|
БНД 40/60, |
120-160 |
100-130 |
|
БНД 60/90, |
|
|
|
БНД 90/130, |
|
|
|
БН 60/90, |
|
|
|
БН 90/130 |
|
|
|
Теплая |
|
|
|
БНД 130/200, |
100-140 |
80-110 |
|
БНД 200/300, |
|
|
|
БН 130/200, |
|
|
|
БН 200/300 |
|
|
|
СГ 130/200, |
70-100 |
|
|
МГ 130/200, |
|
|
|
МГО 130/200 |
|
|
|
Холодная |
|
|
|
СГ 70/130. |
не ниже 5 |
|
|
МГ 70/130, |
|
|
|
МГО 70/130 |
|
|
фракций 5-10, 10-15 или 15-20 мм с преимущественно кубовидной формой зерен. Щебень должен быть чистым, не содержащим пыли и глины.
10. При устройстве поверхностной обработки с использованием битума в качестве вяжущего применяют битумы марок БНД 60/90, БНД 90/130, БНД 130/200, БН 60/90, БН 90/130, БН 130/200.
Битум должен выдерживать испытание на сцепление со щебнем, который будет применен для устройства поверхностной обработки. При неудовлетворительном сцеплении битума следует использовать добавки соответствующих ПАВ, а также производить предварительную обработку щебня битумом.
При устройстве поверхностной обработки на участках дорог с затрудненными и опасными условиями движения, а также в районах с резко континентальным климатом следует применять битум с добавками полимеров класса термоэластопластов.
11. При устройстве поверхностной обработки с использованием битумных эмульсий применяют преимущественно катионные эмульсии ЭБК-1,.ЭБК-2 и анионные ЭБА-1,ЭБА-2.
Эмульсии должны выдерживать испытание на сцепление пленки вяжущего со щебнем по ГОСТ 18659-81.
12. Для устройства поверхностной обработки покрытий применяют эмульсионно-минеральные смеси литой консистенции на основе катионной битумной эмульсии ЭБК-2 и ЭБК-3.
13. При устройстве поверхностной обработки из эмулъсионно-минеральных смесей следует использовать щебень из трудношлифуемых изверженных и метаморфических горных пород марки не ниже 1000 фракций 5-10(5-15) мм; преимущественно дробленые пески из изверженных горных пород прочностью не ниже 1000 или смесь дробленого и природного песков в соотношении 2: 1 или 1:1. Если поверхностная обработка выполняет роль только защитного слоя, возможно применение одного природного песка.
14. При устройстве поверхностной обработки битумными шламами следует применять щебень и песок в соответствии с.п. 13. Минеральный порошок, используемый в качестве эмульгатора для приготовления паст, должен отвечать требованиям ГОСТ 16557-78.
1. При строительстве асфальтобетонных покрытий в состав основных контролируемых операций входят:
- установка боковых упоров;
- ремонт, очистка и подгрунтовка основания;
- транспортировка, распределение и уплотнение асфальтобетонной смеси;
- устройство поверхностной обработки;
- уход в период формирования.
2. Покрытия и основания из асфальтобетонных смесей следует устраивать в сухую погоду. Укладку горячих и холодных смесей производят весной и летом при температуре окружающего воздуха не ниже 5°С, осенью - не ниже 10°С; теплых смесей -не ниже -10°С.
Допускается производить работы с использованием горячих асфальтобетонных смесей при температуре воздуха 0°С (не ниже) с соблюдением следующих требований:
- толщина устраиваемого слоя должна быть не менее 4 см;
- необходимо применять асфальтобетонные смеси с ПАВ или активированными минеральными порошками;
- устраивать следует, как правило, только нижний слой двухслойного асфальтобетонного покрытия; если зимой или весной по этому слою будут передвигаться транспортные средства, его следует устраивать из плотных смесей;
верхний слой допускается устраивать только на свежеуложенный нижний слой до его остывания (с сохранением температуры нижнего слоя не менее 20°С).
Укладку холодных асфальтобетонных смесей следует заканчивать ориентировочно за 15 дней до начала периода осенних дождей, за исключением смесей с активированными минеральными материалами.
3. Перед укладкой смеси (за 1-6 ч) необходимо произвести обработку поверхности нижнего слоя битумной эмульсии жидким или вязким битумом, нагретым до температуры, указанной в табл. 1.
Норму расхода материалов, л/м2, следует устанавливать:
- при обработке битумом основания - равной 0,5-0,8; нижнего слоя асфальтобетонного покрытия - 0,2-0,3;
- при обработке 60 %-ной битумной эмульсии основания - 0,6-0,9; нижнего слоя асфальтобетонного покрытия - 0,3-0,4.
Обработку нижнего слоя вяжущим можно не производить в случае, если интервал времени между устройством верхнего и нижнего слоев составляет не более 2-х суток и отсутствовало движение построечного транспорта.
4. Укладку асфальтобетонных смесей следует осуществлять асфальтоукладчиком, как правило, на всю ширину.
В исключительных случаях допускается укладка смесей в нижний слой покрытия и в основание автогрейдером. При этом вдоль краев слоя следует устанавливать упорные брусья.
В местах, недоступных для асфальтоукладчика, допускается ручная укладка.
5. При укладке горячих, теплых и холодных (в горячем состоянии) асфальтобетонных смесей асфальтоукладчиками толщина укладываемого слоя должна быть на 10-15 % больше проектной, а при укладке автогрейдером или ручной укладке - на 25-30 %.
При укладке холодной асфальтобетонной смеси из штабеля асфальтоукладчиком (с выключенными уплотняющими рабочими органами) и при укладке автогрейдером или вручную толщина слоя должна быть на 60-70% выше проектной.
При укладке конструктивных слоев толщиной более 10 см следует, как правило, применять асфальтоукладчики с активными уплотняющими органами.
6. При использовании асфальтоукладчиков с трамбующим брусом и пассивной выглаживающей плитой, а также при использовании асфальтоукладчиков с трамбующим брусом и виброплитой при укладке смесей для плотного асфальтобетона типов А и Б и для пористого и высокопористого асфальтобетонов с содержанием щебня более 40 % скорость укладки должна составлять 2-3 м/мин.
7. При укладке смесей для плотного асфальтобетона типов В, Г и Д, а также для пористого и высокопористого асфальтобетона с содержанием щебня менее 40 % и высокопористого песчаного скорость укладки может быть увеличена до 4-5 м/мин.
8. Температура асфальтобетонных смесей при укладке в конструктивные слои дорожной одежды должна соответствовать ГОСТ 9128-84.
Уплотнение смесей начинают непосредственно после их укладки, соблюдая при этом температурный режим, указанный в табл. 2.
9. При использовании асфальтоукладчика с трамбующим брусом и пассивной выглаживающей плитой (типаДС-126А, ДС-143) следует уплотнять:
- смеси для плотного асфальтобетона типов А и Б, а также для пористого и высокопористого асфальтобетонов с содержанием щебня более 40% сначала катком на пневматических шинах массой 16 т (6-10 проходов), гладко-вальцовым катком массой 10-13 т (8-10 проходов) или вибрационным катком массой 6-8 т (5-7 проходов) и окончательно - гладковальцовым катком массой 11-18 т (6-8 проходов);
- смеси для плотного асфальтобетона типов В, Г и Д, а также для пористого и высокопористого асфальтобетонов с содержанием щебня менее 40 % и высокопористого песчаного сначала гладковальцовым катком массой 6-8 тили вибрационным катком массой 6-8 т с выключенным вибратором (2-3 прохода), затем катком на пневматических шинах массой 16 т (6-10 проходов) или гладковальцовым катком массой 10-13 т (8-10 проходов), или вибрационным катком массой 6-8 т с включенным вибратором (3-4 прохода) и окончательно - гладковальцовым катком массой 11-18 т (4-8 проходов).
Скорость катков в начале укатки должна быть не более 1,5-2 км/ч; после 5-6 проходов скорость может быть увеличена до 3-5 км/ч для гладковальцовых катков, 3 км/ч - для вибрационных катков и 5-8 км/ч - для катков на пневматических шинах.
10. При использовании асфальтоукладчиков с трамбующим брусом и виброплитой (типа ДС-155) следует уплотнять:
- смеси для плотного асфальтобетона типов А и Б, а также для пористого и высокопористого асфальтобетонов с содержанием щебня свыше 40 % сначала гладковальцовым катком массой 10-13 т, катком на пневматических шинах массой 16 т или вибрационным катком массой 6-8 т (4-6 проходов), а затем - гладковальцовым катком массой 11-18 т (4-6 проходов);
- смеси для плотного асфальтобетона типов В, Г и Д, а также для пористого, высокопористого асфальтобетонов и высокопористого песчаного с содержанием щебня менее 40% сначала гладковальцовым катком массой 6-8 тили вибрационным катком 6-8 т с выключенным вибратором (2-3 прохода), а затем гладковальцовым катком массой 10-13 т (6-8 проходов), катком на пневматических шинах массой 16 т или вибрационным катком 6-8 т с включенным вибратором (4-6 проходов) и окончательно -гладковальцовым катком массой 11-18 т (4 прохода).
Скорость катков в начале укатки должна быть не больше, км/ч: гладковальцовых - 5, вибрационных - 3, на пневматических шинах- 10.
При первом проходе гладковальцовых катков ведущие вальцы должны быть впереди.
11. Холодные асфальтобетонные смеси предварительно следует уплотнять катком на пневматических шинах (6-8 проходов) или гладковальцовым массой 6-8 т (4-6 проходов), а окончательное уплотнение достигается от движения транспортных средств, которое следует регулировать по всей ширине проезжей части, ограничивая скорость движения до 40 км/ч. Предварительное уплотнение холодных асфальтобетонных смесей с активированными минеральными материалами допускается также производить катками массой 10-13 т, однако при появлении трещин укатку следует прекратить.
12. При укладке асфальтобетонных смесей толщиной 10-18 см уплотнение следует выполнять сначала самоходным катком на пневматических шинах (6-8 проходов),затем гладковальцовыми массой 11-18 т (4-6 проходов).
Рабочая скорость движения катков при уплотнении слоев повышенной толщины при первых двух-трех проходах не должна превышать 2-3 км/ч, при последующих - 12- 15 км/ч. Давление воздуха в шинах катка в начале укатки должно быть не более 0,3 МПа, в конце - 0,8 МПа.
13. При укладке смесей сопряженными полосами применяют 2 и более укладчика или производят разогрев кромок ранее уложенной полосы с помощью инфракрасных излучателей, а при их отсутствии производят разогрев кромки ранее уложенной полосы путем укладки на нее горячей смеси шириной 10-20 см. После разогрева кромки смесь следует сдвинуть на устраиваемую полосу до ее уплотнения.
14. При укладке асфальтобетонных смесей сопряженными полосами в процессе уплотнения первой полосы вальцы катка не должны приближаться более, чем на 10 см к кромке сопряжения. Уплотнение следующей полосы необходимо начинать по продольному сопряжению. Сопряжение полос должно быть ровным и плотным.
15. Поперечные сопряжения полос, устраиваемых из асфальтобетонных смесей, должны быть перпендикулярными оси дороги.
В конце рабочей смены край уплотненной полосы следует обрубать вертикально по шнуру и при возобновлении работ разогревать в соответствии с требованиями п. 13 либо обмазывать битумом или битумной эмульсией. При укладке в конце укатываемой полосы упорной доски край обрубать не следует.
16. Обнаруженные на покрытии или основании после окончания укатки участки с дефектами (раковины, участки с избыточным или недостаточным содержанием битума и пр.) должны быть вырублены; края смазаны битумом или битумной эмульсией, заполнены асфальтобетонной смесью и уплотнены.
17. Перед устройством асфальтобетонного слоя по существующему покрытию в процессе реконструкции необходимо устранить дефекты (трещины, выбоины) старого покрытия, обработать его поверхность в соответствии с п.3. При глубине колеи на старом покрытии более 1 см его следует предварительно выровнять смесью и уплотнить.
18. При выполнении работ, направленных на повышение сцепления шин автомобилей с поверхностью покрытия, втапливают черный щебень в неуплотненный слой асфальтобетонной смеси.
19. Для втапливания следует применять преимущественно холодный, а также теплый черный щебень фракций 5-10, 10-15 или 15-20 мм.
20. Уложенный слой горячей и теплой асфальтобетонной смеси следует уплотнить одним-двумя проходами катка массой 6-8 т, после чего рассыпать черный щебень равномерным слоем в одну щебенку.
Норма расхода черного щебня при использовании фракций:
|
5-10 мм 10-15 мм 15-20 мм
|
6-8 кг/м2 7-10 кг/м2 9-12 кг/м2 |
21. Температура смеси в слое к моменту распределения черного щебня должна быть в пределах 90-110°С для горячих смесей и 60-80°С - для теплых.
22. После распределения черный щебень следует втопить в уложенный слой катками с гладкими вальцами массой 10-13 т или катками на пневматических шинах одновременно с до уплотнением асфальтобетонной смеси.
1. Работы по устройству поверхностной обработки покрытий следует выполнять при температуре воздуха не ниже 15°С. При использовании катионной эмульсии для устройства поверхностной обработки - при температуре воздуха не ниже 5°С.
2. Расход вяжущего и щебня при устройстве поверхностной обработки с использованием фракционного щебня должен соответствовать нормам, указанным в табл. 3.
3. Температура битума во время розлива: для марок БНД 60/90, БНД 90/130, БН 60/90, БН 90/130 должна быть 130-160°С; для марок БНД 130/200, БН 130/200 - 100-130°С.
Щебень следует распределять механизированным способом сразу после розлива битума слоем в одну щебенку и укатывать катком за 4-5 проходов по одному следу.
Таблица 3
(СНиП 3.06.03-85, таблица 15)
|
Размер щебня, мм |
Норма расхода |
|||
|
Щебня, м3/100 м2 |
Битума, л/м2 |
Эмульсии, л/м2, при концентрации битума, % |
||
|
60 |
50 |
|||
|
Одиночная поверхностная обработка |
||||
|
5-10 |
0,9-1,1 |
0,7-1,0 |
1,3-1,5 |
1,5-1,8 |
|
10-15 |
1,1-1,2 |
0,9-1,0 |
1,5-1,7 |
1,8-2,0 |
|
15-20 |
1,2-1,4 |
1,0-1,3 |
1,7-2,0 |
2,0-2,4 |
|
Двойная поверхностная обработка |
||||
|
15-20 |
первая россыпь 1,1-1,3 |
первый розлив 0,9-1,1 |
1,5-1,8 |
1,8-2,2 |
|
5-10 |
вторая россыпь 0,7-1,0 |
второй розлив 0,7-1,0 |
1,3-1,5 |
1,5-1,8 |
|
Примечание: При применении ченого щебня нормы расхода вяжущего снижаются на 20-25 % |
||||
В течение первых 2-3 сут. эксплуатации необходимо ограничивать скорость движения автомобилей до 40 км/ч и регулировать его по ширине проезжей части. Незакрепившийся щебень должен быть удален с покрытия.
4. При устройстве поверхностной обработки с применением катионных битумных эмульсий следует использовать щебень, не обработанный предварительно органическим вяжущим, при использовании анионных эмульсий -преимущественно черный щебень.
5. Поверхностную обработку с использованием битумных эмульсий следует производить в следующем порядке:
- розлив эмульсии по покрытию в количестве 30% нормы;
- распределение щебня в количестве 70% нормы;
- розлив остального количества эмульсии;
- распределение остального количества щебня;
- укатка.
6. При температуре воздуха ниже 20°С следует применять эмульсии с концентрацией битума 55-60% и температурой 40-50°С. При температуре воздуха выше 20°С подогревать эмульсию не следует, а концентрация битума может быть снижена до 50 %.
Распределение и укатку щебня следует производить в соответствии с п. 3. При использовании анионных эмульсий движение автомобилей разрешается открывать не ранее, чем через сутки после окончания работ.
7. Поверхностную обработку из эмульсионно-минеральных смесей следует устраивать с помощью однопроходной машины по предварительно очищенному и увлажненному покрытию слоем 5-10 мм (20-25 кг/м2) для песчаных смесей и 10-15 мм (25-30 кг/м2) для щебеночных.
Уплотнение распределенной смеси катками не производится. Движение построечного транспорта можно открывать сразу после окончания работ с ограничением скорости до 40 км/ч в течение суток.
8. Битумный шлам следует распределять по поверхности покрытия слоем 5-15 мм (20-25 кг/м2).
Устроенную поверхностную обработку до ее подсыхания следует ограждать от наезда построечного транспорта. В течение первых суток движения транспорта скорость не должна превышать 30 км/ч, в дальнейшем - 40 км/ч до тех пор, пока слой не сформируется настолько, чтобы зерна минерального материала не вырывались из него при движении.
1. В процессе работ по устройству асфальтобетонных покрытий следует вести журналы лабораторного контроля качества исходных материалов и готовых асфальтобетонных смесей, температуры битума, температуры смеси на месте приготовления и укладки, а также журнал укладки и уплотнения смеси по сменам.
2. При приготовлении асфальтобетонной смеси следует контролировать:
- постоянно - температуру битума и минеральных материалов, а температуру готовой асфальтобетонной смеси- в кузове каждого автомобиля-самосвала;
- не реже одного раза в смену - качество смеси по ГОСТ 9128-84 и ГОСТ 12801-84 и битума по ГОСТ 11501-78* и ГОСТ 11503-74*;
- не реже одного раза в 10 смен - качество щебня, песка и минерального порошка по ГОСТ 9128-84,
3. При устройстве асфальтобетонных покрытий и оснований необходимо соблюдать требования, приведенные в табл. 4.
Таблица 4
(СНиП 3.06.03-85, приложение 2)
|
Технические требования |
Предельные отклонения |
Контроль (метод, объем) |
|
1. Высотные отметки по оси |
±50 мм |
Измерительный, не реже, чем через каждые 100 м |
|
2. Ширина слоя |
±100 мм |
То же |
|
3. Толщина слоя |
±10 мм |
Измерительный, не реже, чем через каждые 100 м |
|
4. Поперечные уклоны |
+0,01 |
То же |
|
5. Ровность (просвет под рейкой длиной 3 м) |
5мм |
Измерительный, на расстоянии 0,75-1 м от каждой кромки основания, в пяти контрольных точках, расположенных на расстоянии 0,5 м от концов рейки и друг от друга |
4. В процессе строительства покрытия и основания дополнительно следует контролировать:
- температуру горячей и теплой асфальтобетонной смеси в каждом автомобиле-самосвале;
- постоянно - качество продольных и поперечных сопряжений укладываемых полос;
качество асфальтобетона по показателям кернов (вырубок) в трех местах на 7000 м2 покрытия по ГОСТ 9128-84 и ГОСТ 12801-84, а также прочность сцепления слоев покрытия.
Вырубки или керны следует отбирать в слоях из горячих и теплых асфальтобетонов через 1-3 сут после их уплотнения, а из холодных - через 15-30 сут на расстоянии не менее 1 м от края покрытия.
5. Коэффициенты уплотнения конструктивных слоев дорожной одежды должны быть не ниже:
0,99 - для плотного асфальтобетона из горячих и теплых смесей типа А и Б;
0,98 - для плотного асфальтобетона из горячих и теплых смесей типов В, Г и Д, пористого и высокопористого асфальтобетона;
0,96 - для асфальтобетона из холодных смесей.
6. При устройстве поверхностной обработки следует контролировать:
- температуру битума в каждом битумовозе;
- постоянно - однородность, чистоту и равномерность распределения щебня, равномерность распределения вяжущего материала;
- не реже одного раза в смену - сцепление вяжущего материала с поверхностью зерен щебня по ГОСТ 12801-84 и ГОСТ 18659-81, соответствие состава эмульсионно-минеральных смесей и шламов проекту, нормы расхода материалов путем взвешивания распределенного материала на площади 0,25 м2.
1. Правила настоящего раздела следует соблюдать при контроле качества и приемке работ по устройству монолитных цементобетонных покрытий и оснований и сборных покрытий из железобетонных плит, а также по устройству обстановки дорог в соответствии с требованиями СНиП 3.06.03-85.
В разделе рассматриваются только специфические вопросы производства и контроля качества бетонных и железобетонных работ, касающиеся устройства указанных покрытий и оснований. Общие правила контроля качества и приемки бетонных работ приведены в разделе «Бетонные и железобетонные работы», часть I, настоящего Руководства.
2. До начала устройства покрытий, оснований должно быть закончено создание земляного полотна и искусственного основания в соответствии с требованиями, изложенными в предыдущих разделах настоящего Руководства.
3. Устройство обстановки дороги следует выполнять после окончания работ по планировке и укреплению обочин, откосов земляного полотна и устройства присыпных берм.
4. Материалы, применяемые для устройства цементо-бетоных покрытий и оснований, должны соответствовать ГОСТ, ТУ и удовлетворять требованиям, изложенным в разделе «Требования к строительным материалам и изделиям», часть III, настоящего Руководства.
5. Бетонная смесь, предназначенная для укладки в покрытие-основание и технология работ должны соответствовать следующим дополнительным требованиям:
- наибольшая крупность заполнителя в бетоне не должна превышать: 20 мм - для верхнего слоя двухслойных покрытий, бетонируемых методом сращивания слоев; 40 мм для однослойных и нижнего слоя двухслойных покрытий; 70 мм - для оснований;
- показатели удобоукладываемости бетонной смеси на месте бетонирования должны соответствовать данным, приведенным в табл. 1;
- продолжительность транспортирования бетонной смеси не должна превышать 30 мин при температуре воздуха от 20 до 30°С и 60 мин - при температуре воздуха ниже 20оС;
Таблица 1
(СНиП 3.06.03-85, таблица 16)
|
Машины и оборудование для уплотнения бетонной смеси в покрытии (основании) |
Удобоукладываемость по ГОСТ 10181.1-81 |
|
|
подвижность, см, не более |
жесткость, с, не менее |
|
|
Бетоноукладчик на колесно-рельсовом ходу (в рельс-формах) |
2 |
8 |
|
Бетоноукладчик со скользящей опалубкой при скорости движения, м/мин: |
|
|
|
2 и менее |
2 |
8 |
|
от 2 и 2,5 |
3 |
5 |
|
от 2,5 до 3,0 |
4 |
3 |
|
Вибрационные катки и другое аналогичное оборудование |
4 |
3 |
|
Вибрационные катки и другое анологичное оборудование |
- |
30 |
- в процессе транспортирования бетонную смесь следует защищать от воздействия атмосферных осадков и испарения влаги;
- бетонировать покрытия и основания при максимальной суточной температуре воздуха свыше 30°С, перепаде температуры воздуха за сутки более 12°С и относительной влажности воздуха менее 50 %, что характерно для сухого и жаркого климата, следует, как правило, в вечерние и ночные часы.
6. Сборные железобетонные плиты, применяемые для покрытий дорог, должны удовлетворять следующим требованиям:
- отклонения геометрических размеров плит от проектных не должны превышать: по длине ±8 мм, по ширине ±5 мм, по толщине ±5 мм, по толщине защитного слоя бетона ±3 мм;
- отклонения по расположению стыковых и монтажных скоб допускаются: в плане и по высоте ±5 мм, выступы за грань плиты +3 мм;
- на поверхности плит не должно быть трещин, величина искривления плоскостей не должна превышать 5 мм на всю длину или ширину плиты, величина местных неровностей - не более 5 мм.
1. Качество монолитных покрытий и оснований обеспечивается путем контроля за выполнением следующих процессов:
- установка опалубки, арматуры, элементов стыковых соединений и прокладок;
- приготовление и транспортировка бетонной смеси;
- укладка и уплотнение бетонной смеси, отделка поверхности покрытия;
- устройство швов сжатия и расширения;
- уход за свежеуложенным бетоном;
- снятие опалубки, присыпка обочин.
2. Чистовую профилировку основания необходимо производить на ширину, обеспечивающую движение ходовой части бетоноукладочных машин.
При устройстве покрытия в рельс-формах основание или выравнивающий слой следует профилировать на всю ширину покрытия после установки рельс-форм.
3. Автоматическая система задания вертикальных отметок рабочих органов машин должна работать, как правило, от двух копирных струн. Отклонение копирной струны от вертикальных отметок не должно превышать ±3 мм.
При укладке смежной полосы бетонирования, когда гусеницы бетоноукладчика с одной стороны движутся по ранее уложенной полосе, копирная струна со стороны уложенной полосы не устанавливается.
Копирную струну следует закреплять в кронштейнах на стойках, устанавливаемых на расстоянии не более 15 м друг от друга на прямых участках и 4-5 м на криволинейных участках и виражах.
4. Рельс-формы должны быть установлены на спланированное основание шириной не менее 0,5 м с каждой стороны полосы бетонирования (из щебня, гравия или грунта, укрепленного вяжущими материалами) или на уширенное для этого основание под покрытие. Не допускается осадка основания от воздействия бетоноукладочных машин во время укладки. Для этого установленные рельс-формы следует обкатывать наиболее тяжелой машиной комплекта.
Отклонения отметок рельс-форм после обкатки не должны превышать ±5 мм.
Рельс-формы непосредственно перед укладкой бетонной смеси необходимо смазать с внутренней стороны отработанным маслом.
Рельс-формы следует снимать не ранее 24 ч после укладки бетонной смеси.
5. Установку арматуры, прокладок и штырей деформационных швов следует производить после установки рельс-форм и окончательного уплотнения и профилирования.
6. Бетонную смесь следует распределять с помощью распределителя с учетом припуска на уплотнение, величину которого следует устанавливать в зависимости от величины покрытия и удобоукладываемости смеси и определять при пробном бетонировании. Допускается распределение бетонной смеси бетоноукладчиком в случае выгрузки бетонной смеси на основание.
7. Незначительные неровности и мелкие дефекты поверхности покрытия после прохода бетоноукладчика следует исправлять с помощью трубного финишера. Трубы финишера следует слегка увлажнить тонкораспыленной водой через систему орошения.
8. Уплотнение и отделку бетона в покрытии производят, как правило, непрерывно, избегая остановок бетоноотделочной машины с включенными вибраторами.
9. Шероховатость бетонного покрытия следует устраивать путем обработки поверхности свежеуложенного бетона мешковиной, щетками, дисковой накаткой и др.
Средняя глубина бороздок шероховатости, определяемая по методу «песчаного пятна», в зависимости от требуемой величины коэффициента сцепления колеса с покрытием должна быть в пределах 0,5-1,5 мм. Фактура обработанного покрытия должна быть однородной.
10. На полосах уширения проезжей части (на закруглениях, у съездов и т. п.), на площадках, примыкающих к основной дороге, покрытия следует устраивать с применением специальных укладчиков или средств малой механизации.
Уплотнение бетонной смеси средствами малой механизации следует выполнять прямыми непрерывными полосами с перекрытием полос на 5-10 см.
11. Устройство двухслойных бетонных покрытий следует производить комплектом машин, передвигающихся по релъс-формам, и, как правило, с использованием двух распределителей.
Интервалы во времени между укладкой нижнего и верхнего слоев должны быть: при температуре воздуха 5-20°С - не более 1 ч; при температуре 20-25°С - не более 45 мин и при температуре 25-30°С - не более 30 мин.
12. Для ухода за бетоном следует применять пленкообразующие материалы, которые наносятся на бетонную поверхность в количестве не менее 400 г/м2 при температуре воздуха до 25°С и 600 г/м2 при температуре 25°С и выше, как правило, в два слоя с интервалом в 20-30 мин.
13. Пленкообразующие материалы необходимо наносить путем распыления много сопловым распределителем равномерно на всю открытую поверхность плиты (включая и боковые грани) после завершения работ по отделке покрытия. Пленкообразующие материалы типа ПН наносят после испарения влаги с поверхности бетона (поверхность становится матовой), а водную эмульсию - сразу после окончания отделки поверхности бетонного покрытия.
В случае задержки с нанесением пленкообразующих материалов во избежание высыхания поверхности свежеуложенный бетон необходимо предварительно защитить, как правило, путем нанесения депрессора испарения влаги. В качестве депрессора испарения влаги следует применять депрессор марки ДСШ при расходе 5-10 г/м2. Допускается применение влажной мешковины.
В случае выпадения осадков следует применять рулонные пароводонепроницаемые материалы.
При отсутствии пленкообразующих материалов допускается применять для ухода за бетоном слой песка или супеси толщиной 4-6 см, поддерживаемый во влажном состоянии.
Уход за свежеуложенным бетоном следует осуществлять до момента достижения бетоном проектной прочности, но не менее 28 сут.
14. При максимальной суточной температуре воздуха 25°С и выше темные пленкообразующие материалы после формирования пленки следует осветлять путем нанесения суспензии алюминиевой пудры или известкового раствора. Допускается вместо осветления наносить на поверхность пленки из темных материалов слой песка (супеси) толщиной 4-6 см.
15. Пазы деформационных швов следует нарезать преимущественно в затвердевшем бетоне алмазными дисками при достижении бетоном прочности на сжатие в пределах 8,0-10,0 МПа. Допускается устройство пазов швов расширения закладкой в свежеуложенный бетон эластичной прокладки и нарезка по ней паза в затвердевшем бетоне.
16. Элемент шва расширения в собранном виде (каркас, дощатая прокладка, штыри) следует перед бетонированием надежно закрепить штырями на основании в соответствии с проектным положением.
Верх дощатой прокладки, заостренной под углом 60°, не должен доходить до поверхности покрытия на 10-12 мм; стальные штыри следует располагать в дощатой прокладке параллельно поверхности устраиваемого покрытия и оси полосы бетонирования. До установки в проектное положение дощатую прокладку следует 24 ч вымачивать в воде или смазать со всех сторон разжиженным битумом, битумной эмульсией, минеральными маслами. Штыри с одного конца до середины обмазывать слоем разогретого битума.
17. При устройстве покрытия в скользящих формах с применением распределителя бетонной смеси деревянную прокладку следует обрезать с обоих концов приблизительно на 15 см для обеспечения прохода распределителя и затем после прохода бетоноукладчика восстановить ее вручную. При работе без распределителя прокладку необходимо обрезать с обоих концов приблизительно на 2-3 см.
При бетонировании покрытия в рельс-формах зазор между стенкой рельс-форм и примыкающим к ней торцом дощатой прокладки не должен превышать 5 мм.
Зазор между торцами прокладок по оси покрытия при любых способах бетонирования не допускается.
Ширину паза следует нарезать на 3-5 мм больше ширины доски. Пазы швов расширения в свежеуложенном бетоне следует устраивать, как правило, с помощью резинового шаблона заводского изготовления.
18. Штыри поперечных швов сжатия следует устанавливать в проектное положение до бетонирования покрытия с использованием поддерживающих устройств или втапливать в свежеуложенный бетон вибропогружателем.
19. Время начала нарезки пазов определяют на основании данных прочностей бетона, требований п. 15 и уточняют путем пробной нарезки. При пробной нарезке выкрашивание кромок швов не должно превышать 2-3 мм.
Для обеспечения равномерного срабатывания швов сжатия их необходимо, как правило, нарезать подряд (последовательно по полосе бетонирования).
При суточных перепадах температуры воздуха менее 12°С пазы поперечных швов сжатия в покрытии следует, как правило, нарезать в тот же день. Если прочность бетона не достигает в этот период требуемой величины, то швы нарезают на следующие сутки, как правило, не ранее 9 ч утра.
В случае невозможности нарезать все швы подряд из-за недопустимого выкрашивания кромок шва следует устраивать контрольные швы сжатия через три-четыре плиты по двухстадийному способу: нарезка узкого паза шва одним
алмазным диском при достижении прочности бетона на сжатие около 5-7 МПа и последующая нарезка верхней части шва до проектных размеров при достижении прочности бетона более 10,0 МПа. При невозможности устройства контрольных швов по двухстадийному способу и появлении трещин в покрытии контрольные швы надлежит устраивать комбинированным способом.
20. При суточном перепаде температуры воздуха более 12°С пазы поперечных швов сжатия в покрытии, уложенном до 13-14 ч, следует нарезать в те же сутки. В покрытии, уложенном во второй половине дня, для обеспечения трещиностойкости следует устраивать контрольные поперечные швы через две-три плиты комбинированным способом (см. п. 15),а последующую нарезку промежуточных швов производить в затвердевшем бетоне. Допускается устраивать контрольные швы по двухстадийному способу (см. п. 19).
При устройстве контрольных поперечных швов комбинированным способом в бетон следует заложить эластичную ленту (прокладку) толщиной 0,2-3,0 мм, а затем по ленте нарезать паз шва в затвердевшем бетоне. В качестве эластичной прокладки может использоваться полиэтиленовая лента и другие аналогичные материалы, закладываемые после отделки бетонного покрытия. Установка ленты не допускается, если бетонная смесь потеряла подвижность и лента не омоноличивается. Лента должна закладываться на глубину не менее 1/4 толщины покрытия и выступать над его поверхностью на 0,5-1 см.
21. В конце рабочей смены и в местах вынужденного перерыва работ следует устраивать рабочие поперечные швы, как правило, по типу швов коробления с помощью приставной опалубки.
Укладку покрытия от рабочего шва следует продолжать после снятия опалубки и обмазки торца плиты разжиженным битумом или пленкообразующим материалом.
Если в данном месте необходим (по проекту) шов расширения, его устраивают на расстоянии одной плиты перед рабочим швом или после него при возобновлении строительства.
При устройстве швов коробления штыри, как правило, следует устанавливать и закреплять на основании до бетонирования. Допускается втапливать штыри в уплотненную бетонную смесь методом вибропогружения или другим, обеспечивающим проектное положение штырей и качество бетона в покрытии.
22. Штыри в продольный шов сжатия устанавливают преимущественно путем втапливания в бетонную смесь.
Пазы продольных швов сжатия, как правило, следует нарезать в затвердевшем бетоне согласно требованиям п. 15.
23. Герметизирующие материалы, разрешенные для заполнения деформационных швов и приготовленные на основе битума, перед применением необходимо разогревать до температуры 150-180оС.
24. Перед заполнением деформационных швов необходимо:
- промыть пазы сразу же после их нарезки до полного удаления шлама и просушить их;
- очистить пазы швов и продуть их (обеспылить) сжатым воздухом;
- удалить песок и щебень с поверхности покрытия в зоне шва.
25. Работы по заполнению деформационных швов мастиками, приготовленными на основе битума, надлежит выполнять в следующей последовательности:
- на дно паза шва уложить хлопчатобумажный шнур;
- стенки паза шва смазать разжиженным битумом;
- паз шва заполнить мастикой на 2-3 мм выше уровня покрытия;
- выступающие над пазом шва излишки мастики срезать острым скребком.
26. Заполнять пазы герметизирующими материалами следует непосредственно после их подготовки.
Движение построечного транспорта по покрытию можно открывать только после заполнения швов.
27 При устройстве монолитных армированных покрытий распределение и уплотнение бетонной смеси, а также отделку поверхности покрытия следует выполнять аналогично технологии устройства монолитных бетонных покрытий(см. п.п. 3-9).
28. При устройстве армированных бетонных покрытий способ установки арматурных сеток должен обеспечивать сохранение их проектного положения в процессе бетонирования.
При устройстве армированных покрытий в скользящих формах сетка с диаметром рабочей арматуры до 8 мм должна устанавливаться в проектное положение преимущественно в процессе бетонирования с помощью вибропогружателя.
Сетки с диаметром рабочей арматуры более 8 мм следует устанавливать в проектное положение, как правило, до бетонирования, закрепляя их на основании.
29. При устройстве армированных покрытий в рельс-формах арматурные сетки укладывают на предварительно распределенный нижний слой бетонной смеси. Распределение бетонной смеси в этом случае следует производить, как правило, двумя распределителями. При небольших объемах работ допускается использовать один распределитель.
При устройстве армированного покрытия в скользящих формах расстояние между низом глубинных вибраторов и верхом арматуры должно составлять не менее 5 см.
30. При устройстве оснований из жестких бетонных смесей, уплотняемых методом укатки, распределять и уплотнять бетонную смесь следует в один слой при проектной толщине основания 20 см и менее и в два слоя - при толщине основания более 20 см.
Распределять смесь следует профилировщиком основания или распределителем бетонной смеси. Допускается распределение смеси автогрейдером в рельс-формах. При распределении смеси без рельс-форм бетонную смесь следует распределять на ширину, превышающую проектную на 25 см с каждого края.
31. Жесткую бетонную смесь следует доводить до плотности не менее 0,98 расчетной, как правило, вибрационными катками.
Допускается применение катков на пневматических шинах в комплексе с гладковальцовыми катками массой 6- 8 т для начальной прикатки и окончательного уплотнения, а также машин, оборудованных вибробрусом, с окончательным уплотнением катками массой 6-8 т. В этих случаях при толщине слоя 20 см и более основание устраивают в два слоя в течение одной смены.
32. Уход за основанием из жестких смесей осуществляют только в случае перерыва в производстве работ по укладке покрытия. При применении для ухода за бетоном пленкообразующих материалов темного цвета (битумная эмульсия и др.), осветление пленки или засыпка ее песком не производится.
1. При строительстве сборных покрытий следует выполнять следующие работы:
- грунтовку граней плит;
- планировку верхнего слоя основания или устройства выравнивающего слоя по основанию;
- укладку или перекладку плит;
- прикатку плит;
- сварку стыковых соединений и заполнение швов.
2. Строительство сборных покрытий, как правило, должно вестись в одну стадию.
В зависимости от состояния земляного полотна, основания, сроков открытия автомобильного движения, а также при необходимости срочного проезда автотранспорта в соответствии с проектом допускается двухстадийное строительство.
При двухстадийном строительстве в первой стадии плиты укладывают на земляное полотно или основание, стыковые соединения не сваривают, швы не заполняют, обочины и откосы не укрепляют; во второй стадии - производят перекладку и замену дефектных плит.
3. Плиты в покрытие следует укладывать, как правило, после заблаговременной их вывозки и раскладки на обочине земляного полотна. При заблаговременной раскладке порядок размещения штабелей плит должен обеспечивать наиболее производительное использование применяемого оборудования. Допускается также укладка плит в покрытие «с колес».
4. Укладку плит следует выполнять «от себя» самоходными кранами по выравнивающему слою, спланировано мушаблоном.
Окончательная посадка плит на основание должна производиться путем прикатки покрытия гружеными автомобилями или катками на пневматических шинах до исчезновения осадки плит.
После прикатки у плиты (с гладкой опорной поверхностью) контакт с основанием (выравнивающим слоем) должен быть не менее 95 % ее площади.
5. Сварку соединений в стыках плит и заполнение швов герметизирующим материалом следует выполнять сразу же после окончательной посадки плит в покрытие.
Заполнение швов пескоцементным раствором и герметизирующим материалом на основе битума следует производить, как правило, с помощью специального оборудования.
6. Монтаж сборного покрытия в зимних условиях следует производить по выравнивающей прослойке из сухого песка, мелкого щебня, шлака или других не смерзающихся материалов, укладываемых в основание. При укладке сборного покрытия на жесткое основание выравнивающую прослойку следует устраивать из сухой цементно-песчаной смеси.
7. Движение по сборному покрытию разрешается открывать только после сварки стыковых соединений и, как правило, после заполнения швов.
1. Работы по установке дорожных знаков, ограждений и сигнальных столбиков следует начинать с разбивочных работ.
2. Глубина бурения для стоек опор дорожных знаков, железобетонных столбов ограждений и сигнальных столбиков должна быть меньше проектной на 3 см.
В случае применения ударобезопасных деревянных опор верхний торец муфты из асбоцементной трубы должен находиться на высоте не более 85 см от поверхности дороги в месте установки опоры. При этом возвышение стойки опоры над поверхностью дороги должно быть не более 2,5 м.
3. В случае применения ударобезопасных деревянных опор оси отверстий в стойках опор должны быть параллельны плоскости щита знака и центр нижнего отверстия должен находиться на высоте не более 15 см над поверхностью дороги в месте установки опоры.
4. Горизонтальную разметку следует выполнять только на промытой, подметенной и сухой поверхности покрытия при ее температуре не ниже 15°С нитрокрасками и не ниже 10°С термопластическими материалами при относительной влажности воздуха не более 85 %.
При температуре поверхности покрытия ниже 10°С разметку термопластическими материалами разрешается выполнять только при условии предварительного разогрева покрытия горелками инфракрасного излучения до температуры не ниже, чем 15°С.
5. Не допускается выполнять разметку по размягченному покрытию, а также при наличии на его поверхности пятен масла, битума или мастики, применяемых для заливки трещин, заполнения швов и т. п.
6. Во избежание ухудшения цвета линий разметки из термопластического материала не допускается:
- делать перерывы в работе самоходных разметочных машин до полного израсходования приготовленного термопластического материала;
- включать обогревающее устройство расходной емкости после ее опорожнения,
7. Движение по участку с горизонтальной разметкой, нанесенной нитрокраской, может быть открыто не ранее, чем через 15 мин после ее нанесения, по участку с разметкой термопластическими материалами - не ранее, чем через 30 мин.
8. Допустимые величины отклонений основных размеров при установке элементов обстановки дорог:
- обозначений центров ям - +1 см, глубин ям - ±2 см;
- высоты нижней кромки щита знака на каждый метр ширины шага - ±1 см;
высоты ограждения по консоли верхней кромки балки по длине секции:
4320 мм ±1,0 см
6320 мм ±1,5 см
8320 мм ±2,0 см
9320 мм ±2,35 см
- лицевой поверхности ограждения (волнистость линии ограждения) на длине 10 м - не более ±3 см.
9. Допустимые величины отклонений линии разметки в плане - ±3 см. Края линии разметки должны быть ровными. Допустимое отклонение краев - не более 5 мм на длине 0,5 м.
1. При операционном контроле качества работ по устройству цементобетонных покрытий и оснований следует контролировать высотные отметки по оси дороги, ширину и толщину слоя, поперечный уклон, ровность поверхности, а также соблюдение технологии приготовления бетонной смеси, бетонирования, монтажа сборных железобетонных покрытий.
2. При приготовлении цементобетонной смеси следует контролировать:
- постоянно - соблюдение технологических режимов приготовления бетонной смеси;
- не реже одного раза в смену - показатель удобоукладываемости бетонной смеси и объем вовлеченного воздуха по ГОСТ 10181.0-81, ГОСТ 10181.3-81, концентрацию растворов химических добавок, прочность бетона путем испытания трех контрольных образцов-балок, влажность заполнителей (проверяется также в случае выпадения осадков);
- при изменении качества смеси (удобоукладываемости, объема вовлечения воздуха и др.) - точность дозирования компонентов бетонной смеси методом контрольного взвешивания по инструкции завода-изготовителя бетоносмесительной установки, качество песка, щебня или гравия;
- один раз в квартал - морозостойкость бетона.
3. При строительстве покрытий и оснований из монолитного бетона следует контролировать:
- постоянно - соблюдение технологических режимов бетонирования, ухода за бетоном, устройства и герметизации швов, правильность установки арматуры и прокладок швов, устойчивость кромок боковых граней и сплошность поверхности покрытия;
- перед началом бетонирования - правильность установки копирных струн и рельс-форм;
- не реже одного раза в смену и при изменении качества смеси на месте бетонирования - прочность бетона путем формования и последующего испытания трех контрольных образцов-балок, удобоукладываемость и объем вовлеченного воздуха, а также качество работ по уходу за свежеуложенным бетоном с применением пленкообразующих материалов на участках покрытия размером 20´20 см (сформировавшуюся на бетоне пленку необходимо промыть водой, удалить оставшуюся влагу, разлить 10 %-ный раствор соляной кислоты или 1%-ный раствор фенолфталеина - вспенивание или покраснение допустимо не более, чем в двух точках на 100 см2 поверхности пленки).
Плотность жесткой бетонной смеси, уплотняемой методом укатки, следует контролировать по трем пробам на 1 км в соответствии с требованиями ГОСТа.
4. При строительстве сборных железобетонных покрытий следует контролировать:
- постоянно визуально - цельность плит и стыковых элементов, качество сварки стыков и заполнение швов, соблюдение технологии строительства;
- не реже одного раза в смену - контакт плит с основанием (выравнивающим слоем) поднятием одной из 100 уложенных плит, превышение граней смежных плит в продольных швах на трех поперечниках на 1 км, а в поперечных швах в 10 стыках на 1 км.
5. При устройстве обстановки дороги следует контролировать:
- постоянно визуально - требуемую последовательность работ, вертикальность стоек ограждений, стоек знаков и сигнальных столбиков;
- точность установки всех стоек и столбиков, а также линий разметки через 10 м в плане с помощью мерной ленты и шнура;
- глубину ям, высоту ограждений и знаков по шаблонам;
- волнистость ограждения в плане с помощью шнура и линейки;
- ровность краев и ширину линий разметки выборочно, не менее 10% длины с помощью линейки.
6. При устройстве монолитных и сборных цементобетонных покрытий и оснований необходимо соблюдать требования, приведенные в табл. 2.
Таблица 2
(СНиП 3.06.03-85, приложение 2)
|
Технические требования |
Предельные отклонения |
Контроль (метод, объем) |
|
1. Высотные отметки по оси |
±50 мм |
Измерительный, не реже, чем через каждые -100 м |
|
2. Ширина слоя |
±50 мм |
То же |
|
3. Толщина слоя |
±15 мм |
» |
|
4. Поперечные уклоны |
±0,01 |
» |
|
5. Ровность (просвет под рейкой длиной 3 м) для монолитных цементобетонных покрытий и оснований |
5 мм |
Измерительный, на расстоянии 0,75-1 м от каждой кромки покрытия в пяти контрольных точках, расположенных на расстоянии 0,5 м от концов рейки и друг от друга |
|
6. Разница в уровне поверхности в швах монолитных цементобетонных оснований и покрытий |
3 мм |
Измерительный, на захватке длиной 300- 400 м |
|
7. Превышение граней смежных плит сборных цементобетонных покрытий для дорог: |
|
То же |
|
- I, II, III, I-к, II-к, I-л, II-л категорий |
5 мм |
|
|
- IV, V категорий |
7 мм |
|
|
- 1-c, II-с, III-с категорий и внутренних дорог промышленных предприятий |
10 мм |
|
|
Примечание. Ширина слоя при оценке качества устройства сборных цементобетонных покрытий не определяется. |
||
7. При осуществлении приемочного контроля кроме параметров, указанных в п. 6, следует контролировать:
- сцепление шины автомобиля с покрытием (для верхних слоев) или шероховатость покрытия;
- прочность материала и толщину покрытия по трем кернам на 1000 м2 при выявлении несоответствия указанных параметров требуемым значениям по другим методам контроля.
8. При приемке работ предварительная оценка ровности поверхности в продольном направлении проводится либо на основе графической записи, полученной с помощью приборов типа ПКРС, либо путем проезда на автомашине по всему сдаваемому участку по каждой полосе движения. На основе такой оценки выбираются захватки для детального измерения ровности и поперечных уклонов.
Захватки выбираются длиной 300-400 м. Суммарная длина захваток должна составлять не менее 10% длины сдаваемого участка дороги в однополосном исчислении.
На каждой захватке следует произвести:
- 80-100 измерений поперечных уклонов рейкой с уровнем;
- 100-130 измерений просветов (25-30 приложений рейки) или непрерывную графическую запись неровностей;
- определение вертикальных абсолютных или относительных отметок путем нивелирования с шагом 5 м.
9. Измерение сцепления шины автомобиля с поверхностью покрытия следует производить не ранее, чем через две недели после окончания строительства дороги.
Измерения следует выполнять по одной полосе наката колес автомобиля каждой полосы движения. На каждые 1000 м необходимо делать 3-5 измерений.
Значения измеренных коэффициентов сцепления должны быть не ниже указанных в проекте.
10. Шероховатость дорожных покрытий следует измерять методом «песчаного пятна» (прибор КП-139). На каждой полосе движения следует производить 5 измерений на 1000 м по одной полосе наката.
Значения средней глубины впадин шероховатости по методу «песчаного пятна» не должны быть меньше указанных в табл. 3.
Таблица 3
(СНиП 3.06.03-85, таблица 18)
|
Коэффициент сцепления |
Минимальная средняя глубина впадин (бороздок) шероховатости по методу «песчаного пятна», мм |
|
|
для асфальтобетонного покрытия и поверхностной обработки |
для цементо-бетошюго покрытия |
|
|
0,28-0,30 |
1 |
0,5 |
|
0,35 |
1,8 |
1 |
11. Для обеспечения безопасных условий движения следует дополнительно контролировать:
- обеспечение видимости в плане, особенно на пересечениях в одном уровне;
- оборудование мест перехода пешеходов, автобусных остановок и площадок отдыха;
- соответствие проекту, правильность монтажа и окраски ограждений;
- состояние разделительных полос;
- соответствие горизонтальной и вертикальной разметки требованиям проекта;
- правильность установки дорожных знаков, светофоров, заглубления и конструкции опор, соответствие их требованиям нормативных документов;
- соответствие проекту и правильность окраски сигнальных столбиков;
- ликвидацию необорудованных съездов и расчистку полосы отвода от посторонних предметов.
В настоящем разделе определяется порядок осуществления контроля качества и приемки работ, выполняемых при специальных методах бетонирования, обработке поверхности монолитных конструкций, цементации швов, торкретировании и устройстве набрызг-бетона в соответствии с требованиями СНиП 3.03.01-87.
1. Исходя из конкретных инженерно-геологическихи производственных условий в соответствии с проектом допускается применение следующих специальных методов бетонирования:
- вертикально перемещаемой трубы (ВПТ);
- восходящего раствора (ВР);
- инъекционного;
- вибронагнетательного;
- укладки бетонной смеси бункерами;
- втрамбовывания бетонной смеси;
- напорного бетонирования;
- укатки бетонных смесей;
- цементирования буросмесительным способом.
2. Метод ВПТ следует применять при возведении заглубленных конструкций при их глубине от 1,5 м и более, при этом используют бетон проектного класса до В25.
3. Бетонирование методом ВР с заливкой наброски из крупного камня цементно-песчаным раствором следует применять при укладке под водой бетона на глубинах до
20 м для получения прочности бетона, соответствующей прочности бутовой кладки.
Метод ВР с заливкой наброски из щебня цементно-песчаным раствором допускается применять на глубинах до 20 м для возведения конструкций из бетона класса до В25.
При глубине бетонирования от 20 до 50 м, а также при ремонтных работах для усиления конструкций и восстановительного строительства следует применять заливку щебеночного заполнителя цементным раствором без песка.
4. Инъекционный и вибронагнетательный методы следует применять для бетонирования подземных конструкций преимущественно тонкостенных из бетона класса В25 на заполнителе максимальной фракции 10-20 мм.
5. Метод укладки бетонной смеси бункерами следует применять при бетонировании конструкций из бетона класса В20 и глубине более 20 м.
6. Бетонирование методом втрамбовывания бетонной смеси следует применять на глубине менее 1,5 м для конструкций больших площадей, бетонируемых до отметки, расположенной выше уровня воды, при классе бетона до В25.
7. Напорное бетонирование путем непрерывного нагнетания бетонной смеси при избыточном давлении следует применять при возведении подземных конструкций в обводненных грунтах и сложных гидрогеологических условиях при устройстве подводных конструкций на глубине более 10 м и возведении ответственных сильноармированных конструкций, а также при повышенных требованиях к качеству бетона.
8. Бетонирование путем укатки малоцементной жесткой бетонной смеси следует применять для возведения плоских протяженных конструкций из бетона класса до В20. Толщина укатываемого слоя должна приниматься в пределах 20-50 см.
9. Для устройства цементно-грунтовых конструкций нулевого цикла при глубине заложения до 0,5 м допускается использование буросмесительной технологии бетонирования путем смешивания расчетного количества цемента, грунта и воды в скважине с помощью бурового оборудования.
10. При подводном (в том числе под глинистым раствором) бетонировании необходимо обеспечивать:
- изоляцию бетонной смеси от воды в процессе ее транспортирования под воду и укладки в бетонируемую конструкцию;
- плотность опалубки (или другого ограждения);
- непрерывность бетонирования в пределах элемента (блока, захватки);
- контроль за состоянием опалубки (ограждения) в процессе укладки бетонной смеси (при необходимости силами водолазов либо с помощью установок подводного телевидения).
11. Сроки распалубливания и загружения подводных бетонных и железобетонных конструкций должны устанавливаться по результатам испытания контрольных образцов, твердевших в условиях, аналогичных условиям твердения бетона в конструкции.
12. Бетонирование способом ВПТ после аварийного перерыва допускается возобновлять только при условии:
- достижения бетоном в оболочке прочности 2,0- 2,5 МПа;
- удаления с поверхности подводного бетона шлама и слабого бетона;
- обеспечения надежной связи вновь укладываемого бетона с затвердевшим бетоном (штрабы, анкеры и т. д.).
При бетонировании под глинистым раствором перерывы продолжительностью более срока схватывания бетонной смеси не допускаются; при превышении указанного ограничения конструкцию следует считать бракованной и не подлежащей ремонту с применением метода ВПТ.
13. При подаче бетонной смеси под воду бункерами не допускается свободное сбрасывание смеси через слой воды, а также разравнивание уложенного бетона горизонтальным перемещением бункера.
14. При укладке бетонной смеси специальными методами должны соблюдаться требования, указанные в табл. 1.
Таблица 1
(СНиП 3.03.01-87, таблица 7)
|
Технические требования |
Допустимые отклонения |
Контроль (метод, объем, вид регистрации) |
|
1. Подвижность бетонных смесей при методе бетонирования |
|
Измерительный, по ГОСТ 10181.1-81(попартионно), журнал работ |
|
- ВПТ без вибрации |
16-20 см |
|
|
- ВПТ с вибрацией |
6-10 см |
- |
|
напорном |
15-24 см |
|
|
укладки бункерами |
1-5 см |
|
|
втрамбовывания |
5-7 см |
|
|
2. Растворы при бетонировании методом ВР: |
|
То же, по ГОСТ 5802-86 (попартионно), журнал работ |
|
подвижность |
12-15 см по эталонному конусу |
|
|
водоотделение |
Не более 2,5 % |
|
|
3. Заглубление трубопровода в бетонную смесь при методах бетонирования |
|
Измерительный, постоянный |
|
всех подводных, кроме напорного |
Не менее 0,8 м и не более 2 м |
|
|
напорном |
Не менее 0,8 м |
|
1. Инструмент для механической обработки следует выбирать в зависимости от физико-механических свойств обрабатываемого бетона.
2. Охлаждение инструмента следует производить водой под давлением 0,15-0,2 МПа, для снижения энергоемкости обработки - растворами поверхностно-активных веществ концентрации 0,01-2 %.
3. Режимы механической обработки бетона должны соответствовать требованиям, приведенным в табл. 2.
Таблица 2
(СНиП 3.03.01-87, таблица 8)
|
Технические требования |
Предельные отклонения |
Контроль (метод, объем, вид регистрации) |
|
1. Прочность бетона и железобетона при обработке |
Не менее 50 % проектной |
Измерительный, по ГОСТ 1805-86* |
|
2. Окружная скорость режущего инструмента при обработке бетона - и железобетона, м/с |
|
Измерительный, 2 раза в смену |
|
резанием |
40-89 |
|
|
сверлением |
1-7 |
|
|
фрезерованием |
36-80 |
|
|
шлифованием |
25-45 |
|
1. Для цементации усадочных, температурных, деформационных и конструкционных швов следует применять портландцемент не ниже М400. При цементации швов с раскрытием менее 0,5 мм используют пластифицированные цементные растворы. До начала работ по цементации производится промывка и гидравлическое опробование шва для определения его пропускной способности и герметичности.
2. Температура поверхности шва при цементации бетонного массива должна быть положительной. Для цементации швов при отрицательной температуре следует применять растворы с противоморозными добавками.
3. Качество цементирования швов проверяется:
- обследованием бетона посредством бурения контрольных скважин и гидравлического опробования их и кернов, взятых из мест пересечения швов;
- замером фильтрации воды через швы;
- ультразвуковым испытанием.
4. Крупность заполнителей для торкретирования и устройства набрызг-бетона не должна превышать половины толщины каждого торкретируемого слоя и половины размера ячейки арматурных сеток.
5. Поверхность для торкретирования должна быть очищена, продута сжатым воздухом, промыта струей воды под давлением. Не допускается наплывов по высоте более 1/2 толщины торкретируемого слоя. Устанавливаемая арматура должна быть зачищена и закреплена от смещения и колебаний.
6. Торкретирование производится в один или несколько слоев толщиной 3-5 мм по неармированной или армированной поверхности согласно проекту.
7. При возведении ответственных конструкций контрольные образцы следует вырезать из специально затор-кретированных плит размером не менее 50´50 см или из конструкций. Для прочих конструкций контроль и оценка качества производится неразрушающими методами.
1. В настоящем разделе рассматривается порядок осуществления контроля качества и приемки работ по монтажу стальных конструкций одноэтажных зданий, многоэтажных зданий высотой до 150 м, транспортерных галерей всех типов, резервуаров, антенных сооружений связи высотой до 500 м и башен высотой до 250 м в соответствии с требованиями СНиП 3.03.01-87.
2. Контроль качества работ по монтажу включает проверку:
- качества конструкций и материалов, применяемых при монтаже;
- соблюдения технологии и последовательности выполнения монтажных работ;
- геометрических размеров и положения смонтированных частей сооружений;
- качества монтажных соединений.
3. Работы по монтажу конструкций следует производить по утвержденному ППР, в котором наряду с общими требованиями должны быть предусмотрены: последовательность монтажа конструкций; мероприятия, обеспечивающие требуемую точность монтажа, пространственную неизменяемость конструкций в процессе их укрупнительной сборки и монтажа в проектное положение; степень укрупнения конструкций и безопасные условия труда.
4. Конструкции и материалы, применяемые при монтаже, должны отвечать требованиям соответствующих стандартов, технических условий и рабочих чертежей.
5. До начала монтажа конструкций должны быть выполнены и приняты подготовительные и разбивочные работы, работы по наладке и приемке монтажных механизмов, а также работы по подготовке конструктивных элементов к монтажу.
1. Деформированные конструкции следует выправлять без нагрева поврежденного элемента (холодная правка)либо предварительным нагревом (правка в горячем состоянии). Холодная правка допускается только для плавнодеформированных элементов способами, исключающими образование вмятин, выбоин и других повреждений на поверхности проката.
2. При производстве монтажных работ запрещаются ударные воздействия на сварные конструкции из сталей:
- с пределом текучести до 390 МПа (40 кгс/мм2) -при температуре ниже -25°С;
- с пределом текучести свыше 390 МПа - при температуре ниже 0°С.
3. При отсутствии в рабочих чертежах специальных требований предельные отклонения размеров, определяющих собираемость конструкций (длина элементов, расстояние между группами отверстий), при сборке не должны превышать величин, приведенных в табл. 1.
Таблица 1
(СНиП 3.03.01-87, таблица 13)
|
Интервалы номинальных размеров, мм |
Предельные отклонения, ± мм |
Контроль (метод, объем, вид регистрации) |
|
|
линейных размеров |
равенства диагоналей |
||
|
От 2500 до 4000 |
5 |
12 |
Измерительный, каждый конструктивный элемент и блок, журнал работ |
|
Свыше 4000 до 8000 |
6 |
15 |
|
|
Свыше 8000 до 16000 |
8 |
20 |
|
|
Свыше 16000 до 25000 |
10 |
25 |
|
|
Свыше 25000 до 40000 |
12 |
30 |
|
4. Проектное закрепление конструкций, установленных в проектное положение, с монтажными соединениями на болтах следует выполнять сразу после инструментальной проверки точности положения и выверки элементов. Болтами должна быть заполнена 1/3 и пробками 1/10 часть всех отверстий, но не менее двух.
5. Конструкции с монтажными сварными соединениями надлежит закреплять в два этапа - сначала временно, затем по проекту. Способ временного закрепления должен быть указан в проекте.
6. При сборке отверстия соединений на болтах безконтролируемого натяжения должны быть совмещены и детали зафиксированы от смещения сборочными пробками(не менее двух). В соединениях с двумя отверстиями сборочную пробку устанавливают в одно из них.
7. В соединениях с работой болтов на срез допускается чернота (несовпадение отверстий в смежных деталях) до 1 мм в 50 % отверстий, до 1,5 мм - в 10 % отверстий.
В соединениях с работой болтов на растяжение чернота не должна превышать разности диаметров отверстия и болта.
8. Запрещается применение болтов и гаек, не имеющих клейма предприятия-изготовителя и маркировки, обозначающей класс точности.
Под гайки болтов следует устанавливать не более двух круглых шайб. Допускается установка одной шайбы под головку болта. Резьба болтов не должна входить в глубь отверстия более, чем на половину толщины крайнего элемента пакета со стороны гайки.
Запрещается стопорение гаек путем забивки резьбы болта или приварки их к стержню болта.
9. Головки и гайки болтов, в том числе фундаментных, должны после затяжки плотно (без зазоров) соприкасаться с плоскостями шайб или элементов конструкций, а стержень болта выступать из гайки не менее, чем на 3 мм.
Плотность стяжки собранного пакета надлежит проверять щупом толщиной 0,3 мм, который в пределах зоны, ограниченной шайбой, не должен проходить между собранными деталями на глубину более 20 мм.
Качество затяжки постоянных болтов следует проверять остукиванием их молотком массой 0,4 кг, при этом болты не должны смещаться.
10. Соединения на болтах с контролируемым натяжением должны выполняться квалифицированными рабочими, прошедшими специальное обучение и имеющими соответствующее удостоверение.
11. В сдвигоустойчивых соединениях соприкасающиеся поверхности деталей должны быть обработаны способами, предусмотренными в проекте. Состояние поверхностей после обработки и перед сборкой следует контролировать и фиксировать в журнале работ.
12. Отверстия в деталях при сборке должны быть совмещены и зафиксированы от смещения пробками. Число пробок определяется расчетом на действие монтажных нагрузок, но их должно быть не менее 10 % при числе отверстий 20 и более и не менее двух - при меньшем числе отверстий.
Допускается чернота отверстий, не препятствующая свободной без перекоса постановке болтов. Калибр диаметром на 0,5 мм больше номинального диаметра болта должен пройти в 100% отверстий соединения.
13. Заданное проектом натяжение болтов следует обеспечивать затяжкой гайки или вращением головки болта до расчетного момента закручивания. Порядок натяжения болтов должен исключать образование не плотностей в стягиваемых элементах. Диаметрические ключи для натяжения и контроля натяжения болтов необходимо тарировать не реже одного раза в смену, а также после каждой смены контрольного прибора или ремонта ключа.
14. Натяжение болтов по углу поворота гайки следует производить в следующем порядке:
- затянуть вручную все болты и соединения до отказа монтажным ключом с длиной ручки 0,3 м;
- повернуть гайки болтов на угол 180°±30°. Указанный метод применим для болтов диаметром
24 мм при толщине пакета до 140 мм и числе деталей в пакете до 7.
15. Под головку высокопрочного болта и высокопрочную гайку должно быть установлено по одной шайбе. Допускается при разности диаметров отверстия и болта не более 4 мм установка одной шайбы только под элемент(гайку или головку болта), вращение которого обеспечивает натяжение болта.
Гайки, затянутые до расчетного крутящего момента или поворотом на определенный угол, дополнительно ничем закреплять не следует.
После натяжения всех болтов в соединении старший рабочий-сборщик (бригадир) обязан в предусмотренном месте поставить клеймо (присвоенный ему номер или знак).
16. Следует контролировать: при числе болтов в соединении до 4 - натяжение всех болтов; от 5 до 9 - не менее трех болтов; 10 и более – 10 % болтов, но не менее трех в каждом соединении.
Фактический момент закручивания должен быть не менее расчетного и не превышать его более, чем на 20 %. Отклонение угла поворота гайки допускается в пределах ±30°.
При обнаружении хотя бы одного болта, не удовлетворяющего этим требованиям, контролю подлежит удвоенное число болтов. В случае обнаружения при повторной проверке одного болта с меньшим значением крутящего момента или с меньшим углом поворота гайки должны быть проконтролированы все болты с доведением момента закручивания или угла поворота гайки каждого до требуемой величины.
Щуп толщиной 0,3 мм не должен входить в зазоры между деталями соединения.
После контроля натяжения и приемки соединения все наружные поверхности стыков, включая головки болтов, гайки и выступающие из них части резьбы болтов, должны быть очищены, огрунтованы, окрашены, а щели в местах перепада толщин и зазоры в стыках зашпатлеваны.
17. Все работы по натяжению и контролю натяжения следует регистрировать в журнале выполнения соединений на болтах с контролируемым натяжением.
18. К руководству работами и выполнению соединений на дюбелях могут быть допущены лица, прошедшие обучение, подтвержденное соответствующим удостоверением.
19. Перед началом работы надлежит выполнять контрольную пристрелку с внешним осмотром и оценкой качества соединения для уточнения мощности выстрела (номера патрона).
20. Расстояние от оси дюбеля до края опорного элемента должно быть не менее 10 мм в любом направлении.
При необходимости установки рядом двух дюбелей минимальное расстояние между ними определяется условием расположения стальных шайб впритык друг к другу.
21. Установленный дюбель должен плотно прижимать шайбу к закрепляемой детали, а закрепляемую деталь -к опорному элементу. При этом цилиндрическая часть стержня дюбеля не должна выступать над поверхностью стальной шайбы.
Плотность прижатия проверяют визуально при операционном (100 %) и приемочном контроле (выборочно не менее 5 %) дюбелей.
22. Монтажные сварные соединения стальных конструкций следует выполнять в соответствии с требованиями раздела «Монтаж легких ограждающих конструкций», часть I, настоящего Руководства.
1. При возведении каркаса зданий необходимо соблюдать следующую очередность и правила монтажа конструкций:
- установить первыми в каждом ряду на участке между температурными швами колонны, между которыми расположены вертикальные связи, закрепить их фундаментными болтами, а также расчалками, если они предусмотрены в ППР;
- раскрепить первую пару колонн связями и подкрановыми балками (в зданиях без подкрановых балок - связями и распорками);
- в случаях, когда такой порядок не выполнен, первую пару монтируемых колонн следует раскрепить согласно ППР;
- установить после каждой очередной колонны подкрановую балку или распорку, а в связевой панели - предварительно связи;
- разрезные подкрановые балки пролетом 12 м надлежит устанавливать блоками, неразрезные - элементами, укрупненными согласно ППР;
- начинать монтаж конструкций покрытия с панели, в которой расположены горизонтальные связи между стропильными фермами, а при их отсутствии – очередность установки должна быть указана в ППР;
- монтировать конструкции покрытия, как правило, блоками;
- при поэлементном способе временно раскрепить первую пару стропильных ферм расчалками, а в последующем каждую очередную ферму - расчалками или монтажными распорками по ППР;
- снимать расчалки и монтажные распорки разрешается только после закрепления и выверки положения стропильных ферм, установки и закрепления в связевых панелях вертикальных и горизонтальных связей, в рядовых панелях - распорок по верхним и нижним поясам стропильных ферм, а при отсутствии связей - после крепления стального настила.
2. Укладка стального настила допускается только после приемки работ по установке, проектному закреплению всех элементов конструкции на закрываемом настилом участке покрытия и окраски поверхностей, к которым примыкает настил.
Листы профилированного настила следует укладывать и осаживать (в местах нахлестки) без повреждения цинкового покрытия и искажения формы.
3. При поэлементном способе монтажа балки путей подвесного транспорта, а также монтажные балки для подъема мостовых кранов следует монтировать вслед за конструкциями, к которым они должны быть закреплены, до укладки настила или плит покрытия.
4. Крановые пути (мостовых и подвесных кранов) каждого пролета необходимо выверять и закреплять по проекту после проектного закрепления несущих конструкций каркаса каждого пролета на всей длине или на участке между температурными швами.
5. При приемке смонтированных конструкций должны быть предъявлены документы, указанные в разделе «Монтаж сборных железобетонных и бетонных конструкций», Общие положения, часть I, п. 8.
6. Предельные отклонения фактического положения смонтированных конструкций не должны превышать значений, приведенных в табл. 2.
Таблица 2
(СНиП 3.03.01-87, таблица 14)
|
Технические требования |
Предельные отклонения, мм |
Контроль (метод, объем, вид регистрации) |
|
Колонны и опоры |
|
|
|
1. Отклонения отметок опорных поверхностей колонны - и опор от проектных |
5 |
Измерительный, каждая колонна и опора, геодезическая исполнительная схема -- |
|
2. Разность отметок опорных поверхностей соседних колонн и опор по ряду и в - пролете |
3 |
То же |
|
Продолжение табл. 23. Смещение осей колонн и опор относительно разбивочных осей в опорном сечении - |
5 |
» |
|
4. Отклонение осей колонн от вертикали в верхнем сечении при длине колонн, мм: |
|
|
|
Свыше 4000 до 8000 |
10 |
|
|
Свыше 8000 до 16000 |
12 |
|
|
Свыше 16000 до 25000 |
15 |
|
|
Свыше 25000 до 40000 |
20 |
|
|
5. Стрела прогиба (кривизна) колонны, опоры и связей по колоннам |
0,0013 расстояния между точками закрепления, но не более 15 |
Измерительный, каждый элемент, журнал работ |
|
6. Односторонний зазор между фрезерованными поверхностями в стыках колонн |
0,0007 поперечного размера сечения колонны; при этом площадь контакта должна оставлять не менее 65% площади поперечного сечения |
То же |
|
Фермы, ригеле, балки, прогоны |
|
|
|
7. Отметки опорных узлов |
10 |
Измерительный, каждый узел, журнал работ |
|
8. Смещение ферм, балок ригелей с осей на оголовках колонн из плоскости рамы |
15 |
Измерительный, каждый элемент, геодезическая исполнительная схема |
|
9. Стрела прогиба (кривизна) между точками закрепления сжатых участков пояса фермы и балки ригеля |
0,0013 длины закрепленного участка, но не более 15 |
Измерительный, каждый элемент, журнал работ |
|
10. Расстояние между осями ферм, балок, ригелей, по верхним поясам между точками закрепления |
15 |
То же |
|
11. Совмещение осей нижнего и верхнего поясов ферм относительно друг друга (в плане) |
|
0,004 высоты фермы |
|
12. Отклонение стоек фонаря и фонарных панелей от вертикали |
8 |
» |
|
13. Расстояние между прогонами |
5 |
» |
|
14. Отклонение от симметричности установки фермы, балки, ригеля, щита перекрытия и покрытия (при длине оттирания 50 мм и более) |
10 |
» |
|
15. Смещение оси подкрановой балки с продольной разбивочной оси |
5 |
Измерительный, на каждой опоре, журнал работ |
|
16. Перегиб стенки в сварном стыке (измеряют просвет между шаблоном длиной 200 мм и вогнутой стороной стенки) |
5 |
То же |
|
17. Смещение опорного ребра балки с оси колонны |
20 |
Измерительный, на каждой опоре, журнал работ |
|
Крановые пути мостовых кранов |
|
|
|
18. Расстояние между осями рельс одного пролета (по осям колонн, но не реже, чем через 6 м) |
10 |
Измерительный, на каждой опоре, геодезическая исполнительная схема |
|
19. Смещение оси рельса с оси подкрановой балки |
15 |
То же |
|
20. Отклонение оси рельса от прямой на длине 40 м |
15 |
» |
|
21. Разность отметок головок рельс в одном поперечном разрезе пролета здания; |
15 |
» |
|
на опорах |
|
|
|
в пролете |
20 |
|
|
22. Разность отметок подкрановых рельс на соседних колоннах (расстояние между колоннами L): |
|
|
|
при L менее 10 м |
10 |
|
|
при L 10 ми более |
0.001L, но не более 15 |
|
|
23. Взаимное смещение торцов стыкуемых рельс в плане и по высоте |
2 |
Измерительный, каждый стык, журнал работ |
|
24. Зазор в стыках рельс (при температуре 0°С и длине рельса 12,5 м); при изменении температурь на 10°С допуск на зазор изменяется на 1,5 мм |
4 |
То же |
|
Крановые пути подвесных кранов |
|
|
|
25. Разность отметок нижнего ездового пояса на смежных опорах (вдоль пути) независимо от типа крана (расстояние между опорами L) |
0,0007L; |
Измерительный, на каждой опоре, геодезическая исполнительная схема |
|
26. Разность отметок нижних ездовых поясов соседних балок в пролетах в одном поперечном сечении двух- и многоопорных подвесных кранов: |
6 |
Измерительный, каждая балка, геодезическая исполнительная схема |
|
на опорах |
|
|
|
в пролете |
10 |
|
|
27. То же, но со стыковыми замками на опорах и в пролете |
2 |
То же |
|
28. Смещение оси балки с продольной разбивочной оси пути (для талей ручных и электрических не ограничивается) |
3 |
|
|
Стальной оцинкованный профилированный настил |
|
|
|
29. Отклонение длины опирания настила на прогоны в местах поперечных стыков |
0; -5 |
Измерительный, каждый стык, журнал работ |
|
30. Отклонение положения центров: высокопрочных дюбелей, самонарезающихся болтов и винтов комбинированных заклепок: |
5 |
То же, выборочный в объеме 5 %, журнал работ |
|
вдоль настила |
20 |
|
|
поперек настила |
5 |
|
1. Конструкции следует монтировать по ярусно. Работы на следующем ярусе надлежит начинать только после проектного закрепления всех конструкций нижележащего яруса.
Бетонирование монолитных перекрытий может отставать от монтажа и проектного закрепления конструкций не более, чем на 5 ярусов (10 этажей) при условии обеспечения прочности и устойчивости смонтированных конструкций.
2. Предельные отклонения фактического положения смонтированных конструкций не должны превышать величин, приведенных в табл. 3.
Таблица 3
(СНиП 3.03.01-87, таблица 15)
|
Технические требования |
Предельные отклонения, мм |
Контроль (метод, объем, вид регистрации) |
|
1. Отклонение отметок опорной поверхности колонн от проектной отметки |
5 |
Измерительный, каждый элемент, геодезическая исполнительная схема |
|
2. Разность отметок опорных поверхностей соседних колонн |
3 |
То же |
|
3. Смещение осей колонн в нижнем сечении с разбивочных осей при опирании на фундамент |
5 |
|
|
4. Отклонение от совмещения рисок геометрических осей колонн в верхнем сечении с рисками разбивочных осей при длине колонн, мм: |
|
|
|
до 4000 |
12 |
|
|
свыше 4000 до 8000 |
15 |
|
|
свыше 8000 до 16000 |
20 |
|
|
свыше 16000 до 25000 |
25 |
|
|
5. Разность отметок верха колонн каждого яруса |
0,5 п + 9 |
Измерительный, каждая колонна, геодезическая исполнительная схема |
|
6. Смещение оси ригеля, балки с (оси) колонны |
8 |
Измерительный, каждая колонна, геодезическая исполнительная . схема |
|
7. Отклонение расстояния между осями ригелей и балок в середине пролета |
10 |
Измерительный, каждый ригель и балка, журнал работ |
|
8. Разность отметок верха двух смежных ригелей |
15 |
То же, каждый ригель, геодезическая исполнительная схема |
|
9. Разность отметок верха ригеля по его концам |
0,001l, но не более 15 |
То же |
|
10. Односторонний зазор между фрезерованными поверхностями в стыке колонн |
0,5 |
Измерительный, стык каждой колонны, журнал работ |
|
Примечания: п - порядковый номер яруса колонн; l- длина ригеля. |
||
1. Пролетные строения транспортерных галерей (балочных, решетчатых, оболочечных) следует поднимать блоками, включающими при возможности ограждающие конструкции и рамы для транспортеров.
Предельные отклонения размеров собранных блоков не должны превышать величин, приведенных в табл. 1.
2. Многопролетные транспортерные галереи надлежит устанавливать в направлении от анкерной опоры к качающейся (подвижной).
3. Предельные отклонения положения колонн и пролетных строений не должны превышать величин, приведенных в табл. 4.
Таблица 4
(СНиП 3.03.01-87, таблица 16)
|
Технические требования |
Предельные отклонения, мм |
Контроль (метод, объем, вид регистрации) |
|
1. Отклонения отметок опорных поверхностей колонн от проектных |
5 |
Инструментальный, каждая колонна, геодезическая исполнительная схема - |
|
2. Смещение осей колонн в нижнем сечении с разбивочных осей на фундаменте |
5 |
То же |
|
3. Отклонения отметок опорных плит пролетных строений |
15 |
» |
|
4. Смешение оси пролетного строения с осей колонн:- |
|
|
|
в плоскости |
20 |
|
|
из плоскости |
8 |
|
1. Настоящий подраздел Руководства распространяется на монтаж и приемку конструкций:
- вертикальных сварных цилиндрических резервуаров для нефтепродуктов объемом до 50 тыс. м3 и высотой стенки до 18 м;
- мокрых газгольдеров объемом до 30 тыс. м3 с вертикальными направляющими;
- водонапорных башен с баками объемом до 3,6 тыс. м3.
2. До начала монтажа конструкций резервуаров и газгольдеров должны быть проверены и приняты:
- разбивка осей с обозначением центра основания;
- отметки поверхности основания и фундамента, соответствие толщин и технологического состава гидроизоляционного слоя проектным, а также степень его уплотнения;
- обеспечение отвода поверхностных вод от основания;
- фундамент под шахтную лестницу.
3. Предельные отклонения фактических размеров оснований и фундаментов резервуаров, газгольдеров и водонапорных башен от проектных не должны превышать величин, приведенных в табл. 5.
Таблица 5
(СНиП 3.03.01-87, таблица 17)
|
Технические требования |
Предельные отклонения, мм, для резервуаров и газгольдеров объемом, м3 |
Водонапорных башен |
Контроль (метод, объем, вид регистрации) |
|||
|
100-700 |
1000-5000 |
10000-50000 и всех газгольдеров |
||||
|
1. Отклонение отметки центра основания при: |
|
|
|
|
Измерительный, каждый резервуар и газгольдер, геодезическая исполнительная схема |
|
|
плоском основании |
0; +20 |
0; +30 |
0; +50 |
- |
|
|
|
с подъемом к центру |
0; +40 |
0; +50 |
0; +60 |
- |
|
|
|
с уклоном к центру |
0; -40 |
0; -50 |
0; -60 |
- |
|
|
|
2. Отклонение отметок поверхности периметра основания, определяемых в зоне расположения окрайков |
±10 |
+15 |
|
|
Измерительный (через каждые 6 м, но не менее, чем в 8 точках), каждый резервуар, геодезическая исполнительная схема |
|
|
3. Разность отметок любых несмежных точек основания |
20 |
25 |
- |
- |
Измерительный, каждый резервуар, геодезическая схема |
|
|
4. Отклонение отметок поверхности кольцевого фундамента |
- |
- |
±8 |
- |
Измерительный (через каждые 6 м, но не менее, чем в 8 точках), каждый резервуар и газгольдер, геодезическая исполнительная схема |
|
|
5. Разность отметок любых несмежных точек кольцевого фундамента |
- |
- |
15 |
- |
Измерительный, каждый резервуар и газгольдер, геодезическая исполнительная схема |
|
|
6. Отклонение ширины кольцевого фундамента (по верху) |
- |
- |
+50; 0 |
- |
То же |
|
|
7. Отклонение наружного диаметра кольцевого фундамента |
|
|
+60; -40 |
|
То же |
|
|
8. Отклонение толщины гидроизоляциионного слоя на бетонном кольце в месте расположения стенки резерву- |
- |
- |
±5 |
- |
|
|
|
9. Отклонение расстояний между разбивочными осями фундаментов под ветви опор: |
|
|
|
|
Инструментальный, каждая водонапорная башня, геодезическая исполнительная схема |
|
|
смежными |
- |
- |
- |
±3 |
|
|
|
любыми другими |
- |
- |
- |
+5 |
|
|
|
10 Разность отметок опорных поверхностей колонн |
- |
- |
- |
0,5 |
То же |
|
|
11. Отклонение центра опоры в верхнем сечении относительно центра в уровне фундаментов при высоте опоры, м: |
|
|
|
|
|
|
|
до 25 |
- |
- |
|
25 |
|
|
|
свыше 25 |
|
- |
|
0,001 высоты, но не более 50 |
|
|
|
12. Отклонение отметок опорного контура водонапорного бака от горизонтали до заполнения водой: смежных точек на расстоянии |
- |
- |
- |
|
» |
|
|
до 6 м |
- |
- |
- |
±5 |
|
|
|
любых других точек |
|
|
|
±10 |
|
|
4. При монтаже днища, состоящего из центральной рулонированной части и окрайков, следует сначала собрать и заварить кольцо окрайков, затем центральную часть днища. При монтаже резервуаров объемом более 20 тыс. м3 окрайки следует укладывать по радиусу, превышающему проектный на 15 мм (величину усадки кольца окрайков после старки).
По окончании сборки кольца окрайков необходимо проверять:
- отсутствие взломов в стыках окрайков, прогибов и выпуклостей;
- горизонтальность кольца окрайков.
5. Днища резервуаров и газгольдеров из отдельных листов с окрайками надлежит собирать в два этапа: сначала окрайки, затем центральную часть с укладкой листов полосами от центра к периферии.
6. По окончании сборки и сварки днища необходимо зафиксировать центр резервуара приваркой шайбы и нанести на днище разбивочные оси.
7. При монтаже рулонированных стенок следует обеспечить их устойчивость, а также не допускать деформирования днища и нижней кромки полотнища стенок. Развертывание рулонов высотой 18 м следует производить участками длиной не более 2 м, высотой менее 18м -участками длиной не более 3 м.
Вертикальность стенки резервуара, не имеющего верхнего кольца жесткости, в процессе развертывания следует контролировать не реже, чем через 6 м, а резервуара, имеющего кольцо жесткости - при установке каждого очередного монтажного элемента кольца.
8. Стенку резервуара водонапорного бака из отдельных листов следует собирать поярусно с обеспечением ее устойчивости от действия ветровых нагрузок.
9. Суммарная масса грузов, предназначенных для обеспечения принятого в проекте давления газа, определяемая контрольным взвешиванием, и фактическая масса подвижных секций газгольдеров, определяемая по исполнительным чертежам, не должна расходиться с проектом более, чем на 2 %.
10. Предельные отклонения фактических геометрических размеров и формы стальных конструкций резервуаров для нефтепродуктов и баков водонапорных башен от проектных после сборки и сварки не должны превышать значений, приведенных в табл. 6-8, а мокрых газгольдеров - в табл. 9.
11. Сварные соединения резервуаров, водонапорных башен следует проверять на непроницаемость вакуумированием, керосином, давлением, методом цветной дефектоскопии.
Сварные соединения газгольдеров следует контролировать на герметичность избыточным внутренним давлением воздуха.
Контролю неразрушающими методами подлежат сварные соединения резервуаров для нефтепродуктов объемом от 2 до 50 тыс. м3 и мокрых газгольдеров объемом от 3 до 30 тыс. м3:
- в стенках резервуаров из рулонных заготовок - все вертикальные монтажные стыковые соединения;
- в стенках резервуаров из листов - все вертикальные стыковые соединения I и II поясов и 50% соединений III и IV поясов в местах примыкания этих соединений к днищу и пересечений с вышележащими горизонтальными соединениями;
- все стыковые соединения окрайков днищ в местах примыкания к ним стенок.
Остальные сварные соединения следует контролировать в объеме, указанном в разделе «Сварка стальных конструкций», часть II, настоящего Руководства.
Таблица 6
(СНиП 3.03.01-87, таблица 18)
|
Технические требования |
Предельные отклонения, мм |
Контроль (метод, объем, вид регистрации) |
|
Днище |
|
|
|
1. Отклонение отметок наружного контура в зависимости от резервуара |
По табл. 7 |
Измерительный, каждый резервуар, геодезическая исполнительная схема |
|
2. Высота хлопунов при диаметре днища: |
|
То же |
|
до 12 м (предельная площадь хлопуна 2 м) |
150 |
|
|
свыше 12 м (предельная площадь хлопуна 5 м) |
180 |
|
|
Стенка |
|
|
|
3. Отклонение внутреннего диаметра на уровне днища: |
|
Измерительный, не менее трех измерений каждого резервуара, геодезическая исполнительная схема |
|
до 12 м включительно |
±40 |
|
|
свыше 12 м |
±60 |
|
|
4. Отклонение высоты при монтаже из рулонных заготовок высотой, м, до: |
|
То же |
|
12 |
±20 |
|
|
18 |
±25 |
|
|
из отдельных листов |
±30 |
|
|
Плавающая крыша и понтон |
|
|
|
5. Разность отметок верхней кромки наружного вертикального кольцевого листа коробов плавающей крыши или понтона: |
|
» |
|
для соседних коробов |
30 |
|
|
для любых других |
40 |
|
|
6. Отклонение направляющих плавающей крыши или понтона от вертикали на всю высоту в радиальном и тангенциальном направлениях - |
25 |
Измерительный, каждая направляющая, геодезическая исполнительная схема |
|
7. Отклонение зазора между направляющей и патрубком плавающей крыши или понтона (при монтаже на днище) |
20 |
То же |
|
8. Отклонение наружного кольцевого листа плавающей крыши или понтона от вертикали на высоту листа |
10 |
Измерительный, не менее, чем через 6 м по периметру наружного листа, геодезическая исполнительная схема |
|
9. Отклонение зазора между наружным вертикальным кольцевым листом короба плавающей крыши или понтона и стенкой резервуара (при монтаже на днище) |
10 |
То же |
|
10. Отклонение трубчатых стоек от вертикали при опирании на них плавающей крыши |
30 |
Измерительный, каждая стойка, геодезическая исполнительная схема |
|
Крыша стационарная |
|
|
|
11. Разность отметок смежных узлов верха радиальных балок и ферм на опорах |
20 |
Измерительный, каждая балка или ферма, геодезическая исполнительная схема |
Таблица 7
(СНиП 3.03.01-87, таблица 19)
|
Объем резервуара, м3 |
Разность отметок наружного контура днища, мм |
Контроль (метод, объем, вид регистрации) |
|||
|
при незаполненном резервуаре |
при заполненном резервуаре |
||||
|
Смежных точек на расстоянии 6 м по периметру |
Любых других точек |
Смежных точек на расстоянии 6 м по периметру |
Любых других точек |
||
|
Менее 700 |
10 |
25 |
20 |
40 |
Измерительный, каждый резервуар и бак водонапорной башни, геодезическая исполнительная схема |
|
700-1000 |
15 |
40 |
30 |
60 |
|
|
2000-5000 |
20 |
50 |
40 |
80 |
|
|
10000-20000 |
15 |
45 |
35 |
75 |
|
|
30000-50000 |
30 |
60 |
50 |
100 |
|
1. Перед началом монтажных работ следует принять фундаменты, проверяя их качество в соответствии с требованиями табл. 10, а также наличие и герметическое положение закладных деталей для крепления монтажных устройств.
2. Бетонирование фундаментных вставок (опорных башмаков) следует выполнять после установки, выверки и закрепления первого яруса башни.
Опорные фундаментные плиты и опорные секции мачт должны быть забетонированы после их выверки и закрепления до установки первой секции ствола мачты.
3. Стальные канаты оттяжек должны иметь заводские сертификаты, а изоляторы - акты механических испытаний.
Канаты должны быть предварительно вытянуты усилием, равным 0,6 разрывного усилия в течение 20 мин.
Таблица 8
(СНиП 3.03.01-87, таблица 20)
|
Объем резервуара, м3 |
Предельные отклонения от вертикали для образующих стенки из рулонов и отдельных листов, мм |
Контроль (метод, объем, вид регистрации) |
|||||||||||
|
Номера поясов |
|||||||||||||
|
I |
II |
III |
IV |
V |
VI |
VII |
VIII |
IX |
X |
XI |
XII |
||
|
100-700 |
10 |
20 |
30 |
40 |
45 |
50 |
- |
- |
- |
- |
- |
- |
Измерительный, каждый резервуар, геодезическая исполнительная схема |
|
1000-5000 |
15 |
25 |
35 |
45 |
55 |
60 |
65 |
70 |
75 |
80 |
- |
- |
|
|
10000-20000 |
20 |
30 |
40 |
50 |
60 |
70 |
75 |
80 |
85 |
90 |
90 |
90 |
|
|
30000-50000 |
30 |
40 |
50 |
60 |
70 |
75 |
80 |
85 |
90 |
90 |
90 |
90 |
|
|
Примечания:1. Предельные отклонены! даны для стенок из листов шириной 1,5 м. В случае применения листов другой ширины предельные отклонения образующих стенки от вертикали на уровне всех промежуточных поясов следует определять интерполяцией. |
|||||||||||||
|
2. Измерения следует производить для каждого пояса на расстоянии до 50 мм от верхнего горизонтального шва. |
|||||||||||||
|
3. Отклонения надлежит проверять не реже, чем через 6 м по окружности резервуара. |
|||||||||||||
|
4. Указанные в таблице отклонения должны удовлетворять 75 % произведенных замеров по образующим. Для остальных 25 % замеров допускаются предельные отклонения на 30 % больше с учетом их местного характера. При этом зазор между стенкой резервуара и плавающей крышей или потопом должен находиться в пределах, обеспечиваемых конструкцией затвора. |
|||||||||||||
Таблица 9
(СНиП 3.03.01-87, таблица 21)
|
Технические требования |
Предельные отклонения, мм |
Контроль (метод, объем, вид регистрации) |
|
1. Разность двух любых диаметров резервуара, телескопа и колокола |
40 |
Измерительный, не менее трех диаметров, геодезическая исполнительная схема |
|
2. Отклонение стенок резервуара от вертикали на каждый метр высоты стенки |
3 |
То же, в местах расположения направляющих, геодезическая исполнительная схема |
|
3. Отклонение высоты резервуара: |
|
То же |
|
стенка из рулонов |
±20 |
|
|
стенка из листов |
±30 |
|
|
4. Отклонение радиуса горизонтальных колен гидрозатвора, телескопа и колокола |
+10 |
Измерительный, через каждые 6 м по окружности, но не менее 6 промеров, геодезическая исполнительная схема |
|
5. Отклонение зазора между поверхностями гидрозатвора, телескопа и колокола |
±20 |
То же |
|
6. Отклонение горизонтального размера в свету между поверхностью верхнего листа стенки телескопа и внешней гранью горизонтального листа затвора колокола, а также между вертикальной поверхностью затвора телескопа и внешней поверхностью стенки колокола |
±8 |
» |
|
7. Отклонение от вертикали внутренних направляющих телескопа и стоек колокола (после окончания сварки) на всю высоту |
10 |
Измерительный, все направляющие и стойки, геодезическая исполнительная схема |
|
8. Кривизна (стрела прогиба) стропил крыши колокола из вертикальной плоскости |
0,001 диаметра колокола |
Измерительный, каждый стропильный ригель |
|
9. Отклонение от центра купола продольной оси каждого стропильного ригеля (в плане) |
10 |
Измерительный, каждый стропильный ригель |
|
10. Отклонение внешних направляющих от вертикали (на всю высоту направляющих): |
|
Измерительный, каждая направляющая, геодезическая исполнительная схема |
|
в радиальном направлении |
10 |
|
|
в плоскости, касательной |
15 |
|
|
к цилиндрической поверхности резервуара газгольдера |
|
|
Таблица 10
(СНиП 3.03.01-87, таблица 22)
|
Технические требования |
Предельные отклонения |
Контроль (метод, объем, вид регистрации) |
|
1. Расстояние между центрами фундаментов одной башни |
10 мм + 0,001 проектного расстояния, но не более 25 мм |
Измерительный, каждый фундамент, геодезическая исполнительная схема |
|
2. Отклонение фактического угла наклона к горизонту оси тяги анкера от проектного угол между фактическим направлением оси тяги анкера и направлением на ось мачты |
0; -4° |
То же |
|
1* |
|
|
|
|
|
|
|
3. Отметка плиты центрального фундамента мачты и фундамента башни |
10 мм |
» |
|
4. Разность отметок опорных плит под пояса башни |
0,0007 базы, но не более 5 мм |
Измерительный, каждая опорная плита, геодезическая исполнительная схема |
|
5. Расстояние между центром мачты и осью проушины анкерного фундамента |
150 мм |
То же, каждая проушина фундамента, геодезическая исполнительная схема |
|
6. Отметка оси проушины анкерного фундамента мачты |
50 мм |
То же |
|
7. Угол между разбивочной осью и направлением на центр проушины тяги анкера |
1* |
» |
4. До подъема башен и секций мачт следует производить последовательную сборку смежных монтажных элементов с целью проверки прямолинейности или проектного угла перелома осей сопрягаемых участков, а также совпадения плоскостей фланцев и отверстий в них для болтов.
5. Установка секций ствола мачты, расположенных выше места крепления постоянных оттяжек, допускается только после полного проектного закрепления и монтажного натяжения оттяжек нижележащего яруса.
6. Выверку мачт следует производить после демонтажа монтажного крана, без подвешенных антенн, при скорости ветра не более 10 м/с в уровне верхнего яруса оттяжек.
7. Предельные отклонения законченных монтажом конструкций мачт и башен от проектного положения не должны превышать величин, указанных в табл. 11.
Таблица 11
(СНиП 3.03.01-87, таблица 23)
|
Технические требования |
Предельные отклонения |
Контроль (метод, объем, вид регистрации) |
|
1. Смещение оси ствола от проектного положения, мм: башни объектов связи |
0,001 высоты выверяемой точки над фундаментом |
Измерительный, каждая башня, геодезическая исполнительная схема |
|
башни вытяжных труб (одно-и многоствольные) |
0,003 высоты выверяемой точки над фундаментом |
|
|
2. Смещение оси ствола мачты, мм |
0,007 высоты выверяемой точки над фундаментом |
То же, каждая мачта, геодезическая исполнительная схема |
|
3. Монтажное натяжение оттяжек мачт, % |
8 |
То же, каждая оттяжка, ведомость монтажных натяжений |
|
4. Разница между максимальным и минимальным значением натяжения оттяжек одного яруса после демонтажа монтажного крана, % |
10 |
Аналитический, каждый ярус оттяжек, ведомость монтажных натяжений |
8. Сварные соединения листовых трубчатых элементов, качество которых следует проверять при монтаже физическими методами, надлежит контролировать одним из следующих методов: радиографическим или ультразвуковым в объеме 10 % при ручной или механизированной сварке и 5% при автоматизированной сварке.
Места обязательного контроля должны быть указаны в чертежах КМ.
Остальные сварные соединения следует контролировать в объеме, указанном в разделе «Сварка стальных конструкций», часть II, настоящего Руководства.
9. При сдаче сооружения в эксплуатацию наряду с документами, перечисленными в подразделе «Приемка в эксплуатацию объектов», часть I, дополнительно должны быть представлены:
- заводские сертификаты на стальные канаты, сплавы для заливки втулок и изоляторы;
- акты освидетельствования скрытых работ на заливку заглушек и смазку битумом фланцев трубчатых поясов мачт и башен;
- акты на изготовление и испытание оттяжек для мачтовых сооружений;
- акты механических испытаний изоляторов;
- исполнительные геодезические схемы положения осей сооружения, включая оси элементов поясов башен и решетчатых мачт с негабаритными секциями;
- ведомость замеренных монтажных оттяжек мачт.
1. В настоящем разделе рассматривается порядок осуществления контроля качества и приемки сварочных работ по устройству монтажных соединений стальных конструкций в соответствии с требованиями СНиП 3.03.01-87.
2. Сварочные работы следует производить по утвержденному проекту производства сварочных работ (ППСР) или другой технологической документации. Сварку должны выполнять сварщики, имеющие удостоверение на право производства сварочных работ.
3. При наличии соответствующего требования в ППС Рили технологической документации на монтажную сварку стыковых соединений данной конструкции каждый сварщик предварительно должен сварить пробные стыковые образцы из того же вида проката (марки стали, толщины), в том же пространственном положении и при использовании тех же режимов материалов и оборудования, что и при выполнении монтажных сварных соединений.
4. Механические испытания стыкового соединения пробного образца необходимо проводить согласно ГОСТ 6996-66* в объеме, указанном в табл. 1.
При неудовлетворительных результатах механических испытаний разрешается повторная сварка пробных образцов под наблюдением руководителя сварочных работ.
5. При входном контроле сварочных материалов следует установить наличие сертификатов или паспортов предприятия-поставщика.
При отсутствии сертификатов на сварочные материалы или истечении гарантийного срока их хранения необходимо определять механические свойства стыковых сварных соединений, выполненных с применением этих материалов. Сварные стыковые образцы следует испытывать на статическое растяжение, статический и ударный изгибы при температуре 20°С в количестве, указанном в табл. 1.
Таблица 1
(СНиП 3.03.01-87, таблица 35)
|
Вид испытания |
Число образцов, шт. |
Нормируемый показатель |
|
Статическое растяжение |
2 |
Временное сопротивление разрыву - не менее нижнего предела временного сопротивления основного металла, регламентируемого государственным стандартом |
|
Статический изгиб |
2 |
Угол статического изгиба, град, для сталей толщиной, мм: |
|
углеродистых |
||
|
до 20 - не менее 100 |
||
|
свыше 20 - не менее 80 |
||
|
низколегированных |
||
|
до 20 - не менее 80 |
||
|
свыше 20 - не менее 60 |
||
|
Ударный изгиб металла шва |
3 |
Ударная вязкость - не менее величины, указанной в технологической документации на монтажную сварку данной конструкции |
6. Результаты контрольных проверок соединений после сварки и исправления выявленных дефектов должны фиксироваться в журнале сварочных работ. Приемка сварных соединений оформляется актом.
1. Сварку конструкций при укрупнении и в проектном положении следует производить после проверки правильности сборки.
2. Кромки свариваемых элементов в местах расположения швов и прилегающие к ним поверхности шириной не менее 20 мм при ручной или механизированной дуговой сварке и не менее 50 мм при автоматизированных видах сварки необходимо зачищать с удалением ржавчины, жиров, краски, грязи, влаги.
С помощью специальных шаблонов и линеек необходимо проверять величину и равномерность зазора, превышение кромок. Допускается (ГОСТ 5264-80) относительное смещение кромок перед сваркой в зависимости от толщины элементов, не более:
Смещение, мм Толщина, мм
0,5 до 4
1,0 4-10
0,1 но не более 3 10-100
0,01 + 2, но не более 4 более 100
В стыковых, тавровых и угловых соединениях толщиной более 16 мм допускается увеличение номинального зазора в собранном соединении до 4 мм.
3. Число прокаленных сварочных материалов на рабочем месте сварщика не должно превышать полусменной потребности. Сварочные материалы следует содержать в условиях, исключающих их увлажнение. При сварке конструкций из сталей с пределом текучести более 390 МПа электроды, взятые непосредственно из прокалочной или сушильной печи, необходимо использовать в течение двух часов.
4. Ручную и механизированную дуговую сварку конструкций разрешается выполнять без подогрева при температуре окружающего воздуха, соответствующей приведенной в табл. 2. При более низких температурах сварку надлежит производить с предварительным местным подогревом стали до 120-160°С в зоне шириной 100 мм с каждой стороны соединения.
Автоматизированную дуговую сварку под флюсом разрешается производить без подогрева при температуре окружающего воздуха, соответствующей приведенной в табл. 3.
Таблица 2
(СНиП 3.03.01-87, таблица 36)
|
Толщина свариваемых элементов, мм |
Минимально допустимая температура окружающего. воздуха, *С, при сварке конструкций |
||||
|
решетчатых |
Листовых объемных и сплошно-стенчатых |
решетчатых |
Листовых объемных и сплошно-стенчатых |
Решетчатых и листовых |
|
|
Из стали |
|||||
|
углеродистой |
Низколегированной с пределом текучести, МПа (кгс/мм2): |
||||
|
390 (40) |
390 (40) |
||||
|
До 16 |
-30 |
-30 |
-20 |
-20 |
-15 |
|
Свыше 16 |
|
- |
- |
- |
0 |
|
до 25 |
|
|
|
|
|
|
Свыше 25 |
-30 |
-20 |
-10 |
0 |
При толщине более 25 мм предварительный местный подогрев производить независимо от температуры окружающего воздуха |
|
до 30 |
|
|
|
|
|
|
Свыше 30 |
-10 |
-10 |
0 |
5 |
|
|
до 40 |
|
|
|
|
|
|
Свыше 40 |
0 |
0 |
5 |
10 |
|
Таблица 3
(СНиП 3.03.01-87, таблица 37)
|
Толщина свариваемого элемента, мм |
Минимально допустимая температура окружающего воздуха, "С, при сварке конструкций из стали |
|
|
углеродистой |
низколегированной |
|
|
До 30 |
-30 |
-20 |
|
Свыше 30 |
-20 |
-10 |
При температуре, указанной в табл. 3, автоматизированную сварку под флюсом производить с предварительным местным подогревом до 120-160°С.
Автоматизированную электрошлаковую сварку элементов независимо от их толщины в конструкциях из низколегированных или углеродистых сталей допускается выполнять без предварительного подогрева при температуре воздуха до -65°С.
5. Швы соединений листовых объемных и сплошно-стенчатых конструкций толщиной более 20 мм при ручной дуговой сварке надлежит выполнять способами, обеспечивающими уменьшение скорости охлаждения сварного соединения (секционным обратноступенчатым, секционным двойным слоем, каскадом, секционным каскадом).
6. Начало и конец шва стыковых, угловых и тавровых соединений, выполняемых автоматизированными видами сварки, надлежит выводить за пределы свариваемых элементов на начальные и выводные планки.
После окончания сварки планки должны быть удалены кислородной резкой. Места, где были установлены планки, необходимо зачистить абразивным инструментом.
Применение начальных и выводных планок при ручной и механизированной дуговой сварке должно быть предусмотрено в чертежах КМД.
Не допускается возбуждать дугу и выводить кратер на основной металл за пределы шва.
7. Каждый последующий валик (слой) многослойного шва сварного соединения надлежит выполнять после тщательной очистки предыдущего валика (слоя) от шлака и брызг металла. Участки шва с трещинами следует удалять до наложения последующих слоев.
8. Поверхности свариваемых конструкций и выполненных швов сварных соединений после окончания сварки необходимо очищать от шлака, брызг и наплывов (натеков) расплавленного металла.
Приваренные сборочные и монтажные приспособления надлежит удалять без повреждения основного металла и применения ударных воздействий. Места их приварки необходимо зачистить заподлицо с основным металлом, недопустимые дефекты исправить.
9. Качество прихваток, сварных соединений креплений сборочных и монтажных приспособлений, определяемое внешним осмотром, должно быть не ниже качества основных сварных соединений.
1. Контроль качества работ по сварке монтажных соединений включает проверку:
- качества материалов и изделий, применяемых при устройстве соединений, и степени их соответствия проекту;
- соблюдения последовательности сварочных работ и технологии;
- качества выполненных соединений.
2. Сварочные материалы должны применяться проектных марок.
3. При осуществлении контроля за соблюдением технологии и последовательности работ особое внимание должно быть обращено на выполнение следующих требований:
- сварка должна производиться после проверки правильности установки элементов конструкции и положения соединяемых деталей;
- последовательность выполнения операций (порядок наложения сварных швов), а также общая последовательность устройства монтажных соединений в пределах сооружения, блоков, ярусов должна соответствовать указаниям технологических карт;
- работы по сварке монтажных соединений должны выполняться с соблюдением заданных режимов сварки ив отвечающих характеру работ условиях;
- сварка монтажных стыков должна выполняться сварщиками, прошедшими контрольные испытания.
4. Сварщик должен ставить личное клеймо на расстоянии 40-60 мм от границы выполненного им шва сварочного соединения. При выполнении сварного соединения несколькими сварщиками взамен постановки клейм допускается составление исполнительных схем с подписями сварщиков.
5. Контроль качества сварных соединений надлежит осуществлять методами, указанными в табл. 4.
Таблица 4
(СНиП 3.03.01-87, таблица 40)
|
Методы контроля |
Тип конструкции, объем контроля |
|
1. Внешний осмотр с проверкой геометрических размеров и формы швов |
Все типы конструкций в объеме; 100 % |
|
2. Контроль швов неразрушающими методами (радиографическими, ультразвуковыми и др.) |
Все типы конструкций в объеме не менее 0,5 % длины швов |
|
3. Испытания на непроницаемость и герметичность |
Конструкции (резервуарные и т. п.), методы и объемы контроля которых предусмотрены чертежами КМ |
|
4. Механические испытания контрольных образцов |
Конструкции, для которых требования механических свойств сварных соединений предусмотрены чертежами КМ |
Для конструкций, работающих на динамические и усталостные нагрузки, для снижения концентрации напряжений и повышения их сопротивляемости хрупким разрушениям проекты КМ должны предусматривать дополнительные требования к контролю геометрических размеров швов, угла наклона образующей и радиуса сопряжения швов с основным металлом и угловых деформаций свариваемых элементов. Измерения производятся специальными шаблонами с точностью до ±0,1 мм.
6. Трещины всех видов и размеров в швах сварных соединений конструкций не допускаются и должны быть устранены с последующей заваркой и контролем.
7. По внешнему виду качество сварных соединений должно удовлетворять требованиям, изложенным в табл. 5.
Таблица 5
(СНиП 3.03.01-87, таблица 41)
|
Элементы сварных соединений, наружные дефекты |
Требования к качеству, допустимые размеры дефектов |
|
1. Поверхность шва |
Равномерно-чешуйчатая, без прожогов, наплывов, сужений и перерывов. Плавный переход к основному металлу (следует оговорить в чертежах КМ и КМД) |
|
2. Подрезы |
Глубина -до 5 % толщины свариваемого проката, но не более 1 мм |
|
3. Дефекты удлиненные и сферические одиночные |
Глубина - до 10 % толщины свариваемого проката, но не более 3 мм Длина - до 20 % длины оценочного участка* |
|
4. Дефекты удлиненные сферические в виде цепочки или скопления- |
Глубина - до 5 % толщины свариваемого проката, но не более 2 мм |
|
|
Длина - до 20 % длины оценочного участка |
|
|
Длина цепочки или скопления - не более удвоенной длины оценочного участка |
|
5. Дефекты (непровары, цепочки и скопления пор) соседние по длине шва |
Расстояние между близлежащими концами не менее 200 мм |
|
Примечание: * - длину табл. 7. оценочного участка следует принимать по табл 7. |
|
8. Контроль швов сварных соединений неразрушающими методами следует проводить после исправления недопустимых дефектов, обнаруженных внешним осмотром. Контролю должны подлежать преимущественно места с признаками дефектов и участки пересечения швов. Длина контрольного участка должна быть не менее 100 мм.
9. По результатам радиографического контроля швы сварных соединений должны удовлетворять требованиям, изложенным в табл. 6 и 7.
Таблица 6
(СНиП 3.03.01-87, таблица 42)
|
Элементы сварных соединений |
Требования к качеству, допустимые размеры дефектов |
|
Соединения, доступные для сварки с двух сторон, соединения на подкладках |
|
|
1. Непровары в корне шва |
Высота - до 5 % толщины свариваемого проката, но не более 2 мм Длина - не более удвоенной длины оценочного участка |
|
Соединения без подкладок, доступные для сварки с одной стороны |
|
|
1. Непровары в корне шва : |
Высота - до 15 % толщины свариваемого проката, но не более 3 мм |
|
2. Удлиненные и сферические дефекты |
|
|
одиночные |
Высота - не более значений h |
|
образующие цепочку |
Высота - не более 0,5h |
|
или скопление |
Длина - не более длины оценочного участка |
|
удлиненные |
Протяженность - не более отношения S/h |
|
непровары, цепочки и скопления пор, соседние по длине шва |
Расстояние между близлежащими концами не менее 200 мм |
|
суммарные в продольном сечении шва |
Суммарная площадь на оценочном участке - не более S |
|
Примечания: h - допустимая высота сферического или удлиненного одиночного дефекта; S - суммарная площадь дефектов в продольном сечении шва на оценочном участке Значения h и S следует принимать по табл. 7. |
|
При оценке за высоту дефектов h следует принимать размеры:
- для сферических пор и включений - диаметр;
- для удлиненных пор и включений - ширину.
Таблица 7
(СНиП 3.03.01-87, таблица 43)
|
Наименьшая толщина элемента конструкции в сварном соединении, мм |
Длина оценочного участка, мм |
Допустимые размеры одиночных дефектов |
|
|
h, мм |
S, мм2 |
||
|
От 4 до 6 |
15 |
0,8 |
3 |
|
Свыше 6 до 88 |
20 |
1,2 |
6 |
|
Свыше 8 до 10 |
20 |
1,6 |
8 |
|
Свыше 10 до 12 |
25 |
2,0 |
10 |
|
Свыше 12 до 14 |
25 |
2,4 |
12 |
|
Свыше 14 до 16 |
25 |
2,8 |
14 |
|
Свыше 16 до 18 |
25 |
3,2 |
16 |
|
Свыше 18 до 20 |
25 |
3,6 |
18 |
|
Свыше 20 до 60 |
30 |
4,0 |
18 |
В конструкциях, работающих на динамические нагрузки,
допускаются отдельные поры или шлаковые включения диаметром до 1 мм для стали
толщиной
до 25 мм и не более 4 % толщины при
более 25 мм в количестве не более четырех
дефектов на длине 400 мм. Особое внимание должно быть обращено на выявление дефектов
в зонах высоких остаточных напряжений шириной:
= 4,55
- для
стыковых соединений;
= 6,0
- для
тавровых соединений;
= 3,5
- для
угловых соединений, где
-толщина свариваемых элементов,
- катет шва.
10. По результатам ультразвукового контроля швы сварных соединений должны удовлетворять требованиям табл. 8.
Таблица 8
(СНиП 3.03.01-87, таблица 44)
|
Сварные соединения |
Наименьшая толщина элемента конструкции в сварном соединении, мм |
Длина оценочного участка, мм |
Фиксируемая эквивалентная площадь одиночного дефекта, мм2 |
Допустимое число одиночных дефектов на оценочном участке, шт. |
|
|
наименьшая поисковая |
допустимая оценочная |
||||
|
Стыковые |
Свыше 6 до 10 |
20 |
5 |
7 |
1 |
|
Угловые |
Свыше 10 до 20 |
25 |
5 |
7 |
2 |
|
Тавровые |
Свыше 20 до 30 |
30 |
5 |
7 |
3 |
|
Нахлесточные |
Свыше 30 до 60 |
30 |
7 |
10 |
3 |
11. В соединениях, доступных сварке с двух сторон, а также в соединениях на подкладках суммарная площадь дефектов (наружных и внутренних) на оценочном участке не должна превышать 5 % площади продольного сечения сварного шва на этом участке. В соединениях без подкладок, доступных сварке только с одной стороны, - не более 10 %.
В случае обнаружения недопустимого дефекта следует выявить его фактическую длину, дефект исправить и вновь проконтролировать. При повторном выявлении дефекта контролю подлежит все сварное соединение.
12. Контроль непроницаемости швов сварных соединений следует, как правило, производить пузырьковым или капиллярным методами в соответствии с ГОСТ 3242-79. Величина разрежения при пузырьковом методе должна быть не менее 2500 Па (250 мм вод. ст.). Продолжительность контроля капиллярным методом должна быть не менее 4 ч при положительной и менее 8 ч при отрицательной температуре окружающего воздуха.
13. Контроль герметичности швов сварных соединений следует, как правило, производить пузырьковым методом.
14. Механические испытания контрольных образцов проводят при наличии требований в чертежах КМ к показателям прочности, пластичности и вязкости металла шва и зоны термического влияния сварного соединения. Число контрольных образцов и требования к их сварке аналогичны требованиям к пробным образцам (см. п. 4 «Общих положений» настоящего раздела).
Кроме того, производится испытание на статическое растяжение металла шва стыкового, углового и таврового соединений - по 3 образца.
Сварные соединения низколегированной стали проверяются на твердость металла шва и зоны термического влияния (не менее чем в четырех точках) - на одном образце.
15. Все ожоги поверхности основного металла сварочной дугой следует зачищать абразивным инструментом на глубину 0,5-0,7 мм. Ослабление сечения при обработке сварных соединений (углубление в основной металл) недолжно превышать 3 % толщины свариваемого элемента, но не более 1 мм.
Исправления сварных соединений зачеканкой не допускается.
1. В настоящем разделе излагается порядок осуществления контроля качества и приемки работ по монтажу деревянных конструкций и защитной обработке древесины от гниения и возгорания в соответствии с требованиями СНиП 3.03.01-87, СНиП 3.04.03-85, СНиП 2.03.11-85.
2. До начала монтажа деревянных конструкций должны быть выполнены работы нулевого цикла по всему сооружению или его части. Места опирания конструкций на каменные и бетонные опорные части должны быть выверены по высоте и горизонтали и при необходимости подлиты цементным раствором.
3. Сборные несущие элементы деревянных конструкций следует поставлять предприятием-изготовителем на строительную площадку комплектно, вместе с ограждающими конструкциями, кровельными материалами и всеми деталями, необходимыми для выполнения проектных соединений - накладками, крепежными болтами, затяжками ,подвесками, стяжными муфтами, элементами связей и т. п., обеспечивающими возможность монтажа объекта захватками с устройством кровли.
Плиты покрытий и стеновые панели должны поставляться укомплектованными типовыми крепежными элементами, деталями подвесок, материалами для заделки стыков.
4. Способы монтажа, инвентарь, приспособления и монтажные механизмы, применяемые при сборке деревянных конструкций, определяются ППР.
5. Конструкции, изделия и материалы, применяемые при возведении деревянных конструкций, должны отвечать требованиям соответствующих стандартов, технических условий и рабочих чертежей.
6. Для обеспечения сохранности деревянных конструкций при транспортировке и хранении следует применять инвентарные устройства (ложементы, хомуты, контейнеры, мягкие стропы) с установкой в местах опирания и соприкосновения конструкций с металлическими деталями мягких прокладок и подкладок, а также предохранять их от воздействия солнечной радиации, попеременного увлажнения и высушивания. Офактуренные поверхности необходимо защищать от повреждения и загрязнения.
7. Несущие деревянные конструкции зданий надлежит монтировать в максимально укрупненном виде: в виде полурам и полуарок, полностью собранных арок, секций или блоков, включая покрытия и кровлю.
Укрупнительную сборку деревянных конструкций с затяжкой необходимо производить только в вертикальном положении, без затяжки - в горизонтальном положении.
8. При контакте деревянных конструкций с кирпичной кладкой, грунтом, бетоном и т. п. до начала монтажа необходимо выполнить предусмотренные проектом изоляционные работы.
1. При монтаже деревянных конструкций контролируются: качество материалов, укрупнительная сборка конструкций, монтаж несущих конструкций, сборка деревянных зданий заводского изготовления и брусчатых зданий.
2. Конструкции, получившие при транспортировке их ранении дефекты и повреждения, устранение которых в условиях стройплощадки не допускается (например, расслоение клеевых соединений, сквозные трещины и т. д.), запрещается монтировать до проведения заключения проектной организацией-разработчиком. В заключении выносится решение о возможности применения, необходимости усиления поврежденных конструкций или замене их новыми.
3. Монтаж деревянных изделий и конструкций разрешается начинать после проверки соответствия их размеров проектным, подтяжки болтов, тяжей, а также устранения всех дефектов, возникших во время транспортировки и хранения.
4. При монтаже деревянных конструкций должны соблюдаться следующие требования:
- монтаж деревянных балок, рам и ферм следует производить в соответствии с ППР, разработанным специальной организацией;
- монтаж арок и рам с соединениями на рабочих болтах или нагелях следует производить с закрепленными опорными узлами;
- монтаж деревянных конструкций пролетом 24 м и более должен производиться только специальной монтажной организацией;
- сборку деревянных ферм необходимо производить со строительным подъемом, создаваемым на строительной площадке и определяемым проектом;
- безраскосные 3-х шарнирные фермы из прямолинейных клееных элементов с деревянной и металлической затяжкой предварительно надлежит собирать из отдельных элементов на специальном стенде или площадке;
- при установке деревянных колонн, стоек и т. п., а также стыковке их элементов, торцы сопрягаемых конструкций должны плотно примыкать друг к другу. Величина зазора в стыках с одного края не должна превышать 1 мм. Сквозные щели не допускаются;
- в деревянных колоннах и стойках до начала монтажа следует выносить метки для постановки ригелей, прогонов, распорок, связей, панелей и других конструкций;
- при монтаже стеновых панелей верхняя панель не должна западать относительно нижней;
- плиты покрытия следует укладывать в направлении от карниза к коньку с площадками их опирания на несущие конструкции не менее 5 см. Между плитами необходимо выдерживать зазоры, обеспечивающие плотную герметизацию швов;
- на уложенных в покрытие плитах, не имеющих верхней обшивки, запрещается производить общестроительные и специальные работы. Для выполнения этих работ на покрытии, а также для складирования материалов и деталей, установки различных механизмов и приспособлений, в соответствии с ППР, необходимо устраивать временный дощатый защитный настил и использовать переносные трапы.
После укладки плит покрытия и заделки стыков по ним сразу следует укладывать кровлю, не допуская увлажнения утеплителя.
5. Брусчатые и бревенчатые стены следует собирать с запасом на осадку, вызванную усыханием древесины и усадкой материала для заделки швов. Запас должен составлять 3-5% проектной высоты стен.
6. Допуски и отклонения должны назначаться проектом, остальные отклонения не должны превышать требований, указанных в табл. 1.
Таблица 1
(СНиП 3.03.01-87, таблица 24)
|
Технические требования |
Предельные отклонения |
Контроль (метод, объем, вид регистрации) |
|
1. Отклонение глубины врубок от проектной |
±2 мм |
Измерительный, каждый элемент регистрации) |
|
2. Отклонения в расстояниях между центрами рабочих болтов, панелей, шпонок в соединениях относительно проектных: |
|
То же |
|
- для входных отверстий |
±2 мм |
Измерительный, выборочный |
|
- для выходных отверстий поперек волокон |
2 % толщины пакета, но не более 5 мм |
|
|
- для выходных отверстий вдоль волокон |
4 % толщины пакета, но не более 10 мм |
|
|
3. Отклонение в расстояниях между центрами гвоздей со стороны забивки в гвоздевых соединениях |
±2 мм |
То же |
|
4. Отклонение граней: венцов рубленых стен от горизонтали на 1 м длины и стен-перегородок от вертикали на 1 м высоты |
±3 мм |
Измерительный, в каждом венце |
7. При монтаже оконных блоков должны соблюдаться следующие требования:
- поверхности блоков, примыкающие к каменным и бетонным стенам, должны быть антисептированы и защищены гидроизоляционными материалами;
- зазоры между коробкой и поверхностью наружных стен должны заделываться термоизоляционными материалами;
- каждый вертикальный брус коробки должен укрепляться не менее, чем в двух местах, расстояние между которыми не должно превышать 1 м.
Приемка оконных блоков, вмонтированных в проемы, должна сопровождаться проверкой плотности пригонки оконных переплетов между собой, правильности установки и крепления уплотняющих прокладок, остекления, установки скобяных изделий, наличников, составлением акта освидетельствования скрытых работ по креплению коробок, их теплоизоляции и защитной обработке.
8. При установке подоконных досок должны соблюдаться следующие требования:
- при контакте деревянных подоконных досок с кирпичной кладкой, бетоном до начала монтажа необходимо выполнить следующие предусмотренные проектом изоляционные работы:
- верхняя поверхность подоконных досок должна иметь уклон внутрь помещения не менее 1 %;
- в пределах одного помещения подоконные доски должны быть установлены на одном уровне.
Приемка установки подоконных досок должна сопровождаться актом освидетельствования скрытых работ по их теплоизоляции и защитной обработке.
9. При установке дверных блоков должны соблюдаться следующие требования:
- каждый вертикальный брусок коробки должен крепиться не менее, чем в двух местах, расстояние между которыми не должно превышать 1 м;
- допускаемое отклонение от вертикали дверных коробок - не более 3 мм;
- зазоры между дверными полотнами и полом должны составлять у внутренних дверей - 5 мм, у дверей санитарных узлов - 12 мм;
- в пределах одного помещения дверные ручки должны быть установлены на одном уровне.
Приемка дверных блоков, вмонтированных в проемы, должна сопровождаться проверкой плотности пригонки полотен дверей между собой и к четвертям коробок, правильности установки и крепления уплотняющих прокладок и скобяных изделий с составлением актов освидетельствования скрытых работ по креплению коробок, их теплоизоляции и защитной обработке.
1. Защита от увлажнения и гниения деревянных конструкций и изделий достигается созданием влагозащитных пленок на поверхности или пропиткой древесины стандартными антисептическими составами. Способы защитной обработки выбирают в зависимости от типа и назначения конструкций и изделий (см. Приложения 1, 2, часть II).
2. Влажность древесины, предназначенной для защитной обработки, не должна быть более 12% при создании влагозащитных пленок и 25 % - при обработке антисептиками. Пропитка растворами на доналите допускается при влажности древесины не более 35% (с выдержкой изделий до использования по назначению от 3 до 8 недель в условиях, обеспечивающих защиту от атмосферных воздействий). Допускается обработка древесины с высокой влажностью (свежесрубленная, сплавная и т. п.) антисептическими пастами с гидроизоляцией обработанной поверхности. Составы для антисептирования и консервирования приведены в Приложениях 3, 4, часть II.
3. Поверхность конструкций и изделий перед защитной обработкой должна быть тщательно очищена от коры, грязи, извести, льда и снега.
4. Влагозащитные окрасочные составы, технология производства и контроль качества работ, расход материалов должны соответствовать требованиям СНиП 3.04.01-87. Толщина лакокрасочного влагозащитного покрытия должна находиться в пределах 70-250 мкм в зависимости от типа покрытия и условий эксплуатации. Лакокрасочные составы для защиты древесины приведены в Приложении 5, часть II.
5. Во всех случаях, когда в ходе сборки конструкций вынужденно производятся сверление, прирезка, притеска и другие работы, связанные с частичным снятием обработанного антисептиком слоя, зги места должны быть вновь обработаны путем нанесения антисептической пасты.
6. Контроль качества антисептирования деревянных конструкций и изделий должен осуществляться по операционно в соответствии со схемой операционного контроля качества.
7. Проверка качества защитной обработки деревянных конструкций и изделий производится при поступлении их на склад строительной организации по паспортам или актам и внешним осмотром. В паспорте (акте) должны быть указаны: организация, производившая защитную обработку; вид обработки; метод обработки; количество поглощенного защитного вещества на 1м2 или 1м3 древесины и глубина проникновения. При возникновении сомнений в качестве защитной обработки надлежит провести контрольные испытания в лаборатории.
При выполнении защитной обработки специальными подразделениями в построечных условиях основные контролируемые показатели антисептирования должны заноситься в «Журнал защитной обработки древесины».
Глубина проникновения антисептика в древесину определяется по изменению цвета древесины, а при бесцветных растворах - с помощью специальных индикаторов (табл. 2). Пробы древесины для этого берутся пустотелым буром.
Таблица 2
|
Антисептики |
Индикаторы |
Цвет окраски древесины |
|
Фторсодержащие |
Циркокализариновый лак; спиртоэфирный раствор роданистого железа |
Желтый |
|
Хромсодержащие |
5 %-ный спиртовой раствор дифенилкарбозита |
Фиолетово - синий |
|
Пентахлорфенолят натрия |
100 %-ный водный раствор медного купороса |
Бурый |
|
Пентахлорфенол |
Спиртовой или ацетоновый раствор медного купороса, смешанный с ацетатом натрия |
Бурый |
|
Борсодержащие препараты |
0,1 %-ный раствор пирокатехинового фиолетового индикатора, растворенного в 5 %-ном растворе ацетата натрия |
Красный |
10. Древесина березы, бука, тополя, осины, ольхи, заболонь сосны и кедра должны быть пропитаны водными растворами антисептиков на глубину не менее 5 мм, а маслянистыми антисептиками - на глубину не менее 10 мм; древесина ядра сосны, кедра, ели и пихты –на глубину не менее 2 мм. Для элементов деревянных опор линий электропередач антисептик должен проникать в заболонную древесину не менее, чем на 85% толщины заболони (но не менее, чем на 20 мм), а в обнаженную ядровую древесину - не менее, чем на 5 мм в сухую древесину и не менее, чем на 10 мм в сырую.
11. Во время защитной обработки готовых защитных покрытий до приобретения ими требуемых качеств, а также при хранении и перевозке конструкций и изделий должны приниматься меры к предохранению покрытий от загрязнения, увлажнения, механических или иных воздействий и повреждений.
1. Огнезащитные составы (антипирены), применяемые для обработки древесины, приведены в Приложении 6. Для огнезащитной обработки древесины допускается применение материалов, прошедших испытания, установленные государственными стандартами.
2. Контроль качества огнезащитной обработки древесины должен производиться с соблюдением требований, изложенных в п.п. 6-8 предыдущего подраздела,
3. Глубина проникновения антипирена в древесину определяется по изменению цвета пробы древесины. При обработке фосфорно- и сернокислыми аммонийными солями, окрашивается 4%-ным раствором бензина, растворенного в 15%-ной уксусной кислоте, в слабо-синий цвет.
4. При пропитке в ваннах с предварительным прогревом древесина березы, бука, тополя, осины, ольхи, а также заболонь сосны и кедра должна быть пропитана раствор амиантипиренов на глубину не менее 5 мм, древесина ядра сосны, кедра, ели и пихты - на глубину не менее 2 мм.
1. В настоящем разделе излагается порядок осуществления контроля качества и приемки работ по устройству антикоррозионных покрытий металлических, бетонных, железобетонных и кирпичных строительных конструкций, технологического оборудования, а также электрохимической защиты железобетонных и металлических конструкций в соответствии с требованиями СНиП 3.04.03-85 и СниП 2.03.11-85.
2. Для защиты поверхности строительных конструкций и технологического оборудования предусматриваются следующие виды антикоррозионных покрытий:
- лакокрасочные;
- мастичные, шпатлевочные и наливные;
- из жидких резиновых смесей;
- оклеечных из листовых и пленочных материалов;
- гуммировочные;
- облицовочные и футеровочные;
- металлизационные.
3. Работы по защите строительных конструкций и оборудования от коррозии следует выполнять после окончания
всех предшествующих строительно-монтажных работ, в процессе производства которых защитное покрытие может быть повреждено.
Порядок выполнения антикоррозионной защиты, осуществления контроля качества и приемки работ по ее устройству следует выполнять в соответствии с технологическими картами и ППР.
4. При приемке от предприятий-изготовителей стальных строительных конструкций, а также технологического оборудования должно быть освидетельствовано нанесенное на них антикоррозионное покрытие, предусмотренное ГОСТ или ТУ.
5. Работы по нанесению защитных покрытий, как правило, следует выполнять при температуре окружающего воздуха, защитных материалов и защищаемых поверхностей не ниже:
- плюс 10°С - для лакокрасочных защитных покрытий, приготовленных на основе природных смол; мастичных и шпатлевочных покрытий из силикатных материалов; оклеечных защитных покрытий на основе битумно-рулонных материалов, полиизобутиленовых пластин, пластин «Бутилкор-С», дублированного полиэтилена, гуммировочных покрытий; облицовочных и футеровочных покрытий, устанавливаемых на кислотоупорных силикатныхз замазках, на мастиках битуминоль; для кислотоупорного бетона и силикатополимербетона;
- плюс 15°С - для лакокрасочных армированных и неармированных покрытий, а также наливных покрытий материалами, приготовленными на синтетических смолах; мастичных покрытий из наирита и герметиков, приготовленных на основе синтетических каучуков; покрытий из листовых полимерных материалов; облицовочных и футеровочных покрытий, выполняемых на замазках арзамит, фуранкор, полиэфирных, эпоксидных и смешанных эпоксидных смол; полимербетона; для цементно-полистирольных, цементно-перхлорвиниловых и цементно-казеиновых обмазок;
- плюс 25°С - для нанесения покрытия «Полан».
При необходимости допускается выполнение отдельных видов защитных покрытий при более низких температурах с учетом специально разработанной для этих целей технической документации, согласованной в установленном порядке.
В зимнее время антикоррозионные работы следует производить в отапливаемых помещениях или укрытиях. При этом температура воздуха, защитных материалов и защищаемых поверхностей должна соответствовать требованиям данного пункта.
6. Не допускается устройство защитных покрытий на открытых сооружениях и строительных конструкциях, находящихся вне помещений во время атмосферных осадков. Непосредственно перед нанесением защитных покрытий защищаемые поверхности должны быть просушены.
7. Места вынужденных вскрытий должны быть заделаны покрытиями того же типа. Оклеечные покрытия должны быть при этом усилены дополнительным слоем, перекрывающим места вскрытия не менее, чем на 100 мм откромок.
8. Не допускается выравнивание бетонной поверхности материалами, предназначенными для защитных покрытий.
9. Во время производства работ по антикоррозионной защите, выдержки готовых защитных покрытий, хранения и перевозки конструкций и оборудования, имеющих защитные покрытия, должны приниматься меры к предохранению этих покрытий от загрязнения, увлажнения, механических и иных воздействий и повреждений.
10. Антикоррозионная защита должна выполняться в следующей технологической последовательности:
- подготовка защищаемой поверхности под защитное покрытие;
- подготовка материалов;
- нанесение грунтовки, обеспечивающей сцепление последующих слоев защитных покрытий с защищаемой поверхностью;
- нанесение защитного покрытия;
- сушка покрытия или его термообработка.
1. В процессе выполнения работ по устройству антикоррозионных покрытий контролю подлежат:
- качество исходных материалов и соблюдение технологии приготовления антикоррозионных составов, требований проекта;
- подготовка поверхности перед нанесением покрытия;
- соблюдение технологии нанесения защитного покрытия;
- качество готового покрытия.
2. Качество исходных материалов контролируется в соответствии с указаниями, изложенными в разделе«Требования к строительным материалам», часть III, настоящего Руководства. Материалы, приготовленные на месте применения, должны подвергаться контрольным испытаниям.
3. Металлическая поверхность, подготовленная к производству антикоррозионных работ, не должна иметь заусенцев, острых кромок, сварочных брызг, наплывов, прожогов, остатков флюса, дефектов, возникающих при прокатке и литье в виде неметаллических макровключений, раковин, трещин, неровностей, а также солей жиров и загрязнений.
Перед нанесением защитных покрытий поверхности стальных строительных конструкций следует очистить от оксидов струйным способом с применением дробоструйных установок, механическими щетками или преобразователями ржавчины. Способы очистки поверхности указывают в технической документации.
Поверхности стальных строительных конструкций, предусмотренных к обработке преобразователями (модификаторами) ржавчины, должны очищаться только от отслаивающихся пленок ржавчины или окалины. Допускаемая для модификации толщина продуктов коррозии, как правило, составляет не более 100 мкм. После очистки металлическую поверхность необходимо обеспылить механическим способом или растворителями.
4. Бетонная поверхность, подготовленная к нанесению антикоррозийной защиты, не должна иметь выступающей арматуры, раковин, наплывов, сколов ребер, масляных пятен, грязи и пыли.
Закладные изделия должны быть жестко закреплены в бетоне; фартуки закладных изделий устанавливают заподлицо с защищаемой поверхностью; места примыкания пола к колоннам, фундаментам под оборудование, стенам и другим вертикальным элементам должны быть замоноличены; опоры металлоконструкций должны быть обетонированы. Влажность бетона в поверхностном слое толщиной 20 мм должна быть не более 4%.
Бетонные поверхности, ранее подвергавшиеся воздействию кислых агрессивных сред, должны быть промыты чистой водой, нейтрализованы щелочным раствором или 4-5%-ным раствором кальцинированной соды, вновь промыты и высушены.
5. Разрыв во времени между окончанием работ по подготовке поверхности и началом нанесения покрытия не должен превышать на открытой площадке 6 ч, в закрытых помещениях - 24 ч.
6. Нанесение лакокрасочных защитных материалов должно выполняться в следующей технологической последовательности:
- нанесение и сушка грунтовок;
- нанесение и сушка шпатлевок (при необходимости);
- нанесение и сушка покрывных слоев;
- выдержка или термическая обработка покрытия. Лакокрасочные материалы, за исключением тиксотропных, наносятся тонким ровным слоем. Добиваться укрывистости за счет увеличения толщины слоя не допускается. Слои грунтовки и краски, нанесенные на поверхность, должны быть сплошными, без пропусков, потеков, трещин, пузырей, шелушения или отслаивания.
Каждый слой грунтовки и каждый последующий слой краски должны наноситься после практического высыхания предыдущего слоя, если не установлены особо оговоренные режимы сушки лакокрасочного материала.
7. Устройство мастичных, шпатлевочных и наливных защитных покрытий должно выполняться в следующей технологической последовательности:
- наклейка стеклоткани в местах сопряжения защищаемых поверхностей для последующего устройства наливных покрытий;
- нанесение и сушка грунтовок;
- нанесение мастичных, шпатлевочных или наливных покрытий и их сушка.
Мастичные покрытия, приготовленные на составах из природных и синтетических смол, наливные покрытия и шпатлевки, приготовленные на растворимом стекле, должны наноситься слоями толщиной не более 3 мм каждый.
Наливное защитное покрытие должно быть предохранено от механического воздействия в течение 2 суток с момента его нанесения и выдержано не менее 15 суток при температуре не ниже 15°С до ввода в эксплуатацию.
Защитное покрытие на основе горячих битумных или каменноугольных мастик должно быть предохранено от внешних механических воздействий до достижения температуры окружающего воздуха.
8. Нанесение защитных покрытий из жидких резиновых смесей должно выполняться в следующей технологической последовательности:
- нанесение грунтовок;
- нанесение покрытия из жидких резиновых смесей;
- вулканизация или сушка покрытия. Толщина покрытия определяется проектом.
9. Нанесение оклеечных защитных покрытий должно выполняться в следующей технологической последовательности:
- нанесение и сушка грунтовок;
- послойное наклеивание материалов;
- обработка стыков (сварка или склейка);
- сушка (выдержка) оклеечного покрытия.
На защищаемую поверхность перед наклейкой рулонных материалов на битумных мастиках должны быть нанесены грунтовки на основе битума, на синтетических клеях - грунтовки из этих же клеев.
Перед наклейкой на защищаемую поверхность рулонные материалы должны быть очищены от минеральной посыпки, листовые - промыты мыльной и чистой водой (пластикат - обезжирен ацетоном), высушены и раскроены на заготовки.
При нанесении листовых и рулонных материалов на битумной мастике ее слой не должен превышать 3 мм, на клеях - 1 мм.
Стыки наклеиваемых заготовок защитных покрытий следует располагать на расстоянии не менее 80 мм от сварных швов металла.
При наклейке листовыми и рулонными материалами величина нахлестки полотнищ должна быть, мм:
- 25 - для поливинилхлоридного пластиката в сооружениях, работающих под налив. Поливинилхлоридный пластикат при защите полов допускается наклеивать встык;
- 40 - для полиизобутиленовых пластин на синтетических клеях со сваркой швов;
- 50 - для стеклотканевых материалов на синтетических смолах, активированной полиэтиленовой пленки, полиизобутиленовых пластин на синтетических клеях с герметизацией полиизобутиленовой пастой, листов «Бутилкор-С» на синтетических клеях для однослойного покрытия;
- 100 - для дублированного полиэтилена, гидроизола, полиизобутиленовых пластин на битуме, рубероида, стеклорубероида;
- 200 - для «Бугалкор-С» на синтетических клеях для второго слоя, армированной поливинилхлоридной пленки.
10. Защита гуммировочными покрытиями должна выполняться в следующей технологической последовательности:
- обкладка защищаемой поверхности;
- проверка сплошности обкладки дефектоскопом;
- подготовка к вулканизации;
- вулканизация резиновых обкладок.
На сварные швы, углы и другие выступающие части защищаемой поверхности предварительно должны быть наклеены полосы шириной до 50 мм и шпонки из гуммировочных материалов.
Подготовленные защищаемые поверхности перед оклейкой гуммировочными материалами следует протереть бензином, просушить и промазать клеями.
Заготовки перед наклейкой должны быть промазаны клеем и выдержаны в течение 40-60 мин. Заготовки следует наклеивать внахлестку, перекрывая стыки на 40- 50 мм, или встык и прикатывать их роликами до удаления пузырьков воздуха. Места стыков при наклейке встык должны быть перекрыты лентами шириной 40 м. Швы обкладки следует располагать на расстоянии не менее 80 мм от сварных швов металла.
11. При облицовочном и футеровочном защитном покрытии защита штучными материалами поверхности строительных конструкций и технологического оборудования должна выполняться в следующей последовательности:
- приготовление химически стойких замазок (растворов);
- нанесение и сушка грунтовки (при футеровке металлического оборудования без органического подслоя) или шпатлевки;
- футеровка оборудования или облицовка строительных конструкций;
- сушка футеровки или облицовки;
- окисловка (при необходимости) швов.
Нанесение составов, имеющих кислые отвердители, на бетонную или стальную поверхности не допускается. Перед нанесением этих составов бетонные или стальные поверхности должны быть предварительно защищены промежуточным слоем материала, указываемого в проекте.
Облицовочные и футеровочные штучные материалы должны быть отсортированы и подобраны по размерам. Перед облицовкой и футеровкой на битумных и полимерных составах штучные материалы должны быть огрунтованы по граням и с тыльной стороны соответствующими грунтовками.
Для облицовки на битумных мастиках следует применять плитки толщиной не менее 30 мм.
Ширина швов при футеровке на кислотостойких растворах: для плитки - 4 мм; для кирпича - 6 мм.
Конструктивные размеры прослоек и швов при облицовке строительных конструкций штучными материалами на различных химически стойких замазках (растворах) приведены в табл. 1, при футеровке технологического оборудования - в табл. 2.
Сушку облицовки и футеровки следует выполнять послойно в соответствии с технологическими инструкциями.
Облицовка полов должна производиться послойно по маякам, которые по окончании работ должны быть заменены материалами, предусмотренными проектом.
12. При металлизационном защитном покрытии подготовленная с помощью дробеструйной очистки поверхность должна определяться величиной шероховатости, которая составляет от 6,3 до 55 мкм.
Разрыв во времени между окончанием дробеструйной очистки поверхности и началом нанесения металлизационного покрытия должен соответствовать следующим данным:
- в закрытых помещениях при относительной влажности воздуха до 70 % - не более 6 ч;
Таблица 1
(СНиП 3.04.03-85, таблица 4)
|
Вид работы |
Материал |
Толщина прослойки, мм |
Ширина шва. мм |
|
|
|
Горизонтальная поверхность |
Вертикальная поверхность |
|
|||
|
1. Облицовка на химически стойких силикатных замазках, в том числе и комбинированным способом по гидроизоляции из эластомеров и битумно-рулонных материалов |
Кирпич |
10 |
10 |
|
|
|
Плитка керамическая, шлакоситалловая, каменное литье |
8 |
8 |
3 |
|
|
|
2. Облицовка на цементнопесчаном растворе, в том числе комбинированным способом по подстилающему слою либо по армированной стеклотканью лакокрасочной композиции |
Кирпич |
10 |
10 |
5 |
|
|
Плитка керамическая, шлакоситалловая, каменное литье |
10 |
10 |
3 |
|
|
|
|
|
||||
|
|
|||||
|
- |
|
||||
|
3. Облицовка на цементнопесчаном растворе, в том числе комбинированным способом по гидроизоляции из эластомеров и битумно-рулонных материалов |
Кирпич |
20 |
10 |
5 |
|
|
Плитка керамическая, шлакоситалловая, каменное литье |
10 |
10 |
3 |
|
|
|
4. Облицовка на замазках на основе органических смол по гидроизоляции из эластомеров и битумно-рулонных материалов |
Кирпич |
5 |
5 |
5 |
|
|
Плитка керамическая, шлакоситалловая, каменное литье |
3 |
з |
3 |
|
|
|
5. Облицовка на замазках на основе органических смол по подстилающему слою либо по армированной стеклотканью лакокрасочной композиции |
Плитка керамическая, шлакоситалловая, каменное литье |
3 |
3 |
3 |
|
|
6. Облицовка на битумных мастиках по гидроизоляции из эластомеров и битумно-рулонных материалов |
Кирпич |
5 |
3 |
5 |
|
|
Плитка керамическая |
5 |
3 |
3 |
|
|
- на открытом воздухе в условиях, исключающих образование конденсата на металлической поверхности – не более 3 ч;
- при влажности воздуха выше 90 % под навесом или
внутри аппарата при условии, исключающем попадание влаги на защищаемую поверхность - не более 0,5 ч.
Таблица 2
(СНиП 3.04.03-85, таблица 5)
|
Вид работы |
Материал |
Толщина прослойки, мм |
Ширина шва, мм |
|
1. Футеровка на химически стойких силикатных замазках, в том числе комбинированным способом |
Кирпич |
10 |
5 |
|
Плитка керамическая (прямая и фасонная), шлакоситалловая, каменное литье |
6 |
3 |
|
|
2. Футеровка на цемент- но-песчаном растворе, в том числе комбинированным способом |
Кирпич |
15 |
8 |
|
Плитка керамическая (прямая, фасонная), шлакоситалловая, каменное литье |
15 |
3 |
|
|
3. Футеровка на замазках: арзамит, эпоксидной и др. на основе органических смол |
Кирпич, блоки углеграфитированные |
5 |
5 |
|
Плитка керамическая (прямая, фасонная), шлакоситалловая, каменное литье, |
3 |
3 |
|
|
АТМ-1 |
|
|
|
|
Примечание. При облицовке и футеровке плитками толщиной менее20 мм швы между ними не разделываются |
|||
В условиях строительной площадки металлизационное покрытие наносят вручную газопламенным или электродуговым способами путем последовательного нанесения взаимно перекрывающихся параллельных полос в несколько слоев. При напылении защитного металла необходимо соблюдать следующие условия:
- расстояние от точки плавления проволоки до защищаемой поверхности должно быть в пределах 80-150 мм;
- оптимальный угол нанесения металловоздушной струи должен быть 65-80°;
- оптимальная толщина одного слоя должна быть 50-60 мкм;
- температура защищаемой поверхности при нагреве не должна превышать 150°С.
1. Производственный контроль качества работ должен осуществляться на всех этапах подготовки и выполнения антикоррозионных работ.
2. При входном контроле проверяют наличие и комплектность рабочей документации, соответствие материалов требованиям ГОСТ и ТУ, а также производят освидетельствование защитных покрытий строительных конструкций, нанесенных на заводе-изготовителе.
3. При операционном контроле проверяют подготовку поверхности, соблюдение условий производства антикоррозионных работ (температуру и влажность окружающего воздуха и защищаемых поверхностей), толщину отдельных слоев и общую толщину законченного защитного покрытия, полноту заполнения швов и их размеры при производстве футеровочных и облицовочных работ, время выдержки отдельных слоев и законченного защитного покрытия.
4. При приемочном контроле выполненных защитных покрытий проверяют их сплошность, сцепление с защищаемой поверхностью и толщину, герметичность слоев и сварных швов обкладки, полноту заполнения и размеры швов между штучными материалами футеровочных и облицовочных покрытий, ровность облицовочных покрытий.
При необходимости допускается вскрытие защитных покрытий, о чем делается запись в журнале производства антикоррозионных работ.
5. Результаты производственного контроля качества работ должны заноситься в журнал производства антикоррозионных работ.
6. По мере выполнения законченных промежуточных видов антикоррозионных работ должно производиться их освидетельствование. К законченным промежуточным видам антикоррозионных работ следует относить: основание (защищаемую поверхность), подготовленное под выполнение последующих работ; огрунтовку поверхностей (независимо от числа нанесенных слоев грунта); непроницаемый подслой защитного покрытия; каждое полностью законченное промежуточное покрытие одного вида (независимо от числа нанесенных слоев); специальную обработку поверхности защитного покрытия (вулканизацию гуммировочного покрытия, окисловку швов футеровочного или облицовочного покрытия).
7. Результаты освидетельствования промежуточных видов работ следует оформлять актом.
После окончания всех работ по защите от коррозии следует производить освидетельствование и приемку защитного покрытия в целом с оформлением соответствующего акта.
При выполнении и приемке защитных покрытий необходимо соблюдать требования, приведенные в табл. 3.
1. Электрохимическая (активная) защита осуществляется с использованием «внешних» источников тока -электрических сетей (катодная защита) и путем применения протекторов из материалов с потенциалом более отрицательным, чем сталь, - сплавов на основе алюминия, цинка, магния (протекторная защита).
2. В процессе выполнения работ по устройству электрохимической защиты контролю подлежат:
- подготовка материалов, приборов и оборудования;
- земляные и буровые работы (отрывка траншей и бурение скважин под анодные заземлители);
- технологии систем монтажа электрохимической защиты;
- эффективность работы системы электрохимической защиты.
3. Перед началом монтажа системы электрохимической защиты проверяется соответствие проекту и паспортным данным оборудования, приборов, материалов и приспособлений.
4. Контроль качества земляных и буровых работ производится в соответствии с требованиями, изложенными в разделах «Земляные работы» и «Свайные работы», часть I,настоящего Руководства. При этом проверяются:
- разбивка траншей;
- расстояние между скважинами;
- отклонения в поперечных размерах траншей;
- отклонения отметок дна траншей;
- диаметр и глубина скважин;
- отклонение осей скважин от вертикали.
5. При монтаже анодных подпочвенных заземлений контролируются:
- надежность соединения всех элементов анодного заземления и подключаемых к нему кабелей;
- качество изоляции горизонтальной полосы, привариваемой к заземлителям, и мест приварки.
При сооружении глубинных анодных заземлений контролируются:
Таблица 3
(СНиП 3.04.03-85, приложение 3)
|
Вид защитного покрытия |
Показатели покрытий |
Допустимые отклонения |
Методы контроля |
|
1. Лакокрасочное |
Внешний вид |
Не допускаются потеки, пузырьки, включения, механические повреждения |
Визуальным осмотром |
|
|
Толщина |
Допускается отклонение по толщине в пределах ±10 % |
По металлической поверхности - толщиномером в соответствии с ГОСТ 9.302-88. По бетонной поверхности - визуально или микрометром на образцах (фольге), окрашенных одновременно с защищаемой поверхностью По металлической поверхности - электроискровым дефектоскопом; по бетонной поверхности – визуально По металлической поверхности - методом решетчатых надрезов в соответствии с ГОСТ 15140-78* (для лакокрасочных защитных покрытий) |
|
|
Сплошность |
- |
|
|
|
Адгезия |
- |
|
|
2. Лакокрасочное армированное |
Внешний вид |
Не допускаются потеки, пузырьки, включения, механические повреждения |
Визуальным осмотром |
|
|
Толщина |
- |
По металлической поверхности - толщиномером в соответствии с ГОСТ 9.302-88 По бетонной поверхности - визуально или микрометром на образцах (фольге), окрашенных одновременно с защищаемой поверхностью По металлической поверхности - электроискровым дефектоскопом По бетонной поверхности - визуальным осмотром |
|
Сплошность |
- |
||
|
|
Сцепление с защищаемой поверхностью |
Не должно быть изменения звука; допускается не более двух отслоений площадью поверхности до 20 см2 на 1 м2 |
Простукиванием деревянным молотком |
|
|
Полнота отверждения - |
На тампоне не должен оставаться лакокрасочный материал |
Протиркой поверхности тампоном, смоченным в растворителе (за исключением перхлор-виниловых смол) |
|
3. Мастичное |
Внешний вид |
Не допускаются трещины, потеки, бугры, открытые поры, посторонние включения и механические повреждения |
Визуальным осмотром |
|
|
Толщина |
- |
По металлической поверхности магнитным толщиномером |
|
|
Сплошность |
- |
Визуальным осмотром - электропроводных покрытий; электроискровым дефектоскопом - неэлектропроводных покрытий |
|
|
Сцепление с защищаемой поверхностью |
Не должно быть изменения звука |
Простукиванием стальным молоточком |
|
|
Полнота отверждения |
Должны оставаться полосы светлого цвета |
Прочерчиванием линий на поверхности покрытия металлическим шпателем или мастерком |
|
4. Оклеечное |
Внешний вид |
Не допускаются механические повреждения и пропуски в швах (герметизация швов) |
Визуальным осмотром |
|
|
Сплошность |
- |
Для защитного покрытия из полиизобутилена - однократным наливом воды до рабочего уровня и выдержкой « течение 24 ч (для аппаратов и сооружений, предназначенных под налив); для остальных покрытий - визуально |
|
|
Сцепление с защищаемой поверхностью |
Не должно быть изменения звука |
Простукиванием поверхности деревянным молоточком |
|
5. Из жидких резиновых смесей |
Внешний вид |
Не допускаются пузыри, механические повреждения и посторонние включения |
Визуальным осмотром |
|
|
Толщина |
Для покрытий «Полан» допускаются наплывы толщиной не более 4 мм и площадью поверхности до 20 см2 на 1 м2, но не более 5 % общей площади покрытия |
По металлической поверхности толщиномером в соответствии с ГОСТ 9.302-88 |
|
|
Сплошность |
- |
По металлической поверхности - электроискровым дефектоскопом |
|
|
Полнота отверждения |
На тампоне не должен оставаться материал покрытия |
Протиркой тампоном, смоченным в растворителе |
|
6. Гуммировочные |
Внешний вид |
Не допускаются механические повреждения и посторонние включения |
Визуальным осмотром |
|
|
Сплошность |
- |
Электроискровым дефектоскопом |
|
|
Сцепление с защищаемой поверхностью |
На поверхности допускается одно отслоение площадью до 20 см2 на 1 м , но не более 5 % общей площади покрытия |
Визуальным осмотром, простукиванием деревянным молоточком |
|
|
Твердость |
Твердомером резины типа 2033 ТИР в соответствии с ГОСТ 263-76 * |
|
|
7. Облицовочные и футеровочные |
Полнота заполнения и размеры швов |
Не допускаются пустоты, трещины, сколы, посторонние включения; 10% швов могут иметь размер, на 1 мм больше конструктивного |
Визуально. Металлическим щупом, металлической линейкой |
|
|
Ровность облицовочного покрытия |
Отклонение поверхности облицовки от плоскости не должно превышать: 4 мм - при укладке штучных кислотоупорных изделий толщиной более 50 мм |
Двухметровой рейкой |
|
|
|
2 мм - при укладке штучных кислотоупорных изделий толщиной до 50 мм |
|
|
8. Металлизационные |
Внешний вид |
Не допускаются пропуски |
Визуальным осмотром |
|
|
Толщина |
Не менее минимальной толщины, установленной проектом |
Магнитным толщиномером не менее трех измерений |
|
|
Прочность сцепления |
- |
Методом нанесения сетки царапин на площади 15´15 мм, расстояние между царапинами 3 мм |
- качество сборки электродов;
- качество присоединения и изоляции контакта соединительного кабеля.
6. Анодные заземлители должны располагаться в грунте ниже глубины промерзания и на расстоянии не менее 15 м от контуров защитных заземлений электроустановок и установок средств связи.
7. Не допускается использовать конструктивные элементы сооружения в качестве защитного заземления для катодных станций.
8. В качестве точек дренажа допускается использовать закладные элементы, а также арматуру защищаемой металлической конструкции сооружения, обеспечивающие надежный контакт в цепи протекания защитного тока откатодной станции. Защиту точек дренажа от коррозии следует осуществлять путем нанесения антикоррозионного покрытия. Не допускается выбирать точку дренажа внутривзрывоопасного сооружения.
9. Контроль сопротивления анодного заземления и цепей катодной защиты осуществляется после монтажа анодного заземления и окончания всех строительно-монтажных работ.
10. При монтаже протекторных установок осуществляется контроль:
- целостности протекторов;
- качества пайки кабеля к выступающему из протектора концу внутреннего стержня, поверхность которого должна быть зачищена до металлического блеска;
- надежности изоляции мест пайки грунтовкой и слоем битума (толщина изоляции должна быть не менее 4 мм);
- надежности присоединения кабеля к сооружению.
11. Наладка систем электрохимической защиты и проверка эффективности их работы выполняются специализированными организациями. При наладке контролируются:
- величины защитных потенциалов;
- правильность установки протекторов;
- оптимальные режимы работы катодных станций.
12. Значения минимальных и максимальных (по абсолютной величине) защитных потенциалов «сооружение-земля» по отношению к медно-сульфатному неполяризующемуся электроду должны находиться в пределах, указанных в табл. 4.
Таблица 4
|
Материал сооружения |
Потенциалы, В |
|
|
минимальные |
максимальные |
|
|
Железобетон |
-0,87 |
-1,22 |
|
Сталь |
-0,87 |
-2,5 |
|
Сталь с защитным покрытием |
-0,85 |
-1.1 |
|
Алюминий |
-0,85 |
-1,38 |
13. Правильность установки протекторов контролируется замером потенциала, который для цинковых протекторов должен быть -1,18, для магниевых от -1,5 до -1,6 по медно-сульфатному электроду сравнения.
14. При выполнении работ по устройству электрохимической защиты производится промежуточная приемка этапов работ и окончательная приемка. При промежуточной приемке составляются акты на скрытые работы. Окончательная приемка производится после выполнения всех монтажных работ, измерения разности потенциалов «сооружение-земля», а также электрических параметров защитных устройств.
1. Положения настоящего раздела должны соблюдаться при контроле качества и приемке работ по устройству анкеров и возведению опускных колодцев, кессонов и сооружений способом «стена в грунте» в соответствии с требованиями СНиП 3.02.01-87.
2. Устройство анкеров и возведение опускных колодцев, кессонов и сооружений способом «стена в грунте» должны осуществляться по ППР, включающему: данные о расположении в зоне производства работ существующих подземных и надземных сооружений, сетей и коммуникаций с указанием глубины их прокладки, линий электропередач, а также мероприятия по их защите; перечень оборудования; последовательность и график выполнения работ; мероприятия по обеспечению техники безопасности.
3. Замена предусмотренных проектом материалов, изделий и конструкций для возведения сооружений допускается только по согласованию с проектной организацией и заказчиком.
1. До начала работ по устройству анкеров должны быть проведены пробные испытания анкеров и произведена разбивка мест расположения анкеров.
2. Способы бурения скважин под анкеры должны исключать возможность разуплотнения грунта стенок скважин. Перед установкой анкера скважина должна быть очищена от шлама в пределах длины анкера.
3. В анкерах с манжетной трубой для образования обоймы следует применять, как правило, глиноцементный раствор, прочность которого в возрасте 7 дней должна составлять 1-2 МПа.
4. Раствор для образования заделки следует приготовлять на строительной площадке непосредственно перед нагнетанием в скважину. Во избежание расслаивания раствор в течение всего периода нагнетания следует периодически перемешивать.
5. При закреплении арматуры анкера в скважине (при образовании заделки анкера) следует обеспечивать нагнетание проектного объема раствора с обязательной регистрацией расхода и давления. В случае резкого подъема давления инъекция должна быть прекращена.
6. При устройстве анкеров, заделка которых образуется путем многократной инъекции через манжетную трубу при помощи инъектора с двойным тампоном при глиноцементной обойме, каждая последующая инъекция должна выполняться не ранее, чем через 16 ч после окончания предыдущей.
7. Несущая способность каждого анкера, как правило, должна быть проверена до включения его в работу совместно с закрепляемой конструкцией путем контрольных или приемочных испытаний на максимальную испытательную нагрузку.
Контрольным испытаниям следует подвергать не менее одного из каждых десяти установленных анкеров, приемочным - все анкеры, кроме контрольных.
8. Испытания анкеров следует производить только после достижения заинъекцированным раствором проектной прочности.
После окончания контрольных или приемочных испытаний анкеры должны быть закреплены на конструкции под блокировочной нагрузкой.
Результаты контрольных и приемочных испытаний заносятся в «Сводные ведомости установленных анкеров».
9. При устройстве анкеров должны соблюдаться требования, приведенные в табл. 1.
Таблица 1
СНиП 3.02.01-87, таблица 18)
|
Технические требования |
Предельные отклонения |
Контроль (метод и объем) |
|
1. Параметры анкеров (конструкция, глубина заложения, угол на клона к горизонту, общая длина заделки, длина свободной части, диаметр скважины) |
Должны соответствовать проекту |
Технический осмотр, каждый анкер |
|
2. Несущая способность анкеров: |
Должны воспринимать усилие больше эксплуатационного: |
Измерительный, не менее 10% общего числа анкеров при контрольных испытаниях и все остальные анкеры при приемочных испытаниях |
|
постоянные |
в 1,5 раза |
|
|
временные |
в 1,2 раза |
|
1. До начала производства работ по погружению опускных колодцев и кессонов выполняется планировка площади, разбивка и закрепление на местности основных осей и устройство под ножевую часть временного основания в виде песчано-щебеночной призмы, деревянных или железобетонных подкладок, сборных или монолитных опорных бетонных плит или других опорных конструкций.
2. Способ закрепления основных осей опускных колодцев (кессонов) на местности должен обеспечивать возможность проверки их положения в плане в любой момент времени опускания.
Створные знаки и реперы для контроля закрепления основных осей и вертикальных отметок колодцев (кессонов) надлежит устанавливать за пределами участков с возможными деформациями грунта, вызванными опусканием сооружения, в местах, безопасных в отношении размыва и оползней.
3. Погружение всех видов опускных колодцев без применения специальных мероприятий по снижению сил трения их стен о грунт (тиксотропная рубашка, антифрикционные обмазки и др.) не допускается.
4. При опускании колодцев в водонасыщенных грунтах без водоотвода (водопонижения) или на акватории во избежание наплыва грунта в полость колодца из-под ножа уровень воды в полости должен поддерживаться не ниже уровня воды с наружной стороны колодцев или превышать его.
5. На участках с оплывающими грунтами открытый водоотлив при опускании колодцев не допускается, а также в случаях применения тиксотропной рубашки в песчаных водоносных грунтах.
6. При погружении колодцев в зимнее время года следует применять растворы с пониженной температурой замерзания, не оказывающие вредного коррозионного воздействия на конструкцию, а также принимать меры по предотвращению примерзания колодцев к грунту.
7. При опускании колодцев в тиксотропной рубашке надлежит:
- контролировать и регулировать вертикальность опускания, не допуская навала колодца на грунтовую стенку;
- не допускать разработку грунта в непосредственной близости от банкетки ножа при прохождении водонасыщенных прослоек грунта.
8. В целях предотвращения всплытия колодцев, опущенных в водонасыщенные грунты, до устройства днища и отклонения системы водопонижения необходимо выполнять предусмотренные проектом работы по закреплению колодцев на проектной отметке.
9. До начала работ по опусканию кессонов оборудование (шлюзовые аппараты, шахтные трубы, воздухосборники, воздухопроводы) должно быть освидетельствовано и испытано гидравлическим давлением, превышающим в 1,5 раза максимальное рабочее воздушное давление.
10. Способы и последовательность разработки грунта в кессоне должны обеспечивать равномерное опускание кессона и предотвращение прорывов воздуха из рабочей камеры.
Отметка поверхности грунта в рабочей камере в процессе опускания не должна превышать отметку банкетки ножа более, чем на 60 см.
11. Решение о пригодности опускных колодцев и кессонов, имеющих смещения, перекосы и другие отклонения от проекта, превышающие установленные допуски, принимаются по согласованию с проектной организацией и заказчиком.
12. При производстве работ по устройству опускных колодцев и кессонов состав контролируемых показателей, предельные отклонения, объем и методы контроля должны соответствовать требованиям, приведенным в табл. 2.
Таблица 2
(СНиП 3.03.01-87, таблица 19)
|
Технические требования |
Предельные отклонения |
Контроль (метод и объем) |
|
1. Устройство временных оснований |
Монтаж сборных элементов не ранее достижения бетоном опорных плит прочности 70 % |
Измерительный, каждое основание |
|
2. Монтаж сборных элементов при монолитной ножевой части - |
Не ранее достижения прочности бетона, %: |
То же, на каждом ярусе |
|
|
ножевой части - 70 |
|
|
|
горизонтальных |
|
|
|
колец омоноличивания - 50 |
|
|
3. Снятие колодцев и кессонов с временного основания |
Не ранее достижения прочности бетона, %: |
То же |
|
|
стен - 70 |
|
|
|
омоноличивания |
|
|
|
стыков - 100 |
|
|
4. Опускание колодцев: |
|
|
|
а) величина посадки колодцев за каждый цикл опускания |
Не более 0,5 м с условием соблюдения вертикальности и проектного положения в плане |
То же, после каждой посадки |
|
б) минимальная толщина грунтовой пробки в колодцах, опускаемых способом задавливания |
В глинистых грунтах -1м |
Измерительный, ежесменно - |
|
В песках - 1,5 м |
|
|
|
В грунтах с плывунными свойствами - 2 м - |
|
|
|
в) разница величин задавливания в противоположных точках |
Не более 10 мм |
То же |
|
5. Уровень глинистого раствора относительно верха форшахты при опускании колодцев в тиксотропной рубашке |
Не ниже 20 см |
Измерительный, периодический (ежесменно) |
|
6. Подача воздуха в кессон: |
|
|
|
а) количество |
Не менее 25 м3/ч на каждого работающего |
Постоянный, измерительный |
|
б) воздушное давление |
По проекту, но не должен превышать более, чем на 0,02 МП(0,2 атм) гидростатиаческое давление на уровне ножа |
То же |
|
7. Размеры опускных колодцев и кессонов: |
|
Измерительный, периодический (через каждые 2 м погружения)- |
|
а) по поперечному сечению: |
|
|
|
длине и ширине |
0,5%, но не более12 см |
|
|
радиусу закругления диагонали |
0,5%, но не более 6 см |
|
|
б) по толщине стен: |
|
|
|
бетонных |
±3 см |
|
|
железобетонных |
±1 см |
|
|
в) горизонтальное смещение - |
0,001 глубины погружения |
|
|
г) тангенс угла отклонения от вертикали |
0,01 |
|
13. Оценку качества и приемку законченных работ на объекте выполняют на основании следующих документов:
- краткой технической характеристики подлежащего сдаче сооружения;
- комплекта рабочих чертежей со всеми внесенными в проект изменениями;
- актов промежуточной приемки ответственных конструкций;
- актов на скрытые работы;
- актов испытаний установленного оборудования;
- сертификатов, актов и паспортов на использованные материалы;
- актов испытаний сварных стыков, арматуры, образцов бетона и др.;
- журналов работ;
- актов геодезической разбивки основных осей сооружений;
- ведомостей реперов и осевых знаков.
Приемка работ оформляется актом.
1. До начала производства работ выполняется монтаж оборудования для приготовления глинистых растворов и на холостом ходу проверяется готовность к работе. При строительстве с применением сборных элементов их запас на площадке должен соответствовать длине участка стены, равной сменной производительности агрегата, разрабатывающего траншею.
До начала устройства противофильтрационных завес с целью уточнения технологической схемы, предусмотренной проектом производства работ, и уточнения проектных характеристик материала-заполнителя выполняются опытные работы в соответствии с техническим заданием, составленным проектной организацией.
2. Для приготовления глинистых растворов следует применять бентонитовые глины, а при их отсутствии местные глины, имеющие соответствующие физико-механические характеристики. Пригодность местных глин определяется по результатам лабораторных испытаний.
Качество глинистых растворов должно обеспечивать устойчивость стен грунтовых выработок (траншей, скважин) в период их устройства и заполнения.
При разработке неустойчивых грунтов с напорными водами для повышения плотности раствора допускается применять барит, магнезит и другие утяжелители раствора в количестве, зависящем от требуемой плотности раствора, но не более 7% массы глины. При разработке крупнопористых грунтов в целях снижения водоотдачи и потерь глинистого раствора в него можно добавлять жидкое стекло (силикат натрия или силикат калия) в пределах от 2 до 6% массы глины.
Качество глинистых растворов для повторного их использования следует восстанавливать очисткой или добавкой в раствор глины.
3. При устройстве стен из сборного железобетона по одноэтапной технологии (без замены глинистого раствора тампонажным) следует применять твердеющий раствор плотностью до 1,2 г/см3, одновременно обладающий свойствами обычного глинистого и тампонажного растворов и имеющий после твердения прочность не менее 0,6-0,8 МПа.
4. До начала работ по заполнению траншеи бетоном, железобетоном, конструкциями или противофильтрационным материалом надлежит очистить ее дно от осадка.
5. Бетонирование стен под защитой глинистого раствора следует производить не позднее, чем через 8 ч после образования траншеи на захватке.
6. Конструкция ограничителей должна воспринимать давление бетона, исключать попадание бетона из одной захватки в другую и обеспечивать заданную водонепроницаемость стыков.
7. В процессе укладки бетона в траншею необходимо периодически отбирать вытесняемый излишек глинистого раствора, не допуская снижения его уровня в траншее.
8. Подачу глиноцементного раствора или бетона при устройстве противофильтрационных завес следует осуществлять непрерывно, причем низ подающих раствор труб в начале работ должен находиться на уровне дна траншеи, а затем ниже уровня глиноцементного раствора или бетона не менее, чем на 1 м.
9. При производстве работ по устройству сооружений, возводимых способом «стена в грунте», должны соблюдаться требования, приведенные в табл. 3.
Таблица 3
(СНиП 3.02.01-87, таблица 20)
|
Технические требования |
Предельные отклонения |
Контроль (метод и объем) |
|
1. Показатели качества глины для приготовления растворов: |
|
Измерительный, 1 проба на 500 м3 |
|
число пластичности |
Не менее 0,2 |
|
|
содержание частиц размером, мм: |
|
|
|
крупнее 0,06 |
Не более 10 % |
|
|
менее 0,005 |
Не менее 30 % |
|
|
менее 0,001 |
Не менее 10 % |
|
|
2. Показатели качества глинистого раствора: |
|
|
|
толщина глинистой корки |
Не более 4 мм |
Измерительный, один раз в смену из накопительной емкости |
|
водоотдача |
Не более 17 см3 за 30 мин |
|
|
условная вязкость |
Не более 30 сек |
|
|
содержание песка |
Не более 4 % |
|
|
стабильность |
Не более 0,05 г/см3 |
|
|
суточный отстой воды |
Не более 4 % |
|
|
величина показателя реакции среды (рН) |
9-11 |
|
|
плотность раствора: |
|
|
|
из бентонитовых глин |
1,03-1,10 г/см3 |
То же, каждый |
|
из глин других видов |
1,10-1,25 г/см3 |
замес |
|
3. Уровень глинистого раствора |
Выше уровня подземных вод но не ниже 0,2 м от верха обделки устья трещин |
Измерительный, ежесменно |
|
4. Допустимые отклонения: |
|
То же, не реже |
|
смещения осей сооружения в плане |
±3 см |
чем через 10 м по длине стены |
|
тангенса угла отклонения стены |
0,005 |
|
|
от вертикали |
|
|
|
толщины стены |
+10 см |
|
|
глубины стены |
+20 см |
|
|
5. Коэффициент фильтрации заполнителя противофильтрационной завесы |
По проекту |
То же, 30 точек на 1000 м3 заполнителя.- |
|
|
|
Отбором образцов или экспресс методами |
1. В настоящем разделе рассматривается порядок осуществления контроля качества и приемки работ, выполняемых при возведении шахтных сооружений, железнодорожных, автодорожных, гидротехнических тоннелей и специальных сооружений, расположенных в горизонтальных выработках, в соответствии с требованиями СНиП 3.02.03-84, СНиП III-44-77.
Изложенные требования распространяются на работы по проходке выработок, возведению обделок.
2. Работы по возведению шахтных сооружений, тоннелей должны вестись по проекту организации строительства и специальному проекту производства работ, составленному горнопроходческой организацией, утвержденному генеральным подрядчиком и согласованному с проектной организацией и заказчиком.
3. Возведение сооружений должно осуществляться по циклограммам, обеспечивающим заданный срок строительства объектов.
4. В процессе проходки выработок надлежит вести систематическое визуальное наблюдение за соответствием фактических и гидрогеологических условий проектным данным в части изменения мощности и характера напластований грунтов, их крепости по буримости, трещиноватости, видов грунтов и притока грунтовых вод в забой, Результаты наблюдений следует заносить в журнал производства горных работ. Об отклонениях фактических геологических и гидрогеологических данных от проектных ставится в известность заказчик.
5. В процесе строительства следует производить ежемесячные контрольные измерения объемов основных горнопроходческих работ (длины проходки горных выработок, собранных колец временной или постоянной крепи, чеканки швов и др.).
6. В процессе строительства подземных сооружений должны осуществляться наблюдения за деформациями земной поверхности и наблюдения за перемещениями, сдвигами и кренами:
- существующих наземных сооружений и объектов, расположенных в зоне возможных деформаций поверхности;
- строящихся подземных и наземных объектов и сооружений;
- существующих эксплуатируемых подземных сооружений, расположенных в зоне подземного строительства (по согласованию со службой эксплуатации заказчика).
7. Все построенные подземные сооружения или выработки должны быть показаны в исполнительных чертежах.
Исходным материалом для составления этих исполнительных графических документов являются чертежи, данные исполнительных съемок и контрольных геодезическо-маркшейдерских измерений, которые производятся и систематизируются в течение всего периода строительства.
Исполнительные чертежи должны содержать следующие данные о построенных объектах:
- характеристику (в координатах и абсолютных отметках) фактического пространственного расположения построенных сооружений и их взаимную связь;
- фактические геометрические размеры сооружения, их основных элементов и отклонения этих размеров от проектных;
-графическую характеристику материалов, из которых выполнена обделка сооружений, и фактическую геологическую структуру грунтов;
- исполнительную схему основной подземной полигонометрии и ее примыканий к пунктам наземной геодезической разбивочной основы в районе порталов, постоянных стволов, а также каталоги координат, дирекционных углов и отметок основной подземной полигонометрии.
Графическая информация о построенных объектах наносится на исполнительные планы, продольные разрезы, поперечные сечения и виды, а также группируется в сводные таблицы и каталоги фактических размеров и отметок.
1. Контроль качества работ при сооружении стволов глубиной до 50 м осуществляется на следующих этапах:
- при разбивке сооружений;
- при устройстве опорного воротника;
- в процессе проходки выработки с возведением крепи;
- при возведении обделки.
2. При устройстве опорного воротника верхняя его часть должна располагаться на проектной отметке с отклонением
не более ±10 мм. Центр воротника не должен отклоняться от оси сооружения более чем на 20 мм. Отклонение отметки дна котлована от проектной - более ±30 мм.
3. После установки опалубки до начала бетонирования опорного воротника должны быть проверены все размеры, правильность положения и устойчивость арматуры, закладных частей, элементов гидроизоляции (если они предусмотрены проектом).
Отклонения размеров опорного воротника от предусмотренных проектом не должны превышать следующих величин:
- наружные радиусы ±50 мм;
- внутренние радиусы ±10 мм;
- высота по внутреннему и наружному очертаниям +30 мм, -10 мм.
Отклонение нижней плоскости нижнего кольца временной крепи от горизонтали не должно превышать ±5 мм. Отклонения размеров радиусов временной крепи от проектных не должны превышать ±30 мм по внутреннему очертанию.
4. Работы по устройству опорного воротника относятся к скрытым и оформляются подписями ответственных лиц в маршрутном паспорте или актом, в котором отражаются:
- качество подготовленного грунтового основания;
- размеры опорного воротника;
- способы закрепления закладных деталей;
- качество бетонной смеси, способы ее уплотнения;
- условия бетонирования (температура воздуха, бетонной смеси в зимнее время, перерывы в работе и др.);
- заключение о качестве работ и о возможности начала проходки выработки.
5. В процессе разработки горных пород должны контролироваться размеры поперечного сечения выработки. Увеличение размеров сечения не должно превышать данных, указанных в табл. 1.
Таблица 1
|
Категория пород |
Коэффициент крепости, |
Допускаемое увеличение размеров выработки с одной стороны, мм |
Допускаемая величина коэффициента излишка сечения |
|
I-III |
0,4-1,5 |
60 |
1,02 |
|
IV-VII |
1,5-6 |
75 |
1,03 |
|
VIII-IX |
7-20 |
100 |
1,05 |
6. При закреплении выработок всеми видами креплений должны контролироваться соответствие конструкции крепи и ее размеров, а также качество материалов данным проекта.
При закреплении выработок штанговой крепью контролируются глубина, правильность расположения шпуров и надежность закрепления штангами.
При закреплении выработки металлодеревянной крепью контролируются расстояние между кольцами крепи по высоте, их диаметр и правильность закрепления элементов. Отклонения от проектных размеров наружного диаметра собранного кольца не должны превышать ±30 мм, а расстояний между кольцами ±50 мм.
7. При возведении тюбинговой или блочной крепи (чугунной или железобетонной) контролю подлежат:
- соответствие типа, радиусов и других размеров тюбингов проектным данным;
- исправность болтовых отверстий у тюбингов;
- исправность болтов, наличие и исправность асбестобитумных и металлических шайб;
- состояние чеканочных канавок и граней тюбингов.
8. Отклонение кромок смонтированных тюбинговых или блочных колец временной крепи (за исключением первых трех) от горизонтальной плоскости не должно превышать ±20 мм. Отклонение величины радиуса тюбинговой и блочной крепи от проектной не должно превышать ±15 мм при измерении по внутреннему очертанию. Отклонение положения отдельных тюбингов и блоков кольца от вертикали не должно превышать 5 мм.
9. Работы по монтажу тюбинговой и блочной крепи подлежат приемке-сдаче, освидетельствованию и оформляются подписями ответственных лиц в маршрутном паспорте или актом на скрытые работы, в котором должны содержаться следующие сведения:
- тип тюбингов или блоков;
- фактические размеры внутреннего сечения ствола;
- состояние болтовых соединений, пробок, штанг и т. д.;
- качество чеканки швов;
- чистота тюбингов;
заключение о возможности проведения последующих работ.
10. Закрепное пространство при монтаже тюбинговой и блочной крепи должно заполняться цементно-песчаным раствором прочностью не ниже 20 МПа. Песок, применяемый для раствора, перед применением должен просеиваться через сито с отверстиями 2,5 мм.
Цементно-песчаные растворы должны удовлетворять следующим требованиям:
- не расслаиваться при нагнетании в течение 1 ч;
- иметь растекаемость в начале нагнетания 16-20 см и в конце нагнетания 15-16 см;
- иметь сроки схватывания для обводненных выработок в пределах 1-5 ч, а для необводненных выработок -в пределах 3-7 ч от начала затворения.
Цементное молоко повторного контрольного нагнетания должно удовлетворять следующим требованиям:
- не расслаиваться в процессе нагнетания в течение 30 мин;
- иметь растекаемость в начале нагнетания 26-30 см, а в конце - 14-15 см;
- обладать короткими сроками схватывания - не более 3 ч после затворения.
11. При выполнении работ по нагнетанию раствора в журнале должны фиксироваться:
- вид нагнетания (первичное, вторичное);
- место выполнения работ (от кольца № до кольца № );
- количество раствора, израсходованного на нагнетание на рассматриваемом участке;
- температура раствора (при работе в замороженных породах);
- давление в растворной магистрали в момент окончания нагнетания;
- фамилии лиц, выполнявших и контролировавших работы;
- общее заключение о соответствии выполненных работ данным проекта и СНиП;
- разрешение на выполнение последующих работ.
12. Чеканка швов должна производиться расширяющимся цементом, увлажненным водой (10 % массы цемента).
При выполнении чеканочных работ контролируются:
- чистота поверхности обделки;
- постановка асбестобитумных и металлических шайб (у тюбингового крепления);
- степень затяжки болтов;
- качество раствора (разновидность, марка, качество цемента, однородность раствора);
- степень заполнения канавок раствором;
- смачивание канавок водой из распылителя;
- порядок заполнения канавок (за два-три раза с чеканкой каждого из слоев отдельно);
- тщательность уплотнения раствора в чеканной канавке.
13. При возведении днища выработки контролю подлежат:
- качество грунтового основания;
- размеры колодца-водосборника в центре выработки, качество монтажа всасывающей трубы, насоса, засыпки колодца щебнем;
- величина уклонов на дне выработки от стенок к колодцу;
- толщина слоя щебня и качество его уплотнения;
- толщина бетонной части днища и степень уплотнения бетона.
Грунт в основании должен иметь ненарушенную структуру. Размеры водосборного колодца и величина уклонов должны быть не менее проектных. Толщина бетонного днища - не менее 25 см. Отклонение верха проходческого днища от проектной величины не должно превышать ±50 см. При наличии гидростатического напора до 0,3 МПа бетон, укладываемый в днище, должен иметь прочность на сжатие не ниже 30 МПа, прочность на изгиб - не менее 15 МПа.
14. По окончании проходческих работ производится их приемка. Проверке подлежат правильность заполнения и оформления разделов маршрутного паспорта на горнопроходческие работы, а при его отсутствии - следующих документов: журнала проходческих работ; схемы проходки и крепления выработки; схемы геодезического контроля проходки; журналов первичного и повторного нагнетаний растворов за крепь выработки; актов на скрытые работы по устройству опорного воротника; актов на монтаж крепи; актов на производство работ по нагнетанию; акта на чеканочные работы; актов на устройство опорных венцов; акта на устройство днища ствола; исполнительных чертежей воротника, опорных венцов, временной крепи.
15. При проходке вертикальных выработок в неустойчивых грунтах (с коэффициентом крепости по Протодьяконову М. М. - 0,6), а также в грунтах, где водоприток подземных вод превышает 8 м/ч, применяются специальные способы проходки. К числу таких способов относятся:
- искусственное замораживание;
- тампонаж;
- химическое закрепление;
- электрохимическое закрепление;
- опускная крепь.
16. В процессе производства работ по искусственному замораживанию грунтов контролируются:
- качество бурения скважин;
- режим замораживания грунтов;
- момент «смыкания» ледопородной стенки и ее геометрические размеры.
17. Состав контролируемых показателей, предельные отклонения, объем и методы контроля должны соответствовать требованиям подраздела «Искусственное замораживание грунтов», часть II, табл. 4 настоящего Руководства.
18. Приемка работ по искусственному замораживанию горных пород подразделяется на промежуточную и окончательную.
При промежуточной приемке определяется готовность замораживающей станции и рассольной сети к началу работ по замораживанию. Она включает:
- определение правильности расположения замораживающих колонок с учетом искривления скважин;
- определение готовности холодильной установки и рассольной сети к эксплуатации.
Окончательная приемка производится с целью установления фактической толщины ледогрунтовой стенки к проектной и возможности начала проходческих работ.
Окончательная приемка осуществляется на основании контрольных измерений температуры замороженных пород в термометрических скважинах, уровня грунтовых вод в гидрогеологических скважинах, расположенных в замкнутом контуре защитной стенки, а также на основании проверки следующих исполнительных документов:
- журнала работ замораживающих колонок;
- журнала наблюдений за уровнем грунтовых вод;
- журнала температур в контрольных термометрических скважинах;
- акта пробной откачки из водопонижающей скважины.
Результаты промежуточной и окончательной приемок оформляются соответствующими актами.
19. При цементации грунтов контролируются:
- качество бурения скважин;
- давление нагнетания, плотность тампонажного раствора и его расход;
- характер и степень заполнения трещин.
20. Качество работ по цементации грунтов должно соответствовать требованиям, приведенным в подразделе «Закрепление грунтов», часть II, табл. 3 настоящего Руководства.
21. В процессе цементации грунтов должны оформляться следующие документы:
- план расположения цементационных и контрольных скважин;
- журнал цементации грунта;
- акты испытания рабочих и контрольных скважин на водопоглощение.
22. Приемка работ осуществляется на основании проверки исполнительной документации и оформляется актом, в котором дается оценка выполнения работ и разрешается проходка в толще зацементируемого грунта.
23. При битумизации необходимо контролировать:
- качество бурения скважин и их оборудование;
- результаты испытания скважин на водопоглощение;
- состав тампонажной смеси, ее температуру, давление нагнетания и расход;
- геометрические размеры укрепляемого грунта;
- качество тампонажа грунта.
24. Качество работ по битумизации грунтов должно соответствовать требованиям, приведенным в подразделе «Закрепление грунтов», часть II, табл. 3 настоящего Руководства.
25. В процессе битумизации грунтов необходимо оформить следующие документы:
- план фактического расположения скважин и геологического разреза по каждой скважине;
- журнал битумизации работ;
- паспорта скважин с результатами контрольных испытаний.
26. Приемка работ по битумизации грунтов производится по результатам проверки испытательной документации и оформляется актом, в котором наряду с оценкой качества работ по битумизации грунтов устанавливается возможность начала проходки и определяются мероприятия по устранению дефектов битумизации в процессе проходки.
27. При химическом укреплении грунтов контролируется:
- качество бурения скважин и погружения инъекторов;
- удельное водопоглощение инъекторов;
- состав исходных химических растворов;
- давление нагнетания и расход растворов;
- геометрические размеры цилиндрической стенки и качество укрепления грунта.
28. Качество бурения скважин для погружения инъекторов оценивается по соответствию пространственного положения последних проекту. При этом оси скважин или инъекторов не должны отклоняться от заданного направления более, чем на 1 % при глубине до 40 м и на 0,5%при большей глубине. Допускаемая точность разбивки устьев скважин ±50 мм.
29. Удельное водопоглощение инъекторов определяется расходом воды на 1 пог. м его рабочей части при единичном напоре.
30. Состав исходных химических растворов контролируется по их плотности ареометрами, пробным определением времени гелеобразования, испытанием образцов пробного закрепления грунта и проверкой записей в журнале работ.
31. Давление нагнетания и расход гелеобразующих растворов должны определяться систематически с помощью манометра и расходомера, устанавливаемых на нагнетательной линии сети. При этом отклонение этих характеристик от расчетных не должно превышать 15%.
32. Геометрические размеры цилиндрической стенки и качество укрепления грунта должны устанавливаться бурением контрольных скважин, их испытанием на удельное водопоглощение, анализом образцов укрепленного грунта, полученных при бурении контрольных скважин или отрывке шурфов, и их испытанием на одноосное сжатие или ускоренными методами в частности, методом пенетрации электрокаротажа или зондирования. Водопоглощение скважины не должно превышать 0,05 л ´ мин/м вод. ст.
33. В ходе химического укрепления грунтов и оценки его качества оформляются следующие документы:
- журнал работ}
- план и профили закрепленного массива (по осям инъекторов) с обозначением мест расположения инъекторов;
- акты испытания контрольных скважин и образцов укрепленного грунта с указанием способа проходки и крепления стенок выработки в пределах укрепленного горизонта.
34. При электрохимическом укреплении грунтов вокруг выработок контролируются:
- качество изготовления электродов и их элементов;
- качество погружения электродов;
- концентрация (плотность) электролитов и их дозировка;
- режим электрообработки и насыщения грунта электролитами;
- температура укрепляемого грунта;
- качество укрепленного грунта.
35. Качество изготовления электродов и их элементов оценивается, исходя из принятой конструкции и способа герметизации устьев скважин.
Качество погружения электродов оценивается по фактическому пространственному положению. Оси скважин и электродов следует располагать в соответствии с проектом, при этом отклонения не должны превышать 10 % от вертикали и 5 % по горизонтали от проектных размеров. Глубина погружения электродов должна превышать на 100- 200 мм мощность закрепляемого слоя.
36. Концентрация электролитов и их дозировка, а также режим электрообработки должны полностью соответствовать проекту. Регистрации режима электрообработки и температуры укрепляемого грунта должны производиться не менее 3 раз в сутки.
37. В процессе электрохимического закрепления грунтов должны оформляться следующие документы:
- журнал уточнения гидрогеологических условий с указанием отбора проб;
- план фактического расположения электродов;
- развертка вертикального разреза участка укрепления с указанием фактического расположения электродов;
- журнал электрообработки грунта и введение в него электролитов;
- акты испытаний материалов и грунтов до и после испытаний.
38. Результаты проверки исполнительной документации необходимо оформить актом, в котором наряду с оценкой качества работ устанавливается возможность начала проходки в толще укрепленных грунтов.
39. При погружении крепи контролируются:
- правильность разбивки и закрепления осей;
- качество возведения опорного воротника и ножевой части крепи;
- геометрические размеры и правильность возведения тела крепи;
- равномерность погружения и пространственного положения крепи;
- качество тиксотропного раствора.
40. При монтаже ножевого кольца контрольные промеры следует производить по восьми радиусам. При этом отклонения полученных результатов от проектных не должны превышать более 10 мм. Перекос ножевого кольца после сборки не должен превышать 5 мм.
1. Контроль качества выполнения работ по возведению обделок вертикальных выработок необходимо осуществлять в соответствии с требованиями маршрутного паспорта поэтапной промежуточной приемки строительных работ и конструкций сооружений или схем операционного контроля качества, разработанных на данные виды работ.
2. Контроль качества работ при возведении обделок вертикальных выработок осуществляется на следующих этапах:
- подготовительных работ;
- сборки и монтажа металлоконструкций;
- бетонирования обделки;
- монтажа элементов сборной обделки;
- возведения податливой прослойки.
3. Приемка законченной обделки должна производиться с предъявлением следующей документации:
- рабочих чертежей с нанесением на них всех изменений, допущенных в процессе строительства;
- журналов производства бетонных работ;
- журналов лабораторных испытаний контрольных образцов бетона и раствора нагнетания;
- маршрутного паспорта;
- актов испытаний сварных стыков и актов приемки армометаллоблоков, железобетонных блоков и тюбингов;
- актов испытаний и приемки металлической изоляции;
- актов тампонажа закрепленного пространства, каналов и стыковых ниш;
- журнала анализов подземных вод.
4. Технологический процесс сборки и монтажа металлоконструкций монолитной обделки вертикальных выработок выполняется в такой последовательности:
- подготовка к монтажу днища и царг;
- сборка армированных блоков постоянного днища;
- укрупнительная сборка армометаллоблоков в царга;
- монтаж днища и царг;
- монтаж закладных деталей.
5. Приемка армометаллоблоков от генподрядчика должна осуществляться представителем монтажной организации совместно с представителем заказчика, при этом контролю подлежат:
- геометрические размеры армометаллоблоков;
- величина механических повреждений;
- качество заводских сварных швов;
- разделка кромок металла под сварку;
- качество противокоррозионных покрытий.
6. Геометрические размеры блоков днища и царг должны соответствовать проектным. Для армометаллоблоков царг высотой до 6 м допускаемые отклонения могут составлять по высоте +10 мм, по ширине ±5 мм.
Заводские сварные швы должны удовлетворять следующим требованиям:
- сечения сварных швов должны соответствовать проектным, с допускаемыми отклонениями, указанными в рабочих чертежах;
- подрезы основного металла допускаются глубиной не более I мм на 20% общей длины шва;
- допускаются одиночные поры до 5 % толщины свариваемого металла при его толщине до 20 мм, но не более 1 мм при толщине более 20 мм, количество пор - не более двух на каждые 100 мм шва.
Кромки металла, подлежащие сварке, должны быть очищены до металлического блеска на ширину не менее 20 мм. Разделка кромок блоков и монтажных деталей должна быть выполнена в соответствии с рабочими чертежами.
Качество противокоррозийного покрытия должно соответствовать требованиям, указанным в рабочих чертежах.
7. В процессе и по окончании монтажа днища проверяются:
- точность сборки и сварки на монтажной площадке;
- точность установки днища в стволе;
- качество выполнения сварочных работ;
- качество приварки закладных деталей днища и монтажных, деталей.
8. Монтаж царг осуществляется в соответствии с проектом производства работ по монтажу обделки вертикальной выработки.
В процессе выполнения работ по монтажу царг проверяются:
- подготовленность монтажных деталей для стыковки царг, поверхность которых в узле стыка должна быть зачищена до металлического блеска;
- величина зазора между днищем и металлоизоляцией нижней царг и между царгами, которая должна быть равнапроектной с допускаемыми отклонениями, указанными в рабочих чертежах;
- плотность сварных швов между металлоизоляцией днища и нижней царги, а также между царгами;
- отклонения образующей металлоизоляции по радиусу от вертикальной оси выработки, отклонения радиуса обделки после сварки царг относительно сдаточной оси, отклонения внутреннего радиуса верхнего среза монтажного кольца относительно сдаточной оси;
- качество выполнения сварочных работ.
Результаты измерений высотного положения царг в выработке и внутреннего радиуса металоизоляции наносятся на исполнительную схему - развертку металлоизоляции обделки.
9. В процессе сварки армометаллоблоков контролируются:
- соблюдение установленной последовательности наложения сварных швов и технологических режимов сварки;
- качество послойного наложения сварных швов;
- качество законченных сварных швов.
10. В процессе сварки визуальный осмотр мастером должен производиться после наложения каждого слоя (прохода) сварного шва с предварительной очисткой его от шлаковой корки.
Качество сварных швов контролируется:
- внешним осмотром (визуально с помощью 6-10-кратной лупы) – 100 % швов;
- измерением швов с помощью шаблонов, линеек и других приспособлений – 100 % швов;
- ультразвуковой дефектоскопией - всех сомнительных участков швов, а при обнаружении дефектов - 100% швов;
- гаммаграфированием - всех дефектных и сомнительных участков, выявленных при ультразвуковой дефектоскопии, и всех пересечений сварных швов;
- испытанием на плотность - 100% швов, при этом:
а) методом вакуумной рамки - при одностороннем доступе к швам;
б) течеискателями - при двустороннем доступе к швам;
в) керосиновым способом - при двустороннем доступе к швам при толщине свариваемого металла до 10 мм.
11. По внешнему виду сварные швы должны удовлетворять следующим требованиям:
- уменьшение размера допускается на не более 1/10 их проектной величины;
- сварные швы должны иметь гладкую или мелкочешуйчатую поверхность (без наплывов, прожогов, сужений и перерывов) и плавно переходить к основному металлу;
- наплавленный металл должен быть однородным и плотным по всей длине шва, без пор и трещин, кратеров и загрязнений;
- величина подрезов основного металла должна быть не более 1/10 толщины конструкции, но не более 1 мм.
12. Приемка металлоизоляции царг производится на основе данных контроля качества монтажа и сварных швов, а также данных механических испытаний контрольных образцов сварки.
При приемке работ должна представляться и проверяться следующая документация:
- паспорта на материалы;
- акты о результатах лабораторных испытаний примененных материалов;
- акты инструментальной проверки монтажа днища и царг;
- акты лабораторного контроля качества сварных соединений ультразвуком, гаммаграфированием, течеискателями;
- акты о результатах испытаний образцов-свидетелей;
- журналы работ;
- маршрутный паспорт.
13. При осуществлении контроля качества бетонных работ предусматривается проверка выполнения требований, предъявленных к производству работ в процессе:
- подготовки сооружения к производству бетонных работ;
- приготовления, транспортирования и укладки литой бетонной смеси (ЛБС) в конструкции обделки;
- ухода за свежеуложенным бетоном.
14. В процессе подготовки к производству бетонных работ контролируются:
- готовность бетоносмесительного, транспортного и вспомогательного оборудования к производству работ;
- готовность сооружения в соответствии с ППР (установка нагнетательных патрубков, закладных деталей и т. д.);
- устройство телефонной связи между лабораторными постами, на которых проверяются технологические свойства ЛБС или изготавливаются контрольные образцы;
- качество исходных материалов, предназначенных для приготовления ЛБС;
- правильность подбора состава бетонной смеси и результаты испытаний контрольных образцов.
Непосредственно перед бетонированием должны быть проверены:
- готовность бетонного завода, средств транспортирования и укладки бетонной смеси;
- наличие воды в выработке;
- величина водопритока (ограничения по водопритоку определяются ППР);
- качество подготовки металлоконструкций и отсутствие строительного мусора.
15. Подвижность ЛБС (по осадке конуса) должна находиться в пределах 18-22 см при ее укладке и проверяться не реже, чем через каждые 2 часа.
16. Бетонирование обделки должно производиться в соответствии с требованиями ППР в зависимости от расчетного темпа укладки и объема бетонируемой конструкции.
При вынужденном перерыве в бетонировании более допускаемого проектом должен быть выполнен рабочий шов. В этом случае бетонирование возобновляется только после набора бетоном прочности не менее 1,5 МПа, соответствующей подготовки поверхности шва и проверки его состояния службой заказчика.
17. Контроль прочности бетона должен производиться путем испытания серии образцов. Количество подлежащих испытанию на прочность образцов бетона должно назначаться:
- при бетонировании днища выработки - не менее шести серий по три образца на весь объем уложенного бетона;
- при бетонировании стен обделки - не менее трех серий по три образца на каждый ярус, но не менее, чем на каждые 3 м по высоте обделки.
Испытания на прочность при сжатии производится на двух сериях образцов для днища и на одной - для обделки стен через 7, 28 и 90 суток твердения бетона в нормальных условиях.
18. Все данные о результатах контроля качества бетонных работ и результаты испытания контрольных образцов бетона заносятся в маршрутный паспорт.
При приемке работ по бетонированию обделки сооружения представляется и проверяется следующая документация:
- паспорта-сертификаты на составляющие бетона, в том числе химические добавки;
- акты по результатам лабораторных испытаний применяемых материалов;
- акт проверки готовности сооружения к бетонированию;
- журнал бетонных работ;
- акты лабораторных испытаний контрольных образцов бетона;
- маршрутный паспорт.
19. При монтаже сборной обделки из железобетонных блоков заводского изготовления контроль качества работ осуществляется на этапах:
подготовки блоков к монтажу;
- монтажа блоков;
- монтажа оголовка.
20. В процессе монтажа обделки из блоков «Сверху вниз» контролируются:
- правильность прикрепления верхних колец к опорному воротнику;
- правильность установки арматуры и монтажа штанг;
- качество тампонажных работ;
- качество выполнения работ по сварке металлоизоляции и заварке стыковых ниш;
- качество заполнения каналов в блоках и стыковых нишах цементно-песчаным раствором.
21. При сборке верхних колец сборной обделки на нивелировочной раме последняя должна быть установлена на проектной отметке с отклонением, не превышающим ±10 мм. Допускаются отклонения отметок верхней поверхности рамы в разных точках от горизонтальной плоскости на величину не более 2 мм.
Точность сборки первого кольца сборной обделки, собираемого на нивелировочной раме, должна соответствовать следующим требованиям:
- отклонение образующей блоков от вертикали недолжно превышать 3 мм (проверяется в двух точках на каждом блоке по металлической гидроизоляции);
- отклонение верхних граней блоков от горизонтальной плоскости не должно превышать 4 мм, а высотное положение отдельных блоков не должно отличаться более, чем на 6 мм (контроль на каждом блоке с помощью гидравлического уровня);
- отклонение величины радиуса от проектного размера не должно превышать ±10 мм (проверяется по осевому и боковым отвесам на каждом блоке в кольце).
22. В процессе монтажа последующих колец сборной обделки должны соблюдаться следующие требования:
- отклонение блоков от вертикального положения недолжно превышать 5 мм;
- величины радиусов колец блоков не должны отличаться от проектных размеров более, чем на ±10 мм;
- заблочное пространство должно заполняться цементно-песчаным раствором или бетонной смесью после установки двух-трех колец блоков при устройстве вертикальных выработок в устойчивых породах и после установки каждого кольца обделки - в неустойчивых породах;
- в стыковые ниши и каналы блоков должна быть установлена вертикальная арматура, предусмотренная проектом;
- каналы блоков и заваренные стыковые ниши должны быть заполнены цементно-песчаным раствором, контроль заполнения осуществляется радиометрическим способом.
23. При сборке обделки «Снизу вверх» до начала монтажа блоков контролируется правильность выполнения работ по возведению днища выработки. При монтаже днища из сборных элементов контролируются:
- положение осей сборных элементов (допускаемые отклонения осей от проектных должны быть не более15 мм);
- качество сварки металлической гидроизоляции;
- отметки металлоизоляции днища (допускаемые отклонения от проектных должны быть не более 10 мм).
24. В процессе монтажа обделки из блоков «Снизу вверх» контролю подлежат:
- вертикальность положения блоков в кольце;
- величина радиусов колец обделки;
- правильность соединения блоков в кольцах;
- качество тампонирования заблочного пространства;
- правильность заварки стыковых ниш, заполнения раствором каналов и стыковых ниш;
- качество сварки швов металлоизоляции.
25. Установка блоков каждого кольца должна производиться на слой цементно-песчаного раствора толщиной 8-10 мм, заблочное пространство должно быть заполнено раствором или бетонной смесью после монтажа каждого кольца обделки.
26. Монтаж сборной обделки из чугунных или железобетонных тюбингов должен выполняться с соблюдением требований, изложенных в подразделе «Проходка вертикальных выработок», часть II, настоящего Руководства.
27. Допускаемые отклонения геометрических параметров сборной обделки от требований проекта должны находиться в следующих пределах, мм:
- положение вертикальной оси обделки ±10;
- радиус обделки ±10;
- не вертикальность поверхности обделки на 1 м высоты ±3;
- местные неровности поверхности обделки при проверке трехметровой рейкой ±5.
28. При осуществлении контроля качества по возведению податливой прослойки, состоящей из композиции и керамзитовый гравий - петролатум, предусматривается проверка выполнения требований, предъявляемых к производству работ в процессе:
- подготовки к выполнению работ;
- транспортировки и укладки составляющих прослойки в конструкцию.
29. В ходе подготовки к производству работ по возведению податливой прослойки контролируются:
- готовность транспортного и вспомогательного оборудования;
- правильность установки и закрепления труб для подачи и контроля за растеканием петролатума в конструкции;
- качество исходных материалов, наличие на складах требуемого количества.
30. Укладка керамзитового гравия и заполнение его межзернового пространства петролатумом должны производиться поочередно (поярусно или на всю высоту сооружения в соответствии с требованиями проекта).
31. В процессе возведения податливой прослойки контролируются:
- расход керамзитового гравия;
- температура нагрева петролатума, давление его нагнетания и расход при укладке;
- качество заполнения межзернового пространства керамзита петролатумом.
32 Расход керамзитового гравия контролируется при помощи бадьи, используемой для укладки керамзита.
33 В процессе нагнетания расплавленного петролатума в керамзитовый гравий осуществляется непрерывный контроль за температурой, давлением нагнетания и расходом петролатума, значения которых не должны отличаться от расчетных более, чем на 10%.
34. Качество заполнения межзернового пространства керамзита петролатумом определяется по степени заполнения контрольных перфорированных труб, расположенных между рабочими трубами в соответствии с проектом.
35. В ходе проведения работ по возведению податливой прослойки оформляются следующие документы:
- план фактического расположения рабочих и контрольных труб для нагнетания петролатума;
- журнал работ.
36. Все данные о результатах контроля качества работ по возведению прослойки заносятся в маршрутный паспорт, который совместно с паспортами (сертификатами) исходных материалов представляется заказчику при приемке работ.
1. Проходку тоннелей в зависимости от размеров и формы поперечного сечения, а также инженерно-геологических условий следует выполнять способами:
- сплошного забоя;
- уступным;
- щитовым;
- опорного свода;
- опорного ядра;
- раскрытия на полный профиль по частям. Способы определяются проектом.
2. Способ сплошного забоя следует применять для проходки тоннелей длиной более 300 м и высотой до 10 м
с монолитной обделкой в скальных грунтах с коэффициентом крепости не менее 4.
3. Уступный способ следует применять для проходки тоннелей длиной более 300 м и высотой более 10 м, сооружаемых в скальных грунтах с коэффициентом крепости не менее 4, и для проходки тоннелей высотой менее 10 м в скальных грунтах с коэффициентом крепости от 2 до 4.
4. Щитовой способ следует применять для проходки тоннелей длиной более 300 м в неустойчивых скальных грунтах, а также в скальных выветренных и сильно выветренных грунтах с коэффициентом крепости до 4, воспринимающих горное давление.
5. Способ опорного свода следует применять при сооружении тоннелей или их участков длиной до 300 м в нескальных грунтах типа твердых глин и суглинков, сцементированных крупнообломочных, отвердевших лёссов, а также в скальных грунтах с коэффициентом крепости от 1 до 4,способных воспринять давление от пят свода обделки с учетом всех нагрузок, действующих на свод.
6. Способ опорного ядра следует применять при сооружении тоннелей или их участков длиной до 300 м в не водоносных грунтах: глинах, суглинках, супесях, лёссовых, песчаных, моренных, крупнообломочных и др., неспособных воспринимать давление от свода обделки.
7. Способ раскрытия на полный профиль по частям с креплением следует применять при сооружении первых колец сборной обделки камер для монтажа щита, предназначенного для дальнейшей разработки тоннеля, других камер и участков тоннелей небольшой протяженности, возводимых в не водоносных глинах, суглинках, супесях и др.(при наличии бокового давления), когда нельзя применять способ опорного свода.
8. Разработку грунта в забое в зависимости от инженерно-геологических условий, размеров поперечного сечения и принятого способа проходки следует производить:
- при щитовой проходке тоннелей круглого сечения с использованием обычных щитов в качестве временной крепи выработки - буровзрывным способом, отбойными молотками с уборкой грунта ковшовыми породопогрузочными машинами на гусеничном или колесном ходу;
- при щитовой проходке тоннелей круглого сечения диаметром до 6 м в нескальных грунтах - механизированным способом с применением механизированных щитов;
- при проходке сплошным забоем – буровзрывным способом с использованием буровых рам, оснащенных бурильными установками, или самоходных бурильных установок и уборкой грунта экскаваторами или породопогрузочными машинами;
- при проходке уступным способом - верхнего уступа - буровзрывным способом с использованием самоходных бурильных установок или горнопроходческого комбайна, а нижнего уступа - буровзрывным способом с использованием самоходных бурильных установок и уборкой грунта экскаваторами или породопогрузочными машинами;
- при проходке тоннеля по частям (способом опорного свода и опорного ядра) - в колотте и боковых штроссах -отбойными молотками; в ядре - тоннельными экскаваторами или буровзрывным способом с уборкой грунта породопогрузочными машинами.
9. Переборы грунта против проектного поперечного профиля тоннеля в случаях разработки выработок буровзрывным способом без применения метода контурного взрывания не должны превышать величин, указанных в табл. 2.
Таблица 2
(СНиП III-44-77, таблица 4)
|
Выработки |
Величина перебора, мм, при грунтах с коэффициентом крепости |
||
|
от 1 до 4 |
от 4 до 12 |
от 12 до 20 |
|
|
Тоннели |
100 |
150 |
200 |
|
Стволы и штольни |
75 |
75 |
100 |
10. В нескальных грунтах величина переборов грунта против проектного профиля при разработке выработок механическим способом не должна превышать 50 мм.
В подошве тоннельной выработки без обратного свода и при разработке лотка под обратный свод в нескальных грунтах переборы грунта не допускаются.
Все переборы и вывалы грунта независимо от их величины следует фиксировать в маркшейдерской документации.
11. Способ заполнения пустот, образовавшихся от переборов грунта против проектного очертания поперечного профиля тоннеля, должен устанавливаться проектом производства работ.
12. Временное крепление выработок при проходке сплошным забоем или уступным способом в скальных грунтах трещиноватых, прочных и средней прочности надлежит выполнять с применением анкерной или набрызгбетонной крепей или в их сочетаниях, определяемых проектом.
13. Допускаемые отклонения фактического положения анкерной крепи от проектного не должны превышать следующих величин:
- расстояние между анкерами ±10 %;
- диаметр шпура 5 мм;
- угол наклона шпура 10°.
1. Качество выполненных работ надлежит оценивать при приемке скрытых работ, выполненных этапов работ и промежуточной приемке.
Результаты производственного контроля за качеством работ должны фиксироваться в журналах производства работ.
2. Пространственное расположение подземных и наземных сооружений, а также их геометрические размеры должны систематически контролироваться маркшейдерской службой в процессе строительства.
3. Правильность сборки колец тоннельных обделок следует систематически проверять путем измерения горизонтального и вертикального диаметров каждого кольца, а также двух диаметров под углом 45° к горизонту.
Допускаемые отклонения фактических размеров сборных обделок тоннелей от их проектного положения не должны превышать данных, приведенных в табл. 3.
Таблица 3
(СНиП III-44-77, п. 10.5)
|
Технические требования |
Допускаемые отклонения, мм |
|
1. Для тоннелей кругового очертания при сборной железобетонной и металлической обделке: |
|
|
а) отклонения размеров диаметров колец (эллиптичность): |
|
|
- в зоне монтажа тюбинго- или блокоукладчиком |
±25 |
|
- вне зоны монтажа тюбинга- или блокоукладчиком |
±50 |
|
б) смещение центра колец от оси тоннеля вне зоны монтажа тюбинга- или блокоукладчиком в плане или по профилю: |
|
|
- для перегонных тоннелей . |
±50 |
|
- для стационарных тоннелей |
±40 |
|
в) смещение в направлении оси тоннеля плоскости прорезных колец: |
|
|
- для перегонных тоннелей |
±25 |
|
- для стационарных тоннелей |
±15 |
|
2. Для тоннелей прямоугольного очертания при сборной железобетонной обделке: |
|
|
а) отклонения отметок верхних поверхностей лотковых блоков: |
|
|
- для перегонных тоннелей |
+10; -20 |
|
- для прочих сооружений |
±20 |
|
б) отклонения отметок нижних поверхностей плит перекрытий при их расположении: |
|
|
- над путями, кроме платформенных участков |
+20; -10 |
|
- на прочих участках, включая платформенные |
±20 |
|
в) уступы смежных элементов перекрытий платформенных участков |
±10 |
|
г) отклонения размеров в чистоте каждого пролета на уровне низа перекрытий в поперечном направлении |
+50; -20 |
|
д) отклонения стеновых блоков в плане на уровне 1 м от головок рельсов |
±25 |
|
е) отклонения боковых поверхностей колонн и внутренних поверхностей стеновых блоков от вертикали при высоте колонны или стенового блока Н |
0,002H, но не более ±25 |
4. Приемку с составлением акта освидетельствования скрытых работ надлежит производить по выполнении следующих работ:
- нагнетания раствора за обделку (первичного и контрольного);
- установки арматуры монолитных железобетонных обделок;
- гидроизоляции сборных и монолитных обделок;
- сварной металлической гидроизоляции;
- подготовки поверхности тюбингов перед закрытием их зонтом;
- укрепительной цементации грунта за обделкой;
- забутовки временных выработок.
5. При сдаче (приемке) выполненных этапов работ по возведению конструкций тоннелей следует производить осмотр сдаваемых работ в натуре, проверяя соответствие этих работ проекту.
Подрядчик при сдаче этих работ должен представить заказчику следующую документацию:
- рабочие чертежи с надписями о соответствии выполненных в натуре работ этим чертежам или о внесенных в них изменениях, сделанных лицами, ответственными за производство строительно-монтажных работ, или исполнительные чертежи;
- документы, удостоверяющие качество примененных материалов, конструкций и деталей;
- акты освидетельствования скрытых работ;
- журналы производства работ и авторского надзора.
6. При приемке сборной обделки тоннелей с составлением акта промежуточной приемки должно устанавливаться соответствие рабочим чертежам внутренних размеров уложенных колец, расположения колец в плане и профиле, их числа, перевязки швов, ширины зазора между кольцами, а также наличие болтов, выполнение антикоррозийной защиты, заполнение заобделочных пустот раствором. Кроме того, надлежит установить отсутствие течей, трещин, уступов между блоками, сколов и деформированных блоков.
7. При промежуточной приемке сборной обделки тоннелей должны быть предъявлены следующие документы: исполнительные чертежи на укладку колец обделки и сборных конструкций тоннелей при открытом способе работ, паспорта на сборные конструкции, данные маркшейдерских измерений, сведения о геометрии и отклонениях уложенных колец от проекта, журналы производства работ по нагнетанию за обделку раствора, производству чеканочных работ, устройству оклеечной гидроизоляции и протоколы лабораторного анализа химического состава грунтовых вод.
8. При приемке монолитных бетонных и железобетонных обделок тоннелей с составлением акта промежуточной приемки подрядчик должен представить заказчику следующую документацию:
- исполнительные чертежи на выполненную монолитную бетонную или железобетонную обделку с зафиксированными данными по результатам маркшейдерских измерений;
- сертификаты и паспорта, удостоверяющие качество примененных материалов;
- журналы производства бетонных или железобетонных работ;
- журналы нагнетания раствора за обделку;
- акты освидетельствования скрытых работ;
- протоколы лабораторного анализа химического состава грунтовых вод.
9. Контроль качества производства работ при бетонировании горных выработок, собираемых из армометаллоблоков, аналогичен контролю качества бетонных работ, изложенных в п.п. 14-18 подраздела «Возведение обделок вертикальных выработок».
10. При осуществлении контроля качества работ по возведению податливой прослойки из крупнопористого керамзитобетона предусматривается проверка выполнения требований, предъявляемых к производству работ в процессе:
- подготовки к выполнению работ;
- транспортировки, приготовления и укладки смеси.
11. В ходе подготовки к производству работ контролируются:
- готовность транспортного и вспомогательного оборудования, предусмотренного проектом;
- готовность сооружения к началу производства работ (разбивка на захватки, установка ограничительных сеток и т. д.);
- качество исходных материалов и наличие на складах требуемого количества.
12. В процессе возведения монолитной податливой прослойки из крупнопористого керамзитобетона контролируются:
- состав крупнопористой керамзитобетонной смеси;
- количество введенной в смесь водовоздушной пены;
- давление в системе пневмонагнетателя при подаче смеси к месту укладки;
- физико-механические характеристики уложенного керамзитобетона.
13. Физико-механические характеристики керамзитобетона определяются на основании испытания образцов цилиндров диаметром 250 мм и высотой 60 мм. Отклонение полученных результатов от расчетных не должно превышать 15 %.
14. В процессе возведения сборной податливой прослойки из крупнопористого керамзитобетона контролируются:
- геометрические размеры сборной прослойки;
- качество крепления блоков прослойки к горной выработке;
- качество чеканки швов между сборными элементами прослойки;
- качество заполнения заблочного пространства тампонажным раствором.
1. В настоящем разделе излагается порядок осуществления контроля качества и приемки отдельных видов работ по герметизации входов и вводов инженерных коммуникаций, а также проведения испытаний сооружений на герметичность в соответствии с требованиями, определенными проектной документацией.
2. Герметичность сооружения определяется газонепроницаемостью отдельных элементов его ограждающих конструкций, стыков сборных железобетонных элементов, входных и воздухозаборных устройств, мест пропуска инженерных коммуникаций и других герметизирующих устройств.
3. В процессе выполнения работ по герметизации контролю подлежат:
- соблюдение правил подготовки материалов и герметизирующих устройств;
- технологический процесс герметизации;
- качество выполненных работ.
4. Виды герметизирующих материалов и порядок контроля качества их даны в подразделе «Герметизирующие материалы», часть III, настоящего Руководства.
Герметизирующие устройства, как правило, должны быть заводского изготовления и иметь в паспорте отметку об их испытании на герметичность.
5. Проверка качества выполненных работ по герметизации сооружений начинается с внешнего осмотра и проверки соответствия их выполнения требованиям проекта. Основными документами при этом являются:
- журнал производства работ;
- акты промежуточной приемки ответственных конструкций;
- акты освидетельствования скрытых работ;
- паспорта (сертификаты) на применяемые герметизирующие материалы и устройства.
6. Предварительная проверка плотности ограждающих конструкций заключается в обнаружении внешним осмотром щелей и не плотностей для их последующего устранения до проведения испытаний на герметичность.
Наиболее вероятные места, в которых могут быть дефекты герметичности, следующие:
- примыкания резиновых уплотнений дверей, люков, щитов;
- примыкания обрамлений дверей, люков, щитов к строительным конструкциям;
- вводы в сооружение инженерных коммуникаций (кабелей, трубопроводов, воздуховодов);
- сальниковые уплотнения, фланцевые соединения трубопроводов и воздухопроводов, сообщающихся с наружной атмосферой;
- заделка мест закладных деталей в строительных конструкциях;
- герметические клапаны и другие устройства;
- стыки между сборными железобетонными элементами (блоки покрытий, стен, фундаментных плит, примыканий перегородок к стенам, покрытию и т. п.);
- рабочие швы монолитных железобетонных конструкций.
7. Работы по герметизации стыков и швов между сборными железобетонными конструкциями должны выполняться в соответствии с требованиями СНиП 3.03.01-87 и подраздела «Водо-, воздухо- и теплоизоляция стыков наружных стен», часть I, настоящего Руководства.
1. Обрамление входных устройств, вводы в сооружения и помещения с металлической гидроизоляцией должны быть приварены к изоляции непрерывным герметичным швом толщиной, указанной в проекте, но не менее 4 мм.
2. В случаях устройства оклеенной (окрасочной) гидроизоляции герметизация мест вводов коммуникаций должна выполняться:
- в сборных элементах - путем приварки сплошным герметичным швом к закладным деталям;
- в монолитных конструкциях - путем омоноличивания закладных деталей с дополнительным покрытием мест пропуска коммуникаций герметизирующими мастиками.
В местах сопряжения гидроизоляции с закладной деталью укладывается дополнительный слой изоляции, который прижимается фланцем, входящим в конструкцию закладной детали.
3. Герметизацию мест установки закладных деталей воздуховодов, трубопроводов, дверей, люков и т. п. следует производить нагнетанием цементного раствора через трубки по периметру деталей. По контуру примыкания деталей рекомендуется наносить герметизирующую мастику толщиной 3 мм.
4. При производстве работ по герметизации кабельных вводов следует обращать внимание на заполнение кассет герметизирующими материалами, а также на затяжку сальников, муфт, болтовых соединений кассет.
5. Конструкции входов и вводов инженерных коммуникаций после окончания работ подлежат испытаниям на герметичность.
6. При проверке входных устройств механическая регулировка считается удовлетворительной, если закрытие запорного механизма с заданной степенью прижатия (согласно ТУ на изделие) производится одним человеком. Для проверки плотности прилегания притвора резиновый уплотнитель изделия по всему контуру покрывается мелом. Непрерывный отпечаток мела после закрытия входного устройства указывает на плотность прилегания притвора. Испытание притвора входных устройств может быть также произведено по образованию воздушных пузырей и по отклонению факела или его имитатора.
Для проверки герметичности по образованию воздушных пузырей необходимо задраить дверь, люк или щит. После этого резиновое уплотнение с внутренней стороны помещения обмазывается по контуру мыльным раствором. С наружной стороны производится обдув проверяемой конструкции сжатым воздухом под давлением (5-6).105 Па (5-6 кгс/см2). В качестве источника давления могут использоваться баллоны сжатого воздуха или компрессор. Появляющиеся на намыленной поверхности пузыри воздуха свидетельствуют о наличии не плотностей, которые должны быть устранены.
Для проверки герметичности по отклонению факела или его имитатора в помещении создается подпор (разрежение). После создания подпора наружную или внутреннюю сторону герметизирующего устройства необходимо обводить пламенем горящей свечи. Отклонение пламени свечи свидетельствует о наличии неплотностей. Если в помещении пользование открытым огнем не допускается, то факел свечи может быть заменен имитатором, представляющим собой стержень длиной 50-70 мм, диаметром 2-3 мм с укрепленными на конце шелковыми волокнами длиной 20-25 мм.
7. Испытания вводов осуществляются путем подачи через вваренные патрубки сжатого воздуха с последующим замером величины падения давления. При отсутствии указаний в проекте величина давления должна приниматься равной 0,05 МПа, продолжительность испытаний 15 мин, при этом падение давления в течение 10 мин должно быть не более 0,03 МПа. Дефектные участки сварных швов устанавливаются по пузырькам воздуха на поверхности швов, предварительно промазанных мыльным раствором.
8. Несимметричность установки кассет относительно проема допускается в пределах ±5мм. Отклонение плоскости поверхности кассеты от вертикали допускается не более 2 мм на длине 500 мм. Затяжка болтовых соединений после заполнения кассет мастикой производится динамометрическим ключом с моментом затяжки 80-100 Н-м (8-10 кгс/м).
9. При приемке воздухозаборных устройств визуальным осмотром проверяется плотность прилегания тарелей герметических клапанов и их соответствие ТУ на изделие. Плотность закрытия клапанов диаметром более 600 мм проверяется дополнительно на «пламя свечи» после окончания наладочных работ по системе дистанционного управления клапанами.
1. Фактическая степень герметичности сооружения определяется путем специального контроля, включающего в себя предварительную проверку и испытания на герметичность.
2. Предварительная проверка заключается в обнаружении возможных дефектов в герметичности: пустот, щелей и других неплотностей. Дефекты выявляются визуально последующим признакам после создания и поддержания внутри проверяемых границ герметизации избыточного давления (разрежения) в 100-150 даПа (кгс/м2):
- по характерному шуму при проникании воздуха;
- по струе воздуха, ощущаемой рукой;
- по отклонению пламени (например, пламени свечи) или его имитатора;
- по образованию пузырей на покрытой мыльным раствором поверхности.
3. Ограждающие конструкции внешней границы герметизации должны быть подвергнуты предварительной проверке перед обсыпкой сооружения грунтом. Ограждающие конструкции внутренних и противопожарных границ герметизации проверяются по мере окончания СМР в соответствующей зоне герметизации.
4. Предварительная проверка в труднодоступных для осмотра местах может производиться по прониканию дыма (если по условиям эксплуатации сооружения допускается наличие открытого пламени). При этом в задымленной зоне в период проведения испытаний обязательно поддерживается избыточное давление.
5. Испытания на герметичность должны производиться по инструкциям, разрабатываемым проектной организацией для каждого конкретного сооружения (помещения), с указанием требований, методики и последовательности проведения испытаний внешних и внутренних контуров герметизации. Испытания производятся после окончания всех видов СМР по испытываемым контурам герметизации и всего комплекса работ по монтажу вентиляционного и герметизирующего оборудования (герметических дверей, люков и щитов, всех видов внешних инженерных коммуникаций).
6. Испытания проводятся:
- методом постоянного давления, сущность которого заключается в замере расхода подаваемого (удаляемого) воздуха при поддержании постоянного давления;
- методом падения давления, сущность которого заключается в замере времени падения предварительно созданного избыточного давления (разрежения).
7. Метод постоянного давления рекомендуется для испытания зон герметизации и сооружения в целом с внутренним объемом более 10000 м3. Метод падения давления рекомендуется для испытаний отдельных помещений или групп помещений с внутренним объемом менее 10000 м3.
8. Качественная характеристика воздухопроницаемости ограждающих конструкций определяется режимом истечения воздуха через пористые среды на основании данных испытаний. Через ограждающие конструкции сооружений допускается только ламинарный режим истечения воздуха.
Количественная характеристика воздухопроницаемости ограждающих конструкций определяется величиной удельного расхода воздуха через элементы или границы герметизации в единицу времени при единичном перепаде давления.
9. Перед началом испытаний в качестве подготовительных работ необходимо выполнить следующее:
- закрыть все герметические двери, люки, клапаны и т.п. в испытываемых границах герметизации;
- открыть герметические двери, люки между отдельными помещениями внутри испытываемого объема;
- перекрыть коммуникации, связывающие внутренний объем испытываемых помещений с внешней средой;
- открыть двери, люки, клапаны, связывающие помещения, расположенные вне испытываемой зоны, с внешней средой;
- отключить тепловыделяющую аппаратуру или стабилизировать ее режим.
10. Испытания методом постоянного давления производятся в следующем порядке. Открывается имеющийся вентиляционный тракт или подсоединяется временный тракт (от источника воздухоснабжения), по которому внутрь испытываемых зон герметизации подается наружный воздух (удаляется наружу внутренний воздух). Регулированием работы источника воздухоснабжения в испытываемых помещениях создается заданный перепад давления. После стабилизации перепада давления измеряется соответствующий расход воздуха. Измерения производятся при двух перепадах давления.
Качественная характеристика воздухопроницаемости ограждающих конструкций определяется по соотношению:
1/
2 =
P1/
P2, (1)
де (
1,
2 - расходы
воздуха, м3/час, при перепадах давления сооответственно
P1,
P2, даПа (кгс/м3). Если это соотношение
выполняется (с точностью до 10 %), то режим истечения воздуха признается
ламинарным.
Величины перепадов давления рекомендуется принимать:
P1 = 80-100,
P2 = 40-50 даПа (кгс/м2).
Когда разность между температурами внутреннего (наружного - при удалении) и приточного (вытяжного) воздуха превышает 10°С, к измеренному расходу вводится коэффициент
k= Т0/Т, (2)
где То, Т- абсолютная температура соответственно внутреннего (наружного) и приточного (вытяжного) воздуха, °С.
Количественная характеристика воздухопроницаемости ограждающих конструкций - определенный расход воздуха в расчете на 1 м2 ограждающих конструкций и давления 1 даПа (кгс/м2) - должен быть не более допускаемой усредненной удельной утечки, указанной в табл. 1
Таблица 1
|
Толщина железобетонных ограждающих конструкций, см |
10 и менее |
11-20 |
21-40 |
41-60 |
60 и более |
|
Допускаемая усредненная
удельная утечка через 1 м2 ограждающих конструкций, 3
|
2,5·10-3 |
2·10-3 |
1,5·10-3 |
1·10-3 |
|
11. Испытания методом падения давления производятся в следующем порядке.
В испытываемой зоне создается исходный перепад давления
Pисх
(подпор, или разрежение), после чего канал подачи (удаления) воздуха герметично
перекрывается и отключается источник воздухоснабжения. После снижения исходного
давления до величины начального давления включается секундомер и измеряется
время падения до величины конечного испытательного давления.
Качественная характеристика воздухопроницаемости ограждающих конструкций устанавливается сравнением времени падения в двух диапазонах. Режим истечения воздуха признается ламинарным, если (с точностью до 10%):
t12 =t23
при
P1/
P2=
P2/
P3, (3)
где t12, t23 - время падения давления, с, в диапазонах
перепада давлений соответственно
Р1
-
Р2,
Р2
-
Р2,
даПа (кгс/м2).
Величины перепадов давления рекомендуется принимать:
- для первого диапазона
РИСХ
= 100,
Р1 = 80,
Р2
=40 даПа (кгс/м2);
- для второго диапазона
РИСХ
= 50,
Р2
= 4,
Р3
=20 даПа (кгс/м2).
Допускается принимать меньшие значения перепадов давления с их соотношением, не равным 2, при этом величина исходного перепада назначается на 10-20 % более верхнего перепада каждого диапазона.
Не допускается проводить измерение времени падения давления в двух диапазонах за один прием (без создания исходного перепада для второго диапазона).
Количественная характеристика воздухопроницаемости ограждающих конструкций определяется расчетом по результатам испытаний по формуле:
(4)
где g - расход воздуха через 1 м ограждающих конструкций при перепаде давления 1 даПа, (м3/чм2);
V- свободный объем воздуха в испытываемой зоне, м3;
t- время падения давления, с;
А - площадь ограждающих конструкций, м2;
Р1,
Р2 -
перепады давления при испытаниях, даПа.
Определенный расход воздуха должен быть не более допустимой усредненной удельной утечки, приведенной в табл. 1.
1. В настоящем разделе излагается порядок осуществления контроля качества и приемки работ по акустической защите сооружений или их отдельных помещений от эксплуатационных шумов и вибраций.
2. Акустическая защита сооружений выполняется с помощью объемно-планировочных решений и конструктивных мероприятий, назначаемых по проекту.
3. При контроле качества работ по акустической защите от эксплуатационных шумов и вибраций следует руководствоваться требованиями СНиП II-12-77, ГОСТ 12.01.003-83*, ГОСТ 22283-88 и санитарных норм допустимого шума в помещениях жилых и общественных зданий и на территории жилой постройки.
4. Контроль качества работ по акустической защите следует осуществлять в соответствии со схемами операционного контроля качества, разрабатываемыми на каждый технологический процесс, исходя из конкретных конструктивных решений, а также конкретных рекомендаций.
1. Контроль качества работ по акустической защите от эксплуатационных шумов и вибраций состоит:
- в проверке соответствия выполненных конструктивных мероприятий требованиям проекта;
- в определении по существующим методикам уровней шума и вибраций в районах жилой и производственной застройки и сооружениях для оценки правильности конструктивных решений и возможностей по их снижению;
- в проведении натурных измерений с целью проверки соответствия фактических параметров шума и вибраций нормируемым параметрам.
2. В процессе работ по акустической защите от эксплуатационных шумов и вибраций наряду с требованиями, изложенными в п. 3 предыдущего подраздела, должно быть обеспечено выполнение требований проекта, предусматривающих:
- уменьшение интенсивности возмущающих сил в источнике их образования;
- устранение передачи вибраций и шумов по конструкциям сооружения с помощью средств амортизации(виброизоляции);
- устранение передачи шума по каналам;
- снижение уровня звукового давления на рабочих местах путем применения звукоизолирующих и звукопоглощающих конструкций (экранов, глушителей, кожухов, звукоизолирующих кабин, .выгородок, индивидуальных средств защиты);
- снижение уровней шума на территории, если источник шума находится снаружи, путем звукоизолирующих лесопосадок, экранов, шумозащитного зонирования и ограничения жилой и производственной застройки применением звукоизоляции наружных ограждений(в основном, шумозащитных конструкций окон) и других мероприятий.
3. Натурные измерения проводятся в полностью законченном и подготовленном к сдаче в эксплуатацию сооружении. Контролю подлежат помещения сооружений, к которым предъявляются требования по акустической защите.
4. Натурные измерения проводятся внутри помещений и на рабочих местах на высоте 1,2-1,5 м от уровня пола или рабочей площадки при полностью закрытых окнах, входах, технологических отверстиях и при включенных оборудовании и аппаратуре. Замеры производятся в трех точках помещения, удаленных не менее, чем на 2 см от ограждающих конструкций, а в помещениях малого размера -в середине помещения.
Минимальный размер помещения, в котором могут проводиться натурные измерения, должен быть не менее 2,5 м, а его объем - не менее 30 м3.
5. На территории жилой и производственной застройки, гражданских аэропортов и военных аэродромов натурные измерения шума необходимо производить при атмосферных условиях ч положениях микрофона, указанных в ГОСТ 22283-88 и ГОСТ 17229-85.
6. Нормируемыми параметрами эксплуатационных шумов и вибраций в расчетных точках зданий, сооружений и на местности являются:
- для постоянного шума - уровни звуковых давлений L, дБ в октавных полосах частот со среднегеометрическими частотами 63, 125, 250, 500, 1000, 2000, 4000, 8000 Гц;
- для колеблющегося во времени шума - эквивалентные (по энергии) уровни звука LA экв, дБ;
- для прерывистого и импульсного шума - эквивалентные (по энергии) уровни звукового давления LA экв, дБв октавных полосах частот со среднегеометрическими частотами 63, 125, 250, 500, 1000, 2000, 4000, 8000 Гц.
7. Допустимые уровни звукового давления и эквивалентные уровни звукового давления в октавных полосах частот, а также уровни звука и эквивалентные уровни звука принимаются:
- для жилых и общественных зданий в соответствии со СНиП II-12-77;
- на рабочих местах в производственных предприятиях в соответствии с ГОСТ 12.01.003-83*;
- в специальных сооружениях в соответствии с медико-техническими требованиями;
- на территории жилой и производственной застройки в соответствии с санитарными нормами.
8. Уровни звукового давления измеряются шумомером. Измерения включают в себя:
- контроль соответствия фактических уровней шумана рабочих местах допустимым по действующим нормам;
- оценку шумового режима внутри помещений, на территории жилой и производственной застройки;
- оценку эффективности дополнительных мероприятий по снижению шума на рабочих местах внутри помещений, на территории застройки.
Соответствие фактического уровня шума требованиям проекта и условиям работы фиксируется в акте.
9. Натурные измерения в помещениях, звукоизолирующие и звукопоглощающие характеристики оценивают на основании результатов измерений и выполняют дважды: до сдачи сооружения в эксплуатацию и после двух лет его эксплуатации. Проектное решение оценивают как соответствующее нормативным требованиям при удовлетворительном результате повторных измерений, проводимых в случае удовлетворительного результата первых измерений.
1. В настоящем разделе излагается порядок осуществления контроля качества и приемки работ при возведении земляного полотна и устройства верхнего строения пути. Технические требования к качеству СМР распространяются на строительство новых и усиление (реконструкцию) существующих линий общего пользования колеи 1520 мм и на внешние железнодорожные подъездные пути в соответствии с требованиями СНиП 32-01-95.
2. До начала работ по строительству железнодорожных путей должны быть выполнены следующие подготовительные работы:
- подготовлена полоса отвода (расчистка от леса и кустарника, снос и перенос зданий, сооружений и коммуникаций, осушение территорий);
- построены временные притрассовые автомобильные и подъездные дороги к барьерным сооружениям (мостам, тоннелям), карьерам, складам и жилым поселкам;
- построены временные базовые и при объектные поселки строителей, а также базы и склады, временные сети коммуникаций;
- оборудована диспетчерская строительная связь.
3. В подготовительный период заказчик обязан:
- создать геодезическую разбивочную основу для строительства железной дороги и не менее чем за 10 дней до начала строительно-монтажных работ передать подрядчику техническую документацию на нее и на закрепленные на местности пункты и знаки этой основы;
- определить и оформить порядок движения по действующим путям, находящимся в ведении заказчика, строительных поездов и моторельсового транспорта подрядчика, а также у становить порядок предоставления перерывов (окон) в графике движения поездов по существующим путям, необходимых для выгрузки строительных грузов, монтажа конструкций искусственных сооружений и контактной сети.
4. Производство СМР в полосе отвода железной дороги, которые могут привести к повреждению линий и устройств автоматики, телемеханики, связи, электроснабжения, контактной сети, путей и других железнодорожных сооружений, допускается выполнять только под непосредственным наблюдением ответственных представителей соответствующих служб управления железнодорожной администрации или предприятия, в ведении которых находятся данные сооружения.
5. Притрассовые автодороги должны быть расположены, как правило, в пределах полосы отвода в соответствии с проектом. Проезд транспорта вне пределов автодорог не допускается во избежание нарушения почвенного покрова.
6. При приемке выполненных работ следует наряду с качеством и полнотой их выполнения проверить качество восстановления земель, состояние защитной зоны, качество ее очистки от порубочных остатков и выполнение других мероприятий, связанных с охраной окружающей среды.
1. Земляное полотно железнодорожных линий представляет собой комплекс земляных сооружений в виде насыпей, выемок, водоотводов, обеспечивающих отвод поверхностных и грунтовых вод от земляного полотна, сооружений инженерной защиты земляного полотна от природных геофизических процессов (с учетом требований СНиП 2.01.15-90) и специальных мероприятий по повышению устойчивости основания земляного полотна.
Земляное полотно должно обеспечивать устойчивость верхнего строения пути для заданной грузонапряженности железной дороги и расчетных скоростей движения поездов.
2. В комплекс работ по возведению земляного полотна входят устройства всех насыпей, выемок и водоотводных сооружений; мероприятия по обеспечению устойчивости оснований (осушение, водопонижение); устройство защитных, задерживающих, укрепительных и регуляционных сооружений; устройство специальных морозо- и теплозащитных слоев; рекультивация земель после окончания работ.
3. При возведении земляного полотна контролируются:
- подготовка оснований под насыпи;
- соответствие размеров земляного полотна поперечным профилям при производстве работ по отсыпке насыпей, засыпке труб и разработке выемок;
- степень уплотнения грунтов до требуемой плотности в насыпях, а в необходимых случаях - под основной площадкой в выемках и на «нулевых» местах;
- крутизна откосов насыпей и выемок;
- величина уширения земляного полотна на кривых участках пути;
- соответствие размеров поперечного сечения и продольных уклонов нагорных и водоотводных канав проекту.
4. Ширину земляного полотна (в уровне основной площадки) новых железных дорог на прямых участках пути в пределах перегонов следует принимать по нормам, приведенным в табл. 1.
Таблица 1
(СНиП 32-01-95, таблица 4.1)
|
Категория железных дорог |
Число главных путей |
Ширина земляного полотна на прямых участках, м, при использовании грунтов |
|
|
глинистых, крупно- обломочных с глинистым заполнителем, скальных выветривающихся и легко выветривающихся, пес ков не дренирующих мелких и пылеватых песков |
скальных слабо выветривающихся крупнообломочных,- песчаным заполнителем и песков дренирующих (кроме мелких и пылеватых) |
||
|
Скоростные и особо грузонапряженные - |
2 |
11,7 |
10,7 |
|
I и II |
1 |
7,6 |
6,6 |
|
III |
1 |
7,3 |
6,3 |
|
IV |
1 |
7,1 |
6,2 |
|
Примечание. К дренирующим по условиям работы земляного полотна следует относить грунты, имеющие при максимальной плотности по стандартному уплотнению коэффициент фильтрации содержащие не менее 0,5 м/сут., менее 10 % частиц по массе размером менее 0,1 мм. Допускается,- согласия заказчика, при соответствующем технико-экокомическом - обосновании применять в качестве дренирующего грунта пески мелкие и пылеватые с коэффициентом фильтрации не менее 0,5 м/уст |
|||
5. Поперечное очертание верха однопутного земляного полотна из не дренирующих грунтов без защитного слоя должно быть в виде трапеции шириной поверху 3,2 м, высотой 0,15 м и с основанием, равным ширине земляного полотна, а поперечное очертание верха земляного полотна, сооружаемого сразу под два пути, - в виде треугольника
высотой 0,2 м с основанием, равным ширине земляного полотна.
Верх одно- и двух путного земляного полотна из раздробленных скальных пород, дренирующих крупнообломочных и дренирующих песчаных грунтов должен быть горизонтальным. Горизонтальным должен быть и верх защитного слоя из указанных грунтов.
6. Ширина земляного полотна на линиях всех категорий на участках, расположенных в кривых, должна быть увеличена с наружной стороны кривой на величину, указанную в табл. 2, а также на величину уширения междупутий в кривых между осями первого и второго главных путей, а также третьего и четвертого путей, предусмотренную ГОСТ 9238-83.
Таблица 2
(СНиП 32-01-95, таблица 4.2)
|
Радиусы кривых, м |
Уширение земляного полотна, м |
|
3000 и более |
0,20 |
|
2500-1800 |
0,30 |
|
1500-1700 |
0,40 |
|
600 и менее |
0,50 |
7. Крутизна откосов насыпей и выемок зависит от вида грунта, высоты насыпи и глубины выемки и должна соответствовать данным табл. 3 и 4.
Таблица 3
(СНиП 32-01-95, таблица 4.3)
|
Вид грунта |
Крутизна откосов при высоте насыпи, м |
||
|
до 6 |
До 12 |
||
|
в верхней части высотой 6 |
в нижней части высотой 6-12 |
||
|
1. Раздробленные скальные слабовыветривающиеся и выветривающиеся, крупнобломочные с песчаными заполнителями, пески гравелистые, крупные и средней крупности, металлургические шлаки |
1:1,5 |
1:1,5 |
1:1,5 |
|
2. Пески мелкие и пылеватые, глинистые грунты (в том числе лёссовидные) твердой и полутвердой консистенции, крупнообломочные с глинистым заполнителем такой же консистенции, раздробленные скальные легковыветривающиеся |
1:1,5 |
1:1,5 |
1:1,5 |
|
3. Глинистые грунты тугогогастичной консистенции и кругаюобломочные грунты с глинистым заполнителем такой же консистенции |
1:1,75 |
1:1,75 |
1:2 |
|
4, Глинистые грунты (в том числе лёссовидные) в районах избыточного - увлажнения, а также пески одно- родные и пылеватые |
1:1,75 |
1:1,75 |
1:2 |
|
5. Пески мелкие (барханные) в районах с засушливым климатом |
1:2 |
1 2 |
1:2 |
|
Примечание. При высоте насыпи более 12 м крутизна откосов определяется расчетом. |
|||
Таблица 4
(СНиП 32-01-95, таблица 4.4)
|
Вид грунта |
Высота откосов выемок, м |
Крутизна откосов |
|
1. Скальные слабовыветривающиеся |
До 12 |
1: 0,2 |
|
2. Скальные выветривающиеся |
То же |
1: 0,5-1 : 1 |
|
3. Скальные легковыветривающиеся |
» |
1:1,5 |
|
4. Крупнообломочные, песчаные, глинистые (в том числе лёссовидные) твердой, полутвердой, тугопластичной консистенции |
» |
1:1,5 |
|
5. Глинистые грунты в районах избыточного увлажнения |
» |
1:2 |
|
6. Пески мелкие (барханные) в засушливых районах |
» |
1:1,75-1: 2 |
|
7. Лёссы на неорошаемых участках в районах с засушливым климатом |
» |
1:0,1-1:0,5 |
|
8. Лёссы вне районов с засушливым климатом |
» |
1:0,5-1:1,5 |
|
Примечание. Откосы крутизной 1:0,2 применяются при контурном взрывании, при этом в благоприятных инженерно-геологических условиях в слабовыветривающихся грунтах допускаются вертикальные откосы выемок |
||
8. Для обеспечения надежности конструкций земляного полотна следует обеспечивать уплотнение грунтов до требуемой плотности в насыпях, а в необходимых случаях - под основной площадкой в выемках и на «нулевых» местах. Минимальные значения коэффициентов уплотнения при расчете требуемой плотности песчаных и глинистых грунтов принимаются по табл. 5.
Таблица 5
(СНиП 32-01-95, таблица 4.5)
|
Вид земляного полотна |
Глубина расположения слоя от основной площадки, м |
Коэффициент уплотнения, К, для дорог |
||
|
I, II категории и дополнительные главные пути |
III, IV категории |
I, II категории и дополнительные главные пути |
III, IV категории |
|
|
1. Насыпи: |
|
|
|
|
|
верхняя часть |
До 1,0 |
До 0,5 |
0,98; 0,95 |
0,95; 0,92 |
|
нижняя часть |
Более 1,0 |
Более 0,5 |
0,95; 0,92 |
0,95; 0,90 |
|
2. Выемки, основания, насыпи высотой до 0,5 м |
0,0-0,50 |
0,0-0,50 |
0,98; 0,95 |
0,95; 0,92 |
|
Примечание. Для подъездных путей коэффициент уплотнения по всей высоте насыпи устанавливается 0,9. Для скоростных и особогрузонапряженных расчетом. линий коэффициент уплотнения определяется |
||||
9. До начала работ по возведению земляного полотна необходимо обеспечить водоотвод путем устройства водоотводных сооружений, а также подготовить основания под насыпи в соответствии с указаниями в проекте.
10. В основаниях насыпей высотой до 0,5 м, возводимых на равнинных участках и косогорах крутизной до 1:10, а также насыпей высотой до 1 м, возводимых на косогорах крутизной от 1:10 до 1:5, дерн должен быть удален.
11. Основания под насыпями, возводимыми из глинистых грунтов на косогорах крутизной от 1:10 до 1:5,следует перед отсыпкой насыпи разрыхлять. При крутизне косогоров от 1:5 до 1:3 в основаниях насыпей независимо от их высоты должны нарезаться уступы с шириной полок от 1 до 4 м и высотой до 2 м. Полки уступов должны иметь поперечный уклон в низовую сторону, равный 0,01-0,02. Стенки уступов при их высоте до 1 м устраиваются вертикальными, а при большей высоте - с откосами крутизной 1:0,5. На косогорах, сложенных из дренирующих грунтов, не покрытых растительностью, устройство уступов не требуется.
12. Отсыпку насыпей надлежит вести от их краев к середине. На переувлажненных и слабых основаниях отсыпка слоев грунта должна вестись от середины насыпи к краям до достижения высоты ее, равной 3 м, а далее - от краев к середине.
13. Насыпи должны отсыпаться послойно и равномерно уплотняться грунтоуплотняющими машинами по всему поперечному сечению.
14. Насыпи, возводимые из крупнообломочных грунтов и легковыветривающихся размягчаемых скальных, должны возводиться слоями толщиной не более 0,4 м, из скальных легковыветривающихся - не более 1 м и скальных слабовыветривающихся - не более 2 м; при этом грунт должен содержать фракции размером до 2/3 толщины уплотняемого слоя, но не более 0,7 м. Верхняя часть скальных насыпей слоем не менее 0,5 м должна отсыпаться щебнистым грунтом; при этом размер наиболее крупных фракций не должен быть более 0,2 м.
15. Возведение насыпей на болотах следует производить преимущественно в зимний период. Часть насыпи ниже уровня болота следует отсыпать по способу «с головы», а остальную часть - послойно.
16. Насыпи в районах барханных песков следует возводить из резервов, не допуская снижения природной влажности используемого грунта.
17. Выемки в районах барханных песков следует разрабатывать с отсыпкой грунта в кавальеры.
18. Средствами гидромеханизации следует возводить насыпи из дренирующих грунтов. Использование мелких, пылеватых песков и супесей для намыва насыпей разрешается при условии, если в теле возводимой насыпи будет не более 15 % частиц размером менее 0,1 мм.
19. Постройка водопропускных труб, устоев мостов и подпорных стен должна опережать возведение земляного полотна с таким расчетом, чтобы засыпка их грунтом производилась одновременно с сооружением насыпей.
20. Выемки в нескальных грунтах необходимо разрабатывать с недобором. Переборы грунта ниже проектных отметок не допускаются. Случайные переборы должны заполняться грунтом, однородным с грунтом основания, с соответствующим уплотнением. Случайные переборы на откосах должны быть спланированы без отсыпки грунта с плавным переходом к проектному профилю.
21. Размещение излишнего грунта в кавальерах не допускается на территории станций, населенных пунктов и промышленных предприятий, а также с нагорной стороны полувыемок и в местах, где кавальеры могут способствовать снежным или песчаным заносам полотна, в том числе вдоль мелких выемок. Кавальеры с низовой стороны земляного полотна следует устраивать с разрывами не реже, чем через 50 м, шириной по низу не менее 3 м.
22. Разработка взрывным способом скальных выемок, расположенных на расстоянии до 50 м от искусственных сооружений, должна быть закончена до начала возведения указанных сооружений.
23. Недоборы в основании и откосах выемок, разрабатываемых буровзрывным способом в скальных грунтах, не должны быть более 10 см, а переборы – более 20 см. Последние надлежит заполнять местным скальным грунтом.
24. Откосы выемок и насыпей надлежит укреплять по мере готовности отдельных участков земляного полотна. При возведении насыпей в зимних условиях укрепление откосов следует относить на период после оттаивания грунтов, обеспечивая сохранность земляного полотна от разрушения талыми водами (устройство водоотвода, уборка снега с откосов и др.).
25. При сооружении земляного полотна в районах барханных песков работы по укреплению полотна и прилегающих к нему полос от выдувания должны выполняться сразу после отсыпки земляного полотна на участках небольшой протяженности, а укладку и балластировку пути следует вести вслед за возведением земляного полотна.
26. Земляные и укрепительные работы при сооружении насыпей на поймах рек должны быть закончены до наступления паводков.
В зимнее время не допускается производить:
- планировку земляного полотна в глинистых грунтах;
- разработку выемок в нескальных грунтах глубиной 3 м;
- возведение насыпей из резервов;
- устройство мелких водоотводных канав;
- разработку карьеров в вечномерзлых песчаных и глинистых грунтах.
27. Для насыпей, возводимых на полную высоту из глинистых грунтов при отрицательной температуре, необходимо предусматривать запас на осадку до 5 % высоты в районах с суровым и холодным климатом и до 3 % -в районах с умеренным климатом.
28. Продольный уклон нагорных и водоотводных канав должен быть не менее 3 % а, на болотах и речных поймах - не менее 2 %, а в исключительных случаях- 1 %. Бровка канавы должна возвышаться не менее чем на 0,2 м над расчетным уровнем воды. Глубина водоотводных и нагорных канав и ширина их по дну должна быть не менее 0,6 м, а на болотах - не менее 0,8 м.
29. Допускаемые отклонения от проектных размеров при приемке земляного полотна не должны превышать значений, указанных в табл. 6.
Таблица 6
(СНиП 32-01-95, таблица 4.7)
|
Вид отклонения |
Значение допускаемого отклонения от проекта |
Способ проверки |
|
1. Отклонение высотных отметок бровки (оси) земляного полотна, см |
+5 |
Нивелировка |
|
2. Отклонение от проектного продольного уклона дна канавы, траншеи, дренажа и т. д. |
0,0005 |
То же |
|
3. Уменьшение минимально допустимых уклонов дна канав, кюветов, дренажей |
Не допускается |
|
|
4. Отклонение бровки земляного полотна от проектного положения, см |
+10 |
Промеры через 50 м |
|
5. Отклонение верха сливной призмы по ширине, см |
+10 |
То же |
|
6. Увеличение крутизны откосов земляных сооружений |
Не допускается |
Промеры не менее чем на двух поперечниках на пикете |
|
7. Отклонение от проектного положения бровки (подошвы) откоса насыпи (выемки), см |
+15 |
То же |
|
8. Отклонение в плоскости откосов, см, на длине не более 3 м: |
|
|
|
при укреплении посевом трав и сборной обрешеткой |
+10 |
» |
|
бетонными плитами |
+5 |
|
|
9. Отклонение по ширине берм, см |
+ 15 |
Промеры через 50 м |
|
10. Отклонение в поперечных размерах канав, см |
+5 |
Промеры через 50 м |
|
11. Уменьшение поперечных размеров кювета и водоотводной канавы |
Не допускается |
То же |
|
12. Отклонение от проектной толщины растительного слоя на откосах, насыпях, выемках, кавальерах, а также на площадках рекультивируемых земель, % |
20 |
Проверка каждых 10 м2, не менее чем в 5 местах |
30. Недосыпки в насыпях и переборы в выемках в пределах до 5 см на основной площадке земляного полотна исправляются за счет балластного слоя при балластировке пути.
1. Верхнее строение пути состоит из рельсов, скреплений, рельсовых опор (шпал), балласта и дополнительных элементов (противоугонов, стяжек). К верхнему строению пути относятся также стрелочные переводы и мостовое полотно.
2. В комплекс работ по устройству верхнего строения пути входят укладка рельсошпальной решетки и стрелочных переводов, балластировка пути.
3. Верхнее строение железнодорожных путей должно соответствовать нормам, приведенным в табл. 7.
Таблица 7
(СНиП 32-01-95, таблица 5.1)
|
Показатель |
Мощность верхнего строения пути на железнодорожных линиях категорий |
||||||
|
скоростных |
особогрузо-напряженных |
I |
II |
III |
IV |
||
|
1.Тип рельсов |
Р75- |
Р75- |
Р75-Р65 |
Р65 |
Старогодние |
||
|
Р75-Р65 |
|||||||
|
Новые Р65 |
|||||||
|
2. Род шпал |
Деревянные I типа или железобетонные |
|
|||||
|
|
|
|
|
|
Деревянные или железобетонные |
||
|
3. Число шпал на 1 км пути, шт.:на прямых и кривых радиусом 1200 м и более |
2000 |
2000 |
2000 |
1840 |
1840 |
1840 |
|
|
на кривых радиусом менее -1200 м |
2000 |
2000 |
2000 |
2000 |
1840 |
1840 |
|
|
4. Толщина балластного слоя щебеночного под шпалой на балластной подушке из песка толщиной 20 см, удовлетворяющего требованиям к балластным материалам, см: |
|
|
|
|
|
|
|
|
на пути с деревянными шпалами;- |
30 |
35 |
30 |
30 |
25 |
25 |
|
|
то же, с железо бетонными – шпалами |
35 |
40 |
35 |
35 |
30 |
30 |
|
|
5. Толщина балластного слоя под шпалой гравийно-песчаного, см |
- |
- |
- |
|
_ |
30 |
|
|
Примечания: 1. Двухслойную балластную призму при использовании щебеночного балласта следует укладывать на земляном полотне из глинистых грунтов, песков мелких и пылеватых, в том числе при устройстве защитного слоя в верхней части земляного полотна; на земляном полотне из скальных, крупнообломочных грунтов и песков (за исключением мелких и пылеватых) щебень следует укладывать в один слой, без песчаной балластной подушки, и толщина балластного слоя на пути с деревянными шпалами в этом случае должна быть не менее 30 см, в том числе при использовании других допускаемых видов балласта, а на пути с железобетонными шпалами - не менее 35 см. 2. Если подушка устраивается из гравия, толщину слоя щебня следует уменьшать на 5 см без уменьшения общей толщины балластного слоя. 3. При преобладании в основании земляного полотна просадочных и сжимаемых грунтов следует укладывать звеньевой путь на гравийнопесчаном и гравийном балласте. Постановку пути на щебеночный балласт и укладку бесстыковочного пути надлежит предусматривать после полной стабилизации земляного полотна. 4. На линиях со скоростью движения 140 км/ч необходимо использовать только щебеночный балласт. 5. Железобетонные шпалы следует применять в бесстыковом пути. Допускается по согласованию с железнодорожной администрацией применение железобетонных шпал в звеньевом пути на линиях IV категории, внутриузловых, внутристанционных, соединительных и подъездных путях. |
|||||||
4. При устройстве верхнего строения железнодорожного пути контролируются качество материалов и конструктивных элементов, сборки звеньев рельсового пути и блоков стрелочных переводов на звеносборочных базах, укладки и балластировки пути.
5. Типы рельсов, шпал, скреплений и балласта должны соответствовать проекту. Соответствие качества рельсов, шпал, скреплений и балласта требованиям ГОСТ и ТУ проверяется по паспортам и сертификатам заводов-изготовителей. Качество балласта контролируется перед началом работ по балластировке пути и периодически в процессе производства этих работ.
6. Каждое собранное на звеносборочной базе звено рельсошпальной решетки должно проверяться и удовлетворять следующим требованиям:
- отклонения от ширины колеи в собранных звеньях, измеряемой между внутренними гранями головок рельсов на уровне 13 мм ниже поверхности катания колес, не должны превышать ±2 мм;
- концы рельсов в собранных звеньях должны быть расположены при укладке на прямых участках пути по угольнику с допуском +1 см, при укладке на кривых участках - с допуском ±1 см сверх расчетного забега;
- при костыльном скреплении рельсы на прямых участках пути и на кривых радиусом более 1200 м должны быть закреплены на каждом конце шпалы (за исключением стыковых шпал) четырьмя костылями (по одному с каждой стороны рельса - для прикрепления рельса к шпале и по одному с каждой стороны подкладки - для прикрепления ее к шпале). На всех стыковых шпалах и на кривых участках пути радиусом 1200 м и менее, а также на мостах и в тоннелях рельсы прикрепляются на каждом конце шпалы (мостового бруса) пятью костылями (двумя с внутренней и одним с наружной стороны - для прикрепления рельса к шпале и двумя - для прикрепления подкладки к шпале). Костыли должны быть забиты вертикально в заранее просверленные и антисептированные отверстия;
- при раздельном скреплении каждая подкладка должна прикрепляться к деревянной шпале четырьмя шурупами, а к железобетонной шпале - двумя закладными болтами; рельс должен прикрепляться двумя болтами;
- пружинные противоугоны должны быть установлены по типовым схемам и прилегать к боковой поверхности шпал; зуб каждого противоугона на обеих рельсовых нитях располагается снаружи колеи;
- число шпал в звене должно соответствовать эпюре укладки в зависимости от категории дороги и назначения пути; шпалы должны быть расположены по угольнику, при этом отклонения осей шпал от положения по эпюре не должны превышать 2 см;
- деревянные шпалы и брусья должны быть пропитаны антисептиками, а концы их укреплены металлическими хомутами:
- в звеньях, предназначенных для укладки на двухпутном участке, концы деревянных шпал должны быть выровнены по шнуру с полевой стороны, а на однопутных участках - с правой стороны по счету километров на прямых участках и со стороны наружной нити на кривых; обрезанные концы шпал должны быть антисептированы.
7. Укладка на перегонах рельсошпальной решетки или поэлементная укладка пути на земляное полотно должны производиться с принятием мер, обеспечивающих сохранность основной площади земляного полотна. Укладка путина земляное полотно из глинистых грунтов в период затяжных дождей и весеннего оттаивания грунтов не допускается.
8. Укладку станционных путей следует осуществлять, как правило, по уложенному балластному слою.
9. При устройстве пути на железобетонных мостах с ездой на балласте, а также на подходах ко всем мостам на расстоянии не менее 30 м в обе стороны от моста должен быть уложен балластный слой толщиной 15 см.
10 Путь должен быть уложен по оси с соблюдением необходимых температурных зазоров в стыках. При стыковании рельсов разных типов должны применяться переходные накладки. Разрешается стыковать разнотипные рельсы, различающиеся только на одну ступень (например, рельсы Р65 и Р50).
11. При сборке стрелочных переводов стыки рельсов следует располагать по типовым эпюрам. Располагать стыки рельсов в пределах настила переездов не допускается. При попадании стыка в эти пределы следует смещать стык укладкой звена длиной 12,5 м.
12. Для пропуска рабочих поездов путь, уложенный на земляное полотно, должен быть выправлен в плане и в профиле. Стыки должны иметь не менее чем по два затянутых болта на каждом конце. При поэлементной укладке пути рельсы должны быть прикреплены на каждом конце шпалы (бруса) не менее чем двумя костылями, шурупами или болтами.
13. Стрелочные переводы и глухие пересечения следует укладывать блоками по типовым эпюрам.
14. Подъемку пути на первый слой балласта надлежит производить вслед за укладкой пути с разрывом между участками этих работ не более 10 км.
15. Работы по балластировке пути должны выполняться с одновременной выправкой пути в плане и профиле.
16. При укладке в путь щебеночного балласта толщину его слоя под шпалой следует принимать с запасом на осадку при уплотнении в размере 20% проектной толщины.
17. Балластировку пути с железобетонными шпалами следует производить с принятием мер, предохраняющих шпалы от излома (не допуская подбивки балласта в средней части).
18. При балластировке пути в зимнее время песчаный, гравийный или щебеночный балласт должен употребляться с влажностью до 6% во избежание смерзания его при перевозке. При большей влажности балласт следует укладывать в штабеля и периодически перемешивать. Фронт работ должен назначаться такой длины, чтобы в течение рабочей смены полностью заканчивать балластировку пути на этом участке. Балластировочные работы надлежит производить на путях, очищенных от снега.
19. Возвышение наружного рельса на кривых должно достигаться путем увеличения толщины балластного слоя под наружной рельсовой нитью.
20. Ширина балластной призмы поверху на прямых однопутных участках (при всех видах балласта) должна быть неменее, м:
- на скоростных, особо грузонапряженных линиях и линиях I и II категорий - 3,85;
- на линиях III категории - 3,65;
- на линиях IV категории - 3,45.
На кривых участках пути радиусом менее 600 м ширину балластной призмы необходимо увеличить с наружной стороны на 0,1 м.
Поверхность балластной призмы должна быть на 3 см ниже верхней постели деревянных шпал и в одном уровне с верхом средней части железобетонных шпал.
Крутизна откосов балластной призмы при всех видах балласта должна быть 1:1,5, для песчаной подушки -1:2.
21. Между стрелочными переводами необходимо предусматривать вставки длиной не менее 12,5 м, в трудных условиях - 6,25 м; на главных путях при скорости более 140 км/ч длина вставок должна составлять соответственно 25,0 и 12,5 м.
22. Содержание пути в период временной эксплуатации должно удовлетворять требованиям, приведенным в табл. 8.
Таблица 8
(СНиП 32-01-95, таблица 5.5)
|
Технические требования |
Допускаемые отклонения при скорости движения, км/ч |
||
|
до 15 |
от 15 |
свыше |
|
|
до 25 |
25 |
||
|
1. Отклонение по ширине колеи, мм: |
|
|
|
|
по уширению |
10 |
10 |
6 |
|
по сужению |
4 |
4 |
4 |
|
2. Отклонение по уровню, мм |
20 |
10 |
6 |
|
3. Разность в смежных стрелах изгиба в |
12 |
10 |
8 |
|
круговых кривых (в точках через |
|
|
|
|
10 м при хорде 20 м), мм |
|
|
|
|
4. Отклонение в размерах стыковых |
3 |
3 |
3 |
|
зазоров, мм |
|
|
|
|
5. Смещение шпал от проектного положения, см: |
|
|
|
|
Деревянных |
8 |
8 |
|
|
Железобетонных |
4 |
4 |
4 |
|
Примечание. Отводы отклонений по ширине колеи должны быть не более 3 мм/м при скорости до 15 км/ч, 2 мм/м - от 15 до 25 км/ч, 1 мм/м - свыше 25 км/ч; по возвышению наружного рельса переходных кривых - соответственно 3 мм/м, 2 мм/м и 1 мм/м; по уровню - 4 мм/м. |
|||
23. При окончательной отделке пути выполняется выправка пути и стрелочных переводов в местах просадок, рихтовка рельсовых нитей и регулировка зазоров, окончательная отделка балластной призмы, установка недостающих скреплений и противоугонов, приведение в проектное положение настилов, контррельсов и ограждений переездов, установка постоянных путевых и сигнальных знаков.
24. Допускаемые отклонения в размерах и положении конструктивных элементов верхнего строения пути дорог общей сети и подъездных путей, сдаваемых в постоянную эксплуатацию, не должны превышать значений, указанных в табл. 9.
Таблица 9
(СНиП 32-01-95, таблица 5.4)
|
Технические требования |
Допускаемые отклонения в размерах и положении элементов верхнего строения пути, мм |
|
1. Отклонение по ширине колеи на прямых и кривых |
|
|
участках пути: |
|
|
по уширению |
4 |
|
по сужению |
3 |
|
2. Отклонение в уровне (взаимном положении по высоте) рельсовых нитей от установленных норм на прямых и кривых участках пути |
4 |
|
|
|
|
3. Разность в размерах смежных стрел изгиба рельсовых нитей в круговых кривых (промеры в точках через 10 м при хорде длиной 20 м) при скорости: |
|
|
до 100 км/ч |
5 |
|
101-140 км/ч |
4 |
|
141-160 км/ч |
3 |
|
4. Отклонение от равномерного нарастания стрел изгиба в пределах переходных кривых (промеры в точках через 10 м при хорде длиной 20 м) при скорости: |
|
|
до 100 км/ч |
3 |
|
более 100 км/ч |
2 |
|
5. Отклонение в расположении рельсовых стыков: на прямых участках на кривых участках |
|
|
Не более 30 |
|
|
Не более 30 плюс половина стандартного укорочения рельса |
|
|
6. Отклонение в размерах стыковых зазоров при расчетной температуре |
+2 |
|
|
|
|
7. Отклонение от эпюр в расположении шпал: |
|
|
Деревянных |
+40 |
|
Железобетонных |
+20 |
|
8. Отклонение в толщине уплотненного балластного слоя под шпалой |
+100; уменьшение не допускается |
|
9. Изменение проектных уклонов продольного профиля пути в пределах между точками перелома профиля |
Не допускается |
|
|
|
|
Примечания: 1. Отклонения от проектных размеров по ширине колеи, указанные в таблице, допускаются при условии устройства плавных отводов (разгонки) их при скорости движения до 120 км/ч - 1 мм на 1 м пути, более 120 км/ч - 1 мм на 1,5 м пути. 2. Отклонение в уровне расположения рельсов допускается при условии устройства отводов 1 мм на 1 м пути. |
|
25. При приемке пути, сдаваемого в постоянную эксплуатацию, надлежит проверить его состояние в соответствии с данными, приведенными в табл. 9, и дополнительными требованиями, а именно:
- на всем перегоне путь, как правило, должен быть уложен рельсами одного типа и одной и той же длины, за исключением укороченных рельсов, укладываемых по внутренним нитям кривых;
- все рельсы должны иметь подуклонку (наклон внутрь колеи относительно поверхности шпал);
- на двухпутных участках дорога концы шпал должны быть выровнены по шнуру параллельно наружной рельсовой нити, а на однопутных - с правой стороны по счету километров;
- шпалы и брусья должны иметь клеймо года укладки в путь;
- размеры балластной призмы должны соответствовать типовым поперечным профилям с учетом допусков, указанных в таблице;
- поверхность балластной призмы должна быть ниже верхней постели деревянных шпал на 3 см, а при железобетонных шпалах - в одном уровне с верхом их средней части;
- стрелочные переводы должны быть уложены по утвержденным эпюрам, а переводная и закрестовинная кривые поставлены по ординатам; от каждого стрелочного перевода должен быть обеспечен нормальный отвод воды.
26. Для проверки состояния верхнего строения железнодорожного пути при приемке его в постоянную эксплуатацию следует использовать вагоны-путеизмерители или путеизмерительные тележки.
1. В настоящем разделе излагается порядок осуществления контроля качества и приемки работ по сооружению новых и реконструкции существующих постоянных мостов (в том числе путепроводов, виадуков, эстакад, теплоходных мостов) и труб под насыпями железных дорог, линиями метрополитена и трамвайными путями, автомобильными дорогами (включая дороги промышленных предприятий), на улицах и дорогах в соответствии с требованиями СНиП 3.06.04-91.
2. Контроль качества работ по возведению мостов и труб должен осуществляться на следующих этапах их строительства:
- при выполнении геодезических и разбивочных работ;
- при приемке материалов и конструкций;
- в процессе возведения сооружений;
- при засыпке труб, устоев мостов и укреплении откосов.
3. При сооружении мостов и труб следует осуществлять предусмотренные проектом меры по охране окружающей природной среды и сохранению существующего в данной местности природного баланса.
4. Строительные организации до сдачи в эксплуатацию законченного строительством моста или трубы должны вести систематические наблюдения за его техническим состоянием и осуществлять контроль за положением возведенных конструкций сооружения в плане и профиле, особенно после прохода паводковых вод.
Осмотр труб и контроль за положением их звеньев (секций) должны быть осуществлены строительной организацией через 2-3 месяца после засыпки труб грунтом.
Результаты контроля необходимо оформлять соответствующим актом.
5. Загружение части моста, законченной в соответствии с проектом, допускается только после ее обследования и составления акта промежуточной приемки. Порядок указанного загружения устанавливается ППР.
1. Геодезическая разбивочная основа для строительства моста (трубы) должна включать:
- пункты мостовой триангуляции или линейно-угловых сетей (для моста) длиной более 300 м, вантового моста, моста на кривой, а также моста с опорами высотой более 15 м;
- высотные реперы (марки);
- пункты, закрепляющие продольную ось моста (для трубы - точку пересечения оси трассы дорога с осью трубы);
- пункты, закрепляющие вспомогательную ось, параллельную главной оси, в случае строительства моста, перекрывающего пойменные участки длиной более 100 м, при строительстве моста в сложных условиях (природных или связанных с существующей застройкой участка работ) и в случае, если пункты основы могут быть повреждены в процессе строительства;
- ось трассы на подходах к мосту в случае, если подходы входят в состав проекта моста;
- оси пойменных опор моста длиной более 100 м, вантового моста, моста на кривых и моста с опорами высотой более 15 м.
2. В геодезическую разбивочную основу должны быть включены также пункты, с которых можно производить разбивку центров опор и контроль за их положением в процессе строительства.
3. Геодезические разбивочные работы и пооперационный геодезический контроль при строительстве мостов длиной более 300 м, вантовых мостов, мостов на кривой, а также мостов с опорами высотой более 15 м следует выполнять по проекту производства геодезических работ (ППГР), разработанному генеральной проектной организацией в составе рабочей документации на строительство моста.
Для остальных мостов и труб решения по геодезическим работам, включая схемы размещения пунктов для выполнения геодезических построений и измерений, а также указания о соблюдении необходимой точности и о технических средствах геодезического контроля выполнения СМР, должны содержаться в ППР.
4. В ППР дополнительно к требованиям, полученным при разработке проектов организации строительства и проектов производства работ, должны быть приведены:
- схемы закрепления пунктов геодезической разбивочной основы и график выполнения геодезических работ на период подготовки к строительству;
- данные о точности и методы выполнения разбивочной сети моста, схемы расположения и закрепления пунктов сети; типы центров знаков; данные о точности, методы, средства и порядок выполнения детальных разбивочных работ, контрольных измерений и исполнительных съемок; график выполнения геодезических работ - на период строительства;
- данные о точности, методы, средства и порядок наблюдений за перемещениями и деформациями объектов строительства; схема геодезической сети, данные о точности определения и методы контроля, типы центров знаков; график выполнения геодезических работ - на период наблюдений за перемещениями и деформациями сооружения.
В ППГР должен быть приведен также нормокомплект геодезических приборов и приспособлений.
ППГР, разработанный проектной организацией, должен быть выдан подрядной организации до передачи заказчиком геодезической разбивочной основы.
5. Геодезический контроль в процессе сооружения мостов и труб следует выполнять в объеме и с точностью, обеспечивающими соответствие геометрических параметров проектной документации требованиям СНиП 3.01.01-85, СНиП 3.01.03-84, СНиП 3.06.04-91, а также настоящего раздела.
6. Передача заказчиком технической документации на созданную геодезическую разбивочную основу для сооружения мостов и труб и закрепленных на местности знаков оформляется актом.
К акту приемки геодезической разбивочной сети должен быть приложен схематический план мостового перехода с указанием местоположения пунктов, типов и глубины заложения закрепляющих их знаков, координат пунктов, их пикетажных значений и высотных отметок в принятой системе координат и высот.
7. Геодезические разбивочные работы в процессе сооружения мостов и труб, разработка и закрепление осей временных подъездных дорог, развитие (при необходимости) геодезической разбивочной основы на мостах длиной менее 300 м или с зеркалом водотока менее 100 м, а также операционный контроль СМР должны выполняться подрядчиком. Исходными данными для разбивочных работ являются координаты и высоты пунктов геодезической разбивочной основы, принятой от заказчика.
8. При строительстве моста выполненные геодезические работы должна контролировать строительная организация на следующих этапах:
- до начала работ по сооружению моста в соответствии с п. 6 настоящего раздела;
- после разбивки опор (до возведения фундаментов опор);
- после возведения фундаментов (до начала работ по возведению опор);
- в процессе возведения тела опор в соответствии с ППГР;
- после возведения опор и разбивки осей подферменных площадок;
- после установки пролетного строения на опорные части.
9. Технические требования, объем, и способы контроля геодезической разбивочной основы приведены в табл. 1.
Таблица 1
(СНиП 3.06.04-91, таблица 1)
|
Технические требования |
Контроль (метод, объем) |
|
1. Число пунктов геодезической разбивочной основы для мостов длиной более 300 м, вантовых мостов, мостов на кривой, мостов с опорами высотой более 15 м, а также при зеркале водотока более 100 м - принимается в соответствии с проектом геодезической разбивочной основы ППГР. |
Измерительный, (геодезические измерения при приемке геодезической разбивочной основы), каждый пункт |
|
2. Число реперов и пунктов плановой геодезической разбивочной основы, закрепляющее продольную ось моста, принимается для: |
То же, каждый репер и пункт |
|
- труб и мостов длиной до 50 м - 1 репер и не менее 2 пунктов на продольной оси моста (трубы) |
|
|
- мостов длиной от 50 до 300 м - по 1 реперу и не менее 2 пунктов на каждом берегу |
|
|
- мостов длиной более 300 м, вантовых мостов с опорами высотой более 15 м - по 2 репера и не менее 2 пунктов на каждом берегу |
|
|
- трассы подходов - не менее 1 репера и 2 пунктов на 1 км трассы |
|
|
3. Средние квадратические ошибки определения, мм, для: |
|
|
- координат пунктов плановой геодезической основы – 6 - отметок реперов на берегах и опорах: |
Измерительный, (уравнивание плановой, геодезической основы), все пункты плановой геодезической основы Измерительный, (геометрическое или тригонометрическое нивелирование с использованием электронных тахеометров), все реперы |
|
- постоянных – 3 |
|
|
- временных – 5 |
|
1. В ходе строительства мостов должен осуществляться контроль качества и приемка работ на следующих этапах:
- при отрывке котлованов;
- в процессе возведения береговых и промежуточных опор;
- при монтаже пролетных строений;
- при устройстве мостового полотна;
- при засыпке устоев моста и укреплении берегов, откосов.
2. При отрывке котлованов под опоры контроль качества работ должен осуществляться в соответствии с проектом, СНиП 3.02.01-87, а также указаниями, содержащимися в части I настоящего Руководства.
Приемка котлованов должна производиться комиссией в составе представителей заказчика и подрядчика, а при необходимости - проектной организации. Результаты освидетельствования и приемки котлованов должны оформляться актом.
3. При выполнении арматурных и бетонных работ следует соблюдать требования СНиП 3.03.01-87, СНиП 3.09.01-85 и данного раздела
4. Работы по устройству оснований и фундаментов следует выполнять в соответствии с требованиями проекта, СНиП 3.02.01-87, СНиП 3.03.01-87, указаниями данного раздела.
При приемке работ по устройству фундаментов разных типов необходимо соблюдать нормативные требования и требования проекта, используя при этом следующие дополнительные материалы:
- исполнительные схемы расположения фундаментов, ростверков, свайных элементов и шпунтовых ограждений с указанием их отклонений в плане и по высоте;
- сводные ведомости и журналы погружения свай, свай-оболочек и шпунтов, журналы бурения скважин и бетонирования буровых свай;
- результаты динамических испытаний свай (забивных и вибропогруженных);
- результаты статических испытаний свай, свай-оболочек или грунтов (если предусмотрены рабочей документацией).
5. Контроль качества устройства фундаментов мелкого заложения следует осуществлять в соответствии с техническими требованиями, приведенными в табл. 2.
Таблица 2
(СНиП 3.06.04-91, таблица 8)
|
Технические требования |
Допустимые отклонения, мм |
Контроль (метод, объем) |
|
1. Отклонение фактических размеров забетонированных на месте и сборных фундаментов и ростверков от проектных: |
|
Приемочный, измерительный (измерения теодолитом, лентой), каждый фундамент и ростверк - |
|
- в плане |
+50 (+20) |
|
|
- в толщине защитного слоя |
+20; -5 |
|
|
|
(+10; -5) |
|
|
2. Фактическое положение фундамента или ростверка: |
|
То же |
|
- по высоте верха (обреза) |
+20 (+10) |
|
|
- в плане относительно разбивочных осей |
25 (10) |
|
|
Примечание. Значения в скобках относятся к и ростверкам сборным фундаментам |
||
6. Монтаж сборных конструкций допускается начинать только после инструментальной проверки отметок и положения в плане опор, фундаментов и временных устройств для монтажа, а также выполнения разбивочных работ, определяющих проектное положение монтируемых конструкций, с оформлением результатов проверки актом.
На опорах моста до начала монтажа пролетных строений должны быть размечены оси опорных частей.
Инструментальный контроль за сборкой конструкции должен осуществляться систематически - от начала работ по сборке до полного их завершения. В процессе сборки следует проверять правильность положения установленных секций или блоков, совпадение фиксаторов, закладных деталей, отверстий, каналов и элементов конструкций в стыках и соединениях.
7. Геодезическую проверку положения пролетного строения в плане и профиле необходимо производить после сборки каждой панели (установки блока).
В процессе продольной надвижки (поперечной перекатки) необходимо вести постоянный геодезический контроль за положением пролетного строения и опор (пирсов). В установленных проектом случаях следует контролировать напряженное состояние элементов.
8. Все конструкции и их детали до монтажа или укрепления перед монтажом должны быть освидетельствованы. При обнаружении дефектов комиссия решает вопрос об их устранении.
На элементы, подлежащие монтажу, должны быть нанесены номер и масса монтажной марки, центр тяжести
элемента, место строповки, а также контрольные осевые и нивелировочные знаки.
9. Контактные поверхности блоков железобетонных пролетных строений до подачи на монтаж или перед укрупнительной сборкой должны быть обработаны пескоструйным способом или щетками. Насечка стыкуемых поверхностей ударным инструментом запрещается.
Очищенные поверхности элементов должны быть освидетельствованы и приняты.
10. Арматурные выпуски и закладные изделия необходимо сваривать после закрепления сборных элементов в проектное положение.
Омоноличивание стыков допускается только после приемки сварочных и арматурных работ и устранения выявленных дефектов.
11. Входящие в стык поверхности элементов до укладки бетона или раствора следует промыть или обильно увлажнить. В стык бетонную (растворную) смесь необходимо укладывать непрерывно с тщательным уплотнением. Открытые поверхности уплотненного бетона (раствора) должны быть выровнены заподлицо с поверхностью бетонастыкуемых элементов и защищены от испарения воды (укладкой влагозащитного покрытия, нанесением пенообразующего материала и др.).
12. В процессе и после окончания монтажа сборной конструкции (перед распалубкой, временным или окончательным ее загружением) необходимо контролировать прочность стыков и ее соответствие проектной стадии работ. Все случаи изменения составов, материалов омоноличивания стыков должны заноситься в журналы работ.
13. Технические требования, которые необходимо выполнять при производстве работ по устройству монтажных соединений и проверять при операционном контроле, должны соответствовать данным, приведенным в табл. 3.
Таблица 3
(СНиП 3.06.04-91, таблица 9)
|
Технические требования |
Допустимые отклонения, мм |
Контроль (метод, объем) |
|
1. Взаимное положение элементов сборных железобетонных конструкций, соединяемых бетонируемыми стыками: |
|
|
|
- смещение наружных граней смежных стыкуемых элементов |
5 |
Измерительный (измерения линейкой, визирование теодолитом или отвесом), все соединения |
|
- отклонение осей стоек высотой Н, м, от проектного положения в верхнем сечении: |
|
Измерительный (визирование теодолитом или с помощью отвеса), все стойки |
|
- до 4,5 |
10 |
|
|
- от 4,5 до 15 |
15 |
|
|
- свыше 15 |
не более 35 |
|
|
- отклонение отметок верха стыков, колонн, ригелей |
±10 |
Измерительный (нивелирование), все элементы |
|
- отклонение толщины швов между элементами сборных конструкций: |
|
Измерительный (измерение линейкой), все стыки |
|
- тонких швов толщиной от 20 до 30 мм |
- |
|
|
- толстых швов толщиной 70 мм и более |
±20 |
|
|
2. Характеристика бетонных и растворных смесей для омоноличивания: |
|
Лабораторный (по ГОСТ 10181.1-81) |
|
- водоцементное отношение: |
|
|
|
- бетонных смесей - 0,35-0,5 |
- |
|
|
- раствора - 0,45 |
- |
|
|
- подвижность, см: |
|
|
|
- бетонных смесей - 4-5 |
- |
|
|
- растворов – 8 |
|
|
|
3. Прочность бетона и раствора омоноличивания стыка: |
|
Лабораторный (по ГОСТ 10181.1-81) |
|
- ко времени снятия кондукторов, временных связей и распалубки - не менее 15 МПа (150 кгс/см2) |
|
|
|
- перед раскружаливанием и загружением монтажной или эксплуатационной нагрузкой - по проекту |
|
|
|
- к моменту замораживания: |
|
|
|
- в конструкции обычного исполнения - не менее 70 % проектной |
|
|
|
- в конструкциях, предназначенных к эксплуатации в районах со средней температурой наружного воздуха ниже минус 40°С - не менее 100 % проектной, а для бетонов с воздухововлекающими добавками - не менее 80% от проектной |
- |
|
|
4. Допускаемый тепловой режим выдержки бетона (раствора) омоноличивания стыка: |
|
Измерительный (измерение термометрами или термодатчиками), перед началом работ и в течение тепловой обработки бетона |
|
- температура стальных и сталежелезобетонных конструкций перед укладкой омоноличивающих смесей - 5°С |
- |
|
|
- скорость изменения температуры при нагреве и остывании бетона или раствора омоноличивания - 5-7°С |
- |
|
14. При выборе типов опалубки, применяемой при возведении бетонных и железобетонных конструкций опор моста, а также при ее приемке необходимо соблюдать требования ГОСТ 23478-79 и требования, приведенные в настоящем Руководстве.
15. Подготовленную к бетонированию опалубку следует принимать по акту. Поверхность опалубки, соприкасающейся с бетоном, должна быть перед укладкой бетонной смеси покрыта смазкой.
Конструкция опалубки и условия ее эксплуатации должны обеспечивать изготовление элементов моста размерами (включая строительный подъем), соответствующими проектным.
16. Допустимые отклонения при изготовлении, установке и проверке в ходе пооперационного контроля опалубки, а также методы их контроля должны соответствовать требованиям, приведенным в табл. 4.
Таблица 4
(СНиП 3.06.04-91, таблица 11)
|
Технические требования: |
Допустимые отклонения |
Контроль (метод, объем) |
|
|
1. Отклонение расстояния: - между опорами изгибаемых элементов опалубки и между сваями вертикальных поддерживающих конструкций от проектных размеров |
25 мм на 1 м длины, но не более 75 мм на весь пролет |
Измерительный (измерение рулеткой), каждое расстояние |
|
|
- от вертикали или проектного наклона плоскостей опалубки и линий их пересечений |
5 мм на 1 м высоты; на всю высоту, мм, не более: |
Измерительный (измерение отвесом), каждая плоскость |
|
|
20 - для фундаментов |
|
||
|
10 - для тела опор и колонн высотой до5 м |
|||
|
2. Смещение осей опалубки от проектного положения: |
|
Измерительный (измерение рулеткой), каждая ось |
|
|
- фундаментов |
15 мм |
|
|
|
- тела опор и колонн фундаментов под стальные конструкции |
8 мм |
|
|
|
3. Отклонение стоек домкратных рам и осей домкратов от вертикали |
Не допускается |
Измерительный (измерение отвесом), каждая ось или стойка |
|
|
4. Наибольшая разность в отметках ригелей домкратных рам |
10-мм |
Измерительный (нивелирование), каждый ригель |
|
|
5. «Конусность» скользящей опалубки на одну сторону |
+4 мм; 2 мм на 1 м высоты |
Измерительный (измерение отвесом), каждая опалубка |
|
|
6. Обратная «Конусность» |
Не допускается |
То же |
|
|
7. Допускаемое расстояние между домкратами и рамами (за исключением мест, где расстояние между рамами является свободным размером) – по пролету |
10 мм |
Измерительный (измерение рулеткой) |
|
|
8. Смещение осей: |
|
То же, каждая ось |
|
|
- домкратов от оси конструкции |
2 мм |
|
|
|
- перемещаемой или переставляемой опалубки относительно осей сооружения |
10 мм |
|
|
|
9. Отклонение расстояния между внутренними поверхностями опалубки от проектных размеров |
5 мм |
Измерительный, каждая опалубка |
|
|
10. Местные неровности опалубки |
3 мм |
Измерительный (внешний осмотр и проверка двухметровой рейкой), каждая опалубка |
|
17. Бетонную смесь следует укладывать в сборно-монтажные опоры послойно в каждом смонтированном ярусе контурных блоков с тщательным вибрированием смеси по всей площади, особенно около вертикальных швов и у скосов блоков.
Рабочие швы между отдельными ярусами следует располагать на 20-30 см ниже верха смонтированного яруса контурных блоков, но не более половины высоты контурного блока.
На период бетонирования блоки должны быть надежно закреплены между собой жесткими связями; незаполненные швы - законопачены.
18. При навесном бетонировании пролетных строений бетонирование каждой секции необходимо производить без перерыва и без рабочих швов. Следующую секцию допускается бетонировать после приобретения ранее уложенным бетоном прочности, указанной в проекте.
19. Блоки опор необходимо устанавливать по уровню и отвесу на клиньях. Каждый ярус высотой не более 5 м, а также основание под нижний ряд блоков следует нивелировать поверху, устраняя допущенные отклонения. Во время выполнения работ швы блоков, через которые возможна потеря раствора, необходимо плотно законопатить.
Цементно-песчаный раствор для заполнения швов должен иметь подвижность 6-9 см.
20. При монтаже сборных конструкций стоечных опор мостов (путепроводов) стойки в башмаках фундаментов следует временно закрепить с помощью специальных металлических шаблонов или кондукторов.
Клинья при закреплении должны входить в стакан подколонника на половину его глубины, обеспечивая при этом возможность последующего замоноличивания колонны в подколеннике и изъятие клиньев. Во всех случаях должны быть приняты меры против попадания воды в стаканы подколонников и фундаментов.
Перед монтажем блоки должны быть очищены от загрязнений и льда.
21. Технические требования, которые следует выполнять при монтаже фундаментов и опор и проверять при операционном контроле, должны соответствовать данным табл. 5.
Таблица 5
(СНиП 3.06.04-91, таблица 15)
|
Технические требования |
Допустимые отклонения, мм |
Контроль (метод, объем) |
|
1. Смещение наружных граней смежных сборных блоков опор |
5 |
Измерительный (измерение линейкой), каждые грани двух смежных блоков |
|
2. Отклонения: |
|
Измерительный, выборочно |
|
- в толщине швов в опорах, собираемых из контурных блоков на «мокрых» швах |
±5 |
|
|
- осей блоков фундаментов и опор, собираемых на «мокрых» швах: |
|
|
|
- по высоте |
±5 |
|
|
- по остальным измерениям |
±10 |
|
|
3. Отклонение осей составных по высоте, H, конструкций опор, собираемых: |
|
Измерительный (визирование теодолитом и нивелиром), каждая опора |
|
- на клееных стыках |
1/250 Н |
|
|
- на «мокрых» швах |
Не более 20 |
|
|
4. Бетонная смесь для заполнения ядра опоры: |
|
Измерительный, лабораторный, каждая |
|
- содержание цемента - не более 350 кг/м |
- |
опора |
|
- В/Ц - не более 0,5 |
- |
|
|
- толщина слоя укладки - не более 300 мм |
- |
|
|
5. Отклонение осей возведенных конструкций в плане относительно разбивочных осей опор: - осей свай, свай-оболочек и столбов в уровне нижней поверхности насадок - осей стоек, колонн по верхнему торцу |
|
Измерительный, выборочно |
|
|
||
|
30 |
||
|
5 |
||
|
6. Отклонение по высоте проектноно положения отметок верха свайных элементов (забивных свай, свай-оболочек, буровых свай) относительно нижней поверхности насадок |
50 |
То же |
|
7. Минимальный зазор между боковой поверхностью свайных элементов, стоек опор и боковой поверхностью отверстий в насадках - не менее 30 мм |
- |
» |
22. Технические требования, которые следует выполнять при установке пролетных строений и проверять при операционном контроле, должны соответствовать данным, приведенным в табл. 6.
Таблица 6
(СНиП 3.06.04-91, таблица 18)
|
Технические требования |
Допустимые отклонения, мм |
Контроль (метод, объем) |
|
|
1. Отклонение продольных осей: |
|
Измерительный(теодолитная съемка), каждое проетное строение |
|
|
- железнодорожных пролетных |
10 |
|
|
|
строений или их балок в плане |
|
||
|
от разбивочных осей |
|||
|
- дорожных пролетных строений или их балок |
0,0005 пролета, но не более 50 |
|
|
|
- деревянных пролетных строений |
20 |
|
|
|
2. Отклонение осей опирания балок пролетного строения вдоль пролета |
15 |
То же |
23. Технические требования, которые следует выполнять при навесной стороне железобетонных пролетных строений и проверять при операционном контроле, должны соответствовать данным, приведенным в табл. 7.
Таблица 7
(СНиП 3.06.04-91, таблица 19)
|
Технические требования |
Допустимые отклонения, мм |
Контроль (метод, объем) |
|
1. Отклонения в профиле и плане концов консоли составного по длине пролетного строения, собранного на клееных стыках, от проектного положения |
±50 |
Измерительный (нивелирование и визирование теодолитом), каждое пролетное строение |
|
2. То же, пролетного строения, собранного на бетонируемых стыках |
±20 |
То же |
24. Технические требования, которые следует выполнять при сборке железобетонных пролетных строений на перемещаемых подмостях и проверять при операционном контроле, должны соответствовать данным, приведенным в табл. 8.
Таблица 8
(СНиП 3.06.04-91, таблица 20)
|
Технические требования |
Допустимые отклонения, мм |
Контроль (метод, объем) |
|
|
1. Отклонения осей монтажных агрегатов и подкранового пути от проектного положения |
|
Измерительный (нивелирование и визирование теодолитом), перед началом сборки каждого пролета |
|
|
- монтажного агрегата |
±30 |
|
|
|
- рельса в плане |
±2 |
|
|
|
- головки рельса в профиле |
|||
|
±2, но не более 1 мм разницы в уровне головок рельсов в любом сечении пути |
|||
|
2. Технологические зазоры: |
Измерительный (измерение линейкой), в процессе сборки каждой секции |
||
|
- между блоками при групповом склеивании |
Не менее 600 |
|
|
|
- между выступающими анкерами смонтированной и ранее изготовленной секции |
Не менее 400 |
|
25. Технические требования, которые следует выполнять при продольной на движке и поперечной перекатке железобетонных пролетных строений и проверять при операционном контроле, должны соответствовать данным, приведенным в табл. 9.
Таблица 9
(СНиП 3.06.04-91, таблица 21)
|
Технические требования |
Допустимые отклонения, мм |
Контроль (метод, объем) |
|
1. Отклонение оси надвигаемого пролетного строения от проектного положения |
Не более 50 |
Измерительный (визирование теодолитом), каждое пролетное строение |
|
2. Забег одного конца против другого при поперечной перекатке |
Не более 0,001 длины пролета |
То же |
|
3. Допуски в установке антифрикционных прокладок в устройствах скольжения: |
|
Измерительный (измерение линейкой), каждая прокладка |
|
- зазор между смежными прокладками по длине |
50 |
|
|
- разность толщины прокладок |
2 |
|
|
- смещение относительно оси перекаточного устройства |
10 |
|
|
|
|
|
|
4. Разность в отметках перекаточных устройств одной опоры |
2 |
Измерительный (визирование теодолитом), все опоры |
|
5. Отклонение отметки перекаточных устройств одной опоры от проектного положения |
±5 |
То же |
26. Резиновые и резиновторопластовые опорные части следует устанавливать непосредственно на под ферменные площадки, а стальные и стаканные - на опалубленный по периметру слой не схватившегося цементно-песчаного раствора или полимербетона толщиной до 30 мм. Допускается стальные и стаканные опорные части устанавливать на клинья или регулировочные устройства с последующим инъецированием зазоров клеем на основе эпоксидной смолы и удалением клиньев.
27. Для омоноличивания анкерных болтов в теле опоры следует применять цементно-песчаный раствор, полимер-бетон или клей на основе эпоксидной смолы с наполнителем.
28. Подвижные опорные части необходимо устанавливать согласно проекту с учетом температуры воздуха в момент установки, а также усадки и ползучести бетонапролетных строений.
При установке опорных частей следует нанести риски, отличающие начальное положение их элементов, и клеймо с указанием температуры при установке пролетных сооружений.
29. Технические требования, которые следует выполнять при установке опорных частей и проверять при операционном контроле, должны соответствовать данным, приведенным в табл. 10.
Таблица 10
(СНиП 3.06.04-91, таблица 23)
|
Технические требования |
Допустимые отклонения, мм |
Контроль (метод, объем) |
|
1. Разность отметок поверхностей подферменных площадок в пределах одной опоры |
+2 |
Измерительный (нивелирование).все площадки |
|
2. Горизонтальное (проектное) положение поверхностей подферменных площадок |
0,002 длины (ширины) площадки |
Измерительный (по уровню), все площадки |
|
3. Разность отметок опорных поверхностей собранного комплекта стаканных и стальных опорных частей в пределах одной опоры |
0,001 расстояния между осями ферм (балок) |
Измерительный (нивелирование), все опорные части |
|
4. Отклонение оси стаканной линейно-подвижной опорной части от направления проектного перемещения опорного узла |
0,005 длины подферменника |
Измерительный (измерение линей- кой), все опорные части |
1. При монтаже стальных и сталежелезобетонных конструкций следует соблюдать требования СНиП 3.03.01-87, а также данного раздела.
При монтаже конструкций высоких, вантовых и разборных мостов кроме требований настоящего раздела следует выполнять специальные указания проекта и ППР или ведомственных нормативных документов, отражающих специфику сооружения перечисленных систем мостов.
2. Все элементы перед установкой их в конструкцию должны быть освидетельствованы с оформлением акта.
3. Смонтированные стальные и сталежелезобетонные конструкции до окраски и загружения их строительными и эксплуатационными нагрузками должны быть приняты комиссией. При приемке необходимо проверять:
- правильность установки отдельных элементов и конструкции в целом по результатам инструментальной проверки в плане и профиле;
- отсутствие внешних дефектов в установленных элементах;
- плотность примыкания элементов к опорным поверхностям и друг к другу;
- качество монтажных и заводских соединений;
- выполнение специальных требований проекта по регулированию напряжений пролетных строений;
- соответствие конструкций и элементов требованиям проекта.
Результаты приемки необходимо оформлять актом.
4. Технические требования, которые следует выполнять при приемке работ по монтажу стальных и сталежелезо-бетонных конструкций, должны соответствовать данным, приведенным в табл. 11.
Таблица 11
(СНиП 3.06.04-91, таблица 26)
|
Технические требования |
Допустимые отклонения |
Контроль (метод, объем) |
|
1. Отклонение величины ординатстроительного подъема на опорные части для ординат высотой, мм: |
|
Измерительный (нивелирование), решетчатые фермы-по узлам в уровне |
|
- 100 и менее |
Не более 10 мм |
проезжей части, сплошностенчатые пролетные строения |
|
- свыше 100 |
10 % |
- в середине и четвертях пролета |
|
2. Разность отметок (в поперечном направлении) узлов проектного строения после установки его на опорные части при расстоянии, В, между осями ферм, балок: |
|
|
|
- опорных узлов ферм, балок |
Не более 0,001B |
|
|
- одноименных узлов смежных |
Не более |
|
|
ферм или поперечных сечений |
0,002B |
|
|
балок |
|
|
|
- одноименных узлов смежных |
8 мм |
|
|
ферм железнодорожных строений |
|
|
|
3. Отклонение в плане оси главной |
Не более |
Измерительный (съемка в плане), каждое пролетное строение |
|
балки или фермы от проектного |
0,0002 |
|
|
положения |
пролета |
|
|
|
|
|
|
4. Отклонение одного из узлов в |
Не более |
Измерительный (измерение линейкой от натянутой струны), - выборочно |
|
плане от прямой, соединяющей |
0,001 |
|
|
два соседних с ним узла |
длины |
|
|
|
панели |
|
|
5. Стрелка выгиба осей элементов |
|
Измерительный, выборочно (элементы, у которых обнаружена кривизна при внешнем осмотре) |
|
длиной Ь. |
|
|
|
- отдельных элементов главных ферм, балок |
0.001L, |
|
|
но не более |
||
|
10 мм |
||
|
- элементов связей |
0,0015L, |
|
|
но не более |
|
|
|
15 мм |
|
|
|
6. Выпучивание стенок сплошных |
Не более |
То же |
|
балок высотой Н |
0,003H |
|
1. До устройства элементов мостового полотна должны быть выполнены и приняты все работы по возведению пролетного строения, перекрытию зазоров, установке и омоноличиванию конструкций деформационных швов, водоотводных трубок, лотков, ограждений и деталей, закрепленных на плите проезжей части моста.
2. Производство и приемку работ по устройству асфальтобетонных и цементобетонных покрытий следует осуществлять в соответствии с требованиями СНиП 3.06.03-85.
3. Элементы полотна следует принимать с составлением актов осуществления скрытых работ.
4. Асфальтобетонное покрытие необходимо устраивать двухслойным из горячего асфальтобетона, состоящего из смесей типов Б, В, Г не ниже марки II (ГОСТ 9128-84*).
5. Технические требования, которые следует выполнять при производстве работ по устройству одежды ездового полотна и проверять при операционном контроле, должны соответствовать данным, приведенным в табл. 12.
Таблица 12
(СНиП 3.06.04-91, таблица 32)
|
Технические требования |
Контроль (метод, объем) |
|
1. Применение арматурных сеток дня армирования: |
Проверка по |
|
- защитного слоя - 4Вр-1 – 100 |
ГОСТ 23278-85, каждый мост |
|
- цементного покрытия - 6А-1 – 100 |
|
|
2. Допускаемая температура окружающего воздуха при устройстве гидроизоляции, °С, не ниже: |
Измерительный, в течение смены |
|
- из битумных мастик – 5 |
|
|
- из резиноподобных и наклеиваемых методом на- |
|
|
пыления рулонных битумных материалов - 10 |
|
|
- из полиэтиленовой пленки – 15 |
|
|
|
|
|
3. Температура рабочих составов горячих битумных мастик -160-180°С |
Измерительный, каждая партия мастики |
|
4. Нахлест и смещение стыков рулонных гидроизоляционных материалов и армирующих основ: |
Измерительный, каждый слой |
|
- нахлест в первом слое - не менее 100 мм |
|
|
- смещение в последующих слоях по отношению к стыкам предыдущего слоя - не менее 300 мм |
|
|
|
|
|
5. Покрытие местных повреждений гидроизоляционного ковра заплатой от края повреждений - не менее 200 мм - |
То же |
|
6. Толщина слоев покрытия при устройстве конструкции одежды на стальной ортотропной плите: |
Измерительный, выборочно |
|
- антикоррозионного из эпоксидно-цинковой протекторной грунтовки - не менее 60 мкм |
Среднее значение из 5 замеров |
|
|
|
|
- защитно-сцепляющего из каменноугольного вяжущего - 2,5-4 мм |
Среднее значение из 5 вырубок, 1 вырубка на 700 м , но не менее 3 вырубок на мосту (Проверка по СНиП 3.06.03-85) |
|
- афальтобетона: |
|
|
- проезжей части - 70 мм |
|
|
- тротуара - 30 мм |
|
1. В ходе возведения мостов должен осуществляться контроль качества и приемка работ на следующих этапах:
- при изготовлении элементов мостов;
- при устройстве оснований опор;
- в ходе сборки и установки пролетных строений;
- при защите моргов от гниения и возгорания;
- при устройстве проезжей части;
- при отсыпке устоев мостов и укреплении откосов.
2. Деревянные конструкции постоянных мостов следует изготовлять на специализированных заводах или в цехах. Конструкции железнодорожных мостов следует применять только заводского изготовления. Строительные конструкции, поступающие на строительную площадку, должны иметь максимальную заводскую готовность. Конструкции, имеющие дефекты и повреждения, устранение которых в условиях стройплощадки не - допускается, должны быть возвращены заводу-изготовителю.
Деревянные конструкции автодорожных мостов, за исключением клееных конструкций, допускается изготовлять на строительной площадке.
3. Для изготовления деревянных конструкций следует применять породу древесины, указанную в рабочей документации. Вместо сосны допускается использовать другие хвойные породы (ель, пихту, кедр, лиственницу и т. п.) при согласовании замены с проектной организацией-разработчиком.
4. Отбор и испытания образцов для определения прочностных характеристик древесины следует производить в следующих случаях:
- наличия указаний в рабочей документации;
- изготовления сквозных ферм и клееных балок;
- использования древесины пониженной прочности;
- замены на другую породу древесины, не указанную в рабочей документации;
- невозможности объективной оценки качества древесины брусьев и круглых лесоматериалов по сортообразуюшим признакам;
- ширины годичных слоев более 5 мм и содержаний в них поздней древесины менее 20%.
5. Для изготовления ответственных элементов и деталей соединений (опорных брусьев, насадок, подушек, шпонок и др.) следует использовать не имеющую пороков древесину лиственных пород (дуба, бука, граба).
6. Применение разных пород древесины в одном несущем элементе конструкции не допускается.
7. Поверхности деревянных элементов должны быть оструганы (от коры и сучьев) с сохранением естественной конусности (сбега). Цилиндровка бревен допускается только при наличии указаний в проекте.
8. Окраска деревянных элементов конструкций при влажности древесины свыше 22 % не допускается.
9. При устройстве оснований опор необходимо контролировать качество погружения свай и их отрывки.
10. При монтаже опор следует контролировать правильность сборки рам или блоков опор, а также соответствие их пространственного положения проекту.
11. Собранное пролетное строение до снятия его со сборочных стеллажей или подмостей должно быть принято с составлением акта промежуточной приемки ответственных конструкций.
12. Технические требования к изготовлению и сборке деревянных конструкций должны соответствовать данным, приведенным в табл. 13.
Таблица 13
(СНиП 3.06.04-91, таблица 27)
|
Технические требования |
Допустимые отклонения |
Контроль (метод, объем) |
|
1. Уменьшение фактических размеров поперечных сечений несущих (расчетных) элементов от проектных |
1/40 диаметра бревна |
Приемочный, измерительный, каждый элемент |
|
2. Местные неплотности в стыках сжатых элементов |
Не более 2 мм |
Операционный, измерительный (линейкой, щупом), каждый элемент |
|
3. Перепад поверхностей стыкуемых элементов для соединений, перекрываемых накладками |
Не более 2 мм |
То же |
|
4. Отклонение глубины вырубок от проектной |
±2 мм |
Приемочный, измерительный, каждый элемент |
|
5. Отклонение расстояний между центрами рабочих болтов, нагелей, шпонок и гвоздей в соединениях относительно проектных для отверстий: |
|
Операционный, измерительный, выборочно |
|
- входных |
12 мм |
|
|
- выходных поперек балок |
2 % толщины пакета, но не более 5 мм |
|
|
- выходных вдоль волокон |
4 % толщины пакета, но не более 10 мм |
|
|
6. Отклонение расстояний между центрами дюбелей, штырей и шурупов в соединениях относительно проектных со стороны головок (шляпок), в том числе в металлических накладках |
±2 мм |
Приемочный, измерительный, выборочно |
|
7. Число стыков бревен в стенках ряжа, устраиваемых вразбежку, в одной промежуточной секции от общего числа - 1/3 |
|
Операционный, визуальный, каждый ряж |
|
8. Припуск на высоту ряжа или часть его высоты при изготовлении (на осадку венцов конструкции и усушку древесины) – 5 % высоты |
|
То же |
|
9. Отклонение отметок верхней плоскости насадок от проектного положения |
±5 мм |
Операционный, измерительный, каждая опора |
|
10. Смещение в плане верха деревянной опоры относительно разбивочных осей |
±20 мм |
Приемочный, измерительный (теодолитная съемка), измерение линейкой, от натянутой струны, каждая опора |
|
11. Отклонение от вертикали или проектного наклона боковых поверхностей конструкции деревянных рамных опор |
Не более 0,005 высоты опоры |
Приемочный, измерительный (теодолитная съемка), измерение линейкой, от натянутой струны, каждая опора |
|
12. Отклонение размеров проектного строения от проектных: |
|
Приемочный, измерительный, каждое пролетное строение |
|
- по длине при пролете размером до 15 м включительно |
±20 мм |
|
|
- по длине при пролете размером свыше 15 м |
±30 мм |
|
|
- по высоте при пролете размером до 15 м |
±10 мм |
|
|
- по высоте при пролете размером свыше 15 м |
±20 мм |
|
|
- в расстояниях между узлами поясов |
±5 мм |
|
13. При возведении деревянных мостов должны быть выполнены предусмотренные проектом конструктивные меры первичной зашиты, обеспечивающие защиту конструкций от увлажнения, а также меры вторичной защиты от агрессивного воздействия биологических агентов.
В процессе выполнения работ все закрытые поверхности в узлах и врубах, верхние торцы схваток следует покрывать антисептическими пастами.
Сваи и стойки рамно-лежневых опор у поверхности грунта и воды следует защищать обмазками и бандажами.
14. Для защиты деревянных конструкций моста от возгорания кроме мер, предусмотренных в проекте, необходимо территорию под мостом на расстоянии не менее 30 м в обе стороны от оси моста очистить от кустарника, валежника, стружек и других горючих материалов.
1. Контроль качества и приемка работ по сооружению труб должны осуществляться на следующих этапах:
- при отрыве котлованов под фундаменты;
- при возведении фундаментов;
- при возведении остова труб и оголовков;
- в процессе гидроизоляционных работ;
- при засыпке труб.
2. Контроль качества работ по отрывке котлованов и возведению фундаментов труб должен осуществляться в соответствии с требованиями, изложенными во II части настоящего Руководства.
При этом отрывку котлованов и устройство фундаментов следует производить в направлении от выходного оголовка к входному.
3. Блоки сборных фундаментов под трубы следует устанавливать на основание, выполненное с проектным уклоном, непосредственно после приемки котлована.
Блоки следует устанавливать по секционно на слой раствора, выравнивая по одной из внутренних плоскостей. Дополнительный подлив раствора под блок, а также его смещение после схватывания раствора не допускается.
4. Вертикальные швы каждого ряда блоков следует заполнять раствором, наружные стороны швов – заделывать заподлицо с поверхностью блоков.
5. Скосы после кладки фундаментов оголовков должны быть заполнены песчано-гравийной или песчано-щебеночной смесью, послойно уплотненной и политой цементным раствором.
6. Металлические гофрированные трубы (МГТ) необходимо собирать или устанавливать в проектное положение только после приемки грунтовой подушки для трубы.
При монтаже надлежит выполнять следующие требования:
- выходной оголовок следует монтировать до начала установки промежуточных звеньев;
- должен быть обеспечен плотный контакт поверхности цилиндрических звеньев труб на всей длине с бетонной подушкой;
- устанавливать прямоугольные и круглые звенья труб с плоской пятой следует на растворе подвижностью 6-8 см.
7. Контроль качества гидроизоляционных работ должен производиться в соответствии с требованиями проекта и части I настоящего Руководства.
8. Приемку смонтированной трубы до засыпки ее грунтом необходимо оформить актом.
9. Нормативные требования, которые следует выполнять при строительстве труб и проверять при операционном контроле, должны соответствовать значениям, приведенным в табл. 14.
Таблица 14
(СНиП 3.06.04-91, таблица 17)
|
Технические требования |
Предельные отклонения |
Контроль (метод, объем) |
|
1. Допускаемые отклонения в положении смонтированных элементов труб: |
|
|
|
- уступов в рядах фундаментных блоков по высоте |
Не более 10 мм |
Измерительный, каждый уступ' |
|
- длины и ширины секций фундаментов - |
+2 см; -1 см |
То же, каждая секция |
|
- относительных смещений смежных железобетонных элементов |
10 мм |
То же, каждый элемент |
|
- зазоров между секциями фундаментов и звеньями (от проектной величины) |
±5 мм |
|
|
- продольной оси трубы |
30 мм |
Нивелирование и съемка плана, каждая труба |
|
2. Допускаемая прочность цементно-песчаного раствора: |
|
Лабораторный(по ГОСТ 5802-86) |
|
- класса - по проекту, но не менее В20 |
- |
|
|
|
|
|
|
- В/Ц - не более 0,65 |
- |
|
|
3. Допускаемая подвижность рас- |
|
То же |
|
твора: |
|
|
|
- для выравнивания оснований |
- |
|
|
под блоки - 6-8 см |
|
|
|
- для вертикальных швов - |
- |
|
|
11-13 см |
|
|
|
- для расшивки наружных |
- |
|
|
швов - 2-3 см |
|
|
|
Примечание. Зазоры между звеньями и секциями фундаментов труб должны быть в одной плоскости. |
||
1. Засыпку водопропускных труб и устоев мостов следует выполнять после освидетельствования качества засыпаемых грунтов и проверки соответствия проекту выполненных работ по возведению конструкций, устройству дренажей и гидроизоляции.
2. При сооружении труб пазухи котлованов фундаментов необходимо засыпать сразу после приемки фундаментов. Не допускается засыпать пазухи при наличии в них воды.
3. При засыпке трубы вначале следует отсыпать грунтовую призму с двух сторон трубы, а затем насыпать на проектную высоту.
Грунтовую призму следует отсыпать под контролем представителей организации, строящей трубу, и оформить актом.
Переезд через сооружаемые трубы транспортных средств допускается только в случае отсыпки поверх трубы слоя грунта толщиной не менее 1 м, а для бульдозеров - не менее 0,5 м.
4. Необходимо уделять особое внимание качеству уплотнения грунта в соответствии с требованиями, приведенными в части I настоящего Руководства.
5. Отсыпку конусов у мостов, участков насыпей за устоями мостов и засыпку прогонов за подпорными стенками следует выполнять дренирующими грунтами с коэффициентом фильтрации не менее 2 м/сут. Грунты следует уплотнять виброударными машинами или навесными вибротрамбовками.
6. При засылке трубы и пазух котлованов в зимнее время должны вестись наблюдения (с записью в журнале работ) за температурой укладываемого грунта, за тем, чтобы в засыпке не было снега и льда. В журнале следует указывать способы контроля плотности.
7. Технические требования к качеству засыпки труб и устоев мостов должны соответствовать данным, приведенным в табл. 15.
Таблица 15
(СНиП 3.06.04-91, таблица 29)
|
Технические требования |
Контроль (объем, метод) |
|
1. Грунты для устройства подушки под металлические гофрированные трубы (МГТ) - в соответствии с проектом: |
Визуальный, по данным гранулометрического анализа (ГОСТ 12536-78), каждая труба |
|
- пески средней крупности, крупные, гравелистые, щебенисто-галегниловые, не содержащие обломков размером более 50 мм |
|
|
- мелкие пески с содержанием частиц размером менее 0,1 мм не более 10 % |
|
|
2. Грунты для засыпки грунтовой призмы МГТ: |
Визуальный, по данным гранулометрического анализа (ГОСТ 12536-78), каждая труба -- |
|
- те же, что и для устройства подушки |
|
|
- мелкие пески с содержанием частиц размером менее 0,1 мм не более 10 % |
|
|
3. Грунты для засыпки МГТ, используемые при отсыпке насыпи, в том числе глинистые |
То же |
|
4. Грунты для засыпки грунтовой призмы бетонных и железобетонных труб - допускается применять такие же, как и при отсыпке на сыпи |
|
|
5. Толщина отсыпаемых слоев грунтов (в плотном теле), м: |
Измерительный, каждый слой - |
|
- 0,40-0,45 глинистых грунтов - при уплотнении машинами на базе тракторов для - уплотнения насыпей |
|
|
- 0,50-0,65 песчаных грунтов - при уплотнении теми же машинами |
|
|
- 0,20-0,25 песчаных грунтов - при уплотнении пневмокатками массой 25-30 т - |
|
|
- до 0,15 песчаных грунтов – при уплотнении ручными электротрамбовками |
|
|
|
|
|
6. Коэффициент уплотнения грунта грунтовой призмы |
|
|
- у труб - 0,95 |
Измерительный, на горизонтах 0,25; 0,5; 0,75 диаметра трубы обеих сторон, на расстоянии 0,1 и 1 м от стенок - не менее 2 проб в каждой точке |
|
- у бетонных и железобетонных труб - 0,95 |
Измерительный, в каждом уплотненном слое грунта, по оси на- сыпи и с обеих сторон трубы на расстоянии 0,6 и 1,0 м от стенок |
|
7. Коэффициент уплотнения грунта над трубой на высоту 2 м в зоне пониженного уплотнения при насыпях высотой 8 м и более -0,85-0,90 |
То же |
|
8. Уменьшение горизонтального диаметра МГТ в период засыпки и уплотнения грунта - до3 % диаметра |
Измерительный, каж-дая труба по всей длине |
1. Надводные периодически подтопляемые откосы конусов, подходных насыпей, защитных сооружений должны быть предварительно спланированы, как правило, срезкой грунта. Подсыпка допускается при условии доведения ее плотности до проектной.
2. Подготовку из набросного материала или геотекстиля в зимний период необходимо выполнять по грунту, очищенному от снега и наледи. Полотна геотекстиля следует расстилать с опережением относительно укладки плит не более 1 сут.
3. Плитки и блоки решетки следует укладывать на откос от подошвы к гребню сооружения. Швы между плитами следует омоноличивать до затопления откоса.
4. Технические требования по укрепительным работам должны соответствовать значениям, приведенным в табл. 16.
Таблица 16
(СНиП 3.06.04-91, таблица 30)
|
Технические требования |
Предельные отклонения |
Контроль (метод, объем) |
|
1. Отклонение поверхности грунта откоса от проектного положения |
±5 см |
Измерительный, 2 замера на поперечнике с шагом, указанным в проекте |
|
2. Минимальная толщина слоев подготовки, см: |
|
Измерительный, 1 замер на 200 м2 откоса |
|
при ручной укладке - 10 |
|
|
|
при укладке механизмами - 15 |
|
|
|
3. Отклонение поверхности подготовки (ровность) от проектного |
+3 см на базе 5 м |
То же |
|
положения |
|
|
|
4. Нахлест полотен геотекстиля при стыковании - не менее 10 см |
|
Измерительный, 1 замер на 100 м поверхности откоса |
|
5. Превышение граней смежных бетонных и железобетонных плит |
Не более 10 мм |
То же |
|
6. Ширина раскрытия швов в конструкциях без омоноличивания |
Не более 10 мм (при большем раскрытии швы омоноличиваются) |
|
1. При приемке в эксплуатацию мостов и труб следует выполнять требования СНиП 3.01.04-87, а также требования настоящего раздела.
2. Все законченные строительством мосты и трубы перед приемкой в эксплуатацию должны быть обследованы в целях проверки их соответствия проекту и нормативным требованиям.
При обследовании и испытании сооружений необходимо соблюдать требования СНиП 3.06.07-86.
3. Не подвергаемые испытаниям мосты при вводе в эксплуатацию должны быть обкатаны транспортом с наиболее тяжелыми эксплуатационными нагрузками. Обкатка организуется организацией, принимающей мост в эксплуатацию. Результаты обкатки необходимо оформлять актом, составленным представителями строительной, проектной и эксплуатационной организаций.
4. Перед приемкой на мостах и подходах должны быть установлены дорожные знаки и сигналы судовой обстановки, испытаны устройства освещения, опробованы механизмы и сигнализация разборных мостов, выполнен предусмотренный проектом комплекс противопожарных мероприятий.
5. При приемке необходимо проверять: соблюдение основных габаритных требований, размеров температурных
зазоров и деформационных швов; правильность расположения опорных частей; несоосность во взаимном расположении отдельных элементов, приводящая к появлению в элементах конструкции дополнительных эксцентриситетов; соблюдение назначенных проектом уклонов.
Снижение расчетной несущей способности в отдельных частях или элементах возведенных конструкций из-за обнаруженных отклонений в их положении и размерах не должно превышать 5 %.
1. В настоящем разделе излагается порядок осуществления контроля качества и приемки гидротехнических работ при возведении морских и речных гидротехнических сооружений как на защищенных, так и на открытых акваториях в соответствии с требованиями СНиП 3.07.02-87 и СНиП 3.02.01-87.
2. Рассматриваются следующие виды гидротехнических работ: подводно-технические, дноуглубительные и намывные, возведение гидротехнических сооружений, устройство обратных засыпок пазух причальных набережных.
3. При производстве работ на судоходных участках морей и рек должен обеспечиваться безопасный пропуск судов и плавучих средств. Места производства работ должны быть оборудованы средствами навигационного ограждения.
4. Строительство гидротехнических сооружений у открытых побережий следует начинать, как правило, с возведения оградительных сооружений (волноломов, дамб) или их частей, если они предусмотрены проектом.
5. Работы со льда допускается производить при отрицательных температурах воздуха и толщине льда, не менее указанной в ППР, осуществляя ежесменный надзор за состоянием ледяного покрова и контроль качества льда.
6. Инструментальные наблюдения за деформациями(осадками, кренами, углами поворота, горизонтальными перемещениями) возводимого сооружения необходимо производить на протяжении всего процесса строительства. Прирезком появлении деформаций конструкции необходимо производить внеочередной замер. В случае деформаций, превышающих допустимые, строительные работы следует прекратить до выяснения причин их возникновения и принятия проектной организацией решения о возобновлении работ с обязательным выполнением мероприятий, исключающих деформации сооружения в дальнейшем.
В случае перерывов в строительстве наблюдения следует производить по окончании работ и перед их возобновлением.
7. Для обеспечения оперативного руководства и контроля работы используемого на строительстве флота следует организовать круглосуточную связь всех плавучих средств с береговым диспетчерским пунктом на весь период их использования.
8. Для сооружений, расположенных на акватории, при невозможности устройства береговой разбивочной основы, пункты геодезической разбивочной основы следует закреплять знаками в виде свай или разбивочных массивов с марками. Отметки верха разбивочных знаков должны быть выше максимального горизонта воды не менее, чем на 50 см.
9. При выполнении детальных разбивок перед началом работ должны быть закреплены следующие линии для:
- устройства котлованов - оси сооружения или котлована и границы прорези;
- устройства каменной постели - ось постели и ее бровки;
- установки массивов - фасадная нижняя линия первого курса массивов (боевая линия) и фасадная верхняя линия последнего курса;
- наброски из массивов и устройства каменной призмы - осевая линия, бровки наброски или призмы, фасадные линии установки бордюрных массивов;
- устройства подводной стенки - фасадные нижняя и верхняя линии стенки;
- отдельных опор сооружения и голов оградительных сооружений - оси опор и стороны периметра на уровне подошвы;
- свайных оснований - оси продольных и поперечных рядов свай, кустов, козел;
- устройства берегового откоса - бровки откоса, бермы и линии изменения уклонов откоса;
- установки массивов-гигантов - верхняя фасадная линия;
- верхнего строения сооружения - оси основных элементов;
- установки швартовых тумб - линии центров тумб и их поперечные осевые линии.
Все указанные линии детальных разбивок должны быть привязаны к основным разбивочным осям.
Положение подводных разбивочных знаков следует определять по линиям надводной разбивки, снесенным под воду.
10. Положение разбивочных линий и реперов в плане, а также правильность высотного положения знаков разбивки следует проверять не реже одного раза в месяц. Знаки, установленные на акватории, необходимо проверять после каждого шторма, навала судна и т. п.
1. К подводно-техническим работам относятся: обследование дна акватории и подводных частей сооружений;
расчистка дна, подводные земляные и скальные работы; сварка и резка металлов под водой; равнение подводных оснований (постелей) из камня, щебня и песка; возведение подводной части сооружений из массивов-гигантов, обыкновенных и фасонных массивов, ряжей, оболочек большого диаметра; монтаж подводных элементов сборных конструкций и устройство свайных оснований; подводное бетонирование; разборка подводных элементов сооружений и др.
2. Подводно-технические работы производятся с помощью плавучих и береговых водолазных станций в соответствии с «Едиными правилами безопасности труда на водолазных работах», ГОСТ 12.3.012-77 и ГОСТ 12.2.035-78.
Число водолазных станций, необходимое оборудование и инструмент, количество необходимых материалов устанавливаются в проекте организации строительства в соответствии с объемом водолазных работ и уточняются в ППР.
3. Считаются нормальными условия для выполнения подводно-технических работ, когда скорость течения воды до 0,5 м/сек, волнение не более 2 баллов, глубина до 12 м, видимость под водой не менее 5 м, температура воздуха выше 0°С.
4. Общее руководство водолазными подводно-техническими работами осуществляет производитель работ, хорошо знакомый с правилами техники безопасности водолазных работ. Непосредственно работой водолазов руководит старшина водолазной станции.
5. Водолазно-обследовательские работы производятся в соответствии с программой, выдаваемой заказчиком и согласованной с подрядчиком и проектной организацией.
6. Подводное обследование дна при глубинах до 7 м выполняется при помощи мягкого трала, буксируемого двумя моторными или гребными плавсредствами по створам. Обследование при помощи трала выполняется последовательными полосами шириной 20-25 м. Каждая последующая полоса обследования должна перекрывать предыдущую на 5 м.
Обследование дна при глубинах свыше 7 м выполняется путем обхода его водолазами по ходовому тросу, предварительно укладываемому на дно по заданным створам. Протяжённость одного хода (длина ходового троса) не должна превышать 60 м, а расстояние между параллельными ходами не должно превышать двух радиусов видимости под водой.
При ширине обследуемой полосы дна у сооружения до 40 м ходовой трос располагается параллельно сооружению, более 40 м - перпендикулярно линии кордона или оси сооружения.
При осмотре дна водолаз берет пробы и зондирует грунт металлическим щупом. Порядок взятия проб и зондирование грунта устанавливает руководитель работ. Обнаруженные на дне предметы отмечаются вехами или буями.
7. При обследовании подводных частей существующих сооружений, а также в ходе контроля за возведением сооружений под водой должны использоваться телевизионные установки и водолазы. Водолазы привлекаются для выявления обстоятельств, которые не могут быть установлены при помощи телевидения.
В случае отсутствия телевизионных установок обследование производится водолазами. Результаты обследования, выполненного одним водолазом, должны быть выборочно проверены и подтверждены другим водолазом. В случае несовпадения результатов двух обследований проверка и уточнение данных должны быть выполнены водолазным специалистом.
Перед обследованием сооружения для облегчения ориентировки водолаза под водой разбивают пикетаж. Пикеты с помощью мерительного троса переносят под воду; на тросе укрепляют бирку с указанием пикета.
8. При подводных обследованиях, выполняемых водолазами, должна применяться подводная фото- и киносъемка. Данные обследования вносятся в журнал работ и оформляются подписями водолаза и руководителя водолазных работ.
9. Результаты водолазного обследования должны оформляться актом с приложением к нему схем, зарисовок, выполненных водолазами, записей разъяснений водолазов, а также кадров фото- и киносъемок. О приложенных к актупервичных материалах делается запись в журнале работ.
10. Расчистка дна акватории от затонувших предметов производится при помощи водолазных станций с привлечением необходимых плавучих технических средств. Методы разделки затонувших предметов, извлечения их со дна и транспортирования за пределы рабочей зоны устанавливаются в проекте организации строительства и уточняются в ППР.
11. Подводные земляные работы в нескальных грунтах должны выполняться дноуглубительными снарядами, плавучими снарядами гидромеханизации, канатно-скреперными установками и подводными бульдозерами.
Выполнение работ водолазами допускается в тех случаях, когда применение вышеуказанных средств невозможно или неэффективно. В этих случаях работы производятся с помощью оборудования с ручным управлением (гидромониторы, грунтососы). При этом объем работ не должен составлять более 2000 м3 грунта на одном сооружении.
Подводная разработка разрыхленных скальных грунтов должна выполняться одночерпаковыми и много черпаковыми дноуглубительными снарядами.
12. Скальные грунты разрыхляют с помощью плавучих скалодробильных снарядов или подводными взрывами.
Разработка скального грунта с помощью пневматических отбойных молотков допускается только при соответствующем обосновании в ПОС.
13. Буровзрывные работы под водой должны выполняться в соответствии с требованиями, приведенными в разделе «Буровзрывные работы», часть II, настоящего Руководства.
14. При производстве подводных взрывных работ должно быть обязательно получено разрешение на их производство от организаций, осуществляющих контроль за охраной окружающей среды.
15. Перед началом ответственных подводных сварочных работ рекомендуется проверять квалификацию водолазов-сварщиков испытанием в лаборатории образцов, сваренных ими под водой.
При сварке в условиях плохой видимости следует применять источники света, позволяющие водолазу видеть шов при обрывке дуги.
Сварку встык под водой (если это возможно) следует заменять сваркой внахлестку. При сварке внахлестку при плохой видимости кромка листа служит для водолаза-сварщика направляющей. Для соединения внахлестку листы толщиной до 8 мм достаточно сваривать одним швом, более 8 мм - шов должен состоять из двух и более слоев.
16. Проверка качества подводной сварки, как правило, ограничивается внешним осмотром. В некоторых случаях(при сварке трубопроводов) сварное соединение испытывается на газо- или водонепроницаемость опрессовкой.
Качество подводной сварки должен проверять водолазный специалист или опытный водолаз-сварщик, не принимавший участия в проводимых работах. При контрольной проверке следует учитывать, что наиболее распространенными дефектами, обнаруживаемыми визуально или на ощупь, являются пропуски, смещения швов и подрезы. Все дефекты должны быть устранены.
17. Электродуговую резку допускается применять в исключительных случаях при разделке металла толщиной до30 мм.
Резать металлические конструкции при глубинах до 100 м рекомендуется электрокислородным способом (до 30 м - возможно газокислородным способом).
При плохой видимости место работ освещается, а рез с обратной стороны подсвечивается другим светильником.
Для облегчения резки и достижения правильного направления реза должны использоваться направляющие в виде деревянных брусков, планок, шаблонов соответствующей формы, закрепляемых вдоль линии реза. При резке стального шпунта в поперечном направлении особое внимание уделяется перерезанию замковых соединений, где контроль за резом усложняется.
18. Качество подводной резки (отсуствие пропусков) проверяют внешним осмотром, при возможности подсвечивая линию реза подводным светильником. Непрерывность реза проверяется также щупом из толстой проволоки, ножовочным полотном и т. п.
19. При необходимости проверка качества подводных сварки и резки может осуществляться с помощью подводной телевизионной установки.
20. Перед устройством подводных оснований (постелей)поверхность грунта, служащая основанием постели, должна быть обследована и очищена от ила и поверхностных рыхлых отложений, если их толщина превышает 0,3 м.
21. Разбивка постели производится непосредственно перед началом отсыпки камня (щебня, песка) с закреплением ее границ (бровок) буями или вехами. Положение разбивочных буев (вех) должно проверяться ежедневно.
22. Постель из каменной наброски должна выполняться из рваного камня массой 15-100 кг. Применение окатанного камня взамен рваного допускается только по согласованию с проектной организацией.
23. При расположении верха постели на глубине 4 ми более от уровня воды камень (щебень, песок) отсыпается при помощи саморазгружающихся шаланд (барж). Конкретное место разгрузки каждого прибывающего судна должно уточняться промерами и обозначаться временными буйками.
Для более точной постановки судов под разгрузку рекомендуется устанавливать на месте отсыпки промерный понтон на якорях, к которому швартуются прибывающие суда и с которого постоянно ведутся промеры.
На глубине меньше 4 м постель должна отсыпаться плавкраном, оборудованным грейферным ковшом, или из контейнеров, доставляемых к крану плавучими транспортными средствами.
24. При толщине постели более 2 м отсыпку ведут в 2 яруса. Нижний ярус отсыпается саморазгружающимися шаландами (баржами), верхний - плавкранами с грейферными ковшами или из контейнеров. При толщине постели до 2 м отсыпка производится плавкранами.
25. Камень (щебень, песок) отсыпается с учетом установленных проектом и проверенных в необходимых случаях на опытных участках запасов на осадку постелей и на погружение материала в грунт.
26. При вынужденных перерывах в отсыпке перед возобновлением работ должен быть удален отложившийся на поверхности отсыпки слой рыхлых отложений.
27. Контроль отсыпок камня (щебня, песка) должен выполняться при помощи футштока не реже двух раз в смену и не реже одного раза в сутки - водолазом. Результаты проверки заносятся в журнал работ.
Допускаемая величина отклонений при отсыпке от проектной отметки ±300 мм.
28. Ровнение постели следует начинать сразу после отсыпки до полного проектного профиля одного из участков длиной не менее 25 м. Перед началом ровнения производится водолазное или телевизионное обследование отсыпанных участков.
Ровнение должно выполняться со степенью точности, установленной в проекте сооружения. Вид ровнения характеризуется следующими допускаемыми величинами отклонений ровняемой поверхности от проектной: грубое ±200 мм, тщательное ±80 мм, весьма тщательное ±30 мм.
29. Ровнение горизонтальных площадей следует производить, как правило, с помощью механических подводных планировщиков.
При небольших объемах работ ровнение постелей производится водолазами с помощью средств малой механизации (металлическая рама с винтовыми домкратами, направляющие рейки с перемещением по ним контрольной рейки длиной 5-6 м).
30. При грубом ровнении постели водолазами снимаются отдельные бугры и заполняются ямы. При тщательном и весьма тщательном ровнении применение мелкого камня или щебня допускается только для заполнения отдельных неровностей. Выравнивание поверхности сплошным слоем мелкого камня или щебня не допускается.
31. Уплотнение постелей производится только после их грубого ровнения. При самоуплотнении отсыпанная постель выдерживается в течение осенне-зимнего штормовогосезона. Уплотнение постели статической огрузкой должно производиться в соответствии с проектом. Осадка огружен-ной кладки из обыкновенных бетонных массивов должна проверяться геодезическими инструментами. Сроки проверки устанавливаются проектом в зависимости от грунтовых условий.
Уплотнение постели при помощи механического плавучего виброуплотнителя выполняется слоями толщиной 2-4 м. Уплотнение постели механическими трамбовками допускается слоями толщиной до 1 м. Масса трамбовки, высота ее сбрасывания и количество ударов определяются на опытных участках.
Результаты уплотнения постелей должны оформляться актом.
32. После уплотнения постелей производится окончательное ровнение поверхностей согласно проекту сооружения.
Точность ровнения постели проверяется с помощью нивелира и штанги-рейки, а также осмотром выровненной поверхности техническим персоналом, обученным водолазному делу. Нивелирование производится при отсутствии волнения моря. Законченное тщательное и весьма тщательное ровнение участка проверяется нивелиром по сетке 2´2 м. На участках грубого ровнения допускается проверка промерами футштоком, имеющим в основании металлический диск диаметром не менее 300 мм, по сетке 2´2 м. Применение лота не допускается.
33. По окончании работ, после устранения возможных дефектов и приемки постели, ее фактические профили наносятся на исполнительные чертежи.
34. При приемке постелей дополнительно к указанным выше документам должна предъявляться следующая документация: исполнительные планы принимаемых участков; поперечные и продольные профили постели и результаты наблюдений за осадками (журнал наблюдений); данные о фактической пустотности наброски; контрольные промеры после окончательного ровнения; журналы работ.
Окончательная приемка основания (постели) должна производиться непосредственно перед монтажом элементов подводной части гидротехнического сооружения.
35. Подводное бетонирование должно производиться методом, предусмотренным в ППР (вертикально перемещающейся трубы или восходящего раствора).
36. Готовность каждого блока к бетонированию проверяется водолазным обследованием и подтверждается актом освидетельствования скрытых работ.
37. Во время укладки бетонной смеси водолаз, находясь снаружи бетонируемого блока, систематически контролирует состояние опалубки и следит за появлением цементного раствора из стыков и щелей.
38. Уровень бетонирования, вследствие размыва верхнего слоя бетонной смеси, устанавливается на 2% выше высоты бетонируемой конструкции, но не менее 100 мм. Верхний размытый слой удаляется по достижении бетоном прочности 2,0-2,5 МПа.
1. Правила настоящего подраздела распространяются на устройство земляных сооружений, оснований под застройку способом намыва и дноуглубительные работы с использованием плавучих черпаковых и землесосных (рефулерных) снарядов в соответствии с требованиями СНиП 3.02.01-87.
2. Перед началом дноуглубительных работ надлежит проверять:
- соответствие фактических глубин принятым в проекте (предварительные промеры);
- правильность разбивки в натуре базиса и границ черпания выемки с выделением рабочих прорезей, а такжеправильность установки створных знаков, вех, буев;
- устройство навигационного ограждения судового хода для движения грунтовозных и вспомогательных судовк местам производства работ.
3. В ходе работ через каждые 2-4 часа контролируется глубина разработки прорези у места забора грунта, посередине корпуса земснаряда и у кормы.
Кроме того, систематически проверяются: производительность земснаряда; состояние створных знаков, плавучей обстановки и водомерных реек; характеристика разрабатываемого грунта (по пробам); ширина рабочей прорези по контрольным замерам между нижними бровками выемки.
Качество работ (состояние фактических глубин и ширина прорези) контролируется по планшетам контрольных промеров, выполняемых не реже одного раза в 10 дней, а также месячным исполнительным промерам участков работ. Контрольные пробы отбираются для определения физико-механических свойств и группы грунта в начале работы и при каждом переходе земснаряда на участки с другими грунтами. Места, на которых были взяты пробы грунта, отмечаются на исполнительном плане выемки, а время отбора и характеристика проб - в судовом журнале.
4. Выполненные работы принимаются заказчиком в присутствии генподрядчика и представителей земкаравана.
5. Если продолжительность работы на объекте превышает 1 месяц, дноуглубительные работы принимают ежемесячно на основании исполнительных промеров. При этом сетка исполнительных промеров должна соответствовать сетке предварительных промеров.
В районах с интенсивной заносимостью (более 10 см в месяц) приемка работ и исполнительные промеры осуществляются участками длиной 100 м.
Откосы прорезей принимаются естественно сложившимися к моменту исполнительных промеров. Планировка откосов подводных выемок земснарядами не производится.
6. Недоборы по глубине и ширине проектной выемки не допускаются. Предельные переборы не должны превышать величин, указанных в табл. 1.
Таблица 1
(СНиП 3.02.01-87, таблица 14)
|
Тип дноуглубительного снаряда |
Предельный перебор по глубине, м |
|
Многочерпаковый производительностью до 500 м3/ч |
0,2 |
|
Одночерпаковый штанговый или грейферный производительностью до 300 м/ч |
0,5 |
|
Землесосный папильонажный |
0,4 |
|
Самоотвозный землесосный при разработке грунтов: |
|
|
- рыхлых |
0,5 |
|
- пластичных (глин, суглинков) и плотных песчано-гравелистых |
0,7 |
7. При приемке дноуглубительных работ предъявляется следующая документация:
- акты разбивки сооружения и водолазного обследования дна, акты контрольных промеров глубин, рабочийжурнал земснаряда (выписки из судового журнала);
- план выемки с нанесением границ сдаваемого участка, проектных и фактических отметок подошвы выемки,координат основных точек границ сдаваемого участка и линий разбивки выемки, привязываемых к основным линиям сооружения;
- исполнительные поперечные профили выемки;
- характеристика грунтов в основании и сопоставление их с проектными характеристиками;
- акт приемки дноуглубительных работ.
8. Намывные работы производятся, как правило, в едином комплекте с дноуглубительными работами. Технология намывных работ должна соответствовать специальным указаниям в проектах организации строительства и производства работ.
9. При проведении намывных работ необходимо вдоль границ намываемых сооружений устраивать канавы для отвода фильтрационной воды и осуществлять другие мероприятия для предотвращения заболачивания окружающей территории.
10. Подготовка оснований перед намывом производится строго по проекту. Перед намывом сооружения его основание должно быть освидетельствовано с составлением акта.
После выполнения подготовительных работ и приемки основания производятся предварительные промеры в месте разработки грунта и нивелировка намываемого участка через каждые 20 м для дальнейшего определения выполненных объемов работ.
11. Намыв сооружений из мелкозернистых, плохо фильтрующих грунтов следует вести на две и более карты поочередно для лучшего обезвоживания намываемых грунтов за счет фильтрации на свободной карте. Сооружения из крупнозернистых, хорошо фильтрующих грунтов намываются на одну карту.
Протяженность карты намыва устанавливается в зависимости от размеров возводимого сооружения, гранулометрического состава грунтов, производительности земснаряда и условий сброса осветленной воды и колеблется в пределах от 100 до 400 м.
12. Контроль за намываемым сооружением должен осуществляться в соответствии с геотехническим паспортом, разрабатываемым проектной организацией для данного сооружения.
13. Отметки горизонта воды в прудке следует фиксировать в журнале работ по заранее установленным рейка мне реже одного раза в смену. Одновременно проверяются уклоны наружных откосов как подводной, так и надводной части намываемого сооружения.
14. Крутизна формируемых откосов для различных грунтов должна быть:
- для крупных песков - не круче 1:2;
- для средней крупности песков - 1:2,5;
- для мелких песков -1:3.
15. Превышение грунта над водной поверхностью при намыве подводных частей сооружений и на заболоченных или затопленных территориях в створе устройства обвалования должно быть не менее, м:
- для гравийных грунтов - 0,5;
- для песчано-гравийных - 0,7;
- для песков крупных и средней крупности - 1,0;
- для более мелких песков - 1,5.
16. При операционном контроле в процессе возведения намывных сооружений подлежат определению гранулометрический состав и плотность сухого грунта, а также коэффициент фильтрации и число пластичности глинистыхи пылеватых грунтов (при соответствующем указании в проекте).
При контроле одна проба на гранулометрический состав и плотность должна отбираться на 2-2,5 тыс. м3 намытого грунта, для определения коэффициента фильтрации и числа пластичности - на 10-20 тыс. м3.
17. Объем разрабатываемого грунта следует устанавливать с учетом запаса на его уплотнение. Запас по высотенасыпи должен быть:
- 1,5 % высоты при намыве из супесчаных и суглинистых грунтов;
- 0,75 % высоты при намыве из песчаных и песчано-гравелистых грунтов.
18. При производстве намывных работ состав контролируемых показателей, предельные отклонения, объем иметоды контроля должны соответствовать требованиям табл- 2.
Таблица 2
(СНиП 3.03.01-87, таблица 13)
|
Технические требования |
Предельные отклонения |
Контроль (метод и объем) |
|
|
1. Профиль намывного сооружения |
Недомыв по высоте, ширине и откосам не допускается. |
Технический осмотр не реже одного раза в7 дней и измерительный после намыва каждой карты, но не реже одного раза в месяц (по контрольным поперечникам через50-100 м). |
|
|
Средняя высота перемыва - не более 01 м |
|||
|
Точность замеров надводных частей ±5 см, подводных ±10 см. |
|
||
|
2. Отметки поверхности при намыве территорий и оснований под за стройку |
На отдельных участках минус 0,2 м, +0,3 м |
Измерительный после окончания намыва участка, но не реже одного раза в месяц (по сетке 25 ´ 25, 50 ´ 50 или 100 ´ 100 м). |
|
19. Сооружения принимаются на основании натурного обследования, рассмотрения технической и исполнительной документации и контрольных исследований.
20. Приемка намывных работ должна сопровождаться исполнительными промерами в местах забора грунта и нивелировкой поверхности намытых участков сооружения. Сетка исполнительных промеров и нивелировка должны соответствовать сетке предварительных замеров.
Исполнительные промеры и нивелировка производятся не позднее, чем через 10 дней после окончания работ по всему сооружению или его части.
1. Отсыпка камня в сооружение производится после выполнения подготовительных работ (геодезическая разбивка и привязка основных осей, обследование дна акватории и др.).
2. Возведение сооружений из природного камня (либо применение камня в качестве балластных засыпок, а также при устройстве постелей) осуществляется при строгом контроле таких технических параметров камня, как крупность, морозостойкость, плотность, прочность и др., указанных в проекте.
3. Операционный контроль качества работ при отсыпке сооружения следует вести в соответствии с требованиями пп. 21-34 подраздела «Подводно-технические работы», часть II, настоящего Руководства.
4. Защита откосов сооружения осуществляется путем отсыпки (укладки) крупного камня, обыкновенных и фигурных массивов с отставанием по фронту работ не более 25 м.
Подводные откосы укрепляют путем наброски, а надводные - путем укладки отдельных камней (элементов) сначала во внешнюю (морскую), а затем во внутреннюю часть профиля. Готовность сооружения к устройству защиты фиксируется актом освидетельствования скрытых работ.
5. Допуски отклонений размеров сооружений должны соответствовать значениям, приведенным в табл. 3.
Таблица 3
(СНиП 3.07.02-87, таблица 3)
|
Технические требования |
Предельные отклонения |
Контроль (метод, объем) |
|
1. Отклонения отметок поверхности отсыпки после ровнения: - каменных постелей под гравитационными стенками |
±30 мм |
Нивелирование по сетке 2 ´ 2 м100 % поверхности, |
|
- берм и откосов, покрываемых защитными массивами; постелей под анкерные плиты, бордюрные массивы; берм оградительных сооружений при отсутствии защитных массивов в полосе 1 м от стенки |
±80 мм |
|
|
- постелей под наброску из массивов; берм и откосов постели при отсутствии защитных массивов |
±200 |
Промеры футштоком по сетке 2 х 2 м, 100% поверхности |
|
2. Уменьшение крутизны откоса каменных оградительных сооружений: |
|
|
|
- для подводного откоса с внешней стороны |
7% |
То же |
|
- то же со стороны акватории |
5% |
|
|
- для надводного откоса с внешней стороны |
5% |
|
|
- то же со стороны акватории |
3% |
|
|
3. Увеличение крутизны откоса каменных оградительных сооружений |
Не допускается |
» |
6. В случае обнаружения осадки профиля производится досыпка с обязательным составлением акта.
7. Приемка работ по устройству сооружения осуществляется с обязательным оформлением следующей документации:
- акта геодезической разбивки сооружения;
- акта освидетельствования дна акватории;
- исполнительной схемы продольных и поперечных профилей сооружения;
- журнала работ;
- журнала наблюдений за осадками;
- актов освидетельствования промежуточных этапов отсыпки;
- паспортов на камень, на массивы.
1. Укладка массивов в сооружение производится после достижения бетоном прочности не менее 70 % от проектной.
2. На каждый изготовленный массив составляется паспорт с указанием номера массива, даты изготовления, класса бетона.
3. Перед укладкой первого курса массивов в правильную массивную кладку должны быть выполнены подготовительные и разбивочные работы (осмотр постели, закрепление фасадной (боевой) линии и др.).
4. Первый массив укладывают в начале сооружения либо у осадочного шва, а первый массив опоры (головы) сооружения укладывают на углу опоры (головы).
5. При укладке массивов первого курса особенно тщательно проверяется положение каждого массива в плане (по вертикальным граням массива) и по высоте (по отметкам четырех углов каждого массива).
6. Второй и последующий курсы массивов укладывают после затухания осадок массивов в соответствии с рабочими чертежами и ППР. Ориентиром расположения массивов являются нижележащие курсы массивов.
7. Качество возведения сооружений из массивов и методы его контроля должны соответствовать требованиям, приведенным в табл. 4.
Таблица 4
(СНиП 3.07.02-87, таблица 5)
|
Технические требования |
Предельные отклонения |
Контроль (метод, объем) |
|
При кладке аз обыкновенных к фасонных массивов |
|
|
|
1. Смещение от фасадной линии массивов первого курса |
±20 мм |
Геодезический контроль, водолазное обследование, каждый массив при укладке и после отгрузки |
|
2. Уступы в плане между соседними массивами по внешним поверхностям курса: |
|
То же |
|
- для первого курса кладки |
20 мм |
|
|
- для остальных курсов кладки |
30 мм |
|
|
3. Наибольшая разность отметок поверхностей массивов одного курса в пределах секции: |
|
То же |
|
- для первого курса кладки |
|
|
|
- для остальных курсов кладки |
|
|
|
4. Ширина шва между массивами при кладке из массивов: |
|
То же |
|
- обыкновенных |
|
|
|
- пустотелых |
|
|
|
5. Смещение вертикальных швов в курсе |
150 мм |
То же |
|
6. Увеличение или уменьшение наклона стенки |
|
То же |
|
При наброске бетонных массивов |
|
|
|
7. Смещение бортовых Массивов от проектной линии укладки |
±250 мм |
Водолазное обследование, каждый массив |
|
8. Превышение фактической площади сечения (профиля) |
5 % |
Нивелирование или промеры футштоком через 5 м вдоль оси сооружения и через 3 м по поперечному профилю |
|
9. Отметка верха наброски Примечания: 1. В поз. 3-4 введена в виде дроби, в которой моменту укладки массивов, под ч 2. Для кладки из пустотелых масс предельных отклонений под чертой |
+10 мм (меньше проектной не допускается) яичина пределы величина над чертой – периоду и вов по поз. 3 п |
Нивелирование или промеры футштоком через 5 м вдоль оси сооружения и через 3 м по поперечному профилю отклонений при чертой соответствует после отгрузки. Принимается величина |
8. Приемка правильной кладки из массивов производится с обязательным оформлением следующей документации:
- журнала работ;
- журнала операций с массивами;
- паспортов на массивы;
- актов освидетельствования приемки постели;
- акта геодезической разбивки осей сооружения;
- исполнительной схемы по каждому курсу массивов с указанием осадок.
1. Способ изготовления массивов-гигантов принимается на основании технико-экономического обоснования, приведенного в ПОС.
На каждый изготовленный массив составляется паспорт.
2. При наружном осмотре и обмере массива – гиганта допустимые отклонения от проектных размеров не должны превышать следующих величин:
- габаритные размеры по длине, ширине и высоте ±20 мм;
- размеры ячеек в плане ±40 мм;
- отклонения плоскостей и линий пересечения от вертикали:
-на 1 м ±5 мм
- на всю высоту ±15 мм (при бетонировании в щитовой опалубке); ±40 мм (при бетонировании в подвижной опалубке);
- местные отклонения верхних кромок от горизонтальной плоскости - ±10 мм.
3. Спуск массива-гиганта на воду допускается после набора прочности бетоном -не менее 70% от проектной, испытания его на водонепроницаемость (отсутствие течей), оснащения отбойными и швартовыми устройствами, разметки разбивочных линий, шкалы осадок, устройства защитного настила (палубы) с перильным ограждением.
4. Буксировку массивов-гигантов производят при помощи буксиров. При расстоянии буксировки до 5 км ив закрытых либо стесненных бухтах буксировку целесообразно производить под бортом (бортами) буксира, а при волнении более 2 баллов и на расстоянии свыше 5 км буксировку производят на буксирном конце.
5. Массивы-гиганты, не имеющие собственной плавучести, буксируют на плаву при помощи понтонов. Способ крепления понтонов определяется ППР.
Буксировочные катера должны иметь соответствующие средства для откачивания (закачивания) воды в отсеки, а также воздуха в понтоны.
6. Установку массивов-гигантов в проектное положение допускается производить после водолазного обследования постели непосредственно перед установкой.
7. Регулировку положения массива-гиганта в плане над местом погружения его под воду производят при помощи ручных лебедок, закрепленных на верхней палубе по углам. Канаты двух носовых лебедок соединяют с ранее установленным массивом-гигантом, а двух кормовых -с якорями.
8. Погружение массива-гиганта под воду производят путем равномерной балластировки его водой (грунтом) после выверки нагруженных граней и осевых вешек по проектным створам.
9. После полного погружения массива-гиганта на постель производят обследование его подводной части и особенно тщательно - прилегание днища массива-гиганта к постели.
10. Допустимые отклонения при установке массива-гиганта в проектное положение, а также методы их контроля должны соответствовать требованиям, приведенным в табл. 5.
Таблица 5
(СНиП 3.07.02-87, таблица б)
|
Технические требования |
Предельные отклонения, мм |
Контроль (метод, объем) |
|
1. Отклонение от фасадного створа |
±50 |
Геодезический контроль по четырем углам массива, водолазное обследование, каждый массив-гигант |
|
2. Ширина зазоров между торцами соседних массивов-гигантов |
±50 |
То же |
|
3. Зазор между днищем массива-гиганта и поверхностью постели |
50 |
» |
11. Если требуемые допуски не выдержаны, массив-гигант поднимают путем откачивания воды (накачивания понтонов), отводят в сторону, исправляют недостатки и повторяют погружение массива-гиганта.
12. Правильно установленный массив-гигант равномерно балластируется грунтом в полном объеме (по проекту) в течение не более 2-х суток. Очередной массив-гигант допускается устанавливать только после балластировки предыдущего.
13. После установки массива-гиганта на постель должен быть организован контроль его осадки путем периодической нивелировки по меркам, установленным в углах массива.
Первую нивелировку следует производить немедленно после установки массива на постель, вторую - после его загрузки.
14. При приемке установленного массива-гиганта оформляется следующая документация:
- журнал работ;
- паспорта на массив-гигант, грунт заполнения отсеков;
- акт геодезической разбивки осей сооружения;
- акт обследования дна акватории;
- акт освидетельствования скрытых работ при устройстве постели;
- исполнительная схема на установку массива-гиганта;
- график осадок массива-гиганта.
1. Оболочки большого диаметра (ОБД) могут изготавливаться как железобетонными (монолитными, сборными),так и металлическими.
2. Допустимые отклонения размеров оболочек не должны превышать следующих величин, мм:
- по диаметру окружности - ±20;
- по высоте звеньев - ±20;
- по толщине верхнего торца стенки - ±10;
- отклонение поверхности звена от вертикали - ±25(при высоте 6 м).
Проверяется каждое звено оболочки.
3. Транспортировка (буксировка) ОБД осуществляется при помощи плавсредств либо понтонов, закрепляемых во внутренней полости ОБД.
4. При отсутствии собственной плавучести ОБД транспортируют на палубе плавкрана или понтона, либо на гаке плавкрана. В ППР должны быть определены требуемые мореходные параметры плавсредств и грузоподъемность плавкрана.
5. Транспортировка ОБД допускается при волнении не более 3 баллов, а на гаке плавкрана - не более 1 балла.
6. Установка ОБД в проектное положение осуществляется по геодезическим осевым и боковым створам в соответствии с ППР.
7. Для обеспечения проектного зазора между оболочками на ранее установленную ОБД навешивают мягкие кранцы - шаблоны, к которым вплотную подводят устанавливаемую ОБД.
8. Внутреннюю полость каждого звена оболочки надлежит заполнять на полную высоту немедленно после его установки. Перед началом заполнения следует обеспечить грунтонепроницаемость оболочек, для чего необходимо устроить предусмотренные проектом фильтры и закрыть монтажные отверстия.
9. Материалы засыпки и способы ее укладки, уплотнения должны соответствовать требованиям проекта, а также следующим условиям:
- заполнение оболочек скальным грунтом следует производить способом, не допускающим повреждения защитного слоя;
- работы по заполнению оболочек надлежит производить круглосуточно;
- не разрешается установка следующей оболочки до окончания засыпки ранее установленной;
- поверхность слоев засыпки до установки виброуплотнителя выровнять с точностью не менее ±8 см;
- после уплотнения каждого слоя засыпки водолазным обследованием установить отсутствие повреждений оболочки;
- в процессе виброуплотнения должен вестись геодезический контроль за осадкой оболочек и уплотнением каждого слоя грунта, выполняемый с помощью нивелира и фиксируемый в журнале работ.
10. Отклонения фактического положения оболочки от проектного и методы контроля должны соответствовать требованиям, приведенным в табл. 6.
Таблица 6
(СНиП 3.07.02-87, таблица 7)
|
Технические требования |
Предельные отклонения, мм |
Контроль (метод, объем) |
|
1. Отклонение поверхности оболочек от фасадной линии |
±50 |
Нивелирование, измерения, водолазное обследование, каждая оболочка |
|
2. Отклонение отметки верха оболочек |
±100 |
То же |
|
3. Отклонение в расстоянии между оболочками |
±50 |
» |
|
4. Сдвиг в плане верхнего звена относительно нижнего |
+40 |
|
|
5. Зазоры между верхним и нижним звеном |
5 |
|
1. Конструкции уголкового Типа с внутренней анкеровкой либо с контрфорсом должны устанавливаться в проектное положение после предварительной укрупненной сборки их на берегу.
Конструкции уголкового типа с внешней анкеровкой устанавливаются в проектное положение из отдельных элементов.
2. Укрупнительная сборка блока с контрфорсом должна выполняться на монтажной площадке при помощи кондуктора - кантователя. Установка контрфорсных блоков в проектное положение допускается после набора бетоном прочности в стыках не менее 100% от проектной.
3. Подводные постели под конструкции уголкового типа из сборных железобетонных элементов должны быть обследованы водолазами до установки бетонных элементов.
4. Установку укрупненных блоков после проверки их соответствия проекту с составлением акта промежуточной приемки следует производить плавучим краном с помощью жесткой металлической траверсы, а посадку их на постель осуществлять под наблюдением водолазов.
В процессе установки блоков должны контролироваться с помощью геодезических инструментов правильность положения конструкции относительно линии кордона и соответствие проекту отметки верха фундаментной плиты не менее, чем в двух точках.
5. Монтаж конструкций уголкового типа из отдельных элементов выполняется в следующей последовательности:
- монтаж фундаментной плиты на подготовленную постель;
- монтаж анкерных плит (погружение свай);
- подготовка к монтажу анкерных тяг;
- установка временных якорей (массивов);
- монтаж лицевой панели с временным раскреплением ее к якорю (массиву);
- монтаж анкерных тяг;
- герметизация стыков между лицевыми панелями;
- засыпка пазухи грунтом.
6. При монтаже укрупненных блоков, а также фундаментных плит следует обратить внимание на плотность и равномерность прилегания их к постели. При наличии зазоров более 50 мм между плитой и поверхностью постели следует произвести подъем и устранить дефекты постели.
7. Допустимые отклонения от проектного положения пространственных блоков и методы контроля должны соответствовать требованиям, приведенным в табл. 7.
Таблица 7
(СНиП 3.07.02-87, таблица 8)
|
Технические требования |
Предельные отклонения |
Контроль (метод, объем) |
|
1. Положение верхнего фасадного ребра лицевой плиты |
±20 мм |
Геодезический контроль, измерения не менее, чем в двух точках на блок, водолазное обследование |
|
2. Ширина шва между торцами лицевых плит смежных блоков |
±20 мм |
То же |
|
3. Плоскость лицевой плиты: |
|
» |
|
- по нормали к линии кордона |
0,5о |
|
|
- к вертикали |
0,25 о |
|
|
4. Отметка верха лицевой плиты |
±20 мм |
» |
|
5. Наибольшая разница между отметками верха смежных лицевых плит |
30 мм |
» |
|
6. Максимальный зазор между фундаментной плитой и поверхностью постели |
30 мм |
» |
8. Допустимые отклонения от проектного положения уголковой стенки с внешней анкеровкой должны соответствовать требованиям, приведенным в табл. 8.
Таблица 8
(СНиП 3.07.02-87, таблица 8)
|
Технические требования |
Предельные отклонения |
Контроль (метод, объем) |
|
1. Фасадная грань фундаментной плиты от линии кордона |
±20 мм |
Геодезический контроль, измерения, водолазные обследования, каждый монтируемый участок |
|
2. Ширина шва между смежными фундаментными плитами |
±20 мм |
То же |
|
3. Отметка верха фундаментной плиты |
±20 мм |
» |
|
4. Величина зазоров между лицевыми плитами |
±10 мм |
|
|
5. Разность отметок верха фундаментных плит в секции между: |
|
То же |
|
- смежными фундаментами |
30 мм |
|
|
- самой высокой и низкой плитами |
40 мм |
|
|
6. Уступы между поверхностью смежных лицевых плит |
5 мм |
» |
|
7. Отклонение анкерной плиты от вертикали |
1 % |
» |
|
То же в плане |
±30 мм |
» |
|
8. Отметка верха анкерной плиты |
±50 мм |
» |
1. Железобетонные сваи квадратного сечения предварительно напряженные и ненапряженные, а также полые сваи и сваи-оболочки должны изготавливаться, как правило, на специализированных предприятиях железобетонных конструкций согласно требованиям ГОСТ.
Деревянные сваи следует изготавливать из лесоматериалов I сорта, которые перед изготовлением из них свай должны быть освидетельствованы комиссией с участием представителей заказчика.
Стальные трубчатые свайные элементы не должны иметь вмятин и трещин.
2. При устройстве свайных оснований причальных эстакад следует соблюдать требования раздела «Свайные работы», часть I, настоящего Руководства.
3. Железобетонные цилиндрические сваи-оболочки из отдельных звеньев, как правило, следует собирать на монтажной площадке в зоне действий монтажного крана. Состыкованная на полную длину свая-оболочка должна быть размечена по длине, замаркирована и принята по акту. Наращивание свай-оболочек в процессе их погружения допускается, если полная длина сваи-оболочки превышает возможности крана по высоте подъема или по грузоподъемности.
4. Стыкование свай-оболочек следует производить на горизонтальном стенде при их диаметре до 2 м и в вертикальном положении - при диаметре свыше 2 м. Сварные стыки перед заделкой их бетоном должны быть освидетельствованы с оформлением акта на скрытые работы.К акту прилагаются документы об испытании сварных образцов при необходимости и данные о фактических параметрах испытания сварного шва на водонепроницаемость. Омоноличивание стыков следует производить на стенде стыкования. Кривизна состыкованной сваи-оболочки недолжна превышать 1/600.
5. Для погружения свай и свай-оболочек рекомендуется применять специальные плавучие направляющие кондукторы. Для погружения свай или свай-оболочек при небольшом их числе следует использовать временные маячные сваи для крепления навесных направляющих.
6. В процессе погружения свай необходимо постоянно контролировать состояние свай с целью выявления повреждений.
7. При погружении свай-оболочек надлежит принимать меры по предупреждению образования продольных трещин в стенках в результате гидродинамического давления при погружении свай с удалением грунта из полости сваи. Возникновение трещин следует предупреждать либо удалением воды из полости сваи, либо подачей в нижнюю часть водяного столба в полости сваи сжатого воздуха под давлением 0,6-0,8 МПа.
8. Грунт из полости сваи-оболочки следует удалять либо гидравлическим способом, если грунт поддается гидравлическому рыхлению, либо механическим способом, если диаметр сваи-оболочки более 1 м и гидравлический способ разработки и удаления грунта не может быть применен.
9. Допустимые отклонения от проектного положения каждого свайного элемента, погруженного в грунт, не должны превышать величин, указанных в табл. 9.
Таблица 9
(СНиП 3.07.02-87, таблица 9)
|
Технические требования |
Предельные отклонения |
Контроль (метод, объем) |
|
1.Смещение голов свай в плане: - сваи квадратные и круглые диаметром до 800 мм включительно - железобетонные сваи-оболочки и стальные трубчатые сваи диаметром свыше 800 мм при глубине воды, м: |
0,5d, но не более 200 мм(d -диаметр или сторона сечения, мм) |
Геодезический контроль, водолазное обследование, каждая свая |
|
а) до 10 |
250 мм |
|
|
б) более 10 |
0,025H (H- глубина воды, м) |
|
|
2. Высотные отметки голов свайных элементов: |
|
То же |
|
- железобетонные сваи-оболочки, срезаемые абразивными дисками, и стальные сваи |
-10 |
|
|
- железобетонные свайные элементы, срубленные отбойными молотками |
-30 |
|
|
- деревянные сваи |
-20 |
|
|
3. Глубина погружения (недобивка), при условии достижения свайными элементами отказа, при глубине воды у сооружения, м: |
|
» |
|
- до 10 |
250 |
|
|
- более 10 |
500 |
|
|
4. Тангенс угла отклонения продольной оси свайного элемента при погружении |
0,02 |
» |
10. Сваи, имеющие отклонения в плане более предусмотренных в табл. 9, допускается выправлять только с разрешения проектной организации. Выправление погруженных в грунт свай-оболочек не допускается.
11. Каждая погруженная свая-оболочка подлежит обследованию, включая водолазное в подводной зоне, по результатам которого составляется акт. На площадке строительства надлежит вести специальный журнал погружения свай-оболочек.
12. Срубку голов призматических свай следует производить с помощью специальных механических установок, а свай-оболочек - специальными алмазно-коррундовыми дисками. При небольшом числе свай их оголовки допускается обрубать с помощью отбойных молотков. С целью обеспечения необходимой точности на сваю надлежит устанавливать бандаж из полосовой стали.
13. Все погруженные сваи-оболочки, подверженные волновому и ледовому воздействию, подлежат раскреплению. Способ раскрепления определяется ППР. До раскрепления сваи запрещается увеличивать колеблющуюся под волновым воздействием массу сваи, устанавливая на нее сборные железобетонные наголовники.
14. Работы по устройству верхнего надводного строения (ростверка) следует начинать после окончания работ по укреплению под причального откоса и после установки кожухов антикоррозийной защиты на сваях и сваях-оболочках в зоне переменного уровня.
1. Перед заполнением пазух грунтом должно быть произведено освидетельствование готовности сооружения и соответствие проекту выполненных элементов причала, в том числе анкерного крепления и устройств, обеспечивающих грунтонепроницаемость причальной стенки. В пазухе сооружения не должно быть строительного мусора, снега, льда.
2. Качество грунта, засыпаемого в пазуху за причальную стенку, последовательность его засыпки и уплотнения должны соответствовать требованиям проекта сооружения и ППР.
3. В течение всего периода засыпки пазухи необходимо производить наблюдения за состоянием причальной стенки. В случае обнаружения осадок или изменения положения стенки в плане засыпка должна быть приостановлена, выяснены причины деформации сооружения с участием представителей проектной организации и приняты меры для ее предотвращения в дальнейшем.
4. При засыпке пазух и образовании территории причальных набережных с анкерными устройствами необходимо постоянно следить за тем, чтобы анкерные устройства и антикоррозийная изоляция анкеров не были повреждены.Движение землеройных машин и катков над анкерами допускается при засыпке их слоем грунта не менее 0,8 мв котором не должно быть камней.
5. В процесе устройства обратных засыпок необходимо осуществлять операционный контроль качества выполняемых работ на соответствие их требованиям проекта.
Допустимые отклонения контролируемых параметров и методы контроля должны соответствовать значениям, указанным в табл. 10.
Таблица 10
(СНиП 3.07.02-87, таблица 9)
|
Технические требования |
Предельные отклонения |
Контроль (метод, объем) |
|
1. Отметка поверхности уплотненной территории |
±50 мм |
Нивелирование по сетке 5´5 м, 100 % поверхности |
|
2. Изменение характеристик грунта засыпки:- |
|
Лабораторный контроль, отклонения не более, чем в 10 % общего числа проб |
|
- уменьшение угла внутреннего трения |
2* |
|
|
- уменьшение относительной плотности |
10 % |
6. В надводной зоне пробы песчаного грунта отбираются режущим кольцом, а гравелистого - кубом. Места отбора проб следует располагать равномерно по всей площади засыпки через 1 м по высоте.
|
Условия эксплуатации конструкций |
Деревянные конструкции и их элементы |
Характер увлажнения |
Степень агрессивного воздействия биологических агентов при влажностном режиме помещений (над чертой) или зоне влажности (под чертой) по СНиП II-3-79 |
|
|
сухой, нормальный |
влажный, мокрый |
|||
|
сухая, нормальная |
влажная |
|||
|
Внутри помещений или под навесом |
Элементы несущих конструкций, связи, прогоны, элементы внутренних перегородок, стен, подвесных потолков и др. Опорные элементы конструкций, места пересечения с конструкциями из других материалов, лаги, доски пола, коробки оконных и дверных блоков, элементы цоколей, ограждающих конструкций |
Газообразная среда |
Неагрессивная |
Слабо-агрессивная |
|
Периодическое увлажнение |
Среднеагрессивная |
|||
|
Элементы несущих конструкций, связи, прогоны, обшивки ограждающих конструкций |
Конденсационное увлажнение |
Среднеагрессивная |
||
|
Элементы плит покрытий, каркас ограждающих конструкций |
Среднеагрессивная |
|||
|
На открытом воздухе |
Верхние строения открытых сооружений, открытые элементы кровли, элементы мостов |
|
Среднеагрессивная |
|
|
Опоры ЛЭП, столбы, сваи, элементы мостов |
|
Сильноагрессивная |
||
|
Конструкции береговых сооружений, градирни, элементы мостов |
|
Сильноагрессивная |
||
|
Степень агрессивного
воздействия по Прило- |
Деревянные конструкции и их элементы - |
Защита |
||
|
антисептированне - |
консерви рование |
защитное покрытие |
||
|
Неагрессивная |
Элементы несущих неклееных и клееных конструкций, связи, прогоны, элементы внутренних перегородок, стен, подвесных потолков |
Без защиты |
||
|
Слабо- |
Несущие деревянные клееные конструкции, прогоны, обшивки ограждающих конструкций |
|
|
Влагостойкие лако красочные покрытия или влагобиозащитные пропи точные составы |
|
Элементы несущих неклееных конструкций, каркасы ограждающих конструкций |
Антисептирование водорастворимыми анти септиками или обработка антисептически- ми пастами |
|
|
|
|
Средне- |
Элементы несущих деревянных клееных конструкций, прогоны |
|
|
Влагостой- кие лакокрасочные покрытия - или влагобиозащит ные пропи точные сотавы -- |
|
Средне- |
Торцы, опорные элементы, места пересечений с наружными стенами, обшивки ограждающих покрытий |
Антисептирование водорастворимыми антисептиками или обработка анти септическими пастами |
|
Влагостой- кие лако красочные покрытия |
|
Средне- |
Элементы несущих неклееных конструкций, лаги, доски пола, коробки оконных и дверных блоков, связи, прогоны,каркасы ограждающих конструкций, верхние строения открытых сооружений, открытые элементы мостов |
Антисептирование трудновьгмываемымиводорастворимыми антисептиками или обработка антисептическими пастами |
|
|
|
Сильно- |
Элементы плит покрытия каркасоограждающих конструкций |
|
Консервирование труднорастворимыми водорастворимыми антисептиками |
|
|
Опоры ЛЭП, сваи, элементы мостов, градирни |
|
Консервирование масляными или трудновымываемыми водорастворимыми антисептиками* |
|
|
*Допускается применение антисептических паст на основе трудновымываемых антисептиков.
|
Степень агрессивного воздействия среды по Приложению 1 |
Защитный материал |
Состав компонентен |
Способ защитной обработки |
Норма расхода защитных материалов |
|
Средне- |
Натрий фтористый технический |
Натрий фтористый |
Поверхностная обработка |
20 г/м2 |
|
Аммоний кремне-фтористый технический |
Аммоний кремнефтористый |
То же |
45 г/м2 |
|
|
Паста антисептическая на каменноугольном лаке и фтористом натрии (пастоконцентрат) |
Натрий фтористый; лак каменноугольный; каолин; вода |
То же |
250-500 г/м2 |
|
|
Препарат ХМБ-444 |
Натрий или калий дву-хромовокис-лый; медь сернокислая; борная кислота |
Пропитка способом «прогрев-холодная ванна» |
5-7 кг/м3 |
|
|
Препарат ХМББ-3324 |
Натрий или калий двухромовокислый; медь сернокислая; борная кислота; бура |
То же |
5-7 кг/м3 |
|
|
Препарат ХМК |
Натрий или калий двухромовокислый; медь сернокислая; натрий кремне-фтористый |
То же |
5-7 кг/м3 |
|
|
Средне- |
Препарат ХМФ |
Натрий или калий двухромовокислый; медь сернокислая; натрий фтористый |
То же |
5-7 кг/м3 |
|
Препарат МБ-1 |
Медь сернокислая; аммоний углекислый; бура; борная кислота |
То же |
5-7 кг/м3 |
|
|
Препарат ХМ-11 |
Бихромат натрия; медь сернокислая |
То же |
7-9 кг/м3 |
|
Степень агрессивного воздействия среды по Приложению 1 |
Защитный материал |
Состав компонентов |
Способ защитной обработки |
Норма расхода защитных материалов |
|
Сильно- |
Масло каменноугольное |
Масло каменноугольное |
Пропитка в цилиндрах под давлением с предварительной сушкой древесины в петролатуме или пропитка в ваннах с предварительным прогревом древесины |
75 кг/м3 |
|
Масло антроценовое |
Масло ангроценовое |
То же |
110 кг/м3 |
|
|
Масло компаунд |
Масло компаунд |
То же |
75 кг/м3 |
|
|
Масло сланцевое |
Масло сланцевое |
То же |
110 кг/м3 |
|
|
Доналит марки «УАЛЛ» |
Фториды и арсенаты щелочных металлов |
Пропитка способом «прогрев - холодная ванна» или «вакуум - давление - вакуум» |
8-15 кг/м3 |
|
|
Паста на доналите «УАЛЛ» |
Фториды и арсенаты; пасто-образователи |
Диффузионная пропитка |
6 кг/м3 |
|
|
Препарат ХМБ-444 |
Натрий или калий двухромо-вокислый; медь сернокислая; борная кислота |
Пропитка способом «прогрев - холодная ванна» |
8-15 кг/м3 |
|
|
Сильно-агрессивная |
Препарат ХМББ-3324 |
Натрий или калий двухромовокислый; медь сернокислая; борная кислота; бура |
То же |
8-15 кг/м3 |
|
Препарат ХМФ |
Натрий или калий двухромовокислый; медь сернокислая; натрий фтористый |
То же |
8-15 кг/м3 |
|
|
Препарат МБ-1 |
Медь сернокислая; аммоний углекислый; бура; борная кислота |
То же |
8-15 кг/м3 |
|
Лакокрасочные материалы |
Марка материала |
Индекс покрытия |
Толщина покрытия, мкм |
|
Пентафталевые |
Лаки ПФ-170, |
д, в |
70-90- |
|
ПФ-171 |
а, в |
90-120 |
|
|
Эмаль ПФ-115 |
а, в |
90-120 |
|
|
Эмаль ПФ-133 |
|
|
|
|
Уретановые |
Эмаль УР-49 |
а, в, х |
110-130 |
|
Лак УР-293 или |
д, а, в |
70-90 |
|
|
УР-294 |
|
|
|
|
Уретаново-алквдные |
Эмаль УРФ-1128 |
а, в, х |
110-130 |
|
Перхлорвинил овые |
Эмаль ХВ-110 |
а, в |
90-120 |
|
Эмаль ХВ-124 |
а, в |
90-120 |
|
|
Эмаль ХВ-ПОО |
а, в |
100-120 |
|
|
Эмаль ХВ-785 |
х, в |
110-130 |
|
|
Эмаль ХВ-710 |
х, в |
110-130 |
|
|
Эмаль ХВ-759 |
х, в |
130-150 |
|
|
Эмаль ХВ-717 |
х, в |
110-130 |
|
|
Эмаль ХВ-781 |
х, в |
110-130 |
|
|
Лак ХВ-784 |
д, х, в |
110-130 |
|
|
Эпоксидные |
Шпатлевка ЭП-0010 |
х, в |
250-300 |
|
Эмаль ЭП-773 |
х, в |
130-150 |
|
|
Эмаль ЭП-575 |
а, в, х |
130-150 |
|
|
Эмаль ЭП-755 |
х, в |
130-150 |
|
|
Эмаль ЭП-56 |
х, а |
130-150 |
|
|
Эмаль ЭП-793 |
х, а |
130-150 |
|
|
Эпоксвдно-фенольные |
Эмаль ФЛ-777 |
х, в |
130-150 |
|
Эпоксидно-фторолоновые |
Лак ЛФЭ-32х |
а, в, х |
100-120 |
|
Примечание: д - декоративное, в - водостойкое, а-атмосферостойкое, х - химически стойкое покрытие. |
|||
|
Марка пропиточного состава |
Состав компонентов, % |
Привес |
Защитные свойства |
|
ТХЭФ |
Трихлорэтилфосфат 40 |
600 г/м2 |
Биозащитное, огнезащитное |
|
Четыреххлористый 60 |
|||
|
углерод |
|||
|
Фенолоспирты |
Фенолоспирты 100 |
250-300 кг/м2 |
Влагозащитное, биохимзащитное |
|
Буроугольная композиция (БК) |
Буроугольный воск 10 |
30-40 кг/м3 |
Влагозащитное, биозащитное, огнезащитное |
|
Олифа оксоль 70 |
|||
|
Сиккатив 10 |
|||
|
Бура 5 |
|||
|
Вода 5 |
|||
|
ТХЭФ-ПТ |
Трихлорэтилфосфат 50-70 |
40-60 кг/м3 |
Влагозащитное, биозащитное, огнезащитное |
|
Петролатум 30-50 |
|
1. ГОСТ 12.1.003-83* |
ССБТ. Шум. Общие требования безопасности. |
|
2. ГОСТ 12.3.012-77 |
ССБТ. Работы водолазные |
|
3. ГОСТ 12.2.035-78 |
ССБТ. Водолазное снаряжение и средства обеспечения водолазных спусков и работ. Общие требования. |
|
4. ГОСТ 263-75 * |
Резина. Метод определения плотности. |
|
5. ГОСТ 3242-79 |
Сварные соединения. Методы контроля качества. |
|
6. ГОСТ 4641-80 |
Дегги каменноугольные для дорожного строительства. Технические условия. |
|
7. ГОСТ 4806-79 * |
Масло сланцевое топливное. Технические условия. |
|
8. ГОСТ 5180-84 |
Грунты. Методы лабораторного определения физических характеристик. |
|
9. ГОСТ 5264-80 |
Ручная дуговая сварка. Соединения сварные. Основные типы, конструктивные элементы и размеры |
|
10. ГОСТ 5802-86 |
Растворы строительные. Методы испытаний. |
|
11. ГОСТ 6996-66 * |
Сварные соединения. Методы определения механических свойств. |
|
12. ГОСТ 9128-84 |
Смеси асфальтобетонные, дорожные, аэродромные и асфальтовые. Технические условия |
|
13. ГОСТ 9302-88 |
Защита от коррозии. Покрытия металлические и неметаллические. Общие требования к неразрушающим методам измерения тол щины. |
|
14. ГОСТ 10181.0-81 |
Смеси бетонные. Общие требования к методам испытаний |
|
15. ГОСТ 10181.1-81 |
Смеси бетонные. Методы определения удобоукладываемости. |
|
16. ГОСТ 10181.2-81 |
Смеси бетонные. Методы определения плотности |
|
17. ГОСТ 10181.3-81 |
Смеси бетонные. Методы определения пористости. |
|
18. ГОСТ 10181.4-81 |
Смеси бетонные. Методы определения расслаиваемое™. |
|
19. ГОСТ 11311-76* |
Фенол каменноугольный. Технические условия |
|
20. ГОСТ 11501-78* |
Битумы нефтяные. Метод определения глубины проникновения иглы. Битумынефтяные.. |
|
21. ГОСТ 11503-74* |
Метод определения качества испарившегося разжижителя из жид ких битумов |
|
22. ГОСТ 11955-82* |
Битумы нефтяные дорожные жидкие. Технические услови |
|
23. ГОСТ 12536-79 |
Грунты. Методы лабораторного определения гранулометрического (зернового) и микро агрегатного состава |
|
24. ГОСТ 12801-84 * |
Смеси асфальтобетонные, дорожные и аэродромные, дегтебетонные дорожные, асфаль тобетон и дегтебетон. Методы испытаний |
|
25. ГОСТ 15140-78 * |
Материалы лакокрасочные. Методы определения адгезии. |
|
26. ГОСТ 16557-78 |
Порошок минеральный для асфальтобетонных смесей. Технические условия. |
|
27. ГОСТ 17229-85 |
Самолеты пассажирские и транспортные. Метод определения уровней шума, создаваемого на местности |
|
28. ГОСТ 18659-81 |
Эмульсии битумные дорожные. Технические условия. |
|
29. ГОСТ 22283-88 |
Шум авиационный. Допустимые уровни шума на территории гнилой застройки и методы его измерения. |
|
30. ГОСТ 22245-90 |
Битумы нефтяные дорожные вязкие. Технические условия. |
|
Грунты. Классификация |
|
|
32. ГОСТ 25877-83 |
Смеси дегтебетонные дорожные и дегтебетон. Технические условия. |
|
33. СНиП 2.02.01-83* |
Основания зданий и сооружений (изд. 1996 г.). |
|
34. СНиП 2.03.11-85 |
Защита строительных конструкций от коррозии.. |
|
35. СНиП 3.02.01-87 |
Земляные сооружения, основания и фундаменты |
|
36. СНиП 3.02.03-84 |
Подземные горные выработки. |
|
37. СНиП 3.03.01-87 |
Несущие и ограждающие конструкции |
|
38. СНиП 3.04.01-87 |
Изоляционные и отделочные работы. |
|
39. СНиП 3.04.03-85 |
Защита строительных конструкций и сооружений от коррозии. |
|
40. СНиП 3.06.03-85 |
Автомобильные дороги. |
|
41. СНиП 3.06.04-91 |
Мосты и трубы |
|
42. СНиП 3.07.02-87 |
Гидротехнические морские и речные транспортные сооружения. |
|
43. СНиП 3.07.02-95 |
Гидротехнические сооружения речные. |
|
44. СНиП 32-4-95 |
Железные дороги |
|
45. СНиП 32-01-95 |
Железные дороги колеи 1520 мм. |
|
46. СНиП II-12-77 |
Защита от шума. |
|
47. СНиП III-44-77 |
Тоннели железнодорожные, автодорожные и гидротехнические. Метрополитены |
|
48. Единые правила безопасности при взрывных работах. М.: Недра, 1968, 319 с. |
|
|
49. Единые правила безопасности труда при водолазных работах. М.: Транспорт, 1972, 222 с. |
|
1. В настоящем разделе излагается порядок осуществления контроля качества основных видов строительных материалов и изделий, а также контроля за соблюдением правил их приемки, испытания и хранения в соответствии с действующими ГОСТ, СНиП, ТУ, указаниями и инструкциями по изготовлению, испытанию и применению отдельных видов строительных материалов.
2. Контроль качества строительных материалов осуществляется путем сравнительного анализа документов о качестве (паспортов, сертификатов, нормативных документов)и результатов осмотра, замеров и лабораторных испытаний.
На импортные строительные материалы должны быть сертификаты соответствия, выданные органом по сертификации строительной продукции, или технические свидетельства, выданные управлением Главтехнормирования Минстроя России.
3. В документе о качестве должны быть указаны:
- наименование и адрес предприятия-изготовителя;
- номер и дата выдачи документа;
- номер партии или конструкции (при штучной поставке);
- наименование и марки конструкций, число конструкций каждой марки;
- дата изготовления конструкций, материалов;
- номер договора с заказчиком;
- обозначение материала в соответствии с ГОСТ или ТУ. Кроме указанных показателей в документе о качестве
- должны быть приведены и другие показатели, если это предусмотрено ТУ на конструкции, материалы конкретных видов.
4. Запрещается применять в дело материалы и изделия, на которые отсутствуют паспорта или сертификаты соответствия, акты и протоколы лабораторных испытаний с заключением о соответствии качества материалов и изделий нормативным требованиям.
5. Правильность транспортировки и хранения материалов и изделий контролируется представителями строительных организаций и выборочно проверяется заказчиком. Транспортировка и хранение должны производиться в соответствии с требованиями ГОСТ и ТУ на материалы и изделия и с рекомендациями, изложенными в настоящем разделе.
1. Выбор вида вяжущего материала в зависимости от назначения сооружения, условий его эксплуатации, а также условий производства работ по строительству сооружения должен осуществляться строительной организацией в соответствии с Приложением 1. Для ответственных конструкций вид вяжущего материала согласовывается с заказчиком, а в отдельных наиболее сложных случаях устанавливается проектной организацией.
2. Минеральные вяжущие вещества поставляются потребителю партиями. Объем партии устанавливается в зависимости от годовой производительности предприятия в пределах 200-1000 т или в меньших количествах. Каждая партия снабжается паспортом.
3. Цементы должны удовлетворять следующим основным техническим требованиям: гарантированной прочности с вероятностью Р= 90 %; тонкости помола; срокам схватывания; равномерности изменения объема; нормированному содержанию некоторых добавок и водопотребности по нормальной густоте теста. Требования к прочности основных видов цемента приведены в табл. 1.
|
Наименование цемента |
Гарантированная марка цемента |
Предел прочности. МПа |
|||
|
при изгибе |
при сжатии |
||||
|
3 сут |
28 сут |
3 сут |
28 сут |
||
|
Портландцемент и портландцемент с минеральными добавками (ГОСТ 10178-85*) |
300 |
- |
- |
- |
- |
|
400 |
- |
- |
- |
- |
|
|
500 |
- |
- |
- |
- |
|
|
550 |
- |
- |
- |
- |
|
|
600 |
- |
- |
- |
- |
|
|
Быстротвердеющий портландцемент (ГОСТ 10178-85*) |
400 |
4,0 |
5,5 |
24,5 |
39,2 |
|
500 |
4,5 |
6,0 |
27,4 |
49,0 |
|
|
Шлакопортландцемент (ГОСТ 10178-85) |
300 |
- |
4,5 |
- |
29,4 |
|
400 |
- |
5,5 |
- |
39,2 |
|
|
500 |
- |
6,0 |
- |
49,0 |
|
|
Быстротвердеющий шлакопорт ландцемент (ГОСТ 10178-85*) |
400 |
3,5 |
5,5 |
20 |
39,2 |
|
Сульфатостойкий портландцемент (ГОСТ 22266-94) |
400 |
- |
5,5 |
- |
39,2 |
|
Сульфатостойкий портландцемент с минеральными добавками (ГОСТ 22266-94) |
400 |
- |
5,5 |
- |
39,2 |
|
Пуццолановый портландцемент (ГОСТ 22266-94) |
300 |
- |
4,5 |
- |
29,4 |
|
400 |
- |
5,5 |
- |
39,2 |
|
|
Цемент гипсоглиноземистый расширяющийся (ГОСТ 11052-74) |
400 |
- |
- |
27,4 |
39,2 |
|
Цемент глиноземистый (ГОСТ 969-91) |
400 |
5,5 |
- |
39,2 |
- |
|
500 |
6,0 |
- |
49,0 |
- |
|
|
600 |
6,5 |
- |
58,8 |
- |
|
|
Портландцемент белый (ГОСТ 965-89) |
300 |
- |
4,5 |
|
29,4 |
|
400 |
- |
5,5 |
- |
39,2 |
|
|
Портландцемент цветной (ГОСТ 15825-80) |
500 |
|
6,0 |
|
49,0 |
|
Примечание. Введение пластифицирующих и гидрофобизирующих добавок в цемент при его помоле допускается без согласования потребителем. |
|||||
4. Не допускается применять:
- цемент, имеющий специальные свойства (быстрое твердение, высокую марку, стойкость к сульфатной и другим видам коррозии и т. п.), в конструкциях, где эти свойства не используются;
портландцемент и его разновидности - для изготовления конструкций, подвергающихся воздействию минерализованных вод;
- шлакопортландцемент, пуццолановый портландцемент - для изготовления конструкций, подвергающихся попеременному замораживанию и оттаиванию или увлажнению и высыханию, а также для производства строительных работ при пониженных температурах (ниже минус 10°С) без искусственного обогрева;
- глиноземистый цемент - для изготовления конструкций, в которых в результате тепловыделения цемента в начальные сроки твердения или в результате нагрева по различным причинам при последующем твердении температура бетона может подняться выше 25-35°С, что приводит к резкому снижению прочности бетона;
- расширяющийся цемент (гипсоглиноземистый, тампонажный) - при работе конструкций в эксплуатационных условиях при температуре выше 80°С, а также для изготовления изделий и конструкций с применением автоклавной обработки.
5. При перевозке и хранении цемент должен быть защищен от увлажнения, загрязнения, распыления и утечки. Цемент должен перевозиться в цементовозах, контейнерах или бумажных мешках.
На мешках с цементом должны указываться: название завода, название цемента и его марка, номер заводской партии, год, месяц и число затаривания. При перевозке цемента навалом эти сведения указываются в документе на каждую транспортную единицу.
6. При контроле потребителем соответствия цемента требованиям ГОСТ проба массой 20 кг отбирается от каждой партии.
При перевозке цемента в вагонах пробу отбирают из каждого вагона в разных местах, при поставке автомобильным транспортом - по 1 кг от каждых 25 т цемента, а при поставке в мешках - по 1 кг из каждого мешка, при этом из партии в 1000 т отбирается 1000 мешков, а из партии в 300 т - 300 мешков. Отобранные пробы тщательно смешивают и делят на две части. Одну часть подвергают испытанию, а другую на случай необходимости повторного испытания маркируют и хранят в течение одного месяца в сухом помещении в сухой плотно закрытой таре.
Испытание цемента производится в соответствии с требованиями ГОСТ 310.1-76-310.3-76, 310.4-81.
При контрольной проверке допускается отклонение прочности образцов 28-суточного возраста до 5 % в сторону снижения по отношению к марочной прочности, указанной в паспорте.
7. Цемент, как правило, должен храниться в силосных или бункерных складах. Применение других типов складов допускается как исключение при малых объемах хранимого цемента. Не допускается постоянное или временное хранение цементов на открытых площадках под брезентовым укрытием или под навесом.
Цементы должны храниться раздельно по видам, маркам и партиям от различных заводов. При хранении и использовании запрещается смешивание цементов разных заводов или цементов одного завода, но разных марок.
Срок хранения цементов ограничен из-за их гигроскопичности, комкования и снижения активности. По тонкости помола цемент должен обеспечивать проход через сито № 008 не менее 85 % массы просеиваемой пробы.
8. Известь строительная должна удовлетворять требованиям ГОСТ 9179-77 по тонкости помола, содержанию активных окислов СаО и МО, остаточного СО2 и непогасившихся зерен.
В зависимости отчисленных значений указанных выше показателей известь подразделяется на виды и сорта, приведенные в табл. 2.
Таблица 2
|
Наименование показателя |
Норма для извести, % по массе |
|||||||
|
негашеной |
гидратной |
|||||||
|
Кальциевой |
Магнезиальной и доломитовой |
|||||||
|
сорт |
сорт |
сорт |
||||||
|
1 |
2 |
3 |
1 |
|
3 |
1 |
2 |
|
|
Активные окислы СаО + |
|
|
|
|
|
|
|
|
|
+ М8, %, |
|
|
|
|
|
|
|
|
|
не менее: |
|
|
|
|
|
|
|
|
|
без добавок |
90 |
80 |
70 |
85 |
75 |
65 |
67 |
60 |
|
с добавками |
65 |
55 |
- |
60 |
50 |
- |
50 |
40 |
|
Активный окисел МгО, %, |
|
|
|
|
|
|
|
|
|
не более: |
5 |
5 |
5 |
20 |
20 |
20 |
|
|
|
|
|
|
|
(40) |
(40) |
(40) |
|
|
|
СО2, %, не более: |
|
|
|
|
|
|
|
|
|
без добавок |
3 |
5 |
1 |
5 |
8 |
11 |
3 |
5 |
|
с добавками |
4 |
6 |
- |
6 |
9 |
- |
2 |
4 |
|
Непогасившиеся зерна, %, |
|
|
|
|
|
|
|
|
|
не более: |
7 |
11 |
14 |
10 |
15 |
20 |
- |
- |
|
Примечание. В скобках указано содержание для доломитовой извести. |
||||||||
9. Известь принимается и отгружается партиями. Размер партии устанавливается в зависимости от годовой мощности предприятия в следующем количестве:
200 т - при годовой мощности до 100 тыс. т;
400 т -при годовой мощности от 100 тыс. т до 250 тыс. т;
800 т - при годовой мощности свыше 250 тыс. т.
Количество поставляемой извести определяется по массе взвешиванием в транспортных средствах на железнодорожных и автомобильных весах. Масса извести, отгружаемая в судах, определяется по осадке судна.
Комовую известь отгружают навалом, порошкообразную навалом или в бумажных мешках. Для определения средней массы мешков (брутто) одновременно взвешивают 20 мешков с известью, отобранных случайным образом, и результат делится на 20. Среднюю массу содержимого мешка (нетто) определяют, вычитая из массы (брутто) среднюю массу мешка. Отклонение средней массы мешков с известью (нетто) от указанной на упаковке не должно превышать 1 кг.
10. При транспортировании и хранении известь должна быть защищена от воздействия влаги и загрязнения посторонними примесями. Храниться и транспортироваться известь должна раздельно, по видам и сортам.
11. Гипс строительный должен удовлетворять требованиям ГОСТ 125-79 по тонкости помола, прочности и срокам схватывания. В зависимости от предела прочности образцов-балочек при сжатии и изгибе различаются следующие марки гипсовых вяжущих: Г-2, Г-3, Г-4, Г-5, Г-6,Г-7, Г-10, Г-13, Г-16, Г-19, Г-22, Г-25. Минимальный предел прочности каждой марки вяжущего должен соответствовать значениям, приведенным в табл. 3.
Таблица 3
|
Марка вяжущего |
Предел прочности образцов-балочек, размерами 40´40´160 мм в возрасте 2 часа, не менее, МПа (кгс/см2) |
|
|
при сжатии |
при изгибе |
|
|
Г-2 |
2(20) |
1,2 (12) |
|
Г-3 |
3(30) |
1,8 (18) |
|
Г-4 |
4(40) |
2,0 (20) |
|
Г-5 |
5(50) |
2,5 (25) |
|
Г-6 |
6(60) |
3,0 (30) |
|
Г-7 |
7(70) |
3,5 (35) |
|
Г-10 |
10 (100) |
4,5 (45) |
|
Г-13 |
13 (130) |
5,5 (55) |
|
Г-16 |
16 (160) |
6,0 (60) |
|
Г-19 |
19 (190) |
6,5 (65) |
|
Г-22 |
22 (220) |
7,0 (70) |
|
Г-25 |
25 (250) |
8,0 (80) |
В зависимости от сроков схватывания различаются виды вяжущих, приведенные в табл. 4.
Таблица 4
|
Вид вяжущего |
Индекссроков схватывания |
Срок схватывания, мин |
|
|
Начало, не ранее |
Конец, не позднее |
||
|
Быстротвердеющий |
А |
2 6 |
15 |
|
Нормальнотвердеющий |
Б |
|
30 |
|
Медленнотвердеющий |
В |
20 |
Не нормируется |
В зависимости от степени помола различаются следующие виды вяжущих, приведенные в табл. 5.
Таблица 5
|
Вид вяжущего |
Индекс степени помола |
Максимальный остаток на сите с размерами ячеек в свету 0.2 мм, %, не более |
|
Грубого помола |
I |
23 |
|
Среднего помола |
II |
14 2 |
|
Тонкого помола |
III |
|
12. Поставку и приемку гипсовых вяжущих производят партиями. Размер партии устанавливают в зависимости отгодовой мощности предприятия в следующем количестве:
- до 200 т - при годовой мощности свыше 150 тыс. т;
- до 65 т -при годовой мощности до 150 тыс. т.
Контрольная проверка соответствия свойств вяжущего требованиям стандарта должна производиться потребителем в соответствии с требованиями ГОСТ 23789-79. Упаковка, маркировка, транспортирование и хранение гипсовых вяжущих осуществляется в соответствии с требованиями ГОСТ 26871-86.
13. Вяжущие низкой водопотребности (ВНВ) по вещественному составу подразделяются на следующие виды:
- ВНВ;
- ВНВ с минеральными добавками.
По механической прочности вяжущие подразделяются на марки:
- ВНВ - 600, 700, 800, 900, 1000;
- ВНВ с минеральными добавками - 300, 400, 500, 600, 700, 800.
14. Предел прочности при изгибе и сжатии ВНВ должен быть не менее значений, указанных в табл. 6.
Таблица 6
|
Вяжущее |
Гарантированная марка |
Предел прочности, МПа |
|||
|
при изгибе в возрасте, сут |
при сжатии в возрасте, сут |
||||
|
1 |
28 |
1 |
28 |
||
|
ВНВ |
1000 |
5,2 |
10,3 |
34,3 |
98,0 |
|
900 |
4,7 |
9,3 |
32,0 |
88,2 |
|
|
ВНВ |
800 |
4,4 |
8,5 |
27,0 |
78,4 |
|
ВНВ с минеральными добавками |
700 |
3,9 |
7,7 |
24,5 |
68,6 |
|
600 |
3,4 |
6,7 |
21,6 |
58,8 |
|
|
ВНВ с минеральными добавками |
500 |
2,9 |
6,1 |
17,6 |
49,0 |
|
400 |
2,5 |
5,6 |
14,7 |
39,2 |
|
|
300 |
2,2 |
4,8 |
12,7 |
29,4 |
|
15. Тонкость помола вяжущих должна быть такой, чтобы при просеивании пробы через сито с сеткой № 008 по ГОСТ 3584-73 проходило не менее 95 % массы просеиваемой пробы, а для ВНВ с минеральными добавками- не менее 90 %.
Начало схватывания смеси должно наступать не ранее 45 минут, а конец- не позднее 10 часов.
16. Показатели, характеризующие технические и технологические свойства вяжущих, не должны быть хуже аналогичных показателей для портландцемента, приведенных в ГОСТ 10178-85*.
17. Срок хранения вяжущих до их использования допускается ограничивать пятнадцатью сутками.
1. В настоящем подразделе рассматриваются классификация, применение, требования к исходным материалам бетонов на минеральных вяжущих. Классификация и область применения бетонов представлены в Приложении 2.
2. Качество бетона должно соответствовать требованиям ГОСТ 25192-82, 26633-91, СНиП 2.03.01-84* и обеспечивать изготовление изделий и конструкций, удовлетворяющих требованиям ГОСТ или ТУ и проектной документации.
Основными показателями качества бетона, в зависимости от его назначения и условий работы, являются:
- класс по прочности на сжатие - В;
- класс по прочности на осевое растяжение - Вt (назначается, когда этот показатель является основным и контролируется);
- марка по морозостойкости - F (назначается для конструкций, подвергающихся в увлажненном состоянии действию попеременного замораживания и оттаивания);
- марка по водонепроницаемости - W (назначается для конструкций с ограниченной проницаемостью);
- марка по средней плотности - D (назначается для конструкций, к которым предъявляются дополнительно теплоизоляционные требования);
-марка по самонапряжению напрягающего бетона - Sp соответствии с ГОСТ 26633-91 прочность бетона в конструкциях, запроектированных без учета требований СТ СЭВ 1406-78, допускается характеризовать марками.
Установленные значения показателя качества бетона должны быть обеспечены в проектном возрасте, который указывается в рабочих чертежах и назначается в соответствии с нормами проектирования в зависимости от условий твердения, способов возведения и сроков фактической загрузки конструкций.
При отсутствии этих данных показатели качества бетона должны быть обеспечены в возрасте 28 суток (для массивных речных гидротехнических сооружений в возрасте 180 суток).
3. В процессе приготовления бетонной смеси, укладки ее в конструкции, твердения бетона и приемки выполненных работ по бетонированию конструкций контролируются:
- вид и качество исходных материалов, соответствие их требованиям нормативных документов, паспортов, правильность их транспортировки, приемки, хранения и дозировки;
- правила подбора состава бетона в соответствии с ГОСТ 27006-86;
- удобоукладываемость бетонных смесей (ГОСТ 10181.0-81-ГОСТ 10181.4-81);
- классы (марки) бетона возводимых конструкций и их соответствие численным значениям, установленным прозктом.
4. Для снижения расхода цемента и заполнителей при приготовлении бетонов следует использовать золыуносы, шлаки и золошлаковые смеси ТЭЦ, отвечающие требованиям ГОСТ 25592-91, 25818-91.
5. Для регулирования и улучшения свойств бетонной смеси и бетона, снижения расхода цемента и энергетических затрат следует применять химические добавки, удовлетворяющие требованиям действующих ГОСТ и ТУ. Выбор добавок должен производиться в зависимости от технологии производства, проектных характеристик бетона в соответствии с Приложением 8 СНиПа 3.03.01-87.
6. Вода для затворения бетонной смеси и приготовления растворов химических добавок должна соответствовать требованиям ГОСТ 23732-79. Применяется, как правило, питьевая вода без вредных примесей.
1. Для приготовления тяжелого бетона в качестве мелкого заполнителя могут применяться пески, отвечающие требованиям ГОСТ 8736-93:
- природные (в естественном состоянии), природные фракционированные и природные обогащенные;
- дробленые и дробленые фракционированные.
2. Зерновой состав мелкого заполнителя в бетоне должен соответствовать кривой просеивания, выбираемой при проектировании состава бетона в пределах, указанных в табл. 7 (ГОСТ 26633-91 и ГОСТ 8736-93), с учетом свойств применяемых материалов и требований к бетону и бетонной смеси. При этом учитываются только зерна, проходящие через сито с круглыми отверстиями диаметром5 мм, в том числе и возможное их содержание в крупном заполнителе.
Таблица 7
|
Размер отверстия контрольного сита, мм |
Полные остатки на контрольных ситах, %, по массе |
|
5 |
0 |
|
2,5 |
0-20 |
|
1,25 |
5-45 |
|
0,63 |
20-70 |
|
0,315 |
35-90 |
|
0,16 |
80-100 |
|
Модуль крупности |
1,5-3,25 |
Модуль крупности мелкого заполнителя, определяемый по ГОСТ 8736-93, не должен отличаться от установленного в соответствии с принятой кривой просеивания более чем на ±0,1.
3. При использовании природных песков следует применять пески крупные или средние по ГОСТ 8736-93. Если природные пески не отвечают по зерновому составу указанным требованиям, следует применять природные обогащенные или фракционированные пески.
4. Мелкие пески по ГОСТ 8736-93 не»допускается применять для приготовления бетона без укрупняющей добавки, обеспечивающей зерновой состав смеси.
5. Дробленый песок разрешается применять только в качестве укрупняющей добавки к природному песку.
6. Содержание в природных и дробленых песках зерен, проходящих через сито № 0,16, а также пылевидных и глинистых частиц, определяемых отмучиванием, не должно превышать значений, указанных в табл. 8. При этом содержание глины в природном и дробленом песке допускается не более 0,5 %, а в природном фракционированноми обогащенном песке - не более 0,25 %.
Таблица 8
|
Вид песка |
Содержание зерен, проходящих через сито с сеткой № 0,16, %, не более |
|
|
всего |
в том числе пылевидных, илистых и глинистых частиц, определяемых отмучиванием |
|
|
Природный |
10 |
3 |
|
Природный фракционированный: |
- |
|
|
- крупные фракции |
2 |
|
|
- мелкие фракции |
10 |
2 |
|
Природный обогащенный |
5 |
2 |
|
Дробленый |
10 |
5 |
7. Пригодность для бетона природного и дробленого песка, содержащего примеси или включения зерен рудных материалов, аморфных и других реакционно-способных разновидностей кремнезема, слюды, а также сернокислых и сернистых соединений, определяется потребителем специальными исследованиями с учетом условий эксплуатации сооружений.
8. Песок при обработке его раствором едкого натра(колориметрическая проба на органические примеси по ГОСТ 8735-88) не должен придавать раствору окраску, равную или темнее цвета эталона.
9. Приемку песка производят партиями. Партией считается: при отгрузке по железной дороге или водным транспортом - количество песка в составе или на барже; при отгрузке автомобильным транспортом - количество песка, отгружаемого одному потребителю в течение суток. Количество поставляемого песка определяется по массе или объему.
Для контрольной проверки качества песка отбирают пробы: при размере партии в три вагона - из каждого вагона; при большем количестве вагонов - из трех вагонов по указанию потребителя. Каждую пробу отбирают не менее чем из пяти мест вагона на различных глубинах. При перевозке водным или автомобильным транспортом - одну пробу от каждых 500 т (350 м3). Отобранные пробы не смешивают, а испытывают раздельно. При неудовлетворительных результатах испытаний первой пробы испытывают вторую пробу. При неудовлетворительных результатах испытаний второй пробы партия приемке не подлежит. Масса средних проб, отбираемых для контрольной проверки партии в железнодорожных вагонах, судах или автомобилях, в соответствии с требованиями ГОСТ 8736-93, должна не менее чем в четыре раза превышать суммарную массу проб для испытаний по ГОСТ 8735-88.
10. Выбор крупного заполнителя (крупность зерен от 5 до 120 мм) должен производиться с учетом марки бетона, размера и вида конструкций.
Для тяжелых бетонов рекомендуются следующие виды заполнителя: щебень, получаемый дроблением естественного камня; гравий; щебень, получаемый дроблением гравия (ГОСТ 8267-93); щебень из доменного шлака (ГОСТ 5578-94). Крупный заполнитель применяется в виде следующих фракций, раздельно дозируемых при изготовлении бетонной смеси: от 5 до 10 мм; от 10 до 20 мм; от 20 до 40 мм; от 40 до 80 мм; от 80 до 120 мм. Допускается применение: фракций 3-10 мм вместо 5-10 мм; заполнителя крупнее 80 мм в массивных сооружениях. Допускается дозирование смеси двух смежных фракций. Смешивание фракций осуществляют из условия получения минимальной пустотности.
В бетонах сборных и монолитных конструкций промышленных, жилых и общественных зданий и сооружений применяются все виды крупного заполнителя.
11. Марка щебня из естественного камня, определяемая по дробимости при сжатии в цилиндре (ГОСТ 8269-87),должна быть выше марки бетона не менее, чем в 1,5 раза для бетонов марок ниже 300, и не менее, чем в 2 раза для бетонов марок 300 и выше. Щебень из изверженных пород во всех случаях должен иметь марку не ниже 800, из метаморфических не ниже 600 и осадочных - не ниже 300. Допускается применять щебень из карбонатных пород марки 400 для бетона марки 300, если содержание в нем зерен слабых пород не превышает 5%. Щебень из гравия и гравий должны иметь марку по дробимости: при марке бетона ниже 400 - не более Др. 16. Пригодность гравия элювиального происхождения с сильно окатанной поверхностью для бетона марки 300 и любого гравия для бетона марки 400определяется по результатам испытания в бетоне.
12. Геометрические показатели крупного заполнителя должны дополнительно соответствовать следующим требованиям: наибольший размер зерен крупного заполнителя должен быть не более 1/3 наименьшего размера конструкций и не более 3/4 наименьшего расстояния в свету между стержнями арматуры, а при подаче бетоноводами не более 0,33 его диаметра.
13. Крупный заполнитель должен иметь состав, морозостойкость и другие показатели, удовлетворяющие требованиям ГОСТ 10180-90; ГОСТ 8267-93; ГОСТ 5578-94; ГОСТ 3344-83. Зерновой состав одной фракции или смеси фракций должен соответствовать показателям, приведенным в табл. 9.
Таблица 9
|
Вид крупного заполнителя |
Полный остаток на контрольных ситах различных диаметров, % |
||||
|
d |
0,5 (d+D) |
|
1,25D |
||
|
для одной фракции |
для смеси фракций |
||||
|
Щебень из естественного камня, гравий и щебень из гравия |
90-100 |
- |
30-80 |
0-10 |
0-0,5 |
|
Щебень из доменного шлака |
95-100 |
40-70 |
50-70 |
0-5 |
0 |
|
Примечания: D –наибольший номинальный диаметр контрольных сит; d – наименьший номинальный диаметр контрольных сит. |
|||||
14. Количество пылевидных, илистых и глинистых частиц в крупном заполнителе, определяемое отмучиванием, не должно превышать значений, приведенных в табл. 10.
Таблица 10
|
Вид крупного заполнителя |
Количество частиц, определяемое отмучиванием, %, не более |
|
|
для бетона прочностью ниже 30 МПа |
для бетона-прочностью выше 30 МПа |
|
|
Щебень из изверженных и метаморфических пород |
1 |
1 |
|
Щебень из осадочных пород |
3 |
2 |
|
Гравий и щебень из гравия |
1 |
1 |
|
Щебень из доменного шлака |
2 |
2 |
15. Кроме указанного выше, крупный заполнитель должен удовлетворять следующим требованиям:
- содержание зерен слабых и выветренных пород должно быть не более 15 %, а зерен пластинчатой (лещадной)и игловатой формы не более 35 % по массе;
- при обработке раствором едкого натра (калориметрическая проба на органические примеси) раствор не должен иметь цвет, темнее эталона;
- в крупном заполнителе не должно быть посторонних примесей;
- щебень из доменного шлака должен иметь устойчивую структуру против силикатного и железистого распада(потеря в массе после испытаний по ГОСТ 9758-86 недолжна быть более 5 % по массе).
16. При поставке крупного заполнителя объем партии устанавливается так же, как и при приемке песка (см. п. 9 данного подраздела). Количество поставляемого заполнителя определяется по массе в состоянии естественной влажности (гравий и щебень из гравия) или в сухом состоянии(щебень). Проба отбирается от каждых 350 м3.
17. Крупный заполнитель должен храниться на открытых площадках или закрытых складах раздельно по фракциям в условиях, предохраняющих его от загрязнения и засорения.
18. Подбор состава бетона должен выполняться лабораторией предприятия-изготовителя бетонной смеси по утвержденному заданию, разработанному технологической службой этого предприятия согласно ГОСТ 27006-86.
Допускается производить подбор состава бетона в центральных лабораториях, научно-исследовательских лабораториях и других организациях по утвержденному заданию на подбор состава бетона.
Приготовление бетона без предварительного подбора его состава запрещается.
19. Изготовление и испытание образцов, определение контрольных характеристик тяжелых бетонов по прочности на сжатие, осевое растяжение, растяжение при раскалывании и изгибе должны производиться в соответствии с ГОСТ 10180-90. Испытание бетонов на морозостойкость - по ГОСТ 10060.0-87 и ГОСТ 10060.4-95, а на водонепроницаемость - по ГОСТ 12730.5-84*.
1. Настоящий подраздел распространяется на легкие бетоны, приготовляемые на цементном вяжущем и пористом крупном заполнителе, пористом или плотном мелком заполнителе.
2. Качество бетона должно соответствовать требованиям ГОСТ 25820-83 и обеспечивать изготовление изделий и конструкций, удовлетворяющих требованиям соответствующих ГОСТ, ТУ, проектной и технологической документации на изделия и конструкции конкретных видов.
3. За показатель прочности бетона на сжатие принимается класс бетона по прочности на сжатие.
Для легких бетонов устанавливаются следующие классы:
- для конструкционных бетонов - -62,5; -В3,5; В 5; В7,5; В10; В12; В15; В20; В 22,5; В25;5 В 35; В 35; В40;
- для теплоизоляционных бетонов - ВО,35; В0,75;В1; В,2.
4. По средней плотности устанавливаются следующие марки легкого бетона: 2)200, .0300, 2)400, 2)500, 2)600, 27700,2)800, 2)900, 2)1000, 2)1100, 2)1200, 2)1300, 2)1400, 2)1500,2)1600, 2)1700, 2)1800, 2)1900, 2)2000.
Марки по средней плотности легкого бетона устанавливаются в сухом состоянии.
5. В зависимости от условий работы изделий и конструкций в соответствии с действующими нормами проектирования устанавливают следующие марки конструкционного бетона по морозостойкости и водонепроницаемости:
- по морозостойкости - F25, F 35, F 50, F 75, F 100, F 150, F 200, F 300, F 400, F 500;
- по водонепроницаемости - W2, W4, W6, W8, W10, W12.
6. Подбор состава легкого бетона, назначение и выдача его в производство, а также обоснование производственно-технических норм расхода материалов производится по ГОСТ 27006-86.
7. Пористые гравий и щебень должны применяться в виде фракций, раздельно дозируемых при приготовлении смеси, с размером зерен от 5 до 10 мм, свыше 10 до 20 мм и свыше 20 до 40 мм. По согласованию изготовителя с потребителем допускается изготовление фракции от 2,5 до10 мм и смеси фракций от 5 до 20 мм, а для теплоизоляционных засыпок - от 5 до 40 мм.
Использование заполнителя фракции 20-40 мм для конструкционных бетонов на гравиеподобных заполнителях не допускается.
При дозировании фракций 5-10 и 10-20 мм содержание фракции 5-10 мм в смеси должно быть от 25 до 50% по объему, при дозировании фракций 5-10, 10-20 и 20-40 мм содержание фракции 20-40 мм в смеси должно быть от 10 до 30% по объему. В гравии и щебне фракций от 2,5 до 10 мм и смеси фракций от 5 до 20 мм содержание зерен размером от 5 до 10 мм должно быть от 25 до 50% по массе.
Зерновой состав крупного заполнителя каждой фракции должен соответствовать показателям, указанным в табл. 11.
Таблица 11
|
Диаметр отверстия контрольного сита, мм |
d |
D |
2D |
|
Полный остаток на сите, %, по массе |
От85 до 100 |
До 10 |
Не допускается |
Наибольший размер зерен крупного пористого заполнителя должен быть не более 3/4 расстояния между арматурными стержнями, 1/3 толщины изделия или конструкции.
8. Марка крупного пористого заполнителя по насыпной плотности для теплоизоляционных бетонов должна быть не более 400, для конструкционных бетонов - не менее 300 и не более 1200, в том числе для конструкционнотеплоизоляционных бетонов - не более 600, а для щебня из шлаковой пемзы, пористых горных пород и отходов промышленности - не более 900.
9. В качестве мелких заполнителей для приготовления легких бетонов должны использоваться:
- для теплоизоляционных бетонов - пористые пески;
- для конструкционно-теплоизоляционных бетонов -пористые пески, золы ТЭС, золошлаковые смеси;
- для конструкционных бетонов - пористые или плотные пески.
Как исключение, допускается применение плотного песка для конструкционно-теплоизоляционных бетонов в случаях, установленных ГОСТ или ТУ на конкретные виды изделий и конструкций при соответствующем технико-экономическом обосновании.
Марка пористого песка по насыпной плотности в зависимости от назначения легкого бетона должна удовлетворять требованиям, указанным в табл. 12.
Таблица 12
|
Вид легкого бетона по назначению |
Марка по насыпной плотности |
|
|
минимальная |
максимальная |
|
|
Теплоизоляционный |
Не нормируется |
300 |
|
Конструкционный |
250 |
1100 |
|
Конструкционно-теплоизоляционный |
250 |
1000 |
10. Песок, в зависимости от зернового состава, подразделяется на три группы:
- для конструкционно-теплоизоляционного бетона;
- для конструкционного бетона;
- для теплоизоляционного бетона.
Зерновой состав песка должен соответствовать показателям, указанным в табл. 13.
Таблица 13
|
Размер отверстия контрольного сита, мм |
Полный остаток на контрольном сите, %, по объему для групп песка |
||
|
1 |
2 |
3 |
|
|
5 |
0-10 |
0-10 |
Не нормируется |
|
1,25 |
20-60 |
30-50 |
То же |
|
0,375 |
45-80 |
65-90 |
» |
|
0,16 |
70-90 |
90-100 |
|
|
Проход через сито 0,16 |
10-30 |
0-10 |
|
11.По согласованию изготовителя с потребителем допускается изготовление песчано-щебеночной смеси с наибольшей крупностью зерен до 10 мм, с содержанием щебня фракции 5-10 - не более 50% по объему.
12. В зависимости от насыпной плотности гравий, щебень и песок подразделяются на марки, приведенные в табл. 14.
Таблица 14
|
Марка по насыпной плотности |
250 |
300 |
350 |
400 |
450 |
500 |
600 |
700 |
800 |
900 |
1000 |
1100 |
|
Насыпная плотность, кг/м3 |
до |
св. |
св. |
св. |
св. |
св. |
св. |
св. |
св. |
св. |
св. |
св. |
|
250 |
250 |
300 |
350 |
400 |
450 |
500 |
600 |
700 |
800 |
900 |
1000 |
|
|
до 300 |
до 350 |
до 400 |
до 450 |
до 500 |
до 600 |
до 700 |
до 800 |
до 900 |
до 1000 |
Д о 1100 |
Предельные значения марок по насыпной плотности для различных видов пористых заполнителей должны соответствовать данным, приведенным в табл. 15.
Таблица 15
|
Наименование материала |
Марки по насыпной плотности |
|
|
минимальная |
максимальная |
|
|
Гравий и щебень керамзитовые |
250 |
600 |
|
Гравий шунгизитовый |
400 |
700 |
|
Гравий аглопоритовый |
500 |
900 |
|
Щебень аглопоритовый |
400 |
900 |
|
Щебень шлакопемзовый |
400 |
800 |
|
Песок керамзитовый и шунгизитовый |
500 |
1000 |
|
Песок аглопоритовый |
600 |
1100 |
|
Песок шлакопемзовый |
700 |
1000 |
Допускается применение керамзитового гравия и щебня марок 700 и 800 для изготовления конструкционных легких бетонов класса В20 и выше.
13. В зависимости от прочности, определяемой испытанием в цилиндре, гравий и щебень подразделяются на марки по прочности (приведены в табл. 16).
Таблица 16
|
Марка по прочности |
Прочность при сдавливании в цилиндре, МПа |
||||
|
керамзитового и шунгизитового гравия |
керамзитового щебня |
аглопоритового |
шлакопемзового щебня |
||
|
гравия |
щебня |
||||
|
П15 |
До 0,5 |
|
|
До 0,3 |
До 0,2 |
|
П25 |
Свыше 0,5 до 0,7 |
- |
|
Свыше 0,3 до 0,4 |
Свыше 0,2 до 0,3 |
|
П35 |
Свыше 0,7 до 1,0 |
Свыше 0,5 до 0,6 |
|
Свыше 0,4 до 0,5 |
Свыше 0,3 до 0,4 |
|
П50 |
Свыше 1,0 до 1,5 |
Свыше 0,6 до 0,8 |
Свыше 0,7 до 1,0 |
Свыше 0,5 до 0,6 |
Свыше 0,4 до 0,5 |
|
П75 |
Свыше 1,5 до 2,0 |
Свыше 0,8 до 1,2 |
Свыше 1,0 до 1,2 |
Свыше 0,6 до 0,7 |
Свыше 0,5 до 0,6 |
|
П100 |
Свыше 2,0 до 2,5 |
Свыше 1,2 до 1,6 |
Свыше 1,2 до 1,5 |
Свыше 0,7 до 0,8 |
Свыше 0,6 до 0,8 |
|
П125 |
Свыше 2,5 до 3,3 |
Свыше 1,6 до 2,0 |
Свыше 1,5 до 1,7 |
Свыше 0,8 до 0,9 |
Свыше 0,8 до 1,1 |
|
П150 |
Свыше 3,3 до 4,5 |
Свыше 2,0 до 3,0 |
Свыше 1,7 до 2,0 |
Свыше 0,9 до 1,0 |
Свыше 1,1 до 1,4 |
|
П200 |
Свыше 4,5 до 5,5 |
Свыше 3,0 до 4,0 |
Свыше 2,0 до 2,5 |
Свыше 1,0 до 1,2 |
Свыше 1,4 до 1,8 |
|
П250 |
Свыше 5,5 до 6,5 |
Свыше 4,0 до 5,0 |
Свыше 2,5 до 3,0 |
Свыше 1,2 до 1,4 |
Свыше 1,8 до 2,2 |
|
ПЗОО |
Свыше 6,5 до 8,0 |
Свыше 5,0 до 6,0 |
Свыше 3,0 до 3,5 |
Свыше 1,4 до 1,6 |
Свыше 2,2 до 2,7 |
|
П350 |
Свыше 8,0 до 10,0 |
Свыше 6,0 до 7,0 |
Свыше 3,5 |
Свыше 1,6 |
Свыше 2,7 |
|
П400 |
Свыше 10 |
Свыше 7,0 до 8,0 |
- |
- |
- |
Марка крупных пористых заполнителей по прочности в зависимости от прочности легкого бетона должна отвечать требованиям, приведенным в табл. 17.
Таблица 17
|
Класс бетона по прочности на сжатие |
Ближайшая марка бетона по прочности на сжатие |
Минимальная марка заполнителя по прочности |
|
В2,5 |
М35ш менее |
П15 |
|
В3,5 |
М50 |
П25 |
|
В5 |
М75 |
П35 |
|
В7,5 |
М100 |
П50 |
|
В10 |
М150 |
П75 |
|
В15 |
М200 |
П100 |
|
В17,5 |
М250 |
П125 |
|
В20 |
М300 |
П150 |
|
В25 |
М350 |
П200 |
|
В30 |
М400 |
П250 |
|
В35 |
М450 |
ПЗОО |
|
В40 |
М500 |
П350 |
14. Гравий и щебень должны быть морозостойкими и обеспечивать требуемую марку легкого бетона по морозостойкости. Потеря массы после 15 циклов попеременного замораживания и оттаивания не должна превышать 8 %.
15. Структура аглопоритового гравия и щебня и шлакопемзового щебня должна быть устойчивой против силикатного распада.
Потеря массы при определении стойкости против силикатного распада должна быть, %, не более:
- 5 - для шлакопемзового щебня;
- 8 - для аглопоритовых гравия и щебня.
Потеря массы при кипячении должна быть, %, не более:
- 5 - для керамзитового гравия и щебня;
- 4 - для шунгизитового гравия.
Потеря массы при прокаливании должна быть, %, не более:
- 3 - для аглопоритовых гравия и щебня;
- 5 - для аглопоритового песка.
Содержание слабообожженных зерен должно быть, % по массе, не более:
- 5 - для аглопоритовых гравия и щебня;
- 3 - для керамзитового песка, полученного в печах кипящего слоя.
16. Потребитель имеет право проводить контрольную проверку соответствия гравия, щебня и песка техническим требованиям, применяя порядок отбора проб и методы испытаний в соответствии с ГОСТ 9758-86.
17. Количество поставляемых гравия, щебня и песка определяют по объему или массе. Объем поставляемого материала определяют обмером его в вагоне или автомобиле. Полученный объем умножают на коэффициент уплотнения при транспортировании, устанавливаемый по согласованию изготовителя с потребителем, но не более 1,15.
Количество поставляемого гравия, щебня и песка из весовых единиц в объемные пересчитывают по значению насыпной плотности, определяемой в состоянии фактической влажности. Каждую партию гравия, щебня и песка сопровождают документом о качестве. По требованию потребителя в документе о качестве сообщают теплопроводимость и удельную активность естественных радионуклидов.
18. Гравий и щебень следует хранить раздельно по фракциям и маркам по насыпной плотности и прочности, песок - по маркам. При хранении гравий, щебень и песок не должны подвергаться засорению.
1.В настоящем подразделе рассматриваются требования к строительным растворам, приготовленным на основе неорганических вяжущих материалов и применяемым для каменных кладок, при монтаже крупнопанельных и крупноблочных стен и сборных железобетонных элементов сооружений, при отделочных работах и для инъецирования в каналы предварительно напряженных железобетонных конструкций.
2. Каждая партия растворов, доставляемых с централизованных предприятий, должна иметь паспорт, в которому показывают дату и время приготовления, марку, подвижность, а для сухих смесей - фактическую влажность, которая не должна превышать 1%. Ежедневно и при каждом изменении состава раствора в строительной лаборатории контролируются его прочность, подвижность и расслаиваемость. Водоудерживающая способность контролируется в случае применения новых видов вяжущих материалов.
3. Контроль качества применяемых растворов осуществляется на месте производства работ путем проверки правильности отбора проб и проведения соответствующих испытаний (ГОСТ 5802-86).
Количественные характеристики качества раствора включают в себя следующие показатели:
- подвижность, плотность, расслаиваемость, водоудерживающая способность смеси;
- прочность, средняя плотность, влажность, водопоглощение;
- морозостойкость раствора.
4. Определение подвижности, плотности растворной смеси и прочности на сжатие раствора является обязательным для всех видов раствора. Другие свойства растворных смесей и раствора определяются в случаях, предусмотренных проектом или правилами производства работ.
5. Определение расслаиваемое™ производится в тех случаях, когда хранение или транспортирование растворов может вызвать их расслоение или нарушение однородности. Расслоившиеся растворы перед их применением должны быть перемешаны на месте работ.
6. Контрольные испытания для определения предела прочности растворов в целях установления их марки производятся при каждом изменении качества материалов и состава растворов. На каждые 250 м3 кладки или на каждый объект производится не менее одного испытания.
7. Определение подвижности растворной смеси должно осуществляться не менее трех раз в смену. Подвижность растворной смеси должна соответствовать требованиям, приведенным в табл. 18.
Таблица 18
|
Наименование раствора |
Подвижность |
раствора, см |
|
при механизированном нанесении |
при ручном нанесении |
|
|
Для кладочных растворов |
||
|
Кирпичная кладка |
- |
7-13 |
|
Бутовая кладка |
1-3 |
4-7 |
|
Бутовая кладка под залив |
- |
13-15 |
|
Заполнение горизонтальных швов, расшивка горизонтальных швов и вертикальных швов при монтаже панелей и блоков |
- |
5-7 |
|
Для обычных штукатурок |
||
|
Подготовительные слои |
6-10 |
8-12 |
|
Отделочные слои: |
|
|
|
растворы, содержащие гипс |
9-12 |
9-12 |
|
растворы без гипса |
7-8 |
7-8 |
8. Контроль приготовления растворов включает:
- проверку качества составляющих материалов (вяжущего, заполнителя, воды), которые должны соответствовать требованиям, изложенным в настоящем разделе;
- проверку правильности применения вида вяжущего материала в зависимости от назначения изготовляемого раствора в соответствии с требованиями, приведенными в Приложениях 3 и 4;
- проверку результатов испытаний растворов в соответствии с п.п. 2-7 настоящего подраздела.
В процессе контроля за приготовлением растворов особое внимание следует обратить на правильность дозировки и перемешивания, на обеспечение оптимальных свойств растворов для работ в уличных условиях, растворов для инъецирования в каналы предварительно напряженных железобетонных конструкций, а также гидроизоляционных растворов.
9. Растворы, предназначенные для ведения работ при отрицательных температурах, должны иметь марку не ниже:
а) для кирпичной кладки из камней правильной формы:
- стен и фундаментов - 10;
- столбов, карнизов и перемычек - 25;
б) для бутовой кладки:
- стен и фундаментов - 25;
- столбов - 50;
в) для заполнения швов между блоками и панелями -100.
Марка кладочного раствора при использовании противоморозных добавок не должна быть менее 50.
Количество вводимых добавок зависит от их вида, температуры наружного воздуха и может составлять до 10 % от массы цемента.
10. Растворы, применяемые для нагнетания в каналы предварительно напряженных железобетонных элементов, должны обладать водоотделениями не более 2%, оптимальной вязкостью (при нормальной густоте цементного теста 22-28% водоцементное отношение раствора должно быть 0,35-0,45), иметь прочность не менее 30 МПа и морозостойкость, предусмотренную проектом. Для приготовления инъекционных растворов должен применяться портландцемент марок не менее 400 и песок крупностью до 1 мм.
11. Для гидроизоляционных покрытий должен использоваться цементно-песчаный раствор состава 1: 2-1: 4 на основе портландцемента марки 400 с уплотняющими и гидравлическими добавками, водонепроницаемого безусадочного цемента (ВБЦ) или водонепроницаемого расширяющегося цемента (ВРЦ). Толщина нанесения слоев 6-10 мм, раствор наносят методом торкретирования.
В качестве заполнителя используются мелкозернистый песок с крупностью частиц не более половины толщины наносимого слоя, но не свыше 5 мм.
При использовании портландцемента в состав раствора должны вводиться уплотняющие добавки:
- церезит в виде церезитового молока состава 1: 10;
- алюминат натрия в количестве 1,5 % массы цемента;
- абиетат натрия в количестве 0,02-0,05 % массы цемента в сочетании с хлористым кальцием (0,075 %) или сульфатно-дрожжевой бражкой (0,02 %);
- хлористое железо в количестве 0,3-1 % массы цемента в пересчете на сухое вещество (вводится в виде водного раствора);
- жидкое стекло в количестве 1,5-2,5 % массы цемента в комбинации с 0,25 % сульфатно-дрожжевой бражки (плотность растворимого стекла 1,425 г/см3).
1. Контроль качества сборных железобетонных и бетонных конструкций, изделий осуществляется на стадиях: - изготовления;
приемки и хранения их на строительной площадке;
монтажа.
2. На стадии изготовления изделий осуществляется:
- входной контроль используемых материалов и комплектующих изделий:
1) вяжущих;
2) заполнителей для бетона;
3) добавок и др. материалов;
4) стали, применяемой для изготовления арматурных и закладных изделий;
5) закладных и арматурных изделий, поставляемых в готовом виде;
6) комплектующих деталей, отделочных, изоляционных и др. материалов;
- операционный контроль во время и после завершения каждой технологической операции по изготовлению изделий:
1) состав и свойства бетонной смеси;
2)вид, диаметр арматуры, размеры стержней и арматурных элементов;
3) качество сварных соединений;
4) положение арматурных и закладных изделий в форме;
5) натяжение арматуры;
6) геометрические размеры и качество смазки;
7) параметры технологических режимов производства:
приготовление бетонных смесей;
изготовление арматурных изделий;
формование изделий;
тепловая обработка изделий;
- приемочный контроль готовых изделий на основании данных входного и операционного контроля, а также приемо-сдаточных (прочность бетона, прочность сварных соединений, соответствие арматурных и закладных изделий рабочим чертежам, геометрические размеры изделий, толщина защитного слоя бетона и ширина раскрытия трещин, категория поверхности) и периодических (прочность, жесткость и трещиностойкость изделий, марка бетона по морозостойкости, марка бетона по водонепроницаемости, теплопроводность, и стираемость, водопоглощение, плотность тяжелого бетона, влажность легкого бетона) испытаний.
3. При производстве сборных конструкций на предприятиях производится статистический контроль и приемка
бетона на прочность с учетом однородности в соответствии с требованиями ГОСТ 18105-86*. Контролю подлежат:
- отпускная прочность бетона;
- передаточная прочность бетона;
- прочность бетона в проектном возрасте.
Определение прочности бетона производят на основе результатов испытаний образцов бетона согласно ГОСТ 10180-90 либо неразрушающими методами.
4. Периодические испытания при производстве сборных конструкций на предприятиях проводят перед началом изготовления изделий, при изменении их конструкции, технологии изготовления, но не реже одного раза в 6 мес.
Испытания по морозостойкости проводят в соответствии с ГОСТ 10060-87, по определению плотности, влажности, водопоглощения, пористости и водонепроницаемости - ГОСТ 12730.1 (2,3,4)-78, 12730.5-84, по определению истираемости - ГОСТ 13087-81.
Испытание изделий нагружением и оценка прочности, жесткости и трещиностойкости проводятся в соответствии с ГОСТ 8829-94.
5. На стадии изготовления контролируются:
- качество и дозировка компонентов бетонной смеси (вяжущие материалы, заполнители, добавки);
- вид, класс и марка арматурной стали и закладных частей;
соблюдение технологических процессов производства (сборка и установка арматурных каркасов, натяжение арматуры, время перемешивания и параметры уплотнения бетонной смеси, режимы тепловой обработки и т. п.);
полнота контроля качества конструкций, изделий и соблюдение правил контроля завода-изготовителя.
6. Поставка и приемка конструкций, изделий должны производиться партиями. В состав партии включают конструкции, изделия одного типа, последовательно изготовленные предприятием по одной технологии в течение не более одних суток из материалов одного вида. Для крупногабаритных конструкций, объемных элементов и изделий для особо ответственных сооружений требуется их поштучная поставка и приемка. Поставляемые конструкции должны отвечать требованиям ГОСТ, ТУ, рабочим чертежам.
7. Каждая партия должна сопровождаться документом о качестве, который хранится на строительной площадке, а затем при сдаче объекта передается заказчику.
8. На каждом изделии изготовителем должны быть нанесены маркировочные надписи (в соответствии с требованием ГОСТ 13015.2-81):
- марка изделия;
- наименование предприятия-изготовителя;
- штамп ОТК;
- дата изготовления.
Место нанесения маркировки устанавливается стандартом или ТУ на конкретное изделие.
9. При приемке изделий и конструкций на строительной площадке определяется их пригодность по внешнему виду путем проверки точности изготовления изделий и соответствия качества поверхностей установленному эталону отделки изделий.
10. Внешнему осмотру подвергаются все изделия в целях обнаружения трещин, раковин, отколов, обнажений арматуры, явных отклонений геометрических размеров и формы от норм. Размеры и геометрическая форма проверяются выборочно одноступенчатым контролем. Объем выборки зависит от объема партии и определяется по табл. 19.
Таблица 19
|
Объем партии конструкций |
Объем выборки, шт. |
|
До 25 |
5 |
|
От 25 до 90 |
8 |
|
От 91 до 280 |
13 |
|
От 281 до 500 |
20 |
|
От 501 до 1200 |
32 |
|
От 1201 до 3200 |
50 |
11. Контролируются геометрические размеры изделий, размеры и правильность расположения отверстий, каналов, борозд, выемок, выступов, закладных деталей, состояние поверхности и т. п.
Размеры изделий и величина отклонений должны соответствовать указаниям в рабочих чертежах или ГОСТ, ТУ на изделия. Значения действительных отклонений геометрических размеров сборных изделий не должны превышать предельных, указанных в табл. 20 и Приложении 11.
Таблица 20
|
Наименование изделий |
Допускаемые отклонения, мм |
||
|
длины |
ширины |
Высоты, толщины |
|
|
Перемычки длиной: |
|
|
|
|
До 2500 |
±6 |
±5 |
±5 |
|
Свыше 2500 до 4000 |
±8 |
±5 |
±5 |
|
Свыше 4000 |
±10 |
±5 |
±5 |
|
Плиты перекрытий многопустотные |
|
|
|
|
длиной и шириной: |
|
|
|
|
До 2500 |
±6 |
±6 |
±5 |
|
Свыше 2500 до 4000 |
±8 |
±8 |
±5 |
|
Свыше 4000 до 8000 |
+10 |
±10 |
+5 |
|
Свыше 8000 |
±12 |
±12 |
±5 |
|
Панели для перекрытий сплошные |
|
|
|
|
длиной и шириной: |
|
|
|
|
До 4000 |
±5 |
±5 |
±5 |
|
Свыше 4000 |
±8 |
±8 |
±5 |
|
Панели стеновые наружные |
|
|
|
|
длиной и высотой: |
|
|
|
|
От 1000 до 1600 |
+3 |
±3 |
±4 (при толщи- |
|
Свыше 1600 до 2500 |
±4 |
±4 |
не до 250 мм) |
|
Свыше 2500 до 4000 |
±5 |
+5 |
±5 (при толщи- |
|
Свыше 4000 до 8000 |
±6 |
±6 |
не более |
|
|
|
|
25б мм) |
|
Панели стеновые внутренние длиной: |
|
|
|
|
До 2500 |
±6 |
±5 |
±3 (при толщи- |
|
Свыше 2500 до 4000 |
±8 |
±5 |
не до 100 мм) |
|
Свыше 4000 |
±10 |
±6 |
±5 (более |
|
|
|
|
100 мм) |
|
Блоки стеновые длиной: |
|
|
|
|
До 4000 |
±5 |
±5 |
±5 |
|
Свыше 4000 |
±6 |
|
|
|
Плиты перекрытий ребристые |
|
|
|
|
шириной: |
|
|
|
|
935 |
|
+4 |
|
|
1485 |
±10 |
±5 |
±5 |
|
2985 |
|
±8 |
|
|
Колонны длиной: |
|
|
|
|
До 4000 |
±12 |
±4 (поперечное сечение |
|
|
Свыше 4000 до 8000 |
±15 |
до 250 мм) |
|
|
Свыше 8000 до 16 000 |
±20 |
±5 (поперечное сечение |
|
|
Свыше 16 000 |
±25 |
свыше 250 до 500 мм) |
|
|
Прогоны, ригели |
±6 |
±5 |
±5 |
|
Блоки фундаментные |
±20 |
±20 |
±10 |
12. Правильность расположения арматуры и толщина защитного слоя бетона должны проверяться путем вырубки борозд. Защитный слой бетона для продольной рабочей арматуры должен быть, как правило, не менее диаметра стержня и значений, указанных в табл. 21.
Таблица 21
|
Наименование изделий |
Защитный слой бетона, мм |
|
Плиты и стенки толщиной: |
|
|
До 100 включительно |
10 |
|
Свыше 100 |
15 |
|
Балки и ребра высотой: |
|
|
Менее 250 |
15 |
|
250 и более Колонны Фундаменты сборные |
20 20 30 |
13. Стальные закладные детали, анкеры должны быть изготовлены из стали вида и класса, указанных в проекте. Размеры деталей и их расположение должны соответствовать указаниям в рабочих чертежах или ТУ.
Отклонения по толщине деталей должны быть в пределах допусков на листовую или полосовую сталь, из которой изготовлены детали.
Рабочие плоскости закладных деталей должны быть заделаны заподлицо с плоскостью изделия или выступать над ней не более 3 мм. Смещение осей закладных деталей от их проектного положения не должно превышать ±5 мм. Закладные детали, которые могут подвергаться в процессе эксплуатации коррозии, должны иметь антикоррозийную защиту.
14. Бетонные поверхности конструкций подразделяются на категории А1-А7 (ГОСТ 13015.0-83). В зависимости от категории, устанавливаемые ГОСТ и ТУ на конструкции конкретных видов, размеры раковин, местных наплывов и впадин на бетонной поверхности и сколов ребер не должны превышать значений, указанных в табл. 22.
Таблица 22
|
Категория бетонной поверхности конструкции |
Диаметр или наибольший размер раковин, мм |
Высота местного наплыва (выступа) или глубина впадины, мм |
Глубина скола бетона на ребре, измеряемая по поверхности конструкции, мм |
Суммарная длина сколов бетона на 1 м ребра, мм |
|
А1 |
Глянцевая |
по эталону |
2 |
20 |
|
А2 |
1 |
1 |
5 |
50 |
|
А3 |
4 |
2 |
5 |
50 |
|
А4 |
10 |
1 |
5 |
50 |
|
А5 |
Не регламентируется - |
3 |
10 |
1000 |
|
А6 |
15 |
5 |
10 |
100 |
|
А7 |
20 |
Не регламентируется - |
20 |
Не регламентируется - |
Не допускаются: на поверхности конструкций участки неуплотненного бетона, на лицевых поверхностях - жировые и ржавые пятна, а также трещины в бетоне конструкций. Открытые поверхности стальных закладных изделий, выпуски арматуры, монтажные петли и строповочные отверстия должны быть очищены от наплывов бетона. Допуски на строительные изделия и конструкции, выпускаемые предприятиями строительной индустрии, приведены в Приложении 11.
15. Величина отпускной прочности бетона конструкций и изделий должна быть не менее нормируемых значений, указанных в табл. 23.
Таблица 23
|
Виды бетона |
Нормируемая отпускная прочность, %, от класса или марки бетона по прочности на сжатие |
|
|
в теплый период года |
в холодный период года |
|
|
Тяжелый, легкий бетон |
70 |
85 |
|
класса В12,5 и выше |
|
|
|
Легкий бетон класса |
80 |
90 |
|
В10 |
|
|
|
и ниже |
|
|
|
Автоклавный бетон |
100 |
100 |
16. Прочность бетона следует определять по ГОСТ 10180-90 на серии образцов, изготовленных из бетонной смеси рабочего состава и хранившихся в условиях по ГОСТ 18105.1-86*, морозостойкость - по ГОСТ 10060-95.
17. Маркировка конструкций и изделий должна производиться по ГОСТ 13015.2-81*. Маркировочные надписи и знаки следует наносить на торцевой стороне или на концевом участке конструкции несмываемой краской.
18. Транспортировать и хранить конструкции, изделия следует в соответствии с требованиями ГОСТ 13015.4-84 или ТУ на конкретные виды конструкций. Условия хранения и транспортирования должны обеспечивать сохранность конструкций и изделий от повреждений.
Конструкции и изделия должны укладываться на деревянные прокладки, располагаемые в установленных местах. По ГОСТ или ТУ на конструкции конкретных видов прокладки необходимо располагать строго по одной вертикали при хранении конструкций, изделий в штабеле.
Все конструкции и изделия при хранении должны быть рассортированы по видам и маркам.
1. Указания настоящего подраздела распространяются на следующие виды стеновых материалов: кирпич и камни керамические (ГОСТ 530-95, ГОСТ 7484-78); кирпич и камни силикатные (ГОСТ 379-95); камни стеновые из горных пород (ГОСТ 4001-84); камни стеновые бетонные(ГОСТ 6133-84).
2. Стеновые материалы должны иметь размеры, соответствующие данным табл. 24, и форму прямоугольного параллелепипеда.
3. Толщина наружных стенок керамического кирпича и камней должна быть не менее 12 мм. Ширина щелевидных пустот должна быть не более 16 мм, а диаметр цилиндрических сквозных пустот и размер стороны квадратных пустот - не более 20 мм. Поверхность граней может быть рифленой. Допускается изготовление кирпича и камней с закругленными углами радиусом закругления до15 мм.
Таблица 24
|
Стеновые материалы |
Размеры, мм |
||
|
длина |
ширина |
толщина |
|
|
Кирпич керамический |
250; |
120; |
65; 88; |
|
|
288 ±5 |
138 ±4 |
63 ±3 |
|
Камень керамический |
250; |
120; 138, |
138 ±4 |
|
|
288 ±5 |
250 ±4 |
|
|
Камни керамические с горизон- |
250 ±5 |
250; |
120, 80 ±4 |
|
тальным расположением пустот |
|
200 ±4 |
|
|
Кирпич силикатный * |
250 ± 2 |
120 ±2 |
65 и 88 ± 2 |
|
Камень силикатный пустотелый ** |
250 ±2 |
120 ±2 |
138 ±2 |
|
Камни стеновые из горных по- |
390 и |
190 и |
188 и |
|
род** (тип I, II, III) |
490 ±6 |
240 ±4 |
288 ±4 |
|
* Отклонения размеров для лицевого кирпича и камней. ** Отклонения размеров для лицевых камней при открытой добыче. |
|||
Размер цилиндрических сквозных пустот по наименьшему диаметру должен быть не более 16 мм, ширина щелевидных пустот - не более 12 мм. Допускаются следующие отклонения:
- непрямолинейность ребер и граней кирпича и камней по постели не более 3 мм, по ложку - не более 4 мм;
- отбитости углов глубиной от 10 до 15 мм в количестве не более двух на одном кирпиче;
- трещины протяженностью по постели полнотелого кирпича до 30 мм и пустотелых изделий не более, чем до первого ряда пустот, в количестве не более одной на ложковых гранях и не более одной на тычковых гранях.
4. Толщина наружных стенок силикатного кирпича и камней, примыкающих к пустотам, должна быть не менее 10 мм. Пустоты в кирпиче и камнях должны располагаться перпендикулярно их постелям.
Трещины в рядовом кирпиче и камнях, пересекающие два смежных ребра одной ложковой грани и протяженностью до 40 мм по постели, в количестве более одной на изделии не допускаются. Количество изделий с указанными трещинами в партии не должно быть более 10%. Цвет и тон лицевых изделий должны соответствовать утвержденному в установленном порядке цвету и тону образца-эталона. Пятна на поверхностях не допускаются. Допускаются следующие отклонения:
- не параллельность лицевых и рядовых кирпичей и камней до 2 мм;
- отбитости углов глубиной от 10 до 15 мм не более одной штуки для лицевых и не более трех штук для рядовых кирпичей и камней;
- шероховатости или срыв не лицевой грани глубиной до 3 мм для лицевых кирпичей и камней и до 5 мм -для рядовых;
- проколы верхней постели пустотелых изделий до10 мм;
- включения песка, глины и др. размером свыше. 5 мм в изломе для лицевых кирпичей и камней в количестве не более двух штук, а для рядовых - не более трех штук.
Недогас (дефекты от недогашенной смеси) не допускается. Вздутие и шелушение поверхности, увеличение объема, наличие мелких трещин от непогасившейся силикат-смеси также не допускаются.
5. Количество половняка в партии не должно быть более 5% -для керамического кирпича и камней, а для силикатного кирпича и камней в партии лицевых изделий -не более 2%, рядовых – 3 %.
6. Недожог и пережог керамического кирпича и камней являются браком; поставка таких изделий потребителю не допускается.
7. Стеновые материалы согласно установленному делению на марки должны иметь прочностные показатели, не менее приведенных в табл. 25.
8. Кирпич и камни в насыщенном водой состоянии должны выдерживать без каких-либо признаков видимых повреждений (расслоение, шелушение, растрескивание, выкрашивание) не менее 15, 25, 35, 50 циклов попеременного замораживания и оттаивания в зависимости от марки поморозостойкости.
Потеря прочности при сжатии образцов, испытанных на морозостойкость, не должна превышать 25% марочной прочности.
9. Водопоглощение кирпича и камней, высушенных до постоянной массы, должно быть для полнотелого керамического кирпича не менее 8 %, для пустотелых керамических изделий и силикатных камней и кирпича – 6 %.
10. Камни стеновые из горных пород подразделяются на рядовые и лицевые. Рядовые камни предназначены для кладки стен зданий и сооружений с последующим оштукатуриванием, лицевые -для кладки стен зданий и сооружений без последующей облицовки и оштукатуривания.
Таблица 25
|
Марка кирпича и камней |
Предел прочности, МПа |
|||||||||||
|
при сжатии |
при изгибе |
|||||||||||
|
для всех видов керамического кирпича и камней, силикатного кирпича |
для полнотелого керамического кирпича пластического формования |
для полнотелого керамического кирпича полусухого формования и пустотелого |
для утолщенного керамического кирпича |
одинарного и утолщенного полнотелого силикатного кирпича |
утолщенного пустотелого силикатного кирпича |
|||||||
|
Средний для 5 образцов |
Наименьший для отдельного образца |
Средний для 5 образцов |
Наименьший для отдельного образца |
Средний для 5 образцов |
Наименьший для отдельного образца |
Средний для 5 образцов |
Наименьший для отдельного образца |
Средний для 5 образцов |
Наименьший для отдельного образца |
Средний для 5 образцов |
Наименьший для отдельного образца |
|
|
300 |
30,0 |
25,0 |
4,4 |
2,2 |
3,4 |
1,7 |
2,9 |
1,5 |
4,0 |
2,7 |
2,4 |
1,8 |
|
250 |
25,0 |
20,0 |
4,9 |
2,0 |
2,9 |
1,5 |
2,5 |
1,3 |
3.5 |
2.3 |
2,0 |
1,6 |
|
200 |
20,0 |
17,5 |
3,4 |
1,7 |
2,5 |
1,3 |
2,3 |
1,1 |
3,2 |
2,1 |
1,8 |
1,3 |
|
175 |
17,5 |
15,0 |
3,1 |
1,5 |
2,3 |
1Д |
2,1 |
1,0 |
- |
|
|
|
|
150 |
15,0 |
12,5 |
2,8 |
1,4 |
2,1 |
1,0 |
1,9 |
0,9 |
2,7 |
1.8 |
1,5 |
1,2 |
|
125 |
12,5 |
10,0 |
2,5 |
1,2 |
1,9 |
0,9 |
1,6 |
0,8 |
2,4 |
1,6 |
1,2 |
0.9 |
|
100 |
10,0 |
7,5 |
2,2 |
1,1 |
1,6 |
0,8 |
1,4 |
0,7 |
2,0 |
1,3 |
1,0 |
0,7 |
|
75 |
7,5 |
5,0 |
1,18 |
0,9 |
1,4 |
0,7 |
1,2 |
0,7 |
1,6 |
1,1 |
0,8 |
0.5 |
|
Для керамического кирпича и камней с горизонтальным расположением пустот |
||||||||||||
|
50 |
5,0 |
3,5 |
|
|
|
|
|
|
„ |
|
|
|
|
35 |
3,5 |
2,5 |
- |
- |
- |
- |
- |
- |
- |
- |
_ |
- |
|
25 |
2,5 |
1,5 |
- |
- |
- |
- |
- |
- |
- |
- |
- |
- |
Камни следует изготовлять из горных пород с физико-механическими показателями, указанными в табл. 26.
Таблица 26
|
Наименование показателя |
Норма |
|
Средняя плотность (объемная масса), кг/м3, не более |
2100 |
|
Водопоглощение, %, не более |
|
|
- для туфов и опок |
50 |
|
- для известняков и других пород |
30 |
|
Морозостойкость, циклы, не менее |
15 |
|
Потеря прочности на сжатие после испытаний на |
25 |
|
морозостойкость, %, не более |
|
|
Коэффициент размягчения, не менее |
0,6 |
Допускаются следующие отклонения от номинальных размеров и показателей внешнего вида камней:
- отклонение от перпендикулярности граней должно быть не более 4 мм для высшей категории качества и не более 6 мм - для первой;
- отклонение от плоскости граней не должно быть более 4 мм для высшей категории качества и не более 6 мм - для первой;
- длина скола ребер поврежденного угла не должна превышать 15 мм для высшей категории качества лицевых камней и 20 мм - для первой категории качества.
11. Камни стеновые бетонные устанавливаются двух видов: рядовые и лицевые.
Отклонения от номинальных размеров камней и показателей их внешнего вида не должны превышать данных, указанных в табл. 27.
Таблица 27
|
Наименование показателей |
Значения отклонений |
|
|
рядовых камней |
лицевых камней |
|
|
Отклонения от размеров, мм: |
|
|
|
по длине |
±4 |
±4 |
|
по ширине |
±3 |
±3 |
|
по высоте |
+4 |
±4 |
|
Отклонения от прямолинейности ребер и плоскостей граней, мм |
6 |
4 |
|
Число отбитых ребер и углов глубиной до 20 мм и протяженностью по ребру до 100 мм |
3 |
2 |
|
Число камней с трещинами, пересекающими одно или два смежных ребра, % от партии, не более |
10 |
5 |
Цвет лицевых поверхностей лицевых камней должен соответствовать образцам-эталонам. Жировые и другие пятна размером более 10 мм на лицевых поверхностях не допускаются.
12. Предел прочности камней при сжатии в зависимости от марки по прочности должен быть не менее значений, указанных в табл. 28.
Таблица 28
|
Марка камней |
Предел прочности при сжатии, МПа, не менее |
Марка камней |
Предел прочности при сжатии, МПа, не менее |
||
|
средний для трех образцов |
наименьший из отдельных образцов |
средний для трех образцов |
наименьший из отдельных образцов |
||
|
200 |
20 |
15 |
75 |
7,5 |
5,0 |
|
150 |
15 |
12,5 |
50 |
5,0 |
3,5 |
|
125 |
12,5 |
10,0 |
35 |
3.5 |
2,8 |
|
100 |
10 |
7,5 |
25 |
2,5 |
2,0 |
Отпуск камней потребителю производится только по достижению ими отпускной прочности при сжатии, определяемой при испытании целых камней.
Отпускная прочность, в процентах от проектной марки по прочности на сжатие, не должна быть менее:
50 - для камней марок 100 и выше;
75 -для камней марок 75 и ниже;
100 -для камней марок 25 и камней из бетонов, изготовленных с автоклавной обработкой.
13. Отпускная влажность гипсобетонных камней не должна быть более 12 %, по согласованию изготовителя с потребителем допускается выпускать с влажностью до 25 %.
14. Контроль качества поставляемых на строительную площадку стеновых материалов должен быть организован о ГОСТ 24297-87 «Входной контроль продукции». Проверку качества проводят, применяя порядок отбора образцов и проведения их испытаний согласно требованиям стандарта на конкретный вид продукции. В результате контроля устанавливают соответствие полученных результатов испытаний указанным в документе о качестве и требуемым стандартом. Приемка производится партиями. Партия кирпича или камней устанавливается в количестве не более точной выработки одной печи завода или партии, выгруженной из одного или нескольких автоклавов, но не более 100 тыс. шт., а для стеновых камней из горных пород - не более 200 м3. Партия должна состоять из одного и да кирпича или камней одних марок по прочности и морозостойкости. Изделия отбираются разных клеток или оддонов в заранее согласованной последовательности. Отобранные изделия проверяются на соответствие требованиям стандарта по размерам и показателям внешнего вида, а затем испытываются.
1. В настоящем подразделе рассматривается порядок контроля качества и приемки стального проката, металлической арматуры для железобетонных конструкций, сварочных материалов, металлических конструкций зданий и сооружений.
2. Контроль качества металлов, металлических изделий и конструкций осуществляется путем проверки наличия документации, подтверждающей их качество, а также правильности выполнения необходимых испытаний согласно ГОСТ.
3. Стальной прокат сортовой, фасонный, листовой и широкополосный, предназначенный для строительных металлических конструкций зданий и сооружений, а также для армирования железобетонных конструкций и изделий, должен быть изготовлен из определенных марок сталей:
- стали углеродистые обыкновенного качества (ГОСТ 380-88*);
- стали легированные конструкционные (ГОСТ 4543-71*);
- стали высоколегированные (ГОСТ 5632-72*);
- стали, приготовляемые по техническим условиям, утвержденным в установленном порядке.
4. Завод-изготовитель подтверждает качество стали и ее соответствие ГОСТ и ТУ сертификатом установленной формы. В сертификате должно быть указано:
- наименование завода-изготовителя и организации, в систему которой входит завод;
- наименование заказчика;
- группа поставки, марка стали, способ выплавки;
- категория стали, номер поставки и химический состав (при поплавочной поставке партии);
- профиль и размеры партии;
- масса и номер партии.
Сертификат должен быть подписан начальником ОТК или его заместителем, а также представителем технической приемки заказчика (при наличии ее на заводе-изготовителе). Если партия состоит из нескольких вагонов, сертификат выдается на каждый вагон отдельно.
5. При приемке проката должен осуществляться входной контроль качества путем сопоставления результатов внешнего осмотра с результатами контрольных испытаний и замеров, а также данных, приведенных в сертификатах,с требованиями соответствующих ГОСТ или ТУ.
6. Контрольные испытания механических свойств при приемке должны производиться в следующих случаях:
- при поступлении стали без сертификатов;
- при сомнительных данных, приведенных в сертификатах.
Правила отбора проб указываются в соответствующих ГОСТ и ТУ на стали.
7. Сталь, применяемая для несущих строительных конструкций, должна
удовлетворять: требованиям по механическим свойствам, пределу текучести GТ,
временному сопротивлению
рв и
относительному удлинению при разрыве
Lp. Сталь
для конструкций, подвергающихся динамическому воздействию, должна дополнительно
удовлетворять требованиям к ударной вязкости.
8. Сталь для конструкций, эксплуатируемых при отрицательной температуре, должна проверяться испытанием на ударную вязкость при минус 20°С, а для сварных конструкций, подвергающихся динамическому воздействию, кроме того, на ударную вязкость после механического старения. Сталь, предназначенная для изготовления гнутых элементов, должна удовлетворять требованиям испытания на изгиб в холодном состоянии.
9. Вид и марка стали для разных элементов конструкций устанавливаются проектом (чертеж КМ).
Прокатная сталь при внешнем осмотре не должна иметь закатов, раковин, отслоений и отколов. Не допускается скручивания вокруг продольной оси отдельных стержней.
Кривизна отдельных стержней проката допускается в пределах:
а) для сортового проката: местная - 5 мм на 1 м; общая - 5 мм´l;
б) для уголковой стали: местная - 4 мм на 1 м; общая - 4 мм´ l;
в) для двутавров и швеллеров: местная - 2 мм на 1 м; общая - 2 мм´l
где l - длина стержня в м.
12. Отклонение длины отдельных стержней против предусмотренных сортаментом допускается в следующих пределах:
- сортового проката и уголковой стали при / до 4 м -+30 мм, при /до 6 м - +50 мм, при / более 6 м - +70 мм;
- двутавров и швеллеров при / до 8 м - +40 мм, при/ более 8м - +80 мм.
13. Сортовая сталь размером до 30 мм и тонколистовая сталь толщиной до 4 мм должны поставляться в плотно скрепленных пачках (связках, пакетах). Масса пачек при ручной погрузке - до 80 кг, а при механизированной -до 10 т. На каждую пачку должны быть привешены две металлические бирки, на которых выбиты: товарный знак завода-изготовителя, клеймо ОТК, марка стали и номер плавки. Сортовая, фасонная и листовая сталь, масса 1м которой превышает 20 кг, при поступлении россыпью должна быть замаркирована клеймами на расстоянии 50-100 мм от торца, а места, где выбиты знаки, должны быть обведены краской.
14. Сталь маркируется путем окраски торцов или концов прутков или целых пачек в соответствии с ГОСТ несмываемой краской следующих цветов:
Ст0 - красный и зеленый; Ст1 - белый и черный; Ст2 - желтый; Ст3 - красный; Ст4 - черный; Ст5 - зеленый; Ст6 - синий.
15. Стальной прокат должен перевозиться и храниться в штабелях по профилям и размерам на деревянных подкладках.
16. Арматурная сталь для железобетонных конструкций и изделий по технологии ее изготовления и условиям применения подразделяется на классы. Арматурная сталь должна иметь гарантированные показатели механических свойств (предел текучести, временное сопротивление растяжению, относительное удлинение при растяжении, угол загиба в холодном состоянии). Основные механические характеристики должны соответствовать минимально допустимым пределам, указанным в табл. 29.
Таблица 29
|
Класс арматурной стали |
Марки стали |
Номинальный диаметр стержня ном, мм |
Предел текучести, МПа |
Временное противление, МПа, не менее |
Относительное удлинение, % |
Изгиб в холодном состоянии (угол изгиба, диаметр оправки d) |
|
А-1 |
СтЗ |
6-40 |
235 |
373 |
25 |
180° |
|
|
|
|
|
|
|
d = 0,5 ном |
|
А-II |
Ст5 |
10-40 |
294 |
490 |
19 |
180° |
|
|
18Т2С |
40-80 |
|
|
|
d = 3 ном |
|
Ас-II |
10ГТ |
10-32 |
294 |
441 |
25 |
180о |
|
|
|
|
|
|
|
d = 1 ном |
|
А-III |
35ГС |
6-40 |
392 |
590 |
14 |
90° |
|
|
25Г2С |
|
|
|
|
d = 3 ном |
|
А-IV |
80С |
10-18 |
590 |
883 |
6 |
45° |
|
|
20Г2Ц |
10-32 |
|
|
|
d = 5 ном |
|
А-V |
20 ГЦ 10ТС2 |
10-14 |
785 |
980 |
8 |
45° |
|
|
|
16-32 |
|
|
|
d-=5 ном |
|
|
20ГС2 |
|
|
|
|
|
|
|
08Г2С |
|
|
|
|
|
|
Ат-VI |
20ТС |
10-14 |
980 |
1230 |
7 |
45° |
|
|
20ГС2 |
16-32 |
|
1180 |
6 |
d - 5 ном |
|
В-I |
СтО-СтЗ |
3-5 |
|
552-530 |
2-3 |
4 перегиба |
|
Вр-I |
|
|
|
|
|
|
|
В-II |
Углеро- |
3-5 |
1487- |
1857- |
4 |
8 перегибов - |
|
|
дистая |
|
1334 |
1667 |
|
|
|
|
сталь ма- |
|
|
|
|
|
|
|
рок 65, 70, |
|
|
|
|
|
|
|
75, 80, 85 |
6-8 |
|
|
5-6 |
5 перегибов - |
|
|
|
|
1253- |
1567- |
|
|
|
|
|
|
1096 |
1371 |
|
|
|
Вр-II |
То же |
3-5 |
1450- |
1812- |
4 |
8 перегибов |
|
|
|
|
1254 |
1569 |
|
|
|
|
|
6-8 |
|
|
5-6 |
3 перегиба |
|
|
|
|
1178- |
1471- |
|
|
|
|
|
|
1021 |
1245 |
|
|
|
Примечание. Число перегибов определяется изгибе на 180о на при оправке диаметром 30 мм. |
||||||
17. Арматурные стали классов А-I, А-II, А-III должны отвечать требованиям свариваемости контактной (стыковой и точечной) и дуговой (шовной и ванной) сваркой, а арматурная сталь класса А-IV - контактной стыковой и дуговой шовной сваркой при соблюдении специальных правил к арматурным сталям. К арматурной стали, упрочненной вытяжкой или термической обработкой, требования по свариваемости не предъявляются.
18. Арматура, арматурные и закладные изделия должны быть приняты службой контроля предприятия-изготовителя(при изготовлении) или строительной организацией (при приемке) по результатам визуального осмотра, измерений, механических испытаний в соответствии с требованиями ГОСТ 10922-90.
19. Контрольные испытания арматурной стали согласно ГОСТ 12004-81*, независимо от наличия сертификатов и сомнений в их достоверности, производятся при поставке арматуры:
- класса А-II из стали Б Ст 5пс и В Ст 5пс;
- класса А-IV из стали 20Г2Ц, 20ГСТ и 80С;
- классов Ат-IV, Ат-V, Ат-VI;
- всех классов стали, предназначенной для предварительно напряженных конструкций;
- в случаях, оговоренных в проекте или технических условиях на изготовление железобетонных изделий.
20. Масса партии, от которой отбирается проба для испытаний, не должна превышать 60 т. В партию должна входить сталь одной плавки. При этом должны соблюдаться правила отбора проб и количество образцов, указанные в соответствующих ГОСТ или ТУ на арматурную сталь.
21. Арматурная сталь класса А-I и проволока классов В-I и В-II поставляются гладкими, круглого поперечного сечения. Для остальных классов стержневой и проволочной арматуры установлены определенные профили. Стержни арматуры класса А-II должны иметь два продольных ребра и поперечные выступы, идущие по трехзаходной винтовой линии с одинаковым заходом по обеим сторонам стержня. Стержни класса А-III должны иметь также два продольных ребра и выступы, идущие по винтовым линиям, имеющимся одной стороны стержня правый, а с другой левый заход(елочкой). Допускается изготовление стали класса А-IIIс профилем класса А-II, а стали классов А-IV и А-Vс профилем класса А-III. При этом концы стержней класса А-IV на участке 30-40 см окрашиваются в красный цвет, а класса А-У-в красный и зеленый.
22. Термически упрочненная сталь классов Ат-III, Ат-IV, Ат-V и Ат-VI поставляется с профилем класса А-IIIи соответствующей цветовой маркировкой концов стержней:
Ат-III - белой и синей;
Ат-IV - белой и желтой;
Ат-V - синей;
Ат-VI - желтой.
23. На поверхности стержней арматурных сталей, включая поверхность ребер и выступов, не должно быть трещин,раковин, отколов и закатов. Отклонения по длине, диаметру, выступам должны быть в пределах, установленныхГОСТ по каждому сортаменту. Незначительная ржавчина,рябизна и мелкие волосовины браковочными признакамине являются.
24. Сварные арматурные сетки должны быть изготовлены в соответствии с проектом. Сетки должны быть сварены во всех точках пересечения стержней. На каждом стержне сетки, за исключением двух крайних по ее периметру, допускается наличие несваренных узлов в количестве не более 2% их общего числа. Размер сетки должен соответствовать проекту. Отклонения допускаются в размерах: ячеек 10 мм; в габаритных размерах по ширине 10 мм, по длине (для плоских сеток) плюс 20 и минус 10 мм. Отклонения в диаметрах стержня не должны превышать допустимых сортаментов на соответствующую арматурную сталь. Отклонения прямолинейности стержней как в плоскости сетки, так и в перпендикулярном направлении при проверке рейкой длиной 2 м не должны превышать 10 мм.
25. Контроль качества монтажа и изготовления металлоконструкций осуществляется путем проверки:
- сертификата, удостоверяющего качество сварочныхматериалов;
- соответствия применяемых сварочных материаловтребованиям проекта и принятой технологии ведения сварочных работ;
- соответствия данных сертификата результатам контрольных испытаний.
26. Каждая партия электродов должна соответствоватьстандарту или ТУ на конкретный тип электродов и иметьпаспорт, полностью отражающий их свойства.
Паспорт должен иметь следующие основные данные:
- условное обозначение электродов;
- назначение электродов (указывается марка свариваемой стали или условия работы наплавленного слоя), возможность сварки или плавки в различных пространственных положениях;
- покрытие электродов (приводится состав покрытия,номера ГОСТ или ТУ);
- краткие технологические указания по сварке (указываются: род сварочного тока; режим тока, рекомендуемый при сварке электродами различных диаметров в различных пространственных положениях; пределы измененияхимического состава и механических свойств швов, включая предел текучести, а также чувствительность к старениюи другие необходимые характеристики);
- коэффициент наплавки и коэффициент перехода металла стержня в шов.
27. Электроды должны быть упакованы в водонепроницаемые коробки, водонепроницаемую или битумную бумагу либо пластмассовую пленку. Масса коробок или пачекдолжна быть не более 3 кг. Коробки или пачки должны быть упакованы в ящики из сухой древесины (влажность не более 25%) или картона толщиной не менее 2,5 мм. Масса деревянного ящика не должна превышать 50 кг, а картонного - 30 кг. Допускается при транспортировке в контейнерах по соглашению сторон упаковывать электроды только в водонепроницаемые коробки или бумагу без упаковки в ящики. Разрешается при транспортировке в пределах одного города устанавливать вид упаковки электродов по соглашению сторон. На каждую пачку и коробку должен быть наклеен ярлык, содержащий следующие данные:
- наименование организации, в систему которой входитпредприятие -поставщик;
- наименование или товарный знак предприятия-поставщика;
- тип, марка и диаметр электродов;
- номер партии и дата изготовления;
- номер стандарта на поставляемые электроды и номерстандарта на типы электродов того класса, к которомуотносятся поставляемые электроды;
- рекомендуемые режимы сварочного тока в зависимости от диаметра электрода и положения шва при сварке;
особые технологические свойства электродов, типа: «Не бросать», «Беречь от сырости» и др.
28. Электроды должны транспортироваться и хранитьсяв условиях, исключающих их повреждение и увлажнение.
20. Покрытие электродов должно отвечать следующимтребованиям:
- располагаться концентрично относительно стержня;
- быть прочным, плотным, без трещин, вздутий икомков неразмешанных компонентов.
Допускаются: оголенность концов электродов от покрытия на расстоянии 0,5 с1, но не более 3 мм; шероховатость покрытия, причем отдельные риски не должны превышать 1/4 толщины покрытия; местные вмятины и поры, но не более трех.
30. Контроль качества сварной проволоки производитсяпутем осмотра ее внешнего вида и проведения химическогоанализа ее состава. Химический анализ должен производиться только в случае утраты сертификатов или в случаесомнения в соответствии проволоки сертификату. Анализможет быть произведен на заводах-поставщиках либо вспециальных лабораториях. Сталь проволоки должна иметьгарантированный химический состав в пределах колебаний,установленных ГОСТ. Поверхность проволоки должна быть чистой, гладкой, без окалины, ржавчины и масла. Проволока должна поставляться отрезками в мотках или катушках партиями, составленными из одного диаметра, одной марки стали и одной плавки. К каждому мотку должна быть прикреплена бирка с указанием основных сведений сертификата.
31. Металлические конструкции должны быть изготовлены в полном соответствии с рабочими чертежами металлических конструкций.
Контроль качества и Приемки элементов металлических конструкций осуществляется путем их внешнего осмотра, а также анализа документации, подтверждающей качество использованных материалов.
32. Качество металлических конструкций и соответствие их требованиям чертежей КМ обеспечиваются заводом-изготовителем и должно подтверждаться сертификатамиустановленной формы. Качество материалов, из которыхизготовлены конструкции (марки сталей, типы и маркиэлектродов, сварочной проволоки, флюсов), материаловдля грунтовки и окраски должно соответствовать требованиям соответствующих ГОСТ и проекта.
33. Каждая металлическая строительная конструкция(отправочный элемент) должна иметь следующую маркировку (в месте, указанном в стандарте или в рабочихчертежах):
- номер заказа;
- условное обозначение, принятое в стандартах наконструкции конкретных типов или в чертежах КМД.
34. При хранении строительных металлических конструкций, арматурных и закладных изделий необходимособлюдать правила хранения, указанные в стандартах илиТУ на эти конструкции или изделия.
1. В настоящем подразделе рассматриваются технические требования, правила приемки и методы контроля качества, испытаний и хранения лесо - и пиломатериаловлиственных и хвойных пород, а также изделий и деталейиз древесины для строительства.
2. Качество пиломатериалов, изделий и деталей из древесины проверяют выборочным контролем, путем проверки наличия документов, подтверждающих их качество, соответствие маркировке, и выполнением необходимых измерений и испытаний согласно требованиям государственных стандартов.
3. Лесоматериалы, пиломатериалы, детали и изделияпринимаются партиями. Партией считается количество пиломатериалов или изделий одного сорта, породы и одногоназначения, оформленное одним документом о качестве,который должен содержать:
- наименование предприятия-поставщика, его товарный знак и адрес;
- дату, номер партии или пакета;
- назначение, породу, сорт, размеры, количество;
- обозначение стандарта.
4. В зависимости от назначения круглых лесоматериалов лиственных и хвойных пород их размеры, порода исорт должны соответствовать данным, указанным в табл. 30и 31.
Таблица 30
|
Назначение лесоматериалов лиственных пород (ГОСТ 9462-88) |
Породы древесины |
Сорт |
Толщина, см |
Длина, см |
Градация по длине, м |
|
1. Для выработки пиломатериалов и заготовок - общего назначения |
Все породы, кроме дуба, бука, ясеня, граба, клена |
1;2;3 |
14 и более |
2,0-6,0 |
0,25 |
|
Дуб, бук, ясень, клен, граб |
1; 2; 3 |
14 и более |
1,0-6,0 |
0,1 |
|
|
2. Для выработки шпал железных дорог: широкой колеи |
Береза |
2; 3 |
26 и более |
3,0-5,5 |
0,25 |
|
узкой колеи |
Береза |
2; 3 |
20 и более |
1,5; 1,65 1.8-3,2 3,5 |
0,2 |
|
3. Для выработки строганого шпона |
Все породы |
1: 2 |
24 и более |
Не менее 1,5 |
0,1 |
|
4. Для выработки лущеного шпона |
Дуб, клен, ясень, береза, ильм, бук |
1; 2 |
16 и более |
1,3; 1,6 и кратные им |
- |
|
Граб, ольха, осина, тополь и липа |
1; 2 |
18 и более |
1,91; 2,23; 2,54 и кратные им |
- |
|
|
5. Для строительства |
Все породы |
2 |
12-24 |
4,0-6,5 |
0,5 |
|
6. Для вспомогательных и временных построек различного назначения (подтоварник) |
Все породы |
2 |
8-11 |
Не менее 3,0 |
0,25 |
Таблица 31
|
Назначение лесоматериалов хвойных пород (ГОСТ 9463-88) |
Породы древесины |
Сорт |
Толщина, см |
Длина, м |
Градация по длине, м |
|
1. Для выработки пиломатериалов и заготовок - общего назначения |
Сосна, ель, пихта, лиственница |
1; 2; 3 |
14 и более |
3,0-6,5 |
0,25 |
|
Кедр |
1; 2; 3 |
14-22 14 и более |
3,0-6,5 3,0-6,5 |
0,25 0,25 |
|
|
2. Для изготовления брусков-проводников шахтных подъемов |
Лиственница |
1; 2 |
20-16 |
4,5-6,5 |
0,5 |
|
3. Для шпал железных дорог: широкой колеи |
Сосна, ель, пихта, лиственница |
1; 2; 3 |
26 и более |
2,75-6,6 |
|
|
Кедр |
3 |
20 и более |
2,75-6,6 |
- |
|
|
узкой колеи |
Сосна, ель, пихта, лиственница |
2; 3 |
20 и более |
1,3; 1,5; 1,8: и кратные им |
|
|
4. Для выработки строганого шпона |
Лиственница, сосна, кедр |
1; 2 |
32 и более |
Не менее 2,3 |
0,10 |
|
5. Для выработки лущеного шпона |
Сосна, лиственница |
1; 2 |
18 и более |
1,3; 1,8 и кратные им |
|
|
Кедр, ель, пихта |
1; 2 |
20 и более |
1,94; 2,28; 2,54 |
- |
|
|
6. Для переходных брусьев железных дорог широкой колеи |
Сосна, ель, пихта, лиственница |
1; 2;3 |
26 и более |
3,0-5,5 |
0,25 |
|
узкой колеи |
Сосна, ель, пихта, лиственница |
2; 3 |
20 и более |
1,5; 1,65 1,8-3,2 3,5 и кратные им |
0,2 |
|
7. Для мачт радио |
Сосна, лиственница, пихта европейская и кавказская |
1; 2 |
16 и более |
4,0-12,0 |
0,5 |
|
8. Для свай гидротехнических сооружений и элементов мостов |
Сосна, лиственница, пихта европейская и кавказская |
2 |
22-34 |
6,5-8,5 |
|
|
9. Для опор линий связи и электропередач ниже 35 кВ |
Сосна, лиственница, ель, пихта |
1; 2 |
20-26 16-22 10-20 |
4,4 6,5-9,5 11,0; 13,0 |
1,0 |
|
35 кВ и выше |
Сосна, лиственница |
1; 2 |
по особому заказу |
- |
|
|
10. Для строительства |
Сосна, ель, пихта, лиственница |
1; 2 |
14-24 |
3,0-6,5 |
0,5 |
|
11. Для вспомогательных и временных построек различного назначения (подтоварник) |
Сосна, ель, пихта, лиственница, кедр |
2 |
6-13 |
3,0-6,5 |
0,5 |
5. Древесину круглых лесоматериалов, качество которой должно соответствовать требованиям, указанным в Приложении 5, табл. 1 и 2, заготавливают трех сортов (ГОСТ 9462-88, ГОСТ 9463-88). В зависимости от назначения круглые лесоматериалы должны отвечать дополнительным требованиям, указанным в Приложении 5, табл. 3 и 4.
Для определения качества лесоматериалов при их приемке допускается выборочная обрезка торцов на величину не более припуска по длине 1-2 % поступившего сырья.
6. Круглые лесоматериалы толщиной 14 см и более маркируются поштучно в пунктах их производства. Маркировка должна содержать: обозначение сорта – арабской или римской цифрой, диаметр (толщину) - в см и назначение- буквой. Например, 1122С-II сорт, диаметр22 см, для строительства. Поштучному обмеру и учету в плотной мере подлежат деловые лесоматериалы длиной более 2 м.
7. Лесоматериалы, предназначенные для распиловки, строгания и лущения, выпускают неокоренными, допускается обдир коры. Сучья должны быть срезаны (обрублены) вровень с поверхностью бревна. Инородные включения, обнаруженные при визуальном осмотре, должны быть удалены.
8. Диаметр круглых лесоматериалов, обмеряемых поштучно, вычисляют как среднее арифметическое значение двух взаимно перпендикулярных диаметров в верхнем торце без учета коры. Для партии, состоящей из 100 и более единиц, допускается измерение одного диаметра всех бревен.
Длину измеряют по наименьшему расстоянию между торцами, в метрах, с округлением до 1 см.
9. Заготовки должны изготавливаться из цельной древесины. Они подразделяются на:
- пиленые;
- калиброванные (предварительно простроганные).
По размерам они подразделяются на:
- тонкие, толщиной до 32 мм включительно;
- толстые, толщиной 35 мм и более.
10. По качеству древесины заготовки разделяются натри сорта (ГОСТ 7897-83) и не должны иметь пороков древесины и дефектов обработки размером и в количестве более указанных в Приложении 6.
11. Заготовка должна иметь параллельные пласта и кромки. Отклонения не должны превышать отклонений, допустимых по толщине и ширине. В заготовках 1-го сорта для деталей, идущих под лакировку, сучки с выходом наребро лицевых сторон не допускаются.
12. Влажность заготовок должна соответствовать влажности деталей. По договоренности с потребителем допускается поставка пиленых заготовок повышенной влажности, но не более 22%.
Калиброванные заготовки следует хранить в сухих закрытых помещениях.
13. Пиломатериалы лиственных пород разделяются на обрезные и не обрезные доски и бруски. По качеству древесины пиломатериалы лиственных пород разделяются натри сорта (ГОСТ 2695-93) и должны соответствовать требованиям, указанным в Приложении 7.
14. Пиломатериалы хвойных пород разделяют на обрезные и не обрезные доски, брусья и бруски. По качеству древесины и обработки доски и бруски разделяются напять сортов, а брусья на четыре сорта (ГОСТ 8486-86) и должны соответствовать требованиям, указанным в Приложении 8.
15. При контроле качества и размеров пиломатериалов образцы отбирают равномерно из разных мест партии. Объем выборки и приемочные числа приведены в табл. 32 (ГОСТ 6564-84).
Таблица 32
|
Объем партии, шт. |
Объем выоорки, шт. |
Приемочное число, шт. |
|
до 280 |
32 |
3 |
|
от 281 до 500 |
50 |
5 |
|
от 501 до 1200 |
80 |
7 |
|
от 1201 до 3200 |
125 |
10 |
|
от 3201 до 10 000 |
200 |
14 |
|
от 10 001 до 150 000 |
315 |
21 |
Партия пиломатериалов удовлетворяет требованиям нормативных документов, если количество пиломатериалов в выборке, не отвечающее этим требованиям, меньше или равно приемочному числу. Если количество пиломатериалов в выборке, не удовлетворяющее требованиям нормативных документов, больше приемочного числа, то партию бракуют.
16. Для контроля шероховатости поверхности и влажности пиломатериалов образцы берут из числа пиломатериалов, отобранных для контроля качества и размеров. Для контроля шероховатости поверхности отбирают 10 образцов. Количество образцов для контроля влажности приведено в табл. 33 (ГОСТ 6564-84).
Таблица 33
|
Объем партии, шт. |
Количество образцов при определении влажности |
|
|
.элекхровлагометром, шт. |
сушильно-весовым методом, шт. |
|
|
до 280 |
8 |
5 |
|
от 281 до 500 |
15 |
5 |
|
от 501 до 1200 |
36 |
10 |
|
от 1201 до 3200 |
50 |
10 |
|
от 3201 до 10 000. |
50 |
25 |
|
от 10 001 до 150 000 |
50 |
50 |
17. Оценка качества пиломатериалов должна производиться по худшей пласта и кромке, а брусков и брусьев -по худшей стороне. Правила приемки и методы контроля осуществляются по ГОСТ 6564-84.
18. Маркировке подлежат пиломатериалы длиной от 1 м и более. На торец или пласт должна быть нанесена маркировка с указанием сорта в соответствии с требованиями, приведенными в табл. 34 (ГОСТ 6564-84, ГОСТ 19041-85).
Пиломатериалы толщиной менее 25 мм маркируют полосами, толщиной 25 мм и более - точками. Пиломатериалы, отгружаемые в пакетах, поштучно не маркируются.
Таблица 34
|
сорт |
Обозначение сорта пиломатериалов |
|
|
краской |
мелком |
|
|
Отборный |
Одна горизональная полоса (-) |
0 |
|
1 |
Одна точка или вертикальная полоса (• или I) |
I |
|
2 |
Две точки или две вертикальные полосы (•• или II) |
II |
|
3 |
Три точки или три вертикальные полосы (••• или III) |
III |
|
4 |
Не маркируется |
|
19. Предельные отклонения от номинальных размеров пиломатериалов должны быть, мм (ГОСТ 2695-93):
- по длине +50; -25;
- по ширине обрезных пиломатериалов:
- до 100 мм ±2,0;
- сверх 100 мм ±3,0;
- по толщине:
до 32 мм ±1,0;
сверх 32 мм ±2,0.
20 Пиломатериалы изготавливают сухими (с влажностью не более 22 %), сырыми (с влажностью более 22%) и сырыми антисептированными. В период с 1 мая по 1 октября изготовление сырых пиломатериалов допускается с согласия потребителя.
21. Хранение пиломатериалов должно выполняться в соответствии с требованиями ГОСТ 7319-80, ГОСТ 1904.1-81.
22. Перечень деталей и изделий, допускаемых к изготовлению из древесины, приведен в табл. 35 (ГОСТ 11047-90, ГОСТ 475-78, ГОСТ 23166-78, ГОСТ 8242-88).
Таблица 35
|
Наименование изделия и деталей |
Породы древесины |
|
|
1. Детали каркаса внутренних стен |
|
|
|
2. Щиты и перегородки внутренних стен |
|
|
|
3. Стойки, бруски, ригели, подкосы, вкладыши, рейки, поперечные планки, доски подшивки и доски настила чердачных перекрытий |
Береза, осина, ольха, липа, тополь |
|
|
4. Ходовые доски, доски диагональной жесткости |
То же |
|
|
5. Детали лестниц, кроме косоуров |
» |
|
|
6. Детали фронтона и карниза |
|
|
|
7. Детали крыш, кроме деталей ферм и стропил |
Осина, ольха |
|
|
8. Брусья стен, кроме брусьев двух нижних рядов, подстропильных и подоконных |
Осина, береза |
|
|
|
|
|
|
9. Двери, окна: - повышенной влагостойкости |
|
|
|
Сосна, ель, пихта, лиственница, кедр |
||
|
- нормальной влагостойкости |
Сосна, ель, пихта, лиственница, кедр, береза, осина, ольха, липа, тополь и др. пород, не уступающих последним по стойкости и загниванию, твердости и прочности при изгибе |
|
|
10. . Детали профильные: - доски и бруски для покрытия пола |
|
|
|
Древесина хвойных и лиственных пород, кроме липы и тополя. Осина и ольха допускаются лишь для некоторых марок деталей |
||
|
- плинтусы, наличники, поручни |
Древесина хвойных и лиственных пород |
|
|
- обшивка |
||
|
Древесина хвойных пород и осина для наружной обшивки. Древесина хвойных и лиственных пород для внутренней обшивки |
|
|
|
- подоконные доски |
Древесина хвойных пород |
|
23. Учитываемые пороки (трещины, частично сросшиеся сучки, червоточины, механические повреждения) должны быть зашпатлеваны. Смоляные кармашки должны быть очищены от смолы и затем зашпатлеваны. На лицевых поверхностях сучки диаметром более 10 мм (кроме здоровых, сросшихся) должны быть вырезаны и заделаны пробками.
24. Отклонения от номинальных размеров изделий и их сборочных единиц не должны превышать норм, приведенных в табл. 36 (ГОСТ 475-78).
Таблица 36
|
Измеряемый параметр изделия |
Интервал номинальных размеров, мм |
Отклонение от номинальных размеров, мм |
|
1. Сопрягаемые размеры сборочных единиц: |
|
|
|
- внутренние размеры коробок |
по ширине по высоте |
+2,0 +2,5 |
|
- внешние размеры полотен |
по ширине по высоте |
-2,0 -2,5 |
|
2. Сопрягаемые размеры шиповых соединений: |
|
|
|
- ширина проушин |
6-18 18-30 |
+0,40 +0,50 |
|
- толщина шипов |
6-18 18-30 |
±0,20 ±0,25 |
|
3. Свободные размеры: |
|
|
|
- детали обвязок |
40-120 |
±0,50 |
|
- толщина брусков каркаса и заполнения щитовых дверей |
10-120 |
±0,30 |
|
- прочие детали и внешние размеры коробок |
до 120 |
±0,80 |
|
120-315 |
±1,20 |
|
|
315-1000 |
±2,0 |
|
|
1000-2000 |
±3,0 |
|
|
более 2000 |
±4,0 |
|
|
Примечание. Применение древесины разных порол в одной сборочной единице не допускается |
||
25. Предельные отклонения от номинальных размеров деталей и изделий из древесины не должны превышать данных, установленных в табл. 37 (ГОСТ 11047-90).
Таблица 37
|
Наименование деталей |
Предельное отклонение, мм |
||
|
по длине |
По ширине |
По толщине |
|
|
1. Детали пиленые: |
|
|
|
|
до 32 мм |
±3 |
±1 |
±1 |
|
свыше 32 мм до 100 мм |
±3 |
±2 |
±2 |
|
свыше 100 мм |
±3 |
±3 |
±3 |
|
2. Детали калиброванные и фрезерованные |
±3 |
±1 |
±1 |
|
|
|
|
|
|
3. Панели и щиты стен |
±5 |
±3 |
±3 |
|
4. Панели и щиты перегородок |
-6 |
-6 |
±3 |
|
5. Панели покрытий |
±5 |
-6 |
±3 |
|
6. Фермы |
±10 |
±8 |
- |
26. Влажность древесины, применяемой для изготовления деталей и изделий, должна быть:
- для эксплуатируемых внутри помещений - 9-15 %;
- для эксплуатируемых снаружи помещений - 12-18 %.
27. Детали и изделия из древесины должны обрабатываться биозащитными средствами и, при необходимости,огнезащитными средствами в соответствии с требованиями ГОСТ 20022.0-82*, СНиП 2.01.02-85*.
Способы пропитки деталей и изделий из древесины защитными средствами указаны в Приложении 9, а нормы их поглощения и удержания в древесине приведены в Приложении 10.
28. Качество древесины, обработки и сборки изделийдолжно быть проверено до нанесения отделочного покрытия.
Шероховатость поверхности изделий определяют по ГОСТ 15612-85* или методом сравнения с эталоном.
Качество отделанных поверхностей, установку приборов, уплотняющих прокладок и стекол проверяют в готовых изделиях.
29. Детали из древесины изготавливают целыми иликлееными по длине и сечению с длиной зубчатого шипадо 10 мм.
Прочность клеевых соединений должна быть, МПа, не менее:
- на скалывание вдоль волокон - 4 (ГОСТ 15613.1-84);-на изгиб-24 (ГОСТ 15613.4-78);
- на неравномерный отрыв - 1,5 кН/м (ГОСТ 25885-83).
30. Клеевые соединения в конструкциях должны выполняться на синтетических клеях в соответствии со СниП II-25-80. Тип шиповых соединений и марка клея должныбыть указаны в рабочих чертежах на конструкции конкретных видов. Непроклеенные участки не допускаются.
Методы контроля качества клееной древесины принимают по ГОСТ 20850-84.
Образцы для механических испытаний древесины должны быть вырезаны не менее, чем на 2% ограждающих конструкций, представленных к приемке. Число испытываемых образцов из каждой конструкции должно быть не менее 10. Результаты контроля заносят в журнал контрольных испытаний.
Прочность сцепления (адгезию) лакокрасочных покрытий с отделываемой поверхностью определяют методом решетчатых надрезов по ГОСТ 15140-78*, а качество лакокрасочных покрытий - по ГОСТ 24404-80.
Конструкции должны поставляться заказчику комплектно; в комплект должны входить элементы и детали, подготовленные к монтажу. Допускается комплектация на месте сборки и монтажа.
Транспортирование и хранение деталей и изделий должны производиться в горизонтальном положении с соблюдением условий, исключающих возможности их механических повреждений и загрязнений, а также обеспечивающих защиту от атмосферных осадков.
1. В настоящем подразделе рассматриваются требования к контролю качества, а также правила перевозки, приемки и хранения следующих видов органических материалов:
- битумов нефтяных твердых, полутвердых и жидких;
- дегтей дорожных.
2. Основные требования к нефтяным битумам твердыми полутвердым (вязким) приведены в табл. 38, а к жидким битумам - в табл. 39.
Таблица 38
|
Марка битума |
Глубина проникания иглы 0,1 мм при температуре |
Температура размягчения, °С |
Растяжимость, см, при температуре |
Температура вспышки, X, не ниже |
||
|
25°С, в ределах |
0°С, не менее |
25°С, в пределах |
0°С, не менее |
|||
|
Битумы нефтяные строительные (ГОСТ 6617-76*) |
||||||
|
БН 50/50 |
41-60 |
- |
50 |
40 |
- |
220 |
|
БН 70/30 |
21-40 |
- |
70 |
3 |
- |
230 |
|
БН 90/10 |
5-20 |
- |
90 |
1 |
- |
240 |
|
Битумы нефтяные кровельные (ГОСТ 9548-74*) |
||||||
|
БНК 45/80 |
40-220 |
- |
30-40 |
Не нормируется - |
- |
240 |
|
БНК 90/40 |
35-45 |
- |
85-95 |
То же |
- |
240 |
|
БНК 90/30 |
25-35 |
- |
85-95 |
То же |
- |
240 |
|
Битумы нефтяные изоляционные (ГОСТ 9812-74*) |
||||||
|
БНИ-1V-3 |
30-50 |
15 |
65 |
4 |
- |
230 |
|
БНИ-1V |
25-40 |
12 |
75 |
3 |
- |
230 |
|
БНИ-V |
20 |
9 |
95 |
2 |
- |
230 |
|
Битумы нефтяные специальные (ГОСТ 21822-87*Е) |
||||||
|
Б |
2-10 |
- |
100-110 |
Не нормируется - |
= |
240 |
|
Г |
0-5 |
- |
125-135 |
Не нормируется - |
- |
260 |
|
Битумы нефтяные дорожные вязкие (ГОСТ 22245-90) |
||||||
|
БНД |
201-300 |
45 |
35 |
- |
200 |
220 |
|
200/300 |
|
|
|
|
|
|
|
БНД |
131-200 |
35 |
40 |
70 |
60 |
220 |
|
130/200 |
|
|
|
|
|
|
|
БНД |
91/130 |
28 |
43 |
65 |
40 |
230 |
|
90/130 |
|
|
|
|
|
|
|
БНД 60/90 |
61-90 |
20 |
47 |
55 |
35 |
230 |
|
БНД 40/60 |
40-61 |
13 |
51 |
45 |
- |
230 |
|
БН 200/300 |
201-300 |
24 |
33 |
- |
- |
220 |
|
БН 130-200 |
130-200 |
18 |
38 |
80 |
- |
230 |
|
БН 90/130 |
91/130 |
15 |
41 |
80 |
- |
240 |
|
БН 60/90 |
60-90 |
10 |
45 |
70 |
|
240 |
Таблица 39
|
Марка битума |
Условная вязкость по вискозиметру с отверстием 5 мм при 60 оС |
Количество испарившегося разжижителя, %, не менее |
Температура вспышки в открытом тигле, оС, не ниже |
|
СГ 40/70 |
40-70 |
10 |
45 |
|
СГ 70/130 |
71-130 |
8 |
50 |
|
СГ 130/200 |
131-200 |
7 |
60 |
|
МГ 40/70 |
40-70 |
8 |
100 |
|
МГ 70/130 |
71-130 |
7 |
110 |
|
МГ 130/200 |
131-200 |
5 |
110 |
|
МГО 40/70 |
40-70 |
- |
120 |
|
МГО 70/130 |
71-130 |
- |
160 |
|
МГО 130/200 |
131-200 |
- |
180 |
В зависимости от сложности формирования структуры жидкие битумы подразделяются на два класса:
СГ - густеющие со средней скоростью (предназначены для строительства капитальных и облегченных дорожных покрытий и устройства оснований во всех дорожно-климатических зонах);
МГ и МГО – медленно густеющие (предназначены для получения холодного асфальтобетона и устройства дорожных покрытий и оснований в II-V дорожно-климатических зонах).
3. При оценке качества битумов, назначения и области их применения кроме требований, приведенных в табл. 38 и 39, необходимо принимать во внимание способ производства, используемый заводом-изготовителем или подрядчиком. При изготовлении кровельных и дорожных битумов должны соблюдаться следующие основные правила:
- битумы нефтяные дорожные жидкие изготавливаются разжижением битумов по ГОСТ 22245-90 жидкими нефтяными продуктами установленного фракционного состава с добавлением поверхностно-активных веществ: катионо-активных, анионоактивных или двойного действия;
- при разжижении вязких битумов в открытой системе температура битума, поступающего на смешение с разжижителем, не должна превышать 120°С, перемешивание вязкого битума с разжижителем проводят инертным газомили циркуляцией;
- подогрев жидких битумов следует проводить при помощи пара (допускается использовать электроподогрев при условии хорошей изоляции нагревательных элементов);
- при сливе, наливе и применении жидких битумовустановлены следующие температуры нагревания:
от 70 до 80 °С - для СГ 40/70, МГ 40/70;
от 80 до 90 °С - для СГ 70/130, МГ 70/130;
от 90 до 100 °С-для СГ 130/200, МГС 40/70, МГО
70/130, МГО 130/200.
4. Гарантийный срок хранения жидких битумов со дня изготовления должен быть для:
СГ - 6 месяцев; МГ - 8 месяцев; МГО - 1 год.
Гарантийный срок хранения твердых битумов составляет 1 год со дня изготовления.
5. Основные виды дорожных дегтей должны отвечать требованиям, приведенным в табл. 40 (ГОСТ 4641-80).
Таблица 40
|
Марка дегтя |
Вязкость по вискозиметру при 30 °С с отверстием |
Марка дегтя |
Вязкость по вискозиметру с отверстием 5 мм при температуре |
Температура вспышки, С |
||
|
5 мм |
10 мм |
25°С |
60°С |
|||
|
Дегти каменноугольные дорожные |
Дегти сланцевые жидкие |
|||||
|
Д-1 |
5-70 |
- |
С-1 |
20 |
- |
70 |
|
Д-2 |
Не нормируются - |
5-20 |
С-2 |
- |
5-12 |
70 |
|
д-з |
То же |
20-50 |
С-3 |
|
15-20 |
100 |
|
Д-4 |
То же |
50-120 |
С-4 |
|
20-35 |
100 |
|
Д-5 |
То же |
120-200 |
С-5 |
|
35-100 |
120 |
|
Д-6 |
То же |
200 и |
С-6 |
|
100-200 |
120 |
|
|
|
более |
|
|
|
|
6. Применение битумов нефтяных и дегтей в зависимости от вида выполненных работ или приготовленных на их основе материалов осуществляется в соответствии с основным назначением органических материалов, указанных в табл. 38-40, а также в соответствии с рекомендациями, изложенными в подразделе «Герметизирующие материалы» настоящего раздела.
При применении битумных и дегтевых материалов необходимо следить за тем, чтобы подогрев их производился не выше температуры, указанной в табл. 41.
Таблица 41
|
Наименование материалов |
Марка |
Рабочая температура, "С |
Допустимое время выдерживания материала, ч |
|
Битумы нефтяные дорожные жидкие |
СГ 40/70; МГ 40/70 |
70-80 |
1,5-2,5 |
|
СГ 70/130; МГ 70/130 |
80-90 |
1,5-2,5 |
|
|
СГ 130/200 |
|
1,5-2,5 |
|
|
МГ 130/200; МГО 40/70 |
|
3-5 |
|
|
МГО 40/70; МГО 70/130 |
90-100 |
3-5 |
|
|
МГО 130/200 |
|
3-5 |
|
|
Битумы нефтяные кровельные и изоляционные |
БНК 45/180; БНК 90/40 |
160-180 |
- |
|
БНК 90/30; БНИ-1У-3 |
|
- |
|
|
БНИ-1У; БНИ-У |
|
- |
|
|
Битумы нефтяные дорожные вязкие |
БНД 200/300; БН 200/300 |
110-130 |
6-8 |
|
БНД 130/200; БН 130/200 |
130-150 |
6-8 |
|
|
БНД 90/130; БН 90/130 |
150-180 |
6-8 |
|
|
БНД 60/90; БНД 40/60 |
|
|
|
|
БН 60/90 |
160-180 |
|
|
|
Дегти каменно-угольные дорожные |
Д-1: Д-2 |
15-30' |
3-5 |
|
Д-3; Д-4 |
110-120 |
3-4 |
|
|
Д-6 |
|
|
|
|
Сланцевые дегти |
С-1 |
90-110 |
5-6 |
|
С-2; С-3: С-4 |
110-120 |
5-6 |
|
|
С-5; С-6 |
120-140 |
5-6 |
7. Битумы и дегти поставляются партиями. Партиейсчитается любое количество продукции, однородное по качественным показателям и сопровождаемое одним документом о качестве. В паспортах кроме сведений, перечисленных в п. 3 «Общих положений», должно быть указано наименование битума по способу производства (остаточный, окисленный).
8. Битумные и дегтевые материалы должны иметь заводскую упаковку. При перевозке и хранении они должны быть защищены от атмосферных воздействий и загрязнений. При упаковке, перевозке и хранении их должны соблюдаться требования, указанные в табл. 42.
Таблица 42
|
Наименование материалов |
Требования к упаковке и перевозке |
Требования к хранению |
|
Битумы строительные, кровельные марки БНК 90/40, БНК 90/30 |
Затариваются в бочки стальныес широкой горловиной и бочки со съемным верхним днищем, в бочки деревянные и барабаны фанерные, в мешки бумажныемассой не более 50 кг и специальные бумажные мешки, заполненные с помощью разборных форм, массой не более 200-250 кг, в мешки из полимерных материалов. Транспортируются в крытых вагонах, полувагонах и платформах навалом. Допускается транспортировка покровных битумов в автоцистернах и бункерных полувагонах |
Хранятся в крытых складских помещениях, под навесом на открытой спланированной площадке на стеллажах, в поддонах. Тара устанавливается пробками вверх и должна быть защищена от воздействия прямых солнечных лучей и атмосферных осадков |
|
Битумы дорожные вязкие, дегги каменно- угольные (за исключением;Д-1), дегти (сланцевые, битум кровельный БНК 45/180 (полутвердые битумы и дегти) |
Транспортируются в бункерных полувагонах и автоцистернах, оборудованных средствами подогрева. Затаривание в бочки со съемным верхним днищем, в бочки деревянные, в мешки |
Доставленные в бункерных полувагонах и автоцистернах сливаются в специальные хранилища, а затаренные в бочки и мешки хранятся так же, как и битумы твердые |
|
Битумы жидкие классов С Г и МГ |
Транспортируются в железнодорожных цистернах с парообогревательной рубашкой, автоцистернах, стальных бочках с широкой горловиной или со съемным днищем, а также в деревянных бочках |
Доставленные в цистернах сливаются в металлические или железобетонные резервуары, а затаренные в бочки хранятся так же, как битумы твердые. Битумы классов С Г должны храниться в закрытых емкостях, а битумы класса МГ - в битумохранилищах закрытого типа |
9. Отбор проб битумных и дегтевых материалов и подготовка их для проведения лабораторных испытаний производится с соблюдением следующих правил:
- проба битумно-дегтевых материалов, доставляемых навалом в вагонах, отбирается из каждого вагона в трех местах общей массой 4 кг и измельчается так, чтобы размер кусов не превышал 25 мм;
-проба жидких и вязких вяжущих отбирается каксредняя по глубине специальной металлической трубкойдиаметром 40-50 мм и длиной 1 м, общая масса пробы -1-2 кг.
Испытание битумно-дегтевых материалов производится согласно требованиям соответствующих ГОСТ.
1. К гидроизоляционным материалам относятся окрасочные материалы, мастики (битумно-наиритовая, би-тумно-резиновая, эпоксидно-дегтевая, битумно-каучуковая и др.), рулонные материалы на основе битума, атакже полимерные материалы рулонные и листовые(полиэтилен, поливинилхлоридный пластикат и др.), используемые в основном для гидроизоляционных работ.К кровельным материалам относятся рулонные материалы и мастики, применяемые только для кровельныхработ.
Вид изоляционного материала устанавливается проектом.
2. В процессе приготовления и применения изоляционных материалов контролируются:
- соответствие исходных материалов (компонентов), применяемых для приготовления изоляционных составов,требованиям ГОСТ и ТУ;
- соблюдение технологии приготовления изоляционных составов;
- качество применяемых изоляционных материалов;
- соблюдение правил транспортировки и хранения.
3. Основные характеристики материалов рулоннойгидроизоляции на основе битума должны соответствовать требованиям, изложенным в табл. 43, а виды рекомендованных мастик для их приклейки приведены втабл. 44.
4. Основные характеристики листовых материалов дляустройства гидроизоляции должны соответствовать требованиям, приведенным в табл. 45, а виды рекомендованныхмастик для их приклейки приведены в табл. 46.
Таблица 43
|
Рулонный материал |
марка |
Общая площадь рулона м2 |
ХАРАКТЕРИСТИКИ |
Область применения |
|
||||
|
Водопоглощение через 24 часа, не более |
воднепроницаемость |
разрывная натррузка при растяжении полоски шириной 50мм, кгс, не менее |
Гибкость и эластичность |
Температуроустойчивост оС |
|
||||
|
Гидроизол (ГОСТ 7415-86): |
|
|
|
Под давлением столба высотой 5 см -, в – сутках |
|
Число двойных перегибов на 180° до появления сквозных трещин |
|
Для гидроизоля- |
|
|
гидроизоляционный кровельный |
Ги-Г |
20 ± 0,4 |
6 % |
30 |
35 |
не менее 15 |
48-55 |
|
|
|
Ги-К |
20 ±0,4 |
10 % |
20 |
30 |
не менее 10 |
48-55 |
Для
гидроизоля- |
|
|
|
Фольгоизол (ГОСТ 20429-84*): |
|
|
|
При давлении |
Не нормируется |
При 1 = -12 оС |
|
|
|
|
за 2 часа, не |
при изгибании по |
|
|||||||
|
менее 0,2 |
полуокружности |
|
|||||||
|
МПа |
стержня диаметром: 35- |
|
|||||||
|
гидроизоляционный |
ФГ |
10 ±0,3 |
4 г/м2 |
|
|
|
100 |
Для гидроизоляции- |
|
|
подземных |
|
||||||||
|
сооружений |
|
||||||||
|
кровельный |
ФК |
10 ±0,3 |
4 г/м2 |
|
|
20 |
100 |
Для верхнего слоя |
|
|
рулонного ковра |
|
||||||||
|
Стеклорубероид |
|
10±0,5 |
|
При давлении 0,08 МПа в течение 10 мин не должно появляться Признаков проникновения воды |
|
При изгибании полоски на стержне диаметром 40 мм не должно появляться трещин |
Не менее 80оС |
|
|
|
с крупнозернистой |
С-РК |
25 г/м2 |
30 |
Для кровельных покрытий |
|
||||
|
посыпкой |
|
||||||||
|
с чешуйчатой посыпкой |
С-РЧ |
25 г/м2 |
30 |
||||||
|
гидроизоляционный |
С-РМ |
25 г/м2 |
30 |
Для оклеечной гидроизоляции |
|
||||
|
Изол безосновный (ГОСТ 10296-79): |
|
10±0,5 |
|
Не нормируется |
Предел прочности при растяжении, Па, не менее |
Относительное удлинение не менее 70-80%. При изгибании полоски на стержне диаметром 10 мм не должно появляться трещин при: |
При нагревании в вертикальном положении в течение 2 ч при 150°С не должны появляться трещины, длина не увеличивается - |
Для оклеечной гидроизоляции; изоляции конструкций, зданий и сооружений; пароизоляции покрытий; для защиты наружной поверхности стальных труб тепловых сетей от коррозии при температуре до 140°С |
|
|
|
|
||||||||
|
без полимерных добавок с добавками |
И-БД |
|
22 г/м2 |
|
5,5´105 |
tо = -15оС |
|
|
|
|
И-ПД |
18 г/м2 |
6,0´105 |
tо = -20°С |
|
|||||
Таблица 44
|
Рулонный материал |
Мастики |
Наименьшая допустимая тем пература производства работ, ºС |
Способ приготовления |
|
|
Изол |
Мастика изол горячая Битумно-латексно-кукерсольная БЛК-Х-65, БЛК-Х-75 |
+5 |
Заводской |
|
|
|
Заводской, на строительной площадке |
|
||
|
Фольгоизол - |
Мастика изол горячая |
+5 |
Заводской |
|
|
|
|
|
||
|
Битумно-кровельная горячая БМК-Г-55-МБК-Г-ЮО |
+5 |
Заводской, централизованно, на строительной площадке |
|
|
|
БНК марки ПМ |
-20 |
Заводской, централизованно |
|
|
|
БНКМ |
-15 |
Централизованно Заводской, централизованно, на строительной площадке |
|
|
|
Безбитумная холодная БМ-Х-75 |
-20 |
|
||
|
Стеклорубероид |
МБК-Г-55-МБК-Г-ЮО |
+5 |
Заводской, централизованно, на строительной площадке |
|
|
|
||||
|
Безбитумная холодная МБ-Х-75 |
-20 |
Заводской |
|
|
|
БНК марки ПМ |
-20 |
Заводской, централизованно |
|
|
|
БНКМ |
-15 |
Централизованно |
|
|
|
Битумно-полиэтиленовая |
+5 |
Централизованно |
|
Таблица 45
|
Листовой материал |
Толщина, мм |
Предел прочности при растяжении, МПа |
Относительное удлинение, % |
Водонепрони цаемость, МПа, не менее |
|
Поливинилхлоридный |
1,5-2 |
10-25 |
100-150 |
0,80 |
|
Полиизобутилен |
до 5 |
3-7 |
7300 |
|
|
Полиэтилен полипропилен |
До 2 |
10-17 |
200-450 |
0,80 |
|
Гидробутил |
1 |
0,3 |
300 |
0,25 |
Таблица 46
|
Листовой материал |
Приклеивающие материалы |
|
|||
|
Наименование |
Наименьшая допустимая температура производства работ, ºС |
Наименование |
Наименьшая допустимая температура производства работ, ºС |
Способ приготовления |
|
|
Поливинил-хлоридный пластикат |
0 |
Битумная кровельная горячая ГОСТ 2889-90 |
+5 |
Заводской, на строительной площадке |
|
|
от МБК-Г-55 |
|
||||
|
до МБК-Г-100 |
|
||||
|
Полиизо-бутилен листовой марки ПСГ |
-15 |
Битумно-латексно-кукерсольная БЛК от МБК-Г-55 до МБК-Г-100 ГОСТ 2889-90 |
-10 |
На строительной площадке |
|
|
+5 |
|||||
|
Заводской, на |
|
||||
|
-10 |
строительной |
|
|||
|
площадке |
|
||||
|
Заводской |
|
||||
|
Листовой полиэтилен |
-20 |
Битумно- каучуко-соляровая (БКС) |
-20 |
Заводской, на |
|
|
строительной |
|
||||
|
площадке |
|
||||
|
Листовой полипропилен |
-15 |
Битумно- каучуко-соляровая (БКС) |
-20 |
» |
|
|
Гидробутил |
+5 |
Мастика изол горячая |
+5 |
Заводской |
|
|
Битумно-бутилкаучуковая |
+5 |
||||
|
» |
|
||||
|
БНК марки ПМ |
-20 |
» |
|
||
5. Мастики бутумные кровельные горячие (МБК-Г-55- МБК-Г-100) готовятся в заводских условиях, а также в централизованных цехах строительных организаций или
при небольших объемах работ непосредственно на строительной площадке. Мастики, приготовленные централизованно, поставляются на строительные площадки в холодном виде в емкостях.
Требования к составу мастик приведены в табл. 47.
Таблица 47
|
Марка мастики |
Температура размягчения применяемого битумного вяжущего, °С |
Количество наполнителя, %, массы битумного вяжущего |
|
|
- волокнистого |
пылевидного |
||
|
МБК-Г-55 |
45 |
|
25-30 |
|
|
50 |
10-12 |
- |
|
МБК-Г-60 |
50 |
|
25-30 |
|
|
55 |
12-15 |
- |
|
МБК-Г-65 |
60 |
|
25-30 |
|
|
60 |
15-20 |
- |
|
МБК-Г-75 |
65-70 |
15-20 |
- |
|
МБК-Г-85 |
70-75 |
20-25 |
|
|
МБК-Г-100 |
85-90 |
20-25 |
- |
Для приготовления мастик в качестве пылевидных минеральных наполнителей следует применять молотый кварцевый песок, диабазный порошок, каолин, графит, слюду, тальк, известняковую муку или кварцевый кремнефтористый цемент, в качестве волокнистых - асбест.
6. Горячая резинобитумная мастика (изол) изготавливается только в заводских условиях и поставляется в бумажных мешках массой 25-40 кг. Перед применениеммастика должна разогреваться с перемешиванием при температуре 100-120 оС. Разогретая мастика должна быть использована в течение 1-2 ч. Повторный разогрев мастикизапрещается.
7. Битумно-наиритовая композиция (БНК) готовитсяв заводских условиях и поставляется на строительную площадку в готовом виде в закрытых бидонах вместимостью50-100 л.
Вязкость БНК не должна быть выше 120 с по ВЗ-4. Гарантийный срок хранения со дня изготовления составляет 6 месяцев. Контроль вязкости БНК при хранении следует осуществлять через каждые 2 месяца. При достижении вязкости 150 с и выше необходимо в тару с БНК влить растворитель - толуол и перемешать до полной однородности. Применяется в холодном виде.
8. Битумно-наиритово-кукерсольная мастика приготовляется централизованно на основе БНК. Состав мастики приведен в табл. 48.
Таблица 48
|
Компоненты мастики |
Дозировка компонентов |
|
|
% по массе |
Загрузка в вихревой диспергатор ВД-75у, кг |
|
|
БНК |
40 |
28 |
|
Лак-кукерсоль-высоко-вязкий |
40 |
28 |
|
(80-120 с по ВЗ-4) |
|
|
|
Асбест 7-8 сорта |
5 |
3,5 |
|
Толуол |
15 |
10,5 |
|
Всего: |
100 |
70 |
К месту применения поставляется в таре.
9. Битумно-каучуково-соляровая мастика (БКС) должна иметь следующий состав (% по массе):
Битум БН 70/30 100
Латекс СКС-ЗОШХП (в пересчете на сухое . вещество)
Соляровое масло 16
Рабочая температура мастики летом 70-80°С, зимой 90-100°С.
10. Битумно-латексно-кукерсольная мастика (БЛК)приготавливается из компонентов следующего состава (% по массе):
Битум БН 70/30 40
Лак-кукерсоль 50
Латекс СКС-30ШХ11 3
Асбест 7 или 8-го сорта 7
Для наклейки изоляционных материалов на вертикальные поверхности мастика должна быть другого состава (% по массе):
Битум 45
Лак-кукерсоль 40
Латекс 3
Асбест 12
Готовая мастика должна храниться в таре с плотно закрывающейся крышкой.
11. Битумно-полиэтиленовая мастика (БПЭМ) готовится из кровельного битума БНК 45/180 или дорожных битумов и наполнителя из полиэтилена низкой плотности в виде гранул (марок П-2000-Т, П-2010-В по ГОСТ 16337-77*Е). Объем наполнителя составляет 1-3 % от массы битума. Мастика готовится централизованно, перевозка производится к месту применения автобитумовозами.
12. Мастика безбитумная холодная (МБ-Х-75) имеетследующий состав (% по массе):
Сланцевый лак-кукерсоль 65-70
6-10 % раствор (клей) из некондицион- 15-20
ного синтетического каучука
Наполнитель (асбест 6-7 сорта, тер- 10-20
риконная порода)
Мастика, как правило, приготовляется в заводских условиях и доставляется на строительный объект в готовом виде в автогудронаторах или металлических емкостях с герметичными крышками. Срок хранения мастики не должен превышать 1 месяца. В период хранения мастику необходимо перемешивать не менее 1 раза в сутки в течение 15-20 минут, в связи с чем емкость для хранения мастики должна быть оборудована насосом с обратным трубопроводом. Перед нанесением мастику необходимо подогревать до 60-70оС и тщательно перемешивать.
13. Мастика битумно-бутилкаучуковая (холодная) «Вента» изготовляется в заводских условиях и поставляетсяв виде двух составов «А» и «В». Состав «В» отличается отсостава «А» тем, что в него входит вулканизирующий агент, а в состав «А» - активатор вулканизации. Все остальныекомпоненты в обоих составах мастики одинаковые. Дляполучения мастики составы «А» и «В» должны быть смешаны в равных количествах. Состав «А» может состоятьиз одного компонента-активатора вулканизации, все остальные компоненты в этом случае входят в состав «В» идля получения мастики составы «А» и «В» должны бытьсмешаны в соотношении 1:50.
Составы «А» и «В» транспортируются и хранятся в металлических бочках и флягах. Хранение их должно осуществляться раздельно в помещениях, защищенных от воздействия солнечных лучей, с температурой воздуха не выше 35°С и на расстоянии не ближе 2 м от теплоизлучающих приборов.
Срок хранения составов мастики «А» и «В» в складских условиях не должен превышать 2 месяцев.
14. Мастика изол холодная представляет собой многокомпонентную однородную массу из резинобитумного вяжущего (полученного термомеханической обработкой вулканизированной резины или ее регенерата и нефтяного битума), наполнителя, пластификатора и антисептика.
Холодная мастика изол может приготавливаться в заводских условиях, а также на месте производства работ путем введения растворителя в горячую мастику изол заводского приготовления.
Приготовление холодной мастики на месте производства работ состоит из разогрева горячей мастики до температуры не выше 80 °С в котле и введения в нее небольшими порциями подогретого до 50-60°С растворителя при постоянном перемешивании до получения однородной массы. Растворитель в горячую мастику следует вводить в количестве 30-50 % (по массе). Охлажденная мастика разливается в тару и подается непосредственно к рабочим местам. Применяется без предварительного подогрева.
15. Мастика битумно-резиновая изоляционная представляет собой многокомпонентную однородную массу, состоящую из нефтяного битума, наполнителя (резиновая крошка) и пластификатора (зеленое масло). Для гидроизоляции сооружений применяется мастика следующих марок: МБР-75, МБР-90 и МБР-100. Состав битумно-резиновой мастики приведен в табл. 49.
Таблица 49
|
Компоненты |
Состав мастики, % по массе |
||
|
МБР-75 |
МБР-90 |
МБР-100 |
|
|
Битум БН 70/30 |
88 |
93 |
45 |
|
Битум БН 90/10 |
- |
- |
45 |
|
Резиновая крошка |
7 |
7 |
10 |
|
Масло зеленое |
5 |
- |
- |
Мастика приготавливается путем варки смешанных компонентов при температуре 180-200°С (в условиях строительной площадки) или 200-300°С (в заводских условиях) в течение 1,5-4 ч. Смешивание компонентов производится в следующем порядке. Резиновая крошка добавляется в расплавленный и обезвоженный битум в просушенном и разрыхленном виде, а зеленое масло вводится в мастику перед окончанием ее варки при тщательном перемешивании всей массы до однородного состояния.
Мастика, изготовленная в непосредственной близости от объекта строительства, может доставляться к месту производства работ в разогретом виде в автогудронаторе. При больших расстояниях мастика транспортируется в остывшем виде в бумажных мешках. При применении разогревается до температуры 110°С.
16. Эпоксидно-дегтевая мастика при больших объемах гидроизоляционных работ приготовляется централизованно и на строительный объект поступает в виде полуфабриката и отвердителя.
Введение отвердителя в полуфабрикат на месте производства работ должно осуществляться непосредственно перед употреблением в дело.
Рецептура эпоксидно-дегтевых мастик в зависимости от марки эпоксидной смолы приведена в табл. 50.
Таблица 50
|
Компоненты состава |
Дозировка, для состава % по массе, |
|
|
1 |
2 |
|
|
Связующие: эпоксидная смола ЭД-20 |
100 |
_ |
|
эпоксидная смола ЭД-16 |
- |
100 |
|
Модификатор - пековый дистиллят легкий |
100 |
112-120 |
|
Наполнители - тонкомолотый песок, |
120-180 |
100-150 |
|
цемент, маршаллит |
|
|
|
Отвердитель – полиэтиленполиамин |
12-17 |
10-15 |
Полуфабрикат допускается хранить в герметической таре в течение 2-3 месяцев.
17. Виды рулонных кровельных материалов должны соответствовать требованиям, приведенным в табл. 51. В этойже таблице даны рекомендации по выбору приклеивающихмастик или способам крепления.
Свойства мастик должны отвечать требованиям, приведенным в табл. 52.
18. Мастики или эмульсии и область их применениядля мастичных кровель приведены в табл. 53.
Таблица 51
|
Наименование материала |
Марка |
Ширина полотнища, мм |
Масса рулона, кг |
Назначение |
Рекомендуемые приклеивающие материалы и эмульсии или способ крепления |
|
||
|
Битумные рулонные материалы на основе картона |
|
|||||||
|
Рубероид
кровельный с круп- |
РКК-420А |
1000 |
25-33 |
Для верхнего слоя кровельного ковра |
Битумная кровельная |
|
||
|
РКК-420Б |
1025 |
25-33 |
горячая |
|
||||
|
РКК-350Б |
1050 |
25-33 |
Битумная холодная |
|
||||
|
Битумно-латексно- |
|
|||||||
|
кукерсольная |
|
|||||||
|
Битумно-полимерная |
|
|||||||
|
горячая |
|
|||||||
|
Битумно-резиновая |
|
|||||||
|
горячая |
|
|||||||
|
Рубероид
кровельный с мел- |
РКМ-350Б |
1025 |
25-27 |
То же |
То же |
|
||
|
РКМ-350В |
1025 |
25-27 |
||||||
|
||||||||
|
Рубероид
кровельный с че- |
РКЧ-350Б |
1025 |
26 |
Для верхнего слоя кровельного ковра с защитным слоем |
» |
|
||
|
Рубероид
кровельный с пы- |
РКП-35ОА |
1025 |
28 |
То же |
|
|
||
|
Рубероид подкладочный с мелкозернистой посыпкой (ГОСТ 10923-93) |
РМП-300А |
1000 |
22 |
Для нижних слоев водоизоляционного ковра; для пароизоляпии |
|
|
||
|
РМП-300Б |
1025 |
24 |
|
|||||
|
РМП-300В |
1050 |
26 |
|
|||||
|
Рубероид подкладочный с пылевидной посыпкой (ГОСТ 10923-93) |
РПП-300А |
1000 |
25 |
То же |
» |
|
||
|
РПП-300Б |
1025 |
26 |
|
|||||
|
РПП-350Б |
1050 |
30 |
|
|||||
|
РПП-350В |
1050 |
27 |
|
|||||
|
Рубероид подкладочный эластичный с пылевидной посыпкой (ГОСТ 10923-93) |
РПЭ-300 |
1000 |
27 |
Для нижних слоев кровельного ковра в районах Крайнего Севера |
» |
|
||
|
Наплавляемые рулонные материалы |
|
|||||||
|
Рубероид наплавляемый |
РК-420-1,0 |
1000 |
25-37 |
Для верхнего слоя кровельного ковра Для нижних слоев кровельного ковра |
Приклеивание способом пластификации быстролетучими растворителями покровных битумных вяжущих или способом оплавления утолщенного покровного слоя битума |
|
||
|
РК-500-2,0 |
1025 |
25-27 |
|
|||||
|
РМ-350-1,0 |
1000 |
25-27 |
|
|||||
|
РМ-420-1,0 |
1025 |
25-27 |
||||||
|
Полимербитумный наплавленный рубероид-экарбит с крупнозернистой посыпкой |
ЭБК-420-1 |
1000 |
25-27 |
Для верхнего слоя кровельного ковра |
Приклеивание способом пластификации (разжижения) или оплавления покровного слоя на полимербитумной композиции |
|
||
|
ЭБК-420-2 |
1025 |
25-27 |
|
|||||
|
ЭБК-420-3 |
1050 |
25-27 |
||||||
|
То же, с мелкозернистой посыпкой |
ЭБМ-350-1 |
1000 |
25-27 |
Для нижних слоев кровельного ковра |
То же |
|
||
|
ЭБМ-420-1 |
1025 |
25-27 |
|
|||||
|
ЭБМ-420-2 |
1050 |
25-27 |
|
|||||
|
Аиробитеп |
АЭССК-2,0 |
850-1100 |
Не нормируется |
Для верхнего слоя кровельного ковра. Материал обладает повышенной эластичностью |
Приклеивание способом пластификации или оплавления покровного слоя из битумно-полимерного вяжущего, содержащего битум, каучук, индустриальное масло, антисептик |
|
||
|
АЭССК-3,0 |
850-1100 |
|
||||||
|
АЭССК-4,0 |
850-1100 |
|||||||
|
Деггевые рулонные материалы на основе картона |
|
|||||||
|
Толь кровельный с крупнозернистой посыпкой |
ТКП-350 ТКП-420 ТКК-350 ТКК-420 |
1000 1025 1000 1025 |
26 28 23 25 |
Для верхних и нижних слоев кровельного ковра Для верхнего слоя кровельного ковра |
Дегтевая кровельная горячая |
|
||
|
Беспокровные основные рулонные материалы |
|
|||||||
|
Гидроизол (ГОСТ 7415-86) |
ГИК |
950 |
Не нормируется |
Для верхнего слоя кровельного ковра |
Битумная кровельная горячая Битумно-резиновая |
|
||
|
Пергамин кровельный (ГОСТ 2697-83) |
П-300 |
1000 |
15 |
Для пароизоляции нижних слоев кровельного ковра |
Битумная кровельная горячая |
|
||
|
П-350 |
1025 |
15 |
Битумная холодная Битумно-латексно-кукерсольная |
|
||||
|
Битумно-резиновая |
||||||||
|
Рулонные материалы на основе из стекловолокна |
|
|||||||
|
Стеклорубероид кровельный с крупнозернистой посыпкой (ГОСТ 15879-70)) |
С-РК |
960, 1000 |
29 |
Для верхнего слоя кровельного ковра |
Битумная кровельная горячая Битумная холодная Битумно-полимерная горячая |
|
||
|
Стеклорубероид с чешуйчатой посыпкой (ГОСТ 15879-70 |
|
|||||||
|
Стеклорубероид гидроизоляционный (ГОСТ 15879-70) |
С-РЧ |
1000 |
23 |
То же |
То же |
|||
|
С-РИ |
1000 |
23 |
Для нижних слоев кровельного ковра |
» |
||||
|
Рулонные материалы с применен нем металлической фольги: |
|
|||||||
|
Фольгоизол кровельный (ГОСТ 20429-84) |
ФК |
960 |
21-25 |
Для верхнего слоя кровельного ковра во всех климатических зонах страны |
Битумная кровельная горячая |
|
||
|
Битумная холодная |
|
|||||||
|
Битумно-реэиновая |
|
|||||||
|
Фольгорубероид повышенной |
АРК-420 |
1026 |
30-35 |
То же |
По аналогии с рубероидом |
|
||
|
гибкости |
|
|||||||
|
Фольгорубероид рядовой |
РА-420 |
1026 |
30-35 |
Для верхнего слоя кровельного ковра во всех климатических зонах страны |
По аналогии с рубероидом |
|
||
|
Безосновные рулонные материалы |
|
|||||||
|
Изол (ГОСТ 10296-79) |
И-ПД |
250, 800, 1000 |
|
Для нижних слоев кровельного ковра |
Битумная кровельная горячая |
|
||
|
И-БФ |
250, 800, 1000 |
|
|
|
|
|||
|
Бризол средней прочности |
Бр-С |
425 |
Не нормируется |
То же |
То же |
|
||
|
(ГОСТ 17177-94) |
|
|
|
|||||
|
Армогидробутил |
АГ-1 |
1400 |
Не нормируется |
Для нижних слоев кровельного ковра |
Бутилкаучуковая мастика (поставляется вместе с рулонным материалом) |
|
||
|
АК |
1400 |
|||||||
|
Полимерны в пленки на основе каучуков |
|
|||||||
|
Бутерол |
|
650-960 800-1400 |
Не нормируется То же |
Для всех слоев кровли |
Битумно-полимерная горячая То же |
|||
|
Бугизол |
То же |
|||||||
|
Полимерные пленки на основе полиэтилена или ПКВ |
|
|||||||
|
Полиэтиленовые листы с двухсторонними анкерными ребрами (ГОСТ 10354-82) |
Полиэтиленовые листы |
1500 |
до 15 |
Для устройства гидроизоляции на плитах покрытия в заводских условиях |
Утапливается внутренними анкерными ребрами в тело конструкции во время бетонирования К наружным анкерным ребрам приформовывается защитный цементно-песочный слой |
|
||
|
Примечание. Вид посыпки указывается только пылевидная.для лицевой стороны рулона, с нижней стороны рулона посыпка |
|
|||||||
|
||||||||
Таблица 52
|
Свойства приклеивающих мастик |
Битумная кровельная горячая |
Холодная мастика МБ-Х-75 |
Битумно-латексно-кукерсольная |
Битумно-полимерная горячая МБПК |
Битумно-резииовая горячая |
Дегтевая кровельная горячая |
|
Жизнеспособность готовой мастики |
1-2 ч после разогрева до 130ºС |
6 мес. при хранении в закрытой таре |
6 мес. при хранении в закрытой таре |
2 ч после разогрева до 160°С |
1-2 ч после разогрева до 200°С |
1-2 ч после разогрева до 130ºС |
|
Продолжительность выдерживания готового покрытия, ч, при температуре; ºС |
|
|
|
|
|
|
|
15-20 |
24 |
48 |
36 |
16-18 |
20-22 |
24 |
|
25 |
36 |
30 |
20 |
24 |
28-30 |
36 |
|
Продолжительность послойной сушки, ч, при температуре,ºС: |
|
|
|
|
|
|
|
16-20 |
3 |
48 |
12 |
3-4 |
3-4 |
3 |
|
25-30 |
4,5-5 |
24 |
10 |
3-4 |
3-4 |
3 |
|
Температура мастики при нанесении, ºС |
120-130 для изола, фольгоизола; 169-180 для рубероида, стеклорубероида и гидроизола |
50 |
35-40 |
Не менее 160 |
170-180 |
130 |
|
60-80 |
60-80 |
Не менее 160 |
170-180 |
130 |
||
|
Теплостойкость (способность мастики не стекать и не сползать с по верхности конструкции), ºС |
55-100 (в зависимости от марки мастики) |
Не менее 75 |
Не менее 75 |
Не менее 75 |
55-100 (в зависимости от марки мастики) |
50-80 (в зависимости от марки мастики) |
Таблица 53
|
Наименование кровельных мастик |
Способ приготовления |
Область применения |
|
Битумно-полимерная («Кровлелит») марки МКВЦ и МКВКЦ |
Заводской, централизованно |
Для устройства неармированных кровель при температуре производства работ не менее +5 °С |
|
Битумно-наиритовая композиция марки ПМ |
То же |
Для устройства армированных плоских и скатных с любым уклоном кровель при температуре до -20ºС |
|
Битумно-бутилкаучуковая горячая МБВГ-70 |
» |
Плоские и скатные кровли с уклоном не более 10 % при температуре до -20°С |
|
Битумно-бутилкаучуковая холодная «Вента» МББ-Х-120 |
Заводской |
Плоские и скатные неармированиые кровли с любым уклоном при температуре +10-15ºС |
|
Битумно-резиновая изоляционная |
Заводской и построечный |
Плоские и скатные армированные кровли с уклоном до 10 % (МБР-65) и до 25 % (МБР-75) при температуре до -15'С |
|
Изол холодная |
Заводской |
Плоские и скатные армированные кровли с уклоном до 10 % при температуре +10-15°С |
|
Битумно-полимерная эмульсия ЭГИК |
То же |
Для нанесения на сборные железобетонные кровельные панели, изготовленные в заводских условиях. |
19. К мастикам и эмульсиям, используемым только длякровельных работ, относятся: битумно-полимерная кровельная горячая (МБПК-Г-75), дегтевая кровельная горячая (МДК-Г), битумно-полимерная «Кровлелит», битумно-бутилкаучуковая горячая, битумно-полимерная эмульсия ЭГИК.
20. Соотношение компонентов, входящих в состав дегтевой кровельной горячей мастики, приготовляемой в заводских условиях или на строительной площадке, приведено в табл. 54.
Таблица 54
|
Марка мастики заводского приготовления- |
Температура размягчения, оС |
Количество наполнителей, % по массе |
||
|
Мастики |
дегтевого сплава |
волокнистого |
пылевидного |
|
|
МДК-Г-50 |
48-50 |
45 |
|
25-30 |
|
МДК-Г-55 |
56-59 |
45 |
8-10 |
|
|
50 |
10-15 |
- |
||
|
МДК-Г-60 |
62-65 |
55 |
- |
25-30 |
|
55 |
15-20 |
- |
||
|
МДК-Г-65 |
70-74 |
60 |
|
25-30 |
|
65 |
- |
25-30 |
||
|
МДК-Г-70 |
78-83 |
65 |
|
25-30 |
|
65 |
15-20 |
|
||
|
МДК-Г-80 |
90-95 |
65 |
20-25 |
- |
21. Мастика «Кровлелит» готовится на основе раствора хлорсульфенолэтилена в толуоле с наполнителем (мел молотый и резиновая крошка) - 50-80 % и вулканизирующего заводского разбавителя 20-50 %.
В зависимости от назначения мастики вырабатываются следующих марок:
МКВК (мастика «Кровлелит» вулканизирующая кровельная) - для устройства неармированных мастичных кровель по железобетонному основанию, имеющему сложный профиль и большие уклоны;
- МКВКЦ (мастика «Кровлелит» вулканизирующая кровельная цветная) - для устройства цветных кровель.
Для транспортирования основной компонент мастики должен быть упакован в металлическую тару, а вулканизирующий - в полиэтиленовую.
Перед нанесением компоненты необходимо тщательно перемешивать.
22. Битумнополимерная эмульсия ЭГИК должна иметь следующий состав (в % по массе):
водная быстрораспадающаяся битумно-полимерная эмульсия - 80
латекс с содержанием сухого вещества - 20
23. Качество битумных эмульсий и мастик контролируется испытанием одной пробы на каждые 3 т материала. Проба должна иметь массу 1 кг и отбираться от смешанных пяти проб, взятых из различных бочек или частей хранилища. Пробу испытывают на определение плотности однородности на сите (при необходимости на содержание битума, воды и эмульгатора), а также на определение других показателей качества.
24. При перевозке и хранении битумных эмульсий и мастик контролируется соблюдение следующих правил:
- мастики и эмульсии должны храниться в металлических бочках (большое количество эмульсии и мастики допускается хранить в железобетонных водонепроницаемых хранилищах или металлических емкостях, поверхность эмульсии в хранилище должна находиться под слоем воды 3-5 см);
- хранение мастики и эмульсии допускается при температуре не ниже 3°С (в летнее время они должны храниться в местах, защищенных от солнца);
- при длительном хранении эмульсии и мастики должны один раз в 7-8 дней перемешиваться с помощью механических мешалок (при хранении в больших емкостях)или путем перекатки бочек;
- выдача эмульсии и мастики из больших емкостей производится пневматическими нагнетателями (перекачка битумной эмульсии какими-либо насосами не допускается во избежание их расслоения);
- перевозка битумных эмульсий на дальние расстояния производится в бочках, автоцементовозах и автоцистернах; в пределах строительной площадки перевозка может осуществляться в ведрах, бочках, ящиках, автосамосвалах с герметичным кузовом и т. п.
25. Каждая партия мастики должна сопровождаться инструкцией по применению и документом о качестве с указанием:
- наименования и адреса предприятия-изготовителя;
- наименования продукции, марки;
- номера партии и даты изготовления;
- результатов испытаний;
- срока хранения;
- обозначения стандарта или технических условий.
26. Приемка, упаковка, маркировка, хранение, транспортировка рулонных материалов должны производиться в соответствии с ГОСТ 2551-75, а также с ГОСТ и ТУ на отдельные виды материалов. При этом необходимо контролировать соблюдение следующих основных правил:
- материалы должны поставляться партиями в количестве 1000 рулонов в одной партии (при меньшем количестве рулонов поставка считается не целой партией);
- для рубероида наплавленного количество рулонов в партии - 500 и менее (изготавливаемые в одну смену поодной рецептуре), для фольгоизола - размер партии1000 м2 и менее;
- каждый рулон должен быть обвернут по всей ширине плотной бумагой, на которую наклеивается этикетка с указанием наименования завода-изготовителя, материала и его марки, даты изготовления и назначения; цвет этикетки или полоски на ней устанавливается взависимости от вида материала: красный – кровельный рубероид и стеклорубероид; черный - подкладочный рубероид и гидроизоляционный стеклорубероид; белый с красными и синими полосами - рубероид наплааченный; зеленый - толь и фиолетовый - пергамин; для изола и гидроизола цвет этикетки устанавливается для каждого завода-изготовителя;
- при транспортировке и хранении рулоны должны устанавливаться в вертикальное положение, а рулоны изолаукладываться горизонтально (хранить рулонные материалы необходимо рассортированными по маркам в сухом закрытом помещении);
количество рулонов, отбираемых на проверку, устанавливается в зависимости от количества рулонов в партии(от партии в количестве до 200 рулонов отбирается 3 рулона, от партии в 201-400 рулонов - 4 рулона, от партии в 401-800 рулонов -5-6 рулонов, от партии в 801-1000 рулонов - 7-10 рулонов);
- образцы для испытания должны отбираться от каждого рулона в количестве трех для каждого вида испытаний.
27. Полиэтиленовая пленка (ГОСТ 10354-82 *), используемая для гидроизоляции, выпускается двух марок: В и В1 Ширина пленки - до 3000 мм, номинальная толщина пленки - 0,20; 0,25; 0,30; 0,35; 0,40 мм. Минимальная длина куска пленки в рулоне - 50 м.
Предельное отклонение по ширине пленки в рулоне для полотна должно быть не более ±1%, для рукава и полурукава - не более ±2%.
По физико-механическим показателям полиэтиленовая пленка должна соответствовать требованиям, приведенным в табл. 55.
Таблица 55
|
Показатели |
Марка |
|
|
В |
В1 |
|
|
1. Прочность при растяжении, МПа, не менее: |
|
|
|
в продольном направлении |
14,7 |
13,7 |
|
в поперечном направлении |
13,7 |
12,7 |
|
2. Относительное удлинение при разрыве, %, не менее: |
|
|
|
в продольном направлении |
450 |
350 |
|
в поперечном направлении |
450 |
400 |
Пленка не должна иметь трещин, запрессованных складок, разрывов и отверстий.
28. Транспортировка, хранение, приемка и испытание пластикатов, листового полиэтилена и пленок должны осуществляться с учетом следующих основных правил:
- при транспортировке в зимнее время необходимо предохранять рулоны от ударов, вызывающих появление трещин;
- хранение рулонов производится в отапливаемых и неотапливаемых помещениях с применением защиты от действия прямых солнечных лучей;
- рулоны необходимо располагать в вертикальном положении;
- при приемке производится выборочная проверка из расчета не менее двух рулонов от партии (проверяются толщина, ширина и длина рулонов, средняя плотность, наличие дефектов - разрывы, трещины, проколы и др.);
- при хранении свыше 2 лет или при отсутствии заводского паспорта должно производиться контрольное испытание в специализированных лабораториях в целях определения прочности, относительного удлинения при разрыве и температуры стеклования (крупности). Если пластикаты, листовой полиэтилен и пленки имеют прочность на разрыв менее 5 МПа, относительное удлинение менее100%, то применять их для гидроизоляции запрещается.
1. Применяются следующие герметизирующие материалы:
а) герметизирующие мастики: нетвердеющие строительные (ГОСТ 14791-79); отверждающиеся тиоколовые герметики V-ЗОМ, V-ЗОМЭС-5, V-30, МЭС-5, VТ-31, VТ-32 (ГОСТ 13489-79*), КБ-0,5, АМ-0,5, VТО-42; однокомпонентные отверждающиеся кремнийорганические «Эластосил 11-06»; двухкомпонентные вулканизирующиеся «Гермабутил»; строительного назначения ЛТ-1; нетвердеющие морозостойкие строительные «Тегерон» (ГОСТ 25945-87); горячие битумные герметики РБ-1, РБ-2, БКС-М, БС-М, изол, РБМ и др.;
б) эластичные пористые прокладки: гернит (ГОСТ 19177-81); пароизол (ГОСТ 19177-81); пористые резиновые ПРП, «Вилатерм-С» (ГОСТ 25621-83);
в) герметизирующие ленты для проклейки стыков:«Герлен-Д; полиизобутиленовая УП-50, наиритобутиловая «Синкаулента».
2. Нетвердеющие герметизирующие строительные мастики изготавливаются в заводских условиях на основе полиизобутиленового, этиленпропиленового, изопренового илибутилового каучуков, наполнителей и пластификаторов. Поставляются в ящиках, бочках, стальных барабанах, брикетах, обвернутых полиэтиленовой пленкой. Применяются в нагретом состоянии.
3. Отверждающиеся тиоколовые герметики приготавливаются непосредственно на месте производства работ путем смешивания входящих в них герметизирующих и вулканизирующих паст. Приготовление герметиков производится в помещении с температурой воздуха не ниже+ 10°С. Составы основных тиоколовых герметиков приведены в табл. 56.
Таблица 56
|
Марка герметика |
Компоненты |
Соотношение компонентов, в частях по массе |
|
У-ЗОМ, |
|Герметизирующая паста У-30 (У-31) |
100 0, |
|
УТ-31 |
Вулканизирующая паста № 9 |
5-9 |
|
|
Дифенилгуанидин |
2-0.5 |
|
У-30, |
Герметизирующая паста У-ЗО Э-5 |
100 |
|
МЭС-5 |
Вулканизирующая паста № 9 |
7-11 |
|
|
Дифенилгуанидин |
0,3-1,0 |
|
УТ-32 |
Герметизирующая паста У-32 |
100 |
|
|
Вулканизирующая паста № 9 |
9-12 |
|
|
Дифенилтуанидин |
0,4-0,8 |
|
АМ-0,5 |
Герметизирующая паста А-0,5 |
100 |
|
|
Вулканширующая паста № 30 |
17-23 |
4. Однокомпонентная кремнийорганическая мастака«Эластосил 11-06» изготавливается в заводских условиях и поставляется в таре из влагонепроницаемых материалов(полиэтиленовых патронах, трубах и др.).
5. Двухкомпонентная мастика «Гермабутил» поставляется в парафинированных бочках емкостью 20 л (основная паста) и вулканизирующий агент ПХДА - в виде порошка. Приготовление рабочего состава мастики производится путем перемешивания в течение 10-12 мин основной пасты с порошком. В зависимости от вида основной пасты получают мастики «Гермабутил-1» (для нанесения на сухие поверхности), «Гермабутил-2» и «Гермабутил-2М» (для нанесения как на сухие, так и на влажные поверхности).
6. Герметизирующая мастика ЛТ-1 поставляется в виде двух компонентов - основной и отверждающей паст. Приготавливается путем перемешивания компонентов в соотношении 2:1 (по массе) с помощью лопастной мешалки.
7. Герметизирующая мастика «Тегерон» изготавливается на основе синтетического каучука, наполнителей, пластификатора и добавок в заводских условиях. Поставляется в виде брикетов или жгутов, обвернутых полиэтиленовой пленкой.
8. Горячие битумно-резиновые и битумно-полимерные мастики изготавливаются на основе битума, резиновой крошки, наполнителей и пластификаторов.
Приготовление горячих битумных мастик производится как в заводских условиях, так и в условиях строительной площадки на стационарных и передвижных битумоплавильных установках.
Составы битумных мастик приведены в табл. 57.
Таблица 57
|
Наименование компонентов |
Соотношение компонентов в мастиках |
|||||
|
РБ-1 |
РБ-2 |
БСД-М |
БСК-М |
Изол |
РБМ |
|
|
Битум БН 50/50 |
54 |
51 |
56 |
56 |
- |
- |
|
БН 70/30 |
- |
- |
- |
- |
57 |
72 |
|
Латекс СКД-1 |
- |
- |
4 |
- |
- |
- |
|
СКД-30 |
- |
- |
- |
4 |
- |
- |
|
Резиновая крошка |
18 |
18 |
- |
- |
19 |
11 |
|
Минеральный |
14,4 |
13 |
40 |
40 |
15 |
7 |
|
наполнитель |
|
|
|
|
|
|
|
Каменноугольное |
- |
- |
- |
- |
- |
10 |
|
масло |
|
|
|
|
|
|
|
Креозотовое масло |
1 |
1 |
- |
- |
1 |
- |
|
Кумароновая смола |
3,8 |
3,5 |
- |
- |
4 |
- |
|
Канифоль |
3,8 |
3,5 |
- |
- |
4 |
- |
|
Автол |
5 |
10 |
- |
- |
- |
- |
9. Эластичные прокладки изготавливаются в виде пористых или монолитных жгутов различной конфигурации:
а) гернит - жгут из резиновой смеси на основе полихлоропренового каучука, вулканизирующих веществ, наполнителя и пластификатора (выпускается диаметром 30-40 мм круглого, овального и грушевидного сечения);
б) пороизол - жгут из смеси резиновой крошки, нефтяного дистиллятора, вулканизирующих агентов, креозотового масла, парообразующего вещества (выпускается прямоугольного и овального сечений трех марок: П-А, П-В,П-В);
в) прокладка ПРП-1 - жгут из синтетического каучука СКБ в смеси с натуральным каучуком, вазелиновым маслом, синтетическими жирными кислотами, сажей, цинковыми белилами и др. компонентами (выпускается диаметром 20-45 мм круглого и овального сечения);
г) «Вилатерм-С» - жгут из вспененного полиэтилена(выпускается круглого сечения, диаметром 10-40 мм).
Эластичные прокладки могут быть наклеены мастиками КН-2 и изол.
10. Технические характеристики лент герметизирующих:
а) «Герлен» представляет собой нетвердеюшую эластичную ленту, изготавливаемую на основе невулканизированного каучука, мягчителя, смол и наполнителей. Выпускается двух
видов: дублированная нетканым материалом «Герлен-Д» и недублированная «Герлен». Длина ленты 12 м, ширина 80, 100, 120 и 200 мм, толщина 3 мм; лента самоклеющаяся по бетонной поверхности, покрытой праймером 51-5-18, поставляемым в комплекте с лентой;
б) полиизобутиленовая пленка УП-50 изготавливается на основе высокомолекулярного полиизобутилена, полиэтилена высокого давления, пластификатора и наполнителя; укладывается на клее КДГ-50, представляющем с обойвязкую невысыхающую массу; пленка двухслойная, толщиной до 1 мм; поставляется в рулонах;
в) лента наиритобутиловая «Синкаулента» изготавливается на основе невулканизированного бутилкаучука; укладывается на кумароно-каучуковой мастике КН-2; лентачерного цвета толщиной 1 мм; выпускается в рулонах.
1. В настоящем подразделе рассматриваются требования к горячим, теплым и холодным асфальтобетонным смесям (ГОСТ 9128-84*).
2. В проекте должны быть указаны:
- характер асфальтобетонной смеси в зависимости от ее температуры (горячая, теплая, холодная);
- плотность асфальтобетона (плотный для верхних слоев покрытия, пористый для нижних);
- наибольший допустимый размер зерен круглого заполнителя смеси (крупнозернистые, мелкозернистые и песчаные);
- тип гранулометрии плотного асфальтобетона (А, Б, В, Г, Д, Бх Вк, Гх, Дх) в зависимости от содержания в смеси щебня или песка различных видов;
- марка плотного асфальтобетона (I, II, III) в зависимости от прочности щебня и минерального порошка.
3. В процессе приготовления асфальтобетонных смесей, укладки их в покрытие и приемки выполненных работ контролируются:
- соответствие асфальтобетонной смеси требованиям ГОСТ;
- вид и качество исходных материалов для приготовления смесей и их соответствие требованиям ГОСТ;
- соответствие асфальтобетона предъявленным техническим требованиям.
4. Наибольший допустимый размер зерен в смеси недолжен быть больше:
- 40 мм для крупнозернистых бетонов;
- 20 мм для мелкозернистых бетонов;
- 5 мм для песчаных бетонов.
В зависимости от содержания в асфальтобетонных смесях щебня или песка они подразделяются на типы, указанные в табл. 58.
5. Для приготовления асфальтобетонных смесей в зависимости от их температуры применяются следующие марки битумов:
- БНД 40/60, БНД 60/90, БНД 90/130, БН 60/90, БН90/130 (в горячих смесях);
- БНД 130/200, БНД 200/300, БН 130/200, БН 200/300или СГ 130/200. МГ 130/200, МГО 130/200 (в теплых смесях);
- СГ 70/130, МГ 70/130, МГО 70/130 (в холодных смесях).
6. Щебень для асфальтобетонных смесей получают дроблением горных пород, из металлургических шлаков, также применяется гравий, соответствующий требованиям, изложенным в п.п. 11 и 14 подраздела «Тяжелые бетоны».
Таблица 58
|
Типы смесей |
Количество щебня (гравия), % по массе |
Вид песка |
|
|
горячие и теплые для плотности асфальто- бетона |
холодные |
||
|
А |
|
Свыше 50 до 65 включительно |
- |
|
Б |
|
Свыше 35 до 50 включительно |
- |
|
В |
Вх |
Свыше 20 до 35 включительно |
- |
|
Г |
Гх |
- |
Дробленый или отсевы дробления |
|
Д |
Дх |
- |
Природный |
Не допускается применять щебень из глинистых (мергелистых) известняков, глинистых песчаников и глинистых сланцев. Для приготовления смесей следует применять щебень или гравий следующих фракций: от 5 до 10; свыше 10 до 20; свыше 20 до 40 мм. Допускается применять щебень и гравий в виде смеси смежных фракций. Наличие зерен пластичной формы в щебне не должно превышать:
Таблица 59
|
Наименование показателей |
Нормы для смесей марок |
|||||||||||||
|
1 |
2 |
3 |
||||||||||||
|
горячие и теплые, типов |
холодные, типов |
пористые, высокопористые |
горячие и теплые, типов |
холодные, типов |
пористые, высокопористые |
горячие и теплые, типов |
||||||||
|
А |
Б |
В |
Бх |
Вх |
А |
Б |
В |
Бх |
Вх |
Б |
В |
|||
|
Марка щебня по прочности при раздавливании в цилиндре, МПа, не ниже, из пород: |
|
|
|
|
|
|
|
|
|
|
|
|
|
|
|
изверженных |
120 |
120 |
100 |
100 |
80 |
80 |
100 |
100 |
80 |
80 |
60 |
60 |
80 |
60 |
|
осадочных |
120 |
100 |
80 |
80 |
60 |
60 |
100 |
80 |
60 |
80 |
60 |
40 |
60 |
40 |
|
из
металлурги- |
- |
120 |
100 |
100 |
100 |
80 |
120 |
100 |
80 |
80 |
60 |
60 |
80 |
60 |
|
из гравия |
- |
Др. 8 |
Др. 12 |
Др. 8 |
Др. 12 |
Др. 16 |
Др. 8 |
Др. 12 |
Др. 16 |
Др. 12 |
Др. 16 |
Др. 24 |
Др. 16 |
Др. 24 |
|
Марка гравия, |
- |
- |
- |
- |
- |
- |
- |
- |
Др. 16 |
Др. 12 |
Др. 16 |
Др. 24 |
Др. 16 |
Др. 24 |
|
не выше |
|
|
|
|
|
|
|
|
|
|
|
|
|
|
|
Марка
по морозо- |
|
|
|
|
|
|
|
|
|
|
|
|
|
|
|
а) в суровых и умеренных
климати- |
Мрз |
Мрз |
Мрз |
Мрз |
Мрз |
Мрз |
Мрз |
Мрз |
Мрз |
Мрз |
Мрз |
Мрз |
Мрз |
Мрз |
|
50 |
50 |
50 |
50 |
50 |
25 |
50 |
50 |
25 |
25 |
25 |
15 |
25 |
25 |
|
|
б) в мягких клима- |
Мрз |
Мрз |
Мрз |
Мрз |
Мрз |
Мрз |
Мрз |
Мрз |
Мрз |
Мрз |
Мрз |
Мрз |
Мрз |
Мрз |
|
50 |
25 |
25 |
25 |
25 |
25 |
25 |
15 |
15 |
15 |
15 |
15 |
15 |
15 |
|
для смесей типа А - 15 % по массе; Б, Бх – 25 %; В, Вх – 35 %. Марка по прочности и другие показатели свойств щебня и гравия в зависимости от марки, типа и вида смесей должны соответствовать указанным в табл. 59.
7. Для приготовления асфальтобетонных смесей следует применять природные и дробленые пески, отвечающие требованиям ГОСТ 8736-93, а также требованиям, изложенным в п. 6 («Тяжелые бетоны»). Допускается применять отсевы продуктов дробления горных пород и гравия, соответствующие требованиям нормативно-технической документации, утвержденной в установленном порядке. Показатели свойств дробленых песков и отсевов продуктов дробления горных пород и гравия в зависимости от марки, типа, вида смесей должны соответствовать указанным в табл. 60.
8. Для приготовления асфальтобетонных смесей следует применять активированные и не активированные минеральные порошки, отвечающие требованиям ГОСТ 16557-78. Допускается использовать в качестве минеральных порошков:
- измельченные основные металлургические шлаки (в горячих и теплых смесях марки II и III для плотного асфальтобетона, марки I и II для пористого и высокопористого асфальтобетона и в холодных смесях марки II);
- порошковые отходы промышленности (в горячих и теплых смесях марки III для плотного асфальтобетона и марки I и II для пористого и высокопористого асфальтобетона).
Таблица 60
|
Наименование показателя |
Нормы для смесей марок |
||||||
|
I |
II |
III |
|||||
|
горячие, теплые и холодные типов |
горячие, теплые и холодные типов |
горячие и теплые типов |
|||||
|
А, Б, Б, |
Г, Гх |
А, Б, Бх, В, Вх |
Г |
Д, Дх |
Б, В |
Г |
|
|
Предел прочности исходной горной породы при сжатии, МПа, не менее |
80 |
100 |
60 |
80 |
60 |
40. |
60 |
|
Марка исходного гравия по дроби-мости, не менее |
Др. 12 |
ДР 12 |
Др. 16 |
Др. 12 |
Др. 16 |
Др 24 |
Др. 16 |
|
Массовая доля глинистых примесей, %, не более |
0,5 |
0,5 |
0,5 |
0,5 |
0,5 |
0,5 |
0,5 |
|
Примечание: Для смесей типа Г марок I и II следует использовать отсевы продуктов дробления только из изверженных горных пород |
|||||||
Показатели свойств измельченных основных металлургических шлаков и порошковых отходов промышленности должны соответствовать значениям, указанным в табл. 61.
Таблица 61
|
Наименование показателя |
Нормы по видам материалов |
||
|
Измельченные основные металлургические шлаки |
Зола-унос и золошлаковые смеси |
Пыль уноса цементнх заводов |
|
|
1. Зерновой состав, % по массе, не менее |
|
|
|
|
мельче 1,25 мм |
100 |
100 |
100 |
|
мельче 0,315 мм |
90 |
55 |
90 |
|
мельче 0,071 мм |
70 |
35 |
70 |
|
2. Пористость, % по объему не более |
40 |
45 |
45 |
|
3. Набухание образцов из смеси минерального порошка с битумом, % по объему, не более |
2,5 |
Не нормируют |
2,5 |
|
4. Коэффициент водостойкости образцов из смеси порошка с битумом, не менее |
0,7 |
0,6 |
0,8 |
|
5. Показатель битумоемкости, г, не более |
100 |
100 |
100 |
|
6. Содержание водорастворимых соединений, % по массе, не более |
Не нормируют |
1 |
б |
|
7. Влажность, % по массе, не более |
1,0 |
2,0 |
2,0 |
|
8. Содержание окислов щелочных металлов (ЫагО + К2О), % по массе, не более |
Не нормируют |
Не нормируют |
6 |
|
9. Потери при прокаливании, % по массе, не более |
Не нормируют |
20 |
Не нормируют |
|
10. Содержание свободной окиси кальция, % по массе |
0 |
0 |
0 |
9. Показатели физико-механических свойств плотных асфальтобетонов из горячих и теплых смесей в зависимости от марок смесей и дорожно-климатической зоны должны соответствовать значениям, указанным в табл. 62.
Пористость минерального состава плотных асфальтобетонов из смесей типов А и Д должна быть 15-19 % по объему, типов В, Г и Д - 18-22 % по объему.
Остаточная пористость и водонасыщение плотных асфальтобетонов в зависимости от дорожно-климатической зоны должны соответствовать значениям, указанным в табл. 63.
10. Показатели физико-механических свойств пористых и высокопористых асфальтобетонов из горячих и теплых смесей в зависимости от марок смесей должны соответствовать указанным в табл. 64.
Пористость минерального состава асфальтобетонов из холодных смесей типа Бх не должна быть более 18% по объему, типа Вх - более 20 %, типов Гх и Дх - более 21 % по объему. Остаточная пористость асфальтобетонов из холодных смесей должна быть 6-10 % по объему. Водонасыщение асфальтобетонов из холодных смесей должно быть 5-9 % по объему. Слеживаемость холодных смесей не должна быть более 10 по числу ударов.
Таблица 62
|
Наименование показателя |
Нормы для асфальтобетонов из смесей марок |
||||||||
|
I |
II |
III |
|||||||
|
для дорожно-климатических зон |
|||||||||
|
I |
II, III |
IV, V |
I |
II, III |
IV, V |
I |
II, III |
IV, V |
|
|
Предел прочности при сжатии, МПа, при температурах: |
|
|
|
|
|
|
|
|
|
|
а) 20ºС, не менее, для асфальтобетонов всех типов |
|
|
|
|
|
|
|
|
|
|
б) 50ºС, не менее, для асфальтобетонов типов: |
|
|
|
|
|
|
|
|
|
|
А |
|
|
|
|
|
|
|
|
|
|
Б
|
|
|
|
|
|
|
|
|
|
|
|
|
|
|
|
|
|
|
|
|
|
Г |
|
|
|
|
|
|
|
|
|
|
|
|
|
|
|
|
|
|
|
|
|
д |
- |
- |
- |
|
|
|
|
|
|
|
|
|
|
|
|
|
|
|
|
|
|
в) 0ºС, не более, для асфальтобетонов всех типов |
|
|
|
|
|
|
|
|
|
|
|
|
|
|
|
|
|
|
|
|
|
Коэффициент водостойкости, не менее |
|
|
|
|
|
|
|
|
|
|
|
|
|
|
|
|
|
|
|
|
|
Коэффициент водостойкости при длительном водонасыщении, не менее - |
|
|
|
|
|
|
|
|
|
|
|
|
|
|
|
|
|
|
|
|
|
Набухание, % по объему, не более |
|
|
|
|
|
|
|
|
|
|
|
|||||||||
|
Примечание. В числителе даны требования к асфальтобетон из горячих смесей, в знаменателе- из теплых смесей. |
|||||||||
Таблица 63
|
Наименование показателя |
Нормы для дорожно-климатических зон |
||
|
I |
II, III |
IV, V |
|
|
Водонасыщение, % по объему, |
|
|
|
|
для асфальтобетонов типа: |
|
|
|
|
А |
2,0-3,5 |
2,0-5,0 |
3,0-7,0 |
|
Б и Г |
1,5-3,0 |
1,5-4,0 |
2,5-6,0 |
|
ВиД |
1,0-2,5 |
1,0-4,0 |
2,5-6,0 |
|
Остаточная пористость, % по |
2,0-3,5 |
2,0-5,0 |
3,0-7,0 |
|
объему |
|
|
|
Таблица 64
|
Наименование показателя |
Нормы для асфальтобетона из смесей марок |
|
|
I |
II |
|
|
Предел прочности при сжатии, не менее, МПа, при температурах: |
|
|
|
|
|
|
|
а) 20ºС |
|
|
|
пористого асфальтобетона |
1,8 |
1,5 |
|
высокопористого асфальтобетона |
1,4 |
1,2 |
|
б) 50ºС пористого асфальтобетона высокопористого асфальтобетона |
|
|
|
0,7 |
0,5 |
|
|
0,5 |
0,4 |
|
|
Коэффициент водостойкости, не менее |
0,7 |
0,6 |
|
Коэффициент водостойкости при длительном водонасыщении. не менее |
0,6 |
0,5 |
|
|
|
|
11. Смеси должны выдерживать испытание на сцепление битума с минеральной частью смесей. При отсутствии сцепления следует применять поверхностно-активные вещества (ПАВ).
12. Температура смесей при выпуске из смесителя и укладке в конструктивный слой должна соответствовать требованиям табл; 65.
Таблица 65
|
Вид смеси |
Марка битума |
Температура смесей, ºС |
|
|
при выпуске из смесителя |
в асфальтоукладчике при укладке в конструктивный слой |
||
|
Горячие |
БНД 40/60 |
140-160 |
120 |
|
БНД 60/90 |
|||
|
БНД 90/130 |
|||
|
Горячие |
БН 60/90 БН 90/130 |
140-160 |
120 |
|
Теплые |
БНД 130/200 |
120-140 |
100 |
|
БНД 200/300 |
|
|
|
|
БН 130/200 |
|
|
|
|
БН 200/300 |
|
|
|
|
СГ 130/200 |
90-110 |
|
|
|
МГ 130/200 |
100-120 |
70 |
|
|
МГО 130/200 |
|
|
|
|
Холодные |
СГ 70/130 |
80-100 |
50 |
|
МГ 70/130 |
90-100 |
|
|
|
МГО 70/130 |
|
|
|
При применении активированных минеральных порошков температура горячих смесей с битумами марок БНД 40/60, БНД 60/90, БНД 90/130, БН 60/90 и БН 90/130 должна быть на 20 оС ниже, а с битумами марок БНД 130/200, БНД 200/300, БН 130/200, БН 200/300 - на 10 оС ниже по сравнению с указанной в табл. 65. Температура горячих смесей может быть на 10°С выше указанной в табл. 65, если их укладка осуществляется при температуре окружающего воздуха ниже 5°С.
13. Контроль качества асфальтобетонных смесей производят на асфальтобетонных заводах при изготовлении смесей и их укладке в дело, а асфальтобетона - по вырубкам из покрытий при приемке выполненных работ. Для контроля качества смеси отбирают и испытывают по одной пробе от каждой партии. Отбор проб производят по ГОСТ 12801-84. При контроле качества смесей определяют следующие показатели: температура готовой смеси, зерновой состав и содержание битума, водонасыщение, набухание, предел прочности при сжатии, коэффициент водостойкости, слеживаемость (для холодных смесей). При получении неудовлетворительных результатов испытаний хотя бы одной пробы производят повторные испытания удвоенного количества проб. В случае неудовлетворительных результатов повторных испытаний партию бракуют.
При контроле качества покрытия и основания по вырубкам образцы отбираются в виде прямоугольных вырубок или высверленных цилиндрических кернов на всю толщину покрытия (верхний и нижний слой вместе). Размеры вырубок устанавливают в зависимости от вида асфальтобетона по максимальному размеру зерен. Диаметр кернов должен быть: при отборе проб из песчаного асфальтобетона не менее 50 мм, из мелкозернистого - не менее 70 мм и из крупнозернистого - не менее 100 мм. Испытание асфальтобетона производят в соответствии с правилами, приведенными в ГОСТ 12801-84.
1. Лакокрасочные материалы представляют собой высоковязкие или порошкообразные вещества и составы, наносимые по поверхности строительных конструкций, изделий, оборудования в качестве противокоррозионных и декоративных покрытий.
2. Лакокрасочные материалы подразделяются на:
- основные (грунтовки, шпатлевки, лаки, краски, эмали);
- промежуточные (олифы, сиккативы, разбавители, растворители);
- прочие (смывки, пасты, мастики, отвердители).
ЛАКИ представляют собой раствор пленкообразующих веществ (смол, эфиров, целлюлоз, битумов и т.п.) в органических растворителях или воде, образующих после отвердения (высыхания) твердую однородную и прозрачную (кроме битумного лака) пленку.
КРАСКА представляет собой суспензию пигментов или их смесей с наполнителями в масле, олифе, эмульсии, латексе или другом пленкообразующем веществе, образующую после высыхания (отвердения) непрозрачную, окрашенную, однородную пленку.
ГРУНТОВКА представляет собой суспензию пигментов или их смесей с наполнителем в пленкообразующем веществе (олифе, лаке и т.п.), образующую после высыхания непрозрачную однородную пленку с хорошей адгезией (сцеплением) к подложке и верхним покровным слоям лакокрасочного материала.
ШПАТЛЕВКА представляет собой густую вязкую массу, состоящую из смесей пигментов с наполнителями в пленкообразующем веществе, предназначенную для заполнения неровностей и сглаживания окрашиваемой поверхности.
ЭМАЛЬ представляет собой суспензию пигментов или их смесей с наполнителями в лаке, образующую после отвердения (высыхания) непрозрачную твердую пленку с различным блеском и фактурой поверхности.
ПИГМЕНТ представляет собой неорганическое или органическое, природное или синтетическое красящее вещество, нерастворимое в дисперсионных средах и способное образовывать с пленкообразующим веществом лакокрасочное покрытие.
3. Основные лакокрасочные материалы классифицируются по двум признакам:
- химическому составу (типу пленкообразователя);
- преимущественному назначению. Классификация лакокрасочных материалов по химическому составу приведена в табл. 66
Таблица 66
|
Тип пленкообразователя |
Условное обозначение |
Тип пленкообразователя |
Условное обозначение |
|
Алкидноуретановые |
АУ |
Циклогексаноновые |
ЦГ |
|
Глифталевые |
ГФ |
Эпоксидные |
ЭП |
|
Кремнийорганические |
КО |
Эпоксиэфирные |
ЭЭ |
|
Меламиновые |
МЛ |
Этрифталевые |
ЭТ |
|
Мочевинные (карбамид-ные) |
МЧ |
На основе сополимеров: |
|
|
Пентафталевые |
ПФ |
винилацетата |
ВС |
|
|
|
винилхлорида |
ХС |
|
Полиуретановые |
УР |
Фторопластовые |
ФП |
|
Каучуковые |
КЧ |
Битумные |
БТ |
|
Масляно- и алкидности- |
МС |
Канифольные |
КФ |
|
рольные |
|
|
|
|
Перфлорвиниловые |
ХВ |
Масляные |
МА |
|
Полиакрилатные |
АК |
Янтарные |
ЯН |
|
Поливинилацетатные |
ВА |
Нитроцеллюлозные |
НЦ |
|
Полиэфирные насыщенные - |
ПЛ |
Ацетобутилатцеллюлозные |
АВ |
|
Полиэфирные ненасыщенные - |
ПЭ |
Ацетилцеллюлозные |
АЦ |
|
Фенол ьные |
ФЛ |
Этилцеллюлозные |
ЭЦ |
|
Фенолоалкидные |
ФА |
|
|
Классификация лакокрасочных материалов по преимущественному назначению приводится в табл. 67.
Таблица 67
|
Назначение (условия эксплуатации) |
Условное обозначение |
|
Атмосферостойкие |
1 |
|
Ограниченно атмосферостойкие |
2 |
|
Консервационные |
3 |
|
Водостойские: |
4 |
|
- по отношению к пресной воде |
4/1 |
|
- по отношению к морской воде |
4/2 |
|
Специальные (стойкие к биологическому воздействию, раз- |
5 |
|
личного рода излучений и т. п.) |
|
|
Маслобензостойкие: |
6 |
|
- по отношению к минеральным маслам и смазкам |
6/1 |
|
- по отношению к бензину, керосину и другим неф- |
6/2 |
|
Тепродуктам |
|
|
Химически стойкие: |
7 |
|
- по отношению к отраслевым парам |
7/1 |
|
- по отношению к кислотам |
7/2 |
|
- по отношению к щелочам |
7/3 |
|
Термостойкие при температурах от 60 до 500 °С |
8 |
|
Электроизоляционные |
9 |
4. Каждому лакокрасочному материалу присваивается наименование и обозначение, состоящее из слов, букв и цифр. Обозначения основных лакокрасочных материалов включает в себя 5 групп знаков:
1 - указывает вид лакокрасочного материала, обозначается словом;
2 - указывает тип используемого пленкообразующего вещества, обозначается двумя соответствующими буквами(см. табл. 66);
3 - указывает условия эксплуатации данного лакокрасочного материала, обозначается цифрой (см. табл. 67);
4 - указывает порядковый номер рецептуры, под которым данный лакокрасочный состав числится на заводе-изготовителе, обозначается одной, двумя или тремя цифрами;
5 - указывает на цвет лакокрасочного материала, обозначается словом.
Для некоторых лакокрасочных материалов между первой и второй группой знаков ставится индекс: Е - для
лаков без летучего растворителя, П - для порошкообразных красок, В - для водоразбавляемых материалов, Э - для водоэмульсионных красок, ОД - для органодисперсионных лакокрасочных материалов.
Для масляных густотертых красок перед третьей группой знаков ставится 0.
Для масляных и алкидных красок вместо порядкового номера указывается, на какой олифе изготовлена краска: 1 - натуральная; 2 - олифа, аксоль; 3 - глифталевая олифа; 4 - пентафталевая олифа; 5 - комбинированная.
Третью группу знаков для грунтовок и полуфабрикатных лаков обозначают цифрой 0, а для шпатлевок - 00.
Для получения покрытий с требуемыми эксплуатационными свойствами грунтовки и шпатлевки должны подбираться соответствующими применяемым эмалям и краскам.
5. Выбор вида лакокрасочного материала производится на основании указаний проекта об эксплуатационных условиях и рекомендуемых видах лакокрасочных материалов. При отсутствии указаний и видах лакокрасочных материалов в проекте они могут быть подобраны на основе их маркировки. Решение о применении тех или иных лакокрасочных материалов должно быть согласовано с представителями проектной организации, осуществляющей авторский надзор, и заказчика.
6. Основные технические свойства лакокрасочных материалов и покрытий характеризуются следующими показателями:
- рабочая (или условная) вязкость состава (ГОСТ 8420-74*);
- укрывистость окрасочного состава (ГОСТ 8784-75*);
- время достижения требуемой степени высыхания(ГОСТ 19003-73);
- прочность пленки при изгибе (ГОСТ 6806-73*);
- прочность пленки при ударе (ГОСТ 4765-73*);
- адгезия (сцепление) покрытия к подложке (ГОСТ 15140-78*).
7. Лакокрасочные материалы поставляются партиями и снабжаются паспортом или сертификатом, удостоверяющим качество материала. Они должны перевозиться и храниться в заводской упаковке: в бочках, бидонах, бутылях. Вид тары и ее материал устанавливаются заводом-изготовителем с учетом свойств связующих и растворителей, входящих в состав лакокрасочных материалов.
8. Контроль качества лакокрасочных материалов осуществляется путем их испытаний при поставке и после истечения установленного ГОСТ или ТУ срока хранения.
9. При перевозке и хранении лакокрасочные материалы должны предохраняться от увлажнения. Все виды лакокрасочных материалов должны храниться в закрытых и оборудованных в противопожарном отношении складских помещениях.
10. Технические свойства важнейших видов лакокрасочных материалов и общая эксплуатационная характеристика свойств покрытий из них приведены в табл. 68.
Таблица 68
|
Марка лакокрасочного материала |
Условия вязкость по В3-4, с |
Температура сушки, ºС |
Продолжительность сушки, ч |
Характеристика свойств покрытия, назначение |
Растворитель или разбавитель |
|
|
грунтовки |
|
|||||
|
ЭФ-0121 |
- |
50 |
2 |
Окраска по металлу, позволяет проводить сварочные работы с окрашенным металлом без зачистки покрытия в местах сварки |
Ксилол |
|
|
УРФ-0106 |
15-16 |
18-22 |
4 |
Предназначена для грунтования металлических и деревянных - поверхностей. Покрытие твердое, хорошо шлифуемое, водо- и солестойкое |
Ксилол, сольвент- уайт спирит |
|
|
Э-ВА-0132 |
110-150 |
18-22 |
2 |
Применяется для грунтования пористых поверхностей (дерево, штукатурка, картон), промежуточного слоя при перекрашивании фасадов зданий перхлорвиниловыми красками |
- |
|
|
КЦ-081 |
18-20 |
60-70 |
0,5 |
Применяются для грунтования |
Растворитель - |
|
|
|
|
|
|
изделий из дерева, ДСП, ДВП |
Р-646 |
|
|
шпатлевки |
|
|||||
|
ЭП-0010 |
Исходная |
18-22 |
24 . |
Выравнивание загрунтованных и не загрунтованных поверхностей, а также для грунтовки под эпоксидные эмали |
Разбавители Р-4, Р-5 |
|
|
ХВ-004 |
- |
18-22 |
2,5 |
Выравнивание и исправление дефектов на загрунтованных металлических и деревянных поверхностях, эксплуатируемых как внутри помещений, так и в атмосферных условиях |
Разбавители - |
|
|
ХВ-005 |
|
|
|
Р-4, Р-5 |
|
|
|
ХВ-0018 |
|
18-22 |
3 |
Выравнивание и сглаживание поверхности оштукатуренных фасадов при окраске их красками ХВ-161 |
|
|
|
лаки |
|
|||||
|
ГФ-166 |
24-28 |
18-60 |
48 |
Лакирование металлических и деревянных поверхностей, эксплуатируемых в атмосферных условиях и внутри помещений; покрытие по масляным краскам |
Ксилол, скипидар, сольвент |
|
|
ПФ-283 |
24-28 |
18-60 |
36 |
Покрытие по масляным краскам, деревянным и металлическим поверхностям, эксплуатируемым внутри помещений |
Ксилол, |
|
|
сольвент |
||||||
|
И4-270 |
25-30 |
100 |
0,1 |
Отделка древесины |
Бутиловый спирт, уайт-спирит (1:1) |
|
|
ЭП-540 |
15-18 |
18-22 |
24 |
Лакирование бетонных и металлических поверхностей |
Р-5 |
|
|
УР-243 |
13-14 |
18-22 |
0,6 |
Высокая водостойкость, зносостойкость и стойость к действию растворителей и других агрессивных сред, хороая адгезия к влажным поверхностям. Используется для защиты бетонных конструкций, отделки полов промышленных зданий из кислотоупорных бетонов, а также для покрытия древесины |
Поставяют компектно с раствоителем Р-189 (15 % для УР-293, 20 % для УР-294) |
|
|
МЛ-240 |
Не менее 35 |
18-22 |
3 |
Для покрытия паркетных полов |
Бутилоый спирт, разбавитель |
|
|
РКБ-1 |
|
|||||
|
АС-176 |
13-15 |
18-22 |
2 |
Лакирование строительных конструкций изалюминия и алюминиевых сплавов с бесцветной или цветной анодированной поверхностью |
Рл-176Г |
|
|
Вл-278 |
20-25 |
18-22 |
1 |
Для созданиягрунтовочного слоя на (поставповерхности изделий из древеcины перед нанесением полиуретановых лаков |
Рл-278 разбавляется компаком) |
|
|
Нитролаки НЦ |
20-30 |
18-22 |
1 |
Для покрытия металлических и деревянных поерхностей с последующим полированием или без него |
Разбавиель 646 |
|
|
эмали |
|
|||||
|
ГФ-290 |
40-60 |
18-22 |
24 |
Эмаль общего назначения, применяется для окраски металлических и деревянных поверхностей внутри помещений (кроме окраски пола) |
Уайт-спирит, скипидар или их смесь в соотношении (1:1) |
|
|
ПФ-115 |
28-30 |
18-22 |
36 |
Покрытие отличается высоким блеском, устойчиво к перепаду температур от -50 до+60ºС. Применяют для окраски металлических и деревянных изделий, эксплуатируемых в атмосферных условиях и внутри помещений |
Уайт-спирит, сольвент, смесь уайт-спирита со скипидаром (1:1) |
|
|
ПФ-223 |
22-25 |
18-22 |
36 |
Эмаль общего назначения, применяется для окраски металлических деревянных изделий, эксплуатируемых внутри помещений |
Ксилол |
|
|
ПФ-1189 |
18-20 |
- |
- |
Основное назначение -окраска стальных конструкций, эксплуатируемых в атмосферных условиях умеренного климата |
Сольвент, смесь rсилола с уайт-cпиритом в соотношении 1 1 |
|
|
ЭП-525 |
12-15 |
18-22 |
24 |
Нанесение на предварительно загрунтованные металлические поверхности изделий |
Р-5 |
|
|
ЭП-574 |
15-18 |
18-22 |
72 |
Окраска бетонных и металлических строительных конструкций |
Р-5 |
|
|
УР-49 |
13-15 |
18-22 |
72 |
Для окраски бетонных и деревянных поверхностей, в том числе влажных. После высыхания образуется глянцевое покрытие с хорошей водостойкостью |
Р-189 |
|
|
(поставляется комплектно с эмалью) |
||||||
|
ФЛ-254 |
60-85 |
18-22 |
24 |
Основное назначение -краска полов и других деревянных изделий, эксплуатируемых внутри помещении. Покрытие ровное, глянцевое, стойое к истиранию и дейтвию воды |
Уайт-спирит |
|
|
ФЛ-2109 |
||||||
|
ХВ-1100 |
14-16 |
18-22 |
1 |
Окраска деревянных или предварительно загрунтованных металлиских поверхностей,эксплуатируемых в условиях умеренного и холодного климата |
Разбавитель Р-4 |
|
|
ХВ-1149 |
14-16 |
18-22 |
2 |
Покрытие деревянных и металлических поверхностей, предварительно загрунтованных, эксплуатируемых в атмосферных условиях и внутри помещений |
Поставля ется комплектно с алюминиевой - пудрой ПАЛ-1 (5,3 м. ч. на 100 м. ч. эмали); раз бавитель Р-4 |
|
|
АС-1101, |
18-22 |
100 |
0,5 |
Окраска листов из алюминия и его сплавов |
Р-1101, |
|
|
АС-1101М |
Р-1101М |
|
||||
|
(матовая) |
|
|||||
|
АС-1166, |
16-22 |
18-22 |
4 |
Заделка дефектов порытия, полученного на основе эмалей АС-1101АС-ПОШ, а такжедля окраски изделий из окидированного алюминия, Эксплуатируемого внутри помещения |
Р-1101, |
|
|
АС-1166М |
Р-1101М |
|
||||
|
(матовая) |
||||||
|
КО-168 |
20-45 |
18-22 |
24 |
Основное назначение - окраска фасадов зданий и сооружений. Покрыие отличается хорошей адгезией к бетону, киричу и другим строиельным материалам и высокой водостойкотью |
Толуол |
|
|
КО-174 |
25-40 |
18-25 |
2 |
Предназначена для защиты декоративной отделки фасадов зданий, балконов, цоколей и отдельных строительных элементов |
Растворитель Р-5 |
|
|
КЦ-25 |
25-38 |
18-22 |
1 |
Основное назначение -окраска оборудования и различных металлических и деревянных изделий, эксплуатируемых внутри помещений |
Раствориель 645 или 646 |
|
|
КЦ-132К |
30-60 |
18-22 |
3 |
Образует глянцевое, износостойкое и атмосферостойкое покрытие. |
|
|
|
(кистевая) |
|
|||||
|
КЦ-132П |
18-20 |
|
3 |
|
||
|
(пульверизационная) |
Применяется для окраски металлических и деревянных изделий, нетребующих декоративной отделки |
|
||||
|
краски |
|
|||||
|
БТ-177 |
- |
18-22 |
16 |
Для окраски металлических изделий, эксплуатируемых в атмосферных условиях |
Поставляется комплектно с алюминиевой пудрой ПАП-2 |
|
|
Э-ВА-524 |
25-50 |
18-22 |
3 |
Основное назначение -окрашивание деревянных, окрашенных металлических, бетонных и других поверхностей со сроком службы покрытий не менее 6 месяцев |
Разбавляется коненсатомили питьевой водой |
|
|
Э-КУ-26 |
20-50 |
18-22 |
1 |
Применяются для работ внутри помещений по пористым материалам(штукатурке, картону), по загрунтованным металлическим поверхностям, а также по старым покрытиям. Не рекомендуется применять для окраски деревянных поверхностей - |
|
|
|
Э-ВС-17 |
20-80 |
18-22 |
1 |
Покрытие сохраняет защитные свойства не менее 5 лет, устойчиво к - замораживанию до -40°С и оттаиванию, применяется для наружной окраски пористых поверхностей, загрунтованных металлических поверхностей и для окраски по старым покрытиям |
Разбавляется конденсатом или питьевой водой |
|
В настоящем подразделе представлены, в соответствии с ГОСТ, обязательные допуски на строительные изделия и конструкции, выпускаемые предприятиями строительной индустрии. Имеются следующие допуски для разных изделий.
1. ИЗДЕЛИЯ ДЛЯ ФУНДАМЕНТОВ
Плиты железобетонные ленточных фундаментов - приведены в п. 8 Приложения 11 (ГОСТ 13580-85).
Блоки бетонные для стен подвалов - приведены в п. 11 Приложения 11 (ГОСТ 13579-78).
Фундаменты железобетонные сборные под колонны каркаса для многоэтажных зданий (ГОСТ 24476-80). Имеют следующие допуски, мм:
а) отклонение фактических размеров фундаментов от номинальных в рабочих чертежах:
- по длине (ширине) - ±16
- по высоте - ±10;
б) отклонение от номинальных размеров стакана под колонну и выступов фундамента - ±5;
в) отклонение от плоскостности подошвы фундаментов- ±5;
г) отклонение от номинальной толщины защитного слоя бетона до арматуры - +10; -5.
(Поверхность - категория А7; трещины - ГОСТ 13015.0-83.)
Сваи железобетонные (ГОСТ 19804-91) имеют следующие допуски:
а) отклонение от линейного размера, мм:
- длина сваи (призматической части) с не напрягаемой арматурой:
- до 8 м - ±25
свыше 8 до 16 м - ±30
свыше 16 м - ±40
(то же, свай с напрягаемой арматурой - ±50 мм)
- размер (наружный диаметр) поперечного сечения сваи:
до 250 мм вкл. - +15; -6
свыше 250 до 500 вкл. - +20; -8
свыше 500 до 1000 вкл. - +25; -10
свыше 1000 до 1600 вкл. - +30; -12
свыше 1600 до 2500 вкл. -+40; -15
свыше 2500 - +50; -16
- длина острия или наконечника сваи - ±30
- толщина стенки сваи (с полостью внутри):до 120 мм вкл. - +10; -5
свыше 120 до 250 вкл. - +25; -6;
б) отклонение от прямолинейности профиля боковых граней сваи (призматической части ствола) на всей длине, мм:
до 8000 мм вкл. - ±25
свыше 8000 до 16000 вкл. - ±30
свыше 16000 -±40;
в) отклонение от перпендикулярности торцевой плоскости:
в голове сваи и сваи-оболочки - 0,015 размера поперечного сечения сваи; в зоне стыка составной сваи сплошного квадратного сечения - 0,01 размера поперечного сечения сваи; в зоне стыка составной сваи-оболочки- 0,005 размера поперечного сечения сваи.
(Поверхность - ГОСТ 13015.0.)
Балки фундаментные ж/б для стен зданий промышленных и с/х предприятий (ГОСТ 28737-90):
а) отклонение от линейного размера, мм:
- длина балки:
1450 мм - ±5
2350 мм - ±6
2950, 4000 мм - ±8
от 4300 мм; до 5950 вкл.- ±10
10300 мм и более - ±12
- ширина балки - ±6
- высота балки - ±8;
б) отклонение от прямолинейности профиля верхней поверхности балки на всей ее длине, мм:
до 2350 мм вкл. - 10
свыше 2350 до 4000 мм вкл. - ±12
свыше 4000 до 5950 мм вкл. - 15
свыше 5950 мм - 20.
(Поверхность - категория А6; трещины - только усадочные < 0,2 мм.)
2. ИЗДЕЛИЯ ДЛЯ КАРКАСА ЗДАНИЙ
Колонны железобетонные для многоэтажных зданий (ГОСТ 18979-90):
а) отклонение от линейного размера:
- длина колонны (размер от нижнего торца колонны до опорной плоскости колонны, размер между опорными плоскостями консолей), мм:
до 4000 мм вкл. - ±8
свыше 4000 до 8000 мм вкл. - ±10
свыше 8000 до 16000 мм вкл. - ±12
- размер поперечного сечения колонны, размер консоли:
до 250 мм вкл. - ±4
свыше 250 до 500 мм вкл. - ±5
свыше 500 мм - ±6
- размер, определяющий положение закладного изделия на плоскости колонны - 10
- несовпадение плоскостей колонны и элемента закладного изделия - 5;
б) отклонение от прямолинейности боковых граней колонны на всей их длине, мм:
до 4000 вкл. - 8
свыше 4000 до 8000 вкл. - 10
свыше 8000 до 16000 вкл. - 12;
в) отклонение от перпендикулярности торцевой и боковых граней колонны при поперечном сечении, мм:
400, 500 - 5
600 - 6.
(Поверхность - категория А3 для боковых лицевых; категория А7 - нелицевых.)
Ригели ж/б для многоэтажных зданий (ГОСТ 18980-90):
а) отклонение от линейного размера, мм:
- длина ригеля:
до 4000 мм вкл. - ±5
свыше 4000 до 8000 мм вкл. - ±6
свыше 8000 мм - ±8
- размер, определяющий положение закладного изделия на плоскости ригеля:
опорного - 5 дополнительного - 10
- размер поперечного сечения: до 250 мм вкл. - ±4
свыше 250 до 500 мм вкл. - ±5 свыше 500 мм - ±6
- несовпадение плоскостей ригеля и элемента заключительного изделия - 5;
б) отклонение от прямолинейности боковых граней ригеля на всей их длине, мм:
до 4000 вкл.- 5
свыше 4000 до 8000 вкл. - 6
свыше 8000 - 8;
в) отклонение от плоскостности опорной части ригеля - 3 мм.
(Поверхность - категория А3 для нижних (потолочных) и боковых лицевых; категория А7 - нелицевых, невидимых в условиях эксплуатации.)
Колонны ж/б для одноэтажных зданий (ГОСТ 25628-90):
а) отклонение от линейного размера, мм:
- длина колонны и размер от торца колонны до опорной плоскости колонны:
до 4000 вкл. - ±12
свыше 4000 до 8000 вкл. -+15
свыше 8000 до 16000 вкл. - ±20 свыше 16000 -±25
- размер поперечного сечения колонны или ветвидвухвет. колонны:
до 250 вкл. - ±4
свыше 250 до 500 вкл. - ±5
свыше 500 - ±6
- общая высота поперечного сечения нижней части двух вет. колонны:
до 1600 вкл. - ±8 свыше 1600 -±10
- размер, определяющий:
положение закладного изделия на плоскости колонны для элемента закладного изделия длиной:
до 100 мм вкл. - 5
свыше 100 мм - 10
несовпадение плоскостей колонны и элемента закладного изделия - 3;
б) отклонение от прямолинейности профиля боковых граней на всей длине колонны длиной, мм:
до 4000 вкл. - 8 свыше 4000 до 8000 вкл. - 10 свыше 8000 до 16000 вкл. - 12 свыше 16000 - 15;
в) отклонение от перпендикулярности торцевой и боковых граней колонны при размере ее поперечного сечения, мм:
до 250 вкл.- 4
свыше 250 до 500 вкл. - 5
свыше 500 - 6.
Фермы железобетонные (ГОСТ 20213-89):
а) отклонение от линейного размера, мм:
- длина фермы: 5960 - +20; -10
8960, 11860, 11960-+25; -15 17940, 17960, 23940-+30; -20
- поперечное сечение элементов фермы - ±5
- высота фермы в середине ее длины для ферм длиной:
5960, 8960-±8 11860, 11960-±10
17940, 17960, 23940-±12
- положение закладных изделий: в плоскости фермы - 8
из плоскости фермы - 5;
б) отклонение от прямолинейности фермы, установленной в рабочее положение, характеризуемое величиной наибольшего отклонения боковых граней поясов фермы от вертикальной плоскости, для ферм длиной: 5960 - 15
8960, 11860, 11960-20 17940, 17960, 23940-25. (Поверхность - категория А6.)
Балки стропильные и подстропильные ж/б (ГОСТ 20372-90):
а) отклонение от линейного размера, мм:
- длина балки:
5960, 6250, 6260, 7800-±10
8960, 9350, 9420, 11960, 12440-±12
17960 - ±15
- высота поперечного сечения балки:до 1000 вкл. - ±10
свыше 1000 до 1600 - ±12
- ширина пояса балки:до 250 вкл. - ±6свыше 250 - +8
- толщина стенки и высота пояса балки: до 120 вкл. - ±5
свыше 120 - ±6
- размер, определяющий положение закладных изделий:
в плоскости балки - 10
из плоскости балки - 3;
б) отклонение от прямолинейности реального профиля боковых поверхностей балки на всей ее длине, мм:
5960, 6250, 6260, 7800 - 15
8960, 9350, 9420, 11960, 12440-20
17960 - 25.
(Поверхность - категория А6 для лицевых; категория А7 - нелицевых.)
Прогоны ж/б для покрытий зданий промышленных и с/х предприятий (ГОСТ 26992-86):
а) отклонение от линейного размера, мм:
- длина прогона - ±6
- ширина и высота прогона - ±5
- положение выступов, выемок и отверстий - 5
- положение закладных изделий:
- в плоскости прогона - 10
- из плоскости прогона - 3;
б) отклонение от прямолинейности: прямолинейность профиля лицевой поверхности прогона по всей его длине - 10.
(Поверхность - категория А6 для поверхности продольного ребра и низа полки; категория А7 - остальных поверхностей.)
3. ПЛИТЫ ПЕРЕКРЫТИЙ
Плиты перекрытий ж/б многопустотные для зданий и сооружений - приведены в п. 5 Приложения 11 (ГОСТ 9561-91).
Плиты перекрытий ж/б сплошные для крупнопанельных зданий - приведены в п. 6 Приложения 11 (ГОСТ 12767-94).
Плиты перекрытий ж/б ребристые высотой 300 мм для зданий и сооружений (ГОСТ 21506-87):
а) отклонение от линейного размера, мм:
- длина плиты - ±10
- ширина плиты: 935-±4
1485 - ±5 2985 - ±8
- высота плиты - ±5
- толщина полки, размер ребер - 3; +5
- размер, определяющий положение проемов отверстий и вырезов - 5
- размер, определяющий положение закладных изделий:
в плоскости плиты:
опорные изделия - 5
дополнительные изделия - 10
из плоскости плиты - 3;
б) отклонение от прямолинейности профиля наружных боковых поверхностей плит, мм:
на заданной длине 1000 мм - 3
на всей длине - 8;
в) отклонение от плоскости нижней поверхности плиты: относительно условной плоскости, проходящей через три угловые точки плиты -10 мм;
г) отклонение от равенства диагоналей верхней плоскости плиты - 16 мм.
(Поверхность - категория А6 на лицевой поверхности плиты; категория А7 - на не лицевой поверхности плиты; трещины не допускаются за исключением усадочных 2 0,1 мм.)
Плиты перекрытий ж/б ребристые высотой 400 мм для производственных зданий промышленных предприятий (ГОСТ 27215-87):
а) отклонение от линейного размера (первой категории качества плит), мм:
- длина плиты - ±10
- ширина плиты: 740 и 935 мм - ±41485 мм - +52985 мм - ±8
- высота плиты - ±5
- толщина полки, размеры ребер - 3; +5
- положение проемов, отверстий и вырезов - 5
- положение закладных изделий: в плоскости плиты:
опорные изделия - 5 дополнительные изделия - 10 из плоскости плиты - 3;
б) отклонение от прямолинейности наружных боковых поверхностей плит, мм:
на заданной длине 1000 мм - 3 на всей длине - 8;
в) отклонение от плоскостности нижней поверхности плиты относительно условной плоскости, проходящей через три угловые точки плиты - 10 мм;
г) отклонение от равенства диагоналей верхней плоскости плиты - 16 мм.
(Поверхность - категория в проектной документации; трещины - только усадочные й 1 мм.)
Плиты покрытий ж/б для зданий предприятий (ГОСТ 28042-89):
а) отклонение от линейного размера, мм:
- длина плиты:
2990 мм и менее - ±5 5970 мм - ±6
11960 мм-±8
17940, 17960 мм - ±15
- ширина плиты - ±5
- высота плиты:
до 450 мм вкл. - ±5 свыше 450 мм - ±6 -- толщина полки - ±3
- размеры ребер - +3
- положение проемов, отверстий и вырезов - 10
- положение закладных изделий: в плоскости плиты:
- опорные изделия - 5
- дополнительные - 10 из плоскости плиты - 3;
б) отклонение от прямолинейности профиля наружных боковых поверхностей продольных ребер плит на всей их длине, мм:
1490, 2990 мм - 8
5970 мм - 10
11960 мм-12
17940, 17960 мм- 15. (Поверхность - категория А6.)
4. СТЕНОВЫЕ ПАНЕЛИ
Панели стеновые наружные бетонные и ж/б для жилых и общественных зданий - приведены в пп. 1, 2 Приложения 11 (ГОСТ 11024-84 и ГОСТ 12504-80).
Панели стеновые внутренние бетонные и ж/б для жилых и общественных зданий - приведены в п. 12 Приложения 11 (ГОСТ 17979-88).
Блоки стеновые бетонные и ж/б для зданий - приведены в п. 7 Приложения 11 (ГОСТ 19010-82).
Панели из легких бетонов на пористых заполнителях для наружных стен производственных зданий (ГОСТ 13578-68):
а) отклонение от проектных размеров панелей, в мм, не должно превышать, мм:
- по длине:
для панелей длиной до 9000 мм - +5; -10 свыше 9000 мм - ±10
- по высоте и толщине - ±5;
б) разность длин диагоналей панелей не должна превышать, мм:
до 9000 мм - 10 свыше 9000 мм - 12;
в) отклонения от плоскостности панелей, характерные величиной наибольшего отклонения одного из углов панели от плоскости, проходящей через три других угла, мм:
до 9000 мм - 6 свыше 9000 мм - 10;
г) отклонение от прямой линии реального профиля поверхности и ребер панелей не должно превышать, мм:
на длине 2000 мм - 3
на всей длине панели до 9000 мм - 6
свыше 9000 мм - 10.
(Поверхность: 0 раковин - 3 мм; глубина раковин - 2 мм; высота наплывов - 2 мм, под окраску для лицевых поверхностей; А7 – не лицевые (невидимые при эксплуатации); трещины не допускаются, за исключением усадочных ^0,2 мм.)
Панели перегородок ж/б для зданий промышленных и с/х предприятий (ГОСТ 25098-87):
а) отклонение от линейного размера, мм:
- длина панели:
до 2500 мм вкл. - ±4
свыше 2500 до 4000 мм вкл. - ±5
свыше 4000 мм - ±8
- высота панели:
до 1600 мм вкл. - ±3
свыше 1600 до 2500 мм вкл. - ±4
свыше 2500 мм - ±5
толщина панели - ±2
размеры проемов, отверстий и вырезов - ±5
размер, определяющий положение проемов, отверстий, вырезов - 5;
б) отклонение от прямолинейности профиля лицевых поверхностей в любом сечении, мм:
на заданной длине 1000 мм - 3
на всей длине панели до 4000 мм - 3
свыше 4000 мм - 5;
в) отклонение от плоскостности панели при измерениях от условной плоскости, проходящей через три угловые точки панели длиной, мм:
до 2500 мм вкл. - 6
свыше 2500 до 4000 мм вкл. - 8
свыше 4000 мм - 10;
г) отклонение от равенства диагоналей панелей длиной, мм:
до 4000 мм вкл. - 10 свыше 4000 мм - 12;
д) отклонение от равенства диагоналей дверного проема - 10 мм.
(Поверхность - категория АЗ на лицевой поверхности панели; А7 - на не лицевой поверхности панели (невидима при эксплуатации); трещины не допускаются, за исключением усадочных 2 0,1 мм.)
5. Ж/Б ДЛЯ ЗДАНИЙ И СООРУЖЕНИЙ
Марши и площадки лестниц ж/б - приведены в п. 9 Приложения 11 (ГОСТ 9818-85).
Ступени ж/б и бетонные - приведены в п. 10 Приложения 11 (ГОСТ 8717.0-84).
Плиты балконов и лоджий - приведены в п. 4 Приложения 11 (ГОСТ 25697-83).
Перемычки ж/б для зданий с кирпичными стенами (ГОСТ 948-84):
а) отклонение от линейного размера, мм:
- длина перемычки:
до 2500 мм вкл. - ±6
свыше 2500 до 4000 мм вкл. - ±8
свыше 4000 мм - ±10
- ширина и высота перемычки - ±5
- положение выступов, выемок и отверстий - 5
- положение закладных изделий не должно превышать:
в плоскости перемычки - 5 из плоскости перемычки - 3;
б) отклонение от прямолинейности: прямолинейность профиля лицевой поверхности перемычки, мм:
длиной до 2500 на заданной длине 1000 мм - 3
свыше 2500 до 4000 на всей длине
перемычки - ±3
свыше 4000 на всей длине перемычки - ±4. (Поверхность - категория А3 для нижней и боковых поверхностей; категория А7 - остальных поверхностей; трещины не допускаются, за исключением усадочных < 0,1 мм.)
Блоки вентиляционные ж/б - приведены в п. 12 Приложения 11 (ГОСТ 17979-88).
Конструкции для шахт лифтов ж/б - приведены в п. 13 Приложения 11 (ГОСТ 17538-82).
Кабины сантехнические ж/б (ГОСТ 18048-80):
а) отклонение фактических размеров кабин от номинальных, мм:
- по длине, ширине и высоте кабины снаружи -±8
- по положению перегородки - ±5
- по толщине стен, потолка и плиты днища - ±3
- по размерам и расположению отверстий - ±3
- по размерам и расположению дверных проемов-±5
- по расположению концов установочных трубопроводов:
диаметров до 20 мм - ±5 более 20 мм - ±3
- по расположению осей подводок к смесителю -±2
- по длине и ширине плиты днища - ±5;
б) непрямолинейность профиля поверхности стен, пола и потолка кабин на всю длину - 3;
в) неплоскостность опорной поверхности плиты днища, мм:
до 2500 мм вкл. - 5 свыше 2500 мм - 8;
г) разность длин диагоналей наружных плоскостей кабин - 10 мм;
д) отклонения положения закладных деталей, мм:
в плоскости стен, потолка и пола - 10
из плоскости стен, потолка и пола - 3. (Поверхность - категория А2 для лицевых под окраску; категория А4 для лицевых под отделку обоями или пленками; А7 – не лицевых (невидимых в условиях эксплуатации); трещины -по ГОСТ 13015.0-83.)
Плиты подоконные ж/б (ГОСТ 6785-80):
а) отклонение фактических размеров плит от номинальных не должно превышать, мм:
по длине плиты - ±6
по ширине плиты - ±3
по толщине плиты - ±2;
б) непрямолинейность профиля лицевой поверхности плиты не должна превышать, мм:
на 1 м длины плиты - 2
на всю длину плиты при длине плиты > 1 м - 3
на ширину плиты - 1;
в) неплоскостность лицевой поверхности плиты не должна быть >3 мм;
г) отклонение от проектного положения закладных изделий не должно превышать, мм:
в плоскости плиты - 5
из плоскости плиты - 2.
(Поверхность - категория А1 для лицевой шлифованной или глянцевой; А2 - лицевой гладкой, под окраску; А7 - нелицевой, невидимой при эксплуатации.)
Плиты подоконные ж/б для жилых, общественных и вспомогательных зданий (ГОСТ 26919-86):
а) отклонение линейных размеров, мм:
- длина плиты - +5
- ширина плиты - ±3
- толщина плиты - ±2
положение закладного изделия:
в плоскости плиты - 5
из плоскости плиты - 2;
б) отклонение от прямолинейности: прямолинейность лицевого профиля поверхности плиты на всей длине плиты, мм:
длиной 700-1300 мм - ±2
длиной 1450-2800 мм - ±3;
в) отклонение от плоскостности: плоскостность лицевой поверхности плиты относительно прилегающей плоскости - 3.
(Поверхность - категории АО или А1 для лицевой шлифованной или глянцевой; А2 - лицевой, гладкой, предназначенной под окраску; А7 – не лицевой, невидимой в условиях эксплуатации; трещины не допускаются, за исключением усадочных < 1 мм на нижней поверхности плит.)
Плиты парапетные ж/б для производственных зданий (ГОСТ 6786-80):
а) отклонение фактических размеров плит от проектных не должно превышать, мм:
- по длине и ширине - ±5
-по толщине плиты - ±3
- по размерам пазов - +3
- по размерам монтажных вырезов - +5;
б) непрямолинейность профиля наружных боковых поверхностей плиты на
всей длине -
3;
в) неплоскостность верхней поверхности -
3;
г) разность диагоналей верхней (или нижней) плоскости плит -
5;
д) на поверхности не допускаются, мм:
- раковины ![]()
15 и глубиной
5
- местные наплывы бетона и впадины
5
- околы бетона ребер глубиной
10, общей
длиной более 100 мм на 1 м ребра.
- трещины, за исключением усадочных
0,1 мм.
6. ИЗДЕЛИЯ ДОРОЖНЫХ СООРУЖЕНИЙ
Плиты железобетонные для покрытий городских дорог (ГОСТ 21924.0-84):
а) отклонение от линейного размера, мм:
- длина и ширина плиты: до 2,5 м вкл. - ±4
свыше 2,5 до 4,0 м вкл. - ±5
свыше 4,0 м - ±6
- толщина плиты - ±4
- размеры выемок (монтажно-стыковые элементы) -±3
- размер, определяющий положение закладных изделий:
в плоскости плиты - 10
из плоскости плиты - 3;
б) отклонение от прямолинейности: прямолинейность профиля верхней поверхности плиты в любом сечении на всей длине или ширине, мм:
до 2,5 м вкл. - 4
свыше 2,5 до 4,0 м вкл. - 5
свыше 4,0 м 6;
в) отклонение от плоскостности: плоскостность лицевой поверхности плиты (при измерении от условной плоскости, через три крайние точки), мм:
до 2,5 м вкл. - 4
свыше 2,5 до 4,0 м вкл. - 5
свыше 4,0 м - 6;
г) отклонение от перпендикулярности: перпендикулярность смежных торцевых граней на участке длиной, мм:
400 мм - 2
1000 мм - 2,5;
д) отклонение от равенства диагоналей: разность длин диагоналей лицевых поверхностей плит при их наибольшем размере (длине и ширине), мм:
до 4,0 м вкл. - 8
свыше 4,0 -10.
(Поверхность - категория А6 для рабочей бетонной поверхности; А7 - нерабочей поверхности. На любом участке бетонной поверхности плиты площадью 1м2 должно быть не более трех раковин и местных наплывов и впадин; рабочая поверхность плит (верхняя поверхность дорожного покрытия) должна иметь рифление или шероховатость; трещины не допускаются, за исключением поверхностных усадочных шириной < 0,1 мм и длиной не более 50 мм в количестве не более пяти на 1,5 м2 поверхности.)
Конструкции бетонные и ж/б для колодцев канализационных, водопроводных и газопроводных сетей (ГОСТ 8020-90):
а) отклонение от линейного размера, мм:
- высота (толщина) конструкции:
до 180 мм - ±5
до 300 мм - ±8
до 1000 мм - +10
свыше 1000 до 1600 мм - ±12
свыше 1600 до 2500 мм - ±15
свыше 2500 мм - ±20
- длина и ширина опорных и дорожных плит - 10
- внутренний
рабочих камер, стеновых и опорных колец,
наружный
плит перекрытий и днища,
лазов и
отверстий:
до 1000 мм - ±6
свыше 1000 до 1600 мм - ±8
свыше 1600 до 2500 мм - ±10
свыше 2500 мм - ±12.
- положение отверстий и вырезов - 10;
б) отклонение от плоскостности нижней поверхности плит перекрытий (при измерении от условной плоскости),мм:
- наружный
плит перекрытия:
до 1000 мм -
4
свыше 1000 до 2500 мм - 6
свыше 2500 мм - 8.
(Поверхность - категория А6 для всех поверхностей, за исключением стыковых; А7 - поверхностей, образующих стык конструкций.)
Камни бетонные и ж/б бортовые (ГОСТ 6665-91):
а) отклонение от линейного размера, мм:
длина камней:
1000 мм - ±6
3000 мм -±10
6000 м - ±10
ширина:
по основанию - ±6
по верхней кромке - ±4
- высота:
до 200 мм - ±4
свыше 200 до 500 мм - ±5
свыше 500 мм - ±6;
б) отклонение от прямолинейности профиля верхней поверхности по всей длине, мм:
- длина камня:
1000 мм - 6
3000 мм - 12
6000 мм - 15;
в) отклонение от перпендикулярности торцевых и смежных граней при высоте камня, мм:
до 500 мм - 4 свыше 500мм - 5.
(Поверхность - категория А6 для лицевой бетонной поверхности; А7 – не лицевой бетонной поверхности; трещины не допускаются, за исключением поверхностных шириной не более 0,1 мм и длиной до 50 мм, в количестве не более 5 шт. на 1 м2.)
Конструкции ж/б подпорных стен (ГОСТ 26815-86):
а) отклонение от линейного размера, мм:
длина - ±10
ширина или высота - ±8
толщина - ±5
- размер, определяющий положение закладного изделия:
в плоскости конструкций - 10
из плоскости конструкции - 3;
б) отклонение от прямолинейности: прямолинейность реального профиля поверхности лицевой плиты в любом сечении на всей длине, мм:
до 1600 мм - +5 свыше 1600 до 2500 мм -±6 свыше 2500 до 4000 мм - ±8 свыше 4000 мм - +10;
в) отклонение от плоскостности: плоскостность внутренней (со стороны грунта) поверхности лицевой плиты относительно условной плоскости через три угла, мм:
до 4000 мм - ±8 свыше 4000 мм - ±10;
г) отклонение от равенства диагоналей: разность длин диагоналей внутренней поверхности лицевой плиты, мм:
- до 4000 мм - 8
- свыше 4000 мм - 10.
(Поверхность - категория А6 для лицевой, не отделываемой - лицевые плиты; А7 – не лицевой, невидимой; трещины по ГОСТ 13015.0-83.)
Плиты бетонные тротуарные (ГОСТ 17608-91):
а) отклонение от линейного размера, мм:
- длина, ширина :
до 250 мм - ±4
- от 250 до 500 мм - ±5
от 500 до 1000 мм - ±6
- толщина - ±5;
б) отклонение от прямолинейности профиля лицевой поверхности - 5 мм;
в) отклонение от плоскостности лицевой поверхности - 5 мм;
г) отклонение от перпендикулярности торцевых и смежных им граней - 4 мм.
(Поверхность - категория А6 для лицевой бетонной поверхности; А7 - для
не лицевой поверхности; трещины не допускаются, за исключением технологических
0,1 мм и длиной < 50 мм в количестве не
более 5 шт. на 1 м2 поверхности армированных плит.)
Плиты ж/б для аэродромных покрытий (ГОСТ 25912.0-91):
а) отклонение от линейного размера, мм:
- длина плиты -±6
- ширина плиты - ±5
- толщина плиты - ±4
- размер, определяющий положение выемок у монтажно-стыковых изделий - ±5
- смещение монтажно-стыковых изделий:
- вдоль грани плиты - 5
- перпендикулярно к грани - 2
- по высоте плиты - 3
- размер выемок у монтажно-стыковых изделий - ±5;
б) отклонение от прямолинейности: прямолинейность профиля поверхности и боковых граней, мм:
в любом сечении на длине 2 м - 3
на всей длине плиты - 5;
в) отклонение от плоскостности: плоскостность рабочей поверхности плиты (при измерении от условной плоскости, проходящей через три крайние точки) - 5 мм;
г) отклонение от перпендикулярности: перпендикулярность смежных торцевых граней плит на участке длиной, мм:
400 мм - 2
1000 мм -2,5;
д) отклонение от равенства длин диагоналей: разность длин диагоналей рабочей поверхности плиты - 10 мм. (Рабочая поверхность плит не должна иметь трещин. На нерабочей поверхности и боковых гранях допускаются усадочные и технологические трещины шириной не более 0,05 мм и длиной не более 50 мм. Рифленая поверхность плиты должна иметь четкий рисунок рифления без околов граней канавок.)
|
Вид, марка цемента |
Основное назначение |
Допускается применять |
Не допускается применять |
|
Портландцемент марок М600 и М550 |
Для бетонов класса В40 и выше, в том числе для жаростойких бетонов |
Для аварийно-восстановительных работ. При реконструкции промышленных предприятий и сооружений |
Для монолитных бетонных и железобетонных конструкций, где не используются свойства этих цементов (быстрое твердение, прочность) |
|
То же, М500 |
Для бетонов классов В25-В35 |
То же |
Для конструкций, подвергающихся действиям минерализованных вод со степенью минерализации, превышающей нормы агрессивности воды-среды |
|
Для бетонов классов В15-В25 и жаростойкого бетона |
» |
||
|
То же, М300 |
Для бетонов класса В10 и ниже, жаростойкого бетона Для конструкций, подвергающихся систематическому попеременному замораживанию и оттаиванию или увлажнению и высыханию (в пресной воде) |
» |
То же |
|
Пластифицированный портландцемент марок М300, М400, М500, М550 |
При бетонировании в условиях сухой и жаркой погоды |
» |
|
|
|
|||
|
Гидрофобный портландцемент марок М300 и М400 |
Для конструкций, подвергающихся систематическому попеременному замораживанию и оттаиванию или увлажнению и высыханию (в пресной воде). В случае длительного транспортирования и хранения цемента |
То же |
|
|
Сульфатостойкий портландцемент марок М300 и М400 |
Для конструкций, подвергающихся действию сульфатных вод, в условиях переменного горизонта воды, при систематическом по переменном замораживании и оттаивании или увлажнении и высыхании |
Для конструкций, подвергающихся систематическому попеременному замораживанию и оттаиванию или увлажнению и высыханию (в пресной воде) |
Для бетонных или железобетонных конструкций, не подвергающихся действию агрессивных сред |
|
Тампонажный портландцемент |
Для тампонирования нефтяных и газовых скважин |
Для обычных конструкций |
Для конструкций, подвергающихся действиям минерализованных вод со степенью минерализации, превышающей нормы агрессивности воды-среды |
|
Шлакопортландцемент марок М200, М300, М400, М500, М600 |
Для надземных, подземных и подводных конструкций, подвергающихся действию пресных и минерализованных вод |
При возведении конструкций всухую и жаркую погоду при обеспечении влажного выдерживания |
Для конструкций, подвергающихся систематическому попеременному замораживанию и оттаиванию или увлажнению и высыханию. При пониженных температурах (ниже 10°С) без искусственного обогрева, за исключением массивов, выдерживаемых по методу термоса, с модулем поверхности менее 3 |
|
Быстротвердеющий шлакопортландцемент марок М400-М500 |
Для бетонов класса В15 и выше с повышенной начальной прочностью и жаростойкостью бетона |
Для надземных, подземных и подводных конструкций, подвергающихся действию минерализованных вод. Для конструкций, возводимых при температурах ниже 10°С. Для конструкций из жаростойкого бетона |
Для гидротехнических сооружений, находящихся на переменном горизонте воды и подвергающихся систематическому попеременному замораживанию и оттаиванию или увлажнению и высыханию |
|
Пуццолановый портландцемент марок М200, М300, М400 |
Для подземных и подводных конструкций, подвергающихся действию пресных вод |
Для надземных конструкций, находящихся в условиях повышенной влажности, при влажном выдерживании. Для подводных и подземных конструкций, подвергающихся действию минерализованных вод |
Для конструкций, подвергающихся систематическому попеременному замораживанию и оттаиванию или увлажнению и высыханию. В зимних условиях, если применение не предусмотрено проектом. При температурах ниже 10 °С без искусственного обогрева, кроме прогреваемых по методу термоса |
|
Глиноземистый цемент марок М400, М500, М550, М600 |
При необходимости получения высокой прочности бетона в короткие сроки при температуре окружающей среды ниже 20°С. |
То же |
Для надземных, подземных и подводных конструкций, в которых температура бетона может подняться выше 30°С |
|
При систематическом попеременном замораживании и оттаивании или увлажнении и высыхании, а также при зимнем бетонировании. Для жаростойких и некоторых химически стойких бетонов |
|||
|
Высокоглиноземистый цемент марок М400, М500, М550, М600 |
Для бетонных и железобетонных конструкций, подвергающихся воздействию сульфатных вод и сернистого газа при температуре не выше 25°С. Для конструкций из жаростойкого бетона |
» |
То же |
|
Глиноземистый расширяющийся цемент марок М400, М500 |
Для получения безусадочных и расширяющихся водонепроницаемых бетонов, гидроизоляционных штукатурок |
Для зачеканки швов и раструбов при рабочем давлении до 1МПа, создаваемом в течение 24 ч с момента окончания зачеканки |
Для производства строительных работ при температуре ниже °С без обогрева, при реконструкции промышленных предприятий. Для работ конструкций в эксплуатационных условиях при температуре выше 80°С |
|
Напрягающий цемент марки М400 и выше |
Для получения расширяющихся напрягающихся бетонов, гидроизоляционных штукатурок, заделки стыков, каверн, омоноличивания конструкций, заделки фундаментных болтов |
Для усиления конструкций, омоноличивания стыков, установки анкеров самоуплотняющихся покрытий |
То же |
|
Низкотермичный цемент |
Для получения бетонов с низкой экзотермией |
Для массивных сложных конфигураций, для обеспечения высокой плотности бетона |
|
Бетоны классифицируются по следующим признакам:
- основному назначению;
- виду вяжущего;
- виду заполнителей;
- структуре;
- способу твердения.
1. В зависимости от основного назначения бетоны подразделяются на конструкционные и специальные.
Конструкционные бетоны применяются для несущих и ограждающих строительных конструкций зданий и сооружений, к которым предъявляются требования, характеризующие их механические, физические и некоторые другие свойства, включая стойкость против климатических и других воздействий внешней среды.
Специальные бетоны - это бетоны, к которым предъявляются специфические требования и которые применяются в определенных областях строительства или определенных условиях эксплуатации (жаростойкие, химически стойкие, декоративные, высокопрочные, гидротехнические, аэродромные и дорожные и др.):
жаростойкие предназначены для восприятия воздействий высокой температуры (выше 200 °С);
химически стойкие предназначены для восприятия химических воздействий агрессивных сред;
декоративные предназначены для отделки конструкций зданий и сооружений;
высокопрочные бетоны применяются для конструкций, обеспечивающих класс прочности на сжатие В50 и выше;
гидротехнические применяются с целью обеспечения долговечности сооружений и конструкций, постоянно или периодически омываемых водой;
аэродромные {дорожные) используются для жестких покрытий или оснований дорог и аэродромов.
2. По виду вяжущего бетоны могут быть на основе следующих вяжущих: цементных, известковых, шлаковых, гипсовых и специальных.
Цементные бетоны, (на основе клинкерных цементов) применяются во всех случаях, когда не предъявляются особые специальные требования.
Бетоны на известковых вяжущих получают на основе извести в сочетании с гидравлическими активными и кремнеземистыми компонентами (шлаки, золы, кварцевый песок и активные минеральные добавки). Бетон на известковых вяжущих автоклавного твердения называют «силикатный». Данный бетон применяется только для сборных бетонных и железобетонных элементов заводского изготовления.
Бетоны на шлаковых вяжущих изготавливают на основе шлаков и зол с активизаторами твердения (измельченными растворами, известью, цементом и гипсом). Применяется только для бетонных изделий и конструкций.
Бетоны на гипсовых вяжущих - это бетоны на основе полуводного гипса или ангидрита (включая гипсоцементно-пуццолановые и т. п. вяжущие).
Бетоны на специальных вяжущих получают на основе органических и неорганических химических связующих, придающих им специальные свойства. Применяются в случаях, когда к физическим свойствам бетонов предъявляются повышенные требования.
3. По виду заполнителей бетоны могут быть наследующих заполнителях:
- плотных (тяжелые бетоны);
- пористых (легкие бетоны);
- специальных (жаростойкие, радиационно-защитные
и т. п. бетоны).
4. По структуре бетоны могут быть плотной, поризованной, ячеистой и крупнопористой структуры.
Бетоны плотные - это бетоны, у которых все пространство между зернами крупного и мелкого или только мелкого заполнителя (мелкозернистый бетон) заполнено затвердевшим вяжущим и порами вовлеченного воздуха, в том числе образующегося за счет применения добавок, регулирующих пористость бетонной смеси и бетона. Область применения этих бетонов - несущие и ограждающие конструкции, а также конструкции, к которым предъявляются повышенные требования по водопроницаемости, морозостойкости и другим свойствам.
Бетоны порисованные представляют собой бетоны, у которых все пространство между зернами крупного заполнителя заполнено затвердевшим вяжущим, поризованными пенообразующими или газообразующими добавками. Эти бетоны применяются преимущественно в ограждающих конструкциях.
Бетоны ячеистые - это бетоны, состоящие из затвердевшей смеси вяжущего и кремнеземистого компонента и искусственных равномерно распределенных пор в виде ячеек, образованных газо- или пенообразователями. Ячеистые бетоны применяются преимущественно в ограждающих конструкциях и для теплоизоляции.
Бетоны крупнопористые - это бетоны, у которых пространство между зернами крупного заполнителя не полностью заполнено мелким заполнителем и затвердевшим вяжущим. Применяются они в ограждающих и теплоизоляционных конструкциях.
5. Твердение бетонов достигается тремя способами: естественным путем, тепловой обработкой при атмосферном давлении и автоклавной обработкой.
Бетоны естественного твердения применяются преимущественно в летнее время для монолитных конструкций и для сборных конструкций, изготовленных на полигонах.
Бетоны, подвергнутые тепловой обработке при атмосферном давлении, применяются в элементах сборных конструкций, возводимых при низкой температуре наружного воздуха.
Бетоны, подвергнутые автоклавной обработке, находят применение преимущественно в конструкциях заводского изготовления из силикатных, ячеистых бетонов.
|
Вид конструкций |
Вяжущие |
|
|
применяемые |
допускаемые к применению |
|
|
Надземные конструкции при относительной влажности воздуха помещений до 60% и фундаменты, возводимые в маловлажных грунтах |
Растворы марки 25 и выше |
|
|
Портландцемент |
Пуццолановый портландцемент |
|
|
Пластифицированный и гидрофобный портландцемент |
Цемент для строительных растворов |
|
|
Шлакопортландцемент |
Известково-шлаковые вяжущие |
|
|
Растворы марки 10 |
||
|
Известь гидравлическая |
Известково-пуццолановые и известковозольные вяжущие |
|
|
Известково-шлаковые вяжущие |
||
|
Цемент для строительных растворов |
||
|
Надземные конструкции при относительной влажности воздуха помещений более 60 % и фундаменты, возводимые во влажных грунтах |
Растворы марки 25 и выше |
|
|
Пуццолановый портландцемент |
Цемент для строительных растворов |
|
|
Шлакопортландцемент |
||
|
Пластифицированный и гидрофобный портландцемент |
||
|
Портландцемент |
||
|
Растворы марки 10 |
||
|
Цемент для строительных растворов |
Известково-пуццолановые и известковозоль-ные вяжущие |
|
|
Известково-шлаковые вяжущие |
Известь гидравлическая |
|
|
Фундаменты при агрессивных сульфатных водах (независимо от марки растворов) |
Сульфатостойкий портландцемент |
Пуццолановый портландцемент |
|
Крупноблочные и крупнопанельные бетонные и каменные стены (монтаж) |
Растворы марки 25 и выше |
|
|
Портландцемент |
Шлакопортландцемент |
|
|
Пластифицированный и гидрофобный портландцемент |
Пуццолановый портландцемент |
|
|
Наименование конструкций |
Рекомендуемые вяжущие материалы |
|
Надземные конструкции при относительной влажности воздуха до 60% и фундаменты в маловлажных грунтах: |
|
|
- марка растворов 25 и выше |
Портландцемент, пластифицированный и гидрофобный портландцемент, шлакопортландцемент |
|
- марка растворов 10 и ниже |
Известь воздушная и гидравлическая, известково-шлаковые вяжущие |
|
Надземные конструкции при относительной влажности воздуха выше 60 % и подземные конструкции в очень влажных и насыщенных водой грунтах: |
|
|
- марка растворов 25 и выше |
Пуццолановый портландцемент, шлакопортландцемент, пластифицированный и гидрофобный портландцемент |
|
- марка растворов 10 и ниже |
Известково-шлаковые вяжущие |
|
Фундаменты при агрессивных и текучих водах (независимо от марки растворов) |
Сульфатостойкие |
|
Изготовление крупных блоков и панелей и монтаж крупноблочных и крупнопанельных бетонных и каменных стен при марке растворов 25 и выше |
Портландцемент, пластифицированный и гидрофобный портландцемент, шлакопортландцемент |
|
Конструкции, возводимые способом замораживания: |
|
|
- марка растворов 25 и выше |
Портландцемент, пластифицированный и гидрофобный портландцемент, шлакопортландцемент |
|
- марка растворов 10 и ниже |
Шлакопортландцемент, пуццолановый портландцемент, известково-шлаковые вяжущие |
|
Наружная штукатурка стен, цоколей, карнизов и т. п., подвергающихся систематическому увлажнению, а также внутренняя – для стен, перегородок, перекрытий в помещениях с относительной влажностью воздуха выше 60 % Наружная штукатурка стен зданий, не подвергающихся систематическому увлажнению: |
Пуццолановый портландцемент, шлакопортландцемент, известково-шлаковые вяжущие |
|
- каменные и бетонные |
Известь, известково-шлаковые вяжущие, портландцемент |
|
- деревянные и гипсовые |
Смесь извести с гипсом |
|
Внутренняя штукатурка стен, перегородок и перекрытии в помещениях с относительной влажностью воздуха до 60%: |
|
|
- каменные и бетонные |
Известь, известь с добавкой гипса, портландцемент |
|
- деревянные и гипсовые |
Смесь извести с гипсом и гипс |
|
Порок древесины по ГОСТ 2140-81 |
Нормы ограничения пороков древесины |
|
||
|
1-го сорта |
2-го сорта |
3-го сорта |
|
|
|
1. Сучки и пасынок: |
- в мелких лесоматериалах допускаются |
|
||
|
1.1. Все разновидности, за исключением табачных сучков |
- в средних и крупных лесоматериалах допускаются диаметром, см, не более: |
Допускаются |
|
|
|
3 |
7 |
|
|
|
|
1.2. Табачные |
Не допускаются |
Допускаются диаметром, см, не более: |
|
|
|
|
4 |
7 |
|
|
|
2. Грибные поражения: |
- в мелких лесоматериалах не допускаются |
|
||
|
2.1. Ядровая гниль и дупло |
Допускаются укладывающиеся в запиленную в торец полосу (вырезку) размером, не более: |
|
||
|
- в средних лесоматериалах |
|
|||
|
1/16 |
1/4 |
1/3 |
|
|
|
диаметра соответствующего торца с выходом на один торец; |
|
|||
|
- в лесоматериалах толщиной от 26 см до 28 см |
|
|||
|
1/4 |
1/3 |
1/3 |
|
|
|
диаметра соответствующего торца с выходом на один торец |
диаметра соответствующего торца с выходом на один торец в лесоматериалах длиной до 3 м; - 1/2 диаметра соответствующего торца с выходом на второй торец не более ¼ его диаметра |
|||
|
В лесоматериалах толщиной 40 см и более: |
|
|||
|
1/2 |
1/2 |
1/2 |
|
|
|
диаметра соответствующего торца с выходом на один торец; |
диаметра соответствующего торца с выходом на второй торец не более ¼ его диаметра |
|
||
|
|
|
|||
|
2.2. Побурение |
Не допускается |
Допускается без белых пятен и выцветов |
Допускается |
|
|
2.3. Заболонная гниль |
Не допускается |
Допускается глубиной по радиусу не более 1/16 диаметра соответствующего торца. |
|
|
|
2.4. Наружная трухлявая гниль |
Не допускается |
|
||
|
3. Червоточина |
Не допускается |
Допускается |
|
|
|
4. Трещины: 4.1. Все разновидности, кроме боковых и торцевых от усушки |
Допускаются усиливающиеся во вписанном в торец круге или в полосу размером не более |
Допускаются |
|
|
|
1/2 |
1/2 |
|
||
|
Диаметра соответствующего торца |
|
|||
|
4.2. Боковые от усушки |
Допускаются глубиной, не более: |
|
||
|
1/12 диаметра |
1/9 соответствующе |
1/6 го торца |
|
|
|
Диаметра соответствующего торца |
|
|||
|
4.3. Торцевые от усушки |
Допускаются глубиной, не более: |
|
||
|
установленного припуска |
диаметра верхнего торца |
|
||
|
Диаметра соответствующего торца |
|
|||
|
5. Кривизна: 5.1. Простая |
Допускается с отношением стрелы прогиба в месте наибольшего искривления к длине сортамента, в %, не более |
|
||
|
- в лесоматериалах толщиной до 24 см |
|
|||
|
1,0 |
2,0 |
3,0 |
|
|
|
в лесоматериалах толщиной 26 см и более |
|
|||
|
2,0 |
3,0 |
5,0 |
|
|
|
5.2. Сложная |
Допускается в размере половины нормы простой кривизны |
|
||
|
5.3. Заболонная гниль |
Не допускается |
Допускается глубиной по радиусу не более 1/10 диаметра соответствующего торца |
|
|
|
6. Механические повреждения (заруб, запил, скол, отщип, вырыв), а также прорость открытая, сухобокость и рак |
Допускаются глубиной не более 7-ю диаметра верхнего торца и полуразности диаметров бревна в месте повреждения и верхнего торца |
Допускаются |
|
|
|
Порок древесины по ГОСТ 2140-81 |
Нормы ограничения пороков древесины |
|
|||
|
1-го сорта |
2-го сорта |
3-го сорта |
|
||
|
1. Сучки и пасынок: |
- в мелких лесоматериалах допускоются |
|
|||
|
1.1. Все разновидности, за исключением табачных сучков |
- в средних лесоматериалах допускаются размером, см, не более: |
Допускаются |
|
||
|
3 |
5 |
|
|
||
|
- в крупных лесоматериалах до- |
Допускаются |
|
|||
|
пускаются разме |
юм, см, не более |
|
|
||
|
5 |
10 |
|
|
||
|
1.2. Табачные |
Не допускаются |
Допускаются размером, см, не более: |
|
||
|
2 |
5 |
|
|||
|
2. Грибные поражения: |
- в мелких лесоматериалах не допускаются; |
|
|||
|
2.1. Ядровая гниль и дупло |
- допускаются укладывающиеся в запиленную в торец полосу (вырезки) размером, не более: |
|
|||
|
- в средних лесоматериалах |
|
||||
|
Не допускаются |
1/4 |
1/2 |
|
||
|
|
диаметра соответствующего торца с выходом на один торец |
|
|||
|
- в лесоматериалах толщиной от 26 см до 28 см |
|
||||
|
1/4 |
1/4 |
1/3 |
|
||
|
диаметра соответствующего торца с выходом на один торец |
диаметра соответствующего - торца с выхо дом на один торец в лесоматериалах длиной до 3м;- ½ диаметра соответствующего торца с выходом на второй торец не более ¼ его диаметра |
|
|||
|
|
- в лесоматериалах толщиной 40 см и более |
|
|||
|
1/3 |
1/3 |
1/3 |
|
||
|
диаметра соответствующего торца с выходом на один торец |
диаметра соответствующего - торца с выходом на второй торец не более 1/4 его диаметра |
|
|||
|
2.2. Заболонная гниль |
Не допускается |
Допускается глубиной по радиусу не более 1/10 диаметра соответствующего торца |
|
||
|
2.3. Наружная трухлявая гниль |
Не допускается |
|
|||
|
2.4. Заболонные грибные окраски |
Допускаются глубиной по радиусу не более 1/16 диаметра соответствующего торца |
Допускаются глубиной по радиусу не более 1/10 диаметра соответствующего торца |
Допускаются |
|
|
|
3. Червоточина |
допускается поверхностная |
|
|||
|
Не допускается полуглубокая и глубокая |
Допускается неглубокая и глубокая до: |
|
|||
|
5 |
10 |
||||
|
откоротой в среднем на 1 м длины |
|
||||
|
4. Трещины: |
|
|
|
||
|
4.1. Все разновидности, кроме боковых и торцевых от усушки |
Допускаются у во вписанный в торце круг (или полосу)размером не более: |
Допускаются |
|
||
|
1/2 |
1/3 |
|
|||
|
Диаметра соответствующего торца |
|
||||
|
4.2. Боковые от усушки |
Допускаются глубиной не более |
|
|||
|
1/15 |
1/10 |
1/5 |
|
||
|
диаметра соответствующего торца |
|
||||
|
Допускаются протяжением по длинне сортаментов, не более: |
|
|
|||
|
- установленного припуска |
диаметра верхнего торца |
|
|||
|
5. Кривизна: |
Допускается соотношением стрелы прогиба в месте наибольшего искривления к длине сортаментов, в %, не более: |
|
|||
|
5.1 Простая |
1,0 |
1,5 |
2,0 |
|
|
|
5.2. Сложная |
Допускается в размере половины кривизны |
нормы простой |
|
||
|
6. Механические повреждения (заруб, запил, скол, отщип, вырыв), а также прорость открытая, сухобокость и рак |
Допускаются глубиной не более 1/10 диаметра в месте повреждения |
Допускаются |
|
||
|
|
|
|
|||
|
Примечание. Пороки древесины по ГОСТ 2140-81, не указанные в табл. 1 и 2, допускаются. |
|
||||
|
Назначение лесоматериалов |
Дополнительные требования |
|
1.Для выработки: |
Допускаются боковые трещины от усушки, механические повреждения, прорость и сухобокость, расположенные в полосе, соответствующей размерам, указанным в табл. 1 пункт 4.1 настоящего Приложения; - На 2-м сорте допускаются сучки размером не более 10 см |
|
1.1. Пиломатериалов и заготовок всех назначений |
|
|
1.2. Шпал железных дорог |
Допускаются открытая прорость, сухобокость, гнили при наличии по всей длине бревна сегмента здоровой древесины высотой 22 см (для шпал широкой колеи) и 14 см (для шпал узкой колеи) с выходом одной шпалы на каждый одинарный размер длины лесоматериала |
|
1.3. Переводных брусьев железных дорог широкой колеи |
- Ядровая гниль, табачные сучки и побурение не допускаются; ложное ядро допускается не более уз диаметра торца |
|
1.4. Резонансных пиломатериалов и заготовок |
Зона древесины, свободная от ложного ядра, должна быть не менее 13 см |
|
2. Для выработки лущеного шпона |
- В березовых лесоматериалах 1-го сорта допускаются заросшие сучки с бровками, имеющими угол между усами 120* и более; - В лесоматериалах 1-го сорта других пород допускаются раневые пятна, прикрывающие заросшие сучки, без наплывов и растянутые поперек оси ствола. При этом поперечный диаметр пятна должен быть более продольного; - В лесоматериалах буковых, грабовых, липовых, ольховых, осиновых и тополевых - два раза и более; - В лесоматериалах дубовых, кленовых и ясеневых в три раза и более. Ядровая гниль и дупло допускаются размером не более 10 см в центральной части торца. Боковые трещины от усушки не допускаются; - Открытая и закрытая прорости, механические повреждения, трещины не допускаются; - В лесоматериалах 1-го сорта механические повреждения не допускаются |
|
3. Лесоматериалы для строительства и под товарник- |
- Грибные поражения (табл. 1 пункт 2. 1 настоящего Приложения) и табачные сучки не допускаются; - При одновременном наличии заболонной и ядровой гнили в лесоматериалах 3-го сорта заболонная гниль допускается глубиной по радиусу не более 1/10 диаметра соответствующего торца; - В дубовых лесоматериалах допускается одновременное наличие обеих гнилей в нормах, установленных в табл. 1 настоящего Приложения |
|
Назначение лесоматериалов |
Дополнительные требования |
|
1. Для выработки: |
|
|
1.1. Пиломатериалов всех назначений |
В лесоматериалах 2-го сорта допускаются открытая прорость, механические повреждения и сухобокость, расположенные в полосе, соответствующей размеру, указанному в табл. 2 пункт 4.1 настоящего Приложения |
|
1.2. Шпал железных дорог - |
Допускаются открытая прорость, сухобокость, гнили и заболонные грибные окраски при наличии по всей длине бревна сегмента здоровой древесины высотой 22 см (для шпал широкой колеи) и 14 см (для шпал узкой колеи) с выходом одной шпалы на каждый одинарный размер длины лесоматериала |
|
1.3. Переводных брусьев железных дорог широкой колеи |
Ядровая гниль и табачные сучки не допускаются; заболонные грибные окраски допускаются |
|
2. Для выработки строганого шпона - |
Допускаются трещины (отлупные морозные, боковые и др.) и открытая прорость, укладываемая в соответственную вырезку размером не более 1/3 диаметра верхнего торца. Сучки, кроме табачных, допускаются размером не более 6 см |
|
3. Для выработки лущеного шпона - |
- Сучки и пасынок в чурках 2-го сорта допускаются размером не более 2 см; - Ядровая гниль и дупло допускаются размером не более 6 см в центральной части торца; - Боковые трещины не допускаются; - Открытая прорость, сухобокость, рак и ребристая закомелистость допускаются глубиной не более разницы между диаметрами нижнего и верхнего торцов чурака; - Закрытая прорость и торцевые трещины допускаются в пределах вписанного в торец круга, размером не более установленного в табл. 2, пункт 4.1 настоящего Приложения; - В лесоматериалах 1-го сорта механические повреждения не допускаются |
|
4. Лесоматериалы для использования в круглом виде: |
|
|
4.1. Всех назначений |
Гнили и табачные сучки не допускаются. |
|
|
Заболонные грибные окраски и трещины допускаются. |
|
4.2. Для мачт радио |
В лесоматериалах 2-го сорта толщиной 26 см |
|
|
и более кривизна допускается не более 1 %. |
|
4.3. Для опор линий связи и электропередач - |
Сучки допускаются ограниченных размеров. Кривизна в лесоматериалах для линий связи допускается до 5 . |
|
|
|
Пороки древесины по ГОСТ 2140-81 |
Нормы для сортов заготовок |
|||
|
1-го сорта |
2-го сорта |
3-го сорта |
||
|
1. Сучки здоровые светлые и темные: |
Не учитываются на пластях и кромках размером, мм, не более: |
|||
|
1.1. Сросшиеся |
5 |
10 |
15 |
|
|
|
Допускаются без выхода на ребра в долях ширины или толщины заготовок, не более: |
|||
|
|
1/5 |
1/4 |
1/3 |
|
|
|
но не более, мм |
|||
|
|
10 |
20 |
30 |
|
|
|
на любом метре длины в количестве, шт, не более |
|||
|
|
1 |
2 |
3 |
|
|
1.2. Частично сроcшиеся |
Не допускаются - |
Допускаются по размерам и в |
||
|
и несросшиеся |
|
общем числе сросшихся сучков не более половины их количества - |
||
|
2. Трещины: |
|
|
|
|
|
2.1. Пластевые и кромочные |
Допускаются глубиной, мм, не более: |
|||
|
|
2 |
3 |
6 |
|
|
2.2. Торцевые |
не более величины припуска на обработку Размер трещин в заготовках влажностью более 15 % уменьшается вдвое |
|||
|
3. Наклон волокон |
Не допускается при отклонении волокон от про- |
|||
|
|
дольной оси заготовки, %, более: |
|||
|
|
5 |
7 |
10 |
|
|
4. Завиток, силеватость |
Ширина полосы с перерезанными волокнами не должна превышать ¼ толщины или ширины заготовок |
Допускаются |
||
|
5. Сердцевина и двойная сердцевина - |
Не допускается |
В тонких заготовках не допускаются В толстых заготовках допускаются здоровые без отлупных и радиальных трещин - |
||
|
6. Прорость |
Не допускается |
Допускается односторонняя шириной и глубиной, мм не более |
||
|
5 |
10 |
|||
|
И длиной не более1/10 длины заготовки |
||||
|
7. Ложное ядро |
Не допускается |
Допускается без ткани в любой стадии ее развития |
||
|
8. Внутренняя заболонь |
Не допускается |
Допускается |
||
|
9. Водослой, пятнистость, химические окраски |
Допускаются |
|||
|
10. Заболонные грибные окраски (синева, цветные заболонные пятна), грибные ядровые пятна и полоса, плесень и побурение |
Не допускаются |
Допускаются поверхностиые в виде пятен и полос общей площадью не более 30% стороны заготовки |
Допускаются поверхностные и глубокие общей площадью не более 50% стороны заготовки |
|
|
11. Червоточина |
Не допускается |
Допускается только на одной пласти глубиной, не более: |
||
|
3 |
5 |
|||
|
В количестве шт. не более: |
||||
|
2 |
3 |
|||
|
12. Покоробленность: |
Стрела прогиба не должна превышать 0,2% длины пиленых заготовок и предельных отклонений калиброваных |
|||
|
12.1. Продольная по пласти и кромке, крыловатость |
Продольная покоробленность по пласти в заготовках длиной более 1,0 м, толщиной до 18 мм и шириной до 50 мм не ограничивается |
|||
|
12.2. Поперечная покоробленность |
Стрела прогиба в долях ширины заготовки не должна превышать, в %: |
|||
|
1 |
2 |
3 |
||
|
13. Скол пропила |
Отклонение от прямоугольности торцов не должно превышать 5% толщины или ширины заготовки |
|||
|
14. Обзол: |
Не допускается |
|||
|
14.1. Острый |
||||
|
1-го сорта |
2-го сорта |
3-го сорта |
||
|
14.2. Тупой |
Допускается только в толстых заготовках. Ширина непропиленной части кромки не должна превышать 5 мм в пиленых заготовках и 2 мм в калиброванных |
|||
|
15. Дефекты обработки резанием (риски, волнистость, ворсистость, мшистость). |
Не допускаются ниже 2-го класса для пиленых заготовок и ниже 4-го класса для калиброванных (по ГОСТ 7016-68) |
|||
|
Примечания: 1. Оценка качества заготовок должна производиться по худшей пласти и кромке 2. Пороки древесины , не упомянутые в настоящей таблице, не допускаются |
||||
|
Пороки древесины по ГОСТ 2140-81 |
Норма ограничения пороков в пиломатериалах |
|
||
|
1-го сорта |
2-го сорта |
3-го сорта |
|
|
|
1. Сучки: |
Не учитываются, кроме групповых , размером, мм, до |
|||
|
1.1. Сросшиеся здоровые |
10 |
20 |
50 |
|
|
Допускаются на любом однометровом участке длины |
|
|||
|
На пластях пиломатериалов шириной: до 100 мм |
|
|||
|
1 шт. размером до 20 мм |
2 шт. размером до 50 мм, но не более 1/2 ширины |
суммарной величиной размеров до 300 мм - |
|
|
|
от 110 до 200 мм |
|
|||
|
2 шт. размером до 20 мм |
3 шт. размером до 50 мм |
суммарной величиной размеров до 300 мм |
|
|
|
от 210 до 400 мм |
|
|||
|
2 шт. размером до 40 мм |
3 шт. размером до 50 мм |
суммарной величиной размеров до 300 мм |
|
|
|
свыше 400 мм |
|
|||
|
2 шт. размером до 40 мм или1 шт. размером до 60 мм |
3 шт. размером до 50 мм или2 шт. размером до 70 мм |
суммарной Величиной размеров до 300 мм |
|
|
|
В пиломатериалах шириной свыше 200 мм и длиной более 3,0 м при отсутствии других нормируемых пороков на каждые последующие 1,5 м длины допускается по одному сучку независимо от его расположения размером, мм, до: |
|
|
||
|
60 |
80 |
|
|
|
|
На кромках обрезных пиломатериалов толщиной до 32 мм |
|
|||
|
1 шт. размером 1/3 толщины |
1 шт. размером 1/2 толщины |
Допускаются |
|
|
|
|
На кромках обрезных пиломатериалов толшиной от 40 до 60 мм |
|
||
|
2 шт. размером 1/2 толщины |
2 шт. размером 1/2 толщины |
Допускаются |
|
|
|
1.2. Частично сросшиеся здоровые и несросшиеся здоровые |
Не учитываются, кроме групповых, размером, мм, до: |
|
||
|
- |
15 |
30 |
|
|
|
Допускаются на любом однометровом участке длины размером, мм, до: на пластях пиломатериалов |
|
|||
|
20 |
40 |
|
|
|
|
в общем числе сросшихся здоровых |
Суммарной |
|
||
|
величиной |
|
|||
|
размеров до150 мм |
|
|||
|
на кромках обрезных пиломатериалов |
|
|||
|
В общем числе сросшихся здоровых в пределах установленных для них размеров -- |
Суммарной величиной размеров до 150 мм -- |
|
||
|
1.3. Выпадающие, загнившие, гнилые и табачные |
Не допускаются |
Не учитываются, кроме групповых, размером, мм, до: |
||
|
10 |
25 |
|
||
|
Допускаются на любом, однометровом участке длины:- |
|
|||
|
на пластях пиломатериалов |
|
|||
|
в общем числе сросшихся здо ровых: |
|
|||
|
1 шт. размером до 40 мм |
суммарной величиной размеров до 150 мм |
|||
|
на кромках обрезных пиломатериалов |
|
|||
|
в общем числе здоровых в пределах установленных для них размеров |
|
|||
|
2. Трещины: 2.1. Пластевые и кромочные (на обрезных кромках), в том числе с выходом на торец |
|
|
||
|
Допускаются глубиной и длиной до: |
|
|||
|
1/6 |
1/3 |
1/2 |
|
|
|
толщины и длины пиломатериала |
|
|||
|
|
|
|
|
|
|
2.2. Пластевые, выходящие на оба торца |
Не допускаются |
Допускается одна глубиной до: |
|
|
|
1/5 |
1/3 |
|
||
|
толщины пиломатериалов |
|
|||
|
|
В буковых пиломатериалах шириной более 200 мм при отсутствии других трещин, глубина не нормируется - |
|
||
|
2.3. Пластевые и кромочные сквозные, в том числе выходящие на торец |
Допускаются общей данной до: |
|
||
|
1/20 |
1/10 |
1/3 |
|
|
|
Длины пиломатериалов |
|
|
||
|
2.4. Отлупные |
Не допускаются |
Допускаются длиной до: |
|
|
|
|
1/20 |
1/5 |
|
|
|
|
длины пиломатериалов |
|
||
|
2.5. Торцевые |
Допускаются глубиной до 3/4 ширины пиломатериала |
Допускаются глубиной не более ширины пиломатериала |
Допускается |
|
|
3. Наклон волокон |
Допускается, %, до: |
Допускается |
|
|
|
|
5 |
10 |
|
|
|
4. Свилеватость |
Допускается до 1/4 площади пласти пиломатериала |
Допускается |
|
|
|
5. Прорость: |
|
|
||
|
5.1. Односторонняя |
Допускается длиной и шириной |
Допускается |
|
|
|
до: |
|
|
||
|
1/20 |
1/10 |
|
|
|
|
длины и ширины пиломатериалов - |
|
|
||
|
5.2. Сквозная |
Не допускается |
Допускается1/10 длины и ширины пиломатериалов |
Допускается |
|
|
6. Внутренняя заболонь - |
Не допускается |
Допускается |
|
|
|
7. Грибные и ядровые пятна и полосы |
Не допускаются |
Допускаются до 10% площади пласти пиломатериала |
|
|
|
8. Побурение |
Не допускается |
Допускается от площади пласти пиломатериалов, %, до: 5 |
|
|
|
9. Плесень |
Допускается в виде отдельных пятен и полос |
Допускается |
|
|
|
10. Заболонные грибные окраски (синева и цветные заболонные пятна): |
|
|
|
|
|
10.1. Поверхностные |
Допускаются в виде отдельных пятен и полос |
Допускаются |
|
|
|
10.2. Глубокие |
Не допускаются |
Допускаются, %, до: |
|
|
|
10 |
20 |
|
||
|
|
|
площади пласти пиломатериалов |
|
|
|
11. Ядровая и заболонная гнили |
Не допускаются |
Допускаются в виде отдельных пятен и полос общей площадью, %, до: |
|
|
|
- в необрезных пиломатериалах |
|
|||
|
5 |
10 |
|
||
|
в обрезных пиломатериалах |
|
|||
|
5 |
10 |
|
||
|
Не допускаются |
5 |
|
||
|
12. Наружная трухлявая гниль |
|
Не допускается |
|
|
|
13. Поврежденная паразитными растениями и червоточинами |
Допускаются Поверхностные на обзольных частях пиломатериалов |
Допускаются на любом одно- метровом участке длины пиломатериалов, шт., до: |
|
|
|
|
|
|||
|
3 |
5 |
|
||
|
в том числе не |
|
|
||
|
более одной |
|
|
||
|
крупной черво- |
|
|
||
|
точины |
|
|
||
|
В дубовых пиломатериалах глубокие не допускаются |
|
|||
|
14. Механические повреждения и пороки обработки |
Допускаются в пределах отклонений от номинальных размеров |
Допускаются |
|
|
|
|
|
|||
|
15. Инородные включения |
Не допускаются |
|
||
|
16. Скос пропила |
Допускается до 5 % соответственно толщины или ширины пиломатериала |
|
||
|
17. Обзол: |
|
|
||
|
17.1. Тупой |
Допускается обрезных материалах в пластях и кромках размером в долях ширины соответствующующей стороны до |
|
||
|
1/10 |
1/3 |
1/2 |
|
|
|
17.2. Острый |
Не допускается |
Допускается на размером до: |
каждой кромке |
|
|
1/4 |
1/2 |
|
||
|
длины пиломатериала |
|
|||
|
18. Покоробленность: 18.1. Продольная по пласти и кромке, крыловатость |
Допускается, %, до: |
|
||
|
0,5 |
1,0 |
2,0 |
|
|
|
длины пиломатериала |
|
|||
|
18.2. Поперечная |
1/0 |
2,0 |
3,0 |
|
|
Ширины пиломатериала |
|
|||
|
Примечания: 1. Пороки древесины не упомянутые в настоящей таблице допускаются. 2. Оценка качества пиломатериалов должна производиться по худшей пласти и кромке. |
|
|||
|
Пороки древесины по ГОСТ 2140-81 |
Нормы ограничения пороков в пиломатериалах |
|||||||||
|
отборного сорта |
1-го сорта |
2-го сорта |
3-го сорта |
4-го сорта |
||||||
|
1. Сучки: |
Допускаются размером в долях ширины стороны и в количестве на любом однометровом участке длины на каждой из сторон, не более: |
|||||||||
|
1.1. Сросшиеся здоровые, а в брусьях и частично сросшиеся и несросшиеся здоровые: |
размер |
кол-во, шт |
размер |
кол-во, шт |
размер |
кол-во, шт |
размер |
кол-во, шт |
размер |
кол-во, шт |
|
- пластевые и ребровые |
1/3 |
2 |
1/4 |
3 |
1/2 |
4 |
1/2 |
4 |
Допускаются |
|
|
Кромочные в пиломатериалах: - толщиной до 40 мм толщиной 40 мм и более |
1/2 |
1 |
2/3 |
2 |
2/3 |
2 |
Во всю кромку |
2 |
Допускаются |
|
|
1/4, но не более 15 мм |
2 |
1/3 |
2 |
1/2 |
3 |
То же |
3 |
Допускаются |
||
|
Примечание. В брусьях количество сучков не нормируется. |
||||||||||
|
1.2. Частично сросшиеся и несросшиеся: |
Допускаются в общем числе сросшихся здоровых сучков размером в долях ширины стороны и в количестве на любом однометровом участке длины на каждой из сторон, не более: |
|||||||||
|
размер |
кол-во, шт |
размер |
кол-во, шт |
размер |
кол-во, шт |
размер |
кол-во, шт |
раз- |
кол-во, шт |
|
|
- пластевые и ребровые |
7/9 |
2 |
1/10 |
2 |
1/4 |
3 |
1/3 |
3 |
7/9 |
4 |
|
Пороки древесины по ГОСТ 2140-81 |
Нормы ограничения пороков в пиломатериалах |
|||||||||
|
Отборного сорта |
1-го сорта |
2-го сорта |
3-го сорта |
4-го сорта |
||||||
|
Кромочные: - в пиломатериалах - толщиной до 40 мм - толщиной 40 мм и более |
1/4 |
1 |
1/4 |
1 |
1/2 |
2 |
Во всю кромку |
2 |
Во всю кромку |
2 |
|
10 мм |
1 |
1/4 |
2 |
1/3 |
2 |
2/5 |
2 |
То же |
3 |
|
|
1.3. Зашившие, гнилые и табачные |
Не допускаются |
Допускаются в общем числе частично сросшихся и несросшихся здоровых сучков тех же размеров и не более половины их количества |
||||||||
|
Древесина, окружающая табачные сучки, не должна иметь признаков гнили. для несущих конструкций сумма размеров всех сучков, расположенных на 200 мм, не должна превышать предельного размера допускаемых сучков. В пиломатериалах участке длиной 20 |
||||||||||
|
2. Трещины: |
|
|
|
|
|
|
|
|
|
|
|
2.1. Пластевые и кромочные, в том числе выходящие на торец |
Допускаются длин ой в долях длины пиломатерьяла, не более: |
Допускаются при условии целостности пиломатериала |
||||||||
|
неглубокие |
неглубокие и глубокие |
|||||||||
|
1/6 |
1/4 |
1/3 |
1/2 |
|||||||
|
глубокие |
|
|||||||||
|
1/10 |
1/6 |
- |
- |
|||||||
|
2.2. Пластевые сквозные, в том числе выходящие на торец |
Допускаются длиной, мм, не более 200 |
Допускаются общей длины 1/6 и длиной в долях ала, не более: 1/4 |
||||||||
|
100 |
150 |
200 |
1/6 |
1/4 |
||||||
|
2.3. Торцевые (кроме трещин, усушки) |
Не допускаются |
Допускаются на одном торце длиной более:в долях ширины пиломатериала, |
Допускаются при условии сохранения целостности пиломатериала |
|||||||
|
1/4 |
1/3 |
1/2 |
||||||||
|
Примечание. Допускаемые размеры трещин установлены для пиломатериала с влажностью древесины не более 20 %. При большей влажности эти размеры трещин уменьшаются вдвое. |
||||||||||
|
3. Пороки строения древесины: |
|
|||||||||
|
3.1. Наклон волокон |
Допускается не более 5 % |
Допускается |
||||||||
|
3.2. Крень |
Не допускается |
Допускается не более 20 % площади пласти пиломатериала |
Допускается |
|||||||
|
3.3. Кармышки |
Допускаются одно-торонние на любом однометровом участке длины в кол-ве 1 шт. длиной не более 30 мм |
Допускаются на любом однометровом участке длины пиломатериала не более в шт., не более: |
Допускаются |
|||||||
|
2 |
4 |
|||||||||
|
3.4. Сердцевина и двойная середина |
Не допускается |
Допускается без отлупа и радиальных трещин только в пиломатериалах толщиной 40 мм и более |
Допускается |
|||||||
|
3.5. Прорость |
Не допускается |
Допускается односторонняя шириной в долях соответствующей стороны пиломатериала, не более |
Допускается |
|||||||
|
1/10 |
1/5 |
1/4 |
||||||||
|
И длиной в долях длины пиломатериала, не более: |
||||||||||
|
1,20 |
1/10 |
1/10 |
||||||||
|
3.6. Рак |
Не допускается |
Допускается протяжением в долях длины пиломатериала до: |
Допускается |
|||||||
|
1/5 |
1/3 |
|||||||||
|
но не более 1 м |
||||||||||
|
4. Грибные поражения: |
|
|||||||||
|
4.1. Грибные ядровые пятна (полосы) |
Не допускаются |
Допускаются общей площадью, в %, от площади пиломатериала, не более: |
Допускается |
|||||||
|
10 |
20 |
|||||||||
|
4.2. Заболонные грибные окраски и плесень |
Не допускаются |
Допускаются поверхностные в виде пятен и полос. Глубокие допускаютсяобщей площадбю, в% от площади пиломатериала, не более: |
Допускается |
|||||||
|
10 |
20 |
50 |
||||||||
|
4.3. Гнили |
Не допускаются |
Не допускаются |
Допускаются только пестрая ситовая ядровая гниль в виде пятен и полос общей площадью не более 10% площади пиломатериала |
|||||||
|
5. Биологические повреждения: 5.1. Червоточина |
Допускается неглубокая на обзольных частях пиломатериала |
Допускается на любом однометровом участке длины пиломатериала , в шт., не более: |
||||||||
|
2 |
3 |
6 |
||||||||
|
6. Инородные включения, механические повреждения и пороки обработки: 6.1. Инородные включения (проволока, гвозди, металлические осколки и ДР-) |
Не допускаются |
|||||||||
|
6.2. Обзол (в обрезных пиломатериалах) |
Острый не допускается, тупой допускается на пластях и кромках размером в долях ширины соответствующих ст по длине, не более: |
Допускается тупой и острый при условии что пласти пропилены не менее, чем на ½ ширины, а кромки не менее, чем на ¾ длины пиломатериала |
||||||||
|
1/6 |
1/6 |
1/6 |
1/3 |
|||||||
|
Допускается на отдельных участках кромок размером в долях ширины кромки, не более |
||||||||||
|
1/3 |
1/3 |
1/3 |
2/3 |
|||||||
|
И протяженностью в долях длины пиломатериала, не более: |
||||||||||
|
1/6 |
1/6 |
1/6 |
1/4 |
|||||||
|
6.3. Скос пропила |
В пиломатериалах один торец (в экспортных пиломатериалах оба торца) должен быть опилен перпендикулярно к продольной оси пиломатериала. Отклонение по перпендикулярности торца к пласти и кромке допускается до 5% ширины и толщины пиломатериалов соответственно. |
|||||||||
|
6.4. Вырывы, накол |
Допускается в пределах отклонений от номинальных размеров, установленных в ГОСТ 24454-80 |
Допускаются глубиной, мм, не более: 100 |
Допускаются |
|||||||
|
Примечания. Наколы нормируются только в экспортных пиломатериалах. |
||||||||||
|
7. Покоробленности: 7.1. Покоробленность продольная по пласти и кромке, крыловатость |
Допускается стрела прогиба в долях ширины пиломатериала, %, не более |
Допускаются |
||||||||
|
0,2 |
0,2 |
0,2 |
0,4 |
|||||||
|
Примечания. В необрезных пиломатериалах продольная покоробленность по кромке не нормируется. |
||||||||||
|
7.2. Покоробленность поперечная |
Допускается стрела прогиба в долях ширины пиломатериала, %, не более |
Допускается |
||||||||
|
1 |
1 |
1 |
2 |
|||||||
|
Примечания: 1. Нормы покоробленное установлены для пиломатериалов с влажностью не более 22 % ; влажности эти нормы уменьшаются вдвое. 2. Пороки древесины, не упомянутые в настоящем стандарте, допускаются. |
||||||||||
|
Способы пропитки |
Условия пропитки |
Условное обозначение |
Обозначение нтд |
|
1. Пропитка способом вакуум-давление-вакуум |
Заводские условия |
ВДВ |
ГОСТ 20022.7 |
|
2. Пропитка способом вакуум-атмосферы, давление-вакуум |
То же |
ВАДВ |
ГОСТ 20022.8 |
|
3. Пропитка способом прогрев-холодная ванна |
» |
ПРХВ или ПРПХВ |
|
|
4. Пропитка вымачиванием |
» |
ПВ |
ГОСТ 20022.12 |
|
5. Пропитка способом нанесения на поверхность: |
Построечные условия |
|
ГОСТ 20022.9 |
|
- опрыскиванием |
То же |
НОк |
|
|
- нанесение кистью |
» |
НК* |
|
|
- обмазыванием |
» |
НО |
|
|
Примечание. Индекс «к» - кратность обработки. |
|||
|
Защитное средство от биоразрушения |
Защитные средства от возгорания |
|||||
|
Марка |
Обозначение нтд |
Норма |
Марка |
Обозначение нтд |
Норма поглощения, кг/м-3 |
|
|
Поглощения, кг/м-3 |
Удержания, г\м-2 |
|||||
|
ФН |
ТУ 13-08-586 |
4 |
2 |
|
|
|
|
КФА |
ОСТ 6-08-2 |
6 |
|
ДМФ-552 |
ГОСТ 23787.11-81 |
40 |
|
ББ-11 |
ГОСТ 23787.6-79 |
6 |
3 |
ФБС-225 |
ТУ 13-0273643-13 |
35 |
|
ХМК-221 |
ГОСТ 23787.1-84 |
4 |
2 |
ББ-11 |
ГОСТ 23787.6-79 |
35 |
|
ХМФ-221 |
ГОСТ 23787.9-84 |
4 |
2 |
|
|
|
|
ХМФ-БФ |
ТУ 13-0273643-9 |
4 |
2 |
|
|
|
|
ХМФС |
ТУ 13-0273643-12 |
4 |
2 |
|
|
|
|
ФБС-211 |
ТУ 13-0273643-13 |
4 |
2. |
|
|
|
|
ХМББ- |
ГОСТ 23787.2-84 |
3 |
1 |
|
|
|
|
3324 |
|
|
|
|
|
|
|
Наименование изделий |
ДОПУСКИ |
Непрямолинейность профиля лицевых поверхностей и опорных граней |
Раковины на лицевых поверхностях |
Сколы бетона на лицевых поверхностях |
Трещины |
Особые требования |
|
|||
|
По длине |
По ширине |
По высоте |
По толщине |
|
|
|
|
|
||
|
1. Панели стеновые наружные бетонные и железобетонные для жилых и общественных зданий (ГОСТ 11024-84) |
|
|
|
|
|
|
Сколы ребер глубиной более 2 мм - и длиной более 30 мм на 1 м ребра |
Не допускаются, за исключением местных поверхностных и технологических: 0,15 по проекту и 0,2 в остальных случаях - |
|
|
|
при длине и высоте панели: до 500 |
± 2,0 |
|
± 2,0 |
|
По всей длине панели |
На поверхностях, предназначенных для образования герметизирующих зон в стыках - и устройства оклеечной воздухоизоляции, не допускаются диаметром св. 3 мм и - глубиной более2 мм |
|
|
|
|
|
свыше 500 до 1000 |
± 2,5 |
|
± 2,5 |
|
|
|
|
|
|
|
|
свыше 1000 до 1600 |
± 3,0 |
|
± 3,0 |
|
|
|
||||
|
свыше 1600 до 2500 |
± 4,0 |
|
± 4,0 |
|
4,0 |
|
||||
|
свыше 2500 до 4000 |
± 5,0 |
|
± 5,0 |
|
5,0 |
|
||||
|
свыше 4000 до 8000 |
± 6,0 |
|
± 6,0 |
|
6,0 |
|
||||
|
свыше 8000 |
± 8,0 |
|
± 8,0 |
|
8,0 |
|
||||
|
при толщине панели: |
|
|
|
|
||||||
|
до 250 |
± 4,0 |
|
|
|
|
|
|
|||
|
свыше 250 до 500 |
± 5,0 |
|
||||||||
|
отклонения от равенства диагоналей при длинах: |
|
|
||||||||
|
|
|
|||||||||
|
до 4000 |
|
|
|
|
|
|
|
|
|
|
|
свыше 1000 до 8000 |
|
|||||||||
|
свыше 8000 |
|
|||||||||
|
2. Панели стеновые внутренние бетонные и железноетонные для жилых и общественных зданий (ГОСТ 12504-80) |
Диаметром от 1 до 4 мм при глубине от 1 до 3 мм - на лицевых поверхностях, пред назначенных под отделку краска ми, обоями или - плёнками. Диаметром до 15 и глубиной до 5 мм под плитку, рулонные и листовые материалы |
Глубиной до 5 мм под отделку красками, обоями,- пленками. При отделке плитка ми, рулонными и листовыми мате- риалами - 8 мм На неотделываемых поверхностях – глубиной 5 и длиной 50 мм. Под затирку и шпаклевку - глубиной 8 и дл. 80мм. Нелицевые - 10 и 100 мм |
Местные, поверхностные усадочные и др., технологические шири ной не более 0,2 мм. В панелях высшей категории качества не - более 0,1 мм |
На лицевых поверхностях пане лей не допускаются жировые и - ржавые пятна. Стандарт не распространяется на предварительно – напряженные панели и панели специального назначения |
|
|||||
|
при длине панели: |
|
|
|
|
На участке: дл. 2 м - 3,0 на всей длине панели длиной: до 2,5 м - 3,0; св. 2,5 до 4,0 м -5,0 и св. 4,0 до 8,0 м - 8,0 |
- |
-- |
|
|
|
|
до 2500 |
±6,0 |
|
±5,0 |
|
||||||
|
свыше 2500 до 4000 |
±8,0 |
|
±5,0 |
|
||||||
|
свыше 4000 до 8000 |
±10,0 |
|
±6,0 |
|
|
|||||
|
при толщине панели: |
|
|
|
|
|
|
|
|
|
|
|
до 100 |
± 3,0 |
|
||||||||
|
свыше 100 |
± 5,0 |
|
||||||||
|
отклонения от равенства диагоналей при длине:- |
|
|
||||||||
|
до 2500 |
|
|
|
|
|
|
|
|
|
|
|
свыше 2500 до 4000 |
|
|
|
|
|
|
|
|
|
|
|
свыше 4000 до 8000 |
|
|
|
|
|
|
|
|
|
|
|
3. Панели гипсобетонные для перегородок (ГОСТ 9574-90): |
|
|
|
|
|
На поверхностях, предназначенных под окраску, диаметром 1,0 и -глубиной 1,0 мм. Под оклейку обоям и или пленками - 4,0 и 3,0 мм. Под затирку или шпатлевку - 15,0 и 5,0 мм |
На 1,0 м ребра глубиной 1 мм длиной 50 мм то же Глубиной 8 мм длиной 80 мм |
Усадочные шириной 0,2 мм |
Панели армируются каркасом,- состоящим из деревянных реек одинаковой толщины и очищенных от коры |
|
|
при длине до 4000 |
± 8,0 |
проемов |
± 10,0 |
± 2,0 |
5,0 |
|
||||
|
свыше 4000 |
± 10,0 |
± 5,0 |
|
8,0 |
|
|||||
|
4. Плиты балконов и лоджий железобетонные (ГОСТ 25697-83; нераспространяется на плиты балконов и лоджий, являющихся частью перекрытий зданий) при длине плит до 2500 свыше 2500 до 4000 свыше 4000 |
|
|
|
|
|
Лицевая отделанная глянцевая бетонная или шлифованная мозаич ная - диаметром0,5 и глубиной0,5 мм; - 1,0 и 1,0 мм Лицевая, предна-; значенная под отделку красками- 3,0 и 2,0 мм; Нелицевая, невидимая в условиях - эксплуатации -15,0 и 5.0 мм |
Глубина/длина на Приложение 1 1 м ребра: |
Трещины в бетоне на поверхности - плит не допускаются, за исключением местныхных поверхностных усадочных и -- других техноло- гических шириной не более0,1 мм |
Открытые по верхности стальных закладных изделий должны -- иметь антикоррозийное покрытие.-На лицевой поверхности не допускаются жировые пятна |
|
|
2,0/30,0 |
||||||||||
|
при толщине плит: |
|
|
|
|
|
|
5,0/50,0 |
|
|
|
|
до 100 |
± 3,0 |
|
||||||||
|
свыше 100 |
± 5,0 |
|
||||||||
|
отклонения от равенства - диагоналей при длине плит: |
||||||||||
|
до 2500 |
5,0/50,0 |
|
||||||||
|
свыше 2500 до 4000 |
|
|||||||||
|
свыше 4000 |
|
|||||||||
|
отклонения от прямолинейности |
10,0/100,0 |
|
||||||||
|
профиля лицевых поверхностей |
|
|||||||||
|
плит в любом сечении на |
|
|
|
|
|
|
|
|
|
|
|
участках длиной 2,0 м |
|
|||||||||
|
по всей длине плиты длиной: |
||||||||||
|
до 2500 |
3,0 |
|
||||||||
|
свыше 2500 до 4000 |
5,0 |
|
||||||||
|
свыше 4000 |
8,0 |
|
||||||||
|
отклонения от плоскости плит |
|
|
||||||||
|
при длине: |
|
|||||||||
|
до 4000 |
|
|||||||||
|
свыше 4000 |
|
|||||||||
|
отклонения стальных закладных изделий в плоскости плит: при длине изделий: до 100 свыше 100 из плоскости плит |
|
|||||||||
|
5. Панели железобетонные мно гопустотные для перекрытий зданий и сооружений -(ГОСТ 9561-91) при |
Лицевая, предназначенная под окраску: обращенная внутрь - диаметром 1,0 и глубиной 1,0 мм; обращенная наружу- 3,0 и 2,0 мм. Неотделываемая - 6,0 и 3,0 мм. Нелицевая - 15,0 и 5,0 мм - |
На 1,0 м длины продольных нижних ребер глубиной 5 и длиной 50 мм. На верхних гранях и кромках торцов 10 и 100 мм |
Не допускаются за исключением местных усадочных не более 0,1 мм, |
Не допускаются жировые и ржа вые пятна - |
|
|||||
|
длине:до 4000 |
± 5 |
|
|
|
На участке дл.дл. 2 м - 3,0 |
Обращенная внутрь помещения (нижняя по толочная) - диаметром 1,0 и глубиной 1,0 мм Обращенная наружу - 3,0 и 2,0 мм. Лицевая не отделываемая -6,0 и 3,0 мм. |
|
|
|
|
|
свыше 4000 до 8000 свыше 8000 |
± 6 |
± 5 |
|
± 5 |
8,0 |
|
|
|
||
|
± 8 |
|
|
|
12,0 |
|
|
|
|||
|
|
|
|
|
по всей длине |
|
|
||||
|
|
|
|
|
панели |
|
|
|
|||
|
6. Плиты железобетонные сплошные для перекрытий жилых и общественных зданий (ГОСТ 12767-94) |
|
|
|
|
|
Нелицевая, невидимая поверхность, Предназначенная под затирку и шпатлевку - 15,0 и 5,0. Число раковин допускаемых размеров на поверхностях, предназначенных под окраску, площадью 0,04 м" недолжно превышать пяти. Под наклейку линолеума - не более 4,0 и 3,0 мм. Для панелей высшей категории качества - не более 4,0 и 3,0 мм- |
Ребер глубиной 10,0 и длиной 50,0 мм на 2 м длины |
Не допускаются за исключением местных поверхностных, усадочных, шириной не более 0,1 мм. |
Отклонение по ложения отверстий и каналов не должно превышать 10 мм. Обнаженная арматура не допускается: за исключением замоноличиваемых арматурных выпусков, а также концов напрягаемой арматуры. Не допускаются жировые и ржавые пятна на поверхности.- |
|
|
по длине и ширине: |
|
|
|
|
На участке дл. до |
|
|
|
|
|
|
до 4000 |
± 5,0 |
± 5,0 |
|
± 5,0 |
1,6 м - 5,0 |
. |
|
|
||
|
свыше 4000 |
± 8,0 |
± 8,0 |
|
± 5,0 |
то же |
|
|
|
|
|
|
7. Блоки стеновые бетонные и железобетонные для зданий(ГОСТ 19010-82 длина блока:) |
|
|
|
|
На участке дл. до2м - 3,0, по всей длине блока длиной до 2,5 м - 3,0, от 2,5 до 4 - 5,0, свыше 4,0 - 8,0 |
Лицевая
глянце- вая шлифованная поверхность диаметром 0,5 и Шубиной - 0,5 мм.
Предназначенная под окраску в помещении - 1,0 и 1,0. Обращенная наружу -3,0 и
2,0. Под оклейку обо- Под
плитку, ру- 15,0
и 5,0. Лице- |
На 1 м ребра глубиной 2,0 длиной 30,0 глубиной 5,0 длиной 50,0 то же то же глубиной 8,0 длиной 80,0 глубиной 5,0 длиной 50,0 глубиной 10,0 длиной 100,0 |
Не
допускаются за исключением местных поверх- |
Не
допускается отслоение плиток (облицовочных). Швы между плит- |
|
|
до 4000 |
±5,0 |
|
±5,0 |
±5,0 |
|
Диаметром 15,0 и глубиной 5,0 |
|
|
|
|
|
свыше 4000 |
±6,0 |
|
|
|
|
|||||
|
8. Плиты ленточных фундаментов железобетонные(ГОСТ 13580-85) |
±16,0 |
±16,0 |
± 10,0 |
|
На всю длину и ширину - 3,0 |
|
глубиной 10,0 длиной 100,0 |
Не
допускаются за исключением, усадочных шири- ной не более 0,1 Не допускаются,
за исключением усадочных и дру- |
Площадки высшего качества должны иметь шлифованные мозаичные поверхности (облицованы керамической плиткой) |
|
|
9. Марши и площадки |
|
|
|
|
|
|
|
|
|
|
|
лестниц железобетонные |
|
|
|
|
|
|
|
|
|
|
|
(ГОСТ 9818-85) длиной: |
|
|
|
|
|
|
|
|
|
|
|
до 4000 |
± 5,0 |
± 5,0 |
|
±3,0 |
2,0 мм для ступеней марша,- площадок и на- кладных ступеней длиной до 2,5 м На участке 1 м марша или площадки - ±3,0 |
|
|
|
||
|
свыше 4000 |
±6,0 |
± 6,0 |
|
± 3,0 |
|
|
|
|
||
|
размеры ребер, полок, высту- |
|
|
|
|
|
|
|
|
||
|
пов, отверстий и каналов |
± 5,0 |
± 5,0 |
+5,0 |
± 5,0 |
|
|
|
|
||
|
Накладные проступи |
± 5,0 |
± 3,0 |
|
± 2,0 |
|
|
|
|||
|
|
||||||||||
|
10. Ступени железобетонные и бетонные (ГОСТ 8717.0-84) |
±5,0 |
-3.0 |
+2.0 |
|
На 1 м длины сту пени - 2,0, на ширину ступени - 2,0 мм, на всю длину ступени (при ее длине более 1,0 м) |
От 2 до 5 раковин на поверхности площ. 0,04 м2. Глянцевая бетонная или шлифованная - диаметром 0,5 и глубиной 0,5 мм. Гладкая бетонная-1,0 и 1,0 мм. |
На 1,0 м ребра глубиной 2,0 длиной 30,0 глубиной 5,0 длиной 50,0 глубиной 10,0 длиной 100,0 |
Не
допускаются, за исключением усадочных мест- |
На лицевой поверхности не допускаются царапины, выцветы, жировые и ржавые пятна |
|
|
По размерам поперечного сечения ступеней - до 100 мм +2,0 свыше 100 мм ± 3,0 |
|
|||||||||
|
11. Блоки бетонные стен подва- лов (ГОСТ 13579-78) |
± 13,0 |
± 8,0 |
± 8,0 |
|
3,0 мм на всю ширину и длину блока |
Нелецивые -15,0 и 5,0 Диаметром не более 6,0 и глуби ной не более 3,0 мм -- |
На ребрах глуби- ной 8,0 и длиной50,0 на 1 м дли- ны |
Не
допускаются, за исключением местных поверх- ностных, усадоч- ных шириной не
более 0,1 в блоках из тяжелого и плотного сили- |
Влажность ке рамзитобетона не должна превышать 12 % |
|
|
12. Панели и блоки вентиляционные бетонные и железо бетонные (ГОСТ 17079-88): |
|
|
|
|
|
Требования к качеству поверхностей и внешнему виду по ГОСТ 13015.0 |
На ребрах глуби ной 5,0 и длиной -50,0 мм |
На поверхности панелей и в стенках каналов, за исключением единичных местных поверхностных, усадочных шириной не более 0,1 мм - |
Не допускаются жировые и ржа вые пятна - |
|
|
до 1600 |
± 5,0 |
|
± 8,0 |
± 5,0 |
На 1,6 м длины |
|
|
|
|
|
|
свыше 1600 |
± 10,0 |
|
± 8,0 |
± 5,0 |
5,0 |
|
|
|
|
|
|
13. Конструкции и изделия железобетонные для шахт лифтов жилых зданий(ГОСТ 17538-82) |
Изнутри блока |
|
Блока 0: -10,0 |
Стенки блока ± 3,0 |
Наружной и внутренней поверхности в любом сечении на всю его длину, ширину и высоту 3,0 |
Лицевые поверхности под окраску диаметром 1,0 и глубиной 1,0 мм. Нелицевые - 15,0 и 5,0 мм |
Лицевая глуби- ной 5,0 и дл. 50, нелицевая глуби-ной 10,0 и дл. 50 на 1,0 м длины |
|
Отклонение положения дверного и других проемов, отверстий и ниш - 5,0. Не допускаются жировые и ржавые пятна |
|
|
0 |
-6,0 |
|
||||||||
|
|
плиты перекрытия (или приямка) и тумбы ± 5,0. Дверного проема ± 5,0. По размерам проемов, отверстий и ниш +3,0; по размерам фиксирующих монтажных устройств ± 2,0 |
|
|
|
|
|
|
|
|
|
|
14. Кирпич и камни керамические (ГОСТ 530-95) |
|
|
|
|
|
|
Обитости
углов глубиной от 10 до15 мм (2 шт.).
Обитости и при- |
Протяженностью
по постели пол- нотелого кирпича до 30 мм, пустотелого не первого ряда пус- |
|
|
|
± 5 |
± 4 |
|
± 3 |
По постели 3 (4) по |
|
Обитости углов глубиной от 10 до15 мм (1 шт.). Обитости и притупления ребер глубиной от 5 до 10 мм (1 шт.). Проколы верхней постели пустотелых изделий 10мм Обитости углов глубиной от 10
до 15 мм (3 шт.). Обитости и притупления ребер глубиной от 5 до 10 мм (3
шт.). Проколы верхней постели пустотелых изде- |
|
Количество половняка в партии не должно быть более 2 % Не допускается недогас То же, не более 3% |
|
|
|
(на одном изделии) |
(± 7) |
(± 5) |
|
(± 4) |
ложку 4 (6) |
|
|
|
|
|
|
15. Кирпич и камни силикатные (ГОСТ 379-95) |
|
|
|
|
|
|
|
|
|
|
|
лицевой |
± 2 |
± 2 |
|
± 2 |
Непараллельность |
|
|
|
|
|
|
(рядовой) |
(± 3) |
(± 2) |
|
(± 2) |
2 (2) |
|
|
|
|
|
|
1. ГОСТ 125-79 |
Вяжущие гипсовые. Технические условия. |
|
Цементы. Методы испытаний. Общие положения (изд. 1994 г.). |
|
|
Цементы. Методы определения тонкости помола (изд. 1994 г.). |
|
|
Цементы. Методы определения нормальной густоты, сроков схватывания и равномерности изменения объема (изд. 1994 г.). |
|
|
Цементы. Методы определения предела прочности при изгибе и сжатии (изд. 1994 г.). |
|
|
6. ГОСТ 379-95 |
Кирпич и камни силикатные. Технические условия. |
|
7. ГОСТ 380-88 * |
Сталь углеродистая обыкновенного качества арки. |
|
8. ГОСТ 475-78 |
Двери деревянные. Общие технические условия. |
|
9. ГОСТ 530-95 |
Кирпич и камни керамические. Технические условия. |
|
10. ГОСТ 965-89 |
Портландцементы белые. Технические условия. |
|
11. ГОСТ 969-91 |
Цементы глиноземистые и высокоглиноземистые. Технические условия. |
|
12. ГОСТ 1005-86 |
Щиты перекрытий деревянные для малоэтажных домов. Технические условия. |
|
13. ГОСТ 1497-84 * |
Металлы. Методы испытаний на растяжение. |
|
14. ГОСТ 2140-81 |
Пороки древесины. Классификация, термины и определения, способы измерения. |
|
15. ГОСТ 2292-88 |
Лесоматериалы круглые. |
|
16. ГОСТ 2551-75 |
Материалы рулонные кровельные и гидроизоляционные. Упаковка, маркировка, хранение и транспортирование. |
|
17. ГОСТ 2678-94 |
Материалы рулонные, кровельные и гидроизоляционные. Методы испытаний. |
|
18. ГОСТ 2695-93 |
Пиломатериалы лиственных пород. |
|
19. ГОСТ 2697-83 |
Пергамин кровельный. Технические условия. |
|
20. ГОСТ 2889-90 |
Мастика битумная кровельная горячая. Технические условия. |
|
21. ГОСТ 3344-83 |
Щебень и песок шлаковые для дорожного строительства. |
|
22. ГОСТ 4001-84 |
Камни стеновые из горных пород. Технические условия. |
|
23. ГОСТ 4543-71* |
Сталь легированная конструкционная. Марки и технические требования. |
|
24. ГОСТ 4641-80 |
Дегти каменноугольные для дорожного строительства. Технические условия. |
|
25. ГОСТ 4765-73* |
Материалы лакокрасочные. Метод определения прочности пленок при ударе. |
|
26. ГОСТ 4981-87 |
Балки перекрытий деревянные. Технические условия. |
|
27. ГОСТ 5578-94 |
Щебень и песок из шлаков черной и цветной металлургии для бетонов. Технические условия. |
|
28. ГОСТ 5632-72* |
Стали высоколегированные и сплавы коррозионностойкие, жаростойкие и жаропрочные. Марки. |
|
29. ГОСТ 5802-86 |
Растворы строительные. Методы испытаний. |
|
30. ГОСТ 6133-84 |
Камни бетонные стеновые. Технические условия. |
|
31. ГОСТ 6564-84 |
Пиломатериалы и заготовки. Правила приемки, методы контроля, маркировка и транспортирование. |
|
32. ГОСТ 6617-76 |
Битумы нефтяные строительные. Технические условия. |
|
33. ГОСТ 6629-88 |
Двери деревянные внутренние для жилых и общественных зданий. Типы и конструкция. |
|
34. ГОСТ 6806-73* |
Материалы лакокрасочные. Методы определения эластичности пленки при изгибе. |
|
35. ГОСТ 7268-82* |
Сталь. Метод определения склонности к механическому старению по испытанию на ударный изгиб. |
|
36. ГОСТ 7415-86 |
Гидроизол. Технические условия. |
|
37. ГОСТ 7564-73* |
Сталь. Общие правила отбора проб, заготовок и образцов для механических и технологических испытаний. |
|
38. ГОСТ 7897-83 |
Заготовки из древесины лиственных пород. |
|
39. ГОСТ 8242-88 |
Детали профильные из древесины и древесных материалов для строительства. Технические условия. |
|
40. ГОСТ 8267-93 |
Щебень и гравий из плотных горных пород для строительных работ. Технические условия. |
|
41. ГОСТ 8269-87 |
Щебень из природного камня, гравий и щебень из гравия для строительных работ. Методы испытаний. |
|
42. ГОСТ 8420-74* |
Материалы лакокрасочные. Методы определения условной вязкости. |
|
43. ГОСТ 8486-86 |
Пиломатериалы хвойных пород. |
|
44. ГОСТ 8717.0-84 |
Ступени железобетонные и бетонные. Технические условия. |
|
45. ГОСТ 8717.1-84 |
Ступени железобетонные и бетонные. Конструкция и размеры. |
|
46. ГОСТ 8735-88 |
Песок для строительных работ. Методы испытаний. |
|
47. ГОСТ 8736-93 |
Песок для строительных работ. Технические условия. |
|
48. ГОСТ 8784-75* |
Материалы лакокрасочные. Методы определения укрывистости. |
|
49. ГОСТ 9007-73 |
Материалы лакокрасочные. Метод определения времени и степени высыхания. |
|
50. ГОСТ 9128-84 |
Смеси асфальтобетонные, дорожные, аэродромные и асфальтовые. Технические условия. |
|
51. ГОСТ 9179-77 |
Известь строительная. Технические условия. |
|
52. ГОСТ 9462-88 |
Лесоматериалы круглые лиственных пород. |
|
53. ГОСТ 9463-88 |
Лесоматериалы круглые хвойных пород. |
|
54. ГОСТ 9548-74 * |
Битумы нефтяные кровельные. Технические условия. |
|
55. ГОСТ 9561-91 |
Плиты перекрытий железобетонные много пустотные для зданий и сооружений. Технические условия. |
|
56. ГОСТ 9574-90 |
Панели гипсобетонные для перегородок. Технические условия. |
|
57. ГОСТ 9758-86 * |
Заполнители пористые неорганические для строительных работ. Технические условия. |
|
58. ГОСТ 9812-74 * |
Битумы нефтяные изоляционные. Технические условия. |
|
59. ГОСТ 9818-85 |
Марши и площадки лестниц железобетонные. Технические условия. |
|
60. ГОСТ 10060.0-95 |
Бетоны. Методы контроля морозостойкости. Общие положения. |
|
61. ГОСТ 10178-85* |
Портландцемент и шлакопортландцемент. Технические условия. |
|
62. ГОСТ 10180-90 |
Бетоны. Методы определения прочности по контрольным образцам. |
|
63. ГОСТ 10181.0-81 |
Смеси бетонные. Общие требования к методам испытаний. |
|
64. ГОСТ 10181.1-81 |
Смеси бетонные. Методы определения удобоукладываемости. |
|
65. ГОСТ 10181.2-81 |
Смеси бетонные. Методы определения плотности. |
|
66. ГОСТ 10181.3-81 |
Смеси бетонные. Методы определения пористости. |
|
67. ГОСТ 10181.4-81 |
Смеси бетонные. Методы определения расслаиваемости. |
|
68. ГОСТ 10296-79 |
Изол. Технические условия. |
|
69. ГОСТ 10354-82* |
Пленка полиэтиленовая. Технические условия. |
|
70. ГОСТ 10923-93 |
Рубероид. Технические условия. |
|
71. ГОСТ 11024-84 |
Панели стеновые наружные бетонные и железобетонные для жилых и общественных зданий. Общие технические условия. |
|
72. ГОСТ 11047-90 |
Детали и изделия деревянные для малоэтажных жилых и общественных зданий! Технические условия. |
|
73. ГОСТ 11052-74 |
Цемент гипсоглиноземистый расширяющийся. Технические условия. |
|
74. ГОСТ 11214-86 |
Окна и балконные двери деревянные для жилых и общественных зданий. Типы, конструкции и размеры. |
|
75. ГОСТ 12004-81 * |
Сталь арматурная. Методы испытаний на растяжение. |
|
76. ГОСТ 12504-80 |
Панели стеновые внутренние бетонные и железобетонные для жилых и общественных зданий. |
|
77. ГОСТ 12506-81 |
Окна деревянные для производственных зданий. Типы конструкций и размеры. |
|
78. ГОСТ 12730.0-78 |
Бетоны. Общие требования к методам определения плотности, влажности, водопогло-щения, пористости и водонепроницаемости. |
|
79. ГОСТ 12730.1-78 |
Бетоны. Методы определения плотности. |
|
80. ГОСТ 12730.2-78 |
Бетоны. Методы определения влажности. |
|
81. ГОСТ 12730.3-78 |
Бетоны. Методы определения водопоглощения. |
|
82. ГОСТ 12730.4-78 |
Бетоны. Методы определения показателей пористости. |
|
83. ГОСТ 12730.5-84 * |
Бетоны. Методы определения водонепроницаемости. |
|
84. ГОСТ 12767-94 |
Плиты перекрытий железобетонные сплошные для крупнопанельных зданий. Общие технические условия. |
|
85. ГОСТ 12801-84 |
Смеси асфальтобетонные, дорожные и аэродромные, деттебетонные дорожные, асфальтобетон и дегтебетон. Методы испытаний. |
|
86. ГОСТ 13015.0-83 |
Конструкции и изделия бетонные и железобетонные сборные. Общие технические требования. |
|
87. ГОСТ 13015.1-81 |
Конструкции и изделия бетонные и железобетонные сборные. Правила приемки. |
|
88. ГОСТ 13015.3-81 |
Конструкции и изделия бетонные и железобетонные сборные. Документ о качестве. |
|
89. ГОСТ 13015.4-84 |
Конструкции и изделия бетонные и железобетонные сборные. Правила транспортирования и хранения. |
|
90. ГОСТ 13489-79* |
Герметики марок У-30М и УТ-31. Технические условия. |
|
91. ГОСТ 13579-78 |
Блоки бетонные для стен подвалов. Технические условия. |
|
92. ГОСТ 13580-85 |
Плиты железобетонные ленточных фундаментов. Технические условия. |
|
93. ГОСТ 14624-84 |
Двери деревянные для производственных зданий. Типы, конструкция и размеры. |
|
94. ГОСТ 14791-79 |
Мастика герметизирующая нетвердеющая строительная. Технические условия. |
|
95. ГОСТ 15140-78 |
Материалы лакокрасочные. Методы определения адгезии. |
|
96. ГОСТ 15612-85 |
Изделия из древесины и древесных материалов. Методы определения параметров шероховатости поверхности. |
|
97. ГОСТ 15613.1-84 |
Древесина клееная массивная. Методы определения предела прочности клеевого соединения при скалывании вдоль волокон. |
|
98. ГОСТ 15613.3-77 |
Древесина клееная массивная. Метод определения предела прочности при растяжении клеевого торцевого соединения впритык. |
|
99. ГОСТ 15613.4-78 |
Древесина клееная массивная. Метод определения предела прочности зубчатых клеевых соединений при статическом изгибе. |
|
100. ГОСТ 15812-87 |
Древесина клееная слоистая. Термины и определения. |
|
101. ГОСТ 15825-80* |
Портландцемент цветной. Технические условия. |
|
102. ГОСТ 15836-79 |
Мастика битумно-резиновая изоляционная. Технические условия. |
|
103. ГОСТ 15879-70 |
Стеклорубероид. Технические условия. |
|
104. ГОСТ 16289-86 |
Окна и балконные двери деревянные для жилых и общественных зданий. Типы, конструкция и размеры. |
|
105. ГОСТ 16297-80 |
Материалы звукоизоляционные и звукопоглощающие. Методы испытаний. |
|
106. ГОСТ 16337-77Е* |
Полиэтилен высокого давления. Технические условия. |
|
107. ГОСТ 16557-78 |
Порошок минеральный для асфальтобетонных смесей. Технические условия. |
|
108. ГОСТ 17079-88 |
Блоки вентиляционные железобетонные.Технические условия. |
|
109. ГОСТ 17177-94 |
Материалы и изделия строительные теплоизоляционные. Методы испытаний. |
|
110. ГОСТ 17538-82 |
Конструкции и изделия железобетонные для шахт лифтов жилых зданий. Технические условия. |
|
111. ГОСТ 18105-86* |
Бетоны. Правила контроля прочности. |
|
112. ГОСТ 18853-73 |
Ворота деревянные распашные для производственных зданий и сооружений. Технические условия. |
|
113. ГОСТ 19003-74 |
Прокат листовой горячекатаный, сортамент. |
|
114. ГОСТ 19007-73* |
Материалы лакокрасочные. Методика определения времени и степени высыхания. |
|
115. ГОСТ 19010-82 |
Блоки стеновые бетонные и железобетонные для зданий. Общие технические требования. |
|
116. ГОСТ 19041-85Е |
Транспортные пакеты и блок-пакеты пилопродукции. Пакетирование, маркировка, траспоргирование и хранение. |
|
117. ГОСТ 19177-81 |
Прокладки резиновые пористые уплотняющие. Технические условия. |
|
118. ГОСТ 20022.0-82 * |
Защита древесины. Параметры защищенности. |
|
119. ГОСТ 20429-84 |
Фольгоизол. Технические условия. |
|
120. ГОСТ 20850-84 |
Конструкции деревянные клееные. Общие технические условия. |
|
121. ГОСТ 21780-83 |
Система обеспечения точности геометрических параметров в строительстве. Расчет точности. |
|
122. ГОСТ 21822-87* |
Битумы нефтяные специальные. Технические условия. |
|
123. ГОСТ 22245-90 |
Битумы нетяные дорожные вязкие. Технические условия; |
|
124. ГОСТ 22266-94 |
Цементы сульфатостойкие. Технические условия. |
|
125. ГОСТ 22406-77 |
Детали и изделия из древесины для строительства. Метод определения условной вла-гопроницаемости влагозащитных покрытий и пропиток. |
|
126. ГОСТ 22680-77 |
Известь строительная. Методы испытаний. |
|
127. ГОСТ 23118-78 |
Конструкции металлические строительные.Общие технические условия. |
|
128. ГОСТ 23166-78 |
Окна и балконные двери деревянные. Общие технические условия. |
|
129. ГОСТ 23499-79 |
Материалы и изделия строительные звукопоглощающие и звукоизоляционные. Классификация и общие технические требования. |
|
104. ГОСТ 16289-86 |
Окна и балконные двери деревянные для жилых и общественных зданий. Типы, конструкция и размеры. |
|
105. ГОСТ 16297-80 |
Материалы звукоизоляционные и звукопоглощающие. Методы испытаний. |
|
106. ГОСТ 16337-77Е* |
Полиэтилен высокого давления. Технические условия. |
|
107. ГОСТ 16557-78 |
Порошок минеральный для асфальтобетонных смесей. Технические условия. |
|
108. ГОСТ 17079-88 |
Блоки вентиляционные железобетонные. Технические условия. |
|
109. ГОСТ 17177-94 |
Материалы и изделия строительные теплоизоляционные. Методы испытаний. |
|
110. ГОСТ 17538-82 |
Конструкции и изделия железобетонные для шахт лифтов жилых зданий. Технические условия. |
|
111. ГОСТ 18105-86* |
Бетоны. Правила контроля прочности. |
|
112. ГОСТ 18853-73 |
Ворота деревянные распашные для производственных зданий и сооружений. Технические условия. |
|
113. ГОСТ 19003-74 |
Прокат листовой горячекатаный, сортамент. |
|
114. ГОСТ 19007-73* |
Материалы лакокрасочные. Методика определения времени и степени высыхания. |
|
115. ГОСТ 19010-82 |
Блоки стеновые бетонные и железобетонные для зданий. Общие технические требования. |
|
116. ГОСТ 19041-85Е |
Транспортные пакеты и блок-пакеты пилопродукции. Пакетирование, маркировка, траспоргирование и хранение. |
|
117. ГОСТ 19177-81 |
Прокладки резиновые пористые уплотняющие. Технические условия. |
|
118. ГОСТ 20022.0-82 * |
Защита древесины. Параметры защищенности. |
|
119. ГОСТ 20429-84 |
Фольгоизол. Технические условия. |
|
120. ГОСТ 20850-84 |
Конструкции деревянные клееные. Общие технические условия. |
|
121. ГОСТ 21780-83 |
Система обеспечения точности геометрических параметров в строительстве. Расчет точности. |
|
122. ГОСТ 21822-87 * |
Битумы нефтяные специальные. Технические условия. |
|
123. ГОСТ 22245-90 |
Битумы нефтяные дорожные вязкие. Технические условия; |
|
124. ГОСТ 22266-94 |
Цементы сульфатостойкие. Технические условия. |
|
125. ГОСТ 22406-77 |
Детали и изделия из древесины для строительства. Метод определения условной вла-гопроницаемости влагозащитных покрытий и пропиток. |
|
126. ГОСТ 22680-77 |
Известь строительная. Методы испытаний. |
|
127. ГОСТ 23118-78 |
Конструкции металлические строительные. Общие технические условия. |
|
128. ГОСТ 23166-78 |
Окна и балконные двери деревянные. Общие технические условия. |
|
129. ГОСТ 23499-79 |
Материалы и изделия строительные звукопоглощающие и звукоизоляционные. Класс сификация и общие технические требования. |
|
130. ГОСТ 23732-79 |
Вода для бетонов и растворов. Технические условия. |
|
131. ГОСТ 23787.1-84 |
Растворы антисептического препарата ХМК. Технические требования, требования без опасности и методы анализа. |
|
132. ГОСТ 23787.2-84 |
Растворы биоогнезащитного препарата ХМББ. Технические требования, Требования безопасности и методы анализа. |
|
133. ГОСТ 23787.6-79 |
Работы биоогнезащитного препарата ББ. Технические требования. Требования безопасности и методы анализа. |
|
134. ГОСТ 23787.9-84 |
Растворы антисептического препарата ХМ- 11. Технические требования. Требования безопасности и методы анализа. |
|
135. ГОСТ 23787.11-81 |
Растворы биоогнезащитного препарата ДМФ. Технические требования. Требования безопасности и методы анализа. |
|
136. ГОСТ 23789-79 |
Вяжущие гипсовые. Методы испытаний. |
|
137. ГОСТ 23835-79 |
Материалы рулонные кровельные и гидроизоляционные. Классификация и общие технические требования. |
|
138. ГОСТ 24033-80 |
Окна и балконные двери деревянные. Методы механических испытаний. |
|
139. ГОСТ 24064-80 |
Мастики клеящие каучуковые. Техническиеусловия. |
|
140. ГОСТ 24404-80 |
Изделия из древесины и древесных материалов. Покрытия лакокрасочные. Классификация и обозначения. |
|
141. ГОСТ 24698-81 |
Двери деревянные наружные для жилых и общественных зданий. Типы, конструкция и размеры. |
|
142. ГОСТ 24992-81 |
Конструкции каменные. Метод определения прочности сцепления в каменной кладке. |
|
143. ГОСТ 25192-82 |
Бетоны. Классификация и общие технические требования. |
|
144. ГОСТ 25591-83 |
Мастики кровельные и гидроизоляционные. Классификация и общие технические требования. |
|
145. ГОСТ 25592-91 |
Смеси золошлаковые тепловых электростанций для бетонов. Технические условия. |
|
146. ГОСТ 25607-94 |
Смеси щебеночно-гравийно-песчаные для покрытий и оснований автомобильных дорог и аэродромов. Технические условия. |
|
147. ГОСТ 25621-83 |
Материалы и изделия полимерные строительные герметизирующие уплотняющие. Классификация и общие технические требования. |
|
148. ГОСТ 25697-83 |
Плиты балконов и лоджий железобетонные. |
|
149. ГОСТ 25818-91 |
Золы-уноса тепловых электростанций для бетона. Технические условия. |
|
150. ГОСТ 25820-83 |
Бетоны легкие. Технические условия. |
|
151. ГОСТ 25885-83 |
Конструкции деревянные клееные. Метод определения прочности клеевых соединений древесно-плитных материалов с древесиной. |
|
152. ГОСТ 25945-87 |
Материалы и изделия полимерные строительные герметизирующие нетвердеющие. Методы испытаний. |
|
153. ГОСТ 26138-84 |
Элементы и детали встроенных шкафов и антресолей для жилых зданий. |
|
154. ГОСТ 26589-94 |
Мастики кровельные и гидроизоляционные. Методы испытаний. |
|
155. ГОСТ 26601-85 |
Окна и балконные двери деревянные для малоэтажных жилых домов. Типы, конструкция и размеры. |
|
156. ГОСТ 26627-85 |
Материалы рулонные кровельные и гидроизоляционные. Правила приемки. |
|
157. ГОСТ 26633-91 |
Бетоны тяжелые и мелкозернистые. Технические условия. |
|
158. ГОСТ 26871-86 |
Материалы вяжущие гипсовые. Правила приемки. Упаковка, маркировка, транспортирование и хранение. |
|
159. ГОСТ 27006-86 |
Бетоны. Правила подбора состава бетона. |
|
160. ГОСТ 28013-89 |
Растворы строительные. Общие технические условия. |
|
161. ГОСТ 28015-89 |
Щиты покрытий пола деревянные однослойные. Технические условия. |
|
162. ГОСТ 28196-89 |
Краски водно-дисперсионные. Технические условия. |
|
163. ГОСТ 30307-95 |
Мастики строительные полимерные клеящие латексные. Технические условия. |
|
164. Ст. СЭВ 1406-78 |
Конструкции бетонные и железобетонные. Основные положения проектирования. |
|
165. Ст. СЭВ 3972-83 |
Надежность строительных конструкций и оснований. Конструкции стальные. Основные положения по расчету. |
|
166. Ст. СЭВ 4420-83 |
Защита от коррозии в строительстве. Общие положения. |
|
167. Ст. СЭВ 5980-87 |
Защита от коррозии в строительстве. Конструкции деревянные. Классификация агрессивных сред. |
|
168. СНиП 2.01.02-85 * |
Противопожарные нормы (изд. 1991 г.). |
|
169. СНиП 2.03.01-84 * |
Бетонные и железобетонные конструкции (изд. 1989 г.). |
|
170. СНиП 2.03.03-85 |
Армоцементные конструкции. |
|
171. СНиП 3.01.01-85 * |
Организация строительного производства. |
|
172. СНиП 3.03.01-87 |
Несущие и ограждающие конструкции. |
|
173. ГОСТ 380-88 * |
Стальные конструкции. |
|
174. СНиП II-25-80 |
Деревянные конструкции. |
|
175. СНиП III-18-75 |
Металлические конструкции. |
|
ГОСТЫ, СТРОИТЕЛЬНЫЕ и ТЕХНИЧЕСКИЕ НОРМАТИВЫ. Некоммерческая онлайн система, содержащая все Российские Госты, национальные Стандарты и нормативы. В Системе содержится более 150000 файлов нормативно-технической документации, действующей на территории РФ. Система предназначена для широкого круга инженерно-технических специалистов. Copyright © www.gostrf.com, 2008 - 2026 |